Построение сборок в системе Компас-3D

  • Вид работы:
    Практическое задание
  • Предмет:
    Другое
  • Язык:
    Русский
    ,
    Формат файла:
    MS Word
    599,56 Кб
  • Опубликовано:
    2013-06-25
Вы можете узнать стоимость помощи в написании студенческой работы.
Помощь в написании работы, которую точно примут!

Построение сборок в системе Компас-3D

Министерство образования Российской Федерации

Донской государственный технический университет

Кафедра "Робототехника и мехатроника"








Методические указания к выполнению лабораторной работы N3

"Построение сборок в системе Компас-3D"












г. Ростов-на-Дону

г.

Содержание

1. Цель работы

. Теоретическая часть

.1 Построение сборок

.2 Построение детали "Внешнее кольцо"

.3 Построение детали "Внутреннее кольцо"

.4 Построение детали "Тело качения"

.5 Построение сборки "Подшипник"

.6 Добавление компонента сборки из файла

.7 Разнесение компонентов

. Практическая часть

.1 Задание на выполнение лабораторной работы

.2 Содержание отчета

. Контрольные вопросы

Список использованных источников

1. Цель работы


Ознакомиться с основными средствами для работы со сборками в системе КОМПАС-3D; изучить метод создания сборок на основе моделей отдельных деталей, входящих в сборку; получить практические навыки создания сборок на типовом примере (стандартное изделие "подшипник").

2. Теоретическая часть


2.1 Построение сборок


Сборка в КОМПАС-3D V7 - трехмерная модель, объединяющая модели деталей, подсборок и стандартных изделий, а также информацию о взаимном положении компонентов и зависимостях между параметрами их элементов.

Пользователь задает состав сборки, добавляя в нее новые компоненты или удаляя существующие. Модели компонентов хранятся в отдельных файлах.

В файле сборки хранятся ссылки на эти компоненты.

Технологию построения сборок легко проследить и освоить на примере создания сборки стандартного изделия "подшипник". Для этого в начале необходимо в системе КОМПАС-3D создать модели отдельных деталей, входящих в сборку. Затем необходимо создать в системе КОМПАС-3D документ "сборка", добавить в него из файлов модели сборочных единиц и с помощью инструмента "Сопряжения" добиться необходимой взаимной ориентации деталей в сборке.

2.2 Построение детали "Внешнее кольцо"


Для создания новой детали выполните команду Файл / Создать или нажмите кнопку Создать на панели Стандартная.

В окне диалога укажите тип создаваемого документа Деталь и нажмите кнопку ОК (рисунок 3).

Рисунок 3

На экране откроется окно нового документа - детали. В окне сборки находится дерево построения, система координат и плоскости проекций.

Для примера приведено создание внешнего кольца для роликового подшипника.

Далее надо выбрать вид сверху и в плоскости ZX создать эскиз создаваемой детали (рисунок 4).

Рисунок 4

Операцией Вращение, из эскиза получить готовую деталь. Выполнить необходимые скругления.

2.3 Построение детали "Внутреннее кольцо"

Деталь "Внутреннее кольцо" можно получить аналогично вышеприведенному примеру. Для этого создать эскиз (рисунок 5), из которого операцией Вращение получить готовую деталь. Выполнить необходимые скругления.

Рисунок 5

2.4 Построение детали "Тело качения"


Деталь "Тело качения" можно получить аналогичным вышеприведенным примерам.

2.5 Построение сборки "Подшипник"


Для создания новой детали выполните команду Файл / Создать или нажмите кнопку Создать на панели Стандартная.

В окне диалога укажите тип создаваемого документа Сборка и нажмите кнопку ОК (рисунок 6).

Рисунок 6

На экране откроется окно нового документа - сборки. В окне сборки находится дерево построения, система координат и плоскости проекций.

На компактной панели появится несколько дополнительных кнопок, откроется инструментальная панель Редактирование сборки (рисунок 7).

Рисунок 7

Нажмите кнопку Сохранить и сохраните новую сборку под именем "Подшипник".

Файлы сборок имеют расширение а3d, которое система автоматически добавляет к имени документа.

2.6 Добавление компонента сборки из файла


Обычно в качестве базового определяют компонент, относительно которого удобно задавать положение всех остальных компонентов.

Чтобы добавить в сборку компонент из файла, нажмите кнопку Добавить из файла на панели Редактирование сборки (рисунок 8).

Рисунок 8

В диалоге выбора файлов откройте папку, в которой были сохранены детали сборки "Подшипник", укажите в списке файлов документ "Внутреннее кольцо" и нажмите кнопку Открыть.

Аналогичным образом добавьте в сборку детали "Внешнее кольцо" и "Тело качения". Для придания деталям нужного положения необходимо воспользоваться инструментальной панелью Сопряжения. Но предварительно использовать на панели Дополнительная геометрия элементом Ось конической поверхности. В качестве поверхности указать внутреннюю часть детали "Внутреннее кольцо". После чего появится ось, а в дереве построения - надпись "ось конической поверхности" (рисунок 9).

Рисунок 9

Теперь необходимо выполнить 4 сопряжения:

) Касание внешней грани тела качения и грани, по которой осуществляется качение ролика (рисунок 10).

Рисунок 10

) Совпадение Деталь-Деталь. В качестве элементов сопряжения указать торец "Тела качения" и внутреннюю грань канавки "Внутреннего кольца" (рисунок 11).

Рисунок 11

) Совпадение объектов: торец "Внешнего кольца" и торец "Внутреннего кольца" (рисунок 12).

Рисунок 12

Для того, чтобы тел качения было достаточно, т.е. как в подшипнике, надо воспользоваться командой Массив по концентрической сетке на панели Редактирование сборки.

В качестве объекта массива выберите "Тело качения". Количество по кольцевому направлению установите любое от 6 до 15. В качестве оси вращения укажите ранее созданную ось конической поверхности. После чего будут созданы все тела качения (рисунок 13).

Рисунок 13

2.7 Разнесение компонентов


КОМПАС - 3D V7 позволяет увидеть сборку в "разобранном" виде. Для этого требуется выполнить разнесение входящих в нее компонентов.

Выполните команду Сервис | Разнести компоненты | Параметры. На экране появится панель свойств Разнести компоненты. Чтобы добавить шаг разнесения, нажмите кнопку Добавить (рисунок 14).

сборка деталь подшипник компас

Рисунок 14

В списке шагов в левой части окна отобразится первый шаг разнесения сборки. В дереве построения, или непосредственно в окне документа, укажите компонент "Внешнее кольцо". Имя указанного компонента отображено в списке компонентов. Чтобы указать направление разнесения, включите кнопку Объект на панели свойств.

Компоненты могут разноситься в направлении любого ребра модели или перпендикулярном любой грани. В окне модели укажите переднюю грань детали "Внутреннее кольцо".

Включите кнопку Обратное в группе Направление. С помощью счетчика приращения/уменьшения введите в поле Расстояние значение 100 и нажмите кнопку Применить. В окне модели указанный компонент переместится на заданное расстояние (рисунок 15).

Рисунок 15

На панели свойств вновь нажмите кнопку Добавить. Укажите в качестве элементов разнесения "Тела качения". Включите кнопку Объект. В окне модели укажите переднюю грань детали "Внутреннее кольцо". Включите кнопку Обратное в группе Направление. Введите в поле Расстояние значение 50 и нажмите кнопку Применить.

В окне модели система выполнит построение очередного шага разнесения, переместив указанный компонент на заданное расстояние (рисунок 16).

Рисунок 16

На этом построение разнесенного вида закончено. Чтобы включить режим обычного отображения сборки, нажмите кнопку Разнести на панели Вид. Эта кнопка служит переключателем режима разнесения и обычного режима отображения сборки.

3. Практическая часть


3.1 Задание на выполнение лабораторной работы


Построить в системе Компас - 3D V7 сборку подшипника качения, выполнить разнесение деталей сборки.

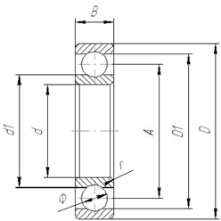
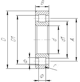
Задание по вариантам 1-4 выполнять согласно рисунку 17, вариантам 5-8 выполнять согласно рисунку 18. Указанные на рисунках 17, 18 размеры взять из таблицы 1 согласно своему варианту.

Таблица 1

Номер варианта

А

В

D

D1

d

d1

r

Ф

1

65

19

85

75,16

45

54,84

2

12,7

2

60

18

80

70,16

40

49,84

2

12,7

3

53,5

17

72

62,39

35

44,16

2

11,11

4

42,5

9

55

46,95

30

38,05

0,5

5,56

5

53,5

17

60,7

35

46,3

1

9

6

60

18

80

68

40

52

2

10

7

42,5

13

55

47,3

30

37,7

1,5

6

8

43,5

17

62

50,7

25

36,3

2

9


Рисунок 17

Рисунок 18

Указание. Для выполнения задания необходимо предварительно создать модели деталей "Внешнее кольцо" и "Внутреннее кольцо", а также создать подсборку "Тела качения".

 

3.2 Содержание отчета


1)  Название и цель лабораторной работы.

2)          Понятие сборки в системе КОМПАС-3D.

) Задание на выполнение лабораторной работы (эскиз создаваемой модели).

) Выводы о проделанной работе.

 

4. Контрольные вопросы


1)          Что такое сборка в системе КОМПАС-3D?

2)          Опишите в общих чертах технологию создания сборки в системе КОМПАС-3D.

) Какими способами можно добавить деталь в сборку?

) С помощью каких инструментов достигается необходимое взаимное расположение деталей в сборке?

) Какие преимущества дает возможность построения сборок изделий в системе КОМПАС-3D?

Список использованных источников


1.     Потемкин А.Е. Твердотельное моделирование в системе КОМПАС-3D. - СПб.: БХВ-Петербург, 2004.

2.        Потемкин А.Е. Инженерная графика. Просто и доступно. - М.: ЛОРИ, 2000.

.          Федоренко В.А., Шошин А.И. Под ред. Поповой Г.Н. Справочник по машиностроительному черчению. 14-е изд., перераб. и доп. - Л.: Машиностроение, 1981.


Не нашли материал для своей работы?
Поможем написать уникальную работу
Без плагиата!
Без нейросетей!