|
Назва параметра
|
Позначення параметра
|
Значення параметра
|
|
Піч
|
|
|
|
Коефіцієнт залежності температури від
лінійного переміщення клапана
|
k0
|
40 0С/см
|
|
Коефіцієнт залежності зміни температури в печі
від зовнішнього збурення
|
k1
|
20 0С/%
|
|
Постійна часу реакції температури в печі від
лінійного переміщення клапана
|
T0
|
1,7 с
|
|
Зовнішнє збурення
|
f
|
70 %
|
|
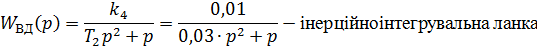
Виконавчий двигун з клапаном
|
|
|
|
Коефіцієнт залежності лінійного переміщення
клапана від керуючого сигналу
|
k4
|
3 см/(В*с)
|
|
Стала часу реакції двигуна в залежності від
сигналу керування
|
T2
|
0,03 с
|
|
Диференціальний магнітний підсилювач
|
|
|
|
Передаточний коефіцієнт сигналу розузгодження
|
k3
|
3
|
|
Стала часу реакції підсилювача від сигналу
розузгодження
|
T1
|
0,06 с
|
|
Датчик температури
|
|
|
|
Коефіцієнт залежності напруги від температури
|
k2
|
1 В/град
|
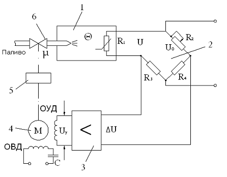
1.4 Написання диференціальних
рівнянь та передаточних функцій кожної ланки
Об’єкт регулювання
Вхідним параметром є
-
лінійне переміщення клапану, вихідним -
-
значення температури в печі. Загальне диференціальне рівняння буде мати вигляд:
При відсутності збурення (f=0)
об’єкт регулювання описується рівнянням:
де
-
постійна часу;
- коефіцієнт
передачі.
В результаті відношення зображення
по Лапласу вихідного сигналу до зображення по Лапласу вхідного сигналу
отримуємо передаточну функцію об’єкта регулювання:
При наявності збурення рівняння
набуде вигляду:
де
-
коефіцієнт передачі; ƒ - збурююча
дія на об'єкті регулювання.
Використовуючи знову перетворення
Лапласа отримуємо передаточну функцію об’єкта регулювання:
Датчик температури
Вхідним параметром є температура,
вихідним - напруга, яка є пропорційною температурі в печі.
Рівняння буде мати вигляд:
=k2
Де U - напруга, k2 - коефіцієнт
передачі.
В результаті відношення зображення
по Лапласу вихідного сигналу до зображення по Лапласу вхідного сигналу
отримуємо передаточну функцію датчика температури:
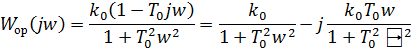
Порівнюючий орган
На схемі САР є мостовою схемою.
Описується рівнянням:
де U - падіння напруги на
терморезистори; U0 - падіння напруги на задаючому резисторі; ∆U - сигнал
розбалансування мостової схеми.
Диференційний магнітний
перетворювач(ДМП)
Отримує сигнал від порівнюючого
елементу(∆U), передаючи на вихід підсилений сигнал(Uy). Рівняння:
де T4 - постійна часу; k4 -
коефіцієнт передачі.
В результаті відношення зображення
по Лапласу вихідного сигналу до зображення по Лапласу вхідного сигналу
отримуємо передаточну функцію ДМП:
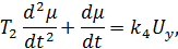
Виконавчий двигун
Отримуючи напругу від ДМП(Uy), він
через редуктор буде змінювати лінійне переміщення клапану. Рівняння:
де T2 - постійна часу; k4 -
коефіцієнт передачі.
В результаті відношення зображення
по Лапласу вихідного сигналу до зображення по Лапласу вхідного сигналу
отримуємо Передаточну функцію виконавчого двигуна:
1.5 Написання передаточної функції
розімкнутої системи
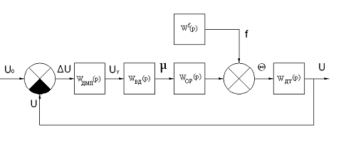
Розімкнута структурна схема
автоматичного регулювання показана на рис.1.4.
Рис. 1.4 - Розімкнута структурна САР
Тоді передаточна функція розімкнутої
САР буде дорівнювати добутку передаточних функцій послідовно з’єднаних ланок:
1.6 Написання передаточної функції
замкнутої системи
Так як в нас передаточна функція
зворотного зв’язку буде дорівнювати 1, передаточна функція замкнутої САР набуде
вигляду:
1.7 Написання передаточної функції
по збуренню
Передаточну функцію шукаємо із
розімкнутої схеми. Так як після збурення в напрямку процесу є тільки одна
ланка(датчик температури), то передаточна функція буде мати вигляд:
2. ПОБУДОВА ХАРАКТЕРИСТИК
.1 Побудова амплітудної
характеристики замкнутої системи
Критерій Найквіста - це один із
частотних методів оцінки стійкості САК. Особливістю даного критерію є те, що
він дає змогу: оцінювати динамічні властивості замкнутих систем за частотними
характеристиками відповідних розімкнутих систем; досліджувати динамічні
властивості замкнутої системи за відсутності рівняння динаміки системи або її
окремих елементів.
Візьмемо нашу передаточну функцію
замкнутої системи
Прирівняємо знаменник замкнутої
передаточної функції до нуля, і отримаємо характеристичне рівняння:
Зробимо заміну (p=jw):
Виділимо дійну і уявну частину:
+1.2
Тоді отримуємо таку
амплітудно-фазову характеристику(рис.2.1.).
Рис. 2.1 - Амплітудно-фазова
характеристика
З графіка видно, що крива не охоплює
точку
.
Тому система буде стійка.
2.2 Побудова логарифмічної
амплітудно-частотної характеристики розімкнутої системи
Для побудови логарифмічної
амплітудно-частотної характеристики (ЛАЧХ) запишемо ще раз передатну
характеристику розімкненої системи:
аперіодична ланка
І-го порядку
Дійсна і уявна частотні
характеристики мають вигляд:
Аналогічні перетворення використаємо
для всіх передаточних функцій розімкнутої САР.
З другого дробу винесемо 1/p за
дужки і в результаті отримаємо:
Запишемо значення модуля W(jw):
З цього виразу запишемо ЛАЧХ системи
виходячи з умови L(w)=20lg(A(w)):
Визначимо частоти зрізу ЛАЧХ:
Так як в нас є інтегруюча ланка, то
ЛАЧХ йде під деяким кутом вниз (рис. 2.2).
Рис. 2.2 - ЛАЧХ системи автоматичного
керування
2.3 Побудова фазочастотної
характеристики розімкнутої системи
Використовуючи вище викладені дані
про передаточні функції окремих ланок розімкнутої системи запишемо ЛФЧХ кожної
ланки:
Виконуючи алгебраїчне додавання
ординат ЛФЧХ окремих ланок отримуємо ЛФЧХ всієї системи, по якій будуємо
графік(рис.2.3.):
Рис. 2.3 - ЛФЧХ системи
автоматичного керування
З рис.2.2. і рис.2.3. видно що при
досягненні ЛФЧХ значення -π, значення
ЛАЧХ є від’ємним. Тому можна зробити висновок, що замкнута система - стійка.
3. ВИЗНАЧЕННЯ СТІЙКОСТІ ЗА ДВОМА
КРИТЕРІЯМИ
.1 Визначення стійкості САР за допомогою
алгебраїчного критерію стійкості
До алгебраїчних критеріїв стійкості
належать критерії : Рауса, Гурвіца, Вишнєградського, Льєнара-Шіпара.
Алгебраїчні критерії дозволяють
оцінювати стійкість за коефіцієнтами характеристичного рівняння замкнутої системи.
Одним з таких методів є критерій
Гурвіца. Згідно з цим критерієм, умови стійкості формулюються таким чином:
Всі корені характеристичного
рівняння
матимуть
від'ємні дійсні частини(або будуть дійсними від’ємними), якщо при додатному
знаку всіх коефіцієнтів a0, …, an будуть додатними головний визначник Гурвіца ∆n>0
і його діагональні мінори ∆n-1>0,… ∆2>0.
Характеристичне рівняння моєї САР
має вигляд:
Визначимо головний визначник і
діагональні мінори:
Так як головний визначник і
діагональні мінори додатні, то САР є стійкою.
3.2 Визначення стійкості САР за
допомогою частотного критерію стійкості
До частотних критеріїв стійкості
належать критерії Михайлова та його наслідок(друге формулювання критерію),
критерій Найквіста, метод Д - розбиття, логарифмічні критерії.
Визначення стійкості за критерієм
Михайлова
Для стійкості САР необхідно і
достатньо, щоб радіус-вектор годографа Михайлова при зміні частоти від 0 до + ∞,
почавши обертання з точки, яка лежить на дійсній осі праворуч від нуля,
обертаючись проти годинникової стрілки і ніде не перетворюючись в нуль, пройшов
послідовно n квадрантів комплексної площини, повернувшись на кут
де n -
порядок характеристичного рівняння.
Запишемо передаточну функцію
замкнутої системи:
Прирівняємо знаменник
передаточної функції до нуля і запишемо характеристичне рівняння:
Виконаємо заміну (
,
де
):
Звідси виділимо дійсну(
)
і уявну(
)
частину:

а) б)
Рис. 3.1 - Годограф Михайлова, який
проходить через 2-квадранти
З графіків (рис.3.1 -а,б) видно, що
радіус-вектор починає обертатися з точки, яка лежить на дійсній осі праворуч
від нуля проти годинникової стрілки, послідовно проходячи в комплексній площині
всі 4 квадранти і ніде не перетворюється в нуль. Тому система є стійка.
4. ПОБУДОВА ПЕРЕХІДНОГО ПРОЦЕСУ І
ВИЗНАЧЕННЯ ПОКАЗНИКІВ ЯКОСТІ МЕТОДОМ ОДИНИЧНИХ ТРИКУТНИКІВ І ТРАПЕЦІЙ
Дослідимо перехідну характеристику
замкненої САР за умови дії одиничного кидка навантаження
.
Для цього скористаємося одним із частотних методів - методом одиничних трапецій
та трикутників, який дає можливість дістати відповіді на основні питання якості
про характер перехідного процесу, його тривалість, величину перерегулювання.
Частотні методи досліджування базуються на математичній залежності
характеристики перехідного процесу
від
дійсної частотної характеристики замкнутої системи за збуренням.
Насамперед згідно алгоритму
вибраного методу побудуємо залежність дійсної частини
амплітудно-фазової
частотної характеристики замкнутої системи за збуренням від частот
.
Передаточна функція замкненої
системи за збуренням
має вигляд:
Спростивши вищенаведену формулу
отримаємо:
Зробивши заміну
,
запишемо амплітудно-фазову характеристику:
Згрупуємо дійсні і уявні доданки
окремо в знаменнику і в чисельнику:
Згідно схеми типових
перетворень, якщо
, то дійсні
та уявні частини від
визначаються
як:
;
.
Отже, дійсна частина
амплітудно-фазової частотної характеристики матиме вигляд:
Змінюючи
від 0 до
, де
- границя
зони суттєвих частот (тобто таких для яких виконується умова
), отримуємо
характеристику
(рис. 4.1).
Границя зони суттєвих частот в нашому є рівною 3,664 c-1.
Рис. 4.1 - Характеристика
Uf(w)
Рис. 4.2 - Розбиття
характеристики на одиничні трапеції
Рис. 4.3 - Дійсна частина
амплітудно-фазової частотної характеристики
Отриману характеристику
апроксимуємо рівнозначними фігурами
. В нашому випадку це набір трьох
трапецій (рис. 4.2):
- ZABC- ZQF - ZEDQ1
З рис. 4.2 визначаємо висоти
та нахили
трапецій
:- трапеція
ZABC:
- трикутник ZQF:
- трапеція
ZEDQ1:
Побудуємо ординату
перехідного процесу для реального моменту часу
Знайдемо табличний час для головних
фігур:
За даними таблиць h-функцій
по відповідних значеннях
знайдемо
відповідні значення h-функцій для фігур N1, N2, N3:
передаточний
функція стійкість
Помноживши знайдені табличні
значення h(t) на ординати відповідних фігур Hр, отримуємо ординати (xi(tp))
відповідних фігур:
Знайдемо результуючу
перехідну характеристику при
Аналогічно можна отримати й
інші ординати перехідного процесу при різних значеннях реального часу
і побудуємо
відповідну характеристику(рис.4.3). Всі дані для оцінки САР занесемо в таблицю
4.1.
Таблиця 4.1 - Дані для оцінки САР
|
tp
|
τN1
|
τN2
|
τN3
|
h(t)N1
|
h(t)N2
|
h(t)N3
|
x(t)N1
|
x(t)N2
|
x(t)N3
|
x(t)Σ
|
|
0
|
0
|
0
|
0
|
0
|
0
|
0
|
0
|
0
|
0
|
0
|
|
0,25
|
0,31
|
0,916
|
0,578
|
0,1705
|
0,2848
|
0,38425
|
0,13299
|
0,1481
|
-0,2459
|
0,0352
|
|
0,5
|
0,62
|
1,832
|
1,155
|
0,3372
|
0,53124
|
0,557
|
0,263016
|
0,27624
|
-0,3565
|
0,1828
|
|
0,75
|
0,93
|
2,748
|
1,733
|
0,4977
|
0,7164
|
0,786
|
0,388237
|
0,37253
|
-0,503
|
0,2577
|
|
1
|
1,24
|
3,664
|
2,31
|
0,6415
|
0,8275
|
0,9598
|
0,500386
|
0,4303
|
-0,6143
|
0,3164
|
|
1,25
|
1,55
|
4,58
|
2,888
|
0,776
|
0,8884
|
1,0797
|
0,60528
|
0,46197
|
-0,691
|
0,3762
|
|
1,5
|
1,86
|
5,496
|
3,465
|
0,8876
|
0,90148
|
1,1418
|
0,692328
|
0,46877
|
-0,7308
|
0,4303
|
|
1,75
|
2,17
|
6,412
|
4,043
|
0,9819
|
0,90341
|
1,158
|
0,765882
|
-0,7411
|
0,4945
|
|
2
|
2,48
|
7,328
|
4,62
|
1,062
|
0,90564
|
1,1328
|
0,82836
|
0,47093
|
-0,725
|
0,5743
|
|
2,25
|
2,79
|
8,244
|
5,198
|
1,1111
|
0,9144
|
1,09
|
0,866658
|
0,47549
|
-0,6976
|
0,6445
|
|
2,5
|
3,1
|
9,16
|
5,775
|
1,1484
|
0,92724
|
1,0398
|
0,895752
|
0,48216
|
-0,6655
|
0,7124
|
|
2,75
|
3,41
|
10,08
|
6,353
|
1,1651
|
0,939
|
0,99321
|
0,908809
|
0,48828
|
-0,6357
|
0,7614
|
|
3
|
3,72
|
10,99
|
6,93
|
1,166
|
0,94694
|
0,9605
|
0,909511
|
0,49241
|
-0,6147
|
0,7872
|
|
3,25
|
4,03
|
11,91
|
7,508
|
1,161
|
0,94972
|
0,944
|
0,90558
|
0,49386
|
-0,6042
|
0,7953
|
|
3,5
|
4,34
|
12,82
|
8,085
|
1,1379
|
0,95041
|
0,9422
|
0,887562
|
0,49421
|
-0,603
|
0,7788
|
|
3,75
|
4,65
|
13,74
|
8,663
|
1,1096
|
0,95054
|
0,9522
|
0,865488
|
0,49428
|
-0,6094
|
0,7504
|
|
4
|
4,96
|
14,66
|
9,24
|
1,074
|
0,9543
|
0,9687
|
0,83772
|
0,49624
|
-0,62
|
0,714
|
|
4,25
|
5,27
|
15,57
|
9,818
|
1,0404
|
0,9589
|
0,9872
|
0,811512
|
0,49863
|
-0,6318
|
0,6783
|
|
4,5
|
5,58
|
16,49
|
10,4
|
1,0064
|
0,96295
|
1,0025
|
0,784992
|
0,50074
|
-0,6416
|
0,6441
|
|
4,75
|
5,89
|
17,4
|
10,97
|
0,9692
|
0,9654
|
1,0135
|
0,755976
|
0,50201
|
-0,6486
|
0,6093
|
|
5
|
6,2
|
18,32
|
11,55
|
0,948
|
0,966
|
1,017
|
0,73944
|
0,50232
|
-0,6509
|
0,5909
|
|
5,25
|
6,51
|
19,24
|
12,13
|
0,936
|
0,96624
|
1,0172
|
0,73008
|
0,50244
|
-0,651
|
0,5815
|
|
5,5
|
6,82
|
20,15
|
12,71
|
0,9238
|
0,9672
|
1,014
|
0,720595
|
0,50294
|
-0,649
|
0,5746
|
|
5,75
|
7,13
|
21,07
|
13,28
|
0,9175
|
0,9684
|
1,008
|
0,715666
|
0,50357
|
-0,6451
|
0,5741
|
|
6
|
7,44
|
21,98
|
13,86
|
0,9188
|
0,9696
|
1,006
|
0,716664
|
0,50419
|
-0,6438
|
0,577
|
Рис. 4.4 - Характеристика
перехідного процесу
Наведена методика дає можливість
побудувати перехідну характеристику за умови дії одиничного кидка навантаження
1(t) і дістати відповідь на основні питання якості про характер перехідного
процесу, його тривалість, величину перегулювання.
Приведені дослідження дають
можливість робити деякі оцінки якості САР безпосередньо за виглядом дійсної
частотної характеристики замкнутої системи за збуренням Uf(w).
Проведемо аналіз отриманої
перехідної характеристики. Виходячи з рис. 4.4 можемо визначити основні
показники якості:
за характером (вигляд)
перехідного процесу - аперіодичний процес з перерегулюванням (перехідні
процеси, за яких керована величина набуває усталеного значення після одного,
двох або більше коливань з різними періодами за наявності перерегулювання);
перерегулювання системи -
максимальне відхилення керованої величини в бік, протилежний початковому
відхиленню від усталеного значення
При досліджені системи
управління температурою електропечі, перехідні процеси в системі можуть мати
досить велике перерегулювання (до 50%). Тому для практичного використання
регулятору не є необхідним.
Тривалість (швидкодія)
перехідного процесу - практично визначається часом tп, за який відхилення Δх
від заданого значення стане меншим за деяку достатньо малу величину ε. Час
регулювання становить 5с.
СПИСОК ВИКОРИСТАНИХ ДЖЕРЕЛ
1. Попович
М.Г., Ковальчук О.В. Теорія автоматичного керування: Підручник.-2-ге вид.,
перероб. і доп. - К.: Либідь, 2007. - 656с.
2. Теорія
автоматичного керування. Методичні вказівки до виконання курсової роботи для
студентів факультету комп’ютерних наук та інформаційних технологій денної та заочної
форм навчання із спеціальності «Автоматизоване управління технологічними
процесами» (6.092501) / Т.П. Маркова - Луцьк: ЛДТУ, 2007 - 44 ст.