Модернізація системи керування універсальною швейною машиною із застосуванням частотного електропривода
Вступ
Найбільшу частку обладнання швейних
підприємств, у тому числі і сфери послуг, складають універсальні швейні машини,
які в той же час є найбільш енергозатратними в розрахунку на одиницю продукції.
Так, за даними раніше проведених досліджень, до 70% робочого часу двигун працює
на холостому ходу при виконанні операцій, в яких час допоміжних прийомів значно
перевищує машинний час.
Дослідження особливостей
застосування деяких типів електроприводів, проведені фірмами «Джукі» (Японія),
«Рімольді» (Італія), стосувалися в основному розширення функціональних
можливостей машин і їх швидкісного режиму. При цьому не враховувалися втрати
енергії при розгоні і вибігу електродвигунів універсальних швейних машин при їх
зупинці та пуску в процесі обробки виробів за різними технологіями та
фізико-механічними властивостями текстильних матеріалів [12, 13]. А тому
дослідження, що ведуть до економії електроенергії на заготівельних і монтажних
ділянках швейного виробництва, представляються своєчасними і актуальними.
Метою курсової роботи є дослідження
універсальних швейних машин при використанні частотно-регульованого
електроприводу.
Об'єктом дослідження є універсальна
швейна машина обладнана частотно-регульованим електроприводом.
Предметом дослідження є процес
виконання технологічних операцій на універсальній швейній машині з
частотно-регульованим електроприводом і його енергетичні характеристики.
Досягнення поставленої мети
передбачає вирішення наступних завдань:
Проаналізувати основні конструктивні
параметри електроприводів універсальних швейних машин, що визначають характер і
умови процесу шиття, і вибрати найбільш ефективні шляхи їх вдосконалення;
Провести математичне моделювання
перехідних процесів під час розгону і вибігу електродвигуна приводу і
обґрунтувати доцільне схемне рішення електроприводу змінного струму з частотним
регулюванням для універсальної швейної машини;
Провести експериментальне
дослідження швейної машини з частотно-регульованим електроприводом для
уточнення математичної моделі, що описує перехідні процеси в залежності від
технологічних особливостей шиття;
Розробити рекомендації з
використання частотно-регульованого електроприводу в універсальних швейних
машинах і режимів його роботи при виконанні технологічних операцій.
1. Розробка технічного завдання та
технічних умов
Аналіз існуючих електроприводів
універсальних швейних машин показав можливість їх вдосконалення для підвищення
енергетичної ефективності, скорочення часу виконання технологічних операцій при
шитті, поліпшення теплового режиму електродвигуна.
На основі аналізу робочого циклу
універсальних швейних машин виявлені фактори, що впливають на тривалість
технологічних операцій.
Встановлені зв'язки між критеріями
працездатності швейної машини та її параметрами для підвищення коефіцієнта
використання швидкості машини.
Обґрунтовано необхідність врахування
перегріву двигунів універсальних швейних машин при їх роботі в умовах повторно-
короткочасного режиму.
Показано доцільність використання
частотно-регульованого електроприводу в універсальних швейних машинах для
скорочення часу розбігу електродвигуна і відключення його при виконанні
допоміжних операцій при шитті.
У зв'язку з вищевикладеним у даній
роботі ставляться для вирішення наступні завдання:
Аналіз основних конструктивних
параметрів електроприводів універсальних швейних машин, що визначають характер
і умови процесу шиття, і вибір найбільш ефективних шляхів їх вдосконалення;
Математичне моделювання робочого
циклу і перехідних процесів під час розгону і вибігу електродвигуна
універсальної швейної машини з частотно-регульованим приводом;
Наукове обґрунтування нових схемних
рішень конструкцій електроприводу змінного струму з частотним регулюванням для
універсальних швейних машин;
Дослідження способу управління
режимами роботи електропривода універсальної швейної машини з метою скорочення
часу пуску і зупинки з урахуванням технологічних вимог процесів шиття;
Проведення експериментальних
досліджень процесів шиття на універсальних швейних машинах з
частотно-регульованим електроприводом;
Розробка рекомендацій по
використанню частотно-регульованого електроприводу в універсальних швейних
машинах і режимів його роботи.
. Літературний огляд та
аналіз існуючих електроприводів в універсальних швейних машинах
.1 Способи регулювання асинхронного
двигуна
Асинхронні двигуни є найбільш часто
вживаними у всіх господарствах електричними двигунами. Ці двигуни випускають
потужністю від 0,1 кВт до декількох тисяч кіловат. Основними достоїнствами
асинхронного двигуна є простота конструкції і невисока вартість. Однак принцип
дії його такий, що в прямій схемі включення не допускається регулювання його
швидкості.
Особливу увагу слід звернути на те,
що щоб уникнути значних втрат енергії, а отже, для короткозамкнутих асинхронних
двигунів щоб уникнути перегріву його ротора двигун повинен працювати в
тривалому режимі з мінімальними значеннями ковзання.
Розглянемо можливі способи
регулювання швидкості асинхронних двигунів(рис 2.1).
Рисунок 2.1 Класифікація способів
регулювання швидкості асинхронних двигунів
Швидкість двигуна визначається двома
величинами: швидкістю електромагнітного поля статора w і ковзанням s. Виходячи
з цього принципово можливі два способи регулювання швидкості: регулювання
швидкості поля статора і регулювання ковзання при постійній швидкості поля
статора.
Швидкість поля статора визначається
двома величинами: частотою напруги f1 до обмоток статора, й числом
пар полюсів двигуна рп.
У відповідності з цим можливі два
способи регулювання швидкості поля статора: зміна частоти напруги живлення за
допомогою перетворювачів частоти, що включаються в ланцюг статора двигуна
(частотне регулювання), і шляхом зміни числа пар полюсів двигуна.
Регулювання ковзання двигуна при
постійній швидкості поля статора для короткозамкнутих асинхронних двигунів
можливо шляхом зміни напруги статора при постійній частоті цієї напруги. Для
асинхронних двигунів з фазним ротором, крім того, можливі ще два способи:
введення в ланцюг ротора додаткових резисторів (реостатне регулювання) і
введення в ланцюг ротора додаткової регульованою ЕРС за допомогою
перетворювачів частоти, що включаються в ланцюг ротора (асинхронний вентильний
каскад і двигун подвійного живлення).
В даний час завдяки розвитку силової
перетворювальної техніки створені та серійно випускаються різні види
напівпровідникових перетворювачів частоти. Це визначило випереджальний розвиток
і широке застосування частотно-регульованого асинхронного електроприводу.
Основні переваги цього електроприводу наступні:
• плавність регулювання і висока
жорсткість механічних характеристик, що дозволяє регулювати швидкість в
широкому діапазоні;
• економічність регулювання,
обумовлена тим, що двигун працює з малими значеннями абсолютного ковзання і
втрати в двигуні не перевищують номінальних.
Недоліками частотного регулювання є
складність і висока вартість (особливо для приводів великої потужності)
перетворювачів частоти, а також складність реалізації в більшості схем режиму
рекуперативного гальмування.
Зміна швидкості перемиканням
кількості пар полюсів асинхронного двигуна дозволяє отримувати від двох до
чотирьох робочих швидкостей, т. з. плавне регулювання швидкості і формування
перехідних процесів при цьому способі неможливо. Тому, хоча даний спосіб має
певні області застосування, він не може розглядатися як основа для побудови
систем регульованого електроприводу.
Регулювання швидкості асинхронного
двигуна зміною напруги живлення при постійній (стандартній) його частоті. Було
відзначено, що цей спосіб регулювання для асинхронних двигунів з
короткозамкнутим ротором має досить обмежене застосування внаслідок того, що
регулювання швидкості тут сполучено з втратами енергії ковзання в роторі
двигуна, що ведуть до його перегріву. Одержувані при цьому способі механічні
характеристики нехороші для якісного регулювання. Діапазон регулювання не
перевищує 1,5:1; більший діапазон регулювання швидкості можна допускати тільки
короткочасно. Виходячи з цього регулювання зміною напруги живлення
застосовується головним чином тільки для забезпечення плавного пуску
нерегульованих асинхронних електроприводів або для короткочасного зниження
швидкості. Іноді цей спосіб регулювання використовується для регулювання
швидкості насосів і вентиляторів (механізмів з вентиляторним характером
навантаження) невеликої потужності (до 15 кВт), однак і в цьому випадку
необхідно збільшення встановленої потужності двигуна.
Для асинхронних двигунів з фазним
ротором регулювання швидкості може проводитися впливом на роторну ланцюг
двигуна. При введенні додаткових резисторів в ланцюг ротора енергія ковзання
розсіюється не в об'ємі двигуна, а в резисторах. Цей спосіб регулювання не
економічний, тому що значна частина енергії витрачається в додаткових
резисторах. При використанні релейно-контакторних схем виключається плавність
регулювання швидкості. В даний час управління з введенням додаткових резисторів
в ланцюг ротора використовується в основному для пуску асинхронних двигунів з
фазним ротором.
Всі способи регулювання, засновані
на зміні ковзання асинхронного двигуна, пов'язані з виділенням енергії ковзання
в роторної ланцюга двигуна. У розглянутих вище способах ця енергія витрачалася
на нагрів обмотки ротора і роторних резисторів. Існують системи регульованого
електроприводу, в яких енергія ковзання не втрачається в резисторах, а
використовується корисно: повертається в живильну мережу, що робить регулювання
в цих системах економічним. До таких систем регульованого приводу відносяться
асинхронні вентильні каскади і двигуни подвійного живлення. Особливістю
каскадних схем асинхронного приводу є обмежений діапазон регулювання - не
більше ніж 2:1. У цьому діапазоні каскадні схеми забезпечують плавне і
економічне регулювання швидкості. Такі системи електропривода найбільш доцільні
для потужних турбомеханізмів - насосів і вентиляторів.
Асинхронні електроприводи з частотним
регулюванням швидкості. Частотне регулювання швидкості асинхронного двигуна
шляхом зміни частоти напруги живлення можливо завдяки тому, що швидкість
електромагнітного поля статора пропорційна частоті напруги живлення.
(2.1)
Слід також врахувати, що оскільки зі
зміною частоти напруги живлення змінюється і потік двигуна f2,
(2.2)
то в більшості випадків одночасно зі
зміною частоти напруги живлення необхідно регулювати і його амплітуду.
Регулювання напруги при зменшенні частоти нижче номінальної частоти необхідно
тому, що через зменшення індуктивного опору обмоток двигуна струм
намагнічування буде зростати, що призведе до насичення магнітопроводу двигуна і
його перегріву. Регулювання напруги слід проводити таким чином, щоб ковзання
двигуна було мінімальним.
Для реалізації способу частотного
регулювання асинхронний короткозамкнений двигун вмикають до мережі (рис. 2.2) з
параметрами Uc = const і fc = const через перетворювач
частоти UZ. В якості перетворювачів частоти в даний час використовують в
основному напівпровідникові перетворювачі частоти.
Рисунок. 2.2 - Схема включення
асинхронного двигуна з живленням від перетворювача частоти
При частотному регулюванні відносне
ковзання Sj залежить як від абсолютного ковзання Sабс = w0
- w, так і від відносної частоти f1 * напруги живлення
(2.3)
(2.4)
де f1j, w0j, Sj
- регульовані частота напруги статора і відповідні швидкість поля і ковзання;
f1н і w0н номінальні значення частоти статора і швидкості поля, відповідні
паспортними даними двигуна.
Підставивши (2.1) в (2.4), отримаємо
(2.5)
2.2 Основні види приводів швейних
маши
До теперішнього часу на багатьох
швейних підприємствах більше 70% парку швейних машин укомплектовано морально
застарілим обладнанням з електроприводами, які можна розділити на п'ять
основних груп [4, 6].
) у фрикційному електроприводі на
вал електродвигуна, з'єднаного через фланець з корпусом фрикційника, насаджений
маховик. Передача руху від вала електродвигуна і маховика до швейній машині
здійснюється при переміщенні веденої частини приводу, встановленої в кришці,
уздовж осі вліво. При цьому диск, що має з обох боків накладки з фрикційного
матеріалу, притискається до торцевої поверхні маховика і починає обертатися.
Разом з диском обертається ведений вал приводу з насадженим на нього шківом. Зі
шківа через клинопасову передачу рух передається на маховичок і головний вал
швейної машини. При переміщенні веденої частини приводу уздовж осі вправо диск
іншою своєю фрикційною накладкою притискається до гальмівної накладки, жорстко
закріпленої на кришці фрикціону. Ведена частина приводу (диск, вал, шків) і
головний вал швейної машини зупиняються [6, 7].
У процесі роботи електродвигун весь
час включений (тривалий режим роботи зі змінним навантаженням).
В процесі експлуатації фрикційного
електроприводу виявлено недоліки: мала перевантажувальна здатність
електродвигунів загально серії і, як наслідок, затяжний розгін швейної машини;
порівняно великий момент інерції веденої частини приводу, що негативно впливає
на час розгону і гальмування; велике зусилля натискання на педаль і, як
наслідок, підвищена стомлюваність робітника, обслуговуючого машину.
) Електропривод з асинхронним
електродвигуном, редуктором і фрикційними муфтами зчеплення являє собою
фрикційний електропривод швейної машини, який забезпечений редуктором зниженої
частоти обертання, включених або механічно, або за допомогою електромагнітних
фрикційних муфт, і гальмівним пристроєм для зупинки робочих органів в заданому
положенні.
При натисканні на педаль фрикційний
диск притискається до маховика, обертання від електродвигуна передається
безпосередньо до веденої частини приводу і через клинопасову передачу на
головний вал швейного агрегату.
Включення гальмівної
електромагнітної муфти відбувається тільки після досягнення головним валом
частоти обертання доведення і заняття їм відповідного положення «голка вгорі»
або «голка внизу» [7, 8].
До цієї ж групи електроприводів
можуть бути віднесені приводи швейних машин англійської фірми «Ханзо Глов.
Корп. », Електропривод швейної машини фірми« Брун-Хільде Шваб »та ін
До числа недоліків даних
електроприводів можна віднести неможливість автоматичного пуску і зупинки
швейної машини, а також зміна частоти обертання головного валу.
) Електропривод з асинхронним
двигуном і допоміжним електродвигуном, працюючим зі зниженою частотою
обертання, являє собою подальшу еволюцію звичайного фрикційного приводу і
приводів, віднесених до першої групи. Він складається з тих же основних
елементів, що і приводи, включені до першої групи, але рух машини зі зниженою
частотою обертання головного валу перед зупинкою в заданому положенні
здійснюється від допоміжного двигуна.
З електроприводів, віднесених до
третьої групи, представляє інтерес електропривод швейної машини американської
фірми «Юніон Спешл машині». Він складається з асинхронного електродвигуна
головного руху з підвищеним пусковим моментом і великим моментом інерції і
допоміжного асинхронного електродвигуна з підвищеним пусковим моментом і малим
моментом інерції. Рух від двигуна до машини передається через фрикційну муфту
зчеплення [8, 9].
До третьої групи електроприводів
можуть бути віднесені електропривод швейної машини та пристрій для управління
ним американської фірми «Зінгер», пристрій для зупинки швейної машини в
заданому положенні голки фірми «Амерікан Совєти» і цілий ряд інших подібних
електроприводів, а також агрегат Адлер 801 німецької фірми «Адлер», призначений
для обробки і настрачування накладної кишені на поличку чоловічої сорочки, в
якому застосований електропривод Квік-Ротан, що представляє собою комбінацію
електроприводів, віднесених до першої і другої груп. При максимальній робочій
частоті обертання головного валу і частоті обертання доведення агрегат
приводиться в рух від електроприводу, аналогічного приводу Квік-стоп, а для
отримання проміжної частоти обертання при виконанні складних контурів строчки
(кутів, закріпок) використаний допоміжний електродвигун. Частота обертання
цього електродвигуна в два рази менше частоти обертання основного
електродвигуна приводу.
) В електроприводах, в яких
використовуються колекторні електродвигуни постійного і змінного струму,
частота обертання регулюється зміною величини додаткового опору в ланцюзі
якоря. В якості прикладу можна назвати електропривод швейної машини
західнонімецької фірми «Франкль Кірхнер», регульований електропривод швейних
машин західнонімецької фірми «Фріц Геганф Акціенгезельшафт
Берхін-Неема-шіненфабрік» та електропривод швейної машини, описаний в патенті
США № 3125050, який цікавий тим, що при великій частоті обертання головного валу
машини електродвигун працює як колекторний двигун змінного струму, а при малій
частоті обертання головного валу (при доведенні голки до заданого положення) -
як двигун постійного струму [9, 10, 11].
Схема регулювання частоти обертання
використовує індуковану в якорі під дією залишкового магнітного поля
протиелектрорушійну силу, пропорційну частоті обертання. Ця напруга
використовується як сигнал зворотного зв'язку по частоті обертання. Така схема
особливо вигідна тоді, коли потрібно стійка робота при малій частоті обертання
головного валу машини і є коливання напруги живлення.
В електроприводах з використанням
електродвигунів постійного струму або колекторного асинхронного електродвигуна
з регулюванням частоти обертання за допомогою зміни числа обертів основним
недоліком є важкий тепловий режим роботи двигуна, пов'язаний з великою частотою
включень.
) Електропривод з використанням
електромагнітних муфт для пуску, зупинки та регулювання частоти обертання
головного валу дозволяє використовувати в якості джерела механічної енергії
звичайний асинхронний електродвигун і в той же час автоматизувати процес пуску,
зміни частоти обертання головного валу і зупинку швейної машини.
Є багато електроприводів, в яких
механічний фрикціон замінений електромагнітними муфтами зчеплення, наприклад,
електропривод швейної машини англійської фірми «Лайте Ланда лімітед»,
електропривод з пристроєм зупинки голки швейної машини в заданому положенні
фірми «Франкль Кірхнер», електропривод з пристроєм доведення і зупинки голки
швейної машини в заданому положенні американської фірми «Електрик Бранк енд
Глач компані» і цілий ряд інших розробок.
Електропривод швейної машини з
фрикційною муфтою складається з безперервно обертається асинхронного
електродвигуна, багатодискової електромагнітної муфти зчеплення з контактним
струмопідведенням і багатодисковою електромагнітною муфтою гальмування з
безконтактним струмопідведенням. Привід оснащений системою керування, що
забезпечує переривчасте обертання на зниженій швидкості і зупинки голки в
заданому положенні.
Електропривод цих машин аналогічний
приводу Квік-стоп, але і на відміну від цього приводу робота швейної машини при
зниженій частоті обертання головного валу здійснюється не від головного приводу
через просторову пасову передачу, а від допоміжного електродвигуна малої
потужності. Недоліком приводів цього типу є відносно складна конструкція
електромагнітних муфт і більш висока вартість в порівнянні з вартістю інших
електроприводів.
У світовій практиці рівень швейного
машинобудування за останні 10-15 років значно зріс, підвищилися технічні і
технологічні можливості швейних машин, зросла їх універсальність. Це досягнуто
за рахунок широкого застосування електронних компонентів і мікропроцесорних
систем управління.
Провідні машинобудівні фірми світу пропонують
споживачам швейного обладнання широкий набір нової техніки, де застосовано
частотно-регульований електропривод з електронною системою управління і
впроваджені принципово нові технічні рішення.
Ці фірми в даний час випускають
універсальні машини човникового стібка тільки з електронним приводом і низку
електронно-механічних модулів, які дозволили автоматизувати цілий ряд функцій,
а також оснастити універсальні машини додатковими механізмами (обрізка краю
матеріалів, зміна шпуль, коректування краю матеріалу щодо голки, коректування
довжини стібка і інші). З іншого боку, використання електроніки дозволило
підвищити технологічні можливості обладнання, маючи на увазі гнучкість і
мобільність, міцність і точність з'єднання, а також істотно скоротити час на
обслуговування.
.3 Основні відомості про
частотно-регульований електропривод
Частотний перетворювач в комплекті з
асинхронним електродвигуном дозволяє замінити електропривод постійного струму.
Статичні перетворювачі частоти є найбільш досконалими пристроями управління
асинхронним приводом в даний час.
Управління асинхронним
електродвигуном в частотному режимі до недавнього часу було великою проблемою,
хоча теорія частотного регулювання була розроблена ще в тридцятих роках.
Розвиток частотно-регульованого електроприводу стримувалося високою вартістю
перетворювачів частоти. Поява силових схем з IGBT-транзисторами, розробка
високопродуктивних мікропроцесорних систем управління дозволило різним фірмам
Європи, США і Японії створити сучасні перетворювачі частоти доступною вартості.
Принцип частотного методу
регулювання швидкості асинхронного двигуна полягає в тому, що, змінюючи частоту
f1 живлячої напруги, можна у відповідності з виразом
(2.6)
незмінному числі пар полюсів p
змінювати кутову швидкість магнітного поля статора.
Цей спосіб забезпечує плавне
регулювання швидкості в широкому діапазоні, а механічні характеристики мають
високу жорсткість.
Регулювання швидкості при цьому не
супроводжується збільшенням ковзання асинхронного двигуна, тому втрати
потужності при регулюванні невеликі.
Для отримання високих енергетичних
показників асинхронного двигуна - коефіцієнтів потужності, корисної дії,
перевантажувальної здатності - необхідно одночасно з частотою змінювати і напругу
живлення.
Закон зміни напруги залежить від
характеру моменту навантаження mс. При постійному моменті навантаження mс
= const напруга на статорі повинна регулюватися пропорційно частоті:
(2.7)
Для вентиляторного характеру моменту
навантаження цей стан має вигляд:
(2.8)
При моменті навантаження, назад
пропорційному швидкості:
(2.9)
Таким чином, для плавного
безступінчастого регулювання частоти обертання вала асинхронного
електродвигуна, перетворювач частоти повинен забезпечувати одночасне
регулювання частоти і напруги на статорі асинхронного двигуна.
.4 Переваги використання
регульованого електроприводу в технологічних процесах
Застосування регульованого
електроприводу забезпечує енергозбереження та дозволяє отримувати нові якості
систем та об'єктів. Значна економія електроенергії забезпечується за рахунок
регулювання якого-небудь технологічного параметра. Якщо це транспортер або
конвеєр, то можна регулювати швидкість його руху. Якщо це насос або вентилятор
- можна підтримувати тиск або регулювати продуктивність. Якщо це верстат, то
можна плавно регулювати швидкість подачі або головного руху.
Особливий економічний ефект від
використання перетворювачів частоти дає застосування частотного регулювання на
об'єктах, які забезпечують транспортування рідин. До цих пір найпоширенішим
способом регулювання продуктивності таких об'єктів є використання засувок або
регулюючих клапанів, але сьогодні доступним стає частотне регулювання
асинхронного двигуна, що приводить в рух, наприклад, шків головного вала
швейної машини. Перспективність частотного регулювання наочно видно з рисунка
2.3
Рисунок 2.3 - Діаграма відношення
витрат потужності
Таким чином, при дроселюванні потік
речовини, стримуваний засувкою або клапаном, не здійснює корисної роботи.
Застосування регульованого електроприводу насоса або вентилятора дозволяє
задати необхідний тиск або витрата, що забезпечить не тільки економію
електроенергії, але і знизить втрати транспортованого речовини.
2.5 Структура частотного
перетворювача
Структурна схема перетворювача
частоти представлена на рис. 2.4. Перетворювач складається з наступних основних
частин: ланки постійного струму ЗПТ, що містить некерований випрямляч з
фільтром (рис. 2.5); мостового трифазного інвертора, виконаного на
IGBT-приладах (рис. 2.6); системи управління; блоку живлення БП; датчиків
струму ДТ. Випрямляч здійснює перетворення трифазної змінної напруги мережі
живлення в випрямлена напруга постійної амплітуди.
Інвертор за допомогою
широтно-імпульсного модулювання керування транзисторними ключами перетворює
постійну напругу в змінну квазісінусоідальну регульованої частоти f і амплітуди
U. Через ланцюг постійного струму передається активна потужність з мережі до
двигуна. Для циркуляції реактивної потужності, яка необхідна для створення
електромагнітного поля асинхронного двигуна, утворюється ланцюг: обмотки
статора двигуна - зворотні діоди, шунтуючі транзисторні ключі - конденсатори
фільтру. При замиканні ключів індуктивні струми замикаються через діоди на
конденсатор фільтра, не викликаючи перенапруг.
Рисунок 2.4 - Структурна схема
частотного привода
Рисунок 2.5 - Принципова схема ланки
постійного струму (ЗПТ) перетворювача частоти
де: Rогр - резистор
обмеження струму заряду конденсатора;торм - гальмівний резистор;
ТК - транзисторний ключ;
Сф - конденсатор фільтра
Рисунок 2.6 - Принципова схема
мостового трифазного інвертора на IGBT-транзисторах:
де: UП1..., UП4
- напруга живлення ланцюгів керування
Транзисторні ключі управляються
драйверами, які здійснюють гальванічну розв'язку силових ланцюгів від ланцюгів
управління і захист транзисторів.
Контролер здійснює широтно-імпульсну
модуляцію вихідної напруги перетворювача, у якого амплітуда напруги залежить
від частоти (рис. 2.7):
Рисунок 2.7 - Залежність напруги від
частоти перетворювача
де: Uн, fн -
номінальні відповідно напруга й частота перетворювача
.6 Принцип роботи частотного
перетворювача
В даний час більшість перетворювачів
виготовляють за схемою автономного інвертора напруги. Це пов'язано з появою
повністю керованих силових напівпровідникових приладів: IGB-транзисторів і
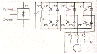
замикаються тиристорів. Типова схема електроприводу з інвертором напруги на
повністю керованих приладах дана на рис. 2.8. Схемної особливістю інвертора
напруги є наявність зворотних діодів VD1... VD6 і фільтрового конденсатора С.
На відміну від інверторів струму, для яких характерним є робота в кожний момент
часу по одному вентилю в анодного і катодного групах, в інверторах напруги
більш доцільна одночасна робота двох вентилів в одній групі і, одного вентиля в
іншій групі. При цьому тривалість роботи кожного вентиля становить п.
Припустимо, що в деякий момент часу працюють транзисторні ключі VT1, VT2 і VT6.
Тоді струм протікає по всіх трьох фазним обмоткам двигуна, причому 2/3 напруги
Ud прикладається до фази а й до двох паралельно включеним фазам в і с (рис.
2.9).
Рис. 2.8 - Схема частотного
асинхронного електропривода з транзисторним інвертором напруги
При замиканні транзисторного ключа
VT6 (див. рис. 2.8) і включенні транзисторного ключа VT3 струм у фазі в не може
миттєво змінитися і замикається через діод VD3 на конденсатор С, чим
забезпечується циркуляція реактивної потужності між обмотками двигуна і
конденсатором С. Після включення транзисторного ключа VT4 струм буде протікати
по паралельно включеним фазам а й з і по фазі в і т.д. Лінійне U ав і фазну U а
напруги, що прикладаються до обмоток двигуна, матимуть форму, показану на
рис.2.9.
Необхідна вихідна частота
визначається частотою перемикання вентилів інвертора і задається каналом
регулювання частоти. Регулювання вихідної напруги може виконуватися двома
способами:
) за допомогою керованого випрямляча
на вході інвертора, за допомогою якого регулюється Ud ',
) використанням способу
широтно-імпульсного регулювання, здійснюваного вентилями інвертора; в цьому
випадку вхідний випрямляч може бути некерованим.
Перший спосіб характеризується двома
недоліками: ступінчастою формою вихідної напруги (див. рис. 2.9) і низьким
коефіцієнтом потужності перетворювача. Більш ефективним є другий спосіб. При
шіротноімпульсному способі регулювання (рис. 2.10) можливо не тільки
регулювання середньої напруги за період, але і корекція форми вихідної напруги
U1. Таке регулювання називають широтно-імпульсною модуляцією (ШІМ). Вона
заснована на принципі широтно-імпульсного регулювання.
Так як при двухполярній комутації
вихідна напруга перетворювача
то, регулюючи безперервно
шпаруватість у за синусоїдальним законом
можна отримати середню фазну напругу, також змінюється по
синусоїді.
Змінюючи за допомогою системи
управління амплітуду U1 можна регулювати вихідну напругу перетворювача.
При використанні інверторів напруги
для реалізації режиму рекуперативного гальмування асинхронного двигуна
необхідно на вході встановлювати реверсивний перетворювач з двома групами
вентилів, що ускладнює схему перетворювача і знижує її надійність. Тому в
інверторах напруги зазвичай передбачають розрядний резистор R (див. рис.2.8),
який підключається в режимі гальмування транзисторним ключем VT7 і в якому
розсіюється енергія гальмування.
Існує велика кількість різновидів
схем перетворювачів частоти з автономними інверторами струму і напруги, які
описані у відповідній літературі.
Рисунок. 2.9. Діаграма роботи ключів
де: VT1... VT6 і епюри лінійного і
фазного напруги
Рисунок 2.10. Графік, що пояснює
принцип широтно-імпульсної модуляції напруги і струму фази автономного
інвертора напруги де: U1, I1 - фазні відповідно напруга й струм статора; Ud -
напруга живлення; Tk - період ШІМ; T - період частоти вихідної напруги
На сьогодні рівень розвитку
технології одягу, заснований на нових науково-технічних рішеннях, значно
змінився, тому потрібне оновлення застарілих відомостей по всім технологічним
та технічним напрямками, особливо в галузі підготовки виробництва, нових
технологій, техніки та автоматизації технологічних процесів складання виробів.
.1 Розробка структурної схеми
універсальної швейної машини з частотно-регульованим електроприводом
універсальна швейна машина
електропривод
Структурно-функціональна схема (рис.
3.1) швейної машини не замінює її кінематичної схеми, але дозволяє уточнити
вхідні і вихідні параметри, що діють у розглянутій системі, наочно відображає
взаємодію механізмів і робочих органів машини між собою, приводом, нитками,
з’єднують з об'єктом і людиною-оператором, що беруть участь (як видно зі схеми)
в двох контурах управління: контура регулювання швидкості пошиття (або частоти
обертання головного валу машини) за допомогою задавача (Зд), роль якого виконує
ножна педаль, кінематично з'єднана з фрикційною муфтою електроприводу машини, і
контура ручного керування положенням сточують деталей щодо петлеутворюючих
робочих органів.
Рисунок 3.1 - Блок-схема швейної
машини з частотно-регульованим електроприводом
Як видно з рисунка 3.1, вузли
швейної машини, пов'язані з фрикційної муфтою і знаходяться між педаллю і
асинхронним двигуном, замінені на блок силових модулів частотно-регульованого
приводу.
Для електромеханічних перехідних
процесів частотно-регульованого електроприводу швейної машини найбільш
характерними видами режимів роботи є:
процес розгону;
процес вибігу;
зміну навантаження на валу двигуна.
Для аналізу перехідних режимів, що
відбуваються при живленні асинхронного двигуна від перетворювача частоти,
використана система диференціальних рівнянь, що описують процеси
електромагнітного й електромеханічного перетворення енергії в електроприводі
швейної машини протягом її робочого циклу. При цьому електромеханічні процеси
описуються рівнянням руху (3.1):
. (3.1)
Відповідно до рисунку 3.2 розглянемо
особливості узгодження основних елементів регульованого асинхронного
електропривода. Інтерфейс механіко-енергетичного взаємодії двигуна і
виконавчого механізму та є найпростішим і обов'язковим пристроєм узгодження
будь-якого електроприводу. Він являє собою механічну або електромагнітну
передачу енергії від електричної машини на виконавчий механізм. Функції
інтерфейсу зводяться до погодженням руху двигуна і виконавчого органу
механізму, досягнення максимального ККД передачі при стійкій роботі у всіх
режимах.
Для отримання двигуном
електроенергії з необхідними параметрами амплітуди і частоти напруги в кожній
фазі, а також для управління і регулювання параметрів потоку енергії
включається статичний перетворювач частоти (інвертор). Для отримання
максимального ККД коефіцієнта спотворення двигун необхідно живити безперервним
струмом інвертора, забезпечуваним високою частотою ШІМ-управління. На цьому
етапі вирішується завдання поліпшення енергетичних і динамічних характеристик
приводу.
Рисунок 3.2 - Схема електрична
структурна пристрою керування електропривода
Швидкодія цього рівня інтерфейсу
характеризується електромагнітної постійної часу Т3, яка має порядок сотих і
десятих часток секунди.
Від локального управління і
регулювання параметрів енергетичного каналу привода залежать функціональні та
сервісні можливості привода, точність і швидкодія регулювання параметрів. Обмін
даних на цьому рівні здійснюється зі швидкістю порядку часу повторення
обчислень в мікропроцесорі (одиниці ШБ). Апаратно інтерфейс реалізований у
вигляді портів, таймерів, цифроаналогових перетворювачів та підсилювачів
формування сигналів управління силовими транзисторами.
Інформаційно-вимірювальна система
приводу повинна контролювати наступні фізичні величини:
) електричні (струм, напруга, ЕРС і
т.п.);
) механічні (момент, швидкість,
переміщення і т.п.);
) технологічні.
Контролер здійснює перетворення
сигналів з первинних датчиків, гальванічну розв'язку, посилення, інтегрування і
аналого-цифрове або імпульсно-цифрове перетворення для представлення їх в
форматі мікропроцесорної системи управління. Швидкодія даного вузла визначає
точність і швидкодію кожного контура регулювання. Це забезпечується вибором
принципів перетворення сигналів, характером обміну в цифровій системі і
конкретною апаратною реалізацією.
Таким чином, розглянутий підхід до
оптимального синтезу елементів автоматизованого асинхронного приводу дозволяє з
єдиних методологічних концепцій забезпечити енергетичні, динамічні, точнісні і
надійнісні характеристики системи в цілому.
.2 Розробка структурної схеми на основі
частотного перетворювача
Схема управління виконується на
цифрових мікроконтролерах і забезпечує управління силовими електронними
ключами, а також рішення великої кількості допоміжних завдань (захист,
контроль, діагностика). Частотні інвертори мають структуру з явно вираженим
блоком постійного струму (випрямляч + фільтр), що проілюстровано на рисунках
3.2 і 3.3.
Рисунок 3.3. Структурна схема
частотних перетворювачів з ланкою постійного струму
Рисунок 3.4. Часові діаграми роботи
частотного перетворювача
У перетворювачах цього типу
використовується подвійне перетворення електричної енергії: вхідна
синусоїдальна напруга з постійною амплітудою і частотою випрямляється в
трифазному або однофазному випрямлячі, згладжується LC-фільтром, а потім знову
перетвориться інвертором в змінну напругу регульованої частоти і амплітуди.
Перетворювачі частоти на
транзисторах IGBT в порівнянні з тиристорними при однаковій вихідній потужності
відрізняються меншими габаритами, зниженою масою і підвищеною надійністю в силу
модульного виконання електронних ключів і кращого відведення тепла з поверхні
силового модуля. Вони мають більш повний захист від кидків струму і від
перенапруги, що істотно знижує ймовірність пошкоджень і відмови електроприводу.
Більш докладно принцип роботи
частотного інвертора показаний на рисунку 3.3.
У верхній частині рисунка 3.3
наведені графіки напруг на виході кожного каскаду перетворювача.
Напруга живильної мережі з постійною
частотою і амплітудою (Uвх = пост.; Fвх = пост.) Надходить на трифазний або
однофазний випрямляч. Випрямляч і фільтр входять до складу блоку постійного
струму, основне призначення якого - отримати на виході постійна напруга з
малими пульсаціями, яке використовується для живлення перетворювача частоти.
Інвертор перетворює постійну напругу у трифазну напругу із змінною частотою і
змінною амплітудою. Схема управління формує сигнали для комутації обмоток
електродвигуна в потрібні моменти часу. Імпульси комутації кожної обмотки в
межах періоду модулюються за синусоїдальним законом. Максимальну ширину
імпульси мають в середині напівперіоду. До початку і до кінця напівперіоду
ширина імпульсів зменшується. Таким чином, схема управління формує
широтно-імпульсну модуляцію (ШІМ) напруги, яка подається на обмотки
електродвигуна. У деяких випадках до виходів перетворювача частоти
підключається фільтр, але в частотних інверторах на транзисторах IGBT
необхідність у вихідному фільтрі практично відсутній. Таким чином, на виході
інвертора формується трифазна напруга змінної частоти і амплітуди (Fвих =
регулир.; Uвих = регулир.), Яке і задає потрібну частоту обертання і необхідний
момент на валу двигуна.
.3 Огляд частотних перетворювачів
різних фірм-виробників
Перетворювач частоти Yaskawa/Omron
V1000.- це компактний перетворювач частоти загального призначення, який
задовольняє основним вимогам в широкому ряді загальнопромислових застосувань.
V1000 високотехнологічний, що не вимагає багато місця для установки, а так само
дозволяє скоротити час запуску і основні витрати. У перетворювачі частоти V1000
поліпшені всі основні характеристики, що стосуються підтримки швидкості,
потужності і точності управління, а так само надійності. Перетворювач частоти
V1000 легко адаптується до будь вимогам, маючи в наявності велика кількість
користувацьких функцій, а так само робить можливим швидку заміну і мінімізацію
часу аварійного простою виробничої лінії.
Режим роботи V1000:Loop Current
Vector - принцип векторного керування двигуном без датчика зворотного
зв'язкуФункції
Основні характеристики V1000:
Глибина регулювання: 1:100
- Вихідна частота
перетворювача: від 0,01 до 400 Гц
Точність підтримки
швидкості: + / -0,1%
Точність підтримки моменту
- + / -5%
Перевантажувальні здатності
перетворювача - 150% для 1-ї хвилини у важкому навантаженому режимі, 120% для
1-ї хвилини в нормальному навантаженому режимі
Максимальне перевантаження
- 200% (зупинка двигуна з вибігу)
Час розгону / гальмування -
від 0,01 до 6000 сек.
Діапазон робочих температур
- від -10 до +50 ° С
Максимально допустима
вологість - 95% (без конденсату)
Вібрації: від 10 до 20 Гц,
1G, від 20 до 50 Гц, 0,65 G
Ступінь захисту - IP20,
IP66
Входи / виходи: дискретні
входи - 6, аналогові входи - 2, імпульсний вхід - 1, входи команди безпечної
зупинки - 2, релейні виходи - 1, дискретні виходи - 2, аналогові виходи - 1,
імпульсний вихід - 1
Знімний блок підключення
входів / виходів з пам'яттю для користувача параметрів
8 фіксованих завдань
швидкості;
Автоматичний рестарт після
пропажі живлячої напруги;
Функція оптимізації
моменту;
Функція обходу резонансних
частот;
Режим енергозбереження;
Рисунок 3.5 Схема підключення
частотного перетворювача Omron V1000 (Італія)
SINAMICS G120PG120P - модульний
перетворювач частоти з підвищеним ступенем захисту, призначений для керування
двигунами насосів, вентиляторів і компресорів. Номінальна потужність - до 90
кВт.
Спеціальні функції Sinamics G120P:
Повторний перезапуск
- Підхоплення обертового
двигуна
Автоматична оптимізація
енергоспоживання
Каскадне керування
електродвигунами
"Сплячий режим"
4 вбудованих ПІД-регулятора
"Пожежний" режим
Багатозонний регулятор
процесу
Режим байпаса
Годинник реального часу
Вільно програмовані логічні
функціональні блоки
SINAMICS G120P складається з
наступних компонентів:
Керуючий модуль
CU230P-2:P-2 HVAC USS, Modbus RTU, BACnet MS / TPP-2 DP PROFIBUSP-2 CAN,
CANopen
Силовий модуль PM230
- Пристрій управління (панель
оператора)
Потужність, напруга живлення, корпус
Sinamics G120P:
3 х 380-480 В: 0,37 - 90
кВт, IP 55 (з панеллю оператора IOP - IP54)
Перевантажувальна здатність Sinamics
G120P:
150% від номінального
моменту протягом 1 хвилини
- 200% від номінального
моменту протягом 3 секунд
Управління двигуном Sinamics G120P:
Налаштування
вольт-частотна характеристика
- Векторне управління
Вихідна частота і частота комутації
Sinamics G120P:
Максимальна вихідна
частота - 650 Гц
- Частота комутації - 2-16
кГц
Входи \ виходи управління Sinamics
G120P (для CU230P-2 HVAC):
Кількість програмованих
дискретних входів - 6
- Кількість аналогових входів
- 4
Кількість аналогових
виходів - 2
Кількість релейних виходів
- 3 (30В 500мА)
Вхід для підключення
термістора двигуна - 1
Доступні опції Sinamics G120P:
Інтелектуальна панель
оператора IOP
- Карта пам'яті SINAMICS
Micro Memory Card (MMC)
Комплект для підключення PC
Автоматичні вимикачі
Рисунок 3.6 Сема підключення
частотного привода SIEMENS SINAMICS G120P з можливістю одночасного регулювання
декількома двигунами
N100N100 - це перетворювач частоти
загального призначення з векторним керуванням, що забезпечує високі динамічні
характеристики приводний системи.
Вбудована функція автонастройки
дозволяє автоматично визначити параметри двигуна, і організувати оптимальне
керування без втрати моменту і без коливань швидкості.
Даний перетворювач частоти
призначений для керування асинхронними двигунами потужністю 0,4 - 7,5 кВт.
Відмітною особливість даної моделі є
компактні розміри, точність підтримки швидкості, високий пусковий момент, різні
методи управління двигуном.
Потужність, напруга живлення,
ступінь захисту Hyundai N100:
- 1 х 200-230 В: 0,4 - 1,5 кВт
- 3 х 200-230 В: 0,75 - 7,5
кВт
3 х 380-460 В: 0,4 - 7,5
кВт
Ступінь захисту - IP20
Режими роботи Hyundai N100:
Векторний без датчика
зворотного зв'язку по швидкості
- Вольт-частотний режим
Перевантажувальна здатність Hyundai
N100:
150% від номінального
моменту при важкої навантаженні протягом 60 секунд
Охолодження Hyundai N100:
Вентилятор охолодження
Порти зв'язку Hyundai N100:
Вбудований RS 485
Вихідна частоти і частота комутації
Hyundai N100:
Максимальна вихідна
частота - 400 Гц;
- Частота комутації - 0,5-16
кГц;
Входи \ виходи управління Hyundai
N100:
Кількість програмованих
дискретних входів - 5
- Кількість програмованих
дискретних виходів - 2
Кількість аналогових входів
- 1
Кількість аналогових
виходів - 1
Кількість вбудованих реле -
1
Рисунок 3.8 Схема з’єднання
частотного перетворювача з PLC (програмованим логічним контролером) та двигуном
A700 MITSUBISHI ELECTRIC
Самі основні характеристики сучасних
високотехнологічних перетворювачів частоти FR-A700 від Mitsubishi Electric -
поліпшена функціональність приводу, функції контролера технологічного процесу,
безліч технологічних і сервісних функцій, широкі можливості системної
інтеграції і покращена механічна концепція.
Лінійка перетворювачів частоти FR-A700
відкриває максимальні потужності, економію та гнучкі рішення для машинобудівних
та інших промислових виробництв. Частотні перетворювачі FR-A700 відмінно
вирішують завдання управління виробничими механізмами в промисловості (крани і
вантажопідйомні механізми, склади, намотувальники, центрифуги та екструдери).
Частотні перетворювачі FR-A700
виробництва Mitsubishi Electric дозволяють на багато більше динаміки
електродвигунам навіть без енкодерів у зворотному зв'язку. Перетворювач частоти
FR-A700 постійно розраховує оптимальний магнітний потік кожного робочого стану
привода виробничого механізму. Внаслідок поліпшуються такі характеристики
приводу як пускові моменти, точність крутних моментів, плавність обертання, які
вважалися раніше реальними тільки для двигунів постійного струму і векторних
електроприводів із зворотним зв'язком.
У разі використання зворотного
зв'язку на основі енкодера точність роботи частотного перетворювача FR-A700
істотно вище у всьому діапазоні регулювання частот (реалізовано прецизійне регулювання
частоти обертання електродвигуна (точність ± 0,01%), а також надзвичайно точне
регулювання крутного моменту привода (точність ± 10 %)).
Серійно встановлюваний цифровий
імпульсний вхід частотних перетворювачів FR-A700 широко застосовується для якісного
вирішення для задач точного позиціонування.
Типоряд частотних перетворювачів
Mitsubishi Electric FR-A700 обладнаний програмованим мікропроцесорним
контролером, який відкриває можливості доступу до всіх параметрів привода і
може виконувати різні завдання як автономний регулятор частоти обертів.
Вбудована функція автонастройки
перетворювача частоти Mitsubishi Electric FR-A700 менш ніж за хвилину визначить
всі показники, необхідні для складання моделі керованого електродвигуна навіть
при нерухомому двигуні.
Частотні перетворювачі FR-A700
обладнані інтерфейсами RS485, USB і Modbus RTU, також реалізовані можливості
підключення і до інших промисловим мереж обміну даними - CC-Link, Profibus DP,
DeviceNet, CANopen і SSCNET III (мережі управління рухом). Введення в
експлуатацію швидкої мережі управління рухом реалізований за принципом
Plug-and-Play (з автоматичною настройкою параметрів обміну даними).
Перетворювачі частоти надійно
захищені від відмов сучасним функціоналом самодіагностики і технічного
обслуговування. Система сама діагностики частотного перетворювача тримає під
активним контролем всі компоненти, схильні до зносу і заздалегідь попереджає
про можливість виходу частотного перетворювача з ладу. Множинні захисні функції
перетворювача частоти забезпечують його безперебійну і тривалу роботу, відмінну
ступінь готовності до промислових умов і найвищу експлуатаційну надійність.
Розрахунковий термін служби
частотних перетворювачів Mitsubishi Electric FR-A700 в 10 років досягається
всіма технічними удосконаленнями і новоразработаннимі компонентами
(високоякісні, надійні конденсатори, підвищеної надійності охолоджуючий
вентилятор, подвійне покриття плат лаком).
Концепція частотних перетворювачів
FR-A700 охоплює чотири діапазони перевантажень, яка значно спрощує вибір
відповідного перетворювача частоти з урахуванням специфіки об'єкта управління.
Численні переваги, характеристики та
можливості Типоряду частотних перетворювачів FR-A700 відповідають таким
міжнародним нормам і стандартам як CE, UL або cUL, що дозволяє вільне
розповсюдження даних перетворювачів частоти в межах Європи. Даний тип
перетворювачів частоти обладнаний фільтри (EN55011A), а також гальмівним
перетворювачем (до 30 кВт) і має сертифікат ГОСТ Р, що дозволяє його експорт на
територію РФ. Серія перетворювачів частоти Mitsubishi Electric FR-A700
розроблена відповідно стандарту якості ISO 9001 та екологічному стандарту ISO
14001.
Рисунок 3.9 Схема підключення
силової частини частотного перетворювача FR-A700 MITSUBISHI ELECTRIC
4. Розрахунок вузлів
4.1 Розрахунок асинхронного
двигуна
Вихідні дані:= 380 B;= 50 гц;= 1450
об/хв.;
р = 2;
cos φ1 = 0,8;
Р2 = 400 Вт.=P/U =
400/380 = 1,05 A.П = IП/IН = 6,5m =
Мm/МН = 1,8.
Спосіб з'єднання обмотки статора
асинхронного двигуна визначається величиною лінійної напруги мережі. При
напрузі в мережі обмотка статора з'єднується за схемою в зірку. В асинхронному
двигуні виходить перетворенням активної потужності, споживаної з мережі, і
значення цієї потужності можна записати
(4.1)
де: Р1 - активна потужність,
споживана з мережі, Вт;
-
фазна напруга, В;
-
фазний струм обмотки статора, А;
-
коефіцієнт потужності асинхронного двигуна.
(Вт)
З цього виразу можна визначити
фазні, а потім лінійні струми двигуна.
Активна потужність асинхронного
двигуна визначається з виразу коефіцієнта корисної дії
(4.2)
де: η
- коефіцієнт корисної дії двигуна;
-
корисна потужність двигуна, Вт.
При номінальному навантаженні.
Лінійний струм, споживаний двигуном
з мережі, при з'єднанні обмотки статора зіркою дорівнює фазному
.
При роботі асинхронного двигуна
частота обертання ротора менша частоти обертання магнітного поля статора і
оцінюється ця різниця ковзанням:
(4.3)
де S - ковзання асинхронного двигуна
у відносних одиницях, в.о.;2 - частота обертання ротора, об / хв; 1
- частота обертання магнітного поля статора, об / хв і визначається за
формулою:
(4.4)
де: f - частота живлячої напруги,
Гц;- число пар полюсів обмотки статора асинхронного двигуна.
У результаті перетворення
електричної енергії в механічну на валу асинхронного двигуна виникає корисний
момент:
(4.5)
де М2- корисний момент на
валу двигуна, Нм;
Р2- потужність на валу
двигуна, кВт;
-
частота обертання ротора, об / хв.
Н∙м
Визначення номінальної кутової
швидкості:
(4.6)
Номінальний і пусковий струми:
(4.7)
(4.8)
Механічна потужність асинхронного
двигуна Рмх, що розвивається на валу ротора, менше електромагнітної потужності
Рем на значення потужності Pоб2 втрат в обмотці ротора:
(4.9)
Електромагнітна і механічна
потужності дорівнюють:
(4.10)
(4.11)
де: ω0 і ω - синхронна швидкість і
швидкість обертання ротора двигуна;
М - момент, що розвивається
двигуном,. тобто момент, з яким обертове магнітне поле діє на ротор.
З цих виразів випливає, що
потужність втрат в обмотці ротора:
(4.12)
або Pоб2 = S х Pем
В асинхронних електродвигунах є
також додаткові втрати, обумовлені зубчастих ротора і статора, вихровими
струмами в різних конструктивних вузлах двигуна і іншими причинами. При повному
навантаженні двигуна втрати Pд приймаються рівними 0,5% його номінальної
потужності.
Коефіцієнт корисної дії (ККД)
асинхронного двигуна:
η =
P2 / P1 = (P1 - (Pоб - Pмх - Pд)) / P1, (4.13)
де Роб = Роб2 - потужність втрати в
обмотці ротора асинхронного двигуна.
η = (957,6-(7,12-206,4-0,2))/957,6
= 0,79
<#"654984.files/image061.gif">,
відрізняється від потужності на валу швейної машини
на значення потужності втрат
в електроприводі, тобто
.
Чим менше втрати
.
Тим більше ККД електроприводу. Потужність втрат складається з потужності
електричних, магнітних і механічних втрат. Електричні втрати
виникають в обмотках статора і ротора, тобто
(Тут
-
втрати в обмотці статора і
- втрати в обмотці
ротора). Магнітні втрати в магнітопроводі
виникають за рахунок
явищ гістерезису і вихрових струмів у статорі
і роторі
,
тобто
.
Втрати механічні викликані силами тертя в підшипниках о ковзаючу середу
.
На основі викладеного
(1)
Вираз (1) можна спростити, якщо
знехтувати магнітними втратами в пакеті ротора через їх малості в порівнянні з
іншими доданками. Тому практично можна вважати, що
Потужність, що передається магнітним
полем від статора до ротора
, тобто
потужність, споживана з мережі за вирахуванням втрат в статорі, тобто
Втрати в роторі складають
, тому 
Слід зазначити, що магнітні втрати
при зміні навантаження двигуна від холостого ходу до номінальної,
є постійною величиною, тобто не залежать від навантаження. Механічні втрати
в електродвигуні мало залежать від навантаження. Для фрикційного
електроприводу слід враховувати втрати потужності
від фрикційної муфти, маховика і контрпривода. Оскільки
асинхронний електродвигун в фрикційні електроприводі залишається включеним і
працює на холостому ходу постійно в період між проведенням технологічних
операцій на швейній машині, то слід враховувати, те, що повітряний зазор між
ротором і статором збільшує магнітне опір магнітопроводу і в статорі трифазного
асинхронного двигуна
становить
20 - 45% номінального струму статора.
У таблиці 4.1 проведено розрахунки
споживання електроенергії швейними машинами з ФЕП і ЧРЕП.
Таблиця 4.1 - Розрахунки споживання
електроенергії ФЕП і ЧРЕП
|
№ п/п
|
Споживання, кВт/ч
|
Фрикційний электропривод
|
Частотно-регульований электропривод
|
|
1
|
за одну операцію
|
0,00048
|
0,000392
|
|
2
|
в середньому за день
|
1,86
|
1,12
|
|
3
|
в середньому за рік
|
494,6
|
299,17
|
Таким чином, у швейної машини, що
працює від частотно-регульованого електроприводу споживання електроенергії в
середньому на 24-28% менше, ніж у швейної машини з фрикційним електроприводом,
скоротився час на допоміжні операції в середньому на 12%.
Висновки
. На основі аналізу існуючих
електроприводів універсальних швейних машин і технологічних процесів,
виконуваних ними, визначені напрямки щодо заміни старих систем приводу на
частотне регулювання машин і зниження енергоспоживання.
. Управління параметрами
технологічних процесів в універсальних швейних машинах з частотно-регульованим
електроприводом здійснюється на основі взаємозв'язку моменту на головному валу
машини, електромагнітного моменту ротора і регульованого напруги живлення
електродвигуна.
. Запропоновані методи модернізації
частотно-регульованого електроприводу для універсальної швейної машини,
дозволяють знизити енергоспоживання при виконанні різних технологічних
операцій.
. Теоретично обґрунтовано що час
розбігу електродвигуна в частотно-регульованому електроприводі скорочено в 2,2
рази в порівнянні з фрикційним.
. Доведено ефективність використання
частотного перетворювача в електроприводі універсальних швейних машин, що
забезпечує зниження енергоспоживання до 40% за рахунок відключення двигуна при
виконанні допоміжних прийомів, час яких більш ніж в 2,5 рази перевищує машинний
час всієї технологічної операції.
. Розроблено рекомендації щодо
використання частотно-регульованого електроприводу в універсальних швейних
машинах при їх проектуванні і експлуатації.
. Проведено моніторинг ринку
частотних перетворювачів світових брендів.
Перелік посилань
1.Браславскій, І.Я. Про можливості енергозбереження при
використанні регульованих асинхронних електроприводів / І.Я. Браславський / /
Електротехніка. - 1988. - № 8. - С. 2-5.
.Бут, Д.А. Безконтактні електричні машини / Д.А. Бут. - М.:
Енергія, 990.-416 с.
.Вешеневскій, С.Н. Характеристики двигунів в електроприводі / С.М.
Вешеневскій. - М.: Енергія, 1977.
.Ісаев, В.В. Устаткування швейних фабрик / В.В. Ісаєв. - М.:
Легпромбитіздат, 1989. - 336 с.
.Кацман, М.М. Електричний привід: підручник для студ. освітні.
установ середовищ. проф. освіти / М.М. Кацман. - М.: Академія, 2005.-384 с.
.Кузьмічев, В.Є. Промислові швейні машини: довідник / В.Є.
Кузьмічов, Н.Г. Татова. - Подольск, 2001.
.0ніщенко, Г.Б. Електричний привід: підручник для студ. Вузів / Г.Б.
Онищенко. - М.: РАСГН, 2003. - 320 с.
.Полухін, В.П. Конструктивно-уніфікований ряд швейних машин класу
31 з горизонтальною віссю човника / В.П. Полухін, Л.К. Милосердний. - М.:
Легпромбитіздат, 1991. - 80 с.
. Радін, В.І. Електричні машини: Асинхронні машини: навч. Для
електромех. спец. вузів / В.І. Радін [и др.]; під ред. І.П. Копилова. - М.:
Вищ. шк,
.Франц, В.Я. Швейні машини. Ілюстроване посібник / В.Я. Франц,В.В.
Ісаєв. -М.: Легпромбитіздат, 1986.
.Цейтлін, Л.С. Електропривод, електрообладнання та основи
управління
.Harres, M.R. Discussion of Variable - Speed Switched Reluctance
Motors System. -IEEE Proceeding pt. B. Vol. 128. N 5. September 1981. PP.
260-268.
.Henneberqer, G., Fahimi В., Moallem M. Predicting the Transient
Performance of a SRM Drive System Using Improved Magnetic Equivalent Circuit
Method. - Intelligent Motion. June 1995. PP. 313-320.