Металлорежущие станки

  • Вид работы:
    Контрольная работа
  • Предмет:
    Другое
  • Язык:
    Русский
    ,
    Формат файла:
    MS Word
    1,33 Мб
  • Опубликовано:
    2013-09-05
Вы можете узнать стоимость помощи в написании студенческой работы.
Помощь в написании работы, которую точно примут!

Металлорежущие станки

1. Анализ методов обработки поверхностей деталей машин на металлорежущих станках

Задание. Для поверхностей, заданных в исходных данных, обозначить на эскизе направляющую и образующую линии, определить обратимость поверхностей, предложить метод образования поверхностей (копирование, след, обкат, касание), назвать металлорежущий станок, на котором выбранный метод может быть реализован.

Исходные данные:

Виды обрабатываемых поверхностей - внутренний зуб колеса

Рисунок 1 - Необратимая поверхность

Для образования данной поверхности может быть предложен метод обкатки с применением долбяка.

Данный метод обработки может быть реализован на зубодолбежном станке.

Зубодолбёжный долбяк представляет собой зубчатое колесо, снабжённое режущими кромками. Поскольку срезать сразу весь слой металла обычно невозможно, обработка производится в несколько этапов. При обработке инструмент совершает возвратно-поступательное движение относительно заготовки.

После каждого двойного хода, заготовка и инструмент поворачиваются относительно своих осей на один шаг. Таким образом, инструмент и заготовка как бы «обкатываются» друг по другу. После того, как заготовка сделает полный оборот, долбяк совершает движение подачи к заготовке. Этот процесс происходит до тех пор, пока не будет удалён весь необходимый слой металла.

2. Классификация металлорежущих станков

Задание. Для каждого из приведенных в задании металлорежущих станков записать название станка, расшифровать марку станка, указать основные конструктивные элементы (станина, коробка скоростей, подач, шпиндельная бабка и т.д.) и их назначение. Изобразить схему обработки, которая может быть реализована на данном станке и указать главное движение и движение подачи. Определить окружную скорость главного движения V. Для всех станков, кроме шлифовальных, определить минутную подачу Sмин.

Исходные данные.

Таблица 2.1 - Исходные данные для практического задания № 2

Вариант

Рисунок

Марка

Диаметр D

Число оборотов n

Оборотная подача Sоб

10

10

6560

65

600

0,09


На рисунке представлен вертикально-фрезерный станок марки 6560.

Станок предназначен для фрезерования различных заготовок торцовыми, цилиндрическими и фасонными фрезами. На станке можно обрабатывать вертикальные и горизонтальные плоские поверхности, пазы, углы и т. д. Класс точности станка. Н.

Техническая характеристика станка 6560. Размеры рабочей поверхности стола (длина х ширина) 1600×630 мм; число частот вращения шпинделя 18; пределы частот вращения шпинделя 25-1250 мин-1; пределы подач (регулирование бесступенчатое) продольных и поперечных 10-1500 мм/мин, вертикальных 3-500 мм/мин; быстрый ход в продольном и поперечном направлении 2500 мм/мин, в вертикальном 830 мм/мин; габаритные размеры станка 3205×4140×3120 мм.

Основные механизмы и движения в станке 6560. На основании закреплена стойка, по вертикальным направляющим которой перемещается фрезерная бабка (вертикальная подача). Крестовый стол, состоящий из собственно стола и салазок, обеспечивает продольную и поперечную подачи заготовки. Фрезерный шпиндель получает главное движение от коробки скоростей, смонтированной во фрезерной бабке. Рабочие подачи и быстрые перемещения в указанных трех направлениях осуществляются от коробки подач.

Пример обработки - фрезерование шпоночного паза.

Рис. 2.2

- главное движение- движение подачи

Расчет скорости главного движения:

.

Расчет минутной подачи:

мин = Sо ´ n = 0,09 ´ 600 = 54 мм/мин.

3. Расчет передаточных отношений и энергосиловых параметров привода

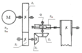
Задание. Определить величину передаточного отношения привода io, изображенного на рисунке, мощность на выходе Рвых, число оборотов выходного вала nвых и вращающий момент на выходе Твых.

Исходные данные:- меньший диаметр ременной передачи, мм; d2 - больший диаметр ременной передачи, мм; Z1 - число зубьев ведущего цилиндрического колеса; Z2 - число зубьев ведомого цилиндрического колеса; Z3 - число зубьев ведущего конического колеса; Z4 - число зубьев ведомого конического колеса; Q - число заходов червяка, Zчк - число зубьев червячного колеса; Рэд - мощность электродвигателя, кВт; nэд - число оборотов электродвигателя, об/мин.

Рис. 3.1

Таблица 3.1 - Исходные данные для расчета передаточного отношения и энергосиловых параметров привода

Вариант

Рис

Рэд

nэд

d1

d2

Z1

Z2

Z3

Z4

Q

Zчк

10

1

6

1500

-

­-

30

90

25

80

1

55


Рассчитаем передаточное отношение каждой передачи, входящей в привод.

Передаточное отношение зубчатой передачи:


Передаточное отношение конической зубчатой передачи:

.

Передаточное отношение червячной передачи:

.

Определим общее передаточное отношение привода:

= i3 ´ iк ´ iч = 0,33 ´ 0,31 ´ 0,018 = 0,0018.

Определим частоту вращения выходного вала привода:

nвых = nэд ´ iо = 1500 ´ 0,0018 = 2,7 об/мин.

Определим общий КПД привода. Привод включает две зубчатых передач, одну червячную (Q = 1). Также привод включает 5 пар подшипников качения, следовательно, общий КПД привода определяется по формуле:

hо = hкпк, × hnзк× hчк = 0,995 × 0,972 × 0,8 = 0,72.

Рассчитаем мощность на выходном валу привода:

Рвых = Рэд ´ hо = 6 ´ 0,72 = 4,32 кВт.

Рассчитаем вращающий момент на выходном валу привода


Вывод. С увеличением количества передач в приводе мощность на выходе уменьшается, а вращающий момент увеличивается.

4. Расчет модуля рейки для получения заданной величины подачи

Задание. Определить значение модуля рейки для получения заданной величины подачи суппорта токарного станка, который перемещается в продольном направлении с подачей S.

Исходные данные:ш − число зубьев приводной реечной шестерни; iр − передаточное отношение механизма реверса; iг − передаточное отношение гитары сменных колес; iкп − передаточное отношение коробки подач; iф − передаточное отношение фартука.

Исходные данные для расчета значения модуля рейки

Вариант

S мм/об

iкп

10

0,124

0,50

0,500

0,10

0,03

20


В механизме подачи, данные для расчета которого приведены в таблице, имеются следующие механизмы:

механизм реверса с передаточным отношением iр = 0,50;

гитара, выполняющая роль регулировочного звена, с передаточным отношением iг = 0,500;

коробка подач, передаточное отношение которой равно iкп = 0,10;

механизмы фартука, общее передаточное отношение которых равно iф = 0,03.

Постоянную кинематическую цепь составляют: механизм реверса, коробка подач и механизм фартука Скц = 0,50 ´ 0,10 ´ 0,03 = 0,0015.

Следовательно, в соответствии с уравнением кинематического баланса:

об шп´Скц´iv ´p´m´Zш = S = 1´0,0015´0,19´3,14´m´20 = 0,124 мм/об.

Из полученного уравнения находим величину модуля рейки, которая в данном случае равна m = 6 мм.

5. Расчет величины шага винта для получения заданного перемещения суппорта

Задание. Определить величину шага ходового винта Рхв для обеспечения заданной величины перемещения суппорта токарно-винторезного станка в процессе нарезания резьбы резцом.

Исходные данные:нр − шаг нарезаемой резьбы, мм; iр − передаточное отношение механизма реверса; iг − передаточное отношение гитары сменных колес; iкп − передаточное отношение коробки подач.

Исходные данные для расчета величины шага ходового винта

Вариант

tнр мм

iкп

10

3,5

0,3

1,060606

1,833333


Для образования резьбы нужно, чтобы за один оборот шпинделя станка резец переместился на величину подачи, равную шагу нарезаемой резьбы, следовательно

об шп ´ Скц ´ iv ´ Рхв = S мм/об = tнр мм.

В механизме передающем движение от шпинделя к суппорту станка, данные для расчета которого приведены в таблице, имеются следующие механизмы:

механизм реверса с передаточным отношением iр = 0,3;

гитара, выполняющая роль регулировочного звена, с передаточным отношением iг = 1,060606;

коробка подач, передаточное отношение которой равно iкп = 1,833333;

Постоянную кинематическую цепь составляют: механизм реверса и коробка подач Скц = 0,3´1,833333= 0,55. Следовательно, в соответствии с уравнением кинематического баланса:

об шп ´ Скц ´ iv ´ Рхв = tнр = 1´ 0,55 ´ 1,060606 ´ Рхв = 1 мм

Из полученного уравнения находим шага ходового винта, которая в данном случае равна Рхв = 2 мм.

металлорежущий станок винт привод

6. Расчет величины смещения задней бабки для обработки конуса на токарном станке

Задание. Определить величину смещения центра задней бабки h при обработке на токарном станке конусного валика с параметрами, приведенными в исходных данных. Дать рекомендации по настройке станка для изготовления конических поверхностей.

Исходные данные:- меньший диаметр, мм; d2 - диаметр основания, мм; l - высота конуса, мм; L - расстояние между центрами, мм.

Исходные данные приведены в табл. 6.1.


Таблица 6.1 - Исходные данные для изготовления конического валика в миллиметрах

Вариант

Параметры


d1

d2

l

L

10

45

50

160

200


Определим угол конуса a по формуле:

.

a = arctg 0,0156 = 0,89°.

Величина смещения задней бабки определяется по формуле:

h = L ´ sina = 200´ sin 0,89° = 3,12 мм = 3,5 мм.

7. Расчет параметров зубчатых колес

Задание. Для передач, приведенных на рисунках 3 и 4, определить параметры ведущего и ведомого зубчатых колес, находящихся в зацеплении: модуль m для косозубого колеса - нормальный модуль mn, делительные диаметры d1 и d2, диаметры вершин зубьев da1 и da2, диаметры впадин зубьев df1 и df2, высоту головки зуба ha, высоту ножки зуба hf, высоту зуба h, угловой шаг зубьев S, величину межосевого расстояния передачи aw.

Исходные данные: Z1 - число зубьев ведомого колеса; Z2 - число зубьев ведущего колеса; Р - окружной шаг зубьев, Рn - нормальный окружной шаг зубьев, мм; b угол наклона зуба, град.

Исходные данные для расчета параметров зубчатых колес

Вариант

Прямозубая передача

Косозубая передача


Z1

Z2

P

Z1

Z2

Pn

b

10

25

50

15,7

27

54

9,42

6


Расчет параметров прямозубого колеса.

Исходные данные

Определим модуль зубьев зубчатого колеса:

.

Определим высоту зуба:

h = 2,25m = 2,25 × 5 = 11,25 мм.

Определим высоту головки зуба:

= m = 5 мм.

Рисунок 7.1 - Параметры зубчатого колеса

Определим высоту ножки зуба:

hf = 1,25m = 1,25 × 5 = 6,25 мм.

Определим делительный диаметр:

d1 = m×Z1 = 5 × 25 = 125 мм.

Определим диаметр вершин зубьев:

= d + 2m = 125 + 2 × 5= 135 мм.

Определим диаметр впадин зубьев:

df1 = d1 - 2,25m = 125 - 2,25 × 5 = 113,75 мм.

Определим угловой шаг зубьев:


Определим делительный диаметр второго колеса:

d2 = m×Z2 = 5 × 50 = 250 мм.

Определим диаметр вершин зубьев:

da2 = d2 + 2m = 250 + 2 × 5= 260 мм.

Определим диаметр впадин зубьев:

df2 = d2 - 2,25m = 250 - 2,25 × 5 = 238,75 мм.

Межосевое расстояние можно определить после расчета параметров ведомого зубчатого колеса.

Рисунок 7.2 - Прямозубая передача

Определим межосевое расстояние:

= (d1+d2) / 2=(125+250) / 2=187,5 мм








Рисунок 7.3 - Косозубая передача

Определим модуль зубьев зубчатого косозубого колеса:

.

Определим высоту зуба:

h = 2,25m = 2,25 × 3 = 6,75 мм.

Определим высоту головки зуба:

= m = 3 мм.

Определим высоту ножки зуба:

hf = 1,25m = 1,25 × 3 = 10,5 мм.

Определим делительный диаметр:

= mnZ1 / cosb=3×27/ cos 60=81,4 мм.

Определим угловой шаг зубьев

S = 360 / Z1=360/27=13,30.

Определим диаметр вершин зубьев:

da1 = d1 + 2m = 81,4 + 2 × 3= 87,4 мм.

Определим диаметр впадин зубьев:

df1 = d1 - 2,25m = 81,4 - 2,25 × 3 = 74,65 мм.

Определим делительный диаметр второго колеса:= mnZ2 / cosb=3×54/ cos 60=162,8 мм

Определим диаметр вершин зубьев:

da2 = d2 + 2m = 162,8 + 2 × 3= 168,8 мм.

Определим диаметр впадин зубьев:

df2 = d2 - 2,25m = 168,8- 2,25 × 3 = 160,05 мм.

Определим межосевое расстояние

aw = (d1+d2) / 2=(81,4+162,8) / 2=122,1 мм.

Принимаем aw=122 мм.

Список литературы

1.     Дунаев П.Ф., Леликов О.П. Детали машин: Курсовое проектирование: Учеб. пособие для машиностроит. техникумов. - 2-е изд., перераб. и доп. - М.: Высш. шк., 1990. - 400 с.

2.      Задания и методические указания к выполнению контрольной работы по дисциплине «Оборудование отрасли: металлорежущие станки» / Авт.-сост. В.И. Вешкурцев, Д.Г. Мирошин - Екатеринбург: Изд-во Рос. гос. проф.- пед. ун-та, 2003. - 41 с.

.        Кочергин А.И. Конструирование и расчет металлорежущих станков и станочных комплексов. Курсовое проектирование: Учеб. пособие для вузов. - Минск.: Вышэйш. шк., 1991. - 382 с.

.        Металлорежущие станки: Учеб. для втузов / Под. ред. Н.С. Колева. - М.: Высш. шк, 1985. - 250 с.

.        Проников А.С. Расчет и конструирование металлорежущих станков. - М.: Высш. шк., 1968. - 430 с.

Похожие работы на - Металлорежущие станки

 

Не нашли материал для своей работы?
Поможем написать уникальную работу
Без плагиата!
Без нейросетей!