Компоновка редуктора
1. Выбор
электродвигателя и кинематический расчет привода
.1. Общий КПД привода равен произведению частных КПД:
Где
КПД, учитывающий потери в муфте;
КПД,
учитывающий потери в конической передаче;
КПД,
учитывающий потери в цилиндрической передаче;
КПД,
учитывающий потери в одной паре подшипников качения;
;
1.2 Требуемая мощность электродвигателя равна:
где
- мощность на валу барабана ;
здесь
- окружное усилие на барабане ;
-
окружная скорость вращения приводного барабана
;
;
1.3 Требуемая частота вращения вала электродвигателя
где
частота вращения ведомого вала привода;
диапазон
возможных общих передаточных чисел,
здесь
минимальные и максимальные значения передаточного
числа быстроходной конической передачи;
минимальные
и максимальные значения передаточного числа тихоходной цилиндрической передачи;
;
.4
Выбор электродвигателя
По
каталогу [1, с. 12, с.13] выбираем электродвигатель.
Характеристика
электродвигателя
Таблица 1.
|
Тип
|
Исполнение
|
Мощность, кВт
|
Число пар полюсов
|
Асинхронная частота, nдв, об/мин
|
d1, ммl1, мм
|
|
|
|
4А132М6
|
|
7,5
|
6,8
|
970
|
2,5
|
38
|
80
|
.5 Общее передаточное число привода
.6
Разбивка передаточного числа между ступенями
Из
стандартного ряда чисел принимаем:
что
допускаемо
.7
Мощность, частота вращения, вращающие моменты на всех валах привода.
.7.1
Ведущий вал редуктора
.7.2
Промежуточный вал редуктора
1.7.3 Ведомый вал редуктора
Таблица 2. Результаты кинематического расчета привода
|
Валы привода
|
Р, кВт
|
n, об /мин
|
w, рад /с
|
Т, Н·м
|
|
Ведущий вал редуктора
|
7,25
|
970
|
101,53
|
71,4
|
|
Промежуточный вал редуктора
|
6,96
|
307,9
|
32,23
|
216
|
|
Ведомый вал редуктора
|
6,75
|
68,4
|
7,2
|
937,5
|
2. Расчет передач редуктора
шестерня
колесо подшипник электродвигатель
2.1 Расчет быстроходной конической прямозубой передачи
.1.1 Материал шестерни и колеса
.1.1.1 Шестерня: материал - сталь 40Х, термообработка - улучшение,
HB
269...302 (HB1СР 285,5), σВ=900 МПа; σТ=750 МПа;
.1.1.2 Колесо: материал - сталь 40Х, термообработка - улучшение,
HB235...262
(HB2СР 248,5), σВ=790 МПа; σТ=640 МПа;
.1.2 Допускаемые контактные напряжения
где
предел контактной выносливости при базовом числе
циклов;
коэффициент
безопасности
коэффициент
долговечности:
Здесь
базовое число циклов перемены напряжений,
соответствующее пределу выносливости:
млн
циклов
; млн
циклов
эквивалентное
число циклов перемены напряжений на весь срок службы (наработка), млн. циклов;
при
постоянной нагрузке:
здесь
число одинаковых колес, сцепляющихся с рассчитываемым;
частота
вращения рассчитываемого колеса;
срок
службы привода (ресурс) ,ч
следует
принимать
[2, c.9]
следует
принимать
Для
конических прямозубых передач в качестве расчетного допускаемого напряжения ,
следует принимать меньшее значение
из
полученных для шестерни
и колеса
>
2.1.3 Допускаемые напряжения изгиба
где
предел выносливости зубьев при изгибе, соответствующий
базовому
числу циклов перемены напряжений;
коэффициент
запаса прочности:
коэффициент
долговечности:
здесь
базовое число циклов перемены напряжений,
соответствующее пределу выносливости:
эквивалентное
число циклов перемены напряжений на весь срок службы (наработка), млн. циклов;
при
постоянной нагрузке:
т.е
При
коэффициент долговечности
[2, c.11]
.1.4
Проектный расчет закрытой конической прямозубой передачи
.1.4.1
Внешний делительный диаметр колеса
Где
коэффициент
относительной ширины колес; при проектном расчете передачи рекомендуется
принимать
коэффициент,
учитывающий неравномерность распределения нагрузки по ширине венца
(предварительный);
коэффициент,
учитывающий вид конической передачи;
для
конических колес с прямыми зубьями;
Принимаем
2.1.4.2 Предварительное значение диаметра внешней делительной окружности
шестерни:
.1.4.3
Число зубьев шестерни и колеса:
.1.4.3.1
Число зубьев шестерни
Предварительное
значение зубьев шестерни:
Уточненное
значение зубьев шестерни:
Принимаем
.1.4.3.2
Число зубьев колеса
Принимаем
.1.4.4
Фактическое передаточное число
Разность между расчетным и фактическим передаточными числами:
.1.4.5
Углы делительных конусов шестерни и колеса , град
.1.4.6
Внешний окружной модуль
Принимаем
.1.4.7
Окончательное значение диаметра внешней делительной окружности шестерни ,мм:
.1.4.8
Внешнее конусное расстояние:
.1.4.9
Ширина зубчатых венцов колес, мм
Принимаем
.1.4.10
Уточнить значение коэффициента ширины зубчатого колеса:
.1.4.11
Среднее конусное расстояние:
.1.4.12Средний
окружной модуль:
.1.4.13
Средний делительный диаметр шестерни и колеса:
.1.5
Средняя окружная скорость в зацеплении:
Степень
точности
.1.6
Уточнение коэффициента нагрузки:
Коэффициент
нагрузки при расчете на контактную прочность:
где
коэффициент, учитывающий неравномерность распределения
нагрузки
между зубьями;
для колес
с прямыми зубьями;
коэффициент,
учитывающий неравномерность распределения нагрузки по длине зуба;
для
прирабатывающихся колес с прямыми зубьями;
коэффициент,
учитывающий динамическую нагрузку;
.1.6
Расчетное контактное напряжение
где
- окружная сила в зацеплении;
498 МПа
< 515,5 МПа
Допускаемая
перегрузка не более 5%
.1.7
Геометрические размеры шестерни и колеса
.1.7.1
Внешняя высота головки зуба
-
коэффициенты смешения шестерни и колеса
-коэффициент
головки зуба
2.1.7.2
Внешняя высота ножки зуба
-коэффициент
радиального зазора
.1.7.3
Внешняя высота зуба
2.1.7.4 Угол ножки зуба
.1.7.5
Угол головки зуба
.1.7.6
Угол конуса вершин
.1.8.6
Угол конуса впадин
.1.7.7
Внешний делительный диаметр
2.1.7.8 Внешний диаметр вершин
.1.7.9
Внешний диаметр впадин
.1.8
Расчетные напряжения изгиба в зубьях шестерни и колеса:
где
коэффициент формы зуба шестерни и колеса;
коэффициент
вида конических колес;
- для
прямозубых колес;
коэффициент
нагрузки;
здесь
коэффициент, учитывающий распределение нагрузки между
зубьями;
-для
прямозубых колес
-
коэффициент учитывающий не равномерность распределения нагрузки
-для
прирабатывающихся колес
коэффициент,
учитывающий динамическую нагрузку;
.1.9
Усилия в зацеплении
.1.9.1
Окружная сила
.1.10.2
Радиальная сила на шестерне, равная осевой силе на колесе
направление
вращения совпадает с направлением линии наклона зуба,
где
угол зацепления;
.1.10.3
Осевая сила на шестерне, равная радиальной силе на колесе
направление
вращения совпадает с направлением линии наклона зуба,
2.2
Расчет тихоходной цилиндрической прямозубой передачи.
.2.1
Материал шестерни и колеса
.2.1.1
Шестерня: материал - сталь 40Х, термообработка - улучшение, HB
269...302 (HBСР3 285,5), σВ=900
МПа; σТ=750 МПа; [3, c.7]
.2.1.2
Колесо: материал - сталь 40Х, термообработка - улучшение, HB
235...262 (HBСР4 248,5), σВ=790
МПа; σТ=640 МПа; [3, c.7]
.2.2
Допускаемые контактные напряжения
где
предел контактной выносливости базовом числе циклов;
коэффициент
запаса прочности:
для
колес с однородной структурой материала
[3, c. 7]
коэффициент
долговечности:
Здесь
базовое число циклов перемены напряжений,
соответствующее пределу выносливости:
эквивалентное
число циклов перемены напряжений на весь срок
службы
(наработка), млн. циклов;
при
постоянной нагрузке:
здесь
число одинаковых колес, сцепляющихся с
рассчитываемым;
частота
вращения рассчитываемого колеса;
срок
службы привода (ресурс);
при
следует принимать

Для
прямозубых зубчатых передач в качестве допускаемого контактного напряжения
принимают меньшее из двух ранее рассчитанных для шестерни
и колеса
, т.е:
.2.3
Допускаемые напряжения изгиба
где
предел выносливости зубьев при изгибе, соответствующий
базовому
числу циклов перемены напряжений;
коэффициент
безопасности:
коэффициент
долговечности:
здесь
базовое число циклов перемены напряжений,
соответствующее пределу выносливости:
эквивалентное
число циклов перемены напряжений на весь срок
службы
(наработка), млн. циклов;
при
постоянной нагрузке:
т.е
При
следует принимать

.2.4
Проектный расчет закрытой цилиндрической передачи
.2.4.1
Предварительное значение межосевого расстояния
Где
вспомогательный коэффициент;
для
прямозубых передач;
-вращающий
момент на валу колеса рассчитываемой передачи
-
передаточное число рассчитываемой передачи;
коэффициент
относительной ширины колеса по межосевому расстоянию;
для
прямозубых колес
коэффициент,
учитывающий неравномерность распределения нагрузки по длине зуба
- для
прирабатывающихся зубьев; [3, c.12]
-
расчетное контактное напряжение;
Полученное
значение округляем до стандартного; принимаем 
Ближайшее
стандартное значение:
.2.4.3
Рабочая ширина шестерни и колеса
2.2.4.4 Суммарное число зубьев шестерни и колеса
Число
зубьев шестерни
Число
зубьев колеса:
.2.5
Фактическое значение передаточного числа
Расхождение
с исходным значением:
;
.2.6
Геометрические размеры шестерни и колеса
.2.6.1
Диаметры делительных окружностей
Проверяем
условие:
.2.6.2
Диаметры начальных окружностей
.2.6.3
Диаметры окружностей выступов
.2.6.4
Диаметры окружностей впадин
.2.7
Окружная скорость колеса и степень точности
Степень
точности
.2.8
Уточнение коэффициента нагрузки
Коэффициент
нагрузки при расчете на контактную прочность:
Коэффициент
нагрузки при расчете на изгибную выносливость:
где
коэффициент, учитывающий неравномерность распределения
нагрузки между зубьями;
для
прямозубой передачи;
коэффициент,
учитывающий неравномерность распределения нагрузки по ширине зуба;
коэффициент,
учитывающий динамическую нагрузку;
2.2.9
Расчетное контактное напряжение
где
- вспомогательный коэффициент;
-для
прямозубых передач;
-
окружная сила в зацеплении;
-делительный
диаметр;
=369мм;
-рабочая
ширина венца колеса;
=70мм;
- коэффициент нагрузки;
=1,07
.2.10
Расчетные напряжения изгиба зубьев шестерни и колеса
где
коэффициент формы зуба шестерни и колеса;
при
при
коэффициент,
учитывающий наклон зубьев;
для
прямозубых передач;
коэффициент
нагрузки;
-коэффициент
относительной ширины шестерни;
.2.11
Усилия в зацеплении
.2.11.1
Окружная сила
2.2.11.2
Радиальная сила
где
угол зацепления;
.2.11.3
Сила нормального давления
3. Предварительный расчет валов
При предварительном расчете валы, работающие одновременно на изгиб и
кручение, следует рассчитывать на чистое кручение. Действие же на вал
изгибающего момента учитывается тем, что допускаемые напряжения на кручение
принимается заниженными из интервала:
.1
Ведущий вал редуктора
Так
как вал редуктора посредством муфты соединяется с валом электродвигателя, то
необходимо согласовать их диаметры, принимая диаметр выходного вала редуктора
из интервала:
Где
диаметр вала электродвигателя;
Окончательно
принимаем:
Конструктивно
назначаем диаметр вала под уплотнение:
диаметр
вала под подшипником:
диаметром
буртика:
3.2 Промежуточный вал редуктора
Диаметр
вала под колеса при
Окончательно
принимаем
Конструктивно
назначаем диаметр вала под подшипник:
диаметр
буртика:
.3
Ведомый вал редуктора
Диаметр
выходного кольца вала редуктора при
Окончательно
принимаем
Конструктивно
назначаем диаметр вала под подшипником:
под
уплотнение:
под
колесом:
диаметр
буртика:
.
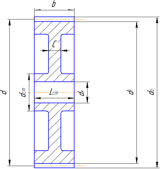
Конструктивные размеры шестерни и колеса
.1
Быстроходная коническая прямозубая передача
.1.1
Шестерня: заготовка - прокат, выполнена заодно с валом
Ее
параметры:
.1.2
Колесо: заготовка - поковка (свободная ковка), выполнена насадным
Его
параметры:
Толщина
обода:
Принимаем
Толщина
диска:
Принимаем
Диаметр
ступицы:
Принимаем
Длина
ступицы:
Принимаем
Размеры
фасок:
по
торцам колес:
Принимаем
по
торцам ступицы
.2
Тихоходная цилиндрическая прямозубая передача
.2.1
Шестерня: заготовка - поковка (свободная ковка), выполнена насадным.
Его
параметры:
.2.2
Колесо: заготовка - поковка (свободная ковка), выполнена насадным
Его
параметры:
Толщина
обода:
Принимаем
Толщина
диска:
Принимаем
Диаметр
ступицы:
Принимаем
Длина
ступицы:
Принимаем
Размеры
фасок:
по
торцам колес:
по
торцам ступицы
Рис. 1 Коническое колесо
Рис. 2 Цилиндрическое колесо
5. Конструирование элементов корпуса редуктора
.1 Размеры элементов литого корпуса
Таблица 2. Размеры элементов литого корпуса
|
Параметр
|
Ориентировочные соотношения (размеры, мм)
|
Толщина
стенки корпуса и крышки редуктора двухступенчатого
принимаем
|
принимаем
|
Толщина
верхнего пояса (фланца) корпуса
|
принимаем
|
|
|
Толщина нижнего пояса (фланца) крышки корпуса
|
|
Толщина
нижнего пояса корпуса без бобышки
|
принимаем
|
Толщина
рёбер основания корпуса
|
принимаем
|
Толщина
ребер крышки
|
принимаем
|
Диаметр
фундаментных болтов
Диаметр
болтов: - у подшипников - соединяющих основание корпуса с крышкой - крепящих
смотровую крышку
принимаем
болт М16
принимаем
болт М12
|
принимаем болт М8
|
Расстояние
от наружной поверхности стенки корпуса до оси болтов

при М20
при М16
[4, с.6]
|
при М12
|
|
Ширина
нижнего и верхнего пояса основания корпуса
при М20 [4, с.6]
|
при М16
|
Размеры
штифта: диаметр длина 1
|
принимаем 2
|
Наименьший
зазор между наружной поверхностью колеса и стенкой корпуса - по диаметру - по
торцам
принимаем
Для подъема корпуса редуктора предназначены проушины в ребрах и грузовые
крюки, отлитые в виде ребер. (рис. 1)
Толщина подъемных ушей:
-
корпуса
крышки
Корпусные
детали перед расточкой отверстий для подшипников валов фиксируют относительно
друг друга с помощью конических штифтов.
На
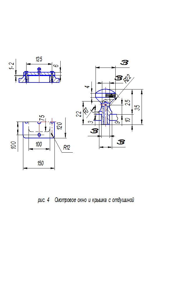
крышке корпуса для осмотра механизма и заливки масла имеется смотровое окно
(люк), закрываемое крышкой. Редукторы с большим тепловыделением должны иметь
отдушину, устанавливаемую на крышке смотрового окна (рис. 3). Наличие отдушины
предотвращает повышение давления воздушной среды со взвешенными частицами масла
через стык корпуса и уплотнение валов в крышках подшипников.
В
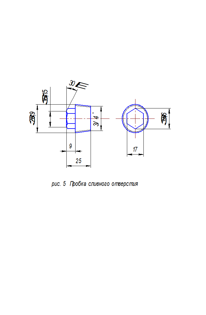
нижней части корпуса редуктора имеется отверстие с резьбой для спуска масла и
промывки редуктора; отверстие закрывается пробкой с дюймовой резьбой. (рис. 4)
Контроль
уровня масла, находящегося в редукторе, производится с помощью железного
маслоуказателя. (рис. 5)
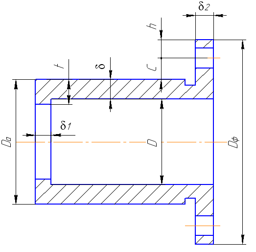
5.2 Конструирование стаканов и крышек подшипников
Стаканы применяются для создания самостоятельного сборочного комплекта
вала с подшипником и фиксирующими опорами для удобства сборки редуктора. (рис.
6)
Толщина стенки стакана для наружного диаметра подшипника D = 72мм:
Толщина
упорного буртика
и толщина фланца
:
Высота
упорного буртика t и размер фаски r :
где
диаметр болта;
принимаем
;
принимаем
Диаметр
и число болтов для крепления крышек подшипников и стаканов:
при
D = 72мм и диаметре болтов М8, число болтов - 4
Рис. 3 Грузовые крюки и проушины в ребрах
Рис. 4 Штифт
Рис.
5 Смотровое окно и крышка с отдушиной
Рис.
6 - Пробка сливного отверстия
Рис.
7 Жезловый маслоуказатель
Рис. 8 Стаканы
Рис.
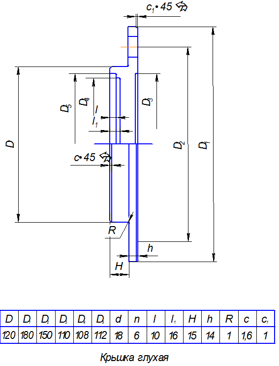
9 Крышка подшипниковая глухая
Рис.
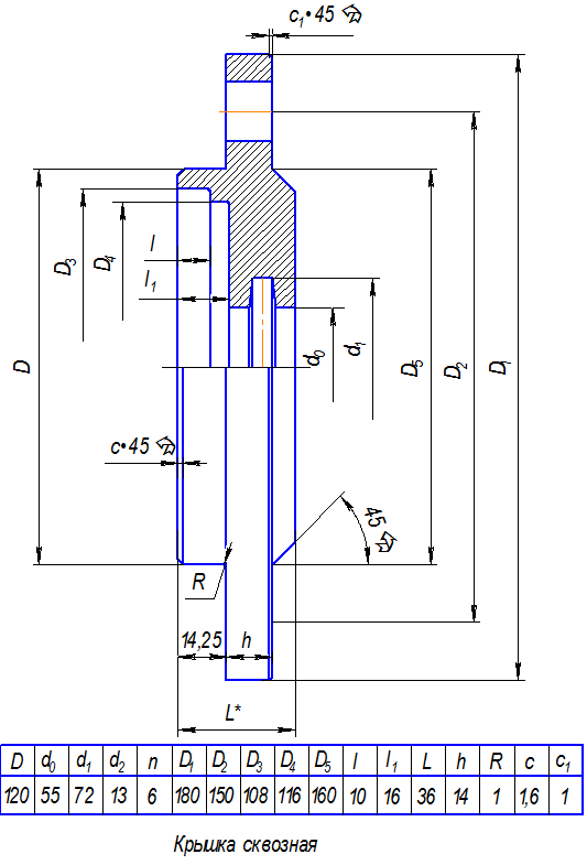
10 Крышка подшипниковая сквозная
6. Первый этап эскизной компоновки
Примерно посередине листа параллельно его длинной
стороны проводим горизонтальную осевую линию - ось ведущего вала. Намечаем положение
вертикальных линий - оси промежуточного и ведомого валов.
Проводим вертикальные линии - оси промежуточного и
ведомого вала.
От
точки пересечения осей ведущего и ведомого валов под углом
, проводим осевые линии делительных конусов и
откладываем на них отрезки ОС равные Re =123,9мм. Проверяем расстояние
от точки С до осей СД
и СВ
Конструктивно
оформляем по найденным геометрическим размерам коническую шестерню и коническое
колесо. Вычерчиваем их в зацеплении. Для этого в точках С к образующим
делительных конусов восстанавливаем перпендикуляры, на которых откладываем
высоту головки зуба
и высоту ножки зуба
. Концы
отложенных отрезков соединяем с точкой О линиями, которые представляют собой
образующие конусов вершин и впадин зубьев. По направлению к точке О откладываем
ширину зуба
и проводим границу зуба.
Выбираем
подшипники (табл. 5), схему их установки, смазку передачи и подшипников. При
пластической смазке предусматриваем мазеудерживающие кольца. Смазка передачи
картерная, подшипников ведущего и промежуточного валов - пластичная, т.к. один
из подшипников ведущего вала удален и это затрудняет попадание в него масляных
брызг.
Таблица
5. Характеристика подшипников
|
Валы
|
№подш
|
d, мм
|
D, мм
|
B, мм
|
T, мм
|
α, град
|
C, кН
|
Со, кН
|
е
|
Y
|
Yo
|
|
Ведущий
|
72,08
|
40
|
80
|
20
|
19,75
|
14°
|
46,5
|
32,5
|
0,38
|
1,56
|
0,86
|
|
Промежуточный
|
72,08
|
40
|
80
|
20
|
19,75
|
14°
|
46,5
|
32,5
|
0,38
|
1,56
|
0,86
|
|
Ведомый
|
212
|
60
|
125
|
26
|
-
|
-
|
96
|
82
|
0,37
|
-
|
-
|
Наносим габариты подшипников ведущего вала, наметив
предварительно внутреннюю стенку корпуса на расстоянии 9 мм от торца шестерни и
отложив зазор между стенкой и торцом подшипника 10 мм, оставив место для
мазеудерживающих колец.
При установке радиально-упорных подшипников необходимо
учитывать, что радиальные реакции считают приложенными к валу в точках
пересечения нормалей, проведенных к середине контактных площадок.
Для однорядных роликоподшипников:
Замером
находим расстояние
от середины шестерни до точки приложения реакции
первого подшипника. Второй подшипник устанавливаем на расстоянии между
реакциями подшипников равном:
Отступив от торца конического зубчатого колеса 20 мм
конструктивно оформляем по найденным геометрическим размерам цилиндрическую
шестерню и колесо.