Автоматизация сборочных процессов
Содержание
Введение
Перспективы
развития автоматизации сборки
Требования к
качеству изделий, обеспечиваемому сборкой
Особенности
выбора и реализации методов достижения точности при автоматической сборке
Параметры
процесса сборки и последовательность автоматического соединения деталей
Классификация
сборочного оборудования
Особенности
автоматизации сборочных работ
Заключение
Список
используемой литературы
Введение
Важнейшим направлением обеспечения необходимого ускорения развития
машиностроения является повышение научно-технического уровня сборочного
производства, обладающего самыми крупными потенциальными резервами для
повышения эффективности производства, снижения материальных и трудовых
ресурсов, сокращения ручного, монотонного и тяжелого физического труда,
повышения производительности труда и качества выпускаемых изделий, сокращения
производственных площадей и высвобождения рабочей силы. Направления
научно-технического прогресса включают разработку и производство
конкурентоспособных машин и приборов; широкое применение новых материалов;
использование прогрессивных технологий; внедрение эффективных орудий труда,
способных перестраиваться с одного изделия на другое; освоение современной
организации производства и управления.
Сборка является завершающим и определяющим этапом производственного
процесса, на котором интегрируются результаты всех предшествующих этапов
производства и формируются основные показатели качества выпускаемых изделий.
Процессы сборки наименее механизированы и автоматизированы (до 80 % от всего
объема сборочных работ выполняется вручную) и занимают непропорционально
большой удельный вес в общей структуре производства машин (25-40 %) и приборов
(40-70 %), что связано с большим объемом пригоночных работ. Трудоемкость
сборочных работ на предприятиях машино- и приборостроения в большинстве случаев
превосходит трудоемкость механической обработки резанием и значительно
превышает затраты труда на всех других видах производств (литейном, сварочном и
др.).
Автоматизация - безальтернативный путь повышения производительности
труда, технического уровня и качества выпускаемой продукции. Автоматизация
нередко обеспечивает увеличение производительности сборки в десять раз и более
при одновременном значительном повышении качества выпускаемых изделий.
Совершенствование технологических процессов сборки осуществляется на
основе повышения технологичности конструкций собираемых изделий; оптимизации
технологии и применения высокоэффективных методов и способов сборки; повышения
уровня автоматизации, гибкости; стандартизации и типизации технологических
процессов и средств сборки; полного устранения или сокращения в максимальной
степени пригоночных и регулировочных работ; совмещения процессов сборки во
времени и в пространстве и т. п.
Перспективы развития автоматизации сборки
Единственным участком машиностроения, где автоматизация производственного
процесса находится в начальной стадии, является сборка и регулировка сборочных
единиц и машин в целом. Впервые автоматизация сборки возникла одновременно с
появлением первой автоматической станочной линии И.П. Иночкина, где
автоматизирована операция запрессовки бандажей на ступицу ролика (создана в
1939 г. автоматическая линия для обработки и сборки поддерживающего ролика
гусеницы трактора).
Однако до последних лет автоматизация сборки значительно отстает от
развития автоматизации других производственных процессов. Трудности заключаются
как в недооценке эффективности автоматизации сборочных работ, на которых занято
от 20 до 50 % работающих на машиностроительных заводах, так и в специфике
автоматизации сборочных работ.
Сборка - это заключительный и определяющий этап производственного
процесса. От нее зависит качество изделий и их выпуск в заданные плановые
сроки. Сборочные работы занимают по трудоёмкости второе место после
механообработки. Трудоемкость сборочных работ в машиностроении составляет 25-30
% от общей трудоемкости изготовления деталей. В индивидуальном и мелкосерийном
производстве трудоёмкость достигает 40 % из-за большого объёма пригоночных
работ. На машиностроительных заводах из всего объема сборочных работ
механизировано только 15-20 %, а остальная часть сборочных операций выполняется
вручную. Весьма незначительное применение в машиностроении имеет автоматическая
сборка, примерно 6-7 % от всех видов сборки.
Автоматизация сборки обеспечивает: повышение качества изделий, увеличение
производительности труда (иногда в десятки раз); уменьшение себестоимости
сборочных работ; высвобождение рабочих; уменьшение производственных площадей.
Автоматизация расширяет технологические возможности сборки. На автоматах можно
собирать такие изделия, сборка которых вручную невозможна (сборка, например, в
вакууме в электронной промышленности; в условиях токсичной, взрывоопасной среды
или высокой температуры). Автоматизированная сборка снижает производственный
травматизм рабочих.
Препятствием на пути автоматизации сборочных работ является
технологическая неотработанность конструкций собираемых изделий, недостаточная
унификация и малая серийность выпуска изделий, недостаток или отсутствие
типового автоматического оборудования; невысокое качество деталей собираемых
изделий, необходимость проектирования специальной оснастки.
Каждая сборочная машина в большинстве случаев - это специальная машина.
Сборочное оборудование обычно изготавливается заводами-потребителями, а не
специализированными предприятиями. Это приводит к удлинению сроков и увеличению
стоимости изготовления оборудования. Во многих случаях сроки его окупаемости
превышают допустимые, что сужает в данном случае экономическую целесообразность
автоматизированной сборки.
Сущность сборочного процесса заключается:
·в ориентации с требуемой точностью руки рабочего относительно
определенных поверхностей детали, подлежащей сборке и, в общем случае, лежащей
в любом положении на рабочем месте;
·в захвате детали и ее перемещении в пространстве к сопрягаемой детали или
сборочному приспособлению;
·в базировании детали, подлежащей монтажу, с требуемой точностью
относительно поверхностей сопрягаемой детали;
·в присоединении монтируемой детали к ранее смонтированной с требуемой
точностью.
Наибольшие трудности представляет собой ориентация в пространстве
захватывающего устройства сборочной машины, для того чтобы взять подлежащую
сборке деталь, лежащую в любом положении.
Технологический процесс автоматизированной сборки существенно отличается
от технологического процесса ручной и механизированной сборки. Для выполнения
сборки изделий на автоматической сборочной установке нужно иметь:
·бункер но-ориентирующие устройства для деталей изделия, кассеты или
магазины, загружаемые более сложными по своей конфигурации деталями в
предварительно ориентированном виде;
·накопители - создают запас деталей в ориентированном виде и выравнивают
производительность бункер но-ориентирующих устройств;
·отсекатели - устройства для поштучной выдачи деталей из накопителя на
сборочную позицию автомата;
·питатели - устройства для передачи детали из накопителя на сборочную
позицию автомата;
·устройства для скрепления соединяемых деталей путём запрессовки,
развальцовки, склеивания, свинчивания и др.;
-устройства, выполняющие специальные функции (обдувка, смазкаи др.);
устройства, контролирующие правильность выполнения соединений;
механизмы для удаления собранного изделия из автомата в тару или на
транспортёр.
Сложенные базовые детали собираемого изделия устанавливают в сборочные
приспособления на сборочные позиции вручную или механической рукой из магазина
(с транспортёра) с последующим её закреплением (если это необходимо) и
откреплением в конце сборки.
Требования к качеству изделий, обеспечиваемому сборкой
Качество изделий в машиностроении определяется совокупностью свойств
материалов, размерных и силовых параметров. Эта совокупность определяется в
процессе изготовления машины и реализуется процессом ее изготовления. Размерные
параметры качества изделия описывают требуемое по служебному назначению изделия
относительное положение и движение его исполнительных поверхностей. Требуемое
относительное положение может характеризоваться тремя расстояниями и тремя
поворотами в относительном положении координатных систем, построенных на ее
исполнительных поверхностях. Требуемое относительное движение характеризуется
параметрами траектории и допустимыми отклонениями действительной траектории от
расчетной.
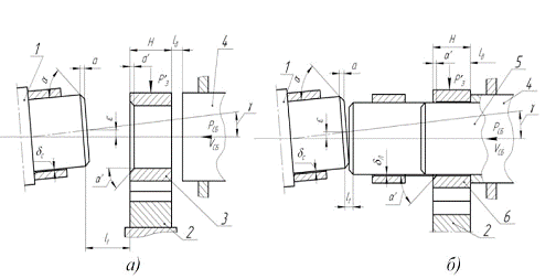
На рисунке 1.1 показан внешний вид редуктора привода конвейера. Для
выполнения редуктором своего служебного назначения, заключающегося, в том
числе, в передаче крутящего момента с выходного вала редуктора на приводной вал
конвейера, необходимо обеспечить соосность указанных валов при сборке.
Поверхность выходного вала редуктора является одной из его внешних
исполнительных поверхностей (ИП). Для обеспечения соосности валов необходимо
обеспечить при изготовлении редуктора расстояние АΔи параллельность ВΔ оси вращения его выходного вала
плоскости основания. Эти требования предъявляются к относительному положению ИП
в данном случае вала и плоскости основания - основной базы редуктора. Требуемая
точность движения выходного вала редуктора описывается допустимыми радиальным
2БΔ
и осевым биениями вала
при вращении. Указанные требования к координатам положения выходного вала
редуктора относительно основных баз, а также к точности вращения вала
определяют возможность стыковки выходного вала редуктора с приводным валом
конвейера.
Рисунок 1.1. Требования к положению и движению выходного вала редуктора
Помимо внешних у редуктора есть и внутренние, исполнительные поверхности;
например, поверхности зубьев шестерен, с помощью которых крутящий момент
передаётся, увеличиваясь от входного вала к выходному при соответствующем
уменьшении частоты вращения. Поэтому следует также устанавливать требования к
точности относительного расположения и движения взаимодействующих поверхностей
зубьев каждой пары шестерен. Первое характеризуется допусками межосевого
расстояния и параллельности осей делительных цилиндров, второе - допусками
радиального биения. Кроме размерных параметров, характеризующих положение и
движение исполнительных поверхностей редуктора, к нему предъявляются
требования, выражающиеся допустимыми силами и моментами сип, которые
характеризуют, в частности, плавность и лёгкость движения исполнительных
поверхностей. Например, могут предъявляться требования к лёгкости и плавности
вращения валов, которые можно характеризовать соответственно крутящим моментом
холостого хода Мх и колебанием крутящего момента ΔМ за один оборот при холостом ходе.
Размерные и силовые параметры качества изделий определяются при
проектировании изделий, исходя из параметров, описывающих их служебное
назначение. Требуемые свойства материалов и часть размерных параметров
обеспечиваются процессами изготовления деталей машин. Другая часть размерных
параметров формируется в процессе сборки. Соединение деталей машин может быть
подвижным и неподвижным, разъемным и неразъёмным. В результате сборки
неподвижных соединений и подвижных должны быть обеспечены требуемые по их
служебному назначению размерные и силовые параметры качества (табл. 1.1).
Таблица
В результате сборки неподвижного соединения должно быть обеспечено:
требуемое положение присоединённой детали относительно базовой,
характеризуемое пространственными смешениями (несовпадениями) комплекта баз
присоединяемой детали с комплектом вспомогательных баз базирующей детали;
требуемая прочность соединения, характеризуемая значениями передаваемых
соединением сил и моментов, например, силой Q затяжки резьбового соединения.
В подвижных соединениях должны обеспечиваться требуемые параметры
траектории движения (перемещения и вращения). Например, должно быть обеспечено
прямолинейное перемещение суппорта токарного станка по направляющим станины в
пределах установленных ограничений, требуемые силы и моменты сил сопротивления
движению, например, ограничивается крутящий момент холостого хода редуктора.
Таким образом, показатели качества собранного изделия можно разделить на
размерные и силовые. Размерные показатели выражаются размерами,
характеризующими положение (например, отклонение от соостности, параллельности
и т.д. одной детали относительно другой -базовой) или движение (например,
биение). Силовые показатели характеризуют прочность неподвижных соединений и
выражаются значениями сил и моментов, которые передаются этим соединением. В
подвижных соединениях силовые показатели характеризуют сопротивление движению-
силы трения.
На все основные показатели качества изделия устанавливают предельно
допустимые отклонения, так что любое из условий можно записать в общем виде
Пmin≤П≤Пmax,
Где П - какой-либо показатель качества;
Пmin ,Пmax соответственно минимально и
максимально допустимые значения параметров.
Если это условие выполняется, то изделие соответствует нормам точности и
является качественным, годным для эксплуатации.
В ряде случаев параметры качества изделия достигаются через размерные
параметры. Таким образом, получение изделия требуемого качества при сборке во
многом определяется достижением требуемых размеров: установочных размеров между
основными и вспомогательными базами соединяемых при сборке деталей, размеров,
характеризующих положение и движение исполнительных поверхностей изделия.
Размеры, характеризующие положение и движение ИП машины, принимаются в качестве
исходных звеньев конструкторских размерных цепей при размерном анализе
конструкции и образуются как замыкающие звенья размерных цепей в результате
изготовления машины или сборочной единицы.
Размерный анализ конструкции включает три основных этапа: выявление
структуры размерной связи построением размерной цепи; выбор метода достижения
точности замыкающего звена; определение параметров всех составляющих звеньев.
В результате размерного анализа конструкции обосновывают: метод
достижения точности при сборке; требования точности размеров деталей при
сборке; требования к средствам контроля размеров при изготовлении и сборке.
Особенности выбора и реализации методов достижения точности
при автоматической сборке
Различают пять методов достижения точности (МДТ) замыкающих звеньев
размерных цепей: полная взаимозаменяемость (ПВ), неполная взаимозаменяемость
(НВ), групповая взаимозаменяемость (ГВ), регулирование (Р), пригонки (П). Кроме
того, могут быть использованы различные комбинации этих методов. Рассмотрим
возможности и особенности использования каждого из пяти методов достижения
точности замыкающих звеньев в конструкторских размерных цепях при
автоматической сборке.
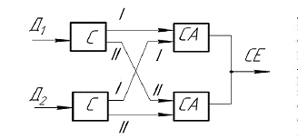
Рисунок 1.2. Структурная схема автоматической сборки методом ПВ
Структурная схема автоматической сборки методом ПВ показана на рисунке
1.2. Сборочный автомат (СА), осуществляющий сборку двух деталей Д1 и
Д2 , которые поступают
на его вход, обеспечивает получение сборочной единицы (СЕ). Гарантированное
обеспечение требуемого размера замыкающего звена при полной взаимозаменяемости
позволяет отказаться от контроля замыкающего звена, получающегося в результате
сборки. Это особенно важно в тех случаях, когда трудно автоматизировать
контроль получающегося при сборке размера в сборочной единице. При ПВ
достаточно контролировать размеры деталей, подаваемых на сборку. В процессе
сборки методом ПВ для достижения требуемого размера замыкающего звена не
требуется никакой дополнительной информации и связанных с этим дополнительных
сложностей по её" получению и автоматическому использованию. Относительная
простота организации и управления сборочными процессами при использовании
метода ПВ объясняет его широкую распространённость для достижения точности
размеров в автоматическом производстве.
Единственный недостаток метода ПВ - необходимость более высокой точности
изготовления составляющих звеньев, чем при любом другом методе достижения
точности. Поэтому относительная простота автоматизации сборки методом ПВ
требует, как правило, высокой точности изготовления деталей, входящих в
сборочную единицу.
Сборка методом ПВ наиболее производительна, т. к. не требует
дополнительных затрат времени на получение и использование какой-либо
дополнительной информации. Автоматическое сборочное оборудование, работающее
при использовании этого метода, характеризуется простотой и компактностью.
Однако стремление предельно удешевить сборку и автоматическое сборочное
оборудование использованием ПB
приводит в ряде случаев к значительному повышению точности, а следовательно, и
себестоимости изготовления составляющих деталей, что не всегда окупается
снижением затрат на сборку.
При
использовании метода НВ не у всех собранных сборочных единиц гарантируется
получение замыкающего звена в требуемых допусках. Поскольку заранее неизвестно,
в каком именно изделии требуемый размер замыкающего звена не обеспечивается, то
замыкающее звено размерной цепи, образующееся при сборке, необходимо
контролировать в каждой сборочной единице. Поэтому приходится осуществлять
100%-ный контроль изделий. Это усложняет и удорожает сборку методом НВ, т.к.
необходимо предусмотреть дополнительную контрольную позицию в сборочной
автоматической линии или в сборочном автомате. Вместе с тем при использовании
метода НВ допуски на составляющие звенья размерной цепи, т. е. на изготовление
деталей, увеличиваются при той же точности замыкающего звена по сравнению с
допусками при использовании метода НВ в среднем в
раз, где m - число составляющих звеньев
при 0,27 %-ном риске и нормальных законах распределения размеров. Поэтому чем
больше составляющих звеньев в размерной цепи, тем выгоднее использовать метод
НВ по сравнению с методом ПВ.
Рисунок 1.3. Структурная схема автоматической сборки методом НВ
качество
изделие автоматический сборка
Структурная схема сборочного автомата, реализующего сборку методом НВ,
показана на рисунке 1.3. Детали Д1 и Д2 собираются на
сборочном автомате СА. Все сборочные единицы СЕ должны пройти контрольный
автомат КА и часть СЕ, попавших в процент риска, будет отбракована. Эти СЕ
должны быть разобраны разбирающим автоматом (РА), а составляющие детали
возвращены для повторной сборки в другом сочетании.
В ряде случаев, например, при сборке валика и втулки по переходной
посадке, может оказаться, что некоторые детали вовсе нельзя установить при
сборке. Эти случаи тоже включены в процент риска. Они могут привести к
заклиниванию или поломке сборочного автомата. Для предотвращения этого
необходимо контрольно-блокировочное устройство (КБУ), которое прерывает
сборочный процесс, выводит из зоны сборки несобранные детали, возвращает
автомат в исходное состояние для продолжения сборки других деталей. КБУ
срабатывает при получении текущей информации о сборочном процессе. Для этого
бывает достаточным контролировать силы в процессе соединения деталей на рабочей
позиции сборочного автомата, например, осевую силу при постановке валика во
втулку. В случае возникновения натяга или при заклинивании деталей сила
сопротивления движению рабочего органа сборочного автомата, устанавливающего деталь,
увеличивается, что служит сигналом к прерыванию сборки, возвращению рабочего
органа в исходную позицию и удалению собираемых деталей из рабочей зоны
автомата.
Использование метода НВ, таким образом, требует дополнительного оснащения
сборочного автомата контрольной позицией и блокирующим устройством, требует
разборки изделий, не соответствующих требованиям точности (их количество равно
проценту риска) и средства возврата деталей на сборку. Для осуществления сборки
требуется дополнительная информация, которая может быть получена не заранее, а
только лишь в процессе сборки или по завершении ее. Эта информация должна быть
получена с помощью соответствующих датчиков, преобразована для автоматического
анализа и выдачи управляющего воздействия, а также использована для
осуществления автоматической сборки методом НВ.
Схематично сборка двух деталей методом ГВ показана на рисунке 1.4. При
автоматической сборке методом ГВ детали должны быть предварительно
рассортированы по размерам на группы сортировочными автоматами С. Далее детали
Д1и Д2
первой размерной группы собираются сборочным автоматом СА. Аналогично
собираются детали других размерных групп. На схеме показаны только два СА,
каждый из которых собирает детали одной размерной группы. 'Гак может быть
только при большом объёме выпуска изделий. Если же для достижения требуемой
производительности достаточно одного автомата, то детали разных размерных групп
собираются на одном автомате по очереди. В этом случае необходимо обеспечить
одновременную подачу на сборочную позицию собираемых деталей какой-либо одной
размерной группы
В пределах одной размерной группы достижение точности изготовления
изделий осуществляется методом ПB.
Поэтому в собранных изделиях гарантируется достижение заданного размера
замыкающего звена и дополнительный контроль не требуется.
Рисунок 1.4. Структурная схема автоматической сборки двух деталей методом
групповой взаимозаменяемости (ГВ)
При сборке методом групповой взаимозаменяемости m составляющих сборочную единицу деталей сортируют на n размерных групп. Для хранения и
подачи на сборку необходимо (m-n) накопителей. Некоторые детали
клеймят или маркируют, чтобы при сборке их не перепугать с такими же деталями
другой размерной группы. Это усложняет организацию сборки. Предварительная
сортировка собираемых деталей на размерные группы требует получения информации
о размерах всех деталей путём их измерения. Поэтому по сравнению с методом ПВ
метод ГВ так же, как и другие методы, требует увеличения информации для
осуществления сборки. Для этого необходимы дополнительные устройства и дополнительные
затраты времени. Вместе с тем допуски на составляющие звенья расширяются в n раз и при групповой
взаимозаменяемости.
Достижение требуемой точности замыкающего звена регулированием размера в
автоматической сборке может осуществляться с использованием подвижного или
неподвижного компенсатора. В первом случае для этого следует использовать
соответствующие возможности конструкции самого узла, где размер может
регулироваться с помощью винтового, клинового или др. механизма. Во втором
случае при неподвижном компенсаторе требуется заранее изготовить несколько
деталей-компенсаторов разных размеров и в процессе сборки установить
компенсатор необходимого в данном случае размера. Так, например, для
обеспечения требуемого натяга подшипников выходного вала редуктора,
регулируемого с помощью прокладки между крышкой подшипника и корпусом,
необходимо собрать узел без прокладки, приложить к крышке необходимую силу для
создания натяга подшипника, измерить образовавшийся зазор между крышкой и
корпусом и поставить в этот зазор прокладку соответствующей толщины, сняв
предварительно крышку подшипника. Таким образом при регулировании необходимо
получать информацию в процессе сборки и организовать обратную связь.
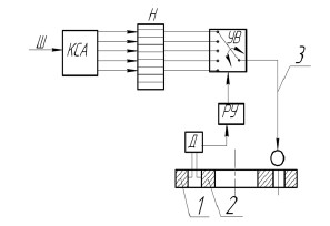
Рисунок 1.5 Схема автоматической сборки шарикоподшипников
Примером использования метода регулирования в автоматической сборке может
быть автоматическая сборка подшипников. Размеры шариков Ш (рис. 1.5),
поступающих на сборку, измеряются в контрольно-сортировочном автомате КСА, и шарики
сортируются по размерам на 50 размерных групп через 2 мкм. Рассортированные по
группам шарики попадают в накопитель Н. На позицию автомата поступают кольца
подшипника: наружное 1 и внутреннее 2. Радиальный зазор между двумя пришедшими
на сборку кольцами 1 и 2 автоматически измеряются датчиком Д. Сигнал от датчика
поступает в решающее устройство РУ и далее в устройство выбора УВ размеров
шариков. Устройство выбора включает и переключает подвижный лоток на кассету
накопителя с нужными размерами шариков. Необходимое число шариков нужного
размера по трубчатому лотку 3 подается на сборочную позицию.
Применение метода регулирования в автоматическом производстве связано с
необходимостью автоматического измерения размеров, обработки полученной
информации и использования её для регулирования механизма или процесса.
Использование ЭВМ, контактных головок, активного контроля размеров,
активного управления свидетельствует о переходе от метода полной
взаимозаменяемости на метод автоматического регулирования для достижения
высокой точности в условиях автоматического производства.
Таким образом, метод регулирования для достижения требуемой точности
замыкающих звеньев размерных цепей характеризуется следующими общими
положениями:
допуски размеров составляющих звеньев могут быть установлены исходя из
возможностей изготовления и значительно большими по сравнению с допусками
размеров при ПВ;
для регулирования размеров при сборке необходимо наличие индикации о
получаемых при сборке размерах, т. е. наличие обратной связи;
регулированием можно обеспечить высокую точность размера замыкающего
звена независимо от допусков размеров, с которыми изготовлены составляющие
звенья.
Подвижный компенсатор в сборочной единице должен быть реализован в виде
винтовых, клиновых и других устройств, позволяющих регулировать размер.
Достижение требуемой точности замыкающего звена размерной цепи пригонкой
состоит в удалении необходимого слоя материала с детали, являющейся
компенсатором, для достижения необходимых отклонений размеров всех составляющих
звеньев. Этот метод похож на метод регулирования с неподвижным компенсатором.
Разница лишь в ton!, что компенсатор не изготовлен заранее с определёнными
размерами как при методе регулирования, а имеет необходимый припуск, который
частично или полностью удаляется при сборке для достижения требуемой точности
замыкающего звена.
Пригонка так же, как и регулировка позволяет обеспечить высокую точность
размера замыкающего звена при большом числе составляющих звеньев. Однако для
пригонки необходимо осуществлять дополнительную обработку компенсатора
непосредственно при сборке, что в ряде случаев нежелательно.
На рисунке 1.6 показана схема автоматической пригонки плунжеров под
размер плунжерной втулки. Окончательно обработанная втулка плунжера 1 подаётся
на бесцентрово-шлифовальный станок, на котором под диаметр d0 отверстия втулки 1 дошлифовывается плунжер 2 по
наружному диаметру dв. Диаметр dо отверстия втулки измеряется датчиком Д2, а
диаметр dв плунжера - в процессе обработки датчиком Д1.
Сигналы с датчиков пропорциональные dо и dв подаются на сравнивающее устройство
3, где вычисляется разность Δ=dо - dв и сравнивается с сигналом от
задающего устройства 4, которое задаёт требуемое значение ширины зазора в
соединении втулки и плунжера (замыкающее звено).
Пока заданное значение зазора больше текущего значения сигнал с выхода
сумматора 3, усиленный усилителем 5, оказывается положительным, и шлифование
плунжера продолжается. По мере шлифования размер dв постепенно уменьшается и разность Δ= dо - dв постепенно увеличивается. При
достижении заданного значения разности диаметров, т. е. Δ=Δ3, сигнал на выходе сумматора становится равным нулю и
затем становится отрицательным. Регулятор Р мгновенно срабатывает и подаёт
команду на отвод шлифовального круга. Размер dв плунжера соответствует размеру dо втулки и их разность равняется требуемому зазору Δ3. Таким образом каждый плунжер
индивидуально подгоняется под втулки. Так осуществляется автоматическая
пригонка плунжеров.
Рисунок 1.6. Схема автоматической пригонки плунжеров под размер
плунжерной втулки
Обратная связь осуществляется через датчик Д1, измеряющий
диаметр плунжера dв, и датчик Д2, измеряющий
диаметр отверстия втулки dо. Вычисление разности двух аналоговых
сигналов реализуется операционным усилителем. Задатчик представляет собой
переключатель или потенциометр со шкалой. В более сложных случаях используют
ЭВМ.
В отличие от метода регулирования метод пригонки требует обработки
компенсатора.
Каждый из пяти методов имеет преимущества, недостатки и области
эффективного использования. Критерием выбора каждого из пяти методов является
минимум суммы всех затрат на изготовление составляющих звеньев и сборку.
Общие условия автоматической собираемости деталей:
В общем случае, после подачи собираемых деталей на сборочную позицию
автомата, для обеспечения их автоматической сборки и качества соединения
необходимо выполнить следующие условия автоматической собираемости деталей:
где
и
-
суммарные действительные и допустимые значения относительных смещений осей
сопрягаемых поверхностей собираемых деталей в плоскости, перпендикулярной оси
сопряжения (сборки) в течение времени Т от начала до окончания процесса
автоматического соединения деталей;
и
- суммарные действительные и допустимые значения углов
относительного перекоса осей сопрягаемых поверхностей собираемых деталей в
течение времени Т;
и
- суммарная действительная и допустимая погрешности
относительного смещения положения сопрягаемых поверхностей собираемых деталей
вдоль их оси сопряжения в момент времени Т0 окончания их
автоматического соединения (закрепления);
и
- суммарные действительные и допустимые значения углов
относительного поворота сопрягаемых поверхностей собираемых деталей вокруг их
оси сопряжения в течение времени Т;
Рп(Т)-
максимальные значения усилий (осевых, крутящих моментов и т.п.), развиваемых
приводом исполнительного (сборочного) механизма автомата в течение времени Т;
Рсб(Т)-
максимальные значения потребных усилий (осевых, крутящих моментов и т. п.),
необходимых для выполнения автоматического сопряжения (закрепления) собираемых
деталей в течение времени Т;
и
- суммарные действительные значения действующих сил и
допустимые значения сил в местах силового контакта собираемых деталей друг с
другом или с элементами технологической оснастки и оборудования, возникающие в
процессе их автоматического соединения в течение времени Т.
В
процессе выполнения автоматического соединения деталей (т. е. в течение времени
Т от начала до окончания процесса соединения деталей) происходит изменение
относительного положения собираемых деталей, геометрических, жесткостных,
силовых и динамических параметров процесса сборки, что приводит к изменению
значений величин, входящих в выражения (1.20)-(1.25). Поэтому для обеспечения
автоматической собираемости деталей необходимо, чтобы условия, определяемые выражениями
(1.20)-(1.25), были выполнены на всех этапах автоматического соединения с
учетом влияния динамики протекания процесса сборки. Выявление характерных
этапов процесса автоматического соединения деталей и определение условий их
автоматической собираемости осуществляется на основе рассмотрения
последовательности автоматического соединения деталей для конкретного
сборочного механизма
Значение
суммарного смещения осей
для определенного этапа (момента) автоматического соединения
деталей зависит от значения суммарных погрешностей
данного этапа (момента), а также от занимаемого
относительного положения осей сопрягаемых поверхностей в пространстве. При
определении условий автоматической собираемости важным является определение
суммарного смешения осей
в момент первоначального контактирования собираемых
деталей друг с другом при их соединении в плоскости, перпендикулярной оси
сопряжения. Расчет суммарного смешения
будет
являться гарантированным, если он выполняется для наиболее неблагоприятного
относительного расположения осей сопрягаемых поверхностей, при котором их
смещение и перекос лежат в одной плоскости, а направление перекоса осей
приводит к росту их относительного смещения. Для упрощения расчета суммарного
смешения
целесообразно одну из координатных осей совмещать с
направлением, совпадающим с направлением большинства составляющих суммарного
смещения осей А£или превалирующих по значению погрешностей. Нел и все
составляющие суммарного смещения Д. проецируются без искажения на одну
координатную ось в плоскости, перпендикулярной оси сопряжения, то при методе
сборки с полной взаимозаменяемостью суммарное смещение
для заданного этапа (момента) соединения деталей
можно рассчитывать по формуле
(1.26)
где
Δсх -
погрешность принятой схемы относительной ориентации собираемых деталей на
позиции сборки;
Δн -
погрешность настройки ориентирующих элементов сборочного автомата;
Δф -
погрешность фиксации транспортного органа сборочного автомата;
Δав-
погрешность, вызываемая геометрическими неточностями сборочного автомата;
Δз и Δ’з- погрешности закрепления соответственно базовой и
присоединяемой деталей на сборочной позиции;
Δи -
погрешность, обусловливаемая износом ориентирующих поверхностей сборочного
автомата между двумя его поднастройками;
Δт -
погрешность, вызываемая тепловыми деформациями технологической системы СООСД
при выполнении сборки с тепловым воздействием.
Составляющие
погрешности суммарного смешения осей
,
входящие в формулу (1.26), рассматриваются в плоскости, перпендикулярной оси
сборки для заданного этапа (момента) соединения деталей. Каждая составляющая
погрешность, входящая в формулу (1.26), обычно представляет собой сумму
погрешностей нескольких звеньев технологической системы СООСД. Поэтому
построение и расчет размерных цепей технологической системы СООСД должны
осуществляться с учетом образования составляющих погрешностей суммарного
смещения осей Д1, входящих в формулу (1.26).
Погрешность
принятой схемы относительной ориентации собираемых деталей на позиции сборки
автомата Дл определяется на основе решения соответствующих размерных
цепей технологической системы СООСД без учета погрешностей
. Размерные цепи для определения погрешности Δсх
показаны на рис. 1.9. Замыкающими звеньями линейных размерных цепей А и Б
являются относительные смещения осей сопрягаемых поверхностей вала и втулки АΔ и БΔ а замыкающими звеньями угловых размерных цепей
и
являются
относительные углы перекоса этих осей
и
. Зная допуски на углы
и
, можно рассчитать погрешности
и
относительного
смешения осей сопрягаемых поверхностей собираемых деталей, вызываемых перекосом
их осей на углы ад и рд соответственно в плоскостях ZOX и
ZOY. При методе сборки с полной взаимозаменяемостью
допуски замыкающих звеньев ТАΔ и ТБΔ линейных
размерных цепей А и Б и погрешности относительного смешения осей
и
,
возникающие вследствие их перекоса, определяются по формулам:
ТАΔ =ТА1 +ТА2 +ТА3 +ТА4;
ТБΔ =ТБ1 +ТБ2 +ТБ3 + ТБ4;
(1.27)

(1.28)
где
ТА1 +ТА2 +ТА3 +ТА4 и ТБ1
+ТБ2 +ТБ3 + ТБ4- допуски на соответствующие
составляющие звенья линейных размерных цепей А и Б;
и
- погрешности относительного смещения поверхностей,
вызываемые их перекосом относительно друг друга, которые определяются допусками
на соответствующие звенья угловых размерных цепей а и Р расстояниями от центра
поворота до расчетной плоскости.
Погрешность
Δсх, для
случая, когда погрешности ΔαΔ и ΔβΔсовпадают по направлению со смещениями осей
соответственно АΔ и БΔприводят к росту их относительного смещения,
определяется из выражения
(1.29)
Погрешность
настройки Δн,
входящая в формулу (1.26), характеризует точность относительного положения
ориентирующих поверхностей базирующих элементов, используемых в качестве
установочных баз при базировании базовой и присоединяемой деталей на позиции
сборки. Погрешность Δн
проявляется в сборочных автоматах различных по конструкции. В однопозиционных
автоматах погрешность Δн имеет
постоянное значение, а в многопозиционных автоматах и автоматических
(автоматизированных) линиях ее значение изменяется для различных сборочных
позиций. Применением соответствующих средств настройки погрешность Δн ,может
быть доведена до значения 0,01-0,02мм и менее.
Погрешность
фиксации Δф
возникает в многопозиционных сборочных автоматах, снабженных поворотным столом
или шаговым конвейером, в сборочном оборудовании, оснащенном конвейерами, а
также в штампосборочных автоматах. Погрешность Δф
возникает в результате неточности изготовления делительных механизмов и наличия
зазоров в узле фиксатора. Ограничение погрешности Δф
достигается применением более точных фиксирующих устройств. В общем случае
погрешность фиксации Δф зависит
от конструкции и точности изготовления фиксирующего устройства, положения
ведомого звена и силы, действующей на фиксатор. Эта погрешность отсутствует у
однопозиционных и роторных сборочных автоматов.
Погрешность
Δав в
основном зависит от значений относительных отклонений от параллельности и
перпендикулярности установочных поверхностей сборочного автомата, на которые
монтируют базирующие элементы для установки на них базовой и присоединяемой
деталей. Погрешность Δав зависит
от геометрической точности установочных поверхностей автомата и может быть
обеспечена в пределах 0,01 - 0,02мм или меньше. Погрешности закрепления базовой
Δ3 присоединяемой
Δ’з деталей зависят от принятой схемы закрепления,
колебаний зажимных сил и жесткости собираемых деталей, направления приложения
зажимной силы, шероховатости и твердости базирующих поверхностей и других
факторов. Значения погрешностей Δзи Δ’з определяются по известным формулам или экспериментально.
Нередко погрешности Δз и Δ’з являются незначительными и ими можно пренебречь.
Погрешность
Δт
учитывает износ ориентирующих поверхностей базирующих элементов между двумя
поднастройками сборочного автомата. Во многих случаях при расчетах суммарной
погрешности погрешностью Δт можно
пренебречь ввиду ее малости.
Погрешность
Δт учитывают
только при сборке соединений с натягом с тепловым воздействием. Погрешность Δт зависит
от метода термовоздействия, конфигурации, размеров и материалов собираемых
деталей и определяется экспериментально.
Параметры процесса сборки и последовательность
автоматического соединения деталей
На условия автоматической собираемости деталей оказывают влияние
различные параметры сборочного процесса, включая параметры собираемых деталей и
средств сборки. Обоснованность расчета автоматической собираемости деталей
зависит от правильности выявления и определения влияния всех основных
размерных, точностных, геометрических, кинематических, жесткостных, силовых и
динамических параметров сборочного процесса. При этом такой расчет должен
выполняться для конкретных собираемых деталей и средств сборки, а также
конкретного метода и способа сборки на основе изучения последовательности
протекания процесса сборки и проведения расчета условий автоматической
собираемости для всех этапов сборки от начала до окончания процесса
автоматического соединения деталей. Состав параметров, влияющих на
автоматическую собираемость деталей, характеризуется параметрами, которые
определяют значения величин, входящих в выражения (1.20)-(1.25), применительно
к решению поставленной технологической задачи, т.е. для конкретных собираемых
деталей, средств сборки, схем действующих сил и т. п.
В процессе выполнения автоматического соединения происходит изменение
значений Δ∑(Т) и ε(Т). вследствие изменения относительного
положения собираемых деталей и параметров сборочного процесса. Допустимое
относительное смещение осей ε(Т)характеризует технологические
возможности применяемого средства автоматизации сборки заданных деталей.
Значение ε(Т) определяется параметрами собираемых деталей и средств автоматизации
сборки, которые могут изменяться в течение времени Т от начала до окончания
процесса автоматического соединения деталей. При этом состав параметров,
влияющих на величину ε(Т), зависит от конструкции собираемых
деталей и применяемого средства автоматизации сборки, а также режимов
сборочного процесса. При использовании исполнительных (сборочных) механизмов
(рис. 1.10) для автоматической сборки цилиндрических соединений базирование
втулки (присоединяемой детали) осуществляется в призме по наружной поверхности
(рис. 1.10,а) и на ловителе по внутренней поверхности (рис. 1.10,а). К
параметрам собираемых деталей (вала и втулки) и данных сборочных механизмов,
оказывающих влияние на величину допустимого относительного смещения осей
сопрягаемых поверхностей собираемых деталей е в плоскости, перпендикулярной их
оси сопряжения, можно отнести (рис. 1.10): диаметральный минимальный зазор в
соединении собираемых деталей; максимальный диаметральный зазор в соединении
присоединяемая деталь-ловитель; форму фасок базовой и присоединяемой деталей;
минимальные углы наклона и размеры направляющих фасок базовой и присоединяемой
деталей; диаметр сопряжения; механические свойства материала базовой и
присоединяемой деталей; расстояние li между началом сопрягаемой поверхности базовой детали и началом
ориентирующей поверхности базирующего устройства присоединяемой детали;
расстояние между торцами присоединяемой детали и толкателя; длину присоединяемой
детали; параметры шероховатости сопрягаемых поверхностей базовой и
присоединяемой деталей; угол перекоса ориентирующих поверхностей базирующих
устройств базовой и присоединяемой деталей; угол наклона оси сопряжения
(сборки) к горизонтальной плоскости; жесткость технологических систем
присоединяемая деталь - базирующее устройство - оборудование и базовая деталь -
базирующее устройство - оборудование соответственно; силу сборки ; скорость
сборки; силы прижима базовой, и присоединяемой деталей к ориентирующим
поверхностям базирующих устройств.
При сборке цилиндрических соединений с натягом к параметру, оказывающему
влияние на размер допустимого смешения осей s, относится также максимальный диаметральный натяг в
соединении.
Рисунок 1.10. Схемы сборочных позиций с механизмом без ловителя (а) и с
ловителем (б): I - вал (базовая деталь); 2 - призма; 3 - втулка (присоединяемая
деталь); 4 - толкатель; 5 - ловитель; б - установочная призма
При автоматической сборке резьбовых соединений на размер допустимого
смешения осей в оказывают также влияние такие параметры: размеры наружного,
среднего и внутреннего диаметров наружной и внутренней резьбы; шаг, угол и
форма профиля резьбы; углы наклона сторон профиля; вращающий момент (момент на
ключе); форма и размеры направляющих элементов на деталях и др.
Правильный расчет условий автоматической собираемости деталей основан на
изучении физической сущности протекания процесса автоматического соединения деталей
с целью выявления основных его закономерностей и определения условий
автоматической собираемости деталей на основных этапах от начала до окончания
процесса автоматического соединения деталей. Это позволяет объективно учитывать
влияние размерных, точностных, геометрических, кинематических, жесткостных,
силовых и динамических параметров на условия автоматической собираемости и
выявить этапы (моменты) автоматического соединения деталей, на которых
обеспечиваются наихудшие условия собираемости, и правильно учесть это при
проектировании процессов и средств автоматической сборки. Такой подход к
решению этой задачи создает необходимые условия для оптимизации процессов и
средств автоматической сборки и обеспечивает создание высокоэффективного и
надежного автоматического сборочного оборудования.
Для изучения физической сущности протекания процесса автоматического
соединения деталей рассмотрим последовательность соединения цилиндрических
деталей (втулки с валом) после подачи их на позицию сборочного автомата. В начале
цикла автоматического соединения (рис. 1.11,а)толкатель 3, приводимый в
действие от штока пневмоцилиндра, движется вдоль своей оси в направлении
неподвижно установленной на призме 4 втулки 2 . В момент контактирования торцов
движущегося толкателя и неподвижной втулки (положение I) происходит удар, в
результате которого скорость втулки скачкообразно изменяется от нуля до
какой-то конечной величины (рис. 1.11,б). Значение скорости втулки и ее
положение после удара (положение II)
зависят от значения и точки приложения ударного импульса S, значения коэффициента упругости k системы втулка-призма-толкатель и от
других факторов.
Рисунок 1.11. Схема начала процесса автоматического соединения деталей: а
- исходное положение; 6 - момент контактирования толкателя и втулки; в -
заклинивание по торцевым поверхностям
В реальных условиях на сборочных позициях автоматов приходится
сталкиваться с наличием погрешностей отклонения торцов втулки от
перпендикулярности к своей оси, относительной не параллельности ориентирующих
поверхностей призмы 4 и оси толкателя 3 и т. п. В зависимости от значения и
направления этих погрешностей приложение ударного импульса S по торцу втулки будет непостоянно.
Здесь приходится сталкиваться со случаем нецентрального удара, под действием
которого втулка перемешается по определенной траектории, отклоняясь от своей
первоначальной оси на величину возникающей инерционной погрешности Δп, связанной с ее перемешенном на этапе до момента
контактирования ее с валом. Рассматривая случай, когда ударный импульс S приложен в точке А (рис. 1.11,б) и
используя теорему об изменении количества движения при ударе, при котором
учитываются только импульсы мгновенных сил, можно записать:
;
(1.31)
где
m - масса втулки;
J0- момент инерции массы втулки относительно центра
тяжести О;
ω - угловая скорость вращения втулки вокруг точки О;
Dh- диаметр наружной поверхности втулки.
Значение
ударного импульса S в значительной степени зависит от скорости движущейся
системы в момент удара, от ее массы, а также от значения коэффициента упругости
k. Аналитическое определение погрешности Δп не
представляется возможным ввиду неопределенности точки приложения ударного
импульса S и значения коэффициента упругости к. Поэтому
определение погрешности Δп можно
осуществлять экспериментальным методом. При проектировании автоматического
сборочного оборудования в большинстве случаев важным является не определение
значения погрешности Δп, а
ограничение ее до минимума.
При
дальнейшем перемещении втулки толкателем вдоль оси она контактирует с валом и
при 0,5δс< Δ∑<ε начинается относительное скольжение деталей по их
направляющим фаскам в сторону компенсации суммарного относительного смещения
осей Δ∑.
Если же в момент контактирования собираемых деталей Δ∑
будет больше допустимого относительного смешения осей е, то произойдет заклинивание деталей по их торцовым
поверхностям (рис. 1.11,в). В периоды относительного скольжения втулки и вала
по поверхностям их направляющих фасок и сопрягаемым поверхностям происходит
дальнейшая компенсация Дт до допустимых пределов. Для обеспечения процесса автоматического
соединения деталей Δ∑
должно быть меньше е, в противном
случае произойдет заклинивание втулки на валу. Условия осуществления
автоматического соединения деталей после их контактирования друг с другом
зависят от параметров сопрягаемых деталей и применяемого средства автоматизации
сборки, а также пространственного относительного положения осей сопрягаемых
поверхностей собираемых деталей на позиции сборки. При этом к возможным случаям
пространственного относительного положения осей сопрягаемых поверхностей на
позиции сборки относятся случаи, когда ось базовой детали расположена выше или
ниже оси присоединяемой детали, ось базовой детали смешена относительно оси
присоединяемой детали в горизонтальной плоскости, оси базовой и присоединяемой
деталей смешены и перекошены в двух координатных плоскостях и т. п.
В
некоторых случаях компенсация погрешности смещения осей сопрягаемых деталей
должна быть произведена до момента контактирования деталей по сопрягаемым
поверхностям, что позволяет предотвратить возможные повреждения сопрягаемых
поверхностей.
Вышесказанное
показывает важность изучения и анализа физической сущности процесса
автоматической сборки с целью выявления и расчета условий автоматической
собираемости деталей для наиболее неблагоприятных случаев пространственного
относительного положения осей сопрягаемых поверхностей и этапов автоматического
соединения деталей и с целью обеспечения гарантированной надежности процессов
автоматической сборки.
На
основании изучения физической сущности протекания процессов автоматической
сборки целесообразно процесс автоматического соединения деталей (с момента
подачи их на сборочную позицию до окончания выполнения соединения) разбить
условно на три характерных этапа (рис. 1.12).
Рисунок
1.12. Этапы процесса автоматического соединения деталей
Первый
этап автоматического соединения (рис. 1.12,а)начинается с момента
контактирования торцов толкателя с присоединяемой деталью (положение 1) или
захвата ее захватным органом и заканчивается в момент контактирования
собираемых деталей друг с другом (положение 11). Данный этап характеризуется
перемещением присоединяемой детали толкателем или захватом и возможным
образованием дополнительных инерционных погрешностей Δин
относительной ориентации собираемых деталей, связанных с перемещением
присоединяемой детали до момента контактирования ее с базовой деталью.
Второй
этап автоматического соединения - период наживления (рис. 1.12,б)- начинается с
момента контактирования собираемых деталей друг с другом (положение I) и
заканчивается, когда относительное скольжение деталей по поверхностям их
направляющих элементов (фаски, уступы, расточки, конусы и т.п.) прекращается
(положение II). Этот этап характеризуется процессом соединения (относительного
скольжения) собираемых деталей по поверхности их направляющих элементов и
относительно быстрой компенсацией суммарного относительного смещения осей
сопрягаемых поверхностей до допустимых пределов.
Третий
этап автоматического соединения (рис. 1.12,в)начинается с момента начала
относительного скольжения собираемых деталей по сопрягаемым поверхностям
(положение 1) и заканчивается в момент окончания выполнения соединения
(положение II). Данный этап характеризуется процессом непосредственного
соединения (относительного скольжения) собираемых деталей по сопрягаемым
поверхностям и дальнейшей компенсацией
до
допустимых пределов. При автоматическом соединении деталей без направляющих
элементов период наживления отсутствует. В этом случае процесс соединения
деталей будет состоять из двух этапов, условия автоматической собираемости на
которых будут соответствовать условиям собираемости на первом и третьем этапах
соединения деталей с направляющими элементами.
Разбивка
процесса автоматического соединения деталей условно на этапы позволяет
дифференцировать изучение процесса соединения деталей с целью выявления
определяющих этапов и моментов соединения для расчета условий автоматической
собираемости деталей.
Классификация сборочного оборудования
Классификация сборочного оборудования заключается в следующем.
. По составу:
однопозиционные сборочные станки;
много позиционные сборочные станки;
роботы;
манипуляторы;
прочее оборудование.
. По назначению:
оборудование для выполнения только сборочных операций;
оборудование для одновременного выполнения сборочных и вспомогательных
операций (комбинированное оборудование).
. По типу управления:
оборудование с централизованным управлением;
оборудование с децентрализованным управлением;
оборудование с комбинированным управлением.
. По числу позиций:
одно позиционное оборудование. Сборка осуществляется только на одной
позиции, при этом базовая деталь не перемещается относительно исполнительных
механизмов оборудования.
многопозиционное оборудование. Данное оборудование имеет транспортные
устройства, осуществляющие межоперационное перемещение собираемого объекта.
Многопозиционное оборудование разбивается на группы согласно схеме,
представленной на рисунке 3.21.
Рисунок 3.21. Классификация многопозиционного сборочного оборудования
В многопозиционном оборудовании дискретного действия все технологические
операции выполняются во время остановки транспортного устройства, а в много
позиционном оборудовании непрерывного действия - без остановки транспортного
устройства, т.е. в процессе движения собираемого объекта. В оборудовании
комбинированного действия технологические операции выполняются во время
остановки и в процессе движения собираемого объекта.
По конструкции многопозиционное сборочное оборудование дискретного
действия делится на оборудование линейной компоновки, с поворотными столами и
оборудование других видов компоновок. На оборудовании линейной компоновки
технологические операции выполняются при перемещении собираемого объекта по
прямой линии. Оборудование с поворотными столами делят на оборудование со
столами карусельного типа, расположенными в горизонтальной плоскости, и
оборудование со столами барабанного типа (барабанами или дисками),
расположенными в вертикальной плоскости. Столы первого типа поворачиваются
относительно вертикальной оси, вторые - относительно горизонтальной оси.
Многопозиционное сборочное оборудование непрерывного действия по
конструкции разделяют на роторное, цепное и многоярусное. Роторное оборудование
имеет рабочие роторы с соответствующими инструментальными блоками и
транспортные роторы, которые выполняют функции приема деталей из загрузочных
устройств и передачи их в рабочие роторы или просто передачу деталей (сборочных
единиц) от одного рабочего ротора к другому. Цепное оборудование отличается от
ро торного тем, что его рабочие органы монтируют в основном на цепях, натянутых
на ведущие и натяжные звездочки. Перемешаются рабочие органы не по круговой, а
по овальной зигзагообразной или спиральной траектории. В многоярусном
оборудовании на одном рабочем роторе может выполняться не одна, а несколько
сборочных и контрольных операций.
. По степени специализации:
специальное оборудование - предназначено для выполнения определенной
технологической оп фации;
специализированное оборудование - предназначено для выполнения
технологических операций одного вида;
универсальное оборудование - предназначено для выполнения различных видов
технологических операций.
. По числу одновременно собираемых изделий:
одно предметное оборудование - сборка изделий только одной конструкции;
много предметное оборудование - для одновременной сборки изделий
различных конструкций.
. По степени совмещения сборочных операций:
оборудование последовательного действия. В этом оборудовании каждая
последующая технологическая операция выполняется после окончания предыдущей
операции;
оборудование параллельного действия. Здесь одни и те же операции
выполняются одновременно;
оборудование последовательно - параллельного действия.
. По степени переналадки:
переналаживаемые;
непереналаживаемые.
. По степени механизации и автоматизации:
ручного действия;
механизировано-ручное;
автоматизированно-ручное;
механизированное;
автоматизированное;
автоматические.
Особенности автоматизации сборочных работ
В
промышленности робот манипулятор <#"653779.files/image045.gif">
Рисунок 1. Бак с конвейерным устройством 1-конвейер; 2-загрузочный лоток;
3-нагревательное устройство; 4-устройство для перемешивания раствора
Рисунок 2. Однокамерная моечная машина 1-изделие; 2-конвейер; 3-рольганг;
4-электродвигатель; 5-насос; 6-отстойник с фильтром
Основные слесарно-сборочные работы
Обрубка
Обработка канавок
Опиливание
Шабрение поверхности
Притирка
Полирование
Сверление отверстий
Для облегчения выполнения этих работ применяют такие средства
механизации, как рубильные молотки, шлифовальные машинки, фрезерные переносные
головки, машины с абразивными кругами, ручные шабровочные, притирочные и
полировальные.
Для приведения в действие механизированного инструмента используют
следующие типы двигателей: электрические, пневматические, гидравлические,
двигатели внутреннего сгорания, пороховые заряды.
Принято делить механизированный инструмент на семь групп:
Сверлильные электрические ручные машины, в которых инструмент (сверло,
зенкер, развёртка) крепятся в зажимной патрон. Эти машины оснащены
спецнасадками для зачистки сварных швов, резки тонкого материала, шлифования,
распиливания и фрезерования.
Машины для шлифования, полирования, притирки и зачистки. Инструмент
применяют как цилиндрический, так и плоский, например, плоские шлифовальные
круги и абразивную шкурку на специальной мягкой оправке. Для зачистки деталей
используют металлические щётки и крупнозернистую абразивную шкурку. Эта группа
машин оснащена пылеотсасывающими приспособлениями .
Резьбозавёртывающие машины для сборки различных разъёмных соединений.
Свои названия машины этой группы получили по виду крепёжных деталей:
гайковёрты, шуруповёрты, шпильковёрты, муфтовёрты.
Механизированные молотки, т.е. машины ударного действия (капельные,
зачистные, рубильные). Эти машины производят такие работы как очистка (окалины
с деталей). Для этих целей используют пучковый молоток, инструмент которого -
пучок стальных закалённых стержней.
Фрезерные машины для образования пазов, гнёзд, углублений, площадок под
крепёжные или сопряжённые детали. Инструмент - пальцевые концевые фрезы,
долбяки, шаберы, напильники.
Средства для резки заготовок из листового материала. Инструмент -
различной конструкции ножницы (ножевые, вырубные, дисковые и рычажные).
Пилы для резания металлического проката, арматуры, труб. Инструменты
различают по виду: пилы дисковые, цепные; лобзики; ножовки.
Принцип работы инструмента применяемого при сборке
Механизацию соединения резьбовых деталей осуществляют применением
механизированных отвёрток, гайковёртов, самодействующих головок с электро- и
пневмоприводном. Время на сборку соединения сокращается на 30-40 %. Применяют
механизированные отвертки с двигателем, передающим вращение отвёртки при помощи
гибкого вала (рис. 3, а). Для ввёртывания винтов используют отвёртки с
двигателем, встроенным в корпус (рис. 3, б), где 1 - двигатель; 2 -
предохранительная муфта; 3 - гайка; 4 - головка для закрепления отвёрток; 5 -
отвёртка .
Рисунок 3. Механизированные отвёртки
Для подготовительных операций, таких, как зачистка сварных швов, снятие
заусенцев, и для шлифовальных работ часто применяют шлифовальную машину с
пневмоприводном (рис. 4)
Рисунок 4. Пневматическая шлифовальная машина
Машина имеет рукоятки 1 и 11. Рабочая камера находится между крышками 4 и
6 и внутренней поверхностью статора 14. В камере помещён ротор 7. На конце вала
ротора за подшипником 8 крепиться абразивный круг 9, армированный стеклосеткой.
Круг для безопасности работы закрыт щитком 10
Сжатый воздух подают по трубопроводу в камеру через штуцер 15 в рукоятке
1. При нажатии на вороток 2 поворачивается запорная пробка 3, и сжатый воздух
поступает в рабочую камеру. Воздух в камере совершает работу на лопатках 13
ротора и вращает его. Вращение ротора передаётся непосредственно рабочему
инструменту - абразивному кругу 9. Отработанный воздух выходит из камеры через
выхлопные окна на статоре, попадает на кожух 12 и далее через глушитель 5 в
атмосферу. Окна на цилиндре статора размещены неравномерно по окружности,
поэтому уровень шума работы машины в этом случае меньше
Примером использования средств механизации с электродвигателем и
редуктором может служить универсальная электродрель, составные части которой
показаны на рис.5,а.
Рисунок 5. Устройство универсальной электродрели
Питание электродвигателя (рис. 5, б) осуществляется от сети переменного
тока напряжением 220 В. Патрон позволяет крепить инструмент (сверло) диаметром
до 10 мм. Машина имеет защиту от поражения электрическим током, все её части,
находящиеся под напряжением, имеют двойную изоляцию и не нуждаются в заземлении
[1, с. 47].
Для захвата резьбовых крепёжных деталей используют пружинные, магнитные
или вакуумные приспособления (рис. 6)
Рисунок 6. Механизированные захватные приспособления
а - пружинного типа; б - магнитного типа
Пружинный наконечник захвата (рис. 6, а) состоит из корпуса 2, в который
входит инструмент (отвёртка) 3 и пружина 4.При нажатии на головку винта 1
пружина захватывает головку и удерживает её. Отвёртки могут применяться обычные
и крестовые
Магнитный наконечник захвата винтов 1 с крестообразным шлицем (рис. 6, б)
состоит из немагнитного корпуса 2, в который входит магнитный стержень 3. В
шестигранное отверстие корпуса вставляется рабочий наконечник 5, который
притягивается магнитным стержнем. При длительном выполнении одной и той же
операции наконечник 5 стопорят дополнительно разрезным пружинным кольцом 4.
Для механизации крепления деталей винтами небольшого диаметра применяют
вакуумные захваты. Повышают производительность труда устройства для
автоматической подачи крепёжных деталей под наконечник при сборке на ручных
машинах. Эти устройства могут быть бункерными и магазинными, они особенно
необходимы при механизации в приборостроении, где используют крепёжные детали
небольших размеров.
Детали сборочных единиц закрепляют с помощью универсальных приспособлений
- плит, струбцин, угольником, призм и тисков. Применяют на рабочих машинах
различные приспособления на инструмент, такие, как насадки и приспособления для
высверливания заклёпок при ремонте узлов, ключи и патроны, которые захватывают
шпильки при завёртывании
Заключение
Автоматизация сборочных процессов в машиностроении и приборостроении
имеет важнейшее значение, так как очень велика их трудоемкость.
Дальнейшим развитием механизации сборочных процессов является их
автоматизация, которая с успехом может быть применена не только в массовом, но
и в серийном производстве. Автоматизация сборочных процессов позволяет
рассчитывать на повышение производительности труда в 3 - 15 раз. Помимо тех
технологических требований, которые предъявляются к конструкции механизацией
сборочных процессов, возможность автоматизации обусловливается строгой
координацией при сборке сопрягаемых поверхностей и, следовательно,
соответствующим конструктивным решением относительно сборочных баз.
Автоматизация сборочных процессов в машиностроении и приборостроении
имеет важнейшее значение, так как очень велика их трудоемкость.
Поэтому одним из главных направлений совершенствования процессов сборки
является комплексная механизация и автоматизация основных и вспомогательных
операций. Уровень механизации и автоматизации сборочных процессов определяют
многие факторы - сложность механизации и автоматизации сборочных элементов
процесса, накопленный опыт, экономическая эффективность и главным образом
мощность предприятия.
Тем не менее при автоматизации сборочных процессов возникают технические
трудности, связанные с подачей деталей к месту сборки, их ориентацией,
установкой и фиксацией, а также изысканием рациональных методов компенсации
нестабильности размеров и веса деталей, участвующих в сборке. Необходимость
осуществления комплекса вспомогательных движений в производстве в условиях
ограниченности зоны сборки является причиной значительного усложнения схем,
конструкций, а в связи с этим и стоимости сборочных автоматов. Затруднения
часто возникают также при переходе от ручной сборки к автоматической без
внесения в конструкцию изделия соответствующих изменений.
Конструкторы и технологи нередко упускают из вида, что требования к
технологичности при ручной и автоматической сборках различны. В частности,
важнейшим условием успешного развития автоматизации сборки является обеспечение
взаимозаменяемости и стабильности размеров и узлов.
Тем не менее при автоматизации сборочных процессов часто возникают
большие трудности, прежде всего связанные с подачей деталей, их точным
направлением, установкой и фиксацией. Операции сборки значительно проще многих
операций механической обработки. Тем не менее при автоматизации сборочных
процессов встречаются трудности, связанные с организацией, подачей деталей, их
точным направлением, установкой, фиксацией и транспортировкой. Поэтому переход
от ручной к автоматической сборке связан с большими трудностями как
технологического, так и конструктивного характера.
Список используемой литературы
1. Ласуков
А.А.Автоматизация сборки в машиностроении: учебное пособие / А.А. Ласуков;
Юргинский технологический институт. - Томск: Изд-во Томского политехнического
университета. 2010- 176 с.ISBN
978-5-98298-601-6
. Основы
автоматизации машиностроительного производства: Учеб. для машиностроит. cпец. вузов/Е.Р. Ковальчук, М.Г. Косов,
В.Г. Митрофанов и др.; Под ред.Ю.М. Соломенцева. - 2-е изд., испр. - М.: Высш.
шк.,1999. - 312 с.:
. Особенности
автоматизации сборочных работ. wwwtdbutovo.ru/2010-2012
. Рубцов
А.А., Воронин Ю.В. - Механизация и автоматизация производства: Учебное пособие
для профессионально-технических училищ. - М.: Машиностроение. 1987. - 192 с.:
ил. 147. Технические средства автоматизации : учебник для студ.высш. учеб.
заведений / Б. В. Шандров, А. Д. Чудаков. - М. :Издательский центр «Академия»,
2007. - 368 с.
. Технические
средства автоматизации : учебник для студ.высш. учеб. заведений / Б. В.
Шандров, А. Д. Чудаков. - М. :Издательский центр «Академия», 2007. - 368 с.
. Технология
машиностроения. www.technologysmash.ru/ 2008-2010