Резьбозавертывающим устройством послужит
вертикально-сверлильный станок 2Н135, в шпинделе которого вместо сверла
установлена болто-завертывающая головка.
Головка обеспечивает завертывание деталей на определенную
глубину. Шпиндель с инструментом, получая вращение от привода главного движения
и вместе с пинолью осевое перемещение от привода подачи, осуществляет
завертывание детали. При завертывании детали на определенную глубину муфта
предельного крутящего момента остается включенной, окончание хода шпинделя и
пиноли регулируется регулируемым упором, по достижении которого шпиндель и
пиноль автоматически возвращаются в исходное верхнее положение. Пиноль и
шпиндель имеют постоянный ход, поэтому при изменении глубины завертывания
корпус головки следует выставить на нужный размер по высоте при помощи
установочного механизма. Таким образом обеспечим контроль размера L1-S.
Станок 2Н135 необходимо модернизировать, т.е. установить
пневмоцилиндр, который будет осуществлять подъем и опускание шпинделя на
определенную высоту по команде с управляющего устройства робота.
3.
Разработка структурной схемы РТК
На рис. 3.1 показана структурная схема РТК.
Рисунок 3.1 - Схема РТК
- Вибробункер УСБ3 №1 (для болтов)
- Вибробункер УСБ3 №2 (для планок)
- Робот МП-9С
- Питатель для планок
1 - Стол сборочного места
6-Устройства ЭЦПУ-6030
- Тара для брака
- Тара для годных сборочных единиц
4
Проектирование периферийного оборудования
.1 Загрузочно-ориентирующие устройства для
собираемых деталей
Ориентирование болтов
Необходимо, чтобы при выходе на позицию схвата робота, болт
был расположен вертикально, головкой вверх: для ориентирования болтов в
захвато-ориентирующей дорожке необходимо предусмотреть вырез. Попадая
цилиндрической частью в этот вырез болт будет ориентироваться нужным образом
или падать на дно бункера. Принимаем ширину лотка - 12 мм.
Необходимо, также, обеспечить возможность захвата болта
схватом робота за цилиндрическую часть, а не за головку болта, с целью
обеспечения возможности завинчивания болта болтозавёртывающей головкой без
разжима схвата робота.
Для решения этой задачи, используем следующую конструкцию
лотка на позиции схвата робота (рисунок 4.1.2).
D1 - датчик, определяющий наличие болта на позиции.
Ориентирование планок
Необходимо обеспечить возможность захвата планки схватам робота
в нужном положении для этого используем пневматический рычажный питатель
(рисунок 4.1.3 и 4.1.4).

Рисунок 4.1.3 - Пневматический рычажный питатель


4.2 Контроль деталей и сборочных единиц
Контроль наличия болта на выходе из лотка
загрузочного устройства
Для контроля данного параметра предусматриваем установку
контактного конечного выключателя (рисунок 4.1.2) D1.
Наличие планки на выходе из лотка загрузочного
устройства
Предусматриваем установку контактного конечного выключателя D3 (рисунок 4.1.5).
Контроль наличия планки на месте сборки
Обеспечивается за счет установки, в сборочно-фиксирующее
приспособление для планки, контактного выключателя D2. Схема установки
аналогична схеме установки датчика D3.
Контроль правильного завинчивания болта в планку
(отсутствие брака)
Для контроля данного параметра, предусматриваем установку в
корпусе сборочно-фиксирующего приспособления для втулки соосно с резьбовым
отверстием на уровне нижней горизонтальной плоскости планки, при ее установке
на позиции сборки, контактного выключателя команды «Переход». Датчик
срабатывает при завинчивании болта на глубину 5 мм, т.е. указывает на
отсутствие брака.
4.3
Схват промышленого робота
Разжим и схват пальцев происходит горизонтальной плоскости.
Рисунок 4.3.1 - Схват для ПР МП-9С
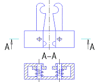
.4 Сборочный инструмент
Сверлильный станок 2Н135 необходимо модернизировать для
возможности автоматического подъема и опускания шпинделя на определенную высоту
и в определенное время, т.е. ТКВ-1 - опускание шпинделя, ТКВ-3 - подъем
шпинделя. Для этой цели предусматриваем использование пневмоцилиндра с
возвратно-поступательным движением штока.
На конце шпинделя предусматриваем возможность закрепления
болтозавертывающей головки.
Рисунок 4.4.1 - Эскиз болтозавёртывающей головки
-Резьбозавёртывающая головка;
-Ключ
5. Алгоритм работы РТК и программа контроля
Алгоритм разрабатываем исходя из количества степеней подвижности
роботов МП-9С и возможностей устройства управления ЭЦПУ - 6030.
.1 Блок-схема ПР МП-9С
5.2
Программа работы РТК
Таблица 4.5.1 - Программы для РТК
|
№ шага
|
1 ПР
|
|
Верхнее поле
|
Нижнее поле
|
|
0 1 2 3 4 5 6 7
8 9 10 11 12 13 14 15 16 17 18 19
|
3 7 0 0 4 1 8 9
9 2 0 0 0 9 3 0 2 4 0 0
|
0 0 5 1 0 0 0 1
8 0 6 2 0 2 0 6 0 0 2 0
|
6.
Электросхема соединений
Обозначения:
А1, А2 - устройства управления роботов ЭЦПУ - 6030;
А3 - периферийное оборудование;
Х7 - разъемы устройства управления ЭЦПУ-6030;
Х14, Х15 - разъемы периферийного оборудования.
Таблица 5.1 - Электросхема соединения устройства управления
робота А1
|
Х7
|
|
Цепь
|
Конт.
|
Адрес
|
|
-24 В +24 В ТК1
ТК2 Переход Опрос датчика 1 Опрос датчика 2
|
1 8 21 22 19 10
11
|
А2 - Х14:1 А2 -
Х14:2 А2 - Х14:3 А2 - Х14:4 А2 - Х14:5 А2 - Х14:6 А2 - Х14:7
|
Таблица 5.2 - Электросхема соединения периферийного
оборудования робота А3
|
Х14
|
|
Цепь
|
Конт.
|
Адрес
|
|
Датчики
Электромагниты Электромагнит ТК1 Электромагнит ТК2 Датчик перехода Датчик
опроса 1 Датчик опроса 2
|
1 2 3 4 5 6 7
|
А1 - Х7:1 А1 -
Х7:8 А1 - Х7:21 А1 - Х7:22 А1 - Х7:19 А1 - Х7:10 А1 - Х7:11
|
Заключение
За последние годы в области автоматизации производства и
проектирования промышленной продукции наиболее развитых стран мира получило
широкое распространение понятие гибкости.
Для обеспечения технико-экономической эффективности
производств такого типа требуются методы, средства и организационные
мероприятия, обеспечивающие быструю, оперативную перестройку на новый вид
продукции основных технологических, сборочных, транспортных, вспомогательных
операций, процессов складирования материалов, комплектующих, полуфабрикатов,
конечной продукции и процессов подготовки производства.
Для получения законченного цикла изготовления любого изделия
в гибком автоматизированном производстве необходимо автоматизировать процесс
сборки изделия. В этом случае гибкость обеспечивают промышленные роботы.
Структура сборочной операции определяется составляющими
переходами: подача и ориентация, входной контроль, взаимная ориентация,
сопряжение, относительная ориентация, контроль относительного расположения или
сборочного процесса, закрепление деталей, контроль закрепления, съем или
перемещение сборочной единицы.
Такое разнообразие переходов обуславливает при автоматизации
сборки даже самой простой сборочной единицы создание комплекса сложных
устройств, которые разрабатываются и применяются в различных отраслях
машиностроения.
При использовании промышленных роботов решение этих вопросов
упрощается, т.к. многие функции берут на себя роботы.
В данной курсовой работе был разработан роботизированный
технологический процесс для сборки болта со планкой, выбрано технологическое
оборудование, разработана схема РТК, спроектированы загрузочно-ориентирующие
устройства для собираемых деталей, схваты промышленных роботов, механизмы
контроля, а также сборочный инструмент, производящий завинчивание болта в
планку. Составлен алгоритм работы РТК и программы контроля, а также
электросхема соединений.
Автоматизация
сборочных процессов является перспективным направлением для сборочных
технологий. Автоматизация призвана освободить человека от монотонной и опасной
работы в экстремальных условиях, оставив ему только функции наладчика и
наблюдателя и значит повысить производительность сборки.
Список литературы
автоматический технологический робот загрузочный
1.
Разработка
технического предложения на роботизированный технологический комплекс для
сборки изделий. Курсовая работа по дисциплине «Автоматизация производственных
процессов машиностроения»: Методические указания / Сост.: Л.А. Вахрин, А.В.
Оборин, К.А. Украженко, Ю.А. Тяпкин, С.В. Киселев, А.Н. Волков; Яросл. гос.
техн. ун-т. - Ярославль, 2004. - 98 с.
2.
Козырев
Ю.Г. Промышленные роботы: Справочник / Ю.Г. Козырев. - М.: Машиностроение,
1983. - 373 с.
3.
Челпанов
Н.Б. Схваты промышленных роботов / Н.Б. Челпанов, С.Н. Колпашников. - Л.:
Машиностроение, 1989. - 297 с.
4.
Вахрин
Л.А. Алгоритмы и организация управления РТК на базе роботов с цикловым
управлением: Метод указания для выполнения курсовой работы / Л.А. Вахрин, И.Н.
Кульков, В.К. Мясников. - Ярославль: ФИПК Минавтопрма, 1989. - 51 с.