Автоматизация поддержания параметров микроклимата в животноводческом помещении
МИНИСТЕРСТВО СЕЛЬСКОГО ХОЗЯЙСТВА И
ПРОДОВОЛЬСТВИЯ РЕСПУБЛИКИ БЕЛАРУСЬ
УЧРЕЖДЕНИЕ ОБРАЗОВАНИЯ
«БЕЛОРУССКИЙ ГОСУДАРСТВЕННЫЙ АГРАРНЫЙ
ТЕХНИЧЕСКИЙ УНИВЕРСИТЕТ»
Агроэнергетический факультет
Кафедра АСУП
Курсовой проект
По дисциплине «Автоматизация технологических
процессов в сельскохозяйственном производстве»
Вариант 42
Тема: «Автоматизация поддержания
параметров микроклимата в животноводческом помещении»
Разработал:
Карпович О.А.
Минск 2013
Содержание
1. Описание работы
технологической линии
. Анализ вариантов управления
и существующего объема автоматизации технологической линии
. Техническое задание
(требования к схеме управления)
. Разработка алгоритма
управления оборудованием технологической линии
. Разработка структуры
управления в автоматическом режиме работы оборудования
. Выбор средств автоматизации
.1 Выбор датчиков
.2 Выбор реле времени
.3 Расчет параметров
потребителей
.4 Выбор аппаратуры и средств
защиты
.5 Выбор магнитных пускателей
.6 Выбор тепловых реле
.7 Выбор сигнальной арматуры
.8 Выбор кнопок управления
.9 Выбор исполнительных
устройств
. Разработка полной
принципиальной электрической схемы
. Описание работы полной
принципиальной электрической схемы
. Разработка щита автоматики
Выводы
Литература
Введение
Автоматизация технологических процессов является одним из решающих
факторов повышения производительности и улучшения условий труда. Все
существующие и строящиеся промышленные объекты в той или иной степени
оснащаются средствами автоматизации.
Экономическая эффективность интенсивного ведения животноводства на
промышленной основе зависит от рационального содержания животных, которое в
значительной мере определяется наличием оптимального микроклимата в помещениях.
Какими бы высокими породными и племенными качествами ни обладали животные, без
создания необходимых условий микроклимата они не в состоянии сохранить здоровье
и проявить свои потенциальные производительные способности, обусловленные
наследственностью. Влияние микроклимата проявляется через суммарное воздействие
его параметров на физиологическое состояние, теплообмен, здоровье и
продуктивность животных.
Состояние микроклимата закрытых животноводческих помещений определяет
комплекс физических факторов (температура, влажность, движение воздуха,
солнечная радиация, атмосферное давление, освещение и ионизация), газовый
состав воздуха (кислород, углекислый газ, аммиак, сероводород и др.) и
механические примеси (пыль и микроорганизмы). Формирование микроклимата в
помещениях для животных зависит от ряда условий: местного климата, термического
и влажностного состояния ограждающих конструкций здания, уровня воздухообмена
или вентиляции, отопления, канализации и освещения, а также от степени
теплопродукции животных, плотности их размещения, технологии содержания,
распорядка дня и пр.
1. Описание работы технологической линии
ОВС включает калорифер, радиальный (центробежный) вентилятор,
магистральный воздуховод и воздуховоды равномерной раздачи воздуха, выходные
отверстия которых оборудованы жалюзийными решетками.
Воздухообмены в помещении МТФ определены для холодного, переходного и
теплого периодов на основании тепло- и влаговыделений коровами в зависимости от
внутренней температуры помещения.
Отопление помещения - воздушное от приточных систем П1 и ГО.
Отопительно-вентиляционная установка П1 представлена тепловентилятором
типа ТВ-9, в комплект которого входит: вентилятор центробежный с двухсторонним
всасыванием воздуха, водяной, биметаллический калорифер КСк4/8 со
спиральнонакатным оребрением и жалюзийный блок.
Рисунок 1 - Технологическая схема воздухозабора
(Рн1,Рн2 - 1,1 кВт, Рн4 - 2,2 кВт, Рн3 - 7,5 кВт)
Тепловентилятор ТВ-9 укомплектован двухскоростными электродвигателями,
управление подачей воздуха обеспечивается переключением электродвигателя с
одной скорости на другую и изменением угла открытия жалюзи.
Отопительно-вентиляционная установка П2 представлена вентиляторным
агрегатом типа А2.5 105-1, состоящим из вентилятора центробежного ВЦЦ-70 и
электродвигателя 4А56А4; пластинчатым, стальным калорифером КВСБ-П.
2. Анализ вариантов управления и существующего объема
автоматизации технологической линии
Исследованиями установлено, что продуктивность животных на 50-55%
определяется кормами, на 20-25% - генетическими признаками и уровнем
селекционно-племенной работы и на 20-30% - условиями микроклимата. И при
неудовлетворительном микроклимате потенциальная продуктивность животных
используется лишь на 20-30%, а срок их племенного и продуктивного использования
сокращается.
Технологические требования к микроклимату в помещениях. Для нормального
течения физиологических процессов в организме животных и птицы необходим чистый
воздух в помещении по своим физико-химическим свойствам, близкий к
атмосферному.
Крупный рогатый скот, содержащийся в помещениях с нерегулируемым
микроклиматом, снижает продуктивность. У молочных коров при температуре выше 23
°С уменьшается удой, выше 26 °С - содержание жира в молоке, у животных
учащается пульс и дыхание, затрудняется теплоотдача. С понижением температуры
до минус 5 °С потребление кормов увеличивается в 1,5-2 раза.
Повышенная влажность воздуха также отрицательно сказывается на
продуктивности. Установлено, что при повышении влажности на каждые 5% выше 85%
у высокопродуктивных коров суточный удой уменьшается на 1,22-1,43 кг. Влияние
температуры и влажности воздуха может усиливаться или ослабляться в зависимости
от скорости воздуха.
Оптимальные параметры микроклимата для различных групп крупного рогатого
скота регламентируются нормами технологического проектирования.
Для обеспечения высокой продуктивности свиней необходимо, кроме
полноценного кормления, создать оптимальные условия микроклимата в помещениях в
соответствии с потребностями каждой возрастной категории животных.
Температура воздуха в помещении - важнейший фактор, определяющий
физиологическое состояние свиней. При снижении температуры в свинарниках на
8-10 °С ниже оптимальной, среднесуточные привесы откормочного поголовья
уменьшаются на 40-60 г, а расход корма повышается на 0,3-0,5 корм. ед.
Неблагоприятна для взрослых свиней и высокая температура. Если в помещении выше
21 °С, снижается темп роста, а выше 32 °С - животные резко худеют. Поэтому
летом, особенно в жаркие дни, следует увлажнять полы и кожный покров свиней,
усиливать в помещении скорость движения воздуха дополнительным вентилятором.
Поросята, наоборот, очень нуждаются в тепле. В первую неделю их жизни
температура должна поддерживаться на уровне плюс 30 °С, во вторую - плюс 26 °С,
в третью - плюс 24 °С, в четвертую -- плюс 22 °С.
Если не соблюдать правильный температурный режим в промышленных
комплексах на 100 тысяч откармливаемых свиней в год, потери могут достигать
12-15 т в сутки, что составляет ежегодно более 4 000 т мяса.
Другой параметр микроклимата - влажность воздуха. Зимой при содержании в
неблагоприятных сырых помещениях свиньи заболевают бронхитами, воспалением
легких, мышечным ревматизмом, расстройством пищеварения. Особенно страдают
молодые и ослабленные животные. При большой влажности воздуха в свинарниках
увеличивается число патогенных микроорганизмов, грибков, плесени. Поверхность
тела свиней бывает мокрой и грязной.
Очень важно соотношение между температурой воздуха в помещении и
скоростью его движения. Воздух одной и той же температуры ощущается холодным,
если он движется со скоростью более 1 м/с и нормальным при скорости движения
0,2-0,25 м/с.
В помещениях для свиней содержание в воздухе углекислоты, аммиака,
сероводорода не должно превышать максимально допустимых концентраций.
Птица отличается от животных более интенсивным обменом веществ.
Цыплята на 1 кг массы выделяют теплоты и поглощают кислорода примерно в
5-6 раз больше, чем крупный рогатый скот. Птица не может быстро
приспосабливаться к резким изменениям температуры, так как у нее недостаточно
развита терморегуляция из-за плотного оперения и отсутствия потовых желез. В
помещениях с неудовлетворительным микроклиматом привесы бройлеров уменьшаются
на 6-7%, возникают заболевания органов дыхания, зрения, сердца, печени, крови и
птица гибнет. Продуктивность кур снижается до 40-50%, расход кормов на единицу
продукции повышается на 30-40%, заболеваемость, особенно молодняка,
увеличивается в 3-4 раза.
При клеточном содержании кур в птицеводческих хозяйствах на промышленной
основе особенно нежелательны резкие колебания температуры.
Источником повышения влажности в птичниках являются: легочное дыхание
птицы, испарение влаги с поверхности поилок, мокрого пола, кормушек и других
конструкций помещения.
Поскольку влажность воздуха как фактор микроклимата неразрывно связана с
температурой и движением воздуха, то и влажность в птичниках может повышаться
или понижаться. С повышением влажности воздуха испарение влаги органами дыхания
птицы уменьшается. Кроме того, влага, насыщая Еоздух птичника, изменяет его
теплоемкость и теплопроводность.
Высокая влажность воздуха в птичнике способствует снижению
перевариваемости питательных веществ корма, понижению отложения азота и
уменьшению содержания гемоглобина в крови. Поэтому пребывание птицы в
помещениях с высокой влажностью и низкой температурой часто вызывает простудные
заболевания. При высокой влажности и температуре теплоотдача у птиц сильно
затруднена, вследствие чего наступает перегревание организма и тепловой удар.
Движение воздуха при температуре более низкой, чем температура тела
птицы, может вызвать переохлаждение организма.
Движение воздуха, усиливая испарение и увеличивая теплоотдачу,
воздействует на водный и тепловой обмен организма птицы, поэтому скорости
движения воздуха придают такое же значение, как температуре и влажности.
Допустимым пределом скорости движения воздуха в помещениях для птицы считается
0,15-0,2 м/с.
При высоких температурах увеличение скорости движения воздуха
предотвращает перегрев тела птицы.
Рекомендовано применять следующие скорости движения воздуха в птичниках в
зависимости от температуры: (25-28 °С) - (0,5-1 м/с); (28-31 °С) - (1,0-0,5
м/с); (31-34 °С) - 1,0-2,0 м/с); (34-37 °С) - (2,0-2,5 м/с). При температуре
выше 37 “С воздух в птичниках охлаждают.
Параметры воздушной среды помещений для содержания крупного рогатого
скота, свиней и птицы принимаются в соответствии с нормами технологического
проектирования.
Таблица 1.
Нормативные температура и влажность воздуха для различных групп животных
и птицы
|
Группа животных
|
Тип содержания
|
Температура, 0В
|
Влажность воздуха, ф %
|
|
Коровы, молодняк старше 1 года, ; скот на откорме
|
Привязное и боксовое, групповое беспривязное на решетчатых
полах
|
10
|
40-75
|
|
Коровы и молодняк всех возрастов молочных пород, мясные
коровы до и после отела
|
Беспривязное на глубокой подстилке
|
3
|
40-85
|
|
Коровы глубокотельные и новотельные
|
Привязное
|
15
|
40-75
|
|
Телята до 20-дневного возраста
|
В клетках
|
20
|
40-75
|
|
Телята от 4-6 до 12-ти месяцев
|
Групповое беспривязное и боксовое
|
12
|
40-75
|
|
Холостые свиньи и супоросные матки
|
В стояках
|
16
|
40-75
|
|
Поросята-отъемыши и ремонтный молодняк
|
В стояках
|
20
|
40-75
|
|
Свиньи на откорме
|
В стояках
|
18
|
40-5
|
|
Тяжелосупорожные и подсосные матки
|
В стояках
|
20
|
40-70
|
|
Взрослые куры
|
Напольное (в клетке)
|
16-18
|
60-70
|
|
Молодняк кур в возрасте, недель: 1-4
|
Напольное (в клетке)
|
24-28
|
60-70
|
|
5-11 12-22
|
Напольное (в клетке) Напольное (в клетке)
|
(24-33) 16-18(18) 16
|
60-70 60-70
|
|
Цыплята-бройлеры в возрасте, недель: 1 2-3
|
Напольное (в клетке) Напольное (в клетке)
|
26-28 (28-32) 22
|
65-70 65-70
|
|
4-6
|
Напольное (в клетке)
|
(24-25) 20 (20)
|
65-70
|
|
7-9
|
Напольное (в клетке)
|
18(18)
|
65-70
|
Концентрация вредных газов в воздухе не должна превышать для телят:
углекислоты - 0,15%, аммиака 0,01 мг/л, сероводорода - 0,05 мг/л, для молодняка
крупного рогатого скота и взрослого скота соответственно: 0,2%, 0,02 и 0,01
мг/л, для птицы соответственно: 0,25%, 15 и 5 мг/м. Оптимальная скорость
движения воздуха в коровниках 0,2-0,3 и в птичниках от 0,3 (в холодный период
года) до 1,0 м/с (в теплый период года). Организация воздухообмена в помещениях
для содержания крупного рогатого скота, свиней и птицы. В помещениях, где
содержатся животные и птица, накапливается большое количество вредно
действующих газов
углекислоты, аммиака, сероводорода, которые являются продуктами
жизнедеятельности самих живых организмов.
Задача вентиляции - вытеснить из помещения отработанный воздух свежим в
таком количестве, чтобы обеспечить нормативную концентрацию вредных газов в
помещении. Вентиляционная система должна функционировать оптимально. О
последствиях плохой вентиляции было сказано выше. Избыточная вентиляция
увеличивает затраты на вентиляцию воздуха и его нагревание в холодный период.
Чтобы контролировать воздухообмен в помещениях, необходимо использовать
следующие данные объёма вентиляции: максимальное количество воздуха, которое
требуется для удаления из помещения избыточной влаги и углекислого газа, в
зимний и переходный периоды года, лишнего тепла - летом.
Опыт эксплуатации систем вентиляции животноводческих помещений, при
эффективно действующих системах удаления навоза и помета показал, что
обеспечение нормативной концентрации углекислого газа в воздухе, при этом,
также обеспечивает допустимую концентрацию остальных вредных газов, в связи с
чем объем приточного воздуха зимой рассчитывают по содержанию углекислого газа
и находят по формуле:
где aCO2 - количество воздуха, которое необходимо подать в
помещение и удалить из него за 1 ч/м3;
С - общее количество углекислоты, выделяемой всеми животными или птицей
за 1 ч, л/ч;
С1 - допустимое содержание углекислоты в 1 м3 воздуха,
л/ч;
С2 - содержание углекислоты в наружном воздухе вблизи
птичника, л/м3.
При этом величину С определяют из выражения:
С = C0nq ,
Со - количество углекислоты, выделяемой животными или птицей за час на 1
кг живого веса;
п - число животных (птицы) в помещении;
q -
вес одного животного (птицы), кг.
При расчёте воздухообмена по влажности исходят из нормативов температуры
и влажности воздуха в помещении и учёта количества влаги, выделяемой животными
(птицей) в парообразном виде, а также испаряющейся с пола, клеток, поилок,
помёта и других ограждений помещения.
Количество водяных паров, выделяемых животными (птицей), находят по
таблицам.
Влажность наружного воздуха учитывают в переходный период, то есть когда
влажность воздуха сравнительно высокая, а температура близка к О °С. Сведения о
температуре и влажности наружного воздуха можно брать из климатических таблиц
или узнавать в ближайшей метеорологической станции средние показатели режимов
за много лет. Затем объём вентиляции по влажности рассчитывают по формуле:
где а - количество воздуха (м3/ч), которое необходимо подать в
помещение и удалить в течении часа;
Q -
количество влаги (г), выделяемой птицей в парообразном виде и испаряющейся с
поилок, пола в час; q1 - абсолютная влажность воздуха
помещения (г/м3), при которой относительная влажность остаётся в
пределах норматива; q2 - абсолютная влажность вводимого в
птичник атмосферного воздуха (г/м3).
Воздухообмен по углекислому газу рассчитывают для холодного периода, по
влажности - для переходного времени года.
Однако если животных (птиц) содержат в помещении круглый год, необходимо
учитывать удаление избыточной теплоты при высоких наружных температурах воздуха
в летний период.
Воздухообмен при условии выделения свободного тепла животными (птицей)
определяется по формуле:
где

-
количество воздуха (м3), которое необходимо подать в помещение или
удалить из него, чтобы поддерживать в нём рекомендованные параметры
температуры, влажности и газового состава воздуха;
Q - избыточное
свободное тепло, выделяемое животными (птицей), ккал/ч;
С
- теплоёмкость 1 м3 воздуха, постоянный показатель, который равен
0,3 (ккал/ м3, град);
tв - температура воздуха в птичнике, °С;
tн - температура наружного воздуха, °С.
Значения
оптимального воздухообмена для крупного рогатого скота, свиней и птицы с учётом
вредных выделений и сезона года сведены в таблицах 4.5, 4.6, 4.7.
Таблица
2
Воздухообмен
для животных по сезонам года
|
Помещение
|
Воздухообмен, м3/ч на 1 ц живого веса
|
|
зимой
|
в переходный период
|
летом
|
|
Для привязного и беспривязного (боксового) содержания коров
и молодняка старше года
|
17
|
35
|
70
|
|
Для беспривязного содержания на глубокой подставке
|
17
|
35
|
70
|
|
Родильное отделения
|
17
|
35
|
70
|
|
Профилакторий (телята до 20 дней)
|
20
|
40
|
80
|
|
Для выращивания телят от 20 до 60 дней
|
20
|
40
|
80
|
|
Для выращивания телят от 60 до 120 дней
|
20
|
40
|
80
|
|
Для молодняка от 4 до 12 месяцев
|
17
|
35
|
70
|
|
Для тёлок старше года
|
17
|
35
|
70
|
|
Для свиней: • холостые
легкосупоросные матки • хряки-производители
• глубокосупоросные матки • подсосные матки с поросятами • поросята-отъёмыши • ремонтный молодняк • откормочное поголовье до 165 дней • откормочное поголовье старше 165
дней
|
35 45 35 35 35 45 35 35
|
45 60 45 45 45 55 45 45
|
60 70 60 60 60 65 65 65
|
Таблица 3
Воздухообмен для кур по сезонам года
|
Сезон года
|
Оптимальный воздухообмен на 1 кг живого веса в м3
для кур возраста, месяцев
|
|
5-6
|
9-10
|
14-18
|
|
Зкмний
|
0,8-1,0
|
1,0-1,4
|
3,842
|
|
Перходный
|
2,4-2,8
|
2,8-3,4
|
4,4-4,8
|
|
Летний
|
3,8- 4,2
|
4,4-4,8
|
4,0-4,4
|
Таблица 4
Примерное количество свежего воздуха, подаваемого в птичники, для местных
цыплят, м3 на 1 кг живого веса
|
Возраст цыплят, дней
|
Период года
|
|
холодный
|
переходный
|
теплый
|
|
10
|
0,8
|
2,1
|
14,8-12,2
|
|
20
|
0,8
|
1,4
|
8,1-8,0
|
|
30
|
1,0
|
3,4
|
6,7-6,4
|
Ассимиляция и удаления выделяющихся в помещении вредностей требует
организации эффективной системы вентиляции.
Указанные ранее нормативные параметры микроклимата должны быть обеспечены
в зоне размещения животных, т.е. в объеме воздуха высотой 1-1,5 м от пола, для
птицы этот объем ограничен высотой клеточных батарей или, при напольном
содержании, высотой 0,8 м от пола (рис. 4.60,4.61).
В настоящее время используется четыре типа вентиляционных систем:
• естественная приточная - естественная вытяжная;
• естественная приточная - вытяжная с механическим побуждением;
• приточная с механическим побуждением;
• естественная вытяжная:
• приточная и вытяжная с механическим побуждением.
Выбор системы вентиляции (с естественным или механическим побуждением)
производится исходя из особенностей вентилируемого помещения, его размеров,
вида находящихся в нём животных, технологии их содержания и т.д.
В животноводческие помещения шириной менее 18 метров в зонах с мягким климатом,
к которым относится Беларусь, свежий воздух поступает через подоконные щели. Из
помещения воздух удаляется через одну или две вытяжные шахты. Они имеют
поворотные клапаны для регулирования количества удаляемого воздуха. Работа
системы зависит от разности наружной и внутренней температур воздуха,
количества тепла, выделяемого животными, и скорости ветра. При правильной
эксплуатации эта система обеспечивает удовлетворительное состояние микроклимата
в коровниках.
В зданиях шириной 18 м и более применяются приточные системы с
механическим побуждением подачи воздуха. Удаление воздуха производится через
вытяжные шахты, при проектировании которых предусматривается постоянный подпор
воздуха, чтобы через неплотности стен и окон внутрь помещения не попадал наружный
холодный воздух, пылевые частицы и болезнетворные микробы.
В животноводческих помещениях при содержании животных на решетчатых полах
навоз удаляют самотечно-сплавным или гидравлическим способами. В таких
помещениях предусматривают механическое удаление воздуха (не менее 30-50%
зимнего воздухообмена) из подпольных навозосборников.
Устройство канала-спутника для удаления загрязненного воздуха требует
больших капитальных вложений и трудозатрат при эксплуатации и не оказывает
заметного влияния на параметры воздушной среды в животноводческих помещениях.
Поэтому отказались от устройства неэффективной вытяжки из каналов
навозоудаления из-под щелевого пола.
Систему вентиляции животноводческого помещения необходимо строить с
учетом характера распределения естественных параметров воздушной среды.
Исследования показывают, что температура внутреннего воздуха нарастает с
увеличением высоты. При этом максимальное влагосодержание наблюдается в нижней
зоне, вследствие высокой гигроскопичности. Аммиак, в основном, концентрируется
в зоне дыхания животных.
Рис. 2 Организация воздухообмена в: а) - свинарнике; б - коровнике.
Рис. 3. Организация воздухообмена в птичнике: а - в зимний и переходный
период; б - в летний период
В птичниках в жаркое время года, за счет тепла, выделяемого птицей, в
помещении образуется значительный его избыток. Приточная система вентиляции
птичника работает в режиме вытеснения из помещения углекислого газа и влаги.
Для увеличения воздухообмена в птичнике летом с целью удаления избытка тепла
используется принудительная вытяжная система вентиляции, при этом поступление
воздуха в птичник происходит не только через приточные воздухообмены, но и
вытяжные шахты, смонтированные в перекрытии в шахматном порядке.
Производительность принудительной вытяжной вентиляции регулируется
автоматически по температуре воздуха внутри птичника.
На температуру внутри помещения влияют: температура поступающего в
помещение воздуха, изменение передачи теплоты через ограждение, тепловыделения
животных и другие возмущения, в связи с чем в теплый период температура внутри
помещения может превышать температуру наружного воздуха и увеличение
воздухообмена не дает положительного результата.
В соответствии с нормами технологического проектирования температура
внутри помещения не должна превышать температуру наружного воздуха более, чем
на 5 °С и ограничена, например, для цыплят значением 36 °С независимо от
наружной температуры.
Для критических ситуаций, в самое жаркое время, рекомендуется применять
систему охлаждения и увлажнения приточного воздуха. Увлажнение воздуха
обеспечивается шестеренчатым насосом, который забирает холодную воду из
магистрального водопровода и подает ее через форсунки под давлением 3-5 кгс/см2
в распределительный трубопровод. Форсунки введены непосредственно в приточные
каналы перед жалюзийными решетками, увеличивающие в данном случае площадь
контакта разбрызгиваемой воды с воздухом. Чтобы исключить аварийный режим
работы насоса при отсутствии воды, в водопроводе устанавливается
электроконтактный манометр, автоматически отключающий электродвигатель насоса
при понижении давления воды до 0,4 кгс/см2.
Расход воды при развиваемом насосом давлении 3-5 кгс/см2
составляет 40-50 л/мин.
Система охлаждения и увлажнения может работать в режиме при котором насос
отключен, но в этом случае необходимо, чтобы давление в магистральном
водопроводе находилось в пределах 0,8-1,0 кгс/см2.
Проведенные исследования по определению эффективности работы системы
охлаждения им увлажнения показали, что при ее работе температура воздуха внутри
помещения снижается в среднем на 3 °С, а относительная влажность повышается на
9-10% по сравнению с теми же параметрами воздуха при отключенной системе.
Следует отметить, что летом важно не только понизить температуру воздуха внутри
помещения, но и повысить относительную влажность, так как при отключенной
системе увлажнения относительная влажность воздуха в самое жаркое время
понижается до +30-35%, то есть ниже минимально допустимой нормы.
Исследования и практика показали, что в широкогабаритных зданиях даже
кратковременный выход из строя систем вентиляции (2,0-4,0 ч) вызывает
значительный экономический ущерб из-за резкого снижения продуктивности, а
иногда и гибель животных и особенно птицы, так при отключении приточной
вентиляции в свинарнике на 1,5-24 концентрация аммиака в помещении повышается
до предельно допустимой величины. Птица погибает от теплового удара. Поэтому
системы вентиляции в животноводческих помещениях должны иметь высокую
надежность: они должны быть многовентиляторными.
Для предотвращения внезапного накопления в воздухе животноводческого
помещения больших количеств вредных газов, например, в случае перерыва подачи
энергии должна предусматриваться аварийная вентиляция.
Обеспечение метеорологических требований при объемнопланировочных
решениях и застройке помещений, удовлетворение общих технологических и специфических
требований к системе вентиляции и организации воздухообмена выдвигают
достаточно сложную задачу, пути решения которой состоят в следующем:
создании в помещении необходимой степени дробления приточно-вытяжных
струй, обеспечивающих равномерное смешение приточного и внутреннего воздуха;
обеспечении активной ассимиляции тепловыделений, вредно действующих
газов;
создании в помещении однородных температурных влажностных и газовых
полей;
обеспечение равенства объемов вытяжки для всех зон помещения независимо
от их месторасположения и недопустимости образования в нем «мертвых» зон и
сквозняков.
Варианты планировочных решений многовентиляторных систем
приведены на рисунке 4. При
выборе варианта планировочных решений вентиляционных систем, прежде всего, учитывают
расположение оборудования внутри помещения и количество одновозрастных групп
животных.
Рис. 4 Варианты схем распределения приточного воздуха в животноводческих
помещениях: 1 - воздуховод; 2 - вытяжная шахта; 3 -
тепловентиляционная установка; 4 - венткамера; 5
- задвижка; б - тепловентиляционная установка
дымовой завесы
Учитывая недостаточный уровень квалификации обслуживающего персонала в
животноводстве, важнейшим требованием к системе вентиляции следует считать
удобство эксплуатации и ремонта. Поэтому различные усложнения при
проектировании вентиляции (размещение устройств на недопустимой от пола высоте
или наоборот, их заглубление) нежелательны. С этой точки зрения целесообразно
размещение всего вентиляционного оборудования централизованно в одной
венткамере.
Из венткамеры воздух подается по приточному металлическому воздуховоду
разветвляющемуся в помещении на две ветви, выполненные из пленки, и через
круглые отверстия в воздуховоде равномерно распределяется по помещению.
При проектировании приточной системы вентиляции придерживаются следующих
требований и рекомендаций:
• изменение воздухораздачи через один воздуховод не должно быть
более двукратного;
• в связи с изменением интенсивности дыхания животных и птицы
ночью вентиляцию воздуха уменьшают.
С учетом выполнения требования многовентиляторности в животноводческих
помещениях, при превышении кратности воздухообмена более двух, схема
воздухораспределения представлена на рис. 4.63.
Приточные системы вентиляции с механическим побуждением, как правило,
совмещаются с системой воздушного обогрева.
В зависимости от климатических условий, наличие местных источников
энергии, типа и внешности зданий, вида и возраста животных и птицы, технологии
содержания применяют централизованные или децентрализованные системы обогрева.
3. Техническое задание (требования к схеме управления)
Наименование системы управления: Система автоматического управления
процессом поддержания параметров микроклимата в животноводческом помещении.
Область применения: помещения для содержания КРС.
Основание для разработки: приказ.
Цель разработки: автоматизация процесса поддержания параметров
микроклимата в животноводческом помещении.
Стадии и этапы: строительный проект
Источники разработки: нормативные документы, патенты, научная литература.
Режимы работы объекта: автоматический, ручной.
Условия эксплуатации системы управления:
ППО помещения с повышенной опасностью
сырые помещения
помещения с химически активной и органической средой.
Технические требования к системе управления:
Функции:
Основные:
управление оборудованием линии поддержания параметров микроклимата в
животноводческом помещении
Дополнительные:
Защита калорифера от замерзания
Разделение процессов работы
Аварийная, технологическая сигнализация
Вид применяемой энергии: электрическая
Параметры регулирования: температура, влажность, концентрация вредных
веществ.
Параметры управления: приводом заслонки жалюзи, вентилятора 1,
вентилятора 2.
Требования к качеству переходных процессов: перерегулирование не >
20%, время регулирования 250с, отсутствие статической ошибки.
Параметры контроля: датчики.
Параметры сигнализации: сигнализация замерзания калорифера.
Требования
к точности системы: 
Требования
к надежности: 
Требования
к безопасности: щитовые, защищенные помещения.
Экономические
показатели: срок окупаемости системы.
Алгоритм
функционирования системы:
В зависимости от температуры внешней среды требуется обеспечить работу
тепловентиляторов в двух режимах: без теплоносителя в калориферах (летний) и с
теплоносителем (зимний).
В режиме без теплоносителя вентилятор работает на максимальной частоте
вращения, то есть жалюзи калорифера и обводного канала открыты. При отклонении
температуры в помещении ниже заданной вентилятор автоматически переключается на
минимальную частоту вращения, жалюзи обводного канала прикрываются
исполнительным механизмом по команде регулятора температуры. При этом угол
поворота исполнительного механизма пропорционален разности температур внутри
помещения и заданной.
В режиме с теплоносителем вентилятор работает на минимальной частоте
вращения, жалюзи калорифера открыты, обводного канала закрыты. При отклонении
температуры в помещении выше или ниже заданной жалюзи автоматически
обеспечивают изменение подачи теплоты при постоянной подаче воздуха, при
дальнейшем повышении температуры вентилятор автоматически переключается на
максимальную частоту вращения.
Алгоритм управления:
Так как необходимо контролировать температуру в животноводческом
помещении, устанавливаем датчик температуры c4. При запуске установки поддержания параметров микроклимата
с помощью кнопки a, срабатывает
датчик температуры c1 (зимний
период), затем одновременно срабатывает x1 привод заслонки (жалюзи), привод вентилятора П2 x4 и привод клапана x5. Срабатывает датчик положения
жалюзи b1 (закрыто) и b2 (открыто). Выключается привод
заслонки (жалюзи) x1. Срабатывает
датчик температуры c4, затем
одновременно срабатывает привод заслонки жалюзи x2 и реле времени z1. Выключается датчик положения заслонки b2. Срабатывает контакт реле времени z1’. Выключается привод заслонки x2. Выключается датчик температуры c4. Затем одновременно выключаются реле времени z1 и включается привод заслонки x1. Выключается контакт z1’. Снова срабатывает датчик
положения заслонки b2 (открыто),
выключается привод x1 заслонки
(жалюзи), выключается датчик температуры c1 (зимний период). Срабатывает датчик температуры c2 (переходной период), затем
одновременно срабатывает привод вентилятора П1 x3, выключение приводов вентилятора П2 x4 и привода клапана x5 и включение привода заслонки x2. Происходит выключение датчика
положения заслонки (жалюзи) b2.
Затем отключается датчик положения заслонки b1, который, в свою очередь, отключает привод заслонки
(жалюзи). Выключается датчик температуры c2 (переходной период). Срабатывает датчик температуры c3 (летний период), срабатывает привод
вентилятора П2 x4. Выключается
датчик температуры c3 (летний
период), затем одновременно выключаются приводы x4 вентилятора П2 и x3 вентилятора П1. Выключаем установку с помощью кнопки a.
4. Разработка алгоритма управления оборудованием
технологической линии
Как видно из анализа описания процесса поддержания параметров
микроклимата в животноводческом помещении, для реализации управления,
необходимо предусмотреть следующий объем технических средств автоматики:
датчик положения заслонки, для контроля поступаемого воздуха из
окружающей среды.
датчик температуры для контроля температуры воздуха в помещении.
суточное реле времени, функцию которого будет выполнять контроллер.
Словесное описание алгоритма управления приведено в разделе 3. Но его
недостаточно для разработки структуры управления. Для этого требуется алгоритм
представить символической записью. Для составления символической записи
алгоритма управления примем следующие обозначения:
На основании вышеизложенного, составляем алгоритм управления, при этом
примем следующие обозначения:
a - кнопка
запуска процесса
b1 -
датчик положения жалюзи (закрыто)
b2 -
датчик положения жалюзи (открыто)
x1, x2 - привод заслонки (жалюзи)
x3 -
вентилятор П1
x4 -
вентилятор П2
x5 -
привод клапана
c4 -
датчик температуры в помещении
с1 соответствует зимнему периоду <0°C
с2 соответствует переходному периоду =8°C
с3 соответствует летнему периоду >8°C
z1 -
реле времени
z1’ -
контакт реле времени
a1↑ - 
↑ -

↑ -

-
-

-
↑ -
-
- 
- 
↑
--
-
-
- 
- 
- 
-
- 
- 
-
-
- -
Таблица
5
|
Такт
|
1
|
2
|
3
|
5
|
6
|
7
|
8
|
|
Вес
|
1
|
2
|
4/8/16
|
32
|
64
|
4
|
128
|
256/512
|
|
Алгоритм
|
a1↑
|
|
|
 ↑  ↑  
|
|
|
|
|
|
Вес.сост.
|
1
|
3
|
31
|
63
|
127
|
123
|
251
|
1019
|
|
Такт
|
9
|
10
|
11
|
12
|
13
|
14
|
15
|
16
|
|
Вес
|
64
|
1024
|
256
|
128
|
512/4
|
1024
|
64
|
4
|
|
Алгоритм
|
  ↑      ↑ 
|
|
|
|
|
|
|
|
|
Вес.сост
|
955
|
1979
|
1723
|
1595
|
1087
|
63
|
127
|
123
|
|
Такт
|
17
|
18
|
19
|
20
|
21
|
22
|
23
|
24
|
|
Вес
|
2
|
2048
|
4096/8/16/256
|
64
|
32
|
256
|
2048
|
8192
|
|
Алгоритм
|
      
|
|
|
|
|
|
|
|
|
Вес.сост.
|
121
|
2169
|
6497
|
6433
|
6401
|
6145
|
4097
|
12289
|
|
Такт
|
25
|
26
|
27
|
28
|
|
|
|
|
|
Вес
|
8
|
8192
|
8/4096
|
1
|
|
|
|
|
|
Алгоритм
|
|
|
|
|
|
|
|
|
|
Вес.сост.
|
12297
|
4105
|
1
|
0
|
|
|
|
|
Вывод:
) Алгоритм составлен верно, так как конечное весовое состояние
равно нулю;
) Алгоритм реализуем, так как повторений значений весового
состояния на протяжении цикла алгоритма нет.
5. Разработка структуры управления в автоматическом режиме
работы оборудования
Разработку начинаем с составления структурной формулы. Для этого воспользуемся
таблицами частных включений исполнительных механизмов. В нее входят: само
исполнительное устройство, контакты командного аппарата, включающего
исполнительный механизм, и контакты аппаратов, срабатывающих и обеспечивающих
выполнение всех условий, предъявляемых к данной технологической линии.
Структурная схема исполнительного элемента X1
Таблица 6
|
Э
|
Вес
|
Такты
|
|
|
1
|
2
|
3
|
4
|
5
|
6
|
|
X1
|
1
|
-
|
+
|
+
|
-
|
-
|
-
|
|
с1
|
2
|
+
|
+
|
+
|
+
|
+
|
-
|
|
b2
|
4
|
-
|
-
|
+
|
+
|
-
|
-
|
|
Весовое состояние
|
2
|
3
|
7
|
6
|
2
|
0
|
Из анализа весового состояния видно, что схему можно реализовать без
дополнительных элементов.
Из структурной теории релейных устройств известна следующая структурная
формула для определения первоначальной структуры элемента Х:
,
где
fср(х) −
логическое произведение контактов элементов в такте отпускания, обеспечивающих
замкнутую цепь элемента, для которого определяется структурная формула(контакт
элемента в fср не
входит).
fотп(х) − логическое произведение контактов
элементов в такте отпускания, обеспечивающих замкнутую цепь элемента, для
которого определяется структурная формула (контакт элемента в fотп
не входит).
Используя закон де Моргана, преобразуем полученное выражение:
Рис. 5 Формула управления, выраженная структурой
Для упрощения первоначальных структурных формул элемента можно
воспользоваться таблицей покрытий. Она позволяет исключить из первоначальной
структурной формулы лишние слагаемые, которые либо не реализуют какие-либо
такты или реализуют их с помощью дополнительных слагаемых структурной формулы.
Таблица 7
|
№
|
Цепи
|
Такты
|
|
|
1
|
2
|
|
1
|
|
X
|
X
|
|
2
|
|
-
|
-
|
|
3
|
|
-
|
X
|
Рисунок 5.1 - Структурная схема управления ИЭ Х1
Проводим аналогичные операции и расчеты для остальных элементов.
Структурные формулы и схемы включения для этих элементов сведем в таблицу 8.
Таблица 8 - Структурные формулы и схемы включения
|
Элемент
|
Структурная формула
|
Схема включения
|
|
|
|
|
|
|
|
|
|
|
 ’
|
|
|
|
|
|
|
|
|
|
|
|
|
|
|
|
|
|
|
|
|
|
|
|
|
|
На основании полученных частных структурных схем всех элементов составим
полную структурную схему управления технологическим процессом. При ее
составлении произведем минимизацию схемы управления.
Рисунок 6 - Полная структурная схема управления технологическим процессом
6. Выбор средств автоматизации
.1 Выбор датчиков
В установке следующие датчики:
Концевые выключатели:
Концевые выключатели выбираем по конструктивному исполнению, по
количеству контактов, по токовой нагрузке на контактах.
Концевые выключатели серии ВПК2000 и ВПК2000М предназначены для
коммутации электрических цепей управления переменного напряжения до 660В
частоты 50 и 60Гц и постоянного напряжения до 440В под воздействием управляющих
упоров в определенных точках пути контролируемого объекта.
Выбираем концевые выключатели марки ВПК 2110.
Параметры данного выключателя приведены ниже в таблице:
Таблица 9
|
Напряжение
|
АС 50/60 Гц 380 В DC 220 В
|
|
Номинальный ток нагрузки
|
Ie 16 А
|
|
Минимальный ток нагрузки
|
10мА
|
|
Степень защиты
|
IP 65
|
|
Температура возд.
|
- 25 ºС -+ 40 ºС
|
|
Присоединительные размеры Рассояние между осями Ø отверстия
|
62 ± 0,2 42 ± 0,2 2 отверстия по диагонали
|
|
Габаритные размеры, мм Высота корпуса высота c толкателем
ширина глубина
|
72 84 60 46
|
Датчик температуры:
Выбираем датчик температуры наружного воздуха, производства Российской
Федерации, «ПО ОВЕН» ДТС 125-50М.В2.60
Термопреобразователи (датчики температуры) предназначены для непрерывного
измерения температуры различных рабочих сред (например, пар, газ, вода,
сыпучие материалы, химические реагенты и т.п.), не агрессивных к материалу
корпуса датчика.
Модели датчиков с резьбовым креплением выпускаются в стандартном
исполнении с метрической резьбой. Возможно также их изготовление с трубной
резьбой по спец. заказу.
Таблица 9
|
Номинальная статическая характеристика (НСХ)
|
50М; 100М; 50П; 100П; Pt100
|
|
Класс допуска
|
В
|
|
Диапазон измерений
|
-50…+100 °С
|
|
Показатель тепловой инерции
|
не более 15 с
|
|
Схема соединения внутренних проводников
|
2-х проводная
|
|
Длина погружаемой части L
|
60, 80, 100 мм
|
6.2 Выбор реле времени
В качестве реле времени выбираем ВЛ-73М, которые предназначены для
коммутации электрических цепей с определенными, предварительно установленными
выдержками времени в схемах автоматики и защиты.
Реле изготавливаются в климатическом исполнении УХЛ4 и
О4.
Диапазон рабочих температур от минус 20 до плюс 55°С.
Таблица 10. Технические характеристики
|
Параметр
|
ВЛ-73М
|
ВЛ-74М...78М
|
ВЛ-78М
|
ВЛ-79М
|
|
Номиналтьное напряжение питания, В
|
24-220 или 110,127,220
|
110,127,220
|
|
Диапазон уставок
|
0,1с-99,9ч
|
0,-99,9с
|
|
Дискретность
|
0,01 Тmax поддиапазона
|
|
Число и вид контактов*
|
1з,1р,1п(мнг)
|
2п
|
1з,1р
|
2п
|
|
Время возврата
|
не более0,2с
|
-
|
|
Время повторной готовности
|
не менее 0,3с
|
-
|
|
Длительно-допустимый ток выходных контактов, А
|
4
|
|
Минимальный коммутируемый ток, А
|
0,01
|
|
Степень защиты:
|
кожуха IP40, клем IP20
|
|
Потребляемая мощность, ВА (Вт)
|
не более 6,5
|
|
Габариты, мм
|
45х75х115
|
|
Масса реле, кг
|
не более 0,3
|
6.3 Расчет параметров потребителей
Для выбора средств автоматизации необходимо рассчитать рабочие параметры
потребителей, в частности в нашем случае электродвигателей.
Номинальный ток электродвигателя:
(7.1)
где Рн - Номинальная мощность электродвигателя, кВт;
cosφ - коэффициент мощности ЭД, о.е.;
Uн - номинальное напряжение, кВ.
Для привода питателя корма:
Технические данные потребителей сводим в таблицу 11.
Таблица 11 ─ Технические данные электродвигателей
|
Обозначение
|
Наименование рабочей машины
|
Тип
|
Рн
|
Iн
|
η
|
nн
|
cos φ
|
Ki
|
|
|
|
кВт
|
А
|
%
|
мин-1
|
о.е.
|
о.е
|
|
М1
|
Привод заслонки
|
АИР71B2
|
1,1
|
2,67
|
78
|
3000
|
0,8
|
6
|
|
М2
|
Привод клапана
|
АИР71B2
|
1,1
|
2,67
|
78
|
3000
|
0,8
|
6
|
|
M3
|
Вентилятор П1
|
АИР112M2
|
7,5
|
15.07
|
84
|
3000
|
0,9
|
7,5
|
|
М4
|
Вентилятор П2
|
2,2
|
4,63
|
83
|
3000
|
0.87
|
6,4
|
|
|
|
|
|
|
|
|
|
|
|
6.4 Выбор аппаратуры и средств защиты
Автоматические выключатели выбираем для защиты цепи и электродвигателей
от перегрузки и токов короткого замыкания.
Выбираем автоматический выключатель по следующим условиям:
номинальному напряжению автомата
н.а ≥Uн.с., (7.2)
где Uн.а. - номинальное напряжение автоматического
выключателя, В;н.с. - номинальное напряжение сети, В.
номинальному току автомата
н.а. ≥Iдл.,(7.3)
где Iн.а. - номинальный ток автоматического выключателя, А;дл.
- рабочий ток цепи, защищаемой автоматом, А.
Для группы токоприемников:
(7.4)
(7.5)
(7.6)
(7.7)
(7.8)
где
- полная расчетная мощность линии, ВА;н -
номинальное напряжение линии, В;з - коэффициент загрузки электроприемника;φн -
номинальный коэффициент мощности;- коэффициент, зависящий от значения cosφн [6,
рисунок П2.1].
номинальному
току теплового расцепителя
н.р.≥ kн.т
Iдл.,(7.9)
где
Iн.р - номинальный ток теплового расцепителя автомата, А;н.m
- коэффициент надежности, учитывающий разброс по току срабатывания теплового
расцепителя, принимается в пределах от 1,1 до 1,3.
току
отсечки электромагнитного расцепителя:
Iн.э-м.≥kн.э Iкр.,(7.10)
где
Iн.э-м. - ток отсечки электромагнитного расцепителя, А;н.э
- коэффициент надежности, учитывающий разброс по току электромагнитного
расцепителя и пускового тока электродвигателя (для автоматов АП-50, АЕ-2000 и
А3700 kн.э=1,25, для А3100 kн.э=1,5),кр. -
максимальный ток короткого замыкания в месте установки автомата, А.
Для
группы электроприемников:
(7.11)
где
- пусковой ток электродвигателя или группы
одновременно запускаемых электродвигателей, при пуске которых кратковременный
ток линии достигает наибольшего значения, А;
- сумма
номинальных токов электродвигателей без учета тока пускаемого электродвигателя,
А.
предельному
отключаемому току:
пред.откл≥Iкр.(7.12)
где
Iпред.откл - предельный отключаемый автоматом ток, А.
Выбираем
автоматический выключатель QF1. Автоматический выключатель защищает группу
электродвигателей.
Принимаем
коэффициенты загрузки электродвигателей

кВА
Определим
силу тока в защищаемой цепи.
Определяем
максимальный ток короткого замыкания в месте установки автомата.

=105,74А
Ток
срабатывания теплового расцепителя:
А.
Ток
срабатывания электромагнитного расцепителя:
На
основании приведенных расчетов для защиты цепи выбираем автоматический
выключатель АЕ2040.
Аналогично
выбираем автоматические выключатели для защиты остальных двигателей:
Таблица
12
|
Обозначение
|
Наименование рабочей машины
|
Тип
|
Автоматический выключатель
|
|
М1
|
Привод заслонки
|
АИР71B2
|
АЕ 2020
|
|
М2
|
Привод клапана
|
АИР71B2
|
АЕ 2020
|
|
M3
|
Вентилятор П1
|
АИР112M2
|
АЕ 2023
|
|
М4
|
Вентилятор П2
|
АИР80B2
|
АЕ 2020
|
6.5 Выбор магнитных пускателей
Электромагнитные пускатели выполняют функции аппаратов дистанционного
управления и отключения токоприемников при понижении напряжения, блокировку и
реверсирование.
Выбираем магнитный пускатель по рабочему напряжению, по степени защиты от
условий окружающей среды, по комплектности. Выбираем магнитный пускатель серии
ПМЛ открытого исполнения (IP54) без кнопок и сигнальной арматуры.
Магнитный пускатель выбираем по условиям:н.п. ≥Uн.л.(7.12)
,(7.13)
где
- длительно допустимая величина тока в цепи силовых
контактов пускателя, А.
380В=380 В
А>19,83 А.
Для двигателя М1 и М2 выбираем магнитный пускатель ПМЛ-12004А с Iн.п.=10А.
[6, приложение 1].
Аналогично производим выбор магнитных пускателей для остальных
электродвигателей. Результаты сводим в таблицу перечня элементов принципиальной
электрической схемы
6.6 Выбор тепловых реле
Тепловые реле применяют для защиты электродвигателей от перегрузки.
Условия выбора следующие:
н.р. ≥Uн.л. (7.14)
, (7.15)
Для электродвигателя М1 выбираем тепловое реле типа РТЛ-1016 с пределами
регулирования тока уставки реле (1 - 10)А. [6, Приложение 1].
В=380В
А>19,83А
Аналогично производим выбор тепловых реле для остальных
электродвигателей. Результаты сводим в таблицу перечня элементов принципиальной
электрической схемы.
6.7 Выбор сигнальной арматуры
Сигнальная арматура выбирается по рабочему напряжению, по конструктивному
исполнению, по виду источника света, по цвету свечения.
Для данной схемы выбираем сигнальную арматуру типа АЕ323221У имеющую
зеленый колпачок.
6.8 Выбор кнопок управления
Выключатели кнопочные предназначены для коммутации электрических цепей
управления. Выбор производим по напряжению, значению коммутируемого тока,
количеству контактов, наличию устройств сигнализации.
6.9 Выбор исполнительных устройств
Электромагнитный клапан:
Область применения:
Соленоидные клапаны устанавливаются на трубопроводах и, в зависимости от
исполнения (нормально закрытые или нормально открытые), открывают или
перекрывают поток рабочей среды при поступлении на катушку клапана управляющего
напряжения от подключенного к нему датчика (реле давления, поплавкового
выключателя, реле уровня и т. п.)
Выбираем клапан AR-YCH11 нормально закрытый, непрямого действия с
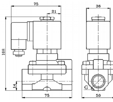
диафрагмой, на давление до 5 Мпа.
Рис. 7 Размеры установочные
Рабочая среда:
Вода, горячая вода, воздух, инертные газы, масла.
Материалы:
Корпус: латунь.
Уплотнение: PU/VITON.
Рабочие температуры клапана для уплотнения:/VITON: −10...+150°С.
Рабочее давление: 0,03...5,0 MПa.
Присоединение: резьбовое ⅜", ½".
Ду, мм: 15.
Питание: : 12В, 24В;: 24В*, 110В, 220В.
Катушка: S91H 17ВА (AC), 14Вт (DC), IP65.
7. Разработка полной принципиальной электрической схемы
Принципиальная электрическая схема управления должна обеспечить:
безопасность людей;
надежную работу технологической линии;
удобство в эксплуатации;
быть экономически целесообразной.
При проектировании электрической принципиальной схемы руководствуемся
действующим стандартом на условные обозначения элементов на принципиальных
электрических схемах, правилами устройства электроустановок. Принимаем
следующие буквенно-цифровые обозначения аппаратов:
A -
кнопка Пуск/Стоп
X1,
X2 - привод заслонки (жалюзи);
X3
- привод
вентилятора П1;
Х4 - привод вентилятора П2;
Х5 - привод клапана;
Z1
- реле времени 1;
Z’1-
контакт реле времени 1;- датчик положения заслонки (открыто)- датчик положения
заслонки (закрыто)
Для проведения пуско-наладочных работ предусматриваем в схеме возможность
независимого включения электродвигателей, для этой цели устанавливаем пакетный
переключатель SA1, а для включения электродвигателей (магнитных пускателей)
устанавливаем кнопки управления SB1 - SB10.Также в схеме предусмотрена защита
от перегрузки тепловыми реле КК1 - КК4, и световая сигнализация, посредствам
сигнальных ламп HL1 -HL6.
(В полном объеме электрическую принципиальную схему вычерчиваем на листе
2 графической части.)
8. Описание работы полной принципиальной электрической схемы
Принципиальная электрическая схема предусматривает автоматический и
наладочный режим работы.
В автоматическом режиме работы переключатель SA1 устанавливают в
положение А(I).
В зависимости от соотношения температур внутреннего и наружного возха
контакт регулятора температуры подает питание на катушку магнитного пускателя KM1, KM4, Y1
(срабатывает привод заслонки, вентилятор П2 и электромагнитный клапан). После
того как сработают датчик положения заслонки, привод отключится. Срабатывает
датчик температуры внутреннего воздуха, подает сигнал на катушку KM2 и на катушку реле времени, те в, в
свою очередь, срабатывают. После того как отключится датчик положения заслонки,
сработает контакт реле времени и отключится привод заслонки. Отключается датчик
температуры внутреннего воздуха, после, поступает сигнал на реле времени KT1, который отключается и срабатывает
катушка KM1 (открывается заслонка). После того
как сработает датчик положения заслонки (закрыто), поступает сигнал в цепь
катушки электромагнитного пускателя KM1, заслонка закрывается. Система переходит в режим работы переходного
периода, срабатывает соответствующий датчик, соответственно подает сигнал на
катушку KM3 (срабатывает привод вентилятора
П1), отключается катушка электромагнитного пускателя KM4 (привод вентилятора П2). Также отключается электромагнитный
клапан калорифера Y1. Включается
катушка привода заслонки KM2.
Происходит отключение датчиков положения заслонки и выключение привода катушкой
KM2. Система переходит в летний режим
работы включением датчика KV3.
Подается сигнал в цепи электромагнитных пускателей KM4 и KM3
происходит отключение вентиляторов П1 и П2.
В наладочном режиме работы переключатель SA1 устанавливают в положение P(II). В этом случае работой двигателей управляют по средствам
кнопок SB1 - SB16.
микроклимат автоматизация животноводческий
9. Разработка щита автоматики
Щиты систем автоматизации предназначены для размещения в них средств
контроля и управления технологическими процессами, контрольно-измерительных
приборов, аппаратуры управления, защиты, сигнализации и других.
Щиты устанавливаются в производственных или отдельных (щитовых)
помещениях.
Основанием для разработки щита управления является полная принципиальная
схема управления, контроля и сигнализации, представленная на листе 2
графической части проекта.
Предварительно выписываем размеры аппаратов и их монтажных зон, способ
крепления аппаратов на монтажных рейках. Производим компоновку аппаратов,
устанавливаемых на задней стенке шкафа управления, на двери с учетом
рекомендаций по их размещению. Приборы и аппараты, устанавливаемые внутри
шкафа, рекомендуется размещать на следующих расстояниях: от основания шкафа
200мм (при установке блоков зажимов 250мм); от верхней и боковых стенок 50мм
(при установке блоков зажимов 100мм).
Для определения размеров щита составляем таблицу 9.1 и 9.2. Размеры
аппаратов и их монтажных зон берем из приложения 1[6].
Подвижные токоведущие части аппаратов в отключенном состоянии не должны
быть под напряжением. Их следует размещать так, чтобы они под действием силы
тяжести не могли самопроизвольно замкнуть свои контакты. Расстояния между
оголенными частями различных фаз по воздуху должно быть не менее 20мм. Аппараты
с тепловыми элементами рекомендуется размещать в нижней зоне, на двери
рекомендуется устанавливать сигнальные аппараты, командные органы (кнопки
управления, тумблеры, переключатели и т. п.).
В качестве пульта управления используем ящик навесной малогабаритный типа
ЩШМ-ЗД-1-1000х600х500 IP44
ОСТ 36.13-90.
На передней панели щита (двери) в верхней зоне размещаем 8 сигнальных
лампы и 20 кнопок для ручного управления. В следующем ряду располагаем пакетный
переключатель.
На задней стенке пульта располагаем автоматические выключатели, магнитные
пускатели, реле времени по рядам сверху вниз. В нижней части пульта
устанавливаем блоки зажимов.
Производим окончательную компоновку приборов внутри пульта управления.
При компоновке аппаратов определяем расстояния между осями приборов. Аппараты
располагаем с учетом их монтажных зон и варианта крепления аппаратов на
монтажных рейках. Монтажные рейки крепятся на монтажных угольниках.
На двери пульта управления под аппаратами располагаем поясняющие надписи.
Вид на развернутые плоскости пульта управления приводим на листе 5
графической части проекта. Размеры монтажных зон берем из приложения 11[3].
Выводы
В данном проекте произвели разработку варианта автоматизации параметров
поддержания микроклимата в животноводческом помещении.
А также разработали: алгоритм управления оборудованием технологической
линии, структуру управления работы оборудования в автоматическом и наладочном
режимах, полную принципиальную электрическую схему и щит автоматики. Произвели
выбор средств автоматизации.
В графической части изобразили: полную принципиальную схему управления
поддержания параметров микроклимата в животноводческом помещении.
Данная схема по сравнению с аналогичными типовыми схемами не требует
большого количества средств автоматизации, что и является преимуществом при её
разработке и быстрому внедрению в производственный процесс.
Литература
1. Фурсенко, С.Н. Автоматизация технологических процессов :
учеб. пособие / С.Н. Фурсенко, Е.С. Якубовская, Е.С. Волкова. - Минск: БГАТУ,
2007. - 592 с.
. Методическое руководство к курсовому и дипломному
проектированию для специальности С.03.02.02. “Автоматизация технологических
процессов и установок”. - Минск: ротапринт БАТУ, 1988.
. Якубовская, Е.С. Автоматизация технологических процессов
сельскохозяйственного производства: практикум/ Е.С. Якубовская, Е.С. Волкова. -
Минск: БГАТУ, 2008. - 319 с.
. Автоматика - сервис [Электронный ресурс] / Поставщик
современных систем и средств автоматизации для всех отраслей промышленности.
. Электропривод. Часть 1. Проектирование нерегулируемого
электропривода рабочей машины [Текст]: учебно - методическое пособие по
курсовому и дипломному проектированию / БГАТУ; сост. В.В. Гурин, Е.В. Бабаева.
- Минск, 2006. - 316 с.
. Якубовская, Е.С. Проектирование и САПР систем
автоматизации: практикум / Е.С. Якубовская - Минск: БГАТУ, 2008. - 204 с.