|
№
|
Элементы конструкции
|
Номинальная толщина, мм.
|
Масса, кг
|
|
1
|
Токопрововодящая жила из 3 алюминевых составляющих сечением
70 мм2
|
8,2
|
185.6
|
|
2
|
Фазная изоляция жилы из ПВХ И-40-13
|
1,4
|
73.1
|
|
3
|
Поясня изоляция ПВХ О-40
|
1,5
|
84
|
|
5
|
Шланг ПВХ О-40
|
7,3
|
105.8
|
|
ИТОГО
|
|
|
836,9
|
6. Технологическая цепочка
Технологическая цепочка изготовления кабеля представлена на рисунке 6.1
Рисунок 6.1 - Технологическая цепочка изготовления кабеля АПвВГ 3х70
7. Описание технологического оборудования
7.1 Линия волочения MSM85
Линия волочения MSM 85 предназначена для изготовления проволоки из
алюминия и алюминиевого сплава.
Материалы и полуфабрикаты:
Катанка алюминиевая ГОСТ 13843-78.
Катанка из алюминиевого сплава ТУ 16-705.493-2006
Волочильная смазка марки Berudraw А1 20
Моющее средство «Персей» для мойки волок;
Салфетка техническая ТУ 63-178-77-82
Линия волочения MSM 85 ф.Niehoff состоит из отдающего устройства AT 1800,
волочильной машины MSM 85, устройства компенсации проволоки VM 400 и
намоточного устройства S 630.D.G.EA. Схема линии волочения представлена на
рисунке 7.1.
Рисунок 7.1 - Схема линии волочения MSM85
-отдающее устройство ATV 1800; 2-волочильная машина MSM 85; 3-устройствс
компенсации проволоки VM 400; 4-приемное устройство S630.D.G.EA
Отдающее устройство ATV 1800
Вертикальный отдатчик одинарной проволоки из бунтов без скручивания
(рисунок 7.2) оснащен тремя тормозами с пневматическим приводом.
Рисунок 7.2- Отдающее устройство ATV1800
-маховик; 2-зажимной крест; 3-крышка; 4-центральный узел; 5-клин;
6-центральный сегмент; 7-кантовочный сегмент; 8-вращающийся стол
Два тормоза с настройкой полного давления для функции остановки при
аварийном останове. Один тормоз для обратного натяжения при низком давлении для
функции остановки, настраивается через потенциометр на панели управления.
Отслеживание конца бунта осуществляется световым барьером, установленным на
одном из центральных сегментов.
Рисунок 7.3 - Пульт управления приемником 1- Аварийный останов; 2-Быстрый
останов линии; 3 - Пуск линии; 4-«Разжать»; 5-«Сжать»; 6-Отпустить тормоз; 7-
Выбор отдатчика
Загрузка бунтов катанки в отдающее устройство осуществляется следующим
образом:
вручную выкрутить маховик и при помощи кран-балки снять маховик,
зажимной крест и крышку;
отпустить тормоза, нажав кнопку на пульте управления отдатчиком
(Рисунок 7.3);
втянуть центральные сегменты и кантовочный сегмент, нажав на пульте
управления кнопку «Сжать»;
настроить отдатчик на соответствующий внутренний диаметр бунта,
передвинув клинья вдоль продольных отверстий;
установить бунт на отдатчик с помощью кран-балки, исключив
свисание свободных концов строп с кантовочного сегмента.
разжать центральные сегменты и поднять кантовочный сегмент
нажатием кнопки «Разжать»;
после этого установить и закрепить маховик, зажимной крест и
крышку.
Допускается загрузку бунтов производить с помощью автопогрузчика, при
этом вязки, стягивающие бунт, снять после установки бунта на отдатчик,
свободные концы вязок удалить.
Волочильная машина MSM 85 включает в себя:
волочильный стан;
приводы;
систему снабжения волочильной смазкой с охлаждением
(теплообменник) и фильтрацией.
Проволочно-волочильный стан имеет горизонтальную конструкцию тандем,
состоящий из трех секций (рисунок 7.4) и работающий по принципу волочения без
скольжения. Между тяговыми шайбами находятся волокодержатели. Каждая волока и
тяговые шайбы омываются, и охлаждаются волочильной смазкой. Оптимальный отвод
тепла достигается за счет полного погружения тяговых шайб и волокодержателей в смазочный
бак и обмыва волок волочильной смазкой под высоким давлением. Волочильная
камера оснащена крышкой с электроприводом для облегчения управления станком и
обеспечения полного доступа к тяговым шайбам при заправке машины.
Приводы тяговых шайб волочильной машины (рисунок 4) осуществляются
электродвигателями переменного тока, установленными на редукторах
Непосредственно на конце вала редукторов установлены тяговые шайбы. Обратный
ход тяговых барабанов блокируется. Привод вытягивающей шайбы осуществляется через
клиноременную передачу.
Рисунок 7.4 - Волочильный стан MSM85
- ручной вентиль для подачи смазки; 2- крышка; 3- волокодержатель; 4-
тяговые шайбы; 5- планка-педаль; 6-контроль обрыва проволоки; 7- приводы
волочильной машины
Охлаждение двигателей осуществляется централизованной системой
циркуляционного хладагента с охлаждением охлаждающей жидкостью (рисунок 7.5).
Рисунок 7.5 - Схема циркуляции охлаждающей жидкости
- насос; 2 - теплообменник; 3 - реле расхода; 4 - клапан; 5 - клапан; 6 -
датчик температуры; 7 - индикатор уровня; А - приток, отток охлаждающей воды.
Бак установки объемом 0,35 м заполняется дистиллированной водой и
антифризом. Содержание антифриза в охлаждающей жидкости составляет 25% (0,0875
м ) от общего объема жидкости.
Насос (1) качает охлаждающую жидкость через теплообменник (2) для подачи
на двигатели. Реле расхода (3) и датчик температуры (6) контролируют циркуляцию
охлаждающей жидкости. Рабочая температура охлаждающей жидкости должна быть
менее 25°С (при 25°С на пульт управления выводится предупреждение, при 30°С
остановка всей линии). С помощью клапана (5) можно индивидуально для каждого
двигателя устанавливать количество охлаждающей жидкости (заводская установка
примерно 10 л/мин).
Нагретая жидкость возвращается в бак, уровень заполнения бака показывает
индикатор заполнения (7).
Намоточное устройство S 630.D.G.EA включает в себя:
раскладочное устройство;
устройство переброса проволоки;
Намоточное устройство с цепочным конвейером в шпулере (рисунок 7.6)
предназначено для наматывания проволоки на приемный барабан.
Рисунок 7.6 - Намоточное устройство
- шпулер; 2- гидроагрегат; 3- цепочный конвейер, гидравлически настраиваемый
по высоте для шпуль различного размера;
Укладка проволоки на барабан осуществляется укладывающим роликом.
Держатель укладывающего ролика закреплен на направляющей каретке (Рисунок 7.7).
Направляющая каретка перемещается перпендикулярно катушке. Настройка
укладки проволоки осуществляется на пульте управления намоточного устройства,
где необходимо задать следующие параметры: ширину, шаг и скорость раскладки.
Рисунок 7.7 - Направляющая каретка укладки проволоки.
- двигатель с тормозом; 2- ходовой винт; 3- направляющие стержни и
шариковые втулки; 4- полозья; 5- сильфон.
Возможны два режима укладки проволоки: с постоянным шагом укладки или с
постоянной скоростью.
В режиме укладки с постоянным шагом, скорость укладки подстраивается под
частоту вращения катушки. Шаг укладки остается постоянным во время всего
процесса намотки.
В режиме укладки с постоянной скоростью, в зависимости от степени
заполнения катушки, изменяется скорость шага укладки, т.е. чем полнее катушка,
тем больше шаг укладки. Вес проволоки на барабане, при этом режиме работы,
меньше чем при постоянном шаге укладки.
Устройство переброса проволоки.
Проволоку направить от направляющего шкива (1) (Рисунок 7.8) к шпуле (2)
и закрепить на животе катушки. Ролик переброса (3) продвинуть в сторону пустой
катушки и механизм переброса проволоки (4) повернуть вниз, проволока должна
касаться сердечника пустой катушки. Если проволока не касается сердечника,
нужно держатель (5) переместить вниз.
Рисунок 7.8 - Устройство переброса проволоки
- направляющий шкив; 2- шпуля; 3- ролик переброса; 4- механизм переброса;
5- держатель; 6- ведущий диск; 7- режущая пластина; 8- проволока; 9- закаленный
стержень; 10- ударный нож; 11- винт;
Установка механизма обрезки. Расстояние между ведущим диском (6) и
режущей пластиной (7) должно быть не более 1 мм, а между проволокой (8) и
режущей пластиной (7) не более 20 мм.
Регулировка механизма укладки. Под воздействием магнитного клапана
закаленный стержень (9) передвигается вперед и толкает проволоку в позицию
обрезки. Второй стержень перемещается одновременно в сторону катушки.
Бла-годаря этому проволока перекладывается на полную катушку без образования
горки. Проволока при этом не должна касаться ни нижней части ударного ножа (10)
ни ведущего диска (6). Для этого, регулировка осуществляется при помощи винта
(11). Проволока должна быть проведена точно в коническое отверстие ударного
ножа.
Число оборотов катушки при перебросе проволоки из алюминия или алюминиевого
сплава на 2% выше номинального числа оборотов пустой катушки. Скорость
переброса проволоки составляет 8-12 м/сек.
Технические характеристики линии волочения MSM 85
Максимальное число проволок 1
Максимальное число волок в маршруте волочения 13
Удлинение по ступеням волочения изменяемое
Диаметр тяговых шайб, мм 450
Диаметр вытягивающей шайбы, мм 450
Диаметр проволоки на входе (макс), мм 9,5
Диаметр готовой проволоки, мм от 4,63 до
1,70
Максимальная рабочая скорость, м/с 35
Мощность привода 1-12, кВт 43
Мощность привода вытягивающей шайбы, кВт 61
Габариты бака волочильной смазки, мм 3500x1560x1800;
Заправляемое количество волочильной смазки, м3 8
Давление сжатого воздуха, бар 6
Размеры приемного барабана, мм
диаметр щеки 630
диаметр шейки 355
длина шейки 400
осевое отверстие 127
7.2 Наложение изоляции КЭЛ 90 (120) Кабельная Экструзионная
Линия
Кабельная экструзионная линия предназначена для наложения пластмасовой
изоляции и защитных оболочек из полиэтилена и поливинилхлоридного пластиката.
Кабельная экструзионная линия состоит из:
Экструдер.
Экструдер предназначен для гомогенизации и пластификации полимерного
материала. Максимальная производительность экструдера поПВХ пластикату 260кг/ч.
Привод.
Привод состоит из двигателя постоянного тока мощностью 110кВт
принудительного охлаждения и редуктор с передаточным отношением i=16 регулируемые обороты до 80 об/мин
Цилиндр и шнек.
Цилиндр изготовлен из полиметаллической заготовки. Он разделен на шесть
зон терморегулирования с общей мощностью 42кВт. Зона питания охлаждается водой.
Охлаждение цилиндра принудительно воздушное. Шнек выработан из
высококачественной легированной стали и азотирован.
Электрооборудование.
Электроаппаратный шкаф содержит все необходимые приборы контроля и
управления. Помимо шести зон нагрева экструдера предусмотрены дополнительные
три зоны, для подключения нагрева хомута, головки и матрицы. Установлен
компьютер, позволяющий устанавливать необходимую температуру по зонам нагрева.
Загрузочный бункер
Загрузочный бункер предназначен для обеспечения непрерывной подачи
материала в экструдер. Бункер оснащен нагревательными элементами с вентилятором
для сушки и предварительного подогрева материала уровня материала смотровым
окном для контроля уровня материала, задвижкой в нижней части для прекращения
подачи материала в случае необходимости и разгрузочным патрубком.
Отдающее устройство
Предназначена для отдачи кабеля с барабана диаметром щеки от 400 до
630мм. Наиболее распространены независимые отдающее устройство с вращающимся
барабаном. Отдающее устройство пинольного типа состоит из станины, механизма
раскладки, механизмов регулирования частоты вращения и приемного барабана и
скорости перемещения вилки раскладчика.
Ванная охлаждения.
Действующая длина ванны 20м. Ванна состоит из секций, каждая секция имеет
патрубок подачи воды, сливное устройство с шаровым краном.
Приемное устройство.
Приемное устройство предназначено для установки приемной тары и
правильной укладки на приемную тару изготавливаемого изделия. Приемное
устройство пинольного типа состоит из станины, механизма раскладки, механизмов
регулирования частоты вращения приемного барабана и скорости перемещения вилки
раскладчика.
Схематичное изображение КЭЛ -90 (120) представлено на рисунке 7.9
Рисунок 7.9 - Схематическое изображение КЭЛ - 90 (120)
- Отдающее устройство; 2 - Тяговое устройство; 3 - Загрузочный бункер; 4
- Ванная охлаждения; 5 - Тяговое устройство; 6 - Приемное устройство.
7.3 Крутильная машина сигарного типа СТ-1+6х630
Крутильная машина сигарного типа СТ-1+6x630 фирмы Caballe предназначена
для скрутки круглых уплотненных или неуплотненных жил из леди, алюминия и
алюминиевого сплава, алюминиевых и медных жил с изоляцией 43
поливинилхлоридного пластиката или полиэтилена.
Принципиальная схема линии скрутки представлена на рисунке 7.10.
Рисунок 7.10 - Схема линии скрутки
Крутильная машина сигарного типа фирмы Caballe СТ-1+6x630 состоит из
следующих основных узлов:
- Отдающего устройства DACT-1 хбЗО;
- Формирующей головки PRF/CT-6;
- Уплотняющей головки ССА-3 х 150;
- Двухколесной тяги CDD-1000/1,5;
- Приемника ANPT-1600/6;
- Линии контроля;
- Пульта управления.
Отдающее устройство DACT-1х630 (рисунок 7.11) представляет собой отдатчик
пинольного типа. Отдатчик надежно закреплен на полу при помощи анкерных болтов.
Барабан устанавливается на две пиночи, одна из которых неподвижна, а другая
подвижна, с разжатием от пневмоцилиндра и зажатием от пружины.
Рисунок 7.11 - Отдатчик DACT-1х630
- барабан; 2 - механический тормоз постоянного натяжения; 3 - пиноли.
Тормоз барабана осуществляется при помощи регулируемого механического
привода (цепь с набором фрикционных пластин) с пружинным регулированием, с
быстроразжимным механизмом для смены катушки. Тормоз оснащен рычагом для
определения текущего диаметра размотки и поддержания постоянного усилия
натяжения в процессе размотки. Натяжение можно регулировать в диапазоне от 50
до 400 Н.
Сигара СТ-6х630 представлена на рисунке 7.12
Рисунок 7.12 - Сигара СТ-6х630
- ротор; 2 - преформирующая головка; 3 - опоры; 4 - люлька; 5 - двигатель
и коробка передач; 6 - защитное ограждение.
Сигара состоит из 2 специальных стальных роторных труб высокого качества.
Трубы с окошками для контроля размотки жилы и упрощения операций заправки. На
каждую роторную трубу имеется по 3 люльки. Всего в машину может быть загружено
6 барабанов. На люльках имеется датчик наклона, который настроен под углом 15°.
В случае превышения этого градуса люлькой линия остановится. Подача жил
осуществляется при помощи полированных калибров из карбида вольфрама и роликов.
Операция позиционирования ротора под загрузку и выгрузку производится
автоматически. Имеется датчик положения, который определяет останов всего
ротора, обеспечивая плавильное положение всей роторной трубы, что позволяет
правильно загружать и выгружать барабаны.
Люльки оборудованы системой блокировки пинолей с пневматическим поршнем.
Управление системой зажатия пинолей осуществляется электрическими средствами. В
случае неисправности замка линия не запустится.
В каждый главный подшипник ротора встроен датчик вибраций и температурный
датчик. Температурные датчики определяют любую перегрузку и выдают команду на
останов линии до превышения критической температуры в подшипниках.
В случае превышения допустимого предела вибраций срабатывает датчик
вибраций и линия останавливается.
Смазка подшипников подается автоматически при помощи гидравлической
станции. Любое нарушение циркуляции масла в распределителях приводит к
автоматическому останову машины.
Тормоз барабана осуществляется при помощи регулируемого механического
привода (цепь с набором фрикционных пластин) с пружинным регулированием, с
быстроразжимным механизмом для смены катушки.
В конце крутильной машины размещена преформирующая головка,
использующаяся для придания проволоке нужного S-образного изгиба.
Преформирующая головка состоит из пластин, на каждой из которых размещены по
три ролика. Первый и третий ролик могут перемещаться в продольном направлении.
Центральный может регулироваться в радиальном направлении. Регулировки
необходимы для снижения внутренних напряжений в проволоке при скрутке и для
обеспечения оптимального прилегания при скрутке жил различного диаметра.
Технические характеристики линии
Линейная скорость, м/мин до
150
Максимальная частота вращения сигары, об/мин 900
Время ускорения, с 180
Время на штатный останов, с 30
Время на аварийный останов, с 10
Диаметр скручиваемой алюминиевой и медной проволоки, мм от 1,25
до 4,50
Количество скручиваемых проволок, шт 7
Максимальное сечение скрутки, мм2 95
Максимальное сечение при уплотнении, мм 95
Максимальный диаметр скрученной токопроводящей жилы, мм 15
Шаг скрутки проволок в жилу, мм от
50 до 300
Диаметр щеки отдающих барабанов, мм 630
Диаметр щеки приемного барабана, мм от
1000 до 1600
Электропитание
Основной источник питания 3x380 В
(±10%)
Цепи управления . 1 х220 В
переменного тока
Нейтраль требуется
Заземление требуется
Частота, Гц 50
(±1)
Пневматическая система
Минимальное давление в системе подачи сжатого воздуха, бар 12
8. Технологический расчет
8.1 Изолирование
. Марка экструзионной линии
МЕ-1-90
. Марка кабеля
АПвВГ
. Конструкция жилы
х70
. Материал изоляции
ПВХ марки И-40
. Номинальная и максимальная толщина изоляции
диз.ном=0.6мм
диз.min=0.6-10%=0.6-0.06=0.54мм
. Номинальный и минимальный диаметр изоляции
Dиз.ном.=1.37+2*0.6=2.56
Dиз.min=1.37+2*0.54=2.45
. Сечение жилы
S=70мм2
. Размеры формующего инструмента
С малым обжатием.
.1.1Дорн
dg=Dтпж+0.1=1.37 + 0.1=1.47≈1.5 мм
.1.2Длина цилиндрической части дорна.
ℓ g=5мм
8.1.3 Угол конуса дорна.
б=30°
.2 Матрица
.2.1 Диаметр отверстия матрицы
Dм=Dзаг =2.57 ≈ 2.60 мм
.2.2 Длина цилиндрической части матрици.
ℓ m=2
.2.3 Угол конуса матрицы.
в=30+10=40°
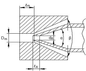
Рисунок 8.1
dд- внутренний диаметр дорна; Dм- Внутренний диаметр матрицы; ℓм-длина
калибрующей части матрицы; ℓд-длина калибрующей части дорна;
б-угол дорна; б=30°; в=угол матрицы. Температурный режим работы экструдера при
наложении Поливинилхлоридной изоляции типа И [1. Табл 6.6]
|
Температура
|
Температура массы на выходе из головки
|
|
Цилиндр по зонам
|
|
|
1-я
|
2-я
|
3-я
|
4-я
|
головка
|
матрица
|
|
|
135
|
145
|
155
|
165
|
165
|
175
|
170
|
Температурный режим охлаждения
Параметры охлаждения ванн экструзионных агрегатов для наложения
поливинилхлоридной изоляции. Изолированная жила охлаждения в ванне проточной
водой.
Расход материала на 1км изделия
M = 
(Dтпж
+ диз)*диз*n*
*Kф*ℓ
Где:
dт.п.ж=1.37мм

и-плотность ПВХ

и=1.3 г/см3
д-
толщина изоляции
диз=0.6мм
n-число жил
n=1
ℓ
-длина
ℓ
=1
Кф-
Коэффициент учитывающий технологические факторы, для изоляции
Кф=1.07
[3. табл. 15]
М=3.14*(1.37+0.6)*0.6*1*1.3*1.07*1=5.16
кг/км
Скорость
опрессовывания
V=
=
=
=645.5м/мин
[1. табл. 5.2]
П-
производительность пресса (кг/ч)
П=200
кг/ч
М-
масса материала, расходуемого на 1 км изделия без учета отходов
Характеристики
приемного барабана
Dщ=600
Dш=200
ℓш=250
Р=25
Строительная
длина на приемном барабане
ℓср=р*Dср
ℓср=3.14*0.4=1.25
м

£=
*
*ℓср
£=
*
*1.25
=8332.6 м =8333 м
Рисунок
8.2 Dщ -Диаметр щеки; dш- Диаметр
шейки; h - Высота намотки; Р - Свободное место до края; ℓш
-Длина шейки; dизд - Диаметр изделия.
Карта
эскизов на изолирование.
|
АПвВГ
|
Марка кабеля
|
|
70
|
Конструкция и номинальное сечение
|
|
3х70
|
Конструкция т.п.ж.
|
|
2.56
|
Диаметр по изоляции (мм)
|
|
0.54
|
min
|
Толщина изоляции
|
|
0.6
|
nom
|
|
|
2.45
|
min
|
Диаметр по изоляции
|
|
2.56
|
nom
|
|
|
1.5
|
Диаметр дорна
|
Технологический инструмент
|
|
1 8Длина рабочей частиМатрица
|
|
|
|
|
2.6
|
Диаметр
|
|
|
|
645.5
|
Линейная скорость м/мин
|
|
15
|
Длина охлождённой ванны
|
|
200
|
Производительность пресса по ПЭ кг/час
|
|
5.16
|
Норма расхода полиэтилена
|
|
600
|
Диаметр щеки приёмного барабана
|
|
8333
|
Длина на приёмном барабане.
|
|
|
|
|
|
Общая скрутка
1.Марка кабеля.
АПвВГ
.Конструкция кабеля.
х70
.Марка машины.
СТ-1+6х630
.Определяем диаметр по скрутки изолированным жилам.
Dос =
К*Dиз
Где:
К=4.41 т.к. 4 форма скрутки 2 повива
Dос=4.41*1.37=6.04
мм
.Определяем шаг скрутки токопроводящей жилы теоретический.
hт=m*Dос
m=20
hт=20*6.04=120.8
мм
hф=121мм
V=90
м/мин
Карта эскизов на скрутку.
|
АПвВГ
|
Марка кабеля
|
|
70
|
Номинальное сечение
|
|
2.57
|
Диаметр по изоляции
|
|
0.54
|
min
|
Толщина изоляции
|
|
0.6
|
nom
|
|
|
90
|
Линейная скорость м/мин
|
Ошлангование
1. Марка экструзионной линии
МЕ-1-120
. Марка изделия
АПвВГ
. Конструкция кабеля
х70
. Материал изоляции
ПВХ марки О-40
. Номинальная и максимальная толщина изоляции
добл.ном=1.5мм
добл.min=1.5-10%=1.3мм
. Номинальный и минимальный диаметр изоляции
Dобл.ном.=15.53+2*1.5=18.53мм
Dиз.min=15.53+2*1.3=18.13мм
. Сечение кабеля
х1.5
. Размеры формующего инструмента
С обжатием.
Дорн.
dg=Dбр+0.2=15.53 + 0.2=15.73мм
Длина цилиндрической части дорна.
ℓ g=5мм
Угол конуса дорна.
б=55°
Матрица.
Диаметр отверстия матрицы.
Dм=Dзаг =18.53 ≈ 18.55 мм
Длина цилиндрической части матрици.
ℓ m=3
Угол конуса матрици.
в=55+10=65°
Рисунок 8.3
dд- внутренний диаметр дорна; Dм- Внутренний диаметр матрицы; ℓ м-длина
калибрующей части матрицы; ℓ д-длина калибрующей части дорна;
б-угол дорна; в=угол матрицы
Температурный режим работы экструдера при наложении Поливинилхлоридной
изоляции типа 0 [1. Табл 6.6]
|
Температура
|
Температура массы на выходе из головки
|
|
Цилиндр по зонам
|
|
|
1-я
|
2-я
|
3-я
|
4-я
|
головка
|
матрица
|
|
|
140
|
155
|
160
|
170
|
190
|
200
|
215
|
Температурный режим охлаждения
Параметры охлаждения ванн экструзионных агрегатов для наложения
поливинилхлоридной оболочки. Изолированная жила охлаждения в ванне проточной
водой.
Расход материала на 1км изделия.
M = 
(Dбр +
добл)*добл*
*Kф*ℓ
Где:
Dбр =15.53мм

и-плотность ПВХ

и=1.2 г/см3
д-толщина
изоляции
диз=1.5мм
ℓ
-длина
ℓ
=1
Кф-
Коэффициент учитывающий технологические факторы, для изоляции
Кф=1.07
М=3.14*(15.53+1.5)*1.5*1.2*1.07*1=105кг/км
Скорость
опрессовывания
V=
=
=
=
476.4м/мин
П-
производительность пресса (кг/ч)
П=300
кг/ч
М-
масса материала, расходуемого на 1 км изделия без учета отходов
Характеристики
приемного барабана.
Dщ=1200
Dш=650
ℓш=500
Р=100
Строительная
длина на приемном барабане
ℓср=р*Dср
ℓср=3.14*0.7=2.2
м
£=
*
*ℓср
£=
*
*2.2
=564.3м =565 м
Карта
эскизов на ошлангование
|
АПвВГ
|
Марка кабеля
|
|
70
|
Конструкция и номинальное сечение
|
|
3х70
|
Конструкция т.п.ж.
|
|
1.3
|
min
|
Толщина изоляции
|
|
1.5
|
nom
|
|
|
18.13
|
min
|
Диаметр по изоляции
|
|
18.53
|
nom
|
|
|
15.73
|
Диаметр дорна
|
Технологический инструмент
|
|
1 8Длина рабочей частиМатрица
|
|
|
|
|
18.55
|
Диаметр
|
|
|
|
476.4
|
Линейная скорость м/мин
|
|
20
|
Длина охлождённой ванны
|
|
300
|
Производительность пресса по ПЭ кг/час
|
|
105
|
Норма расхода полиэтилена
|
|
1200
|
Диаметр щеки приёмного барабана
|
|
565
|
Длина на приёмном барабане.
|
|
|
|
|
|
9. Контроль качества
9.1 Виды брака при волочении
|
Вид брака
|
Причина возникновения
|
Способ устроненения
|
|
Завышено / занижено относительное удлинение .
|
Завышено / занижено напряжение отжига
|
Отрегулировать напряжение отжига.
|
|
Завышен / занижен диаметр проволоки
|
Неправельно подобран диаметр выходной волоки, завышено /
занижено напряжение отжига ,не отрегулировано натяжение проволоки
|
Проверить диаметр выходной волоки , отрегулировать напряжение
отжига, натяжение проволоки.
|
|
Риски по поверхности проволоки.
|
Неудоволетворительное состояние канала волоки , износ /
сильный износ контактных колец отжига.
|
Проверить качество проволоки канала волоки ,отполировать
/заменить контактные кольца.
|
|
Неравномерная/не ровная намотка проволоки
|
Не отрегулировано раскладывающие устройство по ширине
барабана , неправильно настроены прижимные ролики , контейнер установлен не
ровно , недостаточно эмульсии для смазки проволоки.
|
Отрегулировать раскладывающие устройство ,настроить ролики
статического приемника , уменьшить поток воздуха в устройстве обдува
проволоки.
|
|
Обрыв проволоки при волочение.
|
Посторонные отклонения в катанке , неправильно заправлен
маршрут волочения , износ бандажей ,не качественная эмульсия.
|
. Заменить катанку , проверить маршрут, заменить изношенные
бандажи, проверить жирность эмульсии.
|
.2 Виды брака при наложении изоляции и оболочки.
|
Вид брака
|
Причина возникновения
|
Способ устроненения
|
|
Эксцентрическое расположение сердечника по отношению к оболочке
|
Не правильное расположение матрицы относительно дорна.
Внутренний диаметр дорна больше требуемого. Попадание в матрицу посторонних
включений или наличие в ней подгоревшего пластиката. Матрица не центруется
износ центровочных болтов. Наличие сгоревшего пластиката вокруг матрицы
дорнодержателя
|
Произвести центровку у матрицы. Заменить дорн. Прочистить
матрицу. Заменить центровочные болты. Достать матрицедержатель и почистить
его от нагоревшего пластиката.
|
|
Задиры на оболочке
|
Кабель движется не по направляющим ролика. Отверстие
уплотняющих пластин в ванне охлаждение малого диаметра.
|
Поправить кабель. Заменить уплотняющие пластины, поставить
с большим отверстием.
|
|
Продольные риски на поверхности оболочки
|
Устранить дефект матрицы или заменить матрицу
|
|
Местные утолщения/утончения по оболочке
|
Полуфабрикат дергает в дорне, заниженный диаметр дорна.
Нестабильный диаметр полуфабриката, или неравномерное натяжение
полуфабриката. Неравномерная отдача полуфабриката, дергает сердечник, плохая
намотка полуфабриката на отдающем барабане
|
Заменить дорн. Увеличить натяжение между тягами или
заменить дорн. Увеличить натяжение на компенсаторе или между тягами.
Перемотать полуфабрикат на перемотке.
|
|
Проскальзывание жилы на тяге, ремни тяги не натянуты или
износ ремней
|
Натянуть ремни или заменить на новые
|
|
Поверхность оболочки волнистая, диаметр по оболочке не
стабилен
|
Недостаточное количество пластиката. Установлена матрица
большого диаметра
|
Необходимо увеличить количество оборотов шнека или снизить
скорость
|
|
Поры в оболочке
|
Повышенная влажность пластиката. Завышены температурные
режимы. Влажный полуфабрикат. Высокие обороты шнека, из-за чего происходит
перегрев материала
|
Заменить материал. Отрегулировать температурный режим.
Заменить полуфабрикат. Снизить обороты шнека следить за температурой по зонам
экструдера
|
|
Шероховатая поверхность оболочки дыры по оболочке
|
Наличие в оболочке не расправленных гранул
|
Проверить технологию пластиката. Проверить температурный
режим. Установить пакет фильтрующих сеток. Заменить партию пластиката
|
|
Кабель без оболочки
|
Загрузочный бункер пустой. Загрузочный бункер полный, но
пластикат не выходит из формующего инструмента. Пластикат слипся в
загрузочном бункере
|
|
|
Залипание материала оболочки и изоляции
|
Недостаточное количество талька или кремнеорганической
жидкости. Диаметр дорна подобран сильно плотно к сердечнику тальк или
кремнеорганическая жидкость стираются о стенки дорна
|
|
|
Наличие подгоревших частиц на оболочке
|
Высокий температурный режим, подгорание материала при
остывании
|
Подкорректировать температурный режим, произвести чистку
экструзионной головки
|
|
Рыхлая намотка кабеля приемного барабана
|
Установлено слабое натяжение на приемном устройстве
|
Увеличить натяжение на приемном устройстве
|
|
Неравномерная намотка на приемном барабане
|
Щеки приемного барабана кривые или несоосные осевые
отверстия
|
Заменить приемный барабан. Настроить ограничители раскладки
|
|
|
|
|
|
|
|
9.3 Виды брака при скрутке
|
Вид брака
|
Причина возникновения
|
Способ устранения
|
|
Кабель скручен из несоответствующих жил
|
Произведена не правильная заправка машины
|
Произвести проверку диаметра жил при заправке машины
|
|
Шаг скрутки не соответствует карте эскизов
|
Не правильно установлен шаг скрутки
|
Установить шаг скрутки согласно карте эскизов
|
|
Механические повреждения жилы в изоляции
|
Неудовлетворительное состояние втулки глазков
|
Заменить неисправные втулки глазки калибра
|
|
Обрыв заготовки
|
Плохая намотка на отдающих барабанах
|
Заменить барабан плохой намоткой. Отрегулировать тормаза на
отдающем барабане
|
|
Скрученный кабель жилы рассыпаются
|
Неправильно выбран шаг скрутки. Слабое торможение отдающих
барабанов
|
Установить шаг скрутки согласно карте эскизов.
Отрегулировать торможение отдающих барабанов
|
|
Несоответствующее направление скрутки карты эскизов
|
Неправильно установлено направление скрутки
|
Направление скрутки установить согласно карте эскизов
|
|
Диметр скрученного кабеля, размеры жилы не соответствуют
карте эскизов
|
Диметр изолированных жил не соответствует карте эскизов,
неправильная настройка уплотняющих роликов
|
Заменить барабан с несоответствующей жилой. Заменить
волоку. Настроить уплотняющие ролики
|
|
|
|
|
|
10. Техника безопасности
10.1 Техника безопасности на производстве
Техника безопасности является одним из разделов науки по охране труда и
состоит из системы организационных и технических мероприятий и средств,
предотвращающих воздействие на работающих опасных производственных факторов.
Кабельное производство весьма разнообразно и включает горячую и холодную
обработку металлов (прокатка, прессования, волочение) химические и тепловые
процессы, механическую обработку, транспортировку продукции, сортировку
продукции (скрутку и обмотку, межоперационную перевозку полуфабрикатов, сырья и
готовых кабелей и проводов) и т.д. В кабельном производстве широко применяются
многие токсичные материалы, свинец, используются высокие температуры и
давления, различные источники и потребители электрической энергии, в том числе
высокого напряжения. Поэтому организации труда и состоянию техники безопасности
на всех участках и во всех подразделениях кабельного производства уделяется
исключительно большое внимание.
При проектировании кабельных цехов стены и потолки должны быть
малотеплопроводными, полы ровными и не скользкими.
Проезды и проходы в нутрии цехов должны иметь ясно обозначенные габариты,
очерченные желтыми или белыми линиями или заменяющими их знаками шириной не
менее 50 мм. Все каналы и углубления в полах должны быть плотно и прочно
закрыты и ограждены.
Дверные проемы для транспортирования грузов должны соответствовать
габаритам применяющихся транспортных средств и обеспечивать свободные проходы
по обе стороны от этих габаритов, по ширине не менее 0,7 м. Стены помещений
должны удовлетворять требованиям удобной очистки. Крыши должны иметь ограждения
по краям и содержаться в исправном состоянии. В зимнее время крыши и карнизы
зданий должны очищаться от снега и льда.
Производственные повешения должны быть оборудованы достаточным
количеством для быстрой эвакуации в случае аварии или пожара.
10.2 Техника безопасности при работе с крутильно-изолировочными
машинами
На всех без исключения машинах, агрегатах и механизмах может работать
только специально обученный и аттестованный персонал не моложе 18 лет.
В кабельных цехах обслуживающему персоналу приходится не только управлять
работой машин и агрегатов, но и применять ручные различные инструменты и
приспособления. Как первые, так и вторые при неправильных приемах работы
создают возможность возникновения травм. Для снижения производственного
травматизма разработана строгая система мероприятий, главным из которого
является создание таких конструкций машин, механизмов, приспособлений и
инструмента, которое, учитывая аналитические, физиологические и психические
данные человека обеспечивали максимум его безопасности во время работы. Кроме
того, при конструировании кабельного оборудования широко применяются такие
защитные приспособления как ограждения, блокировки, предохранительные клапаны и
различного рода сигнализация. Например, вращающиеся валы кабельных машин имеют
ограждения, а обмотчики и крутильные устройства - раздвижные ограждения,
снабженные блокировкой, останавливающей машину при открытии этих ограждений.
Машины, обслуживаемые не одним, а несколькими рабочими (бронировачнае,
крутильные и д.р.), кроме ограждений и блокировки оборудуются специальными
пусковыми устройствами, обеспечивающими обязательную подачу предупредительных
звуковых сигналов перед началом работы машины.
Основным законом безопасности работы является использования только
исправного оборудования и инструмента. Поэтому обязательным правилом для
каждого работающего на кабельном заводе является предварительная проверка
исправности оборудования и инструмента, ограждений, блокировок и других
защитных приспособлений.
При работе на машинах, имеющих вращающиеся части, травмирования человека
может произойти в результате захвата различными выступающими вращающими частями
(шкивы, валы, шестерни и т.д.) одежды, волос или даже частей тела работающих.
Поэтому категорически запрещается производить смазку, наладку или чистку
оборудования во время его работы, а так же уборки вблизи движущихся частей
машины. Нельзя тормозить рукой вращающиеся части машин для ускорения или
остановки.
Техника безопасности при скрутке:
Во время работы скрутчик должен быть внимательным и осторожным, не
отвлекать других рабочих.
Не оставлять машину без присмотра и не допускать присутствие посторонних
лиц рядом с машиной. В случае необходимости отлучиться, машину остановить.
ЗАПРЕЩАЕТСЯ:
Загружать в машину пустые и снимать наполненные без применения исправных
и
Проверенных грузоподъемных механизмов.
Производить ремонт, чистку и смазку оборудования походу.
Работать на машине со снятыми или открытыми ограждениями.
Проверять на ходу машину перед входом в калибр, поправлять калибр,
раскладку кабеля на приемном барабане руками.
Производить на ходу переключения числа оборотов фонарей, тягового узла,
обмотчика.
Запускать машину при плохо закрепленных отдающих приемных барабанах.
Катить барабан на себя.
Оставлять инструмент во вращающихся частях машины. Открывать двери электрошкафов.
Прикасаться к вращающимся частям оборудования во время работы машины.
Остерегаться ударов оборвавшихся концов проволоки. Обрезать концы
проволоки нужно только при помощи инструментов (кусачки ножницы).
Складировать барабаны со скрученной заготовкой необходимо на специально
выделенных площадках.
Техника безопасности при изолировании:
Во время работы опрессовщик должен быть внимательным, не отвлекаться
посторонними деталями и не отвлекать других.
Не оставлять экструзионную линию без присмотра и не допускать присутствие
посторонних лиц около оборудования.
ЗАПРЕЩАЕТСЯ:
Работать на линии со снятыми или приоткрытыми ограждениями. Производить
ремонт, чистку и смазку оборудования на ходу.
Работать на линии при неудовлетворительной работе вытяжной вентиляционной
системы.
Работать на линии при отсутствии сжатого воздуха в обдувочном устройстве.
Помнить, что попадание воды на измерительные приборы неизбежно приведет их к
выводу из строя.
Поправлять раскладку кабеля на ходу у приемных и отдающих барабанов.
Проверять работу вентилятора в месте забора воздуха для охлаждения зон
экструдера линии на ощупь рукой.
При ошланговании и изолирование, при переходе с барабана на барабан,
обязательно оставлять и надежно закреплять нижний конец кабеля для последующего
заземления и испытания.
СОБЛЮДАТЬ ОСТОРОЖНОСТЬ:
При установке контейнеров с пластиком, при установке барабанов на
отдающее устройство и при съеме барабанов с приемных устройств.
Смену технологического инструмента, разборку головки, чистку фильтрующих
решеток производить только в перчатках или рукавицах.
Не заглядывать в головку при выгоне массы и при запусках.
Не допускать присутствие посторонних лиц около отдатчиков и приемников в
момент установки и съема барабанов.
11. Расчет себестоимости на 1 км кабеля
.1 Исходные данные
Таблица 11.1 - Исходные данные
|
№
|
Наименование операции
|
Годовая программа
|
Разряд работы
|
Количество смен
|
|
1
|
Волочение
|
20000
|
IV
|
2
|
|
2
|
Изолирование
|
20000
|
IV
|
2
|
|
3
|
Скрутка
|
20000
|
IV
|
2
|
|
4
|
Ошлангование
|
20000
|
IV
|
2
|
Расчет количества оборудования
Ср=N/П
годовая программа
П- годовая производительность
П=V*60*Fэф.об*Км/1000 (км/год)
Где:линейная скорость в м/минэф.об - эффективный фонд работы оборудования
в год (1801)
Км- коэффициент машинного времени (0.8)
Ср1=20000/1642.5=12.17=13
П1=19*60*1801*0.8/1000=1642.5
Ср2=20000/3458=5.8=6
П2=40*60*1801*0.8/1000=3458
Ср3=20000/3458=5.8=6
П3=40*60*1801*0.8/1000=3458
Ср4=20000/1037.4=19.3=20
П4=12*60*1801*0.8/1000=1037.4
Таблица 11.2 - Стоимость оборудования
|
Наименование оборудования
|
Количество оборудования
|
Стоимость оборудования
|
Норма амортизационотчислений
|
|
Расчетное
|
Принятое
|
Одного
|
Всего
|
5%
|
|
MSM85
|
12.7
|
13
|
1200000
|
15600000
|
5%
|
|
КЭЛ 90 ( 120)
|
5.8
|
6
|
1000000
|
6000000
|
5%
|
|
СТ-1+6х630
|
5.8
|
6
|
700000
|
4200000
|
5%
|
|
КЭЛ 120/5
|
19.3
|
20
|
1500000
|
30000000
|
5%
|
Расчет штата участка
Расчет количества основых рабочих
Ро=Сп/Нобс*S(1+a/100)
Сп - количество обслуживаемых станков
Нобс- норма обслуживания станковКоличество смен
а- % резервирования рабочих на случай болезни отпуска
а=Пн/Fэф.д*100%
где:
Пн-планируемы невыходныеэф.д - эффективный фонд времени рабочего в днях
а=32/217*100=14.74%
Ро1=13/1*2(1+14.75/100)=9.1=9
Ро2=6/1*2(1+14.75/100)=6.8=7
Ро3=6/1*2(1+14.75/100)=34.4=34
Ро4=20/1*2(1+14.75/100)=9.1=9
Ро общ=9+7+34+9=59
Расчет вспомогательных рабочих
Рв=Ро*35%/100%
Рв1=9*35/100=3
Рв2=7*35/100=2.4=2
Рв3=34*35/100=11.9=12
Рв4=9*35/100=3
Рв общ = 20
Расчет фондов заработной платы
Для основных рбочих
Зор=Q*Fэф*Ро
=30.9
Зор= 30.9*1801*59=3283403 руб
Здоп=Зор*60%
Здоп=3283403*60%=1970041 руб
Зобщ=Зор+Здоп
Зобщ=3283403+1970041=5253444
Для вспомогательных рабочих
Звр=Q*Fэф*Рв
=30.9
Звр=30.9*1801*20=1113018 руб
Здоп=Звр*60%
Здоп=1113018*60%=667810 руб
Зобщ=1113018+667810=1780828 руб
Расчет цеховых расходов
э=Sквт/ч*Wc
квт/ч = 900
=Nуст*Fэф*nзар*Кв/nc*nд
=900*1801*0.99*0.6/0.96*0.85=962814.6/0.816=1179919.9=900*1801*0.96*0.6/0.96*0.85=933638.4/0.816=1144164.7=900*1801*0.99*0.6/0.96*0.85=962814.6/0.816=1179919.9=900*1801*0.97*0.6/0.96*0.85=943363/0.816=1156083.1общ=1179919.9+1144164.7+1179919.9+1156083.1=4660087.6э=2.8*4660087.6=13048245
Расчет стоимости воды
в= Sм3*Вт
м3=2.75
Вт=дв*Сп*Fэф*n3
Дв=5
Вт1=5*4*5575*0.99=110385
Вт2=5*4*4063*0.99=80447.4
Вт общ=110385+80447.4=190832.4в=2.75*190832.4=524789
Расчет стоимости тепловой энергии
=Sтн*Пт
тн=54.3
Пт=дн*Сп*Fэф*n3
Дн=0.2
Пт1=0.2*4*1801*0.99=1426.3
Пт2=0.2*4*1801*0.99=1426.3
Пт общ=1426.3+1426.3=2852.6=54.3*2852.6=154896.1
Расчет стоимости сжатого воздуха
ст=Sм3*Qст
м3=30
Qст=1.5
ст1=1.5*1.5*0.96*1801*0.99=3851.2т2=1.5*1.5*0.96*1801*0.99=3851.2ст
общ=3851.2+3851.2=7702.5ст=30*7702.5=231075
Расчет
амартизационных отчислений
Аоб=Sоб*H/100%
Аоб1=15600000*5/100=780000
Аоб2=6000000*5/100=300000
Аоб3=4200000*5/100=210000
Аоб4=30000000*5/100=1500000
Аоб=780000+300000+210000+1500000=2790000
Расход
прочих цеховых расходов
Цпр=Зос.з*nцс/100
цс=270%
Цпр=5253444*270/100=14184299
Расчет
цеховой себестоимости
Сс=(М+ЗП+А+Пр)/N
Мж=185.6 *295*20000= 1095040000
Мо=105.8 *47*20000=99452000
Ми=73.1*53*20000=77486000
Мс=160.1 *50*20000=160100000
М=1095040000+99452000+77486000+160100000=1432078000
Сс=(1432078000+1780828+2790000+1304825+524789+154896,1+23105)/20000=71932
(руб.)
Заключение
Дипломный проект представлен пояснительной запиской в количестве листов.
Технологический расчет представлен на три машины: Изолирование КЭЛ-70; Скрутка
СТ-1+6х630; Ошлангование КЭЛ 120
Карты эскизов в упрощенном варианте. Конструктивный расчет и расчет
массы: расхождение с гостами не значителен. Экономический расчет показал
себестоимость 1 км кабеля 71932 руб.
Литература
1. И.Б. Пешков «Производство кабелей и проводов».
. Н.И. Белорусов, А.Е Саакян, А.И Яковлева «Электрические
кабели провода и шнуры».
. Расчет масс материалов кабельного изделия.
РТМ.16.800.240.75.