Розрахунок конічного редуктора
1. Розрахунок параметрів приводу
.1 Загальний коефіцієнт корисної дії
,
де
-
коефіцієнт корисної дії клинопасової передачі;
, [2, с.122, табл.6,3]
- коефіцієнт корисної дії конічної
передачі;
,
- коефіцієнт корисної дії пари
підшипників.
.
.
1.2 Визначення потрібної електричної
потужності двигуна та вибір електричного двигуна
.
Вибираємо електричний двигун
серії 4А132М6У3 потужністю
та частотою обертання
,
.
.3 Визначення загального
передаточного числа та розбивка його по ступеням
,
.
, [2, с. 277]
1.4 Визначення обертових моментів
валів редуктора.
Частота обертання швидкохідного вала клинопасової передачі дорівнює частоті
двигуна
Частота обертання
швидкохідного вала редуктора клинопасової передачі:
Частота обертання тихохідного
вала редуктора:
Похибка:
;
.
Кутова швидкість на валах:
Обертовий момент на валах
Перевірка
. Розрахунок клинопасових
передач
2.1 Переріз паса
Згідно з розрахунковою
потужністю (
) при
швидкості
, [2, с.
182] можна вибрати переріз паса А,Б.
Вибираємо переріз Б.
.2 Діаметр ведучого шківа
, [2, с. 195, табл.8.17]
.3 Діаметр веденого шківа
,
де
-
коефіцієнт відносного ковзання (0,01...0,02):
.
- передаточне число передачі.
.
Вибираємо
, [2, с.
193, табл.8.13]
2.4 Фактичне передаточне число
Поправка:
,
що допускається.
2.5 Швидкість паса
, [2, с. 182]
Таким чином значення
швидкості паса задовольняє умові, переріз Б
вибрано вірно.
2.6 Міжосьова відстань
,
де
- висота
перерізу паса, [2, с. 195, табл. 8.16]:
.
2.7 Довжина паса
,
де
,
,
.
Приймаємо
.[2,табл.
8.16, с. 195]
2.8 Кут обхвату на ведучому шківу
,
2.9 Фактична міжосьова відстань
.10 Частота пробігу паса
2.11 Навантаження паса
.12 Число пасів передач
де
- допустиме
корисне напруження паса; при
, [2, с. 195, табл. 8.17];
-
коефіцієнт кута обхвату;
, [2, с.
193, табл. 8.10];
-
швидкісний коефіцієнт;
, [2, с.
192, табл. 8.11];
-
коефіцієнт режиму роботи і динамічності навантаження;
, [2, с.
192, табл. 8.12]; А - площа поперечного перерізу;
, [2, с.
195, табл. 8.16];
Приймаємо
.
.13 Сила тиску паса на вали
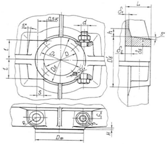
.14 Розміри ободів та шківів
Вибираємо необхідні дані за
рекомендаціями [2, с. 196, табл. 8.19]; [2, с. 180, рис. 8.19]:
;
;
;
;
;
,
[2, с. 197, табл. 8.19]:
;
;
;
;
;
;
.
Рисунок 2.1 Геометричні
параметри шківа
3. Розрахунок закритої конічної
прямозубої передачі
електричний привод шків
двигун
3.1 Початкові дані
Обертаючий момент на валу шестерні:
.
Обертаючий момент на валу
колеса:
.
Частота обертання шестерні:
.
Частота обертання колеса:
.
Передаточне число передачі:
.
.2 Вибір матеріалів для
виготовлення зубчатих коліс
Обираємо сталь 40Х для
шестерні з границею міцності
, границею текучості
, твердістю
по Брінеллю
одиниць,
приймаємо
одиниць.
Для колеса вибираємо сталь
40Х з границею міцності
, границею
текучості
, твердістю
по Брінеллю
одиниць, що
забезпечує більшу міцність шестерні при однаковому матеріалі.
.3 Розрахунок допустимих напружень
Допустимі контактні напруження:
,
де
- границя
контактної витривалості, МПа;
H -
коефіцієнт безпеки, прийнято SH =1,1.
,
,
,
.
Допустимі напруження згину:
,
де
- границя
витривалості на згин, МПа;
- коефіцієнт безпеки, приймаємо
;
[3,табл.8.9]
- коефіцієнт довговічності, приймаємо
; [2,с.152]
;
;
;
.
.4 Допустимі напруження для
перевірки міцності зубів при перевантаженнях
При НВ≤350 і
термообробці - нормалізації або поліпшенні.
Для матеріалу шестерні:
Для матеріалу колеса:
Розрахункове значення:
.5 Зовнішній ділильний
діаметр колеса
,
де
-
коефіцієнт ширини зубчастого вінця відносно зовнішньої конусної відстані:
- рекомендоване значення;
[3, с.133] - найбільш поширене
значення;
- коефіцієнт концентрації
навантаження при розрахунках контактних напружень. Значення
вибираються
за графіком
=1 при
- дослідний коефіцієнт, який
враховує значення навантажувальної здатності конічної прямозубої передачі
відносно циліндричної. [3, c.130];
Vн=0,85;
- обертальний момент;
- передаточне число передачі;
- зведений модуль пружності;
Для пари стальних коліс
Отже, зовнішній ділильний
діаметр колеса:
Приймаємо
.6 Визначення кількості
зубців шестерні
.7 Визначення кількості
зубців колеса
Приймаємо
.8 Визначення зовнішнього
колового модуля
.9 Фактичне передаточне число
Перевірка:
.10 Перевірка частоти
обертання
Відхилення від заданої:
.11 Конусна відстань
.12 Довжина зуба або ширина
зубчатого вінця
Приймаємо b=100 [2,
табл.10.5,ст.281].
.13 Зовнішній ділильний
діаметр шестерні
.14 Кути при вершинах
.15 Середній ділильний
діаметр шестерні
.16 Середній коловий модуль
.17 Середня швидкість
За табл.9.9[2] при даній
швидкості прямозубих коліс конічної передачі та при твердості сталі , меншій за
350НВ можна прийняти 8-й ступінь точності. Але для зменшення динамічного
навантаження замість найнижчого допустимого вибираємо 7-й ступінь точності.
Перевірочний розрахунок на
втомлюваність за контактними напруженнями.
Замінимо конічне колесо
умовним циліндричним з діаметром
(Визначення цього діаметра за
допомогою графічної побудови показано на рис.3.1) та шириною вінця
Рисунок 3.1 Графічна побудова
конічного колеса
Діаметр колеса
графічно
визначається за відомими
(див.
рекомендації ГОСТ 21354-75);
,
де
;
;
[3, с.163];
- коефіцієнт розподілення
нерівностей навантаження поміж зубами;
- для прямозубих передач;
- коефіцієнт
розподіленого навантаження по ширині вінця,
[2,табл.9.11] у відповідності до
та
консольного положення одного з коліс;
- коефіцієнт динамічного
навантаження.
[2, с.164]
Отже
Перевантаження:
, що допустимо.
Основні розміри шестерні та
колеса:
Раніше були визначені
Діаметри вершин зубів:
Шестерні:
;
Колеса:
.
Діаметр впадин зубів
Шестерні:
;
Колеса:
.
Перевірочний розрахунок на
втомлюваність при згині:
,
Де
-
коефіцієнт форми зуба і його визначають в залежності від еквівалентної
кількості зубів:
За табл.9.10[2] вибираємо
коефіцієнт форми зуба
у
відповідності до еквівалентних кількостей зубів:
Подальший розрахунок
виконуватиметься , причому для того, для якого менше відношення:
Для шестерні:
Для колеса:
- коефіцієнт перекриття зубів. Для
прямозубих коліс:
- коефіцієнт нахилу зуба;
- для
прямозубих коліс.
,
Де
-
коефіцієнт розподіленого навантаження між зубами при виконанні розрахунку на
втомлюваність на згині.
[2,ст.164] -
для прямозубих коліс;
- коефіцієнт
розподіленого навантаження по ширині вінця: 
- коефіцієнт динамічного
навантаження,
[2,табл.9.13];
Напруження
на згині:
Зусилля в зачепленні.
Колова сила:
Осьова сила:
Радіальна сила:
. Попередній (орієнтовний)
розрахунок валів
.1 Розрахунок на кручення по
пониженим допустимим напруженням
Розрахунок виконується на
кручення за заниженими допустимими напруженнями
.
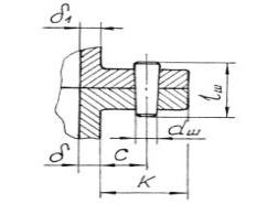
Потрібний діаметр вихідного
кінця вала
,(мм)
визначають так [2,c.293].
,
де Т - обертальний момент на
валу(
).
Послаблення вала шпонковою
канавкою необхідно компенсувати збільшенням діаметра на 5…10%.
Приймаємо згідно ГОСТ 6636-69
Діаметр тихохідного вала:
Приймаємо згідно ГОСТ 6636-69
.2 Компонування шестерні
За умови компонування конічну
шестерню звичайно розміщують на консолі вала. Для того щоб мати можливість
регулювати збіжність вершин початкових конусів конічних коліс, найчастіше вузол
конічної шестерні проектується в стакані. Підшипники слід підшипники слід
напресовувати на вал поза стаканом. Тому бажано щоб розмір шестерні da був
менший за діаметр отвору D1. Якщо ж умова da<D1 не виконується, шестерню
слід проектувати з’ємною з вала. Тоді для установки зібраного вузла в корпус та
зміни прокладок поміж фланцями стакана і корпусом потрібно щоб da<D2.
.3 Діаметр ділянки вала між
вихідним кінцем та цапфою під підшипник
Приймаємо 44 мм.
Діаметр різьби під гайкою
круглою шліцьовою приймаємо М48х1.5 (ГОСТ 8724-81), бо внутрішній діаметр
різьби має бути більший за діаметр попередньої ділянки вала (тобто 44мм).
Діаметри цапф під підшипники
Вони повинні бути трохи
більшими за діаметр різьби та кратними 5. Приймаємо
Діаметри опорного бурта
Приймаємо
Діаметр вала під шестернею
Має бути трохи меншим за
.
Приймаємо
Діаметр западин зубів
шестерні
Товщина S тіла шестерні поміж
западиною зуба і пазом для шпонки[3,c.329].
,
де
- глибина
паза втулки шпонкового з’єднання:
[4,табл.4.1]
Отже, буде вал-шестерня.
Відстані e,u та f для
ведучого вала можна прийняти за таблицею [2,табл.14.9]. Передавальний валом
момент
, отже можна
прийняти e=85мм, u=75мм та f=75мм.
Відстань між опорами веденого
вала:
де
- довжина
маточини колеса, яку орієнтовно можна прийняти:
- довжина зуба [2,c.291]
для
[2,табл.14.9].
Тоді,
;
. Основний розрахунок валів
редуктора
.1 Сили, що діють на вали
На основі вихідної схеми встановлено
напрям сил, які діють на вал (рис.5.1). При визначенні напрямку сил слід ураховувати,
що на веденному колесі колова сила є рушійною і напрямлена в бік обертання.
На ведучій шестерні колова
сила є реактивною з боку веденного колеса і напрямлена в бік протилежний
обертанню. Радіальна сила на колесах зовнішнього зачеплення напрямлена по
радіусу колеса до центра. Осьові сили в конічній прямозубій передачі завжди
напрямлені від вершин до основ конусів. На консольному кінці веденного вала
насаджено пів муфту, що створює радіальну силу
. Слід вибирати напрями дії цієї
сили найбільш несприятливими для вала(за коловою). Приймаємо
Рисунок 5.1 Розрахункова схема
редуктора
Рисунок 5.2 Розрахункова схема
ведучого вала
Реакції опор в вертикальній площині
Знак «-» ураховано напрям
реакції
Перевірка:
Згинальні моменти у
вертикальній площині:
Реакції опор у горизонтальній
площині:
Змінюємо напрям дії
, в
подальших обрахунках вважаємо її додатною.
Перевірка:
Згинальні моменти у
горизонтальній площині:

Сумарні згинальні моменти:
Обертальний момент:
Еквівалентні (приведені)
момент(за третьою теорією міцності),
:
Розрахункові діаметри вала в
характерних точках:
де
- допустиме
знакозмінне напруження для матеріалу вала. Для вала вибрана сталь 45 з межею
міцності 610 МПа [5,табл.5.3].
В цьому випадку
=55 МПа [5,табл.5.3].
Діаметр вала під шестернею
(див.рис.5.2 переріз С);
Враховуючи послаблення
перерізу посадочного місця під шестерню, розрахунковий діаметр слід збільшити
приблизно на 10%, тобто:
Діаметр
(див.п.4.5)
то слід конструктивно прийняти :
Діаметр вала під підшипник:
Діаметр вихідного кінця вала:
Приймаємо
.2 Основний розрахунок веденого вала
Реакції опор у вертикальній площині
Перевірка:
Згинальні моменти у
вертикальній площині:
Реакції опор у горизонтальній
площині:
Знак «-» ураховано на
схемі(див.рис.5.3)
Перевірка:
Згинальні моменти у
горизонтальній площині:
Перевірка:
Похибка:
Значення моменту практично
збігаються.
Сумарні згинальні моменти:
На епюрі
значення
588,41 та 587,323 практично зображені однією точкою.
Обертальний момент:
Еквівалентні (приведені)
момент(за третьою теорією міцності),
:
Розрахункові діаметри вала в
характерних точках: (матеріал вала - сталь 45).
Приймаємо
[5табл.5.1],
=55МПа[5,табл.5.3].
Діаметр вала під колесо:
Діаметр вала під підшипник:
Діаметр вихідного кінця вала:
Приймаємо
[2,табл.14.1];
Діаметр посадочного місця на
підшипники
Приймаємо
- умова міцності виконана. Діаметр
вала під колесо:
Приймаємо
Діаметр опорного бурта:
Приймаємо
[2,табл.14.1].
Рисунок 5.3 Розрахункова схема
веденого валу
6. Перевірочний розрахунок
валів на витривалість
.1 Розрахунок швидкохідного вала
Загальний коефіцієнт запасу міцності
де
,
-
коефіцієнти запасу міцності відповідно по нормальних та дотичних напруженнях.
- необхідний коефіцієнт запасу
міцності для забезпечення жорсткості [2, с.294.]
;
;
де
,
- межі
витривалості матеріалу валу при симетричних циклах відповідно вигину та
кручення. Матеріал вала - сталь 40Х поліпшена. Для легованої сталі:
[2, с.295.]
,
,
,
- відповідно амплітудні і середні
напруження циклів нормальних і дотичних напружень.
,
- ефективні коефіцієнти
концентрації напружень при згині і крученні відповідно,
,
- коефіцієнти, що враховують
зниження механічних властивостей металу, із зростанням розміру заготовок;
,
- коефіцієнти, що враховують вплив
постійної складової циклу на втомленість валу.
.1.1 Перетин В
Якщо
, знаходимо
поправочні коефіцієнти
,
[2,табл.14.2.].
При
вала з
легованої сталі
[2,табл.14.3.],
,
[2,табл.14.4.].
Моменти опору перетину
Нормальні та дотичні
напруження
При симетричному циклі
,
Запас міцності
Так, як крутний момент
являється змінним, тоді для дотичних напружень прийнято від нулевий цикл. Тоді:
Загальний запас міцності
Умови міцності і жорсткості
виконуються
. Розрахунок на міцність шпонкових
з’єднань
Підібрано призматичні шпонки із
закругленими торцями за СТ СЭВІ89-75[2,ст.4.1]
Розрахунок на зминання від
обертового моменту
виконується
за формулою
,
де
- обертовий
момент,
- діаметр валу, мм;
робоча довжина шпонки, мм;
;
- відповідно довжина і ширина
шпонки, мм;
- відповідно висота шпонки і глибина
паза вала, мм;
- допустиме напруження зминання,
МПа, приймаємо
, виходячи з того, що твердість вала
і маточини буде більша за твердість шпонки [2,ст.64]
Умова міцності на зрізі:
,
де
- допустиме
напруження зрізу, МПа,
.1 Ведучий вал
По
вибираємо
призматичну шпонку з розмірами:
,
.
Робоча довжина шпонки із умови
міцності на зминання
Довжина шпонки
Приймаємо
[2,табл.4.1]
Перевірка за напруженнями
зрізу:
Довжина ступиці:
Приймаємо шпонку
.(СТ СЭВ
189-75)
.2 Ведений вал
На валу є дві шпонки (під
колесом і на вихідному кінці валу). В цьому випадку доцільно орієнтуватися на
вибір шпонок однакового перерізу. Згідно з викладеним, для
,
Вибираємо шпонку з розмірами:
,
.[2,табл.4.1]
Робоча довжина шпонки під
колесом(
)
Довжина шпонки
Робоча довжина шпонки на
вихідному кінці вала(
)
Довжина шпонки
Приймаємо довжину шпонки
(для обох)
Перевірочний розрахунок на
зріз
Остаточно приймаємо
призматичну шпонку
.
. Розрахунок підшипників кочення.
Ведучий вал
З сторони прямозубої
циліндричної шестерні на опори діє осьове навантаження.
Рисунок 8.1 Сили що діють на
підшипники
Попередньо був вибраний
підшипник №36210
Внутрішній діаметр d = 50 мм
Поверхневий діаметр D =90 мм
Ширина B =20 мм
Кут контакту β(α) =
Динамічна вантажопідйомність
С = 33,2 кН
Статична вантажопідйомність
=27,1 кН
.1.1 Радіальні сили
підшипника, Н
=
=
=
= 
, де
,
- реакції опори А відповідно в
вертикальній і горизонтальній
площинах,
,
- реакції
опори В в вертикальній і горизонтальній площині.
8.1.2 Вибір параметра осьової сили
Так як кут контакту вибраного
підшипника β
=
,
параметр осьової сили e знаходять з відношення:
де i - число рядів тіл
кочення;
тоді
=0,0092 і
е=0,19 [6.табл. 16,3]
.1.3 Осьові складові від дії
радіальних сил, Н
.1.4 Осьові сили, що
навантажують підшипник
Для встановлення осьових сил
необхідно скласти рівняння рівноваги:
=0 (рис. 8.1) або
-
-
= 0; де
- зовнішня осьова сила, що діє в
зачеплені,
= 250,3 Н
,
- відповідно основні сили , що
навантажують підшипник А і В
В загальному випадку
, тому для
вирішення необхідно додаткові умови. [3, с. 296-297]
Приймаємо:
=
1054,12 H
=
-
=1054,12-250,3=803,82
- Умови виконано
8.1.5 Вибір коефіцієнта радіальної
і осьової сили
при
= 
=0,19 =0,19=е
Коефіцієнт
радіальної сили Х = 1
Коефіцієнт осьової
сили Y = 0
Коефіцієнт обертання V = 1
при обертанні внутрішнього кільця підшипника
Якщо:
=
= 0,19 = e то : Х = 1, Y = 0
.1.6 Еквівалентне радіальне
динамічне навантаження
При постійному режимі роботи
де
- еквівалентне радіальне
навантаження при постійному режимі роботи
,
- радіальне і осьове навантаження
на опору відповідно
- коефіцієнт безпеки, для
редукторів загального призначення.
= 1,3 [6, табл. 16,14]
- температурний коефіцієнт при
робочій температурі підшипника t<
C
= 1 [6, c. 83]
Для опори А:
Для опори В:
При середньому рівномірному
режимі (П) еквівалентне радіальне навантаження:
, де
- коефіцієнт еквівалентності,
= 0,63 [6,
с. 83]
Тоді еквівалентні радіальні
динамічні навантаження опор А і В відповідно, при середньому рівномірному
режимі:
Так як
, то в
якості робочої прийнята більш навантажена опора А.
.1.7 Необхідна динамічна на
вантажопідйомність
, де
р - коефіцієнт, що враховує
вид тіла кочення, р=3
для
шарикових підшипників [6, с. 84]
= 970
- частота
обертання вала
= t = 25200 год - задана
довговічність привода (див. пункт 3.2)
=4543,812
=
Н
= 33,2 кН
Даний підшипник має великий
запас міцності , тому для економії потрібно обрати підшипник легшої серії.
Обираємо підшипник №36310
8.2 Ведений вал
З боку прямозубої конічної шестерні
на опори діє осьове навантаження
Рисунок 8.2 Сили що діють на
підшипники
Попередній вибір підшипника:
Попередньо був вибраний
підшипник №36216
Внутрішній діаметр d=80 мм
Зовнішній діаметр D=140 мм
Ширина підшипника В=26 мм
Кут контакту β=12°
Динамічна
навантажопідйомність С=72,1 КН
Статична навантожопідйомність
=65,3 КН
.2.1 Радіальні сили
підшипника, Н
=
=
=1683 (Н)
=
=
=4250 (Н)
Де
,
- реакції
опори А відповідно в вертикальній і горизонтальній площині,
,
- реакції
опори В, відповідно в вертикальній і горизонтальній площині.
8.2.2 Вибір параметра осьової сили
Так як кут контакту вибрано
підшипник β=12°
і параметр осьової сили е знаходиться з відношення
де і - число рядів тіл кочення
(і=1).
Тоді:
=0,1572/62,3=0,0024
Приймаємо е=0,30 [6 табл.
15.6]
.2.3 Осьові складові від дії
радіальних сил
.2.4 Осьові сили, які
навантажують підшипник
Для визначення осьових сил
необхідно скласти рівняння рівноваги:
∑Z=0 (див рис. 8.2)
-
-
=0,
де
- зовнішня
осьова сила діюча в зачеплені,
,
- відповідно осьові сили, що
навантажують підшипник. Тоді приймаємо
=
=504,9 Н
=
-
=504,9-1572=-1067,1 (Н)
Умова
не
виконуються, отже осьові сили визначено неправильно, тому:
Тоді:
Умова
виконується.
Осьові
сили знайдено правильно.
.2.5 Вибір коефіцієнта
радіальної і осьової сили
При
=
1,69 >
e=0,3
Коефіцієнт радіальної сили
Z=0,45
Коефіцієнт осьової сили
Y=1,81
Коефіцієнт обертання
=1 при
обертанні внутрішнього кільця підшипника.
Якщо
=
0,29<
е=0,3
то Z=1 Y=0; V=1;
.2.6 Еквівалентне радіальне
динамічне навантаження
При постійному режимі роботи
, де
' - еквівалентне радіальне динамічне
навантаження при постійному режимі роботи;
,
- радіальне і осьове навантаження на
опору відповідно;
- коефіцієнт безпеки, для редукторів
загального призначення
=1,3
[6, табл. 7.3]
-температурний коефіцієнтпри робочій
температурі t≤100°C
=1 [6 с.83]
Для опори А:
Для опори В:
При середньому рівномірному
режимі (ІІ) еквівалентне радіальне навантаження.
,
де
-
коефіцієнт еквівалентності,
=0,63 [6 c.83]
Тоді еквівалентне радіальне
динамічне навантаження опор А і В, відповідно, при середньому рівномірному
режимі:
Так як
в якості
робочої прийнята більш напружена А
.2.7 Необхідна динамічна
вантажопідйомність
=
, де
=
=7683,546 (Н);
р - коефіцієнт, що враховує
вид тіла кочення, р=3 [6 с. 84]
=252,6
- частота
обертання вала
=t=25200 - задана довговічність
привода.
=7683,546
=55,7 кН <
=72,1 кН
. Проектування корпуса
редуктора
.1 Товщина стінок
). Основи корпуса:
де
- зовнішня
конусна відстань;
Прийнято
).
Кришка корпуса:
Прийнято:
Рисунок 9.1 Зазори
та радіуси сполучень
.2 Розміри ребер жорсткості
Товщина при основі:
Прийнято:
Висота ребер:
.3 Зазори та радіуси
сполучень
Зазори між дном корпуса та
поверхнею колеса:
де me - зовнішній
коловий модуль;
Приймаємо:
Зазор між зовнішньою
поверхнею колеса і стінкою кришки:
Радіуси сполучень:
.4 Діаметр фундаментних
болтів
(мм)
Приймаємо:
.5 Число фундаментальних
болтів
де
-довжина основи корпуса
де
-
зовнішній діаметр вершин зубців колеса;
- зазор
між зовнішньою поверхнею колеса і стінкою кришки;
-
товщина стінки основи корпуса;
де
-
зовнішня ширина корпуса;
ширина
фланця фундаментального болта;
Прийнято
.6 Діаметр болтів для
кріплення кришки з основою корпуса
;
Прийнято
.7 Крок розміщення болтів по
діаметру
.8 Розміри фланців основи
корпуса і кришки
Ширина:

.8 Розміри штифтів для
фіксації кришки і основи корпуса
Діаметр:
Приймаємо dш
=14(мм)
Довжина:
Штифт 14х45 ГОСТ 3129-70
Рисунок 9.2
Розміри фланців основи корпуса
Рисунок 9.3
Розміри штифтів для фіксації кришки і основи корпуса
Рисунок 9.4
Розміри накладних кришок підшипників
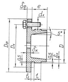
9.9 Підшипникові гнізда
.9.1 Розміри елементів накладних
кришок підшипників
Діаметр фланців
ф
=D+(4…4,4)∙ d1 ,
де D - зовнішній діаметр підшипника;1
- діаметри болтів для кріплення кришки підшипника.
Діаметр болтів d1 та їх число
знаходять з табл. 9.2 залежно від діаметра зовнішнього кільця підшипника D.
Таблиця 9.2
|
D, мм
|
40…62
|
65…95
|
100…145
|
|
d1
|
M6
|
M8
|
M10
|
|
Z
|
4
|
4
|
6
|
Ведучий вал:
де
- зовнішній діаметр стакана;
Ведений вал:
Діаметр розміщення болтів:
Ведучий вал:
Ведений вал:
Товщина стінок кришок
(глухих):
, де δ -
товщина стінки основи корпуса;
Примітка. Товщина стінок δk
наскрізних кришок вибирається залежно від типу ущільнення. Товщина фланців
кришок:
Приймаємо
.
Товщина центрувального пояска
вибирається
однаковою з товщиною зовнішніх кілець підшипників. Довжина центрувального
пояска
установлюється при проектуванні.
Матеріал кришок СЧ 20 ГОСТ
1412-85
Розміри елементів кришок
зведено в таблицю 9.3
Таблиця 9.3
|
Вали
|
міліметри
|
z
|
|
D
|
Dф
|
D1
|
δф
|
d1
|
|
|
Ведучий
|
82
|
117
|
98
|
10
|
М10
|
4
|
|
Ведений
|
80
|
115
|
96
|
10
|
М10
|
4
|
.9.2 Розміри елементів підшипникових
гнізд
Ведучий вал
Діаметр бобишок:
,
де Dф- діаметр
фланця кришки підшипника;
Прийнято
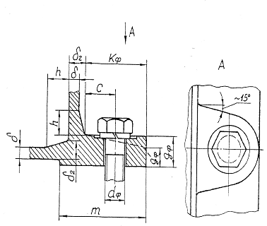
Рисунок 9.5 Розміри елементів
підшипникових гнізд
Діаметр бобики при основі:
Відстань до осей болтів:
Радіуси приливів:
Висота приливів
мм.
Радіуси приливів при основі:
де b - товщина фланця
(b=18мм)
Розміри перехідних ділянок:
=
;
=
Довжина
бобишки L встановлюється при проектуванні.
Ширина
посадочних поясків:
Приймаємо
Діаметр
виточки
:
Відстань до осей болтів:
,
де H - товщина платика;
=3…5(мм).
Ведений вал
Діаметр бобишок
,
де Dф- діаметр
фланця кришки підшипника;
Відстань до осей болтів:
Радіуси приливів:
Висота приливів:
Рисунок 9.7
Розміри фундаментальних болтів
Радіуси приливів при основі:
Розміри перехідних ділянок
=
;
=
;
[6 с.155]
Загальна ширина бобишок:
де
Н - товщина платика;
Діаметри бобишок при основі:
Приймаємо
.
Розміри фундаментних болтів
Товщина фланця:
;
;
Ширина фланця:
;
;
;
Розміри перехідних ділянок:
=
;
[6 с.155]
Ширина опорної поверхні
фланця:
;
Приймаємо
Рисунок 9.8
Основні елементи корпусних деталей
9.9.3 Інші елементи корпусних
деталей
Провушини на кришці
Товщина:
;
Рисунок 9.9 Розміри елементів кришки
редуктора
Прийнято
.
Діаметри отворів:
;
Прийнято
Радіуси скруглень:
Крюки на основі корпуса
Радіуси викружки:
;
Прийнято
Товщина:
;
Прийнято
.10 Розміри оглядового люка
та кришки
Номінальні діаметри болтів
для кріплення кришки люка і кришок підшипників рекомендується вибирати
однаковими. Розміри люків, кришок і ручки-віддушини наведені [7, рис.10.28, с.
311]= 320(мм); В = 270(мм); А1 = 390(мм); В1 = 340(мм);
Д = 290(мм), С=360(мм),
С1=70(мм), С2=180(мм).
. Змащення редуктора
.1 Змащення зубчастого зачеплення
При коловій швидкості в зачепленні V
≤ 12 м/с застосовується картерна система змащення
.1.1 Проміжний коефіцієнт
Kg=
, [8 c. 66]
,
де HHV - твердість
зубців шестерні по ВікерсуHV =235 [8 табл. Т56 с. 66]HB
=260 -
твердість по Брінелю;
σH-
розрахункове контактне напруження
σH
=445,1 МПа;- колова швидкість в зачеплені =1,28 м/с
Приймаємо V=1 м/с;g
=
=51,50;
.1.2 Розрахункова в’язкість
мастила
[8 c. 66]
Для змащення зачеплення
вибрано мастило:
Індустріальне И-100 ГОСТ
20799-88
[8 табл. Е54 с.66]
.1.3 Верхній та нижній рівні
мастила
Початкові дані:=18 (мм);0=31 (мм);a1=112,2
(мм);a2=710 (мм);=358,86 (мм);=100 (мм);е=5,1 (мм);
Максимальна глибина занурення колеса в мастильну
ванну не більше ширини зубчатого вінця колеса. Мінімальна -
(але не
менше 10 мм.)
Рисунок
10.1
Верхні та нижні рівні мастила
.1.4 Об’єм мастила в редукторі
а) Довжина ванни:
;
де
- зовнішня ширина корпуса.
Приймаємо
б) Ширина ванни:
де В - зовнішня
ширина корпуса.
Установлюється при
проектуванні.
в) Товщина мастильного шару:
;
.
;
.
г) Об'єм мастила:
;
.
;
.
.1.5 Питомий об’єм мастила
,
де P1- потужність на веденому валу
редуктора;
.2 Мастильні пристрої
.2.1 Контроль рівня мастила
Здійснюється жезловим маслопоказчиком, за
допомогою якого контролюється верхній та нижній рівні мастила в редукторі.
Конструкція і основні розміри маслопокащика наведені [8 рис. табл.29с.69]
.2.2 Пробка для масло зливного отвору
В нижній частині корпуса передбачений різьбовий
отвір для зливу відпрацьованого мастила, а також для зливу рідини після
промивання редуктора. Отвір закорковується пробкою з прокладкою. Діаметр отвору

≥20 мм. Вибрано пробку М16х2.
Конструкція і основні розміри пробки наведені [7
табл. 10.8]
.3 Змащення підшипників
.3.1 Величина критерію
[7 c.216] ,
де dп - внутрішній діаметр підшипника
на ведучому валу;
dп =50(мм);
n1 - частота обертання
ведучого вала
n1 = n2 = 970 хв-1
Оскільки
, то для змащення підшипників
застосовується пластичне мастило [7 c.216]. Вибрано мастило - Солідол жировий
УС-1 ГОСТ 1033-79. Вільний простір підшипникового вузла заповнюється мастилом ~
на 0,5 об’єму при складанні редуктора. В процесі експлуатації, періодично
(через кожні 3 місяці), поповнюється свіжим мастилом. Для подачі мастила в
підшипники застосовуються прес-маслянки. Мастило подається під тиском
спеціальним шприцом. Розміри прес-маслянок наведені
[8 табл. Т52].
.4 Ущільнюючі пристрої
Ущільнюючі пристрої застосовуються для
запобігання витікання мастила з підшипникових вузлів, а також для захисту їх
від попадання пилу, бруду і вологи. Тип і розміри ущільнень викладені [8 рис.
Т6].
10.5 Захисні пристрої
При застосуванні пластичного мастила
підшипники повинні бути відділені від внутрішньої частини корпуса. Для цього
застосовуються захисні кільця з проточками. Кільця захищають підшипники від
попадання картерного мастила, і таким чином запобігають вимиванню пластичного
мастила і утримують витікання мастила з порожнини підшипникового вузла.
Конструкція і основні розміри захисного кільця наведені [8 рис. Т18].
. Складання редуктора
Деталі, які поступають для
складання, повинні відповідати робочим кресленням і технічним вимогам на їх
виготовлення. Внутрішні поверхні основи корпусу та кришки повинні бути
пофарбовані червоною масляною фарбою. Складання редуктора проводиться згідно із
складальним кресленням і технологією складання.
.1 Ведучий вал (Вал-шестірня)
На ведучий вал насаджують захисне
кільце і напресовують підшипники , які попередньо нагріли в маслі до
температури 80°…100°С. Закладають шпонку 10х8х26.
.2 Ведений вал
В ведений вал закладають шпонку
28х16х53 і напресовують тихохідне колесо до упора в бурт вала, насаджують
захисні кільця, напресовують підшипники, які попередньо нагріті в маслі.
.3 Регулювання підшипників
Регулювання підшипників здійснюється
комплектами(набором) прокладок, які установлюються між фланцями кришки
підшипника і корпусом редуктора на веденому валу. За допомогою прокладок також
компенсується неточності лінійних розмірів спряжених деталей, які виникають при
їх виготовленні.
Прокладки штампуються із сталевої
стрічки (Сталь 08кп.ГОСТ 1050-88) товщиною 0,1; 0,2; 0,4 і 0,8мм. Осьовий зазор
компенсує температурні деформації. Цей зазор незначний (С =0,2…0,5мм), а тому
його на складальному кресленні не показують.
.4 Ведучий вал
Знімається кришка корпуса редуктора.
Ведучий вал установлюється в підшипникові гнізда основи корпусу і виставляється
в осьовому положенні так, щоб торці захисних кілець виступали за торці стінок
основи корпусу на однакові відстані δ.
В такому положенні вал фіксується на
обох опорах спеціальними притискачами. Наскрізна кришка підшипника(консольна
опора) притискується впритул до торця зовнішнього кільця підшипника. При такому
положенні кришки, вимірюється зазор між фланцем кришки і торцем основи корпусу.
По величині зазору Δ
шліфується прокладка у вигляді двох півкілець ,які вставляються з двох сторін
таким чином, щоб отвори півкілець співпадали з різьбовими отворами основи
корпусу.
Кришка з півкільцями притягується до
основи корпусу болтами. Кришка разом з прокладками притягується до основи
корпусу болтами.
.5 Ведений вал
Вал виставляється в осьовому
положенні так, щоб торці захисних кілець виступали за торці стінок основи
корпусу на однакові відстані δ.
Вал фіксується на обох опорах
спеціальними притискачами. Наскрізна кришка (консольна опора) притискується
впритул до зовнішнього кільця підшипника. Після вимірювання зазору між фланцем
кришки і торцем основи корпуса установлюють прокладку у вигляді двох півкілець,
які шліфують по розміру Δ
(рисунок 11.2) і встановлюють з двох сторін під фланець кришки таким чином, щоб
отвори півкілець співпадали з різьбовими отворами основи корпуса. Кришка разом
з півкільцями притягується болтами до основи корпусу. Зі сторони глухої кришки
комплектом прокладок між фланцем кришки і основою корпусу установлюють зазор
між торцями центрувального поясу кришки і зовнішнього кільця підшипника С
=0,4…0,6мм. Кришку разом з прокладками притягують болтами до основи корпусу.
.6 Завершальне складання
.6.1 Ведучий вал
Кришка насаджується на вал. В
шпонковий паз вставляється шпонка і напресовується ведений шків або ведена
зірочка до упора в бурт вала. В отвір вала запресовується циліндричний штифт і
закріплюється болтом кінцева шайба. Вал установлюється в гнізда основи корпусу.
.6.2 Ведений вал
Вал виймається з основи корпуса,
знімається наскрізна кришка підшипника, в кільцеву проточку якої вставляється
просочене в гарячому мастилі повстяне кільце (сальник). Кришка насаджується на
вал. В шпонковий паз вставляється шпонка і напресовується шестерня відкритої
зубчастої передачі до упора в бурт вала. В отвір вала запресовується
циліндричний штифт і закріплюються болтом кінцева шайба. Вал установлюється в
гнізда основи корпусу.
.7 Інші складальні операції
Стикові поверхні фланців основи корпуса
і кришки покривають герметиком. Кришку установлюють на основу корпусу,
запресовують конічні штифти і стягують болтами. Знімають всі кришки підшипників
з прокладками, вільні простори підшипникових вузлів заповнюються ~ на 0,5
об’єму пластичним мастилом Солідол жировий УС-1 ГОСТ 1033-79. Кришки разом з
прокладками кріплять болтами до торців корпусу редуктора.
Перевіряють відсутність заклинювання
підшипників ручним прокручування ведучого вала редуктора.
Загвинчують пресмаслянки, масло
зливну пробку з прокладкою і жезловий маслопокажчик з прокладкою. Через
оглядовий люк заливають мастило (Макра, ГОСТ), в об’ємі 4,02 л. Оглядовий люк
закривають кришкою з прокладкою і закріплюють болтами.
.8 Обкатка і випробовування
редуктора
Складений редуктор підлягає обкатці
і випробовуванню на спеціальному стенді. Обкатка здійснюється без навантаження
і під навантаженням. Обкатка і випробовування редуктора виконується
підприємством-виготовлювачем згідно з інструкцією, яка розробляється
підприємством.
Список літератури
1. Методические указания
к курсовому проекту по механике для студентов немеханических специальностей
всех форм обучения / Сост. Л.А. Силина, А.А. Билецкий, В.Н. Глядкова. -
Хмельницкий, ХТИ, - 1990. - 52 с. + 3 вкл.
. Кузьмин А.В. Расчёты
деталей машин. Справочное пособие - 3-е изд., перераб. и доп. / А.В. Кузьмин,
И.М. Чернин, Б.С. Козинцов. - Мн.: Высш. шк., 1986. - 400 с., ил
. Иванов М.Н. Детали
машин. - М.: Высш.шк., 1977.
. Чернин И.М. Расчёты
деталей машин. / И.М. Чернин, А.В. Кузьмин, Г.М. Ицкович. - Минск, «Высшая
школа», 1974. - 592 с., ил.
. Устиненко В.Л. Основы
проектирования деталей машин. / В.Л Устиненко, Н.Ф. Киркач, Р.А. Баласанян. -
Харьков: Высш. шк., 1983.
. Дунаев П.Ф.
Конструирование узлов и деталей машин. Учебн. Пособие. / П.Ф. Дунаев, О.П.
Леликов. - М.: Высш. шк., 1985.
. Чернавский С.А.,
Ицкович Г.М. и др. Проектирование механических передач : Учебно-справочное
пособие. - М.: Машиностроение, 1976. - 608с.
. Пастух І.М. Курсове
проектування приводів. Методичні вказівки для студентів механічних
спеціальностей / І.М. Пастух, Ю.Ф. Добжанський. - Хмельницький: ТУП, 1999. - 92
с.
. Гжиров Р.И. Краткий
справочник конструктора. - Л.: Машиностроение, Ленингр. отд., 1983. - 464 с.,
ил