Анализ и синтез комбинационных узлов ЭВМ и систем. Дешифратор

  • Вид работы:
    Практическое задание
  • Предмет:
    Информационное обеспечение, программирование
  • Язык:
    Русский
    ,
    Формат файла:
    MS Word
    108,76 Кб
  • Опубликовано:
    2013-11-27
Вы можете узнать стоимость помощи в написании студенческой работы.
Помощь в написании работы, которую точно примут!

Анализ и синтез комбинационных узлов ЭВМ и систем. Дешифратор

Санкт-Петербургский государственный политехнический университет

Институт информационных технологий и управления

Кафедра "Системный анализ и управление"

Лабораторная работа №1

по дисциплине "Синтез архитектуры ЭВМ и систем"

на тему "Анализ и синтез комбинационных узлов ЭВМ и систем. Дешифратор"


Выполнила: студентка группы 3082/1

Чистова Наталия Андреевна

Проверил: доцент кафедры САиУ

Громов Виктор Никифорович


Санкт-Петербург 2013 г.

План

Введение

. Синтез схемы дешифратора 3-разрядного числа

. Изучение принципа работы дешифратора К 155ИД 4 (SN74155)

Вывод

Введение

Цель работы:

Изучить принципы построения и функционирования дешифратора.

Программа работы:

- Синтезировать и начертить схему дешифратора 3-разрядного числа.

Ввести схему дешифратора и проверить его работу.

Изучить принцип работы дешифратора К 155ИД 4 (SN74155).

Начертить схему исследования дешифратора.

Исследовать работу дешифратора К 155ИД 4.

Изобразить монтажную схему дешифраторов К 155ИД 4 и SN74155.

- Выполнить сравнение обозначений выводов микросхем отечественной и импортной.

1. Синтез схемы дешифратора 3-разрядного числа

Синтез схемы дешифратора 3-разрядного числа в соответствии с переключательной функцией, приведенной в таблице 1.

Дешифратором называется логическая схема, преобразующая поступающий на ее входы код числа в управляющий сигнал, формируемый только на том ее выходе, номер которого соответствует поступившему на входы коду сигнала.

Таблица 1.

x2

x1

x0

y0

y1

y2

y3

y4

y5

y6

y7

0

0

0

0

1

0

0

0

0

0

0

0

1

0

0

1

0

1

0

0

0

0

0

0

2

0

1

0

0

1

0

0

0

0

0

3

0

1

1

0

0

0

1

0

0

0

0

4

1

0

0

0

0

0

0

1

0

0

0

5

1

0

1

0

0

0

0

0

1

0

0

6

1

1

0

0

0

0

0

0

0

1

0

7

1

1

1

0

0

0

0

0

0

0

1


Для представления данной переключательной функции в аналитической форме необходимо:

1.  Записать сумму произведений всех аргументов, причем число таких произведений равно числу наборов, на которых данная функция равна единице.

2.      Над аргументами, принимающими значения нуля в данном наборе аргументов, ставятся знаки инверсии.


,

,

,

,

,

,

,

 .

Запишем окончательный вид СДНФ:

 

По полученной СДНФ синтезируем схему дешифратора. Построим схему дешифратора на основе 3-х входовых логических элементов (см. рис. 1). Результаты работы схемы можно наблюдать с помощью индикаторов.

Рис. 1 Схема дешифратора 3-разрядного числа.

 

. Изучение принципа работы дешифратора К 155ИД 4 (SN74155)


Рассмотрим принцип работы дешифратора К 155ИД 4 (SN74155) (см. рис. 2).

Дешифратор на микросхеме К 155ИД 4 (SN74155) имеет следующее графическое представление (рис. 2):

Рис. 2. Условное обозначение ИС К 155ИД 4

В этом представлении обозначение "DC" указывает на дешифратор. Кружочки на выводах A0 - A3 и B0 - B3 говорят о том, что этот дешифратор с инверсными выходами (активный уровень низкий).

Данная микросхема может выполнять следующие функции:

·    двойного дешифратора 2 на 4

·        дешифратора 3 на 8;

·        двойного демультиплексора 1 на 4;

·        демультиплексора 1 на 8;

Демультиплексор - это коммутатор, осуществляющий передачу информации из одного входного канала в тот выходной канал, номер которого задан на входе демультиплексора.

Микросхема К 155ИД 4 имеет два адресных входа с весами 20=1 и 21=2 (выводы 3 и 13), осуществляющими выбор одного из выходов группы А и В. Например, если на входы 20 и 21 поданы две единицы, то это означает, что будут выбраны выходы с номером 3, так как 20+21=1+2=3. В дешифраторе с выходами группы А используется отдельный стробирующий вход EA (вывод 14), в дешифраторе с выводами В - вход EB (вывод 2). Для демультиплексирования на выходы А используется информационный вход DA (вывод 15), для демультиплексирования на выходы В - вход DB (вывод 1).

Если объединить входы DA (вывод 15) и DB (вывод 1), то микросхема будет работать как дешифратор 3 на 8, при этом объединенные входы будут рассматриваться как адресный вход с весом 22=4.

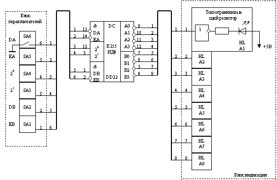
Схема для исследования ИС К 155ИД 4

Рис. 3 Дешифратор К 155ИД 4 (SN74155).

Синтезируем двойной дешифратор 2 на 4, то есть в микросхеме содержится два дешифратора, каждый из которых имеет два входа и четыре выхода. Для работы схемы в режиме дешифратора 2 на 4 нужно размокнуть ключи X и Y т.е. подать на входы 2 и 14 нули и замкнуть ключ B (подать единицу на вход 15). Для работы выходов 2Y достаточно подать нули на входы 2 и 14, для 1Y - единицы на входы 1 и 15 (замкнуть ключи A и B). Чтобы схема работала в режиме демультиплексора необходимо подать на входы 2-14 хотя бы одну единицу. Итоговая схема представлена на рис. 4.

Рис. 4 Схема для исследования дешифратора К 155ИД 4.

Если объединить входы 15 и 1, то микросхема будет работать как дешифратор 3 на 8, объединенные входы будут рассматриваться как адресный вход с весом 22=4 (см. рис. 5).

Рис. 5 Дешифратор К 155ИД 4 в режиме 3 на 8.

Вывод

дешифратор микросхема тестирование multisim

В результате выполнения работы была синтезирована схема дешифратора 3-разрядного числа, данная схема была протестирована с помощью программы Multisim 8, полученные результаты подтвердили верную работу схемы. Также был исследован в различных режимах работы серийный дешифратор К 155ИД 4 (SN74155).

В ходе выполнения данной лабораторной работы был синтезирован дешифратор 3-х разрядного числа в соответствии с заданной таблично переключательной функцией. Так же был исследован зарубежный аналог микросхемы К 155ИД 4.

Похожие работы на - Анализ и синтез комбинационных узлов ЭВМ и систем. Дешифратор

 

Не нашли материал для своей работы?
Поможем написать уникальную работу
Без плагиата!
Без нейросетей!