Автоматическая обработка экспериментальных данных
ФЕДЕРАЛЬНОЕ
АГЕНТСТВО ПО ОБРАЗОВАНИЮ
УНИИ ИТ
Кафедра «
Приборостроение, метрология и сертификация»
Курсовая
работа
по курсу
«Автоматическая
обработка экспериментальных данных»
1 Обработка детерминированного сигнала
.1 Классификация измерительных сигналов. Параметры сигналов
Измерительные сигналы - это сигналы, являющиеся физическими носителями
измерительной информацию. К ним относят:
полезные сигналы, получаемые от исследуемых, контролируемых
или управляемых объектов;
вредные сигналы или помехи, поступающие в измерительную
систему вместе с полезными сигналами или независимо от них;
помехи, возникающие внутри измерительной системы,
специально генерируемые в системе или вне ее сигналы, улучшающие работу системы
(модуляция, дискретизация и др.).
Наиболее часто в качестве сигналов используются:
сигналы постоянного уровня (постоянные электрические токи и
напряжения, давление сжатого воздуха, световой поток);
синусоидальные, сигналы (переменный электрический ток пли
напряжение);
последовательность прямоугольных импульсов (электрических
или световых).
Носителями физических сигналов используются импульсы механической,
тепловой, электрической, магнитной, акустической и световой энергии и другие ее
виды. Измерительные сигналы можно разделить на постоянные и переменные;
неслучайные и случайные; периодические, почти периодические, импульсные,
стационарные и нестационарные.
Для того чтобы исходный сигнал стал измерительным, необходимо один из его
параметров связать функциональной зависимостью с измеряемой физической
величиной. Параметр сигнала, выбранный в качестве такового, называется
информативным, а все остальные параметры - неинформативными. Процесс
преобразования исходного сигнала в измерительный, то есть преобразование одного
из параметров исходного сигнала, генерируемого некоторым источником, в
информативный параметр, называется модуляцией. В зависимости от вида модуляции
измерительные сигналы можно классифицировать следующим образом:
Сигналы постоянного уровня характеризуются лишь одним параметром и
поэтому могут быть модулированы только по уровню. Уровень сигнала является при
этом мерой измеряемой величины.
Синусоидальные сигналы могут быть модулированы по амплитуде, фазе или
частоте. В зависимости от того, какой из этих параметров сигнала является мерой
измеряемой величины, говорят об амплитудио-модулированных, фазо-моду-лированных
или частотно-модулированных сигналах.
Последовательность прямоугольных импульсов может быть модулирована по
амплитуде (амплитудно-импульсно модулированные сигналы), по частоте
(частотно-импульсно модулированные сигналы), по фазе (фазо-импульсно
модулированные сигналы) или по ширине импульсов (широтно-импульсно
модулированные сигналы). Сигнал, в котором различным значениям измеряемой
величины поставлена в соответствие определенная комбинация импульсов различного
уровня, называется кодоимпульспым, или цифровым.
В зависимости от характера изменения информативного параметра сигнала по
уровню и во времени измерительные сигналы подразделяются на:
непрерывные по уровню, или аналоговые, если их
информативный параметр может принимать любые значения в заданном диапазоне;
дискретные, или квантованные по уровню, если их
информативный параметр может принимать лишь некоторое ограниченное число
значений в пределах заданного интервала;
непрерывные во времени, если они существуют в течение всего
времени измерения и в любой момент может быть выведен на регистрацию;
дискретизироваиные, или квантованные по времени, если они
несут информацию о значении измеряемой физической величины лишь в течение
некоторых промежутков времени. К этой группе относятся, например, все виды
импульсно-модулированных сигналов.
На рисунке 1.1.1 дана одна из возможных систем классификации сигналов.
Рисунок 1.1.1 - Классификация сигналов
Сигналы в зависимости от характера изменения во времени или пространстве
делятся на непрерывные и дискретизированные (дискретные). Дискретизированные
сигналы принимают отличные от нуля значения только в определенные моменты
времени или в определенных точках пространства.
Во временной области измерительный сигнал рассматривается как функция
времени, характеристики которой содержат информацию, заключенную в сигнале.
Импульсным называется сигнал, величина которого ничтожно мала в любой
точке временной оси, за исключением некоторой конечной области.
Информативными характеристиками и параметрами импульсных сигналов
являются:
величина сигнала как функция времени;
амплитудное (максимальное) значение;
длительность сигнала;
период повторения;
крутизна переднего или заднего фронта;
площадь под сигналом;
энергия сигнала Е и т.д.
Очевидно, площадь S для всех сигналов, кроме единичной функции,
ограничена и конечна, а для единичного импульса и гауссова сигнала S=1.
Сигналы, значения которых повторяются через постоянные интервалы времени,
называются периодическими. Для периодических сигналов справедливо соотношение
(t) = x(t+kT),
где Т - период сигнала,= 0, ±1, ±2, …
Если известно поведение периодического сигнала за время Т, то полностью
известно его прошлое и будущее. Поэтому такой сигнал несет мало информации.
Однако его изучение необходимо потому, что, во-первых, знание реакции прибора
на периодический сигнал позволяет получить многие свойства при его реакции на
другие виды сигналов, а, во-вторых, периодический и, в частности,
синусоидальный сигнал используется в качестве несущего, промодулированного
полезным сигналом или помехой.

Синусоидальный
сигнал , для которого , определяется тремя параметрами: амплитудой, частотой и
фазой. Любой из этих параметров при осуществлении амплитудной, частотной или
фазовой модуляции может быть информативным.
Периодический
сигнал может быть представлен рядом Фурье
При
исследовании вибраций машин, аппаратов и устройств периодические сигналы
являются полезными измерительными сигналами.
В
измерительной технике широко применяются периодические последовательности
прямоугольных импульсов, свойства которых определяются амплитудой, периодом
повторения Т и длительностью. Применяются также пилообразные и треугольные
импульсы.
Для
периодических сигналов рассматривают среднее значение за период и среднюю
мощность. Очевидно, средняя мощность за период конечна.
Сигнал,
состоящий из конечного числа периодических составляющих, не имеющих кратного
периода, называется почти периодическим. Многие полигармонические сигналы на
практике являются почти периодическими.
Особый
класс составляют случайные сигналы, создаваемые случайными процессами в
объектах и системах, о которых имеются неполные сведения. Случайные сигналы
могут быть созданы посредством специальных генераторов. Характеристики
случайных сигналов известны только с определенной вероятностью. Случайный
сигнал х(t) полностью характеризуется бесконечным множеством реализаций,
образующих ансамбль. Взятый из этого ансамбля отдельный сигнал называется
реализацией или выборочной функцией случайного сигнала х(t).
Рассмотрим
характеристики сигналов в частотной области, с использованием преобразования
Фурье. Периодический сигнал х(t) периода Т, удовлетворяющий условиям Дирихле
(отсутствие разрывов второго рода), может быть разложен в ряд Фурье
С
помощью этого ряда периодический сигнал х(t) представлен в виде суммы
бесконечно большого числа гармонических составляющих с амплитудами
, частотами
и фазами
. Частоты гармоник кратны основной частоте, т. е.
. При указанных выше условиях (условия Дирихле) ряд
сходится, при этом чем выше порядок гармоники, тем меньше ее амплитуда.
Совокупность амплитуд гармоник
(k=0, 1,
2,...) характеризует свойства сигнала х(t) в частотной области и называется его
спектром <#"650659.files/image010.jpg">
М,
N - выбирается по шифру студенческого билета, соответственно предпоследняя и
последняя цифры.
.3
Построим графики каждого сигнала. График исходного сигнала с периодом
дискретизации 1 mс представлен на рисунке 1.
Рисунок
1 - График исходного сигнала с периодом дискретизации 1 mс
График
исходного сигнала с периодом дискретизации 10 mс представлен на рисунке 2.
Рисунок
2 - График исходного сигнала с периодом дискретизации 10 mс
График
исходного сигнала с периодом дискретизации 20 mс представлен на рисунке 3.
Рисунок
3 - График исходного сигнала с периодом дискретизации 20 mс
График исходного сигнала с периодом дискретизации 100 mс представлен на
рисунке 4.
Рисунок 4 - График исходного сигнала с периодом дискретизации 100 mс
Исходя из вида построенных графиков, можно сделать вывод о том, что увеличение
частоты дискретизации служит причиной потери значительного количества
информации об исследуемом сигнале. Для сохранения всех значений сигнала при
оцифровке необходимо пользоваться теоремой Найквиста - Котельникова, то есть
частота дискретизации должна вдвое превышать частоту самого сигнала.
.4 Построим диаграммы каждой из составляющих и проведем их развернутый
статистический анализ
Рисунок 5 - График первой составляющей сигнала
Рисунок 6 - График второй составляющей сигнала
Рисунок 7 - График третьей составляющей сигнала
Рисунок 8 - График четвертой составляющей сигнала
Рисунок 9 - График пятой составляющей сигнала
Рисунок 10 - График шестой составляющей сигнала
Рисунок 11 - График седьмой составляющей сигнала
Сигнал образован комплексом синусоид с разными значениями амплитуд и
частот. При сложении всех составляющих сигнал приобретает сложную форму,
оценить характеристики которой визуально практически невозможно.
.5 Проведем полный гармонический анализ сигнала. Построим спектр амплитуд
и спектр фаз
Суть гармонического анализа заключается в определении амплитуд и фаз
периодической функции. Совокупность же амплитуд и фаз гармоник принято называть
спектром данной функции. Гармонический анализ некоторой функции состоит в
нахождении её гармонического спектра
Рисунок 13 - Спектр фаз исходного сигнала
Определим коэффициент гармоник:
.6 По результатам гармонического анализа восстановим каждую составляющую
сигнала, построим диаграммы.
Рисунок 14 - График восстановленной первой составляющей сигнала
Рисунок 15 - График восстановленной второй составляющей сигнала
Рисунок 16 - График восстановленной третьей составляющей сигнала
Рисунок 17 - График восстановленной четвертой составляющей сигнала
Рисунок 18 - График восстановленной пятой составляющей сигнала
Рисунок 19 - График восстановленной шестой составляющей сигнала
Рисунок 20 - График восстановленной седьмой составляющей сигнала
По сравнению с оригинальными составляющими сигнала (п. 1.4)
восстановленные составляющие имеют большую амплитуду, что свидетельствует о
появлении лишней информации в сигнале и соответственно о наличии погрешности.
.7 Восстановим сигнал в целом, проведем статистическую обработку
восстановленного сигнала. Оценим точность спектрального анализа
Рисунок 21 - График исходного восстановленного сигнала
.8 По результатам гармонического анализа оценим для каждой составляющей
сигнала и для сигнала в целом СКЗ
Проведя статистическую обработку, можно сделать вывод, что исходный и
восстановленный сигналы почти полностью соответствуют друг другу. По своим
параметрам каждая из восстановленных параметров сигнала не отличается от
исходных.
.9 Проведем корреляционный анализ сигнала для интегрирования с жесткими
пределами (до 499).
Рисунок 22 - Корреляционный анализ для сигнала с жесткими пределами
.10 Проведем корреляционный анализ сигнала для интегрирования с
плавающими пределами. Сравним результаты и сделаем выводы
Рисунок 23 - Корреляционный анализ для сигнала с плавающими пределами
.11 Проведем корреляционный анализ каждой составляющей сигнала
Рисунок 24 - Корреляционный анализ первой составляющей сигнала
Рисунок 25 - Корреляционный анализ второй составляющей сигнала
Рисунок 26 - Корреляционный анализ третьей составляющей сигнала
Рисунок 27 - Корреляционный анализ четвертой составляющей сигнала
Рисунок 28 - Корреляционный анализ пятой составляющей сигнала
Рисунок 29 - Корреляционный анализ шестой составляющей сигнала
Рисунок 30 - Корреляционный анализ седьмой составляющей сигнала
.12 Проведем развернутый спектральный анализ сигнала. Сравним результаты
с результатами гармонического анализа
На рисунке 1.12.1 показан спектральный анализ сигнала по периоду.
Рисунок 1.12.1 - Спектральный анализ исследуемого сигнала по периоду
Взаимная спектральная плотность стационарно связанных процессов x(t) и
x(t + τ)
определяется через
корреляционную функцию этих процессов и является ненормированной.
На рисунке 1.12.2 представлен анализ ненормированной спектральной плотности.
Рисунок 1.12.2 - Анализ ненормированной спектральной плотности
На рисунке 1.12.3 показана спектральная плотность мощности процесса.
Рисунок 1.12.3 - Анализ спектральной плотности мощности процесса
Полученные результаты спектрального анализа совпадают с результатами
гармонического анализа, что доказывает правильность последнего. О сходстве
свидетельствуют рисунки 1.12.1, 1.12.1, 1.12.3.
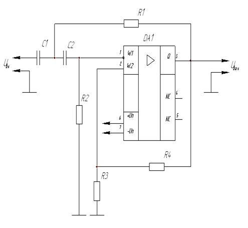
.13 Разработка фильтра верхних частот
Рисунок 1.13.1 - Схема фильтра верхних частот на ИНУН
В качестве фильтра верхних частот выберем фильтр Баттерворта, схема
реализации которого представлена на рисунке 1.13.1.
Для расчета фильтра верхних частот второго порядка Баттерворта,
обладающего заданной частотой среза fc = 332 (Гц), ωс = 2π fc = 2086
(рад/с), и коэффициентом
усиления К = 1, необходимо выполнить следующие действия:
Найдем нормированные значения коэффициентов b и c: b = 1,4142, c = 1,000.
Выберем номинальное значение емкости С1 и вычислим значения сопротивлений:



Выберем
номинальные значения, наиболее близкие к вычисленным: резистор R1 = 330 Ом (ряд
Е24) марки С2-23, допустимое отклонение от номинального значения ±5%, резистор
R2 = 22 кОм (ряд Е24) марки С2-23, допустимое отклонение от номинального
значения ±5%, резистор R3 = 1 ГОм (ряд Е24) марки Р1-34 - высокоомный резистор
точностью 2-10%, резистор R4 = 22 кОм (ряд Е24) марки С2-23, допустимое
отклонение от номинального значения ±5%.
Подберем
значение конденсатора С1 = 0,033 мкФ марки К78-2 с точностью ±5%.
Таким
образом, выбрали в качестве реализации фильтр верхних частот на ИНУН Баттерворта,
рассчитали параметры и задались номинальными значениями элементов.
. Обработка
случайного сигнала
.1 Нормальный закон распределения
Нормальным называется распределение вероятностей непрерывной случайной
величины, которое описывается плотностью вероятности
Нормальный закон распределения также называется законом Гаусса.
Нормальный закон распределения занимает центральное место в теории
вероятностей. Это обусловлено тем, что этот закон проявляется во всех случаях,
когда случайная величина является результатом действия большого числа различных
факторов. К нормальному закону приближаются все остальные законы распределения.
Можно легко показать, что параметры
и
, входящие в плотность распределения
являются соответственно математическим ожиданием и средним квадратическим
отклонением случайной величины Х.
Найдем функцию распределения F(x).
График плотности нормального распределения называется нормальной кривой
или кривой Гаусса.
Нормальная кривая обладает следующими свойствами:
) Функция определена на всей числовой оси.
) При всех х функция распределения принимает только положительные
значения.
) Ось ОХ является горизонтальной асимптотой графика плотности
вероятности, т.к. при неограниченном возрастании по абсолютной величине
аргумента х, значение функции стремится к нулю.
) Найдем экстремум функции:
Т.к. при y’ > 0 при x < m и y’ < 0 при x > m , то в точке х =
т функция имеет максимум, равный
.
) Функция является симметричной относительно прямой х = а, т.к. разность
(х - а) входит в функцию плотности распределения в квадрате.
) Для нахождения точек перегиба графика найдем вторую производную функции
плотности.
При x = m + s и x = m - s вторая производная равна нулю, а при переходе
через эти точки меняет знак, т.е. в этих точках функция имеет перегиб.
В этих точках значение функции равно
.
Кривая нормального распределения f(x) (нормальная кривая или кривая
Гаусса) приведена на рисунке 2.1.1.
Рисунок 2.1.1 - График функции плотности распределения
Построены графики при т =0 и трех возможных значениях среднего
квадратичного отклонения s = 1, s = 2 и s = 7. Как видно, при увеличении
значения среднего квадратичного отклонения график становится более пологим, а
максимальное значение уменьшается..
Если а > 0, то график сместится в положительном направлении, если а
< 0 - в отрицательном.
При а = 0 и s = 1 кривая называется нормированной. Уравнение
нормированной кривой:
Нормальный закон распределения наиболее часто встречается на практике.
Главная особенность, выделяющая его среди других законов, состоит в том, что он
является предельным законом, к которому приближаются другие законы при весьма
часто встречающихся типичных условиях.
.2 Для нормального закона распределения со следующими параметрами: μ=5,
σ=5 построим в
графическом виде и числовом виде случайный сигнал из 1000 точек
Рисунок 2.2.1 - График случайного сигнала для нормального закона
распределения
2.3 Опишем математическую модель данного сигнала
Учитывая заданные параметры, можно записать выражение для плотности
нормального распределения вероятностей случайного сигнала:
.
Графически
данная зависимость представлена на рисунке 2.3.1.
Рисунок
2.3.1 - График плотности распределения вероятности
Функция
нормального распределения представлена на рисунке 2.3.2.
Рисунок
2.3.2 - График функции распределения вероятности
.4
Используя встроенные функции МathCAD, построим гистограмму случайного сигнала
Гистограмма
случайного сигнала представлена на рисунке 2.4.1.
Рисунок 2.4.1 - Гистограмма случайного сигнала
.5 Оценим начальные и центральные моменты закона распределения сигнала
Если усредняются величины, отсчитываемые от начала координат, моменты
называются начальными, а если от центра закона распределения - центральными.
Первый начальный момент (математическое ожидание):
Второй центральный момент (дисперсия):
Среднее квадратическое отклонение:
Третий центральный момент (асимметрия):
Четвертый центральный момент (эксцесс):
.6 Проведем корреляционный анализ случайного сигнала. По результатам
сделаем выводы
Рисунок 2.6.1 - Корреляционный анализ с жесткими пределами
сигнал измерительный закон распределение амплитуда
Рисунок 2.6.2 - Корреляционный анализ с плавающими пределами
Проведя корреляционный анализ, можно сделать выводы о том, что
присутствует взаимосвязь между параметрами. Причем взаимосвязь проваляется
одинаково при корреляционном анализе с жесткими и плавающими пределами.
.7 Проведем спектральный анализ случайного сигнала.
Рисунок 2.7.1 - Спектральный анализ амплитуд по периоду
Рисунок 2.7.2 - Анализ ненормированной спектральной плотности

Рисунок 2.7.3 - Анализ спектральной плотности мощности случайного
процесса
Спектр случайного сигнала более однороден по сравнению со спектром
детерминированного сигнала, спектральный анализ которого был проведён в п.
1.12. То же можно сказать и по отношению к гармоническому анализу (п. 1.8).
Можно выделить лишь несколько составляющих с большей энергией, т.е. большей
амплитудой. Спектр практически сплошной при анализе амплитуд случайного сигнала
по периоду.
.8 Построим интегральную и дифференциальную функции распределения
случайного сигнала
Плотность распределения вероятности P(x) связана с функцией распределения
вероятности F(x) следующей зависимостью:
.
Поэтому
P(x) часто называют дифференциальной функцией распределения вероятности. Для
полной оценки случайного процесса эти показатели используются в совокупности.
Рисунок 2.8.1 - Интегральная функция распределения случайного сигнала
Рисунок 2.8.2 - Дифференциальная функция распределения случайного сигнала
Дифференциальная функция распределения огибает гистограмму случайного
сигнала. Максимальные значения этой функции соответствуют наиболее часто
встречающимся составляющим сигнала.
. Обработка
сложного сигнала
.1 Интегральная и дифференциальная функции распределения
Интегральная функция распределения (ИФР) - это функция F(x), определяющая
для каждого возможного значения x вероятность того, что случайная величина X
примет значение меньшее x, т. е.
Геометрический смысл интегральной функции распределения - это вероятность
того, что случайная величина X примет значение, которое на числовой оси лежит
левее точки x.
Свойства интегральной функции распределения:
Значения интегральной функции распределения принадлежат отрезку [0;1]:
.
Вероятность того, что случайная величина X примет значение, заключенной в
интервале (a,b), равна приращению интегральной функции распределения на этом
интервале
Если все возможные значения x случайной величины принадлежат интервалу
(a, b), то
, если
, если
График
ИФР непрерывной случайной величины представлен на рисунке 3.1.1
<#"650659.files/image193.gif">
Рисунок
3.1.1 - График ИФР непрерывной случайной величины
График
ИФР дискретной случайной величины представлен на рисунке 3.1.2
<#"650659.files/image194.gif">
Рисунок
3.1.2 - График ИФР дискретной случайной величины
Для
описания распределения вероятностей непрерывной случайной величины используется
дифференциальная функция распределения.
Дифференциальная
функция распределения (ДФР) (или плотность вероятности) - это первая
производная от интегральной функции.
Вероятность
того, что непрерывная случайная величина X примет значение, принадлежащее
интервалу (a,b), равна определенному интегралу от дифференциальной функции,
взятому в пределах от a до b.
Геометрический
смысл ДФР состоит в следующем: вероятность того, что непрерывная случайная
величина X примет значение, принадлежащее интервалу (a, b), равна площади
криволинейной трапеции, ограниченной осью x, кривой распределения f(x) и
прямыми x = a и x = b.
Графически
геометрический смысл показан на рисунке 3.1.3.
Рисунок
3.1.3 - Площадь криволинейной трапеции
График
дифференциальной функции распределения принято называть кривой распределения.
Свойства
дифференциальной функции распределения:
Дифференциальная
функция распределения неотрицательна, т. е.
Если
все возможные значения случайной величины принадлежат интервалу (a, b), то
Так
как дифференциальная функция распределения равна f(x)=F’(x), то можно записать
т. е. предел отношения вероятности того, что непрерывная случайная
величина примет значение, принадлежащее интервалу
к длине этого интервала
(при
), равен значению дифференциальной
функции распределения в точке x.
Запишем:
Вероятностный смысл дифференциальной функции распределения: вероятность
того, что случайная величина примет значение принадлежащее интервалу
приближенно равна произведению
плотности вероятности в точке x на длину интервала
или (на графике) площади
прямоугольника с основанием
и высотой f(x).
Дифференциальную функцию распределения часто называют законом
распределения вероятностей непрерывных случайных величин.
.2 Получим сложный сигнал путем суммирования сигналов задания 1 и задания
2
Рисунок 3.2.1 - Сложный сигнал, полученный путем суммирования
детерминированного сигнала из задания 1 и случайного сигнала из задания 2
.3 Опишем математическую модель данного сигнала
Экспериментально описать сложный сигнал, состоящий из суммы семи
гармонических составляющих и случайного сигнала, можно используя таблицу
значений, представленную на рисунке 3.3.1. Таблица описывает 1000 значений сложного
сигнала.
Рисунок 3.3.1 - Таблица значений сложного сигнала
.4 Построим гистограмму сигнала, интегральную и дифференциальную функции
сигнала. Оценим статистические моменты сигнала
Рисунок 3.4.1 - Гистограмма, интегральная и дифференциальная функции
сложного сигнала
Гистограмма сигнала попадает под кривую Гаусса, т.е. сложный сигнал может
быть описан нормальным законом распределения.
Определим статистические моменты сложного сигнала.
Первый начальный момент (математическое ожидание):
Второй центральный момент (дисперсия):
Среднее квадратическое отклонение:
Третий центральный момент (асимметрия):
Четвертый центральный момент (эксцесс):
.5 Проведём корреляционный анализ сложного сигнала. Построим взаимную
корреляционную функцию для сигналов задания 1 и задания 2
Рисунок 3.5.1 - Корреляционный анализ сложного сигнала
Рисунок 3.5.2 - Взаимная корреляционная функция детерминированного и
случайного сигналов
Рисунок 3.5.3 - Взаимная корреляционная функция случайного и
детерминированного сигналов
.6 Проведём спектральный анализ сложного сигнала
По результатам спектрального анализа оценим полную мощность сложного
сигнала. Сравним с результатами п. 3.5.


Рисунок 3.6.1 - Спектральный анализ амплитуд исследуемого сигнала по
периоду

Рисунок 3.6.2 - Анализ ненормированной спектральной плотности
Рисунок 3.6.3 - Анализ спектральной плотности мощности случайного
процесса
.7 Проведём центрирование процесса и повторим для центрированного
процесса п. 3.5 п. 3.6
Рисунок 3.7.1 - Корреляционный анализ сложного центрированного сигнала
Рисунок 3.7.2 - Спектральная плотность амплитуд сложного центрированного
процесса
Рисунок 3.7.3 - Взаимная спектральная плотность сложных центрированных
процессов
Рисунок 3.7.4 - Спектральная плотность мощности сложного центрированного
процесса
.8 Необходимо определить доступным методом соотношение сигнал/шум (по
интегральным параметрам и по математической модели сигнала)
Соотношение сигнал/шум может определяться как отношение дисперсий
детерминированного (задание 1) и случайного (задание 2) сигналов:
,
где
D1 - дисперсия заданного сигнала,- дисперсия случайного сигнала.
.
4. БПФ
.1 Быстрое преобразование Фурье
Суть этого алгоритма заключается в многократном членении заданной
последовательности временных отсчетов на более короткие последовательности.
Быстрое преобразование Фурье (БПФ) - это название целого ряда эффективных
алгоритмов, предназначенных для быстрого вычисления дискретно-временного ряда
Фурье. Основная проблема, возникающая при практической реализации ДВРФ,
заключена в большом количестве вычислительных операций, пропорциональном N2.
Основная идея БПФ - деление N-точечного сигнала на два и более сигнала меньшей
длины, каждый из которых можно вычислить отдельно, а затем линейно
просуммировать с остальными, с тем чтобы получить сигнал исходной N-точечной
последовательности. Эти сигналы меньшего размера можно в свою очередь поделить
на еще меньшие соответственно меньших последовательностей. В общем случае
вычисление N-точечного сигнала требует выполнения log2N шагов с операциями
сложения и операциями умножения на каждом шаге.
Алгоритм быстрого преобразования Фурье (БПФ) - это оптимизированный по
скорости способ вычисления ДПФ. Основная идея заключается в двух пунктах
1. Необходимо разделить сумму (1) из N слагаемых на две суммы по N/2
слагаемых, и вычислить их по отдельности. Для вычисления каждой из подсумм,
надо их тоже разделить на две и т.д.
2. Необходимо повторно использовать уже вычисленные слагаемые.
Применяют либо "прореживание по времени" (когда в первую сумму
попадают слагаемые с четными номерами, а во вторую - с нечетными), либо
"прореживание по частоте" (когда в первую сумму попадают первые N/2
слагаемых, а во вторую - остальные). Оба варианта равноценны. В силу специфики
алгоритма приходится применять только N, являющиеся степенями 2.
Как правило, при решении практических задач БПФ исследователь имеются
следующие данные об анализируемом сигнале:
-
матрица отсчетов во временной области, полученная после дискретизации сигнала,
где
- число отсчетов (точек).
-
частота дискретизации, необходима для правильной интерпретации полученного
спектра.
После
преобразования получают:
-
матрица отсчетов полученного спектра.
Дискретное
преобразование Фурье (ДПФ):
, k = 0,
1, …, N-1,
.
где
множитель
называется поворачивающим множителем.
Обратное
ДПФ:
, n = 0,
1, …, N-1.
Для
ДПФ справедливы все свойства интегральных преобразований Фурье, однако при этом
следует учитывать периодичность дискретных функций и спектров.
Для
вычисления каждой гармоники ДПФ необходимо N операций комплексного умножения и
сложения и соответственно N2 операций на полное выполнение ДПФ. При больших
объемах массивов данных это может приводить к существенным временным затратам.
Ускорение вычислений достигается при использовании быстрого преобразования
Фурье.
Применяя
свойства поворачивающего множителя, получим окончательное выражение БПФ:
Данный
метод позволяет снизить трудоемкость ДПФ до порядка
.
.2
Проведем спектральный анализ сигналов задания 1, задания 2 и задания 3 с
помощью встроенных в систему MathCAD функций БПФ (при анализе учесть число
точек 1000 и масштаб времени)
Рисунок
4.2.1 - Спектральный анализ сигнала 1
Рисунок
4.2.2 - Спектральный анализ сигнала 2
Рисунок 4.2.3 - Спектральный анализ сигнала 3
. Оценка
точности
.1 По результатам заданий 1, 2, 3 и 4 и по математическим моделям
сигналов оценим точность спектрального и гармонического анализа
Оценка точности проводится восстановлением сигнала гармоническим
синтезом, в том числе и для сложного сигнала.



Рисунок 5.2.1 - Оценка точности для сигнала 1
Рисунок 5.2.2 - Оценка точности для сигнала 2
Рисунок 5.2.3 - Оценка точности для сигнала 3
Также оценим точность восстановления сигналов путем анализа их спектров с
помощью встроенной функции обратного БПФ.
Рисунок 5.2.4 - Оценка точности для сигнала 1
Рисунок 5.2.5 - Оценка точности для сигнала 2
Рисунок 5.2.6 - Оценка точности для сигнала 3
Прямое обратное преобразование Фурье является наиболее точным методом
анализа спектра исследуемого сигнала, о чём свидетельствуют рисунки 5.2.4 -
5.2.6.
Список
использованных источников
Гмурман, В.Е.
Теория вероятностей и математическая статистика / В.Е. Гмурман. - М.: Высшая
школа, 1999. - 479 с.: ил.
Гутников,
В. С. Интегральная электроника в измерительных устройствах / В.С. Гутников. -
2-е изд., перераб. и доп. - Л.: Энергоатомиздат. Ленингр. отд-ние, 1988. - 304
с.: ил.
3 Джонсон,
Д. Справочник по активным фильтрам: Пер. с англ. / Д. Джонсон, Дж. Джонсон, г. Мур.
- М.: Энергоатомиздат, 1983. - 128 с.: ил.
4 Нуссбаумер
Г., Быстрые преобразования Фурье и алгоритмы вычисления сверток. - М.:Радио и
связь, 1985. - 248 с.
5 Пейтон
А. Аналоговая электроника на операционных усилителях / А. Пейтон, В. Волш. -
М.: Бином, 1994 - 352 с.: ил.