|
|
|
|
Q1
|
|
|
Q3
|
Q2
|
-
|
-
|
-
|
-
|
|
|
-
|
-
|
-
|
-
|
|
|
|
-
|
-
|
-
|
-
|
|
|
|
-
|
-
|
-
|
-
|
|
|
Q2
|
1
|
1
|
-
|
-
|
|
|
|
1
|
1
|
-
|
-
|
|
|
|
|
1
|
0
|
-
|
-
|
|
|
|
|
1
|
0
|
-
|
-
|
|
|
|
|
|
X2
|
|
|
|
|
|
|
|
|
|
|
Рисунок 2.6 - діаграми Вейча
Запишемо функції в
елементному базисі, заданому в технічному завданні:
Y1 = (Q3Q2Q1X1)v(Q3Q2Q1)
Y2 = (Q3Q2Q1X1)v(Q3Q2Q1)
Y3 = (Q3Q2Q1X2)v(Q3Q2Q1)v(Q3Q2Q1X2)
Y4 = Q3Q2
Y5 = Q3Q2Q1
J1 = Q3Q2
K1 = (Q3Q2)v(Q1X2)
J2 = Q3Q1X22 = Q3
J3 = Q3Q2Q1
K3 = Q3Q2X1
Отриманих після
мінімізації даних достатньо для побудови комбінаційних схемфункцій збудження тригерів і функцій сигналів виходів, таким чином, і всієї
комбінаційної схеми.Автомат будуємо на JK-тригерах. Автомат є синхронним, бо його роботу синхронізує генератор, а JK-тригер є керований
перепадом сигналу.
Схема даного автомату виконана
згідно з єдиною системою конструкторської документації (ЄСКД) і наведена у
документі «Автомат керуючий. Схема електрична функціональна ІАЛЦ.463626.003
Е2».
2. Синтез комбінаційних
схем
На основі «Технічного
завдання ІАЛЦ.463626.002 ТЗ» виконуємо синтез комбінаційних схем.
Умова курсової роботи
вимагає представлення функції f4 в канонічних
формах алгебр Буля, Жегалкіна, Пірса і Шеффера.
2.2 Представлення функцій f4 в канонічній
формі алгебри Буля.
В даній алгебрі
визначені функції {І, АБО, НЕ}.
f4 дднф = (
)v(
)v(
)v(
)v
v(
)v(
)v(
)v(
)
f4
дкнф = (
)(
)(
)(
)(
)
(
) (
)(
)
2.3 Представлення функцій f4 в канонічній формі алгебри Жегалкіна
В даній алгебрі
визначені функції {І, виключне АБО, const 1}.
f4 дднф = (
)v(
)v(
)v(
)v
v(
)v(
)v(
)v(
) =
((x4⊕1)(x3⊕1)(x2⊕1)x1)⊕((x4⊕1)x3x2x1)⊕
⊕(x4(x3⊕1)(x2⊕1)(x1⊕1))⊕(x4(x3⊕1)(x2⊕1)x1)⊕
⊕ (x4(x3⊕1)x2x1))⊕(x4x3(x2⊕1)(x1⊕1))⊕
⊕((x4x3)(x2⊕1)x1)⊕(x4x3x2x1) =
= x4x3x2x1 ⊕ x4x3x1 ⊕ x4x2x1 ⊕ x4x1 ⊕ x3x2x1 ⊕
⊕ x3x1 ⊕ x2x1 ⊕ x1 ⊕ x4x3x2x1 ⊕ x3x2x1 ⊕ x4x3x2x1 ⊕
2.4 Представлення функцій f4 в канонічній
формі алгебри Пірса
В даній алгебрі
визначені функції {АБО-НЕ}. Отримується із ДКНФ із застосуванням правила де Моргана і
аксіоми 0 = х
х
f4
дкнф = (
)(
)(
)(
)(
)
(
)(
)(
) = (
)

(
) 
(
)) 
(
)

(
)
(
)

(
) 
(
)
2.5 Представлення
функцій f4 в канонічній формі алгебри Шеффера
В даній алгебрі
визначені функції {І-НЕ}.
Одержуємо з ДДНФ шляхом застосування
правила Де-Моргана:
f4 дднф = (
)v(
)v(
)v(
)v
v(
)v(
)v(
)v(
) =
=(
/
/
/
)/(
/
/
/
)
.6 Визначення належності функції f4 до п’яти чудових
класів
. Дана функція зберігає нуль, так як F(0000)=0.
. Дана функція зберігає
одиницю, так як F(0000)=0.
. Дана функція не
самодвоїсна, так як F(0101)=0, F(1010)=0.
. Дана функція не
монотонна, так як F(0001)=1 < F(0010)=0.
. Дана форма нелінійна, так як
канонічна форма алгебри Жегалкіна, що отримана у підрозділі 3.3 є не лінійним поліномом.
На основі вищесказаного
робимо висновок, що функція f4 належить першим двом і не належить останнім трьом передповним
класам.
.7 Мінімізація функції f4 методом
невизначених коефіцієнтів
Ідея цього методу
полягає у відшуканні ненульових коефіцієнтів при кожній імпліканті. Рівняння
для знаходження коефіцієнтів представимо таблицею (таблиця 3.7.1). Виконаємо ви
креслення тих рядків на яких функція приймає нульові значення. Викреслимо вже
знайдені нульові коефіцієнти в тих рядках таблиці, що залишилися імпліканти, що
залишилися після виконання попередніх дій поглинають ті імпліканти, що розташовані
зправа від них.
Отримаємо СДНФ функції:
Таблиця покриття
Отримаємо МДНФ
функції:
2.8
Мінімізація функції f4 методом Квайна-Мак-Класкі
Виходячи з
таблиці істинності функції, запишемо стовпчик ДДНФ, розподіливши терми за
кількістю одиниць. Проводимо попарне склеювання між сусідніми групами. Подальше
склеювання неможливе.
Як можна
побачити, ми одержали тіж самі імпліканти, що і при мінімізації методом
невизначених коефіцієнтів. Тому результат буде той самий:
.9
Мінімізація функції f4 методом діаграм Вейча
Виконаємо
мінімізацію функції методом Вейча (рисунок 3.9.1). Цей метод дуже зручний при
мінімізації функції з кількістю аргументів до чотирьох включно. Кожна клітинка
відповідає констітуєнті, а прямокутник з кількох клітинок - імпліканті.
Рисунок 3.9.1 -
мінімізацію функції методом Вейча
2.10 Спільна мінімізація
функцій f1, f2, f3
Щоб
одержати схеми з мінімальними параметрами необхідно виконати сумісну
мінімізацію системи функцій та їх заперечень.
Виконаємо мінімізацію
системи функцій f1, f2, f3, заданих таблицею
істинності (технічного завдання ІАЛЦ.463626.002 ТЗ) методом діаграм Вейча
(рисунок 3.10.1).
Рисунок 3.10.1 -
мінімізацію системи функцій f1, f2, f3
Виведемо перші чотирі
нормальні формі:
І/АБО
І-НЕ/І-НЕ
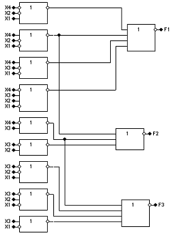
Реалізуємо системи функцій f1,
f2,
f3 на
елементах І-НЕ/І-НЕ. Реалізація функцій в
заданому елементному базисі представлена на рисунку 3.10.2.
Виконаємо мінімізацію
заперечень невизначених систем функцій f1, f2, f3, заданих таблицею істинності (технічного завдання ІАЛЦ.463626.002
ТЗ) методом діаграм Вейча (рисунок 3.11.1).
Рисунок 3.11.1 -
мінімізація заперечень функцій
Виведемо перші чотирі
нормальні формі:
І/АБО-НЕ
І-НЕ/І
АБО-І
АБО-НЕ/АБО-НЕ
Реалізуємо системи функцій f1, f2, f3 на елементах АБО-НЕ/АБО-НЕ.
Реалізація функцій в заданому
елементному базисі представлена на рисунку
3.11.2.
Рисунок 3.11.2 - схема
систем функцій f1, f2, f3
2.12 Одержання операторних форм для реалізації на ПЛМ
Одержимо операторне
представлення функцій на ПЛМ.
На ПЛМ можна реалізувати
форми {І/АБО, І/АБО-НЕ}.
І/АБО: Всього 4
змінні, 9мплікант, 3 функції.
І/АБО-НЕ: Всього
4 змінні, 9мплікант, 3 функції.
Тому не має
різниці яку ПЛМ обрати. Для зразку оберемо ПЛМ(4,9,3).
Побудуємо карту
програмування ПЛМ (рисунок 3.12.1).
Рисунок 3.12.1 -
мнемонічна схема ПЛМ
Висновок
Метою даної роботи було
закріпити навички абстрактного та структурного синтезу автомата по заданому
алгоритму роботи. При синтезі автомата було використане сусіднє кодування, яке
бажано робити для більш правильної та стабільної праці пристрою. Також постало
питання мінімізації систем функцій для зменшення кількості логічних елементів
та збільшення швидкодії схеми. Схема автомата представлена в документі «Керуючий
автомат. Схема електрична функціональна». Автомат побудований на JK-тригерах і логічних
елементах 3АБО, 4І, НЕ. Практичне застосування даного автомату можливо у галузі
обчислювальної техніки.
У розділі «Синтез
комбінаційних схем» виконана мінімізація функції різними методами. Також
виконана сумісна мінімізація функцій. Були побудовані комбінаційні схеми, що
відповідає технічному завданню. При побудові комбінаційних схем було показано
доцільність та ефективність сумісної мінімізації кількох функцій.
При побудові
комбінаційних схем було показано доцільність та ефективність сумісної
мінімізації кількох функцій.
Усі схеми та керуючий
автомат були перевірені в программі AFDK 3.0. Перевірка дала позитивні результати.
Також я покращив навички
оформлення текстову конструкторську документацію відповідно до діючих
стандартів.
Список літератури
функція матриця автомат мілі
1) Жабін В.І.,Ткаченко В.В. Логические основы и схемотехника
цифровых ЭВМ.-Київ ТОО "Век+",1999.
) Жабiн В.I., Ткаченко В.В., Клименко I.А., Жуков I.A. Прикладна
теорiя цифрових автоматiв НАУ, 2007
) Савельєв А.Я. Арифметические и логические основы цифровых автоматов.-
Москва: Энергия,1974 г.
) Поспелов Д.А. Логические методы анализа и синтеза схем.- Москва:
Энергия,1974г.
5) Хоуп Г. «Проектирование цифровых вычислительных машин и
интегральных схем. » Москва: Мир, 1984 г.