Рабочее место литейщика

  • Вид работы:
    Реферат
  • Предмет:
    Безопасность жизнедеятельности
  • Язык:
    Русский
    ,
    Формат файла:
    MS Word
    770,64 Кб
  • Опубликовано:
    2013-08-18
Вы можете узнать стоимость помощи в написании студенческой работы.
Помощь в написании работы, которую точно примут!

Рабочее место литейщика

Введение

Интенсивное использование природных ресурсов и загрязнение окружающей среды, широкое внедрение техники, систем механизации и автоматизации во все сферы общественно-производственной деятельности сопровождается появлением и широким распространением различных природных, техногенных, биологических и других опасностей. Все это создает реальные предпосылки для улучшения условий труда, повышения его безопасности, снижение уровня профессиональных заболеваний.

Решение проблемы безопасности жизнедеятельности состоит в обеспечении нормальных, комфортных условий производственной деятельности людей, ы защите человека и окружающей его производственной среды от воздействия вредных факторов, превышающих нормативно-допустимые уровни. Поддержание оптимальных условий деятельности и отдыха человека создает предпосылки для высокой работоспособности и продуктивности.

Обеспечение безопасности труда и отдыха способствует сохранению жизни и здоровья людей за счет снижения травматизма и заболеваемости.

Одним из перспективных направлений производства является литейное. В то же время с точки зрения охраны труда и окружающей среды литейное производство является одной из проблемных отраслей промышленности.

Таким образом, учитывая все вышеизложенное, можно говорить об актуальности и необходимости изучения условий труда в цехе литья под давлением как одного из типичных представителей литейного производства.

1. Задачи техники безопасности

Техника безопасности (ТБ) - это ряд технических и организационных мероприятий, направленных на создание безопасных условий труда на производстве.

Мероприятия вырабатываются на основании исследования производственных процессов, изучения средств производства и основных трудовых приемов. Изучение требований ТБ является обязанностью каждого рабочего.

Система управления охраной труда (СУОТ). Основным принципом государственной политики в области охраны труда является обеспечение приоритета жизни и здоровья работников по отношению к результатам производственной деятельности.

Цель СУОТ - обеспечить безопасные и нормальные условия труда для работников на всех стадиях производственного процесса; создать условия, при которых обеспечивается не только своевременное устранение каких-либо нарушений норм по охране труда, но и предупреждение возможности их возникновения.

Государственное управление охраной труда осуществляется Правительством Российской Федерации непосредственно или по его поручению федеральным органом исполнительной власти, осуществляющим функции по выработке государственной политики и нормативно-правовому регулированию в сфере труда, а также другими федеральными органами исполнительной власти в пределах их полномочий.

На предприятиях существуют специальные отделы ТБ, комиссии охраны труда и инспектора, контролирующие условия труда работающих.

Техника безопасности на территории завода. Каждый рабочий, поступающий на предприятие, в обязательном порядке должен ознакомиться с правилами поведения на территории завода.

На территории завода (во дворе, здании, на подъездных путях) рабочий должен быть внимательным. Запрещается входить в цехи и участки (компрессорную, генераторную, электростанцию и другие помещения), на дверях которых имеется надпись «Посторонним вход строго воспрещен».

Железнодорожные пути и автомагистрали, расположенные на территории предприятия, нужно переходить в специально установленных местах, обращая внимание на предупредительные сигналы. При закрытом шлагбауме или сигнале о приближении поезда или автомашины переходить пути запрещается.

Следует обходить места погрузки. Категорически запрещается находиться под грузом.

2. Организация работы цеха литья под давлением


Цех литья под давлением состоит из следующих отделений: шихтового, плавильного, литейного, очистного, участка контроля, склада готовой продукции и пресс-форм, мастерской по ремонту оборудования и пресс-форм (рис. 1).

В шихтовом отделении 1 находятся весы для развески шихты, пила для резки чушек металла и бункера для хранения шихтовых материалов с вместимостью, достаточной, чтобы обеспечить работу цеха в течение суток.

Особенностью литья под давлением является большой расход металла на литниковую систему, масса которой составляет 30-100% массы отливки. Это необходимо учитывать при определении вместимости бункеров, предназначенных для хранения отходов.

В шихтовом отделении должны быть предусмотрены машины для транспортировки шихты в плавильное отделение.

Плавильное отделение 2 расположено между шихтовым и литейным и оборудовано плавильными печами в соответствии с применяемыми сплавами и производственной мощностью литейного отделения. Для транспортировки расплава от плавильных печей к раздаточным проложены монорельсовые пути. В плавильном отделении установлена мощная вытяжная вентиляция.

Рис. 1. Планировка цеха литья под давлением

В литейных отделениях 4 и 5 расположены машины для литья под давлением, раздаточно-подогревательные печи и подъемно-транспортное оборудование (кран-балка, тельфер или монорельс с тельферами).

Машины для литья под давлением должны быть размещены так, чтобы можно было свободно подойти к любой из них и производить ремонт и демонтаж одной машины без остановки других. Около машины устанавливают переносные экраны или стационарные ограждения, предназначенные для защиты работающих от брызг расплава при неплотном закрытии пресс-формы.

В литейном отделении устанавливают общую и местную (у каждой машины) вентиляцию, пол устилают чугунными рифлеными плитками, прокладывают канализационные каналы для отвода масла и эмульсии.

Насосно-аккумуляторное отделение 3 располагается рядом с литейным. Здесь устанавливают насосы с аккумуляторами, питающими литейные машины, не имеющие встроенных насосов и аккумуляторов. Большинство современных машин выпускают со встроенными насосами и аккумуляторами. Машины, не имеющие встроенных насосов, обслуживаются центральной насосно-аккумуляторной станцией. При этом затраты на ремонт насосов и расход электроэнергии значительно меньше, а ремонт отдельных насосов и аккумуляторов не вызывает простоев литейных машин. При большом количестве машин необходимую их мощность обеспечивают несколько насосно-аккумуляторных станций.

Отделение очистки 6, как правило, занимает большую производственную площадь. В очистном отделении производят обработку литников и промывников, запиловку заусенцев и поверхностей отливки.

Баковые литники и промывники небольшого сечения обламывают вручную, массивные литники обрезают дисковыми и ленточными пилами. Центральные литники обрезают на токарных станках или в специальных обрезных штампах на эксцентриковых (или пневматических) прессах при массовом производстве. Отходы отливок из очистного отделения удаляются ленточными конвейерами 10.

В массовом производстве зачистку и обрубку отливок выполняют на поточных линиях. Отливки после зачистки хранят в специальных ящиках и контейнерах с гнездами, чтобы предохранить их от повреждений и облегчить учет.

На участок контроля 11 отливки поступают после зачистки для окончательной проверки годности и соответствия их чертежу. На участке контроля должны находиться контрольно-измерительные приборы, необходимые для проверки размеров, а также оборудование, на котором разрезают отливки для контроля их размеров и равностенности. После проверки годные отливки клеймят. Участок контроля должен примыкать к складу готовой продукции.

Склад готовой продукции 7 представляет собой помещение со стеллажами, на которые ставят ящики с готовыми отливками. Каждая партия отливок снабжается маршрутной картой, где указывают их количество, назначение и т.д. Склад должен иметь подъемно-транспортное оборудование для перемещения ящиков с отливками.

При кооперации заводов отливки из специализированных цехов и заводов литья под давлением перевозят на заводы-потребители. В связи с этим на складах готовой продукции организуют упаковку готовых отливок в специальную тару или контейнеры для защиты их от повреждений при транспортировке. Для этого применяют картонные коробки, мягкие прокладки, перегородки и т.д.

Отделение ремонта 8 представляет собой инструментально-механическую ремонтную мастерскую. В крупных цехах отделение ремонта пресс-форм и ремонта машин разделены.

В ремонтном отделении производят ремонт пресс-форм, а также доводку литников и вентиляционных каналов при опробовании новых пресс-форм.

В ремонтном отделении установлено следующее оборудование: токарно-винторезный, универсально-фрезерный, сверлильный, шлифовальный станки, винтовой пресс для запрессовки и распрессовки втулок, колонок и вкладышей, кран-балка или монорельс с электроподъемником.

Все пресс-формы после изготовления отливок поступают в ремонтную мастерскую, откуда их после осмотра, очистки передают на склад форм 9. Кроме того, в отделении выполняют техническое обслуживание и ремонт машин по графику.

3. Рациональная организация рабочего места литейщика

Рабочее место литейщика должно быть организовано рационально. На рис. 2 изображена схема наиболее удобного расположения оборудования. Основным требованием при этом является обеспечение безопасных проходов, проездов, свободного доступа к оборудованию и максимальной защиты рабочего от возможности получения травм (табл. 1).

Требования к размещению машин для литья под давлением

Параметры

Числовые значения

Ширина литейного зала при расположении литейных машин в два ряда, м

=>12

Расстояние между литейными машинами в зависимости от габаритных размеров машин, м

3,0-4,0

Расстояние между осями, м:


машин модели 511

=>3,0*

машин модели 71108

=>3,5*

машин модели 71109

=>4,0*

Расстояние от печи до машины, м (примерно)

0,5-1,0 *

Минимальная ширина прохода для подноски металла, м

2,0

Расстояние между щитом и машиной со стороны обслуживания, м

=>1,5

Расстояние от стенки или щита до машины (с торцовой стороны машины), м

1,0*

Высота защитных стальных щитов **, м

=>2,5


* Значение рекомендуемых величин.

** Ширина защитных щитов, устанавливаемых вдоль машин, между машинами и вдоль наружной стороны, должна быть больше длины машины на 0,4-0,6 м.

Наиболее удобным можно считать расположение раздаточной печи 3 со стороны камеры прессования машины 4. Расстояние между краем печи и наиболее выступающими частями машины около 500 мм; вторая ось печи может быть смещена на 250 мм от центра машины в сторону рабочего места 5 литейщика. Высота печи над уровнем пола должна быть не более 800 мм, чтобы рабочему было удобно зачерпывать металл.

К пусковой аппаратуре насоса 1 и запорному вентилю аккумулятора 2 должен быть свободный подход. Для защиты литейщика от внезапного выброса металла из формы служат щиты 6, которые должны быть переносными и устанавливаться в наиболее опасных местах.

Оборудование и рабочее место надо содержать в чистоте. Литейщик должен аккуратно обращаться с пресс-формой и машиной. От правильного обслуживания пресс-формы и машины зависит срок их службы и качество получаемых деталей.

С целью обеспечения максимальной производительности труда и более полного использования машинного времени литейщики полностью освобождены от всех вспомогательных операций.

Расплав из плавильного отделения в раздаточно-подогревательные печи подают вспомогательные рабочие-разливщики. Устанавливают пресс-форму на машину и налаживают ее слесари-ремонтники и наладчики, обслуживающие оборудование цеха. Отливки в процессе литья через небольшие промежутки времени проверяют контролеры.

Рис. 2. Схема рационального расположения оборудования на рабочем месте литейщика

При таком разделении труда литейщик все рабочее время тратит непосредственно на производство отливок.

При работе машины в три смены своевременное начало работы обеспечивается заблаговременной (за час до смены) установкой пресс-форм и опробованием машины наладчиком до начала смены.

При работе машин в две смены третья смена является подготовительной. В течение третьей смены слесари-ремонтники и наладчики полностью подготавливают оборудование и оснастку для работы в первой и второй сменах.

Нормальную работу оборудования обеспечивает правильная организация ремонта. На многих заводах внедрен узловой метод ремонта машин, при котором по установленному графику основные узлы машины заменяют другими, предварительно укомплектованными. Этот метод резко сокращает время проведения ремонта. После ремонта литейную машину принимает мастер соответствующего участка.

литейщик рабочий цех организация

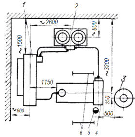
Рис. 3. Рабочее место литейщика на машине литья под давлением

Рабочее место литейщика (рис. 3) находится непосредственно у машины 8, на которую устанавливают пресс-форму 4 для получения отливки. С правой стороны от машины расположена раздаточно-подогревательная печь 5.

Пусковая аппаратура насоса 11 и аккумулятор 1 расположены за машиной и не мешают свободному проходу рабочего. С обеих сторон от машины установлены защитные экраны 3.

Щипцы для захвата отливок, разливочные ложки, банки со смазкой хранят в специальном шкафу 9. Во время работы пользуются смазкой, находящейся в бачке 6.

Щит с приборами 10, контролирующими технологический процесс, располагают так, чтобы литейщику было удобно вести контроль.

На рабочем месте устанавливают ящик 7 или стеллаж для хранения готовых отливок, а также ящик для сборки отходов. Рабочее место оборудуют местным освещением и вентиляцией 2.

В обязанности литейщика входит наблюдение за температурой и состоянием металла в печи, за температурой пресс-формы, очистка, смазка и обдувка пресс-формы, заливка расплава, наблюдение за процессом прессования, осмотр отливок и выполнение других операций, связанных непосредственно с обслуживанием машины.

4. Производственная санитария


Для того чтобы создать благоприятные санитарно-гигиенические условия в литейных цехах, избежать профессиональных заболеваний и травм, необходимо соблюдать правила производственной санитарии.

Температура воздуха в холодное время года в литейном цехе должна быть не ниже +15°С, а в теплое время года не больше чем на 5° выше наружной температуры воздуха.

Агрегаты и оборудование, дающие тепловые излучения, и участки с повышенными концентрациями пыли и газов, должны быть оборудованы общей и местной приточно-вытяжной вентиляцией, обеспечивающей снижение содержания в воздухе ядовитых паров и газов до концентрации не выше санитарных норм.

Все производственные и санитарно-бытовые помещения должны быть хорошо освещены, для этого в крыше и стенах литейного цеха устраивают стеклянные фонари (окна), пропускающие дневной свет. Фонари очищают от пыли и копоти не реже одного раза в три месяца. Применяют также подвесные светильники с лампами накаливания и люминесцентными лампами общего и местного освещения. Кроме того, при отделке и осмотре пресс-форм применяют переносные лампы.

В течение рабочего дня и после каждой смены рабочие места, проходы и проезды должны убираться.

После работы литейщик обязательно должен принять горячий душ и переодеться в чистую одежду. Спецодежду надо оставлять в специальном шкафу, находящемся в гардеробной душа. Желательно иметь два комплекта спецодежды, чтобы поочередно отдавать их в стирку и ремонт.

5. Противопожарные мероприятия

Во избежание пожаров необходимо соблюдать правила противопожарной безопасности. Основные из них следующие:

-       курить разрешается только в специально отведенных для этого местах;

-       хранить горючие и воспламеняющиеся материалы разрешается в специально оборудованных кладовых вне цеха; нельзя оставлять на рабочих местах масляные тряпки;

-       цех должен быть оборудован противопожарными средствами: огнетушителями, брандспойтами со шлангами, ящиками с песком,

-       лопатами и баграми, кнопочной электросигнализацией для вызова пожарной команды, а также дежурным освещением;

-       в цехах должны быть предусмотрены пожарные проезды, необходимо следить за тем, чтобы проезды и проходы цеха не загромождались, чтобы был обеспечен свободный доступ к противопожарным средствам и сигнализации.

Для того чтобы гасить обычные горючие материалы (древесину и т.д.), следует пользоваться брандспойтом, а легко воспламеняющиеся и горючие жидкости (бензин, керосин, масло) - огнетушителями; горящий магний надо засыпать флюсом и песком. Категорически запрещается гасить горящий магний водой, так как при этом может произойти взрыв.

Похожие работы на - Рабочее место литейщика

 

Не нашли материал для своей работы?
Поможем написать уникальную работу
Без плагиата!
Без нейросетей!