Технология и техника строительства разведочной скважины №5 Берямбинского месторождения
Оглавление
Введение
. Общая часть
1.1 Географо-экономическая
характеристика района работ
.2 Геолого-геофизическая
изученность
2. Геологическая часть
.1 Проектный
литолого-стратиграфический разрез
.2 Тектоника
.3 Нефтегазоносность
2.4 Гидрогеологическая
характеристика разреза
.5 Возможные осложнения при
строительстве скважины
. Методическая часть
3.1 Назначение скважины
.2 Отбор керна и шлама
.3 Геофизические исследования
.4 Опробование и испытание
перспективных горизонтов
.5 Лабораторные исследования
4. Производственно-техническая
часть
4.1 Выбор способа бурения
.2 Обоснование и проектирование конструкции скважины
.2.1 Обоснование конструкции эксплуатационного забоя
.2.2 Совмещённый график давлений
4.2.3 Определение числа колонн и
глубины их cпуска
.2.4 Выбор интервалов цементирования
4.2.5 Определение диаметров обсадных колонн и скважины под
каждую колонну
4.2.6 Проектирование обвязки устья
скважины
.3 Расчет обсадных колонн
.3.1 Расчет эксплуатационной обсадной
колонны
.3.2 Расчет 2-й промежуточной колонны
.3.3 Расчет 1-й промежуточной колонны
.3.4 Расчет кондуктора
.3.5 Расчет направления
4.4 Выбор состава технологической оснастки обсадных колонн
.5 Подготовка и спуск обсадных колонн
.6 Цементирование обсадных колонн
4.6.1 Расчет цементирования
эксплуатационной колонны 146.1мм
.6.2 Расчет цементирования 2-й
промежуточной колонны 219.1мм
.6.3 Расчет цементирования 1-й
промежуточной колонны 298.5мм
.6.4 Расчет цементирования кондуктора
426мм
.6.5 Расчет цементирования
направления 530мм
4.7 Проектирование процесса
углубления скважины
4.7.1 Выбор буровых долот
4.7.2 Расчет осевой нагрузки на долото по интервалам горных
пород
4.7.3 Расчет частоты вращения долота
4.7.4 Расчет необходимого расхода бурового раствора
4.7.5 Выбор компоновки и расчет
бурильной колонны
4.8 Обоснование типов и компонентного состава буровых
растворов при бурении технологического и эксплуатационного участков скважины
.9 Выбор бурового оборудования
. Специальная часть
.1 Безглинистые полимерные буровые растворы
.2 Буровые растворы на основе шлам-легнина
.3 Рекомендуемые реагенты
.4 Утяжеленные буровые растворы
.5 Безглинистый ингибированный биополимерный буровой раствор
для бурения под солевых отложений
.6 Выводы и рекомендации
. Охрана труда и окружающей среды
.1 Охрана труда в нефтегазовой промышленности
.2 Основные опасные и вредные производственные факторы
.3 Основные мероприятия по обеспечению безопасных, здоровых
условий труда при ведении проектируемых работ
.3.1 Организация работ по охране труда
.3.2 Санитарно-гигиенические условия труда. Климатические
условия труда
.4 Загазованность и запыленность воздуха рабочей зоны
.4.1 Освещение производственных помещений
.4.2 Шум и вибрация
.5 Безопасность производственных процессов
.5.1 Электробезопасность
.5.2 Обеспечение безопасности производственного оборудования,
технических устройств, инструмента
.6 Пожарная безопасность
.6.1 Предупреждение загрязнения почвы
. Организационно-экономическая часть
.1 Краткая характеристика места работ
.2 Проектные данные
.3 Организация производства работ
.4 Смета на строительство скважины
Список литературы
Введение
Данные для составления дипломного проекта были собраны во время
прохождения практики.
1. Общая часть
.1 Географо-экономическая характеристика района работ
Берямбинское месторождение находится в Кежемском районе Красноярского
края (приложение А). Ближайшими крупными населенными пунктами являются п.
Кодинск (в 40км к западу), где находится аэродром, и п. Заледеево (в 65км к
западу), где есть речная пристань. Железнодорожная станция Карабула
располагается в 250км юго-западнее месторождения. Дороги на Берябинском
месторождении представлены: насыпной гравийной от поселка Заледеево, лесовозной
грунтовой и зимником газо- и нефтепроводы в районе работ отсутствуют. Ближайшими
месторождениями, запасы газа которых поставлены на Государственный баланс
полезных ископаемых РФ, являются Агалеевское и Имбинское.
Бурение скважин на месторождении осуществляет Сибирская сервисная
компания ССК.
Теплоснабжение буровых осуществляется с помощью котельной установки
ПКН-2М, электроснабжение: ДВС- АСДА-200, АСДА -100.
В качестве строительных материалов на буровых применяется
песчано-гравийная смесь речных долин. Лес, вырубленный на площадке
строительства, используется для строительства фундаментов. В соседних районах
открыты месторождения золота, угля, магнезита, марганца, сурьмы.
Территория расположена в зоне тайги, что определяет её значительную
залесённость. В долинах рек в незначительном количестве распространены болота и
торфяники.
Рельеф местности представляет собой пологохолмистое плато, приподнятое
над уровнем моря в среднем на 500м и сильно расчлененное гидросетью.
По участку работ (район скв.1) протекают малые реки: Ерма, Ермушка, на
северо-западе (район скв.179, 2) - Питерма, Берямба, Богодачанка (левый приток
р. Берямба), Прямушка, на юге - основная водная магистраль в регионе - р.
Ангара, которая в пределах площади имеет ширину до 2000 м, глубину 3.2м,
скорость течения - 1.5м/сек. Все речки имеют горно-таежный характер и изобилуют
перекатами. Скорость их течения от 0.5м/сек на плесах до 2.7м/сек на перекатах.
Широко распространена многолетняя мерзлота, имеющая островной характер и
приуроченная к долинам рек. Глубина ее распространения от 2 до 5м.
Климат района работ резко континентальный. Температура летом в июле -до
39 °С, зимой в январе - до минус 62 °С. Средняя годовая температура
отрицательная и колеблется от минус 3.7 до минус 8 оС. Снежный
покров достигает 1.0 м.
Ледостав на водоёмах начинается с середины октября, а устойчивые для
передвижения гусеничного транспорта ледовые переправы возможны с декабря по май
месяцы. Район работ относится к зоне малой сейсмичности (не более 5 баллов).
Таблица 1.1.
|
Наименование, единица измерения
|
Значение (текст, название, величина)
|
|
Площадь (месторождение)
|
Берямбинская
|
|
Блок (номер и/или название)
|
Бер 5,
|
|
Административное расположение:
|
|
|
- республика
|
Российская Федерация
|
|
- область (край)
|
Красноярский
|
|
- район
|
Кежемский
|
|
Год ввода площади в бурение:
|
1999
|
|
Год ввода площади в эксплуатацию:
|
|
|
Температура воздуха, °С:
|
|
|
- среднегодовая
|
- 8
|
|
- наибольшая летняя
|
+ 35
|
|
- наименьшая зимняя
|
-62
|
|
Среднегодовое количество осадков, мм
|
350
|
|
Максимальная глубина промерзания грунта, м
|
1,5
|
|
Продолжительность отопительного периода в году, сут
|
254
|
|
Продолжительность зимнего периода в году, сут
|
210
|
|
Азимут преобладающего направления ветра, град
|
Зима: Ю-З; Лето: С
|
|
Наибольшая скорость ветра, м/с
|
32
|
|
Средняя скорость ветра, м/с
|
2-3
|
|
Метеорологический пояс (при работе в море)
|
Резко-континентальный
|
|
Количество штормовых дней (при работе в море)
|
|
|
Интервал залегания многолетнемерзлой породы, м
|
|
|
кровля
|
0
|
|
подошва
|
60
|
|
Сведения о площадке строительства буровой
|
|
Рельеф местности
|
Холмистый
|
|
Состояние местности
|
Заболоченная
|
|
Толщина, см:
|
|
|
снежного покрова
|
80
|
|
почвенного слоя
|
10-15
|
|
Растительный покров
|
Лес, кустарник
|
|
Категория грунта
|
Вторая
|
.2 Геолого-геофизическая изученность
Начало изучения геологического строения района проектируемых работ
относится к началу XX столетия. В настоящее время вся территория региона
покрыта геологическими съемками различных масштабов (1:200 000, 1:50 000),
гравиметровой масштаба 1:200 000, аэромагнитной масштаба 1:100 000. Впервые
Ковинская антиклиналь была намечена в 1957 году геологической съемкой масштаба
1:1 000 000.
Планомерные геофизические исследования нефтегазопоискового характера на
данной территории начались с 1972г. сейсморазведочными работами по методике 2-х
кратного профилирования. Региональные маршрутные электроразведочные работы,
проведенные в 1980-81 гг. в восточной части зоны Ангарских складок. Было
высказано предположение о наличие терригенных венд-нижнекембрийских отложений,
с которыми связываются основные перспективы нефтегазопоисковых работ, выделены
контрастные зоны значительного уменьшения проводимости в низах разреза
осадочного чехла, что может быть связано с насыщением этих отложений
углеводородами.
Ковинская антиклиналь, как отмечалось выше, намечена геологической
съемкой масштаба 1:1000 000 еще в 1957 году. В дальнейшем наличие Ковинской
антиклинальной складки было подтверждено всеми проведенными геологоразведочными
работами, от геологической съемки до сейсморазведочных работ МОГТ. По
результатам структурно-поисковых работ 1975 г (Сивков Г.Ф., м-б 1:100 000)
закартированы Ковинская и Берямбинская антиклинали. В 1993-95 гг. в восточной
части Ангарских складок были проведены сейсморазведочные работы МОГТ и
электроразведочные ЗСБ (Дека, 1996 г). В результате этих работ выявлено
крупнейшее в регионе структура второго порядка - Берямбинское поднятие в южной
части которого располагается Ковинская антиклиналь.
2. Геологическая часть
.1 Проектный литолого-стратиграфический разрез
Проектный литолого-стратиграфический разрез составлен по материалам
геологической съемки, глубокого и колонкового бурения на Берямбинской,
Агалеевской, Имбинской и Ильбокичской площадях, а также с учетом проведенных в
регионе сейсморазведочных, электроразведочных работ.
При проектной глубине скважины 3990м предполагается вскрыть четвертичных
отложений -10м, кембрийских - 2090м, венд-нижнекембрийских - 120м, вендских -
1040м, отложений рифея- 730м.
Литолого-стратиграфический разрез представлен отложениями рифея, венда,
кембрия.
Протерозойская группа - PR
Рифей-R
В разрезе рифея выделяется 12 толщ (снизу-вверх) - зелендуконская,
вэдрэшевская, мадринская, юрубченская, долгоктинская, куюмбинская, копчерская,
юктенская, рассолкинская, винголъдинская, токурская, ирэмэкэнская. Все они, за
исключением зелендуконской, объединены в камовскую серию. Проектом
предполагается вскрыть лишь куюмбинскую толщу рифейских отложений.
Средний рифей - R2
Куюмбинская толща - R2kmb
Толща сложена, преимущественно, фитогенно-обломочными и
пластово-строматолитовыми доломитами и представляет собой чередование различных
по мощности пачек светло-серого, серого и темно-серого цветов.
Серые и светло-серые разности имеют розоватый и зеленоватый оттенки,
тонко- и скрытозернистые, иногда неяснослоистые за счет чередования более или
менее светлых разностей. Доломиты трещиноватые, кавернозные. Трещиноватость
разнонаправленная, открытая и закрытая.
Вендская система - V
Расчленение разрезов и характеристика свит по вендским и кембрийским
отложениям дана в соответствии со стратиграфической схемой, утвержденной на
расширенном заседании Бюро МСК СССР (Межведомственный стратиграфический комитет)
27 января 1988 г в городе Баку.
Образования венда с угловым несогласием залегают на различных горизонтах
рифейских отложений и породах фундамента. В их составе выделяются ванаварская,
оскобинская, катангская и собинская свиты.
Оскобинская свита - V osk
Оскобинская свита с размывом и угловым несогласием залегает на отложениях
рифея.
Свита, представлена доломитами глинистыми, алевролитами и песчаниками.
Алевролиты оскобинской свиты темно- зеленовато-серые, серые, темно-серые,
иногда красновато-коричневые и светло-серые, полимиктовые, слюдистые, слоистые,
неравномерно по разрезу глинистые, ангидритистые, песчанистые и доломитистые.
Катангская свита - V ktg
Катангская свита с размывом залегает на породах оскобинской свиты.
Свита сложена часто чередующимися аргиллитами, доломитовыми аргиллитами,
мергелями, глинистыми доломитами, доломитами и ангидритами. Цвет пород серый,
зеленовато-серый, темно-серый, иногда красновато-коричневый.
Собинская свита - V sb
Свита, сложена доломитами с подчиненным развитием глинистых доломитов и
доломитовых мергелей. Цвет пород серый, коричневато-серый и зеленовато-серый.
Ангидрит присутствует в виде мелких включений пластинчатых кристаллов, мелких
гнезд и тонких прослойков. В основании свиты встречается песчанистый материал.
Породы плотные, иногда трещиноватые.
Нерасчлененные венд - нижний кембрий V - €1
Тэтэрская свита - V -€1 tt
Свита, сложена доломитами, глинистыми доломитами, доломитовыми мергелями,
доломитистыми аргиллитами и ангидритами. Цвет пород серый, зеленовато-серый,
иногда темно-серый и коричневато-серый. Ангидрит присутствует в виде мелких
включений кристаллов, гнезд и тонких прослойков. Породы плотные, редко
трещиноватые.
Палеозойская группа - PZ
Кембрийская система -€
Нижний кембрий - €1
Усольская свита -€1 us
Свита, представлена чередующимися пластами и пачками каменной соли и
доломитов, часто ангидритистых и глинистых, редко встречаются прослои
ангидритов и доломито-ангидритов. В нижней части свиты выделяется осинский
горизонт.
Осинский горизонт представлен доломитами, доломитизированными
известняками и известняками, иногда водорослевыми, со стиллолитовыми швами. В
нижней части преобладают пласты известняков и ангидритистых известняков, в
верхней части, помимо того, часто присутствуют прослои глинистых доломитов и
доломитовых мергелей. Цвет пород серый, темно-серый, коричневато-серый,
зеленовато- и светло-серый. Доломиты и известняки, часто битуминозные с резким
запахом углеводородов, иногда пористые, кавернозные и трещиноватые.
Каменная соль бесцветная, прозрачная, иногда белая и розовато-белая,
крупнокристаллическая.
Доломиты, глинистые доломиты и ангидириты серые, светло-серые,
темно-серые и зеленовато-серые, часто засолоненные.
Бельская свита - €1 bls
Свита четко подразделена на две подсвиты.
Нижняя подсвита- €,dls
Нижняя подсвита сложена неравномерно чередующимися пластами доломитов,
известняков и глинистых доломитов. Доломиты и известняки серые, темно-серые,
иногда коричневато-серые, мелко- и среднезернистые, массивные и слоистые
(строматолитовые), со стиллолитовыми швами. В породах иногда содержатся
включения кремня в виде мелких линз и стяжений. Встречаются прослои каменной
соли. Глинистые доломиты серые, зеленовато-серые, редко коричневато-серые,
волнистослоистые, тонкоплитчатые.
Верхняя подсвита- €,dlsr
Верхняя подсвита содержит в своем составе чередующиеся пласты каменной
соли, доломитов и глинистых доломитов. Каменная соль бесцветная прозрачная,
белая и светло-серая, среднекристаллическая. Доломиты и глинистые доломиты
серые, светло-серые и зеленовато-серые, неравномерно ангидритистые (до
доломито-ангидритов) В верхней подсвите встречается интрузия долеритов
мощностью 80 м.
Булайская свита - €1 bul
Свита, сложена серыми и темно-серыми доломитами средне - зернистыми и
мелкозернистыми, иногда известковистыми, массивными и слоистыми
(водорослевыми). Для пород характерна неравномерная битуминозность и изредка
кавернозность. Каверны мелкие, чаще всего изолированные, заполненные вторичными
карбонатами и сульфатами, что придает породам мелкопятнистый облик.
К основанию свиты приурочен сейсмический горизонт К.
Нижний средний кембрий - €1-2
Ангарская свита - €1-2 an
Отложения представлены пачками и пластами каменной соли, доломитов,
доломито-ангидритов и глинистых доломитов.
Доломиты серые, темно-серые и светло-серые, иногда коричневато-серые
тонко- и мелкозернистые, неравномерно ангидритистые, неравномерно глинистые,
массивные и слоистые, со стиллолитовыми швами.
Доломито-ангидриты серые и светло-серые, мелко- и среднезернистые,
массивные, иногда глинистые.
Глинистые доломиты серые, зеленовато-серые, светло-серые, неравномерно
ангидритистые, слоистые.
Каменная соль бесцветная, прозрачная, иногда белая и розовато-белая,
крупнокристаллическая.
Верхний-средний кембрий - € 2-3
Эвенкийская свита - € 2-3 ev
Свита, сложена алевролитами с редкими прослоями доломитов, иногда
известняков. Алевролиты красновато-коричневые, пятнами и линзами
зеленовато-серые, горизонтально- и волнистослоистые, тонкоплитчатые,
неравномерно доломитистые. В породах часто встречаются тонкие прослойки,
прожилки и гнезда розоватого гипса и ангидрита.
Доломиты и известняки серые, темно-серые и зеленовато-серые, тонко- и
мелкозернистые, неравномерно глинистые, иногда алевритистые. Отложения свиты
иногда включают маломощные тела долеритов.
Четвертичная система Q
На размытой поверхности неогеновых отложений залегают
осадки четвертичной системы, литологический состав которых весьма разнообразен.
В основании залегают типичные ледниковые образования:
гравий, галька, валуны.
Выше залегают озерно-аллювиальные глины серые,
перекрытые отложениями торфа.
Верхи представлены пачкой аллювиальных образований,
сложенных супесями, суглинками, наносными песками.
Проектный литолого-стратиграфический разрез представлен в таблице 2.1.1
Таблица 2.1.1 Литолого-стратиграфическая
характеристика разреза скважины
|
Стратиграфическое подразделение
|
Глубина залегания, м
|
Мощность, м
|
Элементы залегания (падения) пластов по подошве
|
Стандартное описание горной породы: полное название,
характерные признаки, (структура, текстура, минеральный состав и так далее)
|
|
Название
|
Индекс
|
От (кровля)
|
До (подошва)
|
|
угол,° '
|
азимут, °
|
|
|
1
|
2
|
3
|
4
|
5
|
6
|
7
|
8
|
|
Четвертичные
|
Q
|
0
|
10
|
10
|
до 1˚
|
|
Супеси, суглинки,галька.
|
|
Эвенкийская
|
Є2-3
|
10
|
160
|
150
|
до 1˚
|
|
Алевролиты, реже песчаники
|
|
Литвинцевская
|
Є 1-2lt
|
160
|
310
|
150
|
до 1˚
|
|
Известняки кавернозные, трещиноватые; доломиты
тонкозернистые местами пористые, песчаники, алевролиты.
|
|
Ангарская
|
Є 1an
|
310
|
560
|
250
|
до 1˚
|
|
Доломиты тонкозернистые, трещиноватые. аргиллиты и
алевролиты гипс
|
|
Булайская
|
Є 1bul
|
560
|
650
|
90
|
до 1˚
|
|
Доломиты известковистые, глинистые, мелкозернистые
|
|
Верхнебельская
|
Є 1bls
|
650
|
1050
|
400
|
до 1˚
|
|
Известняки, мергели доломитовые, доломиты глинистые,
ангидриты. Каменная соль
|
|
Нижнебельская
|
Є 1bls
|
1050
|
1450
|
400
|
до 1˚
|
|
Известняки, доломиты мелкозернистые, местами кавернозные и
трещиноватые. Каменная соль
|
|
Усольская
|
Є 1us
|
1450
|
2100
|
650
|
6-10
|
|
Доломиты, глинистые доломиты, доломито-ангидриты, кам.соль,
долериты
|
|
Тэтэрская
|
V-Є 1tt
|
2100
|
2220
|
120
|
6-10
|
|
Доломиты, глинистые доломиты
|
|
Собинская
|
Vsb
|
2220
|
2520
|
300
|
|
|
Доломиты, глинистые доломиты, доломито-ангидриты, кам.соль,
долериты
|
|
Катангская
|
Vktg
|
2520
|
2800
|
280
|
6-10
|
|
Доломиты глинистые, доломиты, иногда трещиноватые и
кавернозные
|
|
Мошаковская
|
V-R3mc
|
2800
|
2900
|
100
|
6-10
|
|
Алевролиты, песчаники,
аргиллиты, доломиты
|
|
Чистяковская
|
V-R3cs
|
2900
|
3010
|
110
|
6-10
|
|
Алевролиты, аргиллиты, песчаники
|
|
Алешинская
|
V-R3al
|
3010
|
3260
|
250
|
6-10
|
|
Алевролиты, песчаники, аргиллиты
|
|
Рифей
|
R
|
3260
|
3990
|
730
|
|
|
Доломиты, алевролиты, аргиллиты, песчаники
|
.2 Тектоника
Берямбинская разведочная скважина №5. закладывается на структуре III
порядка - Ковинской антиклинали. Ковинская антиклиналь в тектоническом
отношении расположена в юго-восточной части Ангарской гряды, которая, в свою
очередь, выделяется в юго-западной части Сибирской платформы. В геологическом
строении региона работ выделяется два структурно-тектонических этажа:
кристаллический фундамент и платформенный чехол. Кристаллический фундамент
представляет собой гетерогенное образование, сформировавшееся в результате
многостадийных тектонических движений. В строении фундамента отчетливо
проявляется блоковый характер. В целом кристаллический фундамент представлен
метаморфическими породами архейского-нижнепротерозойского возраста. Глубина
залегания фундамента варьирует от 5 до 10км. Фундамент разбит сложной,
разнонаправленной системой разломов, которые определили его блоковое строение и
связанную с этим структуру осадочного чехла. В структурном отношении
Берямбинская площадь по поверхности фундамента (Ляхов, 1994) располагается в
зоне сочленения Чуно-Бирюсинского и Ковинского авлакогена. Формирование
платформенного чехла рассматриваемой территории происходило в несколько этапов.
Каждому этапу соответствует определенный структурно-формационный комплекс. В
строении платформенного чехла выделяется четыре структурно-фациальных
комплекса: рифейский, венд-среднепалеозойский, верхнепалеозойско-триасовый,
юрско-меловой. В проектируемом регионе в строении чехла принимают участие два
нижних структурно-формационных комплекса. Рифейский структурно-формационный
комплекс сложен терригенно-карбонатными породами. Прогнозируемая мощность по
геофизическим данным составляет 5-7км. По поверхности рифейского комплекса
рассматриваемая территория расположена в восточной части Иркинеевского
грабенообразного прогиба. Основными структурными элементами прогиба являются
ассиметричные антиклинали с плоскими сводами и крутыми флексуурообразными
крыльями и сопряженные с ними синклинали с плоскими днищами.
Венд-среднепалеозойский структурно-формационный комплекс с угловым и
стратиграфическим несогласием перекрывает рифейский комплекс. Представлен
тер-ригенно-карбонатными отложениями от венда до ордовика. В конкретном случае,
в пределах Ковинской антиклинали, комплекс представлен отложениями от венда до
эвенкийской свиты. По отложениям комплекса проектируемая площадь располагается
в восточной части Ангарской гряды - надпорядковой структуры субширотного
простирания. Ангарская гряда (или по последним отчетным сейсморазведочным
работам зона Ангарских складок - ЗАС) является надпорядковой структурой и
граничит также с надпорядковыми структурами: Байкитской антеклизой, Катангским
мегавыступом и Присаяно-Енисейской синеклизой.
.3 Нефтегазоносность
В нефтегазоносном отношении Берямбинская площадь расположена в
юго-восточной части Байкитской нефтегазоносной области (НГО), которая в свою
очередь располагается в юго-восточной части Лено-Тунгусской нефтегазоносной
провинции (НГП). Принадлежность площади к Байкитской НГО небесспорна, так как
по результатам глубокого бурения на Имбинской, Ильбокичской и Агалеевской
площадях можно сделать вывод, что данная территория по ряду факторов может
принадлежать к Катангской НГО Лено-Тунгусской НГП. В пределах Берямбинского
поднятия верхняя карбонатная часть рифея почти полностью размыта. Возможно в
пределах Ковинской антиклинали незначительная часть карбонатных отложений
(порядка 50-100 м) дольчиковской свиты осталась неразмыта. Подстилает ее мощная
терригенная толща семеновской свиты. Возможен вариант выхода отложений
семеновской свиты на эрозионную поверхность рифея. По данным электроразведки
ЗСБ (Мачульский, Третьяков, 1985 г.) терригенные отложения семеновской свиты
имеют неравнозначные значения проводимости в пределах региона, что предполагает
наличие коллектора в семеновской свите и заполнение его флюидами. Причем,
уменьшение проводимости в оводовых частях структур, авторами объясняется
характером насыщения коллектора. В пределах сводовых частей поднятий в зоне
низких значений проводимости предполагается существование залежей УВ, а высокая
проводимость на крыльях структур объясняется заполнением коллектора
высокоминерализованными водами. Региональным экраном в целом для вендского
резервуара служит галогенная пачка подосинской части усольской свиты нижнего
кембрия. Зональными покрышками могут служить глинисто-сульфатные и отчасти
карбонатно-глинисто-сульфатные пачки, широко развитые в собинской, катангской
и, особенно, в оскобинской свитах. К категории локальных покрышек относятся
пласты и пачки аргиллитов, доломитовых мергелей и ангидритистых, глинистых
доломитов.
На основании данных испытаний, наличия коллекторов, фактических давлений
на соседних площадях, в отложениях венда в пределах Берямбинской площади
прогнозируется газоконденсатная многопластовая залежь с нефтяной оторочкой на
уровне вендских отложений и газонефтяная - в отложениях рифея.
Таблица 2.3.1 Нефтегазоносность
|
Индекс пласта
|
Интервал залежи, м
|
Тип флюида
|
Плотность, кг/м3
|
Относительная плотность газа по воздуху
|
Содержание, %
|
Средний дебит, м3/сут. тыс.м3/сут.
|
Температура в пласте, 0С
|
Пластовое давление, МПа
|
|
От (верх)
|
До (низ)
|
|
|
|
Серы
|
Парафина
|
|
|
|
|
|
1
|
2
|
3
|
4
|
5
|
6
|
8
|
9
|
10
|
12
|
13
|
14
|
|
AV-1
|
1203
|
1249
|
Газ+конденсат
|
0.8224-0.8457
|
0.6
|
нет
|
нет
|
Газ -65 тыс. м3/сут конденсат-5.4 м3/сут
|
18
|
18.5
|
83
|
|
А-V-2
|
1256
|
1294
|
Газ+конденсат
|
0.8224-0.8457
|
0.6
|
нет
|
нет
|
Газ -65 тыс. м3/сут конденсат-5.4 м3/сут
|
18
|
18.5
|
83
|
|
R
|
3260
|
3990
|
Газ+конденсат
|
0.866
|
0.719
|
нет
|
нет
|
Газ -339 тыс. м3/сут конденсат-102.4 м3/сут
|
42-48
|
45.1
|
116
|
.4 Гидрогеологическая характеристика разреза
Площадь проектируемых работ расположена в пределах Тунгусского
артезианского бассейна.
В пределах проектируемой площади водоносные горизонты и комплексы
объединены в три гидрогеологические формации (сверху вниз): надсолевую,
соленосную и подсолевую.
Надсолевая гидрогеологическая формация составляет верхнюю часть разреза
от четвертичных до пермокарбоновых отложений включительно. Эти отложения в
значительной степени дренируются речной сетью и находятся в зоне свободного
водообмена. Для водоносных комплексов надсолевой формации характерна
пространственная невыдержанность как обводненных, так и водоупорных прослоев.
Это обусловлено значительной фациальной изменчивостью отложений пермо,карбона,
особенностями распространения зон трещиноватости в туфогенной толще триаса и
широким развитием многолетнемерзлых пород, оказывающих наиболее существенное
влияние на водоносность четвертичных отложений. Водоносные горизонты большей
частью безнапорные. Вскрываются, в основном, в естественных выходах в.виде
серии родников и источников дебитами от тысячной доли до первых метров
кубических в секунду.
Соленосная гидрогеологическая формация включает нижне-среднекембрийский
галогенно-карбонатный водоносный комплекс, объединяющий горизонты ангарской,
булайской и усольской свит.
Водовмещающими являются трещиноватые кавернозные доломиты и известняки,
водоупорами для них служат пласты каменной соли или плотные сульфат-карбонатные
и глинистые породы. Поглощения бурового раствора различной интенсивности
отмечались в ангарской, бельской и усольской свитах.
Подсолевая гидрогеологическая формация объединяет венд-нижнекембрийский
карбонатный, вендский терригенный и рифенскцй терригенно-карбонатный
Из терригенных отложений ванаварской свиты получен приток пластовой воды.
Гидрогеологические показатели нефтеносности района работ достаточно
благоприятны, широкое распространение высокоминерализованных (до320 г/л и
более), высокометаморфизованных рассолов хлоркальциевого типа по В.А. Сулину с
повышенным содержанием брома (до 2,2 г/л), бора (до 31 мг/л и более), йода (до 33
мг/л) и пониженными концентрациями сульфат-нона (менее 0,3 г/л) указывает на
положительную в отношении нефтегазоносностн гидрогеохимическую обстановку
данного региона. Водораствореные газы азотно-метановые, содержание тяжелых
углеводородов достигает 3-6%. Высокое отношение гелия к аргону (в среднем 2,5)
указывает на хорошую закрытость недр.
.5 Возможные осложнения при сооружении скважины
Таблица 2.5.1 Осложнения при сооружении скважины
|
Интервал, м
|
Вид, характеристика осложнения
|
Условия возникновения осложнений
|
|
от (верх)
|
до (низ)
|
|
|
|
0
|
15
|
Обвалы стенок скважин, кавернообразование, поглощение
промывочной жидкости
|
При бурении слабосцементированных пород
|
|
15
|
310
|
Обвалы стенок скважин, кавернообразование, поглощение
промывочной жидкости, зашламование, прихватообразование, водопроявление
|
При бурении слабосцементированных пород
|
|
310
|
650
|
Кавернообразование, поглощение промывочной жидкости
|
При прохождении соленосных отложений за счет вымывания кам.
соли вследствие несоблюдения технологии бурения
|
|
650
|
1450
|
Кавернообразование, поглощение промывочной жидкости,
газопроявления
|
При прохождении соленосных отложений, кавернозных,
сильнотрещиноватых, брекчированных карбонатных пород, продуктивных пластов в
случае несоблюдения технологии бурения
|
|
1450
|
2100
|
Кавернообразование, поглощение промывочной жидкости
|
При прохождении соленосных отложений, трещиноватых
долеритов в случае несоблюдения технологии бурения
|
|
2100
|
3010
|
Кавернообразование, поглощение промывочной жидкости,
газопроявления
|
При прохождении соленосных отложений, трещиноватых
долеритов, терригенных пород, продуктивных пластов
|
|
3010
|
3260
|
Кавернообразование, осыпи стенок, сужение ствола скважины
|
За счет осыпания и набухания плитчатых аргиллитов
|
|
3260
|
3990
|
Кавернообразование, обвалы стенок, сужение ствола скважины,
прихват бурового инструмента, поглощение промывочной жидкости,
нефтегазоводопроявления
|
При набухании плитчатых аргиллитов, пласты коллектора,
продуктивные отложения
|
3. Методическая часть
.1 Назначение скважины
Данным проектом предусматривается пробурить разведочную скважину. При
бурении разведочной скважины № 5 на Берямбинской площади поставлена следующая
цель:
1. Получение промышленно-значимого притока флюида.
Бурением разведочной скважины № 5 на Берямбинской площади планируется
решить следующие задачи:
1. Детальная разведка продуктивного горизонта;
2. Выбор оптимального комплекса средств для строительства скважины.
. Вскрытие проектного перспективного на газ горизонта на глубину
3990м;
. Выделение во вскрытом разрезе пластов-коллекторов и флюидоупоров
и оценку продуктивности пластов по совокупности геолого-геофизических данных;
. Выделение, опробование и испытание газонасыщенных пластов,
получение притоков газа;
. Определение физико-химических свойств флюидов в пластовых и
поверхностных условиях и фильтрационно-емкостных характеристик пластов;
. Изучение физических свойств коллекторов по данным лабораторного
исследования керна и по материалам ГИС; предварительная геометризация
продуктивных горизонтов.
Поставленные перед разведочной скважиной задачи будут решаться
последовательно в процессе бурения до глубины 3990м и после окончания бурения
следующими методами:
1. Отбор керна из перспективного
горизонта рифея, суммарная проходка с отбором керна составит 110м; проведение
утвержденного для данного региона комплекса геофизических исследований скважин,
с целью изучения геологического разреза, выделения продуктивных горизонтов и
контроля за техническим состоянием ствола скважин;
2. Опробование выделенных перспективных
объектов на приток в процессе бурения; испытание скважины в эксплуатационной
колонне на различных режимах; исследование продуктивных горизонтов;
3. Проведение работ по интенсификации
притоков газа;
4. Отбор и лабораторные исследования
образцов пород и проб пластовых флюидов с целью изучения их физико-химических
свойств; изучение сейсмогеологических характеристик вскрываемого разреза.
.2 Отбор керна и шлама
Исходя из целей и задач разведочной скважины №5 на Берямбинской площади,
согласно «Методических указаний по ведению работ на стадиях поисков и разведки
месторождений нефти и газа», разведочной скважины №5.предусматривается отбор
керна и шлама. Наблюдение и контроль за технологией отбора и выносом керна
осуществляется геологической службой организации, ведущей буровые работы.
Работники геологической службы должны обязательно присутствовать на скважине
при каждом подъеме колонкового долота и извлечения керна. Достоверная привязка
керна к разрезу скважины производится с помощью периодических контрольных
промеров бурового инструмента, результаты которых заносятся в геологический
журнал и оформляются соответствующим актом. При возникновении необходимости
оценки остаточной водо-газонасыщенности керн после извлечения должен быть
немедленно герметизирован в следующей последовательности: полиэтиленовый пакет,
марля, пропитанная расплавленным парафином, парафин. Отбор керна планируется
проводить в отложениях рифея снарядом К-187/80. Плановый вынос керна 80%.
Категория пород по трудности отбора керна - вторая. Шлам отбирается по всему
стволу скважины через 5м проходки, а в интервалах с повышенными газопоказаниями
шлам необходимо отбирать через 2м проходки.
.3 Геофизические исследования
Для более точной корреляции отложений вскрываемого разреза, определения
литологического состава и глубины залегания стратиграфических горизонтов,
выделения пород-коллекторов, определения качественной и количественной
характеристик насыщения, выделенных пластов, осуществления контроля за
техническим состоянием ствола скважины в разведочной скважине № 5 проводится
комплекс геофизических исследований. Геофизические исследования проводятся в
соответствии с «Технической инструкцией по геофизическим исследованиям в
скважинах», «Правилами геофизических исследований и работ в нефтяных и газовых
скважинах» (утвержденными 28.12.1999 г, пр. № 445/323), а также. Обязательного
комплекса геофизических исследований для разреза разведочных скважин Сибирской
платформы и Временного минимального комплекса ГИС для контроля технического
состояния скважин.
Проектом предусматривается выполнение общих исследований во всем
интервале вскрываемых в скважине отложений в масштабе глубин 1:500 и детальных
исследований в масштабе 1:200 по всему разрезу предполагаемой продуктивной
части отложений. Обязательный комплекс геофизических исследований включает в
себя:
перед спуском кондуктора в масштабе 1:500 - БК, АК, ГГК-П, профилеметрию,
инклинометрию (Инк.) через 20 метров, ГК, НГК, термометрию (ТС.),
резистивиметрию (РС). После цементажа кондуктора АКЦ, ОЦК-Терм.
перед спуском промежуточной колонны в масштабе 1:500 - БК. АК, ГГК-П. ГК.
НГК, Инк, профилемер, ТС, РС. После цементажа промежуточной колонны АКЦ,
ОЦК-Терм.
перед спуском второй промежуточной колонны в масштабе 1:500 - БК. АК,
ГГК-П. ГК. НГК, Инк, профилемер, ТС, РС. После цементажа промежуточной колонны
АКЦ, ОЦК-Терм.
перед спуском эксплуатационной колонны в масштабе 1:500 проводятся КС,
ПС, БК, АК, ГГК-П, ГК, НГК, Инк., профилемер, ТС. После цементажа колонны АКЦ,
ОЦК-Терм, СГДТ.
На уровне продуктивной части разреза по результатам каротажа в масштабе
1:500 проводятся исследования в масштабе глубин 1:200 - ПС, КС, БКЗ, ИК, БК,
БМК, ГК, НГК, ГГК-П, АК, ДС, Проф, ТС, Инкл., РС.
ГТИ в интервале 0-3990м. Инклинометрия проводится с шагом равным 20
метров. До проведения - ИП, ГДК, ОПК проводится запись БК, ГК, НГК, Профилемер.
В случае получения притока пластового флюида проводится повторный каротаж в
объеме БК, ГК,НГК. При испытании через колонну, привязка интервала перфорации
проводится записью ЛМ, ГК, НГК, ТС до перфорации, после перфорации проводят ЛМ
и ТС. При проведении технологических работ по изоляции зон поглощения,
связанных с отложениями усольской и собинской свит, предусматривается проводить
работы по определению технического состояния ствола скважины: ДС, профилемер,
Г'К, ТС, резистивиметрия., инклинометрия. Сведения по проектируемому комплексу
ГИС приводятся в таблице 3.1.1
Таблица 3.3.1 Сведения по проектируемому комплексу ГИС
|
Забой скважины
|
Виды исследований, их целевое назначение
|
Масштаб записи
|
Интервалы исследований
|
Примечание
|
|
|
|
от
|
до
|
|
|
1
|
2
|
3
|
4
|
5
|
6
|
|
630
|
ГК, НГК,АК,ТС
|
1:500
|
120
|
680
|
|
|
БК, Инк, Проф., РС, ДС, ГГК-П.
|
1:500
|
170
|
680
|
|
|
1100
|
ДС. Проф.
|
1:500
|
660
|
1100
|
|
|
1500
|
ДС. Проф.
|
1:500
|
660
|
1680
|
|
|
БК, РС.
|
1:500
|
680
|
1680
|
|
|
ГК, НГК, АК, ТС, Инк.,
|
1:500
|
630
|
1680
|
|
|
2800
|
ДС. Проф.
|
1:500
|
660
|
2700
|
|
|
БК, ГК, НГК, АК, ТС, Инк., РС
|
1:500
|
1630
|
2700
|
|
|
АКЦ, ОЦК-Терм.
|
1:500
|
0
|
2700
|
*
|
|
ГК. НГК, АК, ТС
|
1:500
|
2650
|
3570
|
|
|
БК, Инк, РС, ДС,
|
1:500
|
2700
|
3570
|
|
|
АКЦ, ОЦК-Терм.
|
1:500
|
0
|
3570
|
*
|
|
3990
|
ДС. Проф.
|
1:500
|
2680
|
3990
|
|
|
ПС, КС, БК, ГК, НГК. АК,ТС,РС,Инк.
|
1:500
|
3520
|
3990
|
|
|
ПС, КС, БКЗ, ИК, БК разноглуб., БМК. ГК, НГК, ГГК-П, АК,
ДС, ТС, РС. Проф., Инк.
|
1:200
|
3570
|
3990
|
|
|
АКЦ. ОЦК-Терм., СК,
|
1:500
|
0
|
39900
|
*
|
|
ВСП, СГДТ-НМ
|
|
|
|
|
* - После спуска и цементажа колонны. ГТИ в интервале 0-3990 м.
Геолого-технологические исследования (ГТИ) предусматривают:
) При решении геологических задач макро и микроскопию шлама
фракционный анализ шлама
определение карбонатных пород
люминисцентный анализ шлама и бурового раствора
оценку пористости и плотности шлама
определение объемного и суммарного газосодержания бурового раствора
непрерывное
измерение компонентного состава углеводородного газа, извлеченного из
раствора
периодическая термовакуумная дегазация проб шлама и бурового раствора
) При измерении и определении технологических параметров
глубину скважины и механическую скорость проходки
вес на крюке и нагрузка на долото
давление бурового раствора на стояке манифольда и в затрубье.
число ходов насоса
расход или поток бурового раствора на выходе из скважины
уровень и объем бурового раствора в емкостях.
Боковой
каротаж (БК) предназначен для определения удельного электрического
сопротивления (УЭС). На основе определения этого параметра производится
корреляция разреза, его литологическое расчленение, оценка мощности пластов, их
насыщенности и подсчетных параметров. Комплекс состоит и двух многоэлектродных
зондов, позволяющих определить
(УЭС
пласта породы) и
(УЭС зоны проникновения). Основной областью применения
бокового каротажа (БК) является разрезы, в которых наблюдается понижающее
проникновение в пласты. При повышенном проникновение применение БК ограничено.
Задача определения
с помощью БК не решается. Применение БК достигается,
если
<0.5 Ом*м, если разрез содержит большое число
малопористых пластов с УЭС порядка нескольких сотен Ом*м. Эти условия
характерны для разрезов, в которых преобладают карбонатные породы.
Гамма-каротаж
необходимый для определения
-
активности пород. По данным гамма каротажа производят литологическое
расчленение разреза, их корреляция, определение радиоактивности элементов в
породе, оценка глинистости пород.
Нейтронный
каротаж - для определения замедляющих и поглощающих свойств пород, определяемые
в основном содержанием водорода и элементов с аномальными нейтронными
свойствами (бор, хлор и.т.д.). Определение этих параметров необходимо для
литологического расчленения разреза, оценка пористости и насыщенности пластов,
а также ее изменений в прискважинной части, локализация нефте- и газо-отдающих
пластов при опробование и испытании скважин.
Кавернометрия
и профилеметрия необходимы для определения диаметра скважины, согласно которому
будет вестись подсчет затрубного пространства для определения необходимого
объема цемента при цементировании скважины, контроля состояния ствола скважины,
уточнение геологического разреза скважины.
Термокаротаж
необходим для определения температур и геотермического градиента, контроля
технологических операций в скважине (высота подъема цемента, выделение
интервалов закачки флюидов в пласты и т.д), определение интервалов затрубного
движения флюидов, выделение интервалов притока в скважину газа, нефти, воды.
Опробование
пластов (ОПК) необходимо для выявления состава и объема флюидов также
пластового давления. Посредством этого метода выделяют нефте- , газо- и
водо-насыщенные пласты.
Акустический
каротаж основывается на распространении продольных и поперечных волн, необходимое
для литологического расчленения разреза, оценки пористости и насыщенности
пластов, а также контроль за ее изменением в прискважинной части, контроль
технического состояния скважин и проводимых в них технологических операций.
Метод основан на возбуждении в жидкости, заполняющей скважину, импульса упругих
колебаний регистрации волн, прошедших через горные породы на заданном
расстоянии от излучателя в одной и нескольких точках на оси скважины.
Инклинометрия
- для определения угла наклона скважины и направления отклонения оси от
вертикали, посредством которых контролируется направление ствола скважины и
уточнение глубин залегания пластов.
Микрокаротаж
(МК, БМК) делается для определения удельного сопротивления прискважинной части
пласта. Основное назначение этого метода состоит в уточнение литологического
состава, оценки мощности пластов и подсчетных параметров в комплексе с другими
методами каротажа. Для измерения применяется, как правило, зонд небольшого
размера, для исключения влияния столба промывочной жидкости. Монтируется на
башмаке из изоляционного материала, закрепленном на рейсоре.
Газовый
каротаж выявляет пласты, содержащие газ и нефть, посредством определения
содержания углеводородных газов в промывочной жидкости и шламе.
Люминесцентный
каротаж - аналогично газовому каротажу применим для выявления нефте- и газо-
насыщенных пластов через исследование промывочной жидкости и шлама.
.4
Опробование и испытание перспективных горизонтов
Для изучения перспектив нефтегазоносности вскрываемого разреза, получения
данных о характере насыщения пластов, определения их гидродинамической и
фильтрационной характеристик, выделения возможно продуктивных горизонтов
предусматривается опробование ИП на бурильных трубах в процессе бурения.
Испытание в процессе бурения предусматривается также с целью определения
целесообразности спуска эксплуатационной колонны. Опробование объектов в
процессе бурения испытателем пластов производится после вскрытия и проведения
ГИС. Опробование скважины в процессе бурения должно производиться в стандартном
режиме без выпуска жидкости долива и пластового флюида на поверхность. Оно
выполняется при отсутствии осложнений в стволе скважины, поглощений или
водонефтегазопроявлений. Время между вскрытием интервала и его испытанием
должно составлять не более 5 суток. Время стояния на притоке выдерживается в
зависимости от интенсивности притока, но не менее 60 минут при малодебитном
притоке. Для установления фильтрационно-емкостных характеристик разреза,
определения эффективных толщин, возможной нефтегазонасыщенности, изучения
физико-химических свойств нефти и газов в пластовых и поверхностных условиях,
особенно в пластах с газовым и газонефтяным насыщением, планируется в процессе
«бурения провести опробование пластов аппаратурой на каротажном кабеле в
режимах ГДК и ОПК. Опробование объектов следует производить как можно быстрее
после их вскрытия бурением в целях уменьшения влияния различных искажающих
факторов. Перед опробованием интервала выполняется комплекс геофизических
исследований в объеме БК. ГК, НГК, профилеметрия. В случае получения притока
повторно проводится каротаж в объеме БК, ГК, НГК. По окончании бурения, на
основании комплексной интерпретации геофизических данных, результатов
предварительного изучения керна проводится выбор объектов для испытания через
эксплуатационную колонну. Перед испытанием объекта скважина до устья
заполняется раствором по своим параметрам, соответствующим раствору, на котором
проводилось вскрытие данного горизонта. Перед перфорацией для уточнения выбора
объекта и привязки его к разрезу проводится комплекс ГИС в объеме ГК, ПГК, ЛМ.
ТС. После перфорации ЛМ и ТС. Перфорация производится перфораторами типа
«Перфотех» ЗПК-105С7 с плотностью прострела 20 отв. п.м. Вызов притока
осуществляется заменой промывочной жидкости на слабоминерализованный раствор
СаСl (или NаС12) и снижением
уровня свабированием. При этом во избежание смыкания трещин и подтягивания
пластовых флюидов, максимальная постоянная депрессия на пласт не должна
превышать 3-4Мпа. При получении притока нефти, газа или пластовой воды
производятся исследовательские работы согласно действующих инструкций. При
получении притока нефти или газа производится определение дебита на 4-5 режимах
прямого и 1-2 обратного хода работы скважины, пластовых, устьевых и забойных
давлений и температур, определение газового фактора, отбираются поверхностные и
глубинные пробы. Испытание газовых горизонтов производится с исследованием их
на конденсатность. Исследования проводятся на благоприятных режимах, то есть
при депрессии на пласт не более 20% от пластового давления, с целью обеспечения
максимального выноса конденсата и предотвращения его выпадения в призабойной
зоне пласта. При получении притока воды и достижении постоянства минерализации
по стволу скважины, определяется дебит при различных динамических уровнях,
забойное, пластовое давления и температура, статический уровень, газовый
фактор. Отбираются пробы воды на химический анализ. При получении из пласта
притока пластового флюида производится отбор проб на запланированный комплекс
лабораторных исследований. При испытании газовых объектов производится отбор
проб газа, исследование на конденсатность - рекомбинированных проб газа и
конденсата, нефтяных объектов - поверхностных и глубинных проб, нефти и
растворенного газа, водяных объектов - проб воды и растворенности» газа. Для
предупреждения гидратообразования при испытании низкодебитных газовых объектов
необходимо максимально сократить простои и технологические перерывы в работе.
Предусмотреть промывку скважины и ее глушение минерализованным раствором
температурой 30-40°С. Для изоляции объектов при испытании скважин производится
установка цементных мостов. Перед установкой цементного моста необходимо
провести кольматацию интервала перфорации глинистой пастой с наполнителем. По окончании
испытания проводятся работы по консервации или ликвидации скважины в
зависимости от результатов испытания.
.5 Лабораторные исследования
С целью изучения пород вскрываемого разреза керновый материал, полученный
при бурении разведочной скважины Берямбииская №5, будет подвергнут различным
видам анализов. Для определения физико-литологической характеристики
коллекторов будет определен: вещественный и гранулометрический состав с
подробной характеристикой распространения глинистого и карбонатного материала в
породе, тип и состав цемента. удельный и объемный веса, открытая пористость,
трещенноватость, кавернозность, проницаемость, нефтегазонасыщенность. Совместно
с определением коллекторских свойств на этих же образцах керна будут
производиться определения геофизических параметров; необходимых для получения
эталонных зависимостей между коллекторскими свойствами и геофизическими
параметрами. Из продуктивных пластов отбираются образцы на коллекторские
свойства через каждые 15-20см. Для определения минералогического состава,
структурных и текстурных особенностей пород, характера цемента планируется
отбор образцов на петрографический анализы по 1 образцу на 1 метр керна. Все
петрографические параметры будут определены на одном и том же образце керна.
Для изучения битуминозности пород планируется люминесцентный (в двух
растворителях) и битуминологический анализы пород. Полученные при испытании
нефть, газ, конденсат и вода подвергаются качественному анализу и определению
содержания сопутствующих элементов. Будут определены: давление насыщения,
объемный коэффициент, газосодержание, коэффициенты объемного и термического
расширения, состав попутного газа (средний и по ступеням), плотность и вязкость
пластовой нефти в зависимости от давления и температуры. Содержание смол,
асфальтенов, парафина и т.д. При испытании газовых объектов производится отбор
проб газа. При получении дебитов газа не менее 150 тыс. м3/сутки
предполагается проведение исследований на конденсатность на 4 -5 режимах с
отбором проб газа сепарации и сырого конденсата на каждом режиме. Исследования
на конденсатность проводятся в объеме, предусмотренном «Инструкцией по
комплексному исследованию газовых и газоконденсатных пластов и скважин».
Глубинные пробы воды отбираются в условиях достижения постоянства минерализации
воды в скважинах и в пласте при забойном давлении равном пластовому. В период
отбора проб должны быть зафиксированы давление и температура на глубине отбора
проб, величина атмосферного давления и температура воздуха в момент дегазации
пробы при определении газонасыщенности воды. Количество отбираемых глубинных
проб воды должно быть не менее трех, причем отбор считается качественным, если
физико-химические характеристики не менее. чем по двум скважинам окажутся
идентичными. Отбор глубинных проб осуществляется после исследования скважины
методом установившихся отборов. При этом скважина переводится на режим с
минимально допустимым отбором и отрабатывается на этом режиме в течение
нескольких суток. Однако. если при исследований скважины окажется, что газовый
фактор постоянен при различных отборах, то пробу можно отбирать на любом из
исследованных режимов работы скважины, т.е. без специальной длительной
отработки ее. Отбор проб производится пробоотборником принятой конструкции,
максимальная глубина спуска его должна быть такой, чтобы он не вышел из башмака
НКТ, после спуска на заданную глубину пробоотборник выдерживается на этой
глубине от 2 до 8 часов. Анализ пластовых флюидов должен проводиться в течение
одного месяца; образцов горных пород - в течение трех месяцев.
скважина бурение раствор
4. Производственно-техническая часть
.1 Выбор способа бурения
На основании анализа данных бурения на Агалеевской, Имоинской,
Ильбокичской и собственно Берямбинской площадях, исходя из проектной глубины скважины,
задач проектируемых работ, геологического разреза, проектом предусмотрено
применение роторного способа бурения с приводом от ДВС.
.2 Обоснование и проектирование конструкции скважины
.2.1 Обоснование конструкции эксплуатационного забоя
Конструкция скважины в интервале продуктивного пласта должна обеспечить
наилучшие условия поступления газа в скважину. В зависимости от строения данной
залежи, литологического состава породы коллектора, его устойчивости в стенках
скважины, пластового давления, насыщенности продуктивного пласта газом
применяем следующую схему: спуск эксплуатационной колонны после достижения
проектной глубины и ее цементирование от нижнего конца с перекрытием всей
продуктивной толщи. Так как сложный геологический разрез с многопластовой
залежью и водоносными пропластками.
.2.2 Совмещённый график давлений
Таблица 4.2.2 Исходные данные
|
Индекс пласта
|
Интервал залегания
|
Типколлектора
|
Ожидаемый дебит, тыс.м3/сут
|
Пластовое давление, МПа
|
|
от (верх)
|
до (низ)
|
|
|
|
|
Є 1bls
|
1280
|
1450
|
Порово-каверново-трещинный
|
-
|
17.3
|
|
Vsb
|
2220
|
2520
|
Порово-каверново-трещинный
|
100
|
9.8
|
|
Vktg
|
2520
|
2660
|
Порово-каверново-трещинный
|
100
|
24.7
|
|
Vktg
|
2660
|
2760
|
Порово-каверново-трещинный
|
100
|
11.7
|
|
Vktg
|
2760
|
2800
|
Порово-каверново-трещинный
|
100
|
27.1
|
|
V-R3cs
|
2900
|
3010
|
Порово-трещинный
|
100
|
38.4
|
|
V-R3al
|
3010
|
3260
|
Порово-трещинный
|
100
|
39.8
|
|
R
|
3260
|
3570
|
Порово-трещинный
|
100
|
43.2
|
|
R
|
3570
|
3990
|
Порово-трещинный
|
339
|
41.3
|
Расчет коэффициента аномальности (стр.32 ф.2.1[5])
Ка= Рпл /0.01*Н
Где, Рпл - фактическое пластовое давление, МПа; H - глубина, м
Ка1=17.3/0.01*1280=1.35
Ка2 =9.8/0.01*2220=0.44
Ка3 =24.7/0.01*2520=0.98
Ка4=11.7/0.01*2660=0.44
Ка5=27.1/0.01*2760=0.98
Ка6=38.4/0.01*2900=1.32
Ка7=39.8/0.01*3010=1.32
Ка8=43.2/0.01*3260=1.32
Ка9=41.3/0.01*3570=1.16
Ка10=45.1/0.01*3990=1.13
Расчет относительной плотности [5]
ротн = Ка* Кз
Где, Кз - коэффициент запаса
ротн1= 1.35*1.1 = 1.48
ротн2 = 0.44*1.1=0.48
ротн3 = 0.98*1.05=1.03
ротн4=0.44*1.05=0.46
ротн5=0.98*1.05=1.03
ротн6=1.32*1.05=1.39
ротн7=1.32*1.05=1.39
ротн8=1.32*1.05= 1.39
ротн9=1.16*1.05=1.22
ротн10=1.13*1.05=1.17
Расчет коэффициента гидроразрыва пласта
Кгр= Ргр /0.01*Н
Кгр1= 26.7 /0.01*1280=2.08
Кгр2= 38.85 /0.01*2220=1.75
Кгр3= 47.1 /0.01*2520=1.87
Кгр4= 46.55 /0.01*2660=1.75
Кгр5= 46.7/0.01*2760=1.75
Кгр7= 52.67 /0.01*3010=1.75
Кгр8= 57 /0.01*3260=1.75
Кгр9= 62.47 /0.01*3570=1.75
Кгр10= 69.8 /0.01*3990=1.75
Рис.4.2.2 Совмещённый график давлений
4.2.3 Определение числа колонн и глубины их cпуска
Разработка конструкции скважины осуществляется на
основе анализа особенностей геологического разреза. При этом особое внимание
обращается на возможное упрощение и облегчение конструкции скважины.
При изучении геологического разреза в нем выделяются
осложненные интервалы, которые необходимо изолировать обсадными колоннами, и
интервалы с несовместимыми условиями бурения. Несовместимые, те которые по
показателям пластовых давлений невозможно проходить открытым стволом с буровым
раствором одной плотности без угрозы возникновения осложнений в виде перетоков.
Направление спускается на глубину 15м для перекрытия
четвертичных отложений.
Кондуктор спускается в плотную часть ангарской свиты
на глубину 630м, перекрывает зоны возможных поглощений и кавернообразований во
вскрытом разрезе. Оборудуется ПВО.
Первая промежуточная колонна спускается на глубину
1500м в нижнюю часть нижнебельской подсвиты с целью перекрытия газонасыщенных
пластов бельской свиты.
Вторая промежуточная спускается на глубину 2800м в
плотную часть отложений катангской свиты для перекрытия соленасыщенной части
усольской свиты и поглощающей зоны на контакте с долеритами и самих долеритов.
В зонах внедрения интрузий долеритов в усольской и собинской свитах
предполагается наличие зон поглощений.
Эксплуатационная колонна спускается на глубину 3990м в
кровлю отложений рифея с целью перекрытия отложений с высоким пластовым
давлением, а также изоляции и качественного испытания возможно продуктивных
отложений венда.
4.2.4 Выбор интервалов цементирования
Направление цементируется с устья скважины с
забутовкой затрубного пространства
Кондуктор цементируется в одну ступень через башмак, с
подъемом тампонажного раствора до устья.
Первая промежуточная. Цементирование - в одну ступень
через башмак, с подъемом тампонажного раствора до устья.
Вторая промежуточная. Цементирование - в одну ступень
через башмак, с подъёмом тампонажного раствора до 1000м от устья.
Эксплуатационная. Цементирование - в две ступени через
башмак с подъемом тампонажного раствора до устья.
Все работы осуществляются на основании правил техники
безопасности [18]
.2.5 Определение диаметров обсадных колонн и скважины
под каждую колонну
Исходные данные:
Ожидаемый дебит более 300 кубометров.
) Диаметр эксплуатационной колонны 146.1мм (стр. 35,табл.
2.2[5])
) Наружный диаметр соединительной муфты для
эксплуатационной колонны по ГОСТ 632-80 составит dм=166мм
) Расчетный диаметр долота для бурения под
эксплуатационную колонну (стр.36 формула 2.2 [5])
D д.р.э= dм+2д=166+20=186мм
Где, 2д - минимальная допустимая разность диаметров
ствола скважины и муфты обсадной колонны, мм
) Выбор ближайшего нормализованного диаметра долота по
ГОСТ 20692-80
D д.н.э=190.5мм
) Внутренний расчетный диаметр первой промежуточной
колонны
dвн.пр1=D д.н +2∆=190.5+2*5=200.5мм
Где, 2∆ - радиальный зазор между долотом и
стенкой обсадной трубы, обычно принимается 5-10мм (нижний предел - для труб
малого диаметра)
) Нормализованный диаметр 2-й промежуточной колонны по
ГОСТ 632-80 составил dпр2=219.1мм, диаметр соединительной
муфты dм=244.5мм
) Расчетный диаметр долота для бурения под 2-ю
промежуточную колонну
D д.р.пр2=244.5+25=269.5мм
) Выбор ближайшего нормализованного диаметра долота по
ГОСТ 20692-80
D д.н.пр2=269.9мм
) Внутренний расчетный диаметр 1-й промежуточной
колонны
dвн.пр2=269.9+2*6=281.9мм
) Нормализованный диаметр 1-й промежуточной колонны по
ГОСТ 632-80 dпр1=298.5мм, диаметр соединительной
муфты dм=323.9мм
) Расчетный диаметр долота для бурения под 1-ю
промежуточную колонну
D д.р.пр1=323.9+35=358.9мм
) Выбор ближайшего нормализованного диаметра долота по
ГОСТ 20692-80 для бурения под 1-ю промежуточную
D д.н.пр1=393.7мм
) Внутренний расчетный диаметр кондуктора колонны
dвн.к=393.7+15=408.7мм
) Нормализованный диаметр кондуктора по ГОСТ 632-80 dк=426мм, диаметр соединительной муфты dм=451мм
) Расчетный диаметр долота для бурения под кондуктор
D д.р.к=451+35=486мм
) Выбор ближайшего нормализованного диаметра долота по
ГОСТ 20692-80 для бурения под кондуктор
D д.н.к=490мм
) Внутренний расчетный диаметр направления колонны
dвн.н=490+20=510мм
) Нормализованный диаметр направления по ГОСТ 632-80 dн=530мм, диаметр соединительной муфты dм=555мм
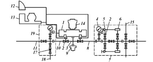
.2.6 Проектирование обвязки устья скважины
Определяем максимальное внутреннее давление при закрытом устье после
открытого фонтанирования газом по п. 5.2[7]
РBY= Рпл/ e s
S=10-4*г(L-Z)= 10-4*0.6*3260=0.19 s=2+S/2-S=2+0.19/2-0.19=1.21
РBY= Рпл/ e s=43.2/1.21=35.7МПа
Рприв> Ру
Исходя из условия, выбираем превентор плашечный ППГ-230Ч70 с диаметром
проходного отверстия 230мм и рабочим давлением 70МПа и колонную головку
ООК3-70-146Ч219Ч299Ч426КЗ. Плашечные превенторы предназначены для герметизации
устья при наличии в скважине труб или в отсутствие их; применяют для
эксплуатации в умеренном и холодном макроклиматических районах.
ППГ-230Ч70 плашечный превентор с гидравлическим
управлением предназначен для герметизации устья скважины в целях предупреждения
выброса. Изготовляют на Волгоградском заводе буровой техники (ОАО «ВЗБТ») и
заводом им. Лейтенанта Шмидта (г. Баку).
Головка ООК3-70-146Ч219Ч299Ч426КЗ предназначена для
обвязки между собой четырех обсадных колонн, герметизации и контроля
межколонных пространств, регулирования режима работы при бурении и эксплуатации
нефтяных и газовых скважин глубиной 4000м и более с рабочим давлением до 70МПа
Модель ООК3-70-146Ч219Ч299Ч426КЗ расшифровывается следующим образом: О -
оборудование; О - обсадных; К-колонн 3 - схема(модель); 70 - рабочее давление,
МПа.
Колонная головка (рис. 4.2.6.1) состоит из следующих
основных частей: тройника 13 с клиновой подвеской 12 для подвешивания колонны
обсадных труб диаметром 299мм, пакерного устройства 10, крестовины 9 с
подвеской 7 для подвешивания колонны обсадных труб диаметром 219мм, пакерного
устройства 6, крестовины 5 с подвеской 3 для подвешивания колонны обсадных труб
диаметром 146мм, пакерного устройства 2, фланца 1, обратных клапанов 11,
разрядных пробок 17. Тройник 13 включает корпус и отвод. Корпус тройника -
отливка из стали марки 35ХМЛ (ГОСТ 977-88), в средней части которой имеется
отверстие для присоединения отвода, а в верхней части выполнены расточки
диаметром 415мм под подвеску 12 диаметром 426 мм для установки крышки подвески
пакерного устройства. Отвод представляет собой патрубок с краном 14 высокого
давления. Отвод присоединяется к корпусу тройника на резьбе и служит для
технологических работ при бурении.
Рис. 4.2.6.1 Колонная головка
ООК3-70-146Ч219Ч299Ч426КЗ
Рис. 4.2.6.2 Схема обвязки ПВО по ГОСТ 13562-90 1 - плашечный
превентор; 2 - задвижка с ручным управлением; 3 - крестовина; 4 - манометр с
запорным и разрядным устройствами; 5 - регулируемый дроссель с ручным
управлением; 6 - гаситель потока; 7 - блок дросселирования; 8 - линия
дросселирования; 9 - устье скважины; 10 - линия глушения; 11 - прямой сброс; 12
- вспомогательный пульт; 13 - гидроуправление превенторами с основным пультом;
14 - кольцевой превентор; 15 - отвод к сепаратору; 16 - задвижка с
гидроуправлением; 17 - обратный клапан; 18 - отвод к буровым насосам; 19 - блок
глушения; 20 - регулируемый дроссель с гидроуправлением; 21 - пульт управления
дросселем; 22 - отвод к системе опробования скважины
.3 Расчет обсадных колонн
.3.1 Расчет эксплуатационной обсадной колонны
Исходные данные:
. Эксплуатационная колонна диаметром 146,1мм
. Глубина спуска колонны 3990м
. Расстояние от устья до уровня цементного раствора h=0
. Удельный вес цементного раствора гц=1.61*104Н/м3
. Удельный вес бурового раствора гр=1.42*104Н/м3
.Удельный вес жидкости в колонне гв=1.45*104Н/м3
.Удельный вес опрессовочной жидкости гж=1*104Н/м3
. Пластовое давление на глубине 3990м, Рпл=45.1МПа
. Эксплуатационный объект находится в интервале
3890-3990м
. Коэффициент разгрузки цементного кольца К=0.25
.Относительный удельный вес газа по воздуху г=0.719
. Эксплуатация заканчивается при РBL=1МПа
Построение эпюр внутренних давлений
а) Определяем внутреннее давление при окончании
цементирования
РBZ= РBY+ гв
ZРBY=10-6 (гц -гв)L=10-6 (1.61 -1.45)3990=6.38МПа
при Z=0 РBZ= РBY=6.38
при Z=L РBZ=6.38+10-6*1.45*104*3990=64.2МПа
Строим эпюру AB
б) Определяем внутреннее давление в период испытания
скважины, после её продувки и закрытия устья по п. 4.2-4.5[7]
при Z=0
S=10-4*г(L-Z)= 10-4*0.719(3990-0)=0.286s=2+S/2-S=2+0.286/2-0.286=1.33
РBY= Рпл/ e s=45.1/1.33=33.9МПа
При Z=L=3990мS=0, e
s =1, РBL=45.1МПа
Строим эпюру CD, принимая распределения давлений от устья до глубины 3990м линейными
При окончании эксплуатации при 0≤Z≤L принимаем РBZ= РBY= РBL= Рmin=1МПа
Строим эпюру EF
Рис
4.3.1.1 Эпюры внутренних давлений AB-при окончании цементирования; CD-в
период ввода скважины в эксплуатацию; EF-при окончании эксплуатации
Построение
эпюр наружных давлений
а)
Определяем наружное давление при окончании цементирования при h=0
по п. 2.8при Z=0 РHZ= РHY=0
При
Z=L=3990м РHZ= РHY=10-6*1.61*104*3990=64.2МПа
Строим
эпюру АВ
б)
Определяем наружное давление в период испытания скважины, после её продувки и
закрытия устья при Z=0 РHZ= РHY=0
При
Z=L=3260м РHZ=10-6*1.1*104*3260=35.86МПа
В
конце эксплуатации
При
Z=L=3990м РHZ=10-6*1.1*104*3990=43.89МПа
Строим
эпюру АС
Рис
4.3.1.2 Эпюры наружных давлений AB-при окончании цементирования; АC-при
окончании эксплуатации
Расчёт наружных избыточных давлений
Сравнив
эпюры наружных и внутренних давлений, видим, что наиболее избыточное наружное
давление на колонну характерно для окончания эксплуатации, тогда по п. 4.11
получим при Z=0 РHUZ= РHUY= РHY -Рmin =0-1=-1МПа. При Z=L=3990м
РHUZ- РHUL= РHL -Рmin =43.89-1=42.89МПа
Строим
эпюру AB
Рис
4.3.1.3 Эпюры наружных давлений при окончании эксплуатации
Расчёт внутренних избыточных давлений
а)
Определяем избыточное внутреннее давление РВUZ=
РBZ- РHZ
При
окончании цементирования при Z=0 РBUZ= РBUY=6.38-0=6.38МПа
При
Z=L=3990м РBUZ=РBUL= 64.2-64.2=0МПа
б)
Определяем избыточное внутреннее давление в период ввода скважины в
эксплуатацию при Z=0 РBUZ= РBUY=33.9-0=33.9МПа
При
Z=L=3990м РBUZ=РBUL= 45.1-43.89=1.21МПа
в)
Сравнивая значения РBUZ для рассмотренных операций, видим, что наиболее
высокие значения РBUY=33.9МПа при РBY=33.9МПа.
В соответствии с требованиями «Инструкция по испытанию скважины на
герметичность» внутреннее давление на трубы при испытаниях должно быть не ниже
1.1* РBZ, т.е. в
процессе испытания на герметичность, давление в колонне должно быть не менее
при Z=0 РBZ= РBY1= 1.1*РBY=1.1*33.9=37.29МПа
При
испытании на герметичность водой при создании давления на устье РBY1=37.29МПа
При
Z=L=3990м РBZ=РBL=37.29+10-6*1.0*104*3990=76.29МПа
Таким
образом, для построения эпюры избыточного внутреннего давления для расчета
колонны на прочность принимаем нагрузки при вводе скважины в эксплуатацию при Z=0 РBUZ= РBUY=1.1*33.9-0=37.29МПа
При
Z=L=3990м РBUZ=РBUL= 37.29+10-6*1.0*104*3990-45.1=31.19МПа
Строим
эпюру АВ
Рис
4.3.1.4 Эпюра избыточных внутренних давлений при испытании колонны на
герметичность
Расчёт параметров обсадной колонны
Расчет на избыточное наружное давление производим для
периода окончания эксплуатации, а на избыточное внутреннее давление на момент
испытания на герметичность. В соответствии с п.15.11 [7] принимаем трубы с
резьбами ОТТГ по ГОСТ 632-80.
В зоне эксплуатационного объекта
n1* РHUZ=1.3*42.89=55.76 МПа
чему соответствуют трубы по ГОСТ 632-80 исполнения
«Б», диаметром 146мм, группы прочности «Е», с толщиной стенки 10.7мм
По приложению 2-4,12 определяем QТ1=2510кН, РТ1=70.6МПа, q1=0.36кН/м
Определяем длину первой секции:
е1= ен+ ез+N+50м
где, N-мощность
продуктивного горизонта, м
ен- длина детали низа эксплуатационной
колонны, м
ез- длина зумфа, м
е1=100+20+20+50=190м
Вес секции Q1=190*0.36=68.4кН
Наружное избыточное давление на глубине z=3800м
РHUZ=10-6*1.1*104*3800=41.8МПа
При n1=1 этому давлению соответствуют трубы
исполнения «Б», диаметром 146мм, группы прочности «Л», с толщиной стенки 8.5мм,
Ркр2=42.2МПа QТ2=2412кН, РТ2=66.7МПа, q2=0.292кН/м
Определяем значение Р1кр2 для труб второй
секции с учетом растяжения по формуле 2.38 [7]
Р1кр2=42.2(1-0.3*68.4/2412)=36.2МПа
Так как Р1кр2=41.84МПа> РHUL=41.8МПа, то для второй секции
принимаем трубы 146Ч8.5-Л
Выберем трубы для верхней секции колонны из расчета
внутреннего избыточного давления:
Р1BUY= n2* Р BUY =1.15*37.29=42.88МПа
Так как Р1BUY=42.88МПа< РТ2=66.7МПа,
то трубы второй секции из условий прочности на наружное и внутреннее избыточные
давления могут быть установлены до устья скважины, тогда длинна второй секции
определится:
е2= 3990-190=3800м
Вес секции:
Q2=3800*0.292=1109.6кН
Вес двух секции (всей колонны):
Q=68.4+1109.6=1178Н
Определим запас прочности на растяжение по гладкому
телу труб при QТ2=2412кН:
n3=2412/1178=2
>1.3, что допустимо
Трубы с меньшей толщиной стенки не проверяем, так как
из приложения 12 следует, что они с резьбами ОТТГ не выпускаются.
Конструкция колонны из труб по ГОСТ 632-80 диаметром
146.1мм
|
№ секции
|
Длина, м
|
Толщина стенки, мм
|
Группа прочности
|
Исполнение
|
Вес, кН
|
|
1
|
190
|
10.7
|
Е
|
Б
|
68.4
|
|
2
|
3800
|
8.5
|
Л
|
Б
|
1109.6
|
.3.2 Расчет 2-й промежуточной колонны
Исходные данные:
. Диаметр 219.1мм
. Глубина спуска колонны 2800м
. Расстояние от устья до уровня цементного раствора h=1000
. Удельный вес цементного раствора гц=1.8*104Н/м3
. Удельный вес бурового раствора гр=1.16*104Н/м3
.Удельный вес жидкости в колонне гв=1.45*104Н/м3
.Удельный вес опрессовочной жидкости гж=1*104Н/м3
. Пластовое давление на глубине 2800м, Рпл=28МПа
. Коэффициент разгрузки цементного кольца К=0.25
.Относительный удельный вес газа по воздуху г=0.6
Расчеты:
Построение эпюр внутренних давлений
а) Определяем минимальное внутреннее давление при
фонтанировании скважины газом с глубины е= 3260м по п. 5.6 [7]
при Z=0 РBZ=0
при Z=L =2800 РBZ=0.6*43.2*2800/3260=22.26МПа
Строим эпюру AB
б) Определяем максимальное внутреннее при закрытом
устье после открытого фонтанирования газом по п. 5.2
при Z=0
S=10-4*г(L-Z)= 10-4*0.6*3260=0.19
s=2+S/2-S=2+0.19/2-0.19=1.21
РBY= Рпл/ e s=43.2/1.21=35.7МПа
При Z=L=2800м S=0,
e s =1, РBL=43.2МПа
Строим эпюру CD
в) определяем максимальное внутреннее давление при
окончании цементирования
при Z=0 РBZ= РBY=10-6*(1.8-1.45)* 104*2800=9.8МПа
при Z=L =2800 РBZ= РBL=9.8+10-6*1.45* 104*2800=50.4МПа
Строим эпюру EF
Рис
4.3.2.1 Эпюры внутренних давлений AB-при фонтанировании скважины
газом с глубины 3260м; CD-при закрытом устье после фонтанирования газом; EF-при
окончании цементирования
Построение
эпюр наружных давлений
а)
Определяем наружное давление при углублении скважины после ОЗЦ колонны по п.
2.6 при h=1000
при
Z=0 РHZ= РHY=0
При
Z=h=1000м РHZ=10-6*1.16*104*1000=11.6МПа
При
Z=L=2800м РHZ=10-6*1.16*104*1000+1.1(2800-1000)=31.4МПа
Строим
эпюру АВС
б)
Определяем наружное давление при окончании цементирования по п.3.11 и 2.8
при
Z=0 РHZ= РHY=0
При
Z=h=1000м РHZ=10-6*1.16*104*1000=11.6МПа
При
Z=L=2800м РHZ=10-6*1.16*104*1000+1.8*(2800-1000)=44МПа
Строим
эпюру АВD
Рис
4.3.2.2 Эпюры наружных давлений АВС-наружное давление при углублении скважины
после ОЗЦ колонны; ABD-наружное давление при окончании цементирования.
Расчёт наружных избыточных давлений
а) Определяем избыточное наружное давление при окончании цементирования
по формуле 2.15 [7]
при Z=0 РHUZ= РHUY= 0-9.8=-9.8МПа
При Z=L=3990м РHUZ- РHUL= 44-50.4=-6.4МПа
Строим эпюру AB
Рис
4.3.2.3 Эпюра избыточных наружных давлений при окончании эксплуатации
Расчёт внутренних избыточных давлений
а)
Для построения эпюры максимального рабочего избыточного внутреннего давления
принимаем значения РBZ эпюра CD рис 4.1и РHZ эпюра ABD
рис 4.2 б) При испытании колонны на герметичность в один прием без пакера при гж=1*104Н/м3
максимальное рабочее внутреннее давление определяем по формулам 2.27 и 2.28
РBZ1=1.1* РBУ+*10-6* гж*Z=35.7*1.1+10-6*
1*104 Z=39.27+1*10-2Z
РBUZ=39.27+1.0*10-2* Z- РHZ
при
Z=0 РBUZ= 39.27-0=39.27МПа
При
Z=L=2800м РBUZ=РBUL= 39.27+1.0*10-2*2800-31.4=35.87МПа
Строим
эпюру AB
Рис
4.3.2.4 Эпюра избыточных внутренних давлений при испытании колонны на
герметичность
Расчёт
параметров обсадной колонны
В соответствии с п.15.11 [7] принимаем трубы по ГОСТ
632-80 диаметром 219.1мм
Для глубины 2800м РHUZ= РHUL=0 МПа
Для которого проверка не требуется. Поэтому для нижней
секции колонны выбираем трубы по РВUL для которого максимально допустимое
внутреннее давление по пределу текучести
Р1≥ РBUL n2≥35.87*1.15=41.25МПа
Из приложения 4 видно, что этому соответствуют трубы
по ГОСТ 632-80 исполнения «Б», диаметром 219.1Ч11.4мм, группы прочности «К» РТ1=44.6МПа,
Ркр1=28.2МПа, QТ1=3648кН, q1=0.595кН/м
Проверим возможность применения этих труб до устья
РТ1/ n2=44.6/1.15=38.78МПа
.78МПа<РBUУ=39.27МПа
Определяем по графику длину первой секции для
полученного давления
е1=2800-500=2300м
Q1=2300*0.595=1368.5кН
Выберем трубы для верхней секции колонны из расчета
внутреннего избыточного давления:
Р1BUY= n2* Р BUY =1.15*39.27=45.1МПа
Из приложения 2 видно, что этому соответствуют трубы
по ГОСТ 632-80 исполнения «А», диаметром 219.1Ч12.7мм, группы прочности «Л» Ркр2=46МПа
QТ2=4726кН, РТ2=66.5МПа, q2=0.655кН/м
Определяем Р1кр2по формуле 2.38
Р1кр2=46(1-0.3*1368.5/4726)=42МПа
Q2=500*0.655=327.5кН
Q=1368.5+327.5=1696кН
Определяем запас прочности
n3=3648/1696=2.15>1.45 что допустимо
Конструкция колонны из труб по ГОСТ 632-80 диаметром
219.1мм
|
№ секции
|
Длина, м
|
Толщина стенки, мм
|
Группа прочности
|
Исполнение
|
Вес, кН
|
|
1
|
2300
|
11.4
|
К
|
Б
|
1368.5
|
|
2
|
500
|
12.7
|
Л
|
А
|
327.5
|
Расчет натяжения 2-й промежуточной колонны 219.1мм
Натяжение обсадной колонны необходимо для сохранения
прямолинейной ее незацементированиой части путем компенсации веса и с учетом
температуры и давления.
а) Определяем нижний предел натяжения обсадной колонны
Q=e*q
Где, е-длина незацементированной части колонны, м
Q=1000*0.595=595кН
Наружный диаметр D=219.1мм
Внутренний диаметр d=196мм
Средняя температура нагрева
∆Т=[( t3-t1)+(t4-t2)]/2
Где, t1,t2-температура колонны у верхнего и нижнего концов до
эксплуатации t3,t4-температура колонны у верхнего и
нижнего концов при эксплуатации
tзаб=48, t1=15, t3=30
t2= t1+( t3-t1)*L-e/L=15+(30-15)*(3990-1000)/3990=26.25
t4= t3+( t3-t1)*L-e/L=30+(30-15)*(3990-1000)/3990=41.25
∆Т=[( 30-15)+(41.25-26.25)]/2=15
Площадь трубы
F=3.14*(0.2192-0.1962)/4=0.007м2
Qн=Q+б*Е*F*∆Т*10-3+0.31*Р*d2*10-3-0.655*е(D2*гр-d2*гв)*10-3
Где, Е-модуль упругости; б - коэффициент линейного
расширения материала труб; F-площадь
труб; Р - внутреннее устьевое давление
Qн=595+12*10-6*2.1*1011*0.007*15*10-3+0.31*39.27*0.2072-0.655*1000(0.2192*1.6*104-0.1962*1.45*104)*
10-3=721кН
Qн=721кН > Q=595кН,
что допустимо
б) Определяем верхний предел натяжения обсадной
колонны
Qн= < Qmax
Qmax=Рстр/n=2569/1.15=2234кН
<1000<2234
Принимаем Q=1000кН
.3.3 Расчет 1-й промежуточной колонны
Исходные данные:
. Скважина диаметром 298.5мм
. Глубина спуска колонны 1500м
. Расстояние от устья до уровня цементного раствора h=0
. Удельный вес цементного раствора гц=1.6*104Н/м3
. Удельный вес бурового раствора гр=1.5*104Н/м3
. Удельный вес жидкости в колонне гв=1.45*104Н/м3
. Удельный вес опрессовочной жидкости гж=1*104Н/м3
. Относительный удельный вес газа по воздуху г=0.6
Расчеты:
Построение эпюр внутренних давлений
а) Определяем внутреннее давление при окончании
цементирования
РBZ= РBY+ гв ZРBY=10-6 (гц -гв)L=10-6 (1.6
-1.45)1500=2.25МПа
при Z=0 РBZ= РBY=2.25
при Z=L РBZ=2.25+10-6*1.45*104*1500=24МПа
Строим эпюру AB
б) Определяем внутреннее давление в период испытания
скважины, после её продувки и закрытия устья по п. 4.2-4.5
при Z=0
S=10-4*г(L-Z)= 10-4*0.719(1500-0)=0.09e
s=2+S/2-S=2+0.09/2-0.09=1.09РBY= Рпл/ e s=17.3/1.09=15.87МПа
При Z=L=1500м S=0,
e s =1, РBL=17.3МПа
Строим пюру CD
При окончании эксплуатации при 0≤Z≤L принимаем РBZ= РBY= РBL= Рmin=1МПаСтроим эпюру EF
Рис
4.3.3.1 Эпюры внутренних давлений AB-при окончании цементирования; CD-в
период ввода скважины в эксплуатацию; EF-при окончании эксплуатации
Построение
эпюр наружных давлений
а)
Определяем наружное давление при окончании цементирования при h=0
по п. 2.8
при
Z=0 РHZ= РHY=0
При
Z=L=1500м РHZ= РHY=10-6*1.5*104*1500=22МПа
Строим
эпюру АВ
б)
Определяем наружное давление в период испытания скважины, после её продувки и
закрытия устья
при
Z=0 РHZ= РHY=0
В
конце эксплуатации
При
Z=L=1500м РHZ=10-6*1.1*104*1500=16.5МПа
Строим
эпюру АС
Рис
4.3.3.2 Эпюры наружных давлений AB-при окончании цементирования; АC-при
окончании эксплуатации.
Расчёт наружных избыточных давлений
Сравнив эпюры наружных и внутренних давлений, видим, что наиболее
избыточное наружное давление на колонну характерно для окончания эксплуатации,
тогда по п. 4.11 получим
при Z=0 РHUZ= РHUY= РHY -Рmin =0-1=-1МПа
При Z=L=1500м РHUZ- РHUL= РHL -Рmin =16.5-1=15.5МПа
Строим эпюру AB

Расчёт внутренних избыточных давлений
а) Определяем избыточное внутреннее давление РВUZ= РBZ- РHZ при окончании цементирования
при Z=0 РBUZ= РBUY=2.25-0=2.25МПа
При Z=L=1500м РBUZ=РBUL= 24-22=2МПа
б) Определяем избыточное внутреннее давление в период ввода скважины в
эксплуатацию
при Z=0 РBUZ= РBUY=15.87-0=15.87МПа
При Z=L=1500м РBUZ=РBUL= 17.3-16.5=0.8МПа
в) Сравнивая значения РBUZ для рассмотренных операций, видим, что наиболее высокие
значения РBUY=15.87МПа
при РBY=15.87МПа. В соответствии с
требованиями «Инструкция по испытанию скважины на герметичность» внутреннее
давление на трубы при испытаниях должно быть не ниже 1.1* РBZ, т.е. в процессе испытания на
герметичность, давление в колонне должно быть не менее
при Z=0 РBZ= РBY1= 1.1*РBY=1.1*15.87=17.45МПа
При Z=L=1500м РBZ=РBL=1.1*22=24.2МПа
При испытании на герметичность водой при создании давления на устье РBY1=17.45МПа
При Z=L=1500м РBZ=РBL=17.45+10-6*1.0*104*1500=32МПа>24.2МПа
Таким образом, для построения эпюры избыточного внутреннего давления для
расчета колонны на прочность принимаем нагрузки при вводе скважины в
эксплуатацию
при Z=0 РBUZ= РBUY=1.1*15.87=17.45МПа
При Z=L=3990м РBUZ=РBUL= 17.45+10-6*1.0*104*1500-17.3=15.15МПа
Строим эпюру AB
Рис
4.3.3.4 Эпюра избыточных внутренних давлений при испытании колонны на
герметичность
Расчёт
параметров обсадной колонны
Подбираем
трубы с давлением больше критического
Ркр=n1* РHUZ=1*15.5=15.5МПа
чему соответствуют трубы ОТТМ по ГОСТ 632-80
исполнения «А», диаметром 298.5мм, группы прочности «Д», с толщиной стенки
12.4мм
Ркр=16.8МПа По приложению 2-4,12 определяем
QТ1=4216кН, РТ1=27.5МПа, q1=0.882кН/м
Выберем трубы для верхней секции колонны из расчета
внутреннего избыточного давления
Р1BUY=n2* Р BUY =1.15*17.45=20.06МПа
Так как Р1BUY=20.06МПа< РТ1=27.5МПа,
то трубы второй секции из условий прочности на наружное и внутреннее избыточные
давления могут быть установлены до устья скважины
Вес секции:
Q=1500*0.882=1323кН
Определим запас прочности на растяжение по гладкому
телу труб при QТ=4216кН:
n3=4216/1323=3.18
.18>1.3, что допустимо
Конструкция колонны из труб по ГОСТ 632-80 диаметром
298.5мм
|
№ секции
|
Длина, м
|
Толщина стенки, мм
|
Группа прочности
|
Исполнение
|
Вес, кН
|
|
1
|
1500
|
12.4
|
Д
|
А
|
1323
|
.3.4 Расчет кондуктора
Исходные данные:
. Скважина диаметром 426мм
. Глубина спуска колонны 630м
. Расстояние от устья до уровня цементного раствора h=0
. Удельный вес цементного раствора гц=1.4*104Н/м3
. Удельный вес бурового раствора гр=1.03*104Н/м3
.Удельный вес жидкости в колонне гв=1.35*104Н/м3
.Удельный вес опрессовочной жидкости гж=1*104Н/м3
.Относительный удельный вес газа по воздуху г=0.6
Расчеты:
Построение эпюр внутренних давлений
а) Определяем внутреннее давление при окончании
цементирования
РBZ= РBY+ гв ZРBY=10-6 (гц -гв)L=10-6 (1.4-1.35) *104*630=0.31МПа
при Z=0 РBZ= РBY=0.31
при Z=L РBZ=0.31+10-6*1.35*104*630=8.81МПа
Строим эпюру AB
б) Определяем внутреннее давление в период испытания
скважины, после её продувки и закрытия устья по п. 4.2-4.5
при Z=0
S=10-4*г(L-Z)= 10-4*0.6(630-0)=0.038e
s=2+S/2-S=2+0.038/2-0.038=1.04РBY= Рпл/ e s=6/1.04=5.7МПа
При Z=L=630мS=0, e s
=1, РBL=6МПа
Строим эпюру CD
При окончании эксплуатации при 0≤Z≤L принимаем РBZ= РBY= РBL= Рmin=1МПа
Рис
4.3.4.1 Эпюры внутренних давлений AB-при окончании цементирования; CD-в
период ввода скважины в эксплуатацию
Построение
эпюр наружных давлений
а)
Определяем наружное давление при окончании цементирования при h=0
по п. 2.8
при
Z=0 РHZ=РHY=0
При
Z=L=1500м РHZ=РHY=10-6*1.4*104*630=8.82МПа
Строим
эпюру АВ
б)
Определяем наружное давление в период испытания скважины, после её продувки и
закрытия устья
при
Z=0 РHZ= РHY=0
В
конце эксплуатации
При
Z=L=630м РHZ=10-6*1.1*104*630=6.93МПа
Строим
эпюру АС
Рис
4.3.4.2 Эпюры наружных давлений AB-при окончании цементирования; АC-при
окончании эксплуатации.
Расчёт наружных избыточных давлений
при Z=0 РHUZ=РHUY=РHY -Рmin=0-1=-1МПа
При Z=L=630м РHUZ-РHUL=6.93-1=5.93МПа
Строим эпюру AB
Рис
4.3.4.3 Эпюра избыточных наружных давлений при окончании эксплуатации
Расчёт внутренних избыточных давлений
При испытании на герметичность водой при создании давления на устье РBY1=5.7МПа
при Z=0 РBUZ=РBUY=6.27МПа
При Z=L=3990м РBUZ=РBUL=6.27+10-6*1.0*104*630-6=6.57МПа
Строим эпюру AB
Рис
4.3.4.4 Эпюра избыточных внутренних давлений при испытании колонны на
герметичность
Расчёт параметров обсадной колонны
Подбираем трубы с давлением больше критического
Ркр=n1* РHUZ=1*6.27=6.27МПа
Подбираем трубы по ГОСТ 632-80 исполнения «А»,
диаметром 426мм, группы прочности «Д», с толщиной стенки 12мм, Ркр=6.4МПа
Конструкция колонны из труб по ГОСТ 632-80 диаметром
426мм
|
№ секции
|
Длина,м
|
Толщина стенки,мм
|
Группа прочности
|
Исполнение
|
Вес,кН
|
|
1
|
630
|
12
|
Д
|
А
|
779.94
|
4.3.5 Расчет направления
Выбираем направление по ГОСТ 632-80 диаметром 530мм,
исполнения «А», группы прочности «Д», с толщиной стенки 11.1мм,
Q=15*1.564=23.46кН
Конструкция колонны из труб по ГОСТ 632-80 диаметром
530мм
|
№ секции
|
Длина,м
|
Толщина стенки,мм
|
Группа прочности
|
Исполнение
|
Вес,кН
|
|
1
|
15
|
11.1
|
Д
|
А
|
23.46
|
.4 Выбор состава технологической оснастки обсадных
колонн
Башмак предназначен для оборудования нижней части обсадной колонны с
целью повышения ее проходимости по стволу скважины и предупреждения повреждения
нижней трубы при посадках.
Обратный клапан предназначен для предотвращения перетоков бурового или
тампонажного раствора из заколонного пространства в обсадную колонну в процессе
крепления скважины.
Упорное кольцо (кольцо "стоп") предназначено для получения
четкого сигнала об окончании процесса продавливания тампонажного раствора при
цементировании скважины. Его изготовляют из серого чугуна и устанавливают в
муфте обсадной колонны на расстояния 10-30м от башмака.
Центраторы применяют для центрирования обсадной колонны в стволе скважины
с целью равномерного заполнения кольцевого пространства тампонажным раствором,
качественного разобщения пластов.
Муфты ступенчатого цементирования применяют для крепления скважин в тех
случаях, когда возникает необходимость подъема тампонажного раствора на большую
высоту (до 3000м и более).
Разделительные цементировочные пробки используют для разобщения
тампонажного раствора от бурового и продавочной жидкости при цементировании
обсадных колонн, а также получения сигнала об окончании процесса продавливания
тампонажного раствора. Они делятся на нижние и верхние. Нижнюю пробку вводят в
обсадную колонну непосредственно перед закачкой тампонажного раствора для
предотвращения его смешивания с буровым раствором. Верхнюю пробку вводят в
обсадную колонну после закачки тампонажного раствора и перед закачкой
продавочной жидкости.
Таблица 4.4.1 Технологическая оснастка обсадных колонн
|
Название колонны
|
Диаметр колонны, мм
|
Вид оснастки
|
Шифр, Стандарт
|
Количество
|
Глубина установки, м. (от устья скважины)
|
|
|
|
|
|
|
|
Направление
|
530
|
Башмак
|
ОСТ 26-02-227-71
|
1
|
15
|
|
Кондуктор
|
426
|
Башмак БК-426 Центратор ЦЦ-426/508-2 Пробка ПП - 407 х 426
|
ОСТ 39-011-74 ТУ 39-01-08-283-77 ТУ 39-1086-85
|
1 11 1
|
630 Через 50м -
|
|
Промежуточная 1-я
|
298.5
|
Башмак БК-298 Обратный клапан ЦКОД-298 Центратор-245/295-2
Побка нижняя ПП - 298х324 Пробка верхняя ПП - 298х324
|
ОСТ 39-011-74 ТУ 39-01-08-283-77 ТУ 39-01-08-283-77 ТУ
39-01-268-76 ТУ 39-01-268-76
|
1 1 29 1 1
|
1500 1490 Через 50м - -
|
|
Промежуточная 2я
|
219.1
|
Башмак БК-298 Обратный клапан ЦКОД-298 Центратор-219/245-2
Побка нижняя ПВЦ-219-245 Пробка верхняя ПВЦ-219-245
|
ОСТ 39-011-74 ТУ 39-01-08-283-77 ТУ 39-01-08-283-77 ТУ
39-01-268-76 ТУ 39-01-268-76
|
1 1 55 1 1
|
2800 2790 Через 50м - -
|
|
Эксплуатационная
|
146.1
|
Башмак БК-146 Обратный клапан ЦКОД-146 Центратор
ЦЦ-2-146/216 Муфта МЦП-146 Пробка ПВЦ-146-168 Пробка ПВЦ-146-168
|
ОСТ 39-011-74 ТУ39-01-082-281-77 ТУ 39-01-08-283-77 ОСТ
39-149-83 ОСТ 39-149-83
|
1 1 138 1 1 1
|
3990 3980 - - -
|
Примечание: 1) один центратор устанавливается
непосредственно выше башмака, остальные через каждые 50м
) в интервале продуктивного пласта (100м) центраторы
устанавливаются через каждые 10м
.5 Подготовка и спуск обсадных колонн
Спуск обсадных колонн в совокупности производственных операций составляет
первую и наиболее трудоемкую часть процесса крепления скважины.
До спуска обсадной колонны необходимо произвести следующий комплекс
подготовительных работ:
а) произвести проверку расчетом на прочность колонны;
б) составить план крепления;
в) произвести геофизические исследования в скважине для выявления зон
сужения, кавернообразования, обвалов с целью установления объема и технологии подготовительных
работ и определения мест установки центраторов;
г) произвести подготовку обсадных труб (визуальный осмотр, проверка
овальности жесткими двойными шаблонами, маркировка и опрессовка 426, 299, 219,
146мм осадных труб, с укладкой их на стеллаж в порядке спуска в скважину),
привезти специальную смазку для обеспечения герметичности резьбовых соединений
при наиболее высоких температурах, возможных в скважине;
д) произвести проверку состояния бурового оборудования и инструмента,
соответствие грузоподъемности вышки и талевой системы весу подлежащему спуску
колонны, произвести подготовку ствола скважины.
Проработка скважины должна быть произведена тем же способом и с
аналогичной компоновкой низа бурильной колонны, которая применялась для
последнего интервала скважины. Скважину проработать при непрерывной и
равномерной подаче долота и режимом промывки обеспечивающим такую же скорость
восходящего потока бурового раствора, что и при бурении данного интервала. Если
наблюдаются посадки или затяжки, ствол прорабатывают повторно с несколько
меньшей скоростью.
Перед подъемом бурильных труб, после проработки скважины, буровой раствор
должен по всем параметрам соответствовать геолого-техническим условиям
пробуренного интервала скважины под обсадную колонну и очищен от шлама. Общее
время, последней, непрерывной промывки должно быть не менее двух циклов
циркуляции.
При подъеме бурильной колонны после проработки измеряют ее длину и
уточняют длину скважины. Подъем бурильной колонны должен сопровождаться
непрерывным заполнением скважины качественным буровым раствором.
Спуск обсадной колонны производится под руководством специально
назначенного инженерно-технического работника.
Обсадные трубы 426, 299 и 219мм должны спускаться с применением клиновых
захватов, а 146мм с применением клиньев ПКР. Обсадные трубы в процессе спуска
повторно шаблонируются. Обсадная колонна должна спускаться плавно.
При спуске обсадной колонны необходимо производить восстановление
циркуляции или промежуточные промывки ствола скважины, периодичность которых
устанавливается для каждой конкретной колонны.
Резьбовое соединение считается удовлетворительно свинченным, если торец
муфты будет совпадать с последней риской на трубе. Допустимые при этом
отклонения составляют ± 2
нитки резьбы.
Не допускается обварка неудовлетворительно свинченных резьб для ²усиления² резьбового соединения, так как это
не всегда обеспечивает его необходимую прочность и вызывает рассоединение труб
в скважине. Резьбовое соединение труб в обязательном порядке необходимо докрепить
машинными ключами с контролем усилий свинчивания манометром.
Наращиваемую обсадную трубу с введенным концом в муфту вначале следует
вращать на весу, а затем плавно подавать вниз, контролируя правильность
свинчивания витков.
Направление диаметром 530мм
В связи с малой глубиной спуска (15м) перед спуском, испытанием труб на
герметичность и прочность гидроопрессовкой не производится.
Перед спуском трубы проверяются:
по внутреннему диаметру - стандартным шаблоном;
по резьбовым соединениям - стандартным калибром;
по состоянию наружной поверхности тела ²трубы² - визуально.
Первая нижняя труба, снизу оборудуется колонным башмаком типа БК-530.
Колонный башмак и трубы дополнительно крепятся по резьбовым соединениям
прерывистым электросварочным швом.
Цементирование направления производится прямым способом, через
цементировочную головку. После ОЗЦ направление устанавливается на шахтовое
направление и цементное кольцо ²хомутом².
Кондуктор диаметром 426мм
Глубина спуска колонны - 630м, обсадные трубы проверяются на герметичность
гидроопрессовкой, давлением РОП =5.7МПа Кроме этого перед спуском
трубы проверяются: -по внутреннему диаметру - стандартным шаблоном с наружным
диаметром 401мм; - по резьбовым соединениям - стандартным калибром; - по
состоянию наружной поверхности тела ²трубы² - визуально.-на первой нижней трубе снизу наворачивается колонный башмак
типа БК-426мм. В муфте первой трубы устанавливается кольцо ²стоп². Резьбовые соединения колонного
башмака и пяти первых труб дополнительно крепятся прерывистым электросварочным
швом.
Цементирование кондуктора производится прямым способом, через
цементировочную головку ГЦК-426*50. После ОЗЦ, ОЦК и опрессовки на
герметичность кондуктор устанавливается на нижнюю часть колонной головки
ООК3-70-146Ч219Ч299Ч426КЗ
Техническая 1-я колонна диаметром
299мм
Глубина спуска колонны - 1500м, обсадные трубы проверяются на
герметичность гидроопрессовкой, давлением Роп=17.45МПа Кроме этого перед
спуском трубы проверяются:
по внутреннему диаметру - стандартным шаблоном с наружным диаметром
273мм;- по резьбовым соединениям - стандартным калибром;
по состоянию наружной поверхности тела ²трубы² - визуально.
на первой нижней трубе снизу наворачивается колонный башмак типа
БК-299мм. В муфте первой трубы устанавливается кольцо ²стоп². Резьбовые соединения колонного
башмака и пяти первых труб дополнительно крепятся прерывистым электросварочным
швом.
Цементирование колонны производится прямым способом, через
цементировочную головку ГУЦ 273-299х250-1
Техническая 2-я колонна диаметром
219мм
Глубина спуска колонны - 2800м, обсадные трубы проверяются на
герметичность гидроопрессовкой, давлением Роп=39.27МПа Кроме этого перед
спуском трубы проверяются:
по внутреннему диаметру - стандартным шаблоном с наружным диаметром 195мм
для толщины стенки 11.4мм, 192мм для 12.7;- по резьбовым соединениям -
стандартным калибром;
по состоянию наружной поверхности тела ²трубы² - визуально.
на первой нижней трубе снизу наворачивается колонный башмак типа
БК-219мм. В муфте первой трубы устанавливается кольцо ²стоп². Резьбовые соединения колонного
башмака и пяти первых труб дополнительно крепятся прерывистым электросварочным
швом.
Цементирование колонны производится прямым способом, через
цементировочную головку ГУЦ 219-245х320-1
Эксплуатационная колонна диаметром 146мм
Перед спуском обсадные трубы проверяются по:
по внутреннему диаметру - стандартным шаблоном для труб с толщиной стенки
8.5мм с наружным диаметром 128мм, для труб с толщиной стенки 10.7мм с наружным
диаметром 123мм;
по резьбовым соединениям - стандартным калибром;
по состоянию наружной поверхности тела ²трубы² - визуально;
на прочность и герметичность - гидроопрессовкой с помощью
цементировочного агрегата ЦА -320М давлением на 37.29МПа
При спуске все резьбовые соединения уплотняются смазкой Р-402. На первую
трубу низа обсадной колонны наворачивается колонный башмак типа БК-146 и два
обратных клапана ЦКОД -146-1. Для обеспечения качественного цементирования
предусматривается в нижней части колонны центраторы типа ЦЦ-2-146/216. На
глубине 1307м от устья, на колонну наворачивается специальная муфта для
ступенчатого цементирования типа МЦП-146. В муфту второй трубы, выше МЦП
устанавливается кольцо ²стоп². На двух
трубах, через одну, выше и ниже специальной муфты ступенчатого цементирования,
начиная с первой, по два центрирующих фонаря типа ЦЦ-2-146/216. В муфту первой
трубы наворачивается второй обратный клапан ЦКОД -146.
После ОЗЦ, ОЦК и испытания на герметичность верхней ступени колонны,
колонна устанавливается на нижнюю часть колонной головки ООК3-70-146Ч219Ч299Ч426КЗ
.6 Цементирование обсадных колонн
.6.1 Расчет цементирования эксплуатационной колонны
146.1мм
Исходные данные:
. Внутренний диаметр dвн=126,8мм
. Глубина спуска колонны 3990м
. Расстояние от забоя до уровня цементного раствора h=3990м
. Удельный вес цементного раствора гц=1610кг/м3
. Удельный вес бурового раствора гр=1420кг/м3
.Удельный вес опрессовочной жидкости гж=1000кг/м3
. Пластовое давление на глубине 3990м, Рпл=45.1МПа
. Коэффициент увеличения ствола скважины кv=1.15 [5]
. Водоцементное отношение m=0.8
. Диаметр скважины Dскв=194мм
. Высота цементного стакана hц.с=10м
Колонна будет цементироваться в две ступени.
Определяем место установки муфты:
hм= h(гц- гр)/
(гц- гр +0.1)2
hм=3990*(1.61-1.42)(1.61-1.42+0.1)2=1307м
Устанавливаем муфту на глубину hм=1307м
Расчёт объёма цементного раствора и количества составных компонентов
Объем цементного раствора для цементирования первой
ступени
Vц.р=0.785[(D2скв-d2н)*Н*
кv+ d2вн*hц.с]
Vц.р=0.785[(0.1942-0.1462)*2683*1.15+ 0.1262*10]=39.65м3
Второй ступени
Vц.р=0.785[(0.1942-0.1462)*1307*1.15]=19.25м3
Количество цемента для затворения
Мц=кц* гц* Vц./1+m
Где, кц - коэффициент учитывающий потери
цемента при транспортировке и затворении
Мц=1.05*1610*39.65/1+0.8=37238кг
Мц=1.05*1610*19.25/1+0.8=18079кг
Количество воды необходимой для затворения
Vж=кв*m* Мц
/ гв
Где, кв-коэффициент учитывающий потери воды
Vж=1.09*0.8*37238 /1000=32.47 м3
Vж=1.09*0.8*18079 /1000=15.76 м3
Расчёт объема буферной, продавочной жидкостей
Объем продавочной жидкости
Vпр=∆*Р*d2вн*(L-hц.с)/4
Где, ∆-коэффициент учитывающий сжатие продавочной жидкости за счет
наличия в ней пузырьков воздуха
Vпр=1.03*3.14*0.1262*(3990-10)/4=51
м3
Vпр=1.03*3.14*0.1262*1307/4=16.7
м3
Объем буферной жидкости
Vбуф=0.785[(D2скв-d2н)*hб
Где, hб - высота столба буферной жидкости в
заколонном пространстве, м
hб= (гр- Ка.* рв)L/гр-гбуф
hб=
(1400-1.32*1000)3990/1400-1080=997.5м
hб=
(1400-1.32*1000)1307/1400-1080=326.7м
Vбуф=0.785[(0.1942-0.1462)997.5=12.8
м3
Vбуф=0.785[(0.1942-0.1462)326.7=4.2
м3
Определяем высоту столба бурового раствора за колонной
hр=3990-(2683+10)=1297м
Гидравлический расчет
Для успешного выполнения цементирования должны выполняться следующие
условия [18]:
,
(1),
, (2)
(3)
где
Р1, [Р1] - соответственно расчетное и допустимое давления
на цементировочной головке (для цементировочной головки ГУЦ 140-168х400-1 [Р1]
= 40МПа) стр.368 табл.10.6 [5]
Р2,
[Р2] - соответственно расчетное и допустимое давления на насосах
цементировочных агрегатов (для ЦА-320М [Р2] = 32 МПа)
Р3,
[Р3] - соответственно расчетное давление на забое скважины в
конечный момент цементирования и давление гидроразрыва пород ([Р3] =
69.8МПа)
Давление
на цементировочной головке в конечный момент цементирования
Р1=
(Н- hц.с)( гц-
гр)/ 105+ Ртр+ Рзп
Где,
Ртр - гидравлический сопротивление в момент окончания продавливания
продавочной жидкости в трубах, МПа Рзп - гидравлическое сопротивление
в момент окончания продавливания, МПа
Ртр=0.289*10-7*
гр*Q2 (Н- hц.с)/ d5вн
Где,
Q- подача насосов в конечный момент продавливания, м3/с
Ртр=0.289*10-7*1420*0.0032(2683-10)/
0.1265=0.03МПа
Ртр=0.289*10-7*1420*0.0032*1307/
0.1265=0.015МПа
Рзп=0.289*10-7*
гц* Q 2*Н/( Dскв-dн) 3
( Dскв+dн) 2
Рзп=0.289*10-7*1610*0.0032*2683/(0.194-0.146)
3 (0.194+0.146) 2
=0.07МПа
Рзп=0.289*10-7*1610*0.0032*1307/(0.194-0.146)
3 (0.194+0.146) 2
=0.043МПа
Р1=(2683-10)(1610-1420)/
105+0.03+0.07=5.17МПа
Р1=1307*(1610-1420)/
105+0.015+0.043=2.54МПа
)
1Р1=5.17МПа<[Р1] = 32МПа,
Р1=2.54МПа<[Р1]
= 32МПа
Р1=5.17МПа<
Ру=33.9/1.5=22.6МПа, что допустимо
)
Р2= Р1/0.8=5.17/0.8=6.46МПа<[Р2] = 40МПа,
что допустимо
)
Давление на забое скважины в конечный момент цементирования
Р3=Нц*
гц/ 105+ Рзп
Где,
Нц -высота подъема цементного раствора, м
Р3=2683*1610/105+0.07=43.26МПа<[Р3]
= 69.8МПа, что допустимо
Все
условия выполняются
Расчёт
необходимого количества цементировочного оборудования и продолжительности
цементирования
Принимаем
скорость восходящего потока vв=1.8м/с и
находим требуемую подачу цементировочного агрегата по ф.10.23 [5]
Q=F*V
Где,
F - площадь затрубного пространства, м2
F= Vц.р- Vц.с/h
F=(39.65-0.15)/2683=0.0147
м2
F=19.25/1307=
0.0147м2
Q=0.015*1.8=0.027
м3/с
Для
цементировочного агрегата ЦА-320М производительность на 4-й скорости Q4=14.5
л/с при диаметре втулки 125мм, а давление 6МПа, т.е. заданный режим по давлению
обеспечится при использовании этого цементного агрегата для цементирования
первой ступени. Находим число ЦА n=Q/Q4=27/14.5+1=2.8 принимаем 3шт 3ЦА-400А
Находим
необходимое число цементосмесительных машин
m= Мц/
гц* Vбун.
Где,
Vбун -
объем бункера 2СМН-20, Vбун.=14,5
м3
m=37.2/14.5*1.61=1.59
принимаю 2шт
Считаем
подачу насоса при закачивании тампонажного раствора
Qн=q*m
Где,
q-производительность 2СМН-20, q=20 л/с
Qн=20*2=40 л/с
Qн=20*1=20 л/с
Определяем
продолжительность закачивания тампонажного раствора
tз= Vц.р/60* Qн
tз=39.65/60*0.04=16.5мин
tз=19.25/60*0.02=16.04мин
Продолжительность
процесса продавливания
tпр= Vпр/60* Q
tпр=51/60*0.027=31.48мин
tпр=16.7/60*0.027=10.3мин
Определяем
общее время цементирования
tц= tз+ tпр+15мин
.5+16.04+31.48+10.3+15=89.6мин
tц ≤0.75*б
Где,
б -время начала схватывания, для холодных скважин б=120мин
tц ≤0.75*120
.6мин≤90мин
что допустимо
.6.2 Расчет цементирования 2-й промежуточной колонны
219.1мм
Исходные данные:
. Внутренний диаметр dвн=196мм
. Глубина спуска колонны 2800м
. Расстояние от забоя до уровня цементного раствора h=1800м
. Удельный вес цементного раствора гц=1600кг/м3
. Удельный вес бурового раствора гр=1160кг/м3
.Удельный вес опрессовочной жидкости гж=1000кг/м3
. Пластовое давление на глубине 2800м, Рпл=28МПа
. Коэффициент увеличения ствола скважины кv=1.15
. Водоцементное отношение m=0.8
. Диаметр скважины Dскв=270мм
. Высота цементного стакана hц.с=10м
Расчёт объёма цементного раствора и количества составных компонентов
Объем цементного раствора
Vц.р=0.785[(D2скв-d2н)*Н*
кv+ d2вн*hц.с]
Vц.р=0.785[(0.2702-0.2192)*1800*1.15+ 0.1962*10]=40.8м3
Количество цемента для затворения
Мц=кц* гц* Vц./1+m
Где, кц - коэффициент учитывающий потери
цемента при транспортировке и затворении
Мц=1.05*1800*40.8/1+0.8=42840кг
Vж=кв*m* Мц
/ гв
Где, кв - коэффициент учитывающий потери
воды
Vж=1.09*0.8*42840 /1000=37.35 м3
Расчёт объема буферной, продавочной жидкостей
Объем продавочной жидкости
Vпр=∆*Р*d2вн*(L-hц.с)/4
Где, ∆-коэффициент учитывающий сжатие продавочной жидкости за счет
наличия в ней пузырьков воздуха
Vпр=1.03*3.14*0.1962*(2800-10)/4=86.66
м3
Объем буферной жидкости
Vбуф=0.785[(D2скв -d2н)*hб
Где, hб - высота столба буферной жидкости в
заколонном пространстве, м
hб= (гр- Ка.* рв)L/гр-гбуф
hб= (1160-1*1000)2800/1400-1080=1400м
Vбуф=0.785[(0.2702-0.2192)1400=27.4
м3
Определяем высоту столба бурового раствора за колонной
hр=2800-(1800+10)=990м
Гидравлический расчет
ГУЦ 219-245х320-1 [Р1] =32МПа
Давление на цементировочной головке в конечный момент цементирования
Р1= (Н- hц.с)( гц- гр)/ 105+
Ртр+ Рзп
Где, Ртр -гидравлический сопротивление в момент окончания
продавливания продавочной жидкости в трубах, МПа
Рзп -гидравлическое сопротивление в момент окончания
продавливания, МПа
Ртр=0.289*10-7* гр*Q2 (Н- hц.с)/ d5вн
Где, Q- подача насосов в конечный момент
продавливания, м3/с
Ртр=0.289*10-7*1160*0.0032(1800-10)/
0.1965=0.002МПа
Рзп=0.289*10-7* гц* Q 2*Н/( Dскв-dн) 3 ( Dскв+dн) 2
Рзп=0.289*10-7*1800*0.0032*1800/(0.270-0.219)
3 (0.270+0.219) 2=0.026МПа
Р1=(1800-10)(1800-1160)/ 105+0.002+0.026=11.48МПа
) Р1=11.48МПа <[Р1] = 32МПа,
Р1=11.48МПа < Ру=35.7/1.5=23.8МПа, что допустимо
) Р2= Р1/0.8=11.48 /0.8=14.35МПа<[Р2]
= 32МПа, что допустимо
) Давление на забое скважины в конечный момент цементирования
Р3=Нц* гц/ 105+ Рзп
Где, Нц -высота подъема цементного раствора, м
Р3=1800*1600/105+0.026=28.83МПа<[Р3]
= 33МПа, что допустимо
Все условия выполняются
Расчёт необходимого количества цементировочного оборудования и
продолжительности цементирования
Принимаем скорость восходящего потока vв=1.5м/с и находим требуемую подачу цементировочного агрегата
по ф.10.23 [5]
Q=F*V
Где, F-площадь затрубного пространства, м2
F= Vц.р- Vц.с/h
F=(40.8-0.4)/1800=0.022
м2
Q=0.022*1.5=0.033м3/с
Для цементировочного агрегата ЦА-320М производительность на 3-й скорости Q3=5.98л/с при диаметре втулки 115мм,
а давление 14МПа, т.е. заданный режим по давлению обеспечится при использовании
этого цементного агрегата
Находим число ЦА
n=Q/Q3=33/5.98+1=6.5принимаем 7шт ЦА-320М
Находим необходимое число цементосмесительных машин
m= Мц/
гц* Vбун.
Где, Vбун - объем бункера 2СМН-20, Vбун.=14,5 м3
m=42.8/14.5*1.6=1.84
принимаю 2шт
Считаем подачу насоса при закачивании тампонажного раствора
Qн=q*m
Где, q-производительность 2СМН-20, q=20 л/с
Qн=20*2=40л/с
Определяем продолжительность закачивания тампонажного раствора
tз= Vц.р/60* Qн
tз=40.2/60*0.04=16.75мин
Продолжительность процесса продавливания
tпр= Vпр/60* Q
tпр=86.66/60*0.033=43.7мин
Определяем общее время цементирования
tц= tз+ tпр+15мин
.75+43.7+15=75.45мин
tц ≤0.75*б
Где, б -время начала схватывания, для холодных скважин б=120мин
tц ≤0.75*120
.45мин≤90мин что допустимо
.6.3 Расчет цементирования 1-й промежуточной колонны
298.5мм
Исходные данные:
. Внутренний диаметр dвн=273.7мм
. Глубина спуска колонны 1500м
. Расстояние от забоя до уровня цементного раствора h=1500м
. Удельный вес цементного раствора гц=1600кг/м3
. Удельный вес бурового раствора гр=1500кг/м3
.Удельный вес опрессовочной жидкости гж=1000кг/м3
. Пластовое давление на глубине 1500м, Рпл=15МПа
. Коэффициент увеличения ствола скважины кv=1.15
. Водоцементное отношение m=0.8
. Диаметр скважины Dскв=397мм
. Высота цементного стакана hц.с=10м
Расчёт объёма цементного раствора и количества составных компонентов
Объем цементного раствора
Vц.р=0.785[(D2скв-d2н)*Н*
кv+ d2вн*hц.с]
Vц.р=0.785[(0.3972-0.2982)*1500*1.15+ 0.2732*10]=93.7м3
Количество цемента для затворения
Мц=кц* гц* Vц./1+m
Где, кц-коэффициент учитывающий потери
цемента при транспортировке и затворении
Мц=1.05*1600*93.7/1+0.8=87453кг
Количество воды необходимой для затворения
Vж=кв*m* Мц
/ гв
Где, кв-коэффициент учитывающий потери воды
Vж=1.09*0.8*87453 /1000=76.25 м3
Расчёт объема буферной, продавочной жидкостей
Объем продавочной жидкости
Vпр=∆*Р*d2вн*(L-hц.с)/4
Где, ∆-коэффициент учитывающий сжатие продавочной жидкости за счет
наличия в ней пузырьков воздуха
Vпр=1.03*3.14*0.2732*(1500-10)/4=90
м3
Объем буферной жидкости
Vбуф=0.785[(D2скв -d2н)*hб
Где, hб - высота столба буферной жидкости в
заколонном пространстве, м
hб= (гр- Ка.* рв)L/гр-гбуф
hб= (1500-1,35*1000)1500/1500-1080=536м
Vбуф=0.785[(0.3972-0.2982)536=28.9
м3
Гидравлический расчет
ГУЦ 273-299х250-1 [Р1] =25МПа
Давление на цементировочной головке в конечный момент цементирования
Р1= (Н- hц.с)( гц- гр)/ 105+
Ртр+ Рзп
Ртр=0.289*10-7* гр*Q2 (Н- hц.с)/ d5вн
Ртр=0.289*10-7*1500*0.0032 (1500-10)/
0.2735=0.00038МПа
Рзп=0.289*10-7* гц* Q 2*Н/( Dскв-dн) 3 ( Dскв+dн) 2
Рзп=0.289*10-7*1600*0.0032*1500/(0.397-0.298)
3 (0.397+0.298) 2=0.0014МПа
Р1=(1500-10)(1600-1500)/ 105+0.00038+0.0014=1.49МПа
) Р1=1.49МПа <[Р1] = 25МПа,
Р1=1.49МПа < Ру=15.87/1.5=10.58МПа, что
допустимо
) Р2= Р1/0.8=1.49 /0.8=1.86МПа<[Р2] =
32МПа, что допустимо
) Давление на забое скважины в конечный момент цементирования
Р3=Нц* гц/ 105+ Рзп
Где, Нц -высота подъема цементного раствора, м
Р3=1500*1600/105+0.0014=24МПа<[Р3] =
24.3МПа, что допустимо
Все условия выполняются
Расчёт необходимого количества цементировочного оборудования и
продолжительности цементирования
Принимаем скорость восходящего потока vв=1.5м/с и находим требуемую подачу цементировочного агрегата
по ф.10.23 [5]
Q=F*V
Где, F-площадь затрубного пространства, м2
F= Vц.р- Vц.с/h
F=(93.7-0.75)/1500=0.06
м2
Q=0.06*1.5=0.09м3/с
Для цементировочного агрегата ЦА-320М производительность на 4-й скорости Q4=14.5л/с при диаметре втулки 125мм,
а давление 6МПа, т.е. заданный режим по давлению обеспечится при использовании
этого цементного агрегата
Находим число ЦА
n=Q/Q4=90/14.5+1=7.2принимаем 8шт ЦА-320М
Находим необходимое число цементосмесительных машин
m= Мц/
гц* Vбун.
Где, Vбун-объем бункера 2СМН-20, Vбун.=14,5 м3
m=87.45/14.5*1.6=3.76
принимаю 4шт
Считаем подачу насоса при закачивании тампонажного раствора
Qн=q*m
Где, q-производительность 2СМН-20, q=20 л/с
Qн=20*4=80 л/с
Определяем продолжительность закачивания тампонажного раствора
tз= Vц.р/60* Qн
tз=93.7/60*0.08=19.5мин
Продолжительность процесса продавливания
tпр= Vпр/60* Q
tпр=90/60*0.09=16.7мин
Определяем общее время цементирования
tц= tз+ tпр+15мин
.5+16.7+15=51.2мин
tц ≤0.75*б
Где, б -время начала схватывания, для холодных скважин б=120мин
tц ≤0.75*120
.2мин≤90мин что допустимо
.6.4 Расчет цементирования кондуктора 426мм
Исходные данные:
. Внутренний диаметр dвн=402мм
. Глубина спуска колонны 630м
. Расстояние от забоя до уровня цементного раствора h=630м
. Удельный вес цементного раствора гц=1400кг/м3
. Удельный вес бурового раствора гр=1050кг/м3
.Удельный вес опрессовочной жидкости гж=1000кг/м3
. Пластовое давление на глубине 630, Рпл=6.3МПа
. Коэффициент увеличения ствола скважины кv=1.15
. Водоцементное отношение m=0.8
. Диаметр скважины Dскв=490мм
. Высота цементного стакана hц.с=10м
Расчёт объёма цементного раствора и количества составных компонентов
Объем цементного раствора
Vц.р=0.785[(D2скв-d2н)*Н*
кv+ d2вн*hц.с]
Vц.р=0.785[(0.4902-0.4262)*630*1.15+ 0.4022*10]=34.6м3
Количество цемента для затворения
Мц=кц* гц* Vц./1+m
Где, кц - коэффициент учитывающий потери
цемента при транспортировке и затворении
Мц=1.05*1400*34.6/1+0.8=28257кг
Количество воды необходимой для затворения
Vж=кв*m* Мц
/ гв
Где, кв - коэффициент учитывающий потери
воды
Vж=1.09*0.8*28257 /1000=24.64 м3
Расчёт объема буферной, продавочной жидкостей
Объем продавочной жидкости
Vпр=∆*Р*d2вн*(L-hц.с)/4
Где, ∆-коэффициент учитывающий сжатие продавочной жидкости за счет
наличия в ней пузырьков воздуха
Vпр=1.03*3.14*0.4022*(630-10)/4=81
м3
Объем буферной жидкости
Vбуф=0.785[(D2скв -d2н)*hб
Где, hб-высота столба буферной жидкости в заколонном
пространстве, м
hб= (гр- Ка.* рв)L/гр-гбуф
hб= (1050-1.0*1000)630/1050-1080=1050м
Vбуф=0.785[(0.4902-0.4262)630=38.8
м3
Гидравлический расчет
ГЦК 426х50 [Р1] =5МПа
Давление на цементной головке в конечный момент цементирования
Р1= (Н- hц.с)( гц- гр)/ 105+
Ртр+ Рзп
Ртр=0.289*10-7* гр*Q2 (Н- hц.с)/ d5вн
Ртр=0.289*10-7*1050*0.0032 (630-10)/
0.4025=0.00001МПа
Рзп=0.289*10-7* гц* Q 2*Н/( Dскв-dн) 3 ( Dскв+dн) 2
Рзп=0.289*10-7*1400*0.0032*630/(0.490-0.426)
3 (0.490+0.426) 2=0.0007МПа
Р1=(630-10)(1400-1050)/ 105+0.00001+0.0007=2.17МПа
) Р1=2.17МПа <[Р1] = 5МПа,
Р1=2.17МПа < Ру=5.7/1.5=3.8МПа, что допустимо
) Р2= Р1/0.8=2.17/0.8=2.71МПа<[Р2] =
32МПа, что допустимо
) Давление на забое скважины в конечный момент цементирования
Р3=Нц* гц/ 105+ Рзп
Где, Нц -высота подъема цементного раствора, м
Р3=630*1400/105+0=8.82МПа<[Р3] =
9.2МПа, что допустимо
Все условия выполняются
Расчёт необходимого количества цементировочного оборудования и
продолжительности цементирования
Принимаем скорость восходящего потока vв=1.5м/с и находим требуемую подачу цементировочного агрегата
по ф.10.23 [5]
Q=F*V
Где, F-площадь затрубного пространства, м2
F= Vц.р- Vц.с/h
F=(34.6-1.62)/630=0.052
м2
Q=0.052*1.5=0.078м3/с
Для цементировочного агрегата ЦА-320М производительность на 4-й скорости Q4=14.5л/с при диаметре втулки 125мм,
а давление 6МПа, т.е. заданный режим по давлению обеспечится при использовании
этого цементного агрегата
Находим число ЦА
n=Q/Q4=78/14.5+1=6.4принимаем 7шт ЦА-320М
Находим необходимое число цементосмесительных машин
m= Мц/
гц* Vбун.
Где, Vбун - объем бункера 2СМН-20, Vбун.=14,5 м3
m=28.25/14.5*1.4=1.39
принимаю 2шт
Считаем подачу насоса при закачивании тампонажного раствора
Qн=q*m
Где, q-производительность 2СМН-20, q=20 л/с
Qн=20*2=40 л/с
Определяем продолжительность закачивания тампонажного раствора
tз= Vц.р/60* Qн
tз=34.6/60*0.04=14.4мин
Продолжительность процесса продавливания
tпр= Vпр/60* Q
tпр=81/60*0.078=17.3мин
Определяем общее время цементирования
tц= tз+ tпр+15мин
.4+17.3+15=46.7мин
tц ≤0.75*б
Где, б -время начала схватывания, для холодных скважин б=120мин
tц ≤0.75*120
.7мин≤90мин что допустимо
.6.5 Расчет цементирования направления 530мм
Исходные данные:
. Внутренний диаметр dвн=507.8мм
. Глубина спуска колонны 15м
. Расстояние от забоя до уровня цементного раствора h=15м
. Удельный вес цементного раствора гц=1400кг/м3
. Удельный вес бурового раствора гр=1050кг/м3
.Удельный вес опрессовочной жидкости гж=1000кг/м3
. Коэффициент увеличения ствола скважины кv=1.15
. Водоцементное отношение m=0.8
. Диаметр скважины Dскв=600мм
. Высота цементного стакана hц.с=10м
Расчёт объёма цементного раствора и количества составных компонентов
Объем цементного раствора
Vц.р=0.785[(D2скв-d2н)*Н*
кv+ d2вн*hц.с]
Vц.р=0.785[(0.6002-0.5302)*15*1.15+ 0.5072*10]=3.1м3
Количество цемента для затворения
Мц=кц* гц* Vц./1+m
Где, кц - коэффициент учитывающий потери
цемента при транспортировке и затворении
Мц=1.05*1400*3.1/1+0.8=2532кг
Количество воды необходимой для затворения
Vж=кв*m* Мц
/ гв
Где, кв-коэффициент учитывающий потери воды
Vж=1.09*0.8*2532/1000=2.2 м3
Расчёт объема буферной, продавочной жидкостей
Объем продавочной жидкости
Vпр=∆*Р*d2вн*(L-hц.с)/4
Где, ∆-коэффициент учитывающий сжатие продавочной жидкости за счет
наличия в ней пузырьков воздуха
Vпр=1.03*3.14*0.5072*(15-10)/4=0.2
м3
Объем буферной жидкости
Vбуф=0.785[(D2д-d2н)*hб
Vбуф=0.785[(0.6002-0.5302)15=1.5
м3
Гидравлический расчет
Давление на цементировочной головке в конечный момент цементирования
Р1= (Н- hц.с)( гц- гр)/ 105+
Ртр+ Рзп
Ртр=0.289*10-7* гр*Q2 (Н- hц.с)/ d5вн
Ртр=0.289*10-7*1050*0.0032 (15-10)/
0.5075=0МПа
Рзп=0.289*10-7* гц* Q 2*Н/( Dскв-dн) 3 ( Dскв+dн) 2
Рзп=0.289*10-7*1400*0.0032*630/(0.600-0.530)
3 (0.600+0.530) 2=0МПа
Р1=(15-10)(1400-1050)/ 105+0+0=0.017МПа
) Р1=0.017МПа <[Р1] = 5МПа,
) Р2= Р1/0.8=0.017 /0.8=0.021МПа<[Р2]
= 32МПа, что допустимо
) Давление на забое скважины в конечный момент цементирования
Р3=Нц* гц/ 105+ Рзп
Где, Нц -высота подъема цементного раствора, м
Р3=15*1400/105+0=0.21МПа<[Р3] =
0.228МПа, что допустимо
Все условия выполняются
Расчёт необходимого количества цементировочного оборудования и
продолжительности цементирования
Принимаем скорость восходящего потока vв=1.5м/с и находим требуемую подачу цементировочного агрегата
по ф.10.23 [5]
Q=F*V
Где, F-площадь затрубного пространства, м2
F= Vц.р- Vц.с/h
F=(3.1-2.57)/15=0.035
м2
Q=0.035*1.5=0.053м3/с
Для цементировочного агрегата ЦА-320М производительность на 4-й скорости Q4=14.5л/с при диаметре втулки 125мм,
а давление 6МПа, т.е. заданный режим по давлению обеспечится при использовании
этого цементного агрегата
Находим число ЦА
n=Q/Q4=53/14.5+1=4.6принимаем 5шт ЦА-320М
Находим необходимое число цементосмесительных машин
m= Мц/
гц* Vбун.
Где, Vбун - объем бункера 2СМН-20, Vбун.=14,5 м3
m=2.5/14.5*1.4=0.12
принимаю 1шт
Считаем подачу насоса при закачивании тампонажного раствора
Qн=q*m
Где, q-производительность 2СМН-20, q=20 л/с
Qн=20*1=20 л/с
Определяем продолжительность закачивания тампонажного раствора
tз= Vц.р/60* Qн
tз=3.1/60*0.02=2.58мин
Продолжительность процесса продавливания
tпр= Vпр/60* Q
tпр=0.2/60*0.053=0.06мин
Определяем общее время цементирования
tц= tз+ tпр+15мин
.58+0.06+15=17.64мин
tц ≤0.75*б
Где, б -время начала схватывания, для холодных скважин б=120мин
tц ≤0.75*120
.64мин≤90мин что допустимо
Таблица 4.6.1 Результаты расчета цементирования
|
Наименование колонны
|
Объем цементного раствора, м3
|
Объем воды для затворения, м3
|
Объем продавочной жидкости, м3
|
Объем буферной жидкости, м3
|
Количество ЦА-320м,шт.
|
Количество 2СМН-20, шт.
|
Общее время цементирования, мин
|
Давление на цементировочной головке в конечный момент
цементирования, МПа
|
|
Направление 530
|
3.1
|
2.2
|
0.2
|
1.5
|
5
|
1
|
17.64
|
0.017
|
|
Кондуктор 426
|
34.6
|
24.64
|
81
|
38.8
|
7
|
2
|
46.7
|
2.17
|
|
Промежуточная 1-я 298.9мм
|
93.7
|
76.25
|
90
|
28.9
|
8
|
4
|
51.45
|
1.49
|
40.8
|
37.35
|
86.66
|
27.4
|
7
|
2
|
54.2
|
11.48
|
|
Эксплуатационная 146.1мм 1 ступень
|
39.65
|
32.47
|
51
|
12.8
|
3
|
2
|
44.83
|
5.17
|
|
Эксплуатационная 146.1мм 2 ступень
|
19.25
|
15.76
|
16.7
|
4.2
|
3
|
1
|
18.4
|
2.54
|
|
Итого
|
231.1
|
188.67
|
325.56
|
113.6
|
8*
|
4*
|
233.22
|
|
*Примечание: количество агрегатов ЦА-320М и число цементосмесительных
машин 2СМН-20 принимается по максимальному значению
.7 Проектирование процесса углубления скважины
.7.1 Выбор буровых долот
Таблица 4.7.1.1 Физико-механические свойства горных пород по разрезу
скважины
|
Номер слоя
|
порода
|
Интервал, м
|
Категория твердости
|
Категория абразивности
|
|
1
|
Пески
|
0-10
|
2
|
4
|
|
2
|
Глины алевретистые
|
10-160
|
3
|
4
|
|
3
|
Известняк
|
160-310
|
5
|
5
|
|
4
|
Доломиты
|
310-420
|
8
|
6
|
|
5
|
Аргиллиты
|
420-490
|
5
|
6
|
|
6
|
Глины алевретистые
|
490-560
|
3
|
4
|
|
7
|
Доломиты
|
560-650
|
7
|
6
|
|
8
|
Известняк
|
650-750
|
5
|
3
|
|
9
|
Доломиты
|
750-980
|
7
|
6
|
|
10
|
Соль
|
980-1050
|
4
|
1
|
|
11
|
Известняк
|
1050-1150
|
5
|
5
|
|
12
|
Доломиты
|
1150-1300
|
7
|
4
|
|
13
|
Соль
|
1300-1450
|
4
|
1
|
|
14
|
Доломиты
|
1450-1800
|
7
|
4
|
|
15
|
Соль
|
1800-2100
|
4
|
1
|
|
16
|
Доломиты
|
2100-2420
|
7
|
4
|
|
17
|
Соль
|
2420-2520
|
4
|
1
|
|
18
|
Доломиты
|
2520-2800
|
7
|
4
|
|
19
|
Алевролит с песком
|
2800-2900
|
4
|
5
|
|
20
|
Глины алевретистые
|
2900-3010
|
3
|
4
|
|
21
|
Аргиллит
|
3010-3015
|
5
|
6
|
|
22
|
Глины алевретистые
|
3015-3140
|
3
|
4
|
|
23
|
Аргиллит
|
3140-3260
|
5
|
6
|
|
24
|
Доломиты
|
3260-3510
|
7
|
4
|
|
25
|
Глины алевретистые
|
3510-3610
|
3
|
4
|
|
26
|
Аргиллит
|
3610-3710
|
5
|
6
|
|
27
|
Глины алевретистые
|
3710-3890
|
3
|
4
|
|
28
|
Песчаник
|
3890-3990
|
6
|
8
|
Разделим геологический разрез на пять пачек пород
|
Номер пачки
|
1
|
2
|
3
|
4
|
5
|
|
Интервал, м
|
0-10
|
10-980
|
980-2800
|
2800-3260
|
3260-3990
|
-я пачка состоит из одного пласта: Т=2, А=4
-я пачка состоит из восьми пластов:
Т=3*160+5*150+8*110+5*70+3*70+7*90+5*100+7*230/970=5.57
А=4*160+5*150+6*110+6*70+4*70+6*90+3*100+6*230/970=5.12
-я пачка:
Т=4*70+5*100+7*150+4*150+7*350+4*300+7*320+4*100+7*280/1820=5.87
А=1*70+5*100+4*150+1*150+4*350+1*300+4*320+1*100+4*280/1820=3.03
-я пачка:
Т=4*100+3*110+5*5+3*125+5*120/460=3.76
А=5*100+4*110+6*5+4*125+6*120/460=4.76
-я пачка:
Т=7*250+3*100+5*100+3*180+6*100/730=5.05
А=4*250+4*100+6*100+4*180+8*100/730=4.82
Выбираем тип шарошечного долота по классификационной таблице парных соответствий
категорий твердости и абразивности пород:
Так, для первой пачки расчетная точка близко расположена к эталонной,
соответствующей долоту типа МС. Таким образом, для бурения пачки пород
рациональным является долото типа МС. Для 2-й пачки-долото типа ТК, для 3-й
пачки-долото типа Т, для 4-й пачки-долото типа С, для 5-й пачки-долото типа ТК.
Типоразмер долота рассчитан в разделе 4.2.5
Полученные данные сведем в таблицу 4.7.1.2
Таблица 4.7.1.2
|
Номер пачки
|
Тип долота
|
Твердость ГП по штампу Рш, МПа
|
|
1
|
590МС-ЦВ
|
250
|
|
2
|
490ТК-ЦВ, 393.7ТК-ЦГВ
|
3000
|
|
3
|
393.7Т-ЦГВ, 269.9Т-ГАУ
|
2000
|
|
4
|
190.5С-ЦН
|
1000
|
|
5
|
190.5ТК-ГАУ
|
2500
|
.7.2 Расчет осевой нагрузки на долото по интервалам горных пород
Для шарошечных долот с Dд≥190мм
осевую нагрузку на долото можно определить по удельной нагрузке Руд(кН/мм):
Рд= Dд* Руд [5]
Интервал 0-10м (бурение под направление). Разрез сложен породами средней
твердости. Долото диаметром 590мм. РУД=0.1кН/мм
Рд=590*0.1=59кН≈6т
Интервал 10 -310м (бурение под кондуктор). Разрез сложен мягкими породами.
Долото диаметром 490мм. РУД=0.3кН/мм
Рд=490*0.3=147кН≈15т
Интервал 310 -420м (бурение под кондуктор) Разрез сложен породами средней
твердости. Долото диаметром 490мм. РУД=0.5кН/м
Рд=490*0.5=245кН≈25т
Интервал бурения 420-560м (бурение под кондуктор) Разрез сложен породами
средней твердости. Долото диаметром 490мм РУД=0.5кН/м
Рд=490*0.5=245кН≈25т
Интервал бурения 560-650м (бурение под кондуктор) Разрез сложен твердыми
породами. Долото диаметром 490мм РУД=0.6кН/м
Рд=490*0.6=294кН≈30т
Интервал бурения 650-1500м (бурение под первую промежуточную) Разрез
сложен средними породами с прослоями твердых. Долото диаметром 393.7мм РУД=0.5кН/м
Рд=393.7*0.5=197кН≈20т
Интервал бурения 1500-2800м (бурение под вторую промежуточную колонну)
Разрез сложен средними породами с прослоями твердых. Долото диаметром 269.9мм РУД=0.6кН/м
Рд=269.9*0.6=177кН≈18т
Интервал бурения 2800-3260м (бурение под эксплуатационную колонну) Разрез
сложен средними породами. Долото диаметром 190.5мм РУД=0.5кН/м
Рд=190.5*0.5=95кН≈10т
Интервал бурения 3260-3990м (бурение под эксплуатационную колонну) Разрез
сложен твердыми породами. Долото диаметром 190.5мм РУД=0.6кН/м
Рд=190.5*0.6=114кН≈12т
Полученные результаты сведем в таблицу 4.7.1
4.7.3 Расчет частоты вращения долота
Частота вращения породоразрушающего инструмента выбирается в зависимости
от способа бурения, типа буровой установки, паспортных данных долота и
корректируется в соответствии с геологическим строением разреза, результатами
опытного бурения на соседних площадях и исключением возникновения
низкочастотных продольных колебаний бурильной колонны. Исходя из выше
сказанного, корректируем частоту вращения и сводим результаты в таблицу 4.7.1
4.7.4 Расчет необходимого расхода бурового раствора
Рациональный расход промывочной жидкости определяется по формуле:
Q≥0.785(D2скв-d2н)*Vв [5]
где d2н - наружный диаметр бурильных труб, м; D2скв - диаметр скважины, м; Vв- необходимая скорость восходящего
потока промывочной жидкости, м/с.
Интервал 0-15м (бурение под направление).
Q=0.785(0.62-0.2732)*0.4=0.089
м3/с
Интервал 15 -630м (бурение под кондуктор).
Q=0.785(0.492-0.142)*0.5=0.087м3/с=87л/с
Интервал бурения 630-1500м (бурение под 1-ю техническую колонну)
Q=0.785(0.3932-0.142)*0.7=0.074м3/с=74л/с
Интервал бурения 1500-2800м (бурение под 2-ю техническую колонну)
Q=0.785(0.2692-0.1272)*1.0=0.044м3/с=44л/с
Интервал бурения 2800-3990м (бурение под эксплуатационную колонну)
Q=0.785(0.192-0.0732)*1.0=0.024м3/с=24л/с
Полученные результаты сводим в таблицу 4.7.1
Таблица 4.7.1 Параметры режима бурения
|
Интервал, м
|
Вид технологической операции
|
Способ бурения
|
Режим бурения
|
|
|
|
Осевая нагрузка, кН
|
Скорость вращения долота, об/мин
|
Производительность насосов, л/с
|
|
0-15
|
бурение
|
роторный
|
59
|
80
|
89
|
|
15-630
|
бурение
|
|
294
|
60
|
87
|
|
630-1500
|
бурение
|
|
197
|
60
|
74
|
|
1500-2800
|
бурение
|
|
177
|
70
|
44
|
|
2800-3990
|
бурение
|
|
114
|
70
|
24
|
4.7.5 Выбор компоновки и расчет бурильной колонны
При выборе бурильных труб в качестве исходной информации: диаметр
обсадной колонны на предыдущем интервале бурения, способ бурения, условия
бурения по осложненности, диаметр и вес УБТ. В соответствии с этой информацией
принимаем стальные бурильные трубы (СБТ).
Диаметр нижней (первой) секции УБТ выбирается с учётом конструкции
скважины и обеспечения наибольшей устойчивости и прочности. В нормальных
условиях бурения рекомендуется следующие отношение диаметра УБТ к диаметру
долота должно составлять 0,70-0,80 для диаметров долот до 295,3мм, и 0,80-0,85
для долот большего диаметра. Для осложненных условий это соотношение
уменьшается, при бурении долотами более 250,8мм допускается применение УБТ
ближайшего меньшего диаметра с одновременной установкой опорно-центрирующих
устройств. Отношение диаметра бурильных труб к диаметру УБТ ≥0,7, если
это соотношение не соблюдается, то комплект УБТ должен состоять из труб нескольких
диаметров, уменьшающихся в направлении к бурильным трубам. При этом отношение
диаметра последующей ступени к предыдущей должно быть≥0,8.
Общая длина УБТ для одно, двух и трехразмерных конструкций в зависимости
от РД и сб.р.определяется из выражения:
lу=1,15*(Рд-Gт)/[л1*q+1/nc-1*(1-л1)(q2+q3)*k1*cosи
где Рд- нагрузка на долото, кН; Gт- вес трубы забойного двигателя, кН;
л1=l1/l; l1-длина нижней (первой) секции создающую основную часть нагрузки. Для
определения l1 вначале задаются отношением л1:
при нормальных условиях бурения=(0,7-0,8)1;
при осложненных условиях бурения
l1=(0,4-0,6)l;
,q2,q3-вес 1м соответственно первой, второй и третьей секции УБТ,
кН/м;=1-сб.р./см-коэффициент, учитывающий влияние бурового раствора от
материала труб(потри веса);
Ө-угол отклонения УБТ от вертикали.
Если число секций nc=3, то 11=л11;12=13=(1-11)/2;
если nc=2, то l1=л1l;12=l-l1;q3=0;
если nc=l, то л1=l; q2=q3=0
Выбор компоновки
Интервал бурения 0-15м(бурение под направление 530мм)
Принимаем УБТС 2-273; l-12м
Интервал бурения 15-630м(бурение под кондуктор 426мм)
По табличным данным, в зависимости от диаметра обсадной колонны, выбираем
диаметр бурильной колонны 140мм, табл.8.13 [5]. Диаметр долота 490мм, нагрузка
на долото 294кН.
По табличным данным принимаем диаметр первой секции УБТ равным 273мм.
Поскольку dб.т./dу=0,51<0,7,то 1у должно быть многоразмерной. Примем
трехразмерную конструкцию 273х219х178мм. Для верхней секции удовлетворяется
условие dб.т./dу=0,78>0,7
л1=0,5; q1 =3,9; q2=2,16;q3=1,53кН/м
lу=1,15*294/[0,5*3,9+1/3-1*(1-0,5)(2,16+1,53)]*0,86=137м
Длина каждой секции l1=0,5*137=68.5м
с учётом фактической длины (6м) труб принимаем l1=66м;
l2=l3=(l-l1)/2=(137-66)/2=35.5м Учитывая длины труб принимаем УБТС-219 =40м,
УБТС-178=30м.
Компоновка бурильной колонны:
долото диаметром 490мм;
УБТС 2-273; l-66м;
УБТС 2-219; l-40м;
УБТС 2-178; l-30м;
ТБВК-140; l-остальное
Определяем общий вес УБТ
Qу=66*398+40*220+30*156=39748=40т
Интервал 630-1500м (бурение под 1-ю промежуточную колонну 299мм)
По табличным данным, в зависимости от диаметра обсадной колонны, выбираем
диаметр бурильной колонны 140мм, табл.8.13 [5]. Диаметр долота 393,7мм,
нагрузка на долото 197кН.
Диаметр первой секции УБТ принимаем равным 254мм. Поскольку
dб.т./dу=0,55<0,7, то 1у должно быть многоразмерной. Примем трехразмерную
конструкцию 254х219х178мм. Для верхней секции удовлетворяется условие
dб.т./dу=0,78>0,7
л1=0,5; q1 =3,3; q2=2,16; q3=1,53кН/м
lу=1,15*197/[0,5*3,3+1/3-1*(1-0,5)(2,16+1,53)]*0,8=102м
Длина каждой секции l1=0,5*102=51м
с учётом фактической длины (6м) труб принимаем l1=54м;
l2=l3=(l-l1)/2=(102-54)/2=24м Учитывая длины труб принимаем УБТС-219 =24м,
УБТС-178=24м.
Компоновка бурильной колонны:
долото диаметром 393.7мм;
УБТС 2-254; l-54м;
УБТС 2-219; l-24м;
УБТС 2-178; l-24м;
ТБВК-140; 1-остальное
Определяем общий вес УБТ
Qу=54*336+24*220+24*156=27172=27т
По табличным данным, в зависимости от диаметра обсадной колонны, выбираем
диаметр бурильной колонны 127мм табл.8.13 [5]. Диаметр долота 269,9мм, нагрузка
на долото 177кН.
Диаметр первой секции принимаем равным 203мм. Поскольку
dб.т./dу=0,625<0,7,то 1у должно быть многоразмерной. Примем двухразмерную
конструкцию 203х178мм. Для верхней секции удовлетворяется условие dб.т./dу=0,713>0,7
Приняв л1=0,5 и по табличным данным q1 =2,10; q2=1,53кН/м
Определяем длину УБТ
lу=1,15*177/[0,5*2,1+1/3-1*(1-0,5)
1,53]*0,94=151м
Длина каждой секции l1=0,5*151=75,5м
с учётом фактической длины (6м) труб принимаем l1=78м; l2=
(l-l1)/2=(151-78)=73м. Учитывая длины труб принимаем УБТС-178=72м.
Компоновка бурильной колонны:
долото диаметром 393.7мм;
УБТС 2-203; l-78м
УБТС 2-178; l-72м
ТБПВ 127х9; l -остальное.
Определяем общий вес УБТ
Qу=78*215+72*156=28002=28т
Для снижения износа обсадной колонны 245мм. В процессе бурения
предусматривается:
.оснащение бурильной колонны протекторами резиновометалическими типа ПСЗ
(ТУ 39-01-08-761-82) гарантия моторесурса 1000ч.
.установку над ведущей трубой протектора-переводника типа ППВШ (ТУ
39-01-321-77)
Интервал бурения 2700-3990м (бурение под эксплуатационную колонну
146,1мм)
По табличным данным, в зависимости от диаметра обсадной колонны, выбираем
диаметр бурильной колонны 73мм табл.8.13 [5] . Диаметр долота 190,5мм, нагрузка
на долото 114кН.
Диаметр первой секции принимаем равным 146мм. Поскольку
dб.т./dу=0,55<0,7, то 1у должно быть многоразмерной. Примем трехразмерную
конструкцию 146х108х95мм. Для верхней секции удовлетворяется условие
dб.т./dу=0,768>0,7
л1=0,5; q1 =0,958; q2=0,579; q3=0,461кН/м
lу=1,15*114/[0,5*0,958+1/3-1*(1-0,5)(0,579+0,461)]*0,822=215м
Длина каждой секции l1=0,5*215=107,5м
с учётом фактической длины (8м) труб принимаем l1=104м;
l2=l3=(l-l1)/2=(215-104)/2=55,5м Учитывая длины труб(8м) принимаем УБТ-108
=56м, УБТ-95=54м.
Компоновка бурильной колонны:
долото диаметром 393.7мм;
УБТ-146; l -104м;
УБТ-108; l-56м;
УБТ-95; l-54м;
ТБПВ-73х8; 1-остальное
Определяем общий вес УБТ
Qу=104*98+56*59+54*47=16034кг=16т
Расчет бурильной колонны
Расчет производим для колонны бурильных труб, применяемой для бурения под
эксплуатационную колонну.
Интервал 0-3990м
Вес УБТ Qу=16т
Определим допустимую длину бурильной колонны составленной из труб
диаметром 73мм, с толщиной стенки 8мм группы прочности Е.
l=[Qp-к*Qу(1-gбр/gм)-Ро*Fк]/к*q(1-gбр/gм)
где Qр-допустимая растягивающая нагрузка, мН
р=Qпр/1.04*kзп
Qр=1.84/1.04*1.4=1.26пр-предельная нагрузка Qпр=1,84МН для труб марки Е;
kзп-коэффициент запаса прочности kзп=1,4(для роторного бурения); к-коэффициент,
учитывающий влияние бурового раствора, равный 1,15; q-масса 1м бурильной трубы,
14.4кг; Qу-масса УБТ, МН; gбр-плотность бурового раствора, г/см3; gм-плотность материала бурильных труб,
г/см3; Ро-перепад давления на долоте, МПа; *Fк-площадь проходного
канала бурильной трубы, м2;
l=[1,26-1,15*0,16(1-1,39/7,85)]/1,15*14,4*10-5(1-1,39/7,85)=8167м
Что достаточно при бурении под данную колонну.
Расчет верхней секции на статическую прочность
Определим максимальное нормальное напряжение, возникающее в бурильных
трубах у устья скважины. Это напряжение равно sу=sр, так как у устья скважины вследствие выпрямляющего действия
собственного веса колонны бурильных труб изгиб будет отсутствовать.
уу=ур=L(р-рж)/100
где L-длина бурильной колонны (без УБТ), L=3776м; r-плотность материала бурильных труб,
7,85 г/см3; rж-плотность
промывочной жидкости, 1,39 г/см3;
ур=3776(7,85-1,39)/100=244МПа
Определим касательное напряжение кручения, возникающее по всей длине
колонны труб:
фкр=Мкр/W
где Мкр-наибольший крутящий момент, Н*м; W-полярный момент сопротивления
труб, м3
Мкр=N/щ
где N-мощность, затрачиваемая на вращение бурильной колонны, кВт;
щ-угловая скорость вращения бурильных труб, с-1;
щ=р*n/30
щ=3,14*70/30=7,33 с-1
N=Nд+Nхв
где Nд-мощность, требуемая для преодоления сопротивления при работе
долота; Nхв-мощность затрачиваемая на холостое вращение, кВт;
д=С*10-7,7*n*Dд0.4*Рд1,3
Где С-коэффициент, зависящий от крепости породы С=2,1; Dд-диметр долота, м; Рд-осевая
нагрузка, Н д=2,1*10-7,7*70*0,190.4*(1,14*105)1,3=11кВт
Nхв=13,5*10-8*L*dн2*n1,5*Dд0,5*гбр
Nхв=13,5*10-8*3990*0,0732*701,5*0,19*13900=10,2кВт
N=11+10,2=21,2
кВт
Мкр=21,2*103/7,33=2,89*103Н*м
W=р(dн4-dв4)/16dн
где dн - наружный диаметр
бурильных труб, м (0,073);в - внутренний диаметр бурильных труб, м (0,057).
W=3,14(0,0734-0,0574)/160,073=0,05*103м3
фкр=2,89*103/0,05*103=57,8**106=57,8МПа
Предел текучести для труб
группы Л ут=637МПа;
Определяем коэффициент запаса
прочности
n1=ут/(ур2+4 фкр2) 0,5
n1=637/(2442+4*57,82) 0,5=2,36
Допустимое значение n1=1,4
для вертикальных скважин при роторном бурении 2,36>1,4
Таким образом, бурильная
колонна выдерживает возложенные на нее нагрузки.
.8 Обоснование типов и
компонентного состава буровых растворов при бурении технологического и
эксплуатационного участков скважины
Промывочная жидкость,
применяемая при бурении разведочной скважины №5, должна обеспечить безаварийные
условия бурения скважины с высокими технико-экономическими показателями, а
также качественное вскрытие продуктивного горизонта.
Типы буровых растворов
Интервал 0-900м
Данный интервал
характеризуется низкой устойчивостью стенок скважины и низким гидростатическим
давлением.
В связи с этим проектом
предусматривается применение шлам-лигнинового раствора с добавкой хлористого
кальция.
Интервал 1280-1450м
Данный интервал
характерезуется высоким пластовым давлением, поэтому буровой раствор
утяжеляется баритом или мелом.
Интервал 900-2220м
Разрез характеризуется
наличием пластов галогенных и глинистых пород. Во избежание кавернообразования
за счет выщелачивания соленосных пластов и набухания глинистых пород в данном
интервале целесообразно применение соленасыщенного шлам-лигнинового раствора
хлористым натрием. Раствор приготавливается на основе предыдущего
шлам-лигнинового.
Интервал 2220-2760м
В данном интервале низкое
пластовое давление. Применяем буровой раствор на основе шлам-лигнина с
добавлением пенообразователя и КМЦ для стабилизации раствора. Для
предупреждения поглощений в раствор вводится сухой шлам-лигнин, либо готовятся
тампонирующие пасты на основе его.
Интервал 2760-3570м
Данный интервал
характерезуется высоким пластовым давлением, поэтому буровой раствор
утяжеляется баритом или мелом.
Интервал 3570-3990м
Для качественного вскрытия
продуктивных пластов представленных в основном глинистыми породами, песчаниками
применяем раствор на основе шлам-лигнина, являющимся наиболее эффективным при
проходке набухающих и осыпающихся пород. Он обеспечит увеличение дебита и
продуктивность скважины. В спокойном состоянии раствор загустевает, а при
механическом воздействии быстро приобретает первоначальную текучесть. Этими
тиксотропными свойствами можно успешно пользоваться при вскрытии зон поглощения
и дренированных продуктивных пластов, имеющих низкое пластовое давление.
Раствор на основе
шлам-лигнина способствует повышению износостойкости долот. Он не стареет при
длительном хранении и многократном использовании.
Таблица 4.8.1 Состав и
свойства буровых растворов
|
Интервал, м
|
Тип (название) раствора
|
Название компонента
|
Содержание компонента в БР, %.
|
Норма расхода, кг/м3, (л)
|
Параметры промывочной жидкости
|
|
|
|
|
|
с, кг/м3
|
УВ,с
|
Ф, см3/30
|
рн
|
СНС, дПа
|
|
0-1280
|
Шлам лигниновый
|
Шлам-лигнин
|
7-12
|
70-120
|
1040-1100
|
20-50
|
5-10
|
9-11,5
|
3/4-25/40
|
|
|
Каустическая сода
|
0,75-3
|
7,5-30
|
|
|
|
|
|
|
|
Пеногаситель
|
0,5-1
|
5-10
|
|
|
|
|
|
|
|
хлористого кальция
|
2
|
20
|
|
|
|
|
|
|
|
Вода
|
остальное
|
|
|
|
|
|
|
|
1450-2220
|
Соленасыщенный шлам-лигниновый
|
Каустическая сода
|
1,5-3
|
15-30
|
1120-1200
|
18-25
|
5-10
|
9-11,5
|
5/5-10/10
|
|
|
Натрий хлористый
|
10-15
|
100-150
|
|
|
|
|
|
|
|
Шлам-лигнин
|
10-13
|
100-130
|
|
|
|
|
|
|
|
Пеногаситель
|
0,5-1
|
5-10
|
|
|
|
|
|
|
|
Вода
|
0стальное
|
|
|
|
|
|
|
|
3570-3990
|
Шлам-лигниновый
|
Шлам-лигнин
|
7-12
|
70-120
|
1220-1250
|
30-50
|
0-0,5
|
|
2/3-3/5
|
|
|
Каустическая сода
|
0,75-3
|
7,5-30
|
|
|
|
|
|
|
|
Пеногаситель
|
0,5-1
|
5-10
|
|
|
|
|
|
|
|
хлористого кальция
|
2
|
20
|
|
|
|
|
|
|
|
Мел
|
|
|
|
|
|
|
|
|
|
Вода
|
остальное
|
|
|
|
|
|
|
.9 Выбор бурового оборудования
Выбор буровой установки
При выборе буровой установки учитывается проектная глубина и конструкция
скважины.
Определяем наибольшую нагрузку, которую будет испытывать БУ
При спуске эксплуатационной колонны 146.1мм, Gэ=1178кН;
Второй промежуточной 298.5мм, Gпр2=1696кН;
Первой промежуточной 219.1мм, Gпр1=1323кН
Кондуктора 426мм, Gк=779кН
Направления 530мм, Gн=23кН
Вес бурильных труб с УБТ
При бурении под эксплуатационную колонну 146.1мм,
Gэ=160+3776*128=643.3кН
При бурении под 2-ю промежуточную 298.5мм
Gпр2=280+2650*235=902.7кН
При бурении под 1-ю промежуточную 219.1мм
Gпр1=271+1398*290=676кН
При бурении под кондуктор 426мм
Gк=397+494*290=540кН
По результатам расчета наибольшую нагрузку БУ будет испытывать при спуске
2-й промежуточной колонны. 298.5мм.
Для бурения данной скважины более рационально использовать установку
Уралмаш 3Д86 с дизельным приводом, поскольку нагрузка на крюке от наиболее
тяжелой обсадной колонны, меньше максимальной: 1,69<2МН
Техническая характеристика Уралмаш 3Д86
|
Максимальная грузоподъемность, т
|
200
|
|
Рекомендуемая глубина бурения, м
|
4000
|
|
Максимальная оснастка талевой системы
|
5х6
|
|
Длина свечи, м
|
27
|
Комплектность основных технических средств циркуляционной системы Уралмаш
3Д86
|
Оборудование
|
Количество
|
|
Блок приготовления буровых растворов:
|
|
|
БПР-40
|
4
|
|
БПР-70
|
2
|
|
Ёмкость с полезным объёмом,м3:
|
|
|
30
|
6
|
|
40
|
6
|
|
50
|
5
|
|
Перемешиватели:
|
|
|
4УПГ
|
12
|
|
ПЛ1,ПЛ2
|
9
|
|
Вибросито-ВС-1
|
2
|
|
Пескоотделители
|
1
|
|
Илоотделители
|
1
|
|
Дегазатор
|
1
|
|
Ёмкость с перемешивателем для приготовления хим.реагентов
|
1
|
|
Блок хранения хим. реагентов
|
1
|
Исходя из допустимой нагрузки на вышку, проектом предусматривается
буровая вышка башенного типа ВБ-53х320, высотой 53м.
Выбор ротора
Диаметр проходного отверстия в столе ротора должен быть достаточным для
спуска долот и обсадных труб, используемых при креплении и бурении скважины.
Для этого необходимо, чтобы отверстие в столе ротора было больше диаметра
долота при бурении под направление:
Д=Ддн+д
Где Д - диаметр проходного отверстия в столе ротора, Ддн -
диаметр долота при бурении под направление скважины, д -диаметральный зазор, необходимый
для свободного прохода долота(д =30-50мм)
Д=630+50=680мм, выбираем ротор Р-700
Допускаемая статическая нагрузка на стол ротора должна
быть достаточной для удержания в неподвижном состоянии наиболее тяжелой
обсадной колонны, применяемой в заданном диапазоне глубин бурения. Наряду с
этим допускаемая статическая нагрузка Р не должна превышать статической
грузоподъемности подшипника основной опоры стола ротора С0:
Gmax < P < С0, 1696<
4000 <90000 условие выполняется
где Gmax - сила тяжести наиболее тяжелой колонны обсадных труб,
применяемой в заданном диапазоне глубин бурения.
Выбор типа и числа буровых насосов
Полезная (гидравлическая) мощность насосов, необходимая для бурения
каждого интервала скважины(в Вт), определяется из выражения:
Nн=Qн*Рн
где Qн-подача насосов, м3/с; Рн-давление насосов, МПа.
Мощность приводного двигателя насоса (в кВт):
Nо=Nн/Ю
где Ю - общий КПД насосного агрегата от двигателя до нагнетательной
линии,
Ю= Юо* Юг *Юм
где Юо=0,98-0,96-коэффициент объёмной подачи для исправного насоса;
Юг=0,97-0,98-гидравлический КПД, оценивающий потери мощности в каналах входного
и выходного коллектора, гидравлической коробке и клапанах;
Юм=0,80-0,87-механичечкий КПД насоса при работе на полезной мощности.
Таблица 4.9.1 Исходные данные
|
Наименование ОК
|
Диаметр ОК, мм
|
Глубина спуска, м
|
Расход, м3/с
|
Давление БН в нагнетательной линии, МПа
|
|
Направление
|
530
|
15
|
0,107
|
8,12
|
|
Кондуктор
|
426
|
630
|
0,087
|
8,33
|
|
1-я техническая
|
298,5
|
1500
|
0,074
|
13,64
|
|
2-я техническая
|
219,1
|
2800
|
0,044
|
11,04
|
|
Эксплуатационная
|
146,1
|
3990
|
0,024
|
16,7
|
Полезная (гидравлическая) мощность насосов, необходимая для прокачки
бурового раствора для бурения,Вт:
под направление
Nн=0,170*8,12=869кВт
под кондуктор
Nн=0,087*8,33=725кВт
под 1-ю техническую колонну
Nн=0,074*13,64=1010кВт
под 2-ю техническую колонну
Nн=0,044*11,04=486кВт
под эксплуатационную колонну
Nн=0,024*16,7=401кВт
Для заданных условий предусматриваем насос У8-7МА2 с полезной мощностью
700кВт и приводной 825кВт.
При бурении под направление полезная мощность, развиваемая двумя насосами
Nн=700*2=1400кВт
Запас полезной мощности насосов
-869=531кВт
Бурение под 2-ю техническую и эксплуатационную колонны можно бурить одним
насосом с запасом полезной мощности
-486=214кВт
-401=299кВт
Определяем мощность привода насоса
Ю=0,97*0,97*0,85=0,8
Nо=700/0,8=87кВт
Малая механизация процесса бурения
Строительство и бурение скважины производится в соответствии с «Единые
технические правила ведения работ при строительстве скважин на нефтяных,
газовых и газоконденсатных месторождениях».
После спуска кондуктора и технических колонн на устье скважины
устанавливается противовыбросовое оборудование. Превентор оборудуется согласно
«Правила безопасности в нефтедобывающей промышленности», и «Типовые схемы
обвязки устья скважин превенторной установки». На верхнем превенторе должна
быть установлена надпревенторная катушка, обеспечивающая при необходимости
возможность установки дополнительных противовыбросовых устройств, под катушкой
устанавливается разъемная воронка. Средства механизации и автоматизации
(Уралмаш ЗД-86) приведены в таблице 4.9.2. Средства контроля приведены в
таблице 4.9.3
Таблица 4.9.2 Средства механизации и автоматизации (Уралмаш ЗД-86)
|
Наименование приспособлений и устройств
|
Шифр
|
|
Катушка-лебедка для вспомогательных работ
|
кп-з
|
|
Пневматический клиновой захват или механизм для удержания
труб
|
ПКРО-700
|
|
Гидравлический буровой ключ
|
|
|
Пневматический раскрепитель буровых свеч
|
РПС
|
|
Влагоотделитель для пневмосистемы
|
|
|
Искрогаситель выхлопных газов для ДВС
|
|
|
Приспособления для безопасности бурения шурфа под ведущую
трубу турбобуром или электробуром
|
|
|
Автозатаскиватель ведущей трубы в шурф
|
АК-1
|
|
Приспособление против скатывания труб со стеллажей
|
|
|
Накаты трубные
|
|
|
Крюк двурогий (для подтаскивания бурильных труб,
инструмента и вспомогательных работ)
|
КД-3
|
|
Блок якорный
|
БЯВ
|
|
Крючок для подвески штропов
|
|
|
Вилка для захвата вкладышей ротора
|
|
|
Механизм для крепления,перепуска и измерения нагрузки
неподвижной ветви талевого каната
|
МПКД-1
|
|
Ограничитель подъема талевого каната
|
ОТБ-ДВС
|
|
Отключатель буровой лебедки при перегрузки талевой системы
и вышки
|
ОБЛ
|
|
Приспособление для правильной намотки каната на барабан
лебедки стационарных буровых вышек
|
ПНК
|
|
Ключ для загибания шплинтов роликовых и втулочных цепей
|
|
|
Приспособление для стягивания втулочно-роликовых цепей
|
СЦ
|
|
Приспособление для напрессовки и распрессовки пластин
приводных рашковых цепей
|
ППЦ-1
|
|
Очиститель буровых труб
|
|
|
Предохранитель к манометрам буровых насосов
|
ПМ-250
|
|
Ролик предохранительный второго пояса для трубных буровых
вышек
|
РПБ
|
|
Комбинированный колпачок для перемещения долот
|
|
|
Успокоитель талевого каната
|
УТК
|
|
Приспособление для отвинчивания трех шарошечных долот
|
ОТД
|
|
Стяжка для растяжных канатов вышек
|
СРК
|
|
Приспособление для рубки стальных канатов
|
ПРК-35
|
|
Тележка для выброса бурильных труб из буровой
|
|
Устройство для безопасности подачи бурильных труб от
подсвечника к ротору
|
УПС-2
|
|
Устройство для долива скважины при подъеме бурильного
инструмента
|
|
|
Устройство против разбрызгивания бурового раствора
|
|
|
Люлька универсальная верхнего рабочего для спуска обсадных
колонн
|
ЛОКУ
|
|
Устройство для подъема рабочего с пола буровой на балкон
вышки башенного типа
|
|
|
Устройство защитного отключения
|
ЗОРГ-12
|
|
Приспособление для надевания предохранительных колец на
бурил ьныс трубы
|
|
|
Пусковая задвижка с дистанционным управлением
|
|
|
Предохранительный клапан со срезающим шплинтом (для сброса
жидкости из нагнетательного трубопровода буровых насосов при превышении
давления выше допустимого)
|
АКШ-1
|
Таблица 4.9.3 Средства контроля
|
Наименование
|
Шифр
|
|
I .Контроль параметров режима бурения: Индикатор веса
Индикатор крутящего момента ротора Измеритель частоты вращения на роторе
Измеритель давления Индукционный расходомер Уровнемер Крутящий момент на мех.
ключе
|
ГИВ-6 ГИМ-1 ИСР-1 ГИД-1, МТП-160-250 РГР-7 УП-11М ГМК-1
|
|
|
|
|
|
|
|
|
|
|
|
|
|
|
|
|
|
II. Контроль параметров буровых и тампонажных растворов:
Плотность Условная вязкость Фильтратоотдача Статическое напряжение сдвига
Пластическая вязкость Динамическое напряжение сдвига Содержание песка
Содержание газа Концентрация водородных ионов, рН Температура Стабильность,
суточный отстой Смазывающая способность раствора Подвижность тампонажного
раствора Сроки схватывания тампонаж, раствора Растекаемость тампонажных
растворов Определение времени загустевания Испытание образцов из цемента на
изгиб Измерение массы(весы технические)
|
АВР-2 ВБР-2 ФП-2,ФПТБ СНС-2 ВСН-2(М) ВСП-3 ОМ-2,ТФН-1
ПГР-2,ВГ-1 И-130 ТБР-1 ЦС-2 СР-1 Конус АзНИИ Прибор «Вика» КР-1 КЦ-5,КЦ-3
МИИ-100 ВТ-4-200
|
|
III. Контроль параметров в процессекрепления скважины: Давления
нагнетания раствора
|
СКЦ-2М
|
5. Специальная часть
Буровые растворы на основе биополимеров
.1 Безглинистые полимерные буровые растворы
Анализ показателей бурения скважин на территории
Красноярского края, в частности на скважинах Берямбинской площади показал, что
одним из наиболее важных вопросов совершенствования технологии промывки скважин
является разработка и рациональное применение совершенных систем буровых
растворов, предотвращающих осложнения, возникающие при бурении скважин.
В качестве основного компонента безглинистых буровых
растворов за рубежом чаще всего используется биополимеры, относящиеся к
модифицированным гетерополисахаридам, образующимся в результате воздействия
бактерий рода Xanthomonas Campestris (XC) на глюкозу Биополимеры типа ХС выпускаются под различными
фирменными наименованиями: кельцан, полимер-ХС и другие в США, актигум-КС,
актигум-КХ ,ксантан в ВНР,TNO-T в Китае и др.
В химическом строении биополимеров принимают участие
в-связанная цепь, содержащая D-глюкозу,
D-маннозу и D-глюкуроновую кислоту с ш боковой цепью на каждые восемь
остатков Сахаров и одной 4,6D-глюкозоидной
боковой цепью на каждые 16 остатков сахаров.
В макромолекуле биополимера содержаться карбоксильные,
карбонильные гидроксильные группы, способные образовывать комплексные
соединения. Эта особенность используется для придания тиксотропных свойств
водным растворам биополимеров и снижения их фильтрации.
Биополимеры выгодно отличаются от других полимеров,
применяемых в бурении. Они характеризуются высокой загущающей способностью, а
их растворы - сильно выраженными псевдопластичными свойствами при малой
концентрации полимера и устойчивостью к солям. Реологические свойства растворов
полимеров сохраняются в присутствии солей и органических кислот.
Применение безглинистых полимерных растворов, а также
полимер-глинистых растворов с малым содержанием твердой фазы стало возможным
благодаря использованию биополимеров.
Образцы этих реагентов были испытаны в лаборатории кафедры НГД с целью их
оценки и проведены работы по получению рецептур полимерных растворов для
определенных геолого-технических условий бурения скважин.
5.2 Буровые растворы на основе шлам-лигнина
В производственных буровых организациях проведено
широкое
промышленное испытание шлам-лигнина в качестве материала
для получения буровых и тампонажных растворов при бурении скважин на нефть, газ
и твердые полезные ископаемые, в том числе при наличие в разрезе соленосных и
неустойчивых глинистых отложений, склонных к набуханию, осыпям и обвалам.
Полимерный материал разработан на основе
многотоннажных отходов
го ЦБК и может быть использован как: основной
компонент буровых растворов, заменяющий солестойкие и глинопорошки;
универсальный реагент для регулирования
технологических свойств растворов на пресной, морской воде, а также при полном
насыщении хлористым натрием;
композиционная добавка для получения тампонажных
растворов и изолирующих смесей для изоляции зон поглощения; для получения
аэрированных растворов и пен; активный кольматирующий компонент. Буровые растворы
с использованием шлам-лигнина успешно испытаны в различных горно-геологических
условиях бурения: Восточная Сибирь, Якутия, Оренбургская область и др.
Шлам-лигнин применяется в виде 5-15% щелочного
раствора, а также в порошкообразном состоянии. К сожалению, последнее время
БЦБК прекратил выпуск шлам-лигнина. В связи с этим нами был разработан новый
биополимерный утяжеленный раствор c использованием биополимера TNO-T.
5.3 Рекомендуемые реагенты
TNO-T это высококачественный биополимер
(ксантановая смола) высокой степени очистки. Природный высокоразветвленный
полисахарид с исключительно высокой молекулярной массой. Основной компонент
системы (TNO-T).Обеспечивает требуемые реологические свойства раствора,
улучшает удерживающие и выносящие свойства. Использование биополимерв позволяет
получить промывочную жидкость с минимальной пластической вязкостью и хрупким
прочным гелем. Одновременно биополимер обеспечивает высокие показатели
динамической вязкости и ВНСС, снижая зону вторжения раствора и фильтрата в пласт
и существенно улучшая удерживающие и выносящие способности раствора. Намного
эффективнее реагентов группы КМЦ,ПАЦ. Полностью биоразложим. Растворим в
кислоте (при t 60C),растворах гипохлоритов, энзимов.
МОДИФИЦИРОВАННЫЙ КРАХМАЛ.
Служит для снижения водоотдачи .В отличие от других понизителей
водоотдачи (КМЦ, обычный крахмал, ПАЦ) не оказывает негативного влияния на
ВНСС. Синергетическии взаимодействуют с кольматантом для снижения водоотдачи и
проницаемости фильтрационной корки .Полностью разложим, растворим в кислоте или
в растворах гипохлоритов.
КАРБОНАТ КАЛЬЦИЯ.
Молотый известняк, мрамор.
Карбонат кальция используется как кольматант для формирования тонкой
плотной фильтрационной корки для предотвращения проникновения фильтрата
раствора и мелкодисперсного шлама в поровое пространство коллектора.
TNO-T
(биополимер) отличается высокой гибкостью в выборе плотности раствора и
возможностью приготовления растворов плотностью вплоть до 1.60 без
использования утяжелителей типа барита .Плотность растворов на основе пресной
воды составляет от 1.03 до 1.06 г/
,минерализованных
растворов -до 1.60г/
Раствор
может быть утяжелен в любой момент увеличением концентрации соли, при этом
потребуется лишь незначительная добавка раствора полимерами для регулирования
реологических и фильтрационных свойств.
.4 Утяжеленные буровые растворы
В лаборатории ИрГТУ проведены исследования по разработке
утяжеленных растворов для бурения скважин Берямбинской площади .
Безглинистая, не содержащая активной твердой фазы
полимерная система идеально удовлетворяет всем требованиям, предъявляемым к
промывочным жидкостям - она обладает уникальными удерживающими и выносящими
способностями, прекрасными смазывающими свойствами
характеристиками, максимально защищает ПЗП, полностью
биоразложима и экологически безопасна.
Особенностями биополимерный системы, отличающими ее от
других безглинистых полимерных систем являются:
высокая стабильность реологических и фильтрационных
свойств;
удерживающие и выносящие способности, обеспечивающие
высокое качество очистки скважины от выбуренного шлама;
низкие потери давления, позволяющие оптимизировать
гидравлическую мощность, передаваемую на забойный двигатель и долото, особенно
при бурении стволов малого диаметра;
высокие смазывающие способности, снижающие вероятность
возникновения дифференциальных прихватов и затяжек инструмента, а также
увеличивающие долговечность долот и забойных двигателей;
прекрасные фильтрационные характеристики благодаря
тонкой плотной фильтрационной корке;
возможность полного разрушения и удаления остатков
раствора с забоя скважины с использованием кислоты, энзимов или окислителей.
Экологически безопасна.
Биополимерная система отличается высокой гибкостью в
выборе плотности раствора как на пресной так и минерализованной основах.
Диапазон плотностей растворов составляет:
,03-1,06 г/см3 растворы на основе пресной
воды;
,05-1,20 г/см на основе хлорида калия или натрия;
,20-1,40 г/см на основе хлорида кальция.
Плотность раствора может быть увеличена или уменьшена.
При этом потребуется незначительная доработка полимерами для регулирования
реологических и фильтрационных свойств.
.5 Безглинистый ингибированный биополимерный буровой
раствор для бурения подсолевых отложений
Проектная рецептура бурового раствора.
Состав бурового раствора по проекту приготовлен на
основе шлам- лигнина.
Рекомендуемая рецептура бурового раствора.
Рекомендуемый тип бурового раствора под направление и
кондуктор:
Состав,
:Глина10-12,
Кальцинированая сода2-3, ост.вода.
Рекомендуемый
тип бурового раствора под промежуточные колоны. %
Биополимер
«TNO-T» - 0,2-0,3Крахмал «МК-Грин» - 0,5-1 ,КМЦ 0,5-1NaCI
25-26
Показатели
рекомендуемого бурового раствора.
Плотность
- 1,05-1,16 г/см3;
Условная
вязкость - 35-60 с;
Фильтрация
- 5-10см за 30 минут;
Статическое
напряжение сдвига СНС-2 - 5-10/6-11 дПа, через 1 и 10 минут;
Корка-до
1мм;
Суточный
отстой - 0%;
Коэффициент
липкости (допустимый для вертикальных скважин 0,250-0,350)
,120-0,140;
Пластическая
вязкость по ВСН-3 - 40-60 мПа*с;
Динамическое
напряжение сдвига - 100-130 дПа.
Состав
бурового раствора под эксплуатационную колону:
БП-0,2-0,3%(TNO-T)
КМЦ 1-2% Мел80%.
Далее
для вскрытия продуктивных пластов необходимо снизить плотность раствора до
необходимой величины.
.6
Выводы и рекомендации
На
основании аналитических исследований, научных публикаций, анализа промысловых
исследований определены факторы снижения эффективности работ при бурении
глинистых пород.
Установлено,
что глинистые породы венд-кембрия относятся к ненабухающим аргиллитам и
осложнения при бурении с использованием водных растворов (даже ингибирующих)
происходят за счет их механического разрушения и осмотических перетоков.
Анализ
данных по применению в подобных условиях бурения растворов, механизму их
действия, ингибирующим свойствам, реологическим характеристикам и
экономичностью, а промысловый опыт позволяют с уверенностью рекомендовать
безглинистые или с малым содержанием твердой фазы биополимерные системы.
Установлена
стабильность реологических и фильтрационных свойств, удерживающие и выносящие
способности, обеспечивающие высокое качество очистки скважин от выбуренного
шлама. Биополимерная система экологически безопасна.
В
результате, разработаны рецептуры буровых растворов на основе высокоэффективных
химреагентов, позволяющих обеспечивать устойчивость глинистых пород при бурении
скважин .Разработана технология получения и применения буровых растворов,
рассчитан расход реагентов применительно к условиям бурения.
Применение
разработанных биополимерных систем позволит сократить затраты на возникающие
осложнения при бурении.
6.
Охрана труда и окружающей среды
.1 Охрана труда в нефтегазовой промышленности
Охрана труда и промышленная безопасности в нефтяной и газовой
промышленности имеет ряд специфических особенностей. Это пожароопасность
производственных объектов, связанная с наличием углеводородов, которые легко воспламеняются,
что вызывает необходимость разработки специальных мер по безопасности в тесной
связи с противопожарной профилактикой.
Практика бурения нефтяных и газовых скважин потенциально связана с
опасностью возникновения газонефтеводопроявлений и развития их в выбросы -
наиболее опасные, трудноликвидируемые, требующие огромных затрат средств и
времени, аварии с непредсказуемыми экологическими последствиями.
Характерна сложная производственная среда, воздействующая на машины и
персонал. Влияние производственной среды на машины, несомненно: вибрации приводят к разрушению узлов
и деталей машин, повышенная влажность, перепады температуры, наличие в воздухе
различных примесей уменьшают их долговечность и т.д.
Большинство производственных процессов идут на открытом воздухе, часто
при неблагоприятных метеорологических условиях.
Технологическим процессам присущи высокие нагрузки. Специфичным является
применение громоздкого и тяжелого бурового и эксплуатационного оборудования,
которое приходится часто перемещать при монтаже, ремонте, погрузке, выгрузке и
перебазировании.
Раздел безопасность жизнедеятельности, составлен с учетом Правил
безопасности в нефтяной и газовой промышленности разработанных в соответствии с
Федеральным законом от 21.07.1997 г. №116ФЗ «О промышленной безопасности
опасных производственных объектов».
6.2 Основные опасные и вредные производственные фактор. Основные опасные
и вредные производственные факторы приведены в таблице
Таблица 6.2.1 Основные опасные и вредные производственные факторы.
|
Вид работ
|
Опасные производственные факторы
|
|
Глубокое бурение на нефть и газ
|
Факторы
|
Источники возникновения
|
|
Движущиеся и вращающиеся части оборудования
|
|
|
|
Работающее оборудование
|
|
Электрический ток
|
Токопроводные эл-ты оборудования и нетокопроводные
|
|
|
При пробое изоляции
|
|
Повышенное давление
|
Оборудование работающее под давлением, работа на высоте
|
|
Вредные производственные факторы
|
|
Повышенный уровень шума
|
Не полноценная исправность оборудования.
|
|
Недостаточное освещение рабочих мест
|
Неисправность осветительного оборудования.
|
|
|
Не соответствие норм освещенности.
|
|
Вибрация
|
Неисправность оборудования (т.е. несвоевременная подтяжка
оборудования)
|
|
Пониженная температура
|
Не соответствие спец одежды или её отсутствие.
|
.3 Основные мероприятия по обеспечению безопасных, здоровых условий труда
при ведении проектируемых работ
.3.1 Организация работ по охране труда
Буровая установка Уралмаш ЗД-86 оснащается техническими средствами
(приспособлениями и устройствами), позволяющими устранить опасные и трудоёмкие
производственные факторы. Необходимо обеспечить рабочий и инженерно -
технический персонал необходимой нормативно - технической документацией по
безопасности труда. Для обеспечения безопасности работающих на случай пожара
буровая обеспечивается первичными средствами пожаротушения и нормативно -
технической документацией по пожарной безопасности.
Для создания безопасных условий труда при строительстве скважин
необходимо соблюдать требования и мероприятия, соответствующие:
Ø нормативам оснащения объектов нефтяной и газовой
промышленности механизмами и приборами, повышающими безопасность и технический
уровень их эксплуатации;
Ø единым нормам техники безопасности на разработку основных
видов нефтегазодобывающего оборудования;
Ø правилам безопасности в нефтяной и газовой промышленности.
Руководители работ отвечают за обучение рабочих, в том числе:
Ø предварительное обучение рабочих при приеме на работу;
Ø профессиональное обучение и знание ОТ;
Ø инструктивное обучение-проведение работнику инструктажа
(вводного на рабочем месте, периодического, внепланового);
Ø специальное обучение - предопределяет получение особых знаний
(проведение работы на высоте, электроустановках, сосудах, работающих под
давлением, умение преодолевать водные преграды, работать в охранной зоне
воздушных, наземных, подземных коммуникаций).
Контроль знаний проводится либо в устной, либо в письменной форме с
выставлением оценки.
Обучение и аттестация ИТР проводится по от и пб. Такое обучение
заканчивается экзаменами не реже 1 раза в 3 года, а если полевые условия, то
перед выездом на работу.
.3.2 Санитарно-гигиенические условия труда
Климатические условия труда.
Климатические условия установлены по критериям оптимального теплового и
функционального состояния человека. Они обеспечивают общие и локальные ощущения
теплового комфорта в течение рабочей смены при минимальном напряжении
механизмов терморегуляции, не вызывают отклонений в состоянии здоровья, создают
предпосылки для высокого уровня работоспособности. Настоящие работы относятся
по тяжести к уровню IIБ.
Климат района - резко континентальный. Самая низкая температура в январе
достигает -62. С, самая высокая в июле +36°С. Средняя температура в январе -43°С, в июле +25°С. Осадков выпадает небольшое
количество (250-300 мм в год), максимальная высота снежного покрова достигает
700 мм.
На основании результатов исследования влияния
метеорологических условий на рабочих, разработаны санитарные нормы. В холодный
и переходный периоды года при температуре наружного воздуха ниже +10°С
температура воздуха в помещениях с незначительными тепловыделениями (20 ккал/м3-ч
и менее) допускается в пределах 17-22 °С при легкой работе и 13-18°С - при
тяжелой. В помещениях со значительными тепловыделениями (более 20 ккал/м3-ч)
в тот же период года допускается температура 17-24 °С при легкой работе, 13-17
°С при тяжелой работе.
Таблица № 6.3.1 Средства индивидуальной защиты, при пониженных
температурах.
|
Профессия.
|
Наименование, а также тип, вид, шифр и т.п.
|
Срок годности, мес.
|
Количество на одного человека
|
|
п/бур
|
Брюки х/б на утепленной подкладке
|
12
|
1
|
|
п/бур
|
Валенки
|
12
|
1 пара
|
|
п/бур
|
Полушубок
|
12
|
1
|
|
п/бур
|
Каска защитная «Труд»
|
24
|
1
|
|
п/бур
|
Подшлемник под защитную каску «Труд»
|
24
|
1
|
|
п/бур
|
Куртка х/б на утепленной подкладке
|
12
|
1
|
|
п/бур
|
Портянки суконные
|
3
|
1 пара
|
|
п/бур
|
Калоши на валенки
|
12
|
1 пара
|
6.4 Загазованность и запыленность воздуха рабочей зоны
В процессе работ выделяются следующие вредные пары и газы: окислы азота,
акролеин, альдегид масляный, окись углерода, масла минеральные, сероводород,
углеводороды, формальдегид, ангидрид сернистый. Для контроля за содержанием
вышеперечисленных веществ в воздухе проводиться отбор проб и сравнение их с ПДК
(таблица 6.4.1). Отбор проб производится в зоне дыхания. При наличии в воздухе
нескольких вредных веществ контроль воздушной среды проводится по наиболее
опасным веществам. При взятии проб руководствоваться следующим временем отбора:
для токсичных веществ - 15 минут, для веществ фиброгенного действия - 30 минут.
Концентрация вредных веществ на основных рабочих
местах не превышает ПДК.
Загрязнения возникают в основном при выделение паров
дизельного топлива на основных рабочих местах, от газов возникающих при
сгорании дизтоплива, газа выделяющегося из раствора при вскрытии продуктивного
пласта, при приготовллении раствора с использованием мелкодисперсных сыпучих
химреагентов (глина, цемент).
Для определения метана в воздухе, применяют переносные
электрические газоанализаторы МБ-2, ВЗГ конструкции ВНИИТБ, ПГФ-20КБ
Министерства химической промышленности и ГБ-3 Ленинградского института охраны
труда ВЦСПС.
Для определения содержания сероводорода в воздухе
используется индикатор ВНИИТБ.
Для защиты от действия вредных веществ используется :(респираторы)
.4.1 Освещение производственных помещений
Для создания необходимого и достаточного уровня освещенности на рабочих
местах с целью обеспечения безопасных условий труда необходимо
руководствоваться “Отраслевыми нормами проектирования искусственного освещения
предприятий нефтяной и газовой промышленности” ВСХ 34-01, а также соблюдать требования
СНиП 23.05-95 ,“Инструкции по проектированию силового и осветительного
электрооборудования промышленных предприятий”, “Правилами устройства
электроустановок” (ПУЭ-00).
Помещения, имеющие естественное освещение днем и искусственное в темное
время суток:
· буровая вышка (естественное и местное комбинированное);
· насосно-компрессорный блок (боковое естественное и местное
искусственное);
· ДВС (боковое естественное и местное искусственное);
· склад химических реагентов (боковое естественное и местное
искусственное);
· склад ГСМ (верхнее естественное и общее искусственное);
· помещения в поселке (боковое естественное и общее
искусственное).
Для улучшения условий видимости и уменьшения ослепляемости, световые
приборы на буровых вышках снабжаются жалюзийными насадками или козырьками,
экранирующими источниками света или отражателями от бурильщика или верхнего
рабочего.
При устройстве общего освещения для пультов управления источники света
необходимо располагать таким образом, чтобы отражение от защитного стекла
измерительных приборов блики не попадали в глаза оператора.
На буровой освещение обеспечивается во взрыво- и пожаробезопасном
исполнении.
Таблица 6.4.1.1 Нормы освещенности
|
Места освещения
|
Освещенность, лк
|
Места установки светильников
|
|
Рабочие места у бурового станка (ротора, лебедки)
|
100
|
Сбоку от механизмов на высоте 2,2-2,5 м
|
|
Щиты контрольно-измерительных приборов
|
150
|
Перед приборами
|
|
Полати, площадка для кронблока
|
50
|
Над полатями и кронблоками на высоте не менее 2 м
|
|
Двигатели, насосы
|
75
|
Над механизмами на высоте 2,2-2,5 м
|
|
Слесарный верстак
|
80
|
Над верстаком
|
|
Лестницы, входы в буровую, приемный мост
|
10
|
|
6.4.2 Шум и вибрация
В процессе бурения работающие подвергаются воздействию повышенного уровня
шума и вибрации, следовательно, в соответствии с требованием ГОСТ 12.1.003-01
по ограничению действующих уровней шума и вибрации, буровая установка
оснащается коллективными средствами снижения уровня шума и вибрации. Шум и
вибрация возникают вследствии работы дизелей и механизмов трансмисии. Для уменьшения
шума и вибрации необходимо:
· строго соблюдать правила монтажа и
крепления оборудования для предотвращения повышенного уровня шума и вибрации;
· регулярно осуществлять
профилактические осмотры и плановые ремонты оборудования во избежание возникновения
дополнительного шума вследствие повышенного износа деталей и узлов;
· после ремонтов обязательно проводить
контроль параметров шума и вибрации, не допускать эксплуатацию неисправного
бурового оборудования. Нормы шума и вибрации приведены в таблицах (6.5.4.1 и
6.5.4.2).
Таблица 6.4.2.1 Уровень звукового давления на буровой
|
Частота, Гц
|
63
|
125
|
250
|
500
|
1000
|
2000
|
4000
|
8000
|
|
ПДУ для буровых установок, дБ
|
91
|
83
|
77
|
73
|
70
|
68
|
66
|
64
|
Таблица 6.4.2.2 Предельно допустимые уровни вибрoскорости
|
Вибрация
|
Направление формирования вибрации
|
Среднегеометрические частоты, Гц
|
|
|
1
|
2
|
4
|
8
|
16
|
31,5
|
63
|
125
|
250
|
500
|
|
Общая
|
Вертикальное (по оси)
|
20132
|
7,1 123
|
2,5 114
|
1,3 108
|
1,1 107
|
1,1 107
|
1,1 107
|
1,1 107
|
-
|
-
|
|
Локальная
|
по каждой оси
|
-
|
-
|
-
|
5,0 120
|
5,0 120
|
3,5 117
|
2,5 114
|
1,8 111
|
1,3 108
|
0,9 105
|
Замеры уровня шума проведенные в апреле 2005 года, показали, что уровень
шума на основных рабочих местах не превышает ПДУ согласно ГОСТ 12.1.003-01, СН
2.2.4/2.1.8 562-96, замер уровня вибрации также удовлетворяет нормативным в соответствии
с ГОСТ 12.1.012-01, СН 2.2.4/2.1.8 566-96.
Средства индивидуальной защиты (СИЗ) от вибрации по методу контакта
оператора с вибрирующим объектом подразделяют на СИЗ рук, ног и тела оператора.
На буровой предусматривается применение следующих СИЗ от вибрации:
· для рук: рукавицы; перчатки; полуперчатки; наладонники.
· для ног: специальная обувь; стельки (вкладыши); наколенники.
· для тела: нагрудники; пояса; специальные костюмы.
6.5 Безопасность производственных процессов
.5.1 Электробезопастность
К основному оборудованию работающему под напряжением 380/220В на буровой
относятся: дизельные электростанции, распределительные устройства,
электрокомпрессора, электролебедки, краны, освещение.
Основные причины электротравматизма на геологоразведочных работах:
● использование неисправного оборудования;
● допуск к работе с электрооборудованием лиц, не имеющих на это
право. Лицо, допускаемое к работе с электрооборудованием, должно иметь IV квалификационную группу по технике
безопасности (для электроустановок до 1000В).
При эксплуатации электрооборудования запрещается:
· обслуживание электроустановок без применения защитных средств
(диэлектрических перчаток, бот, изолирующих подставок);
· управление лебедками и другим электрооборудованием без
диэлектрических перчаток, если рукоятки управления не имеют надежного
изоляционного покрытия;
· эксплуатация стационарного электрооборудования без
изолирующих подставок в условиях повышенной влажности и проводимости почвы
(пола);
· ремонт электрооборудования, находящегося под напряжением;
· работа электроустановок при неисправном или неправильно
выполненном защитном заземлении, а также при неисправной защите от опасных
токов утечки;
· держать под напряжением неиспользующиеся электрические сети
(за исключением резервных).
Получение электротравм возможно при работе с электрооборудованием в сырую
погоду без средств защиты (диэлектрических перчаток, резиновых ковриков
и.т.д.), также в помещении буровой при работе с электрораспределительными
устройствами и линиями освещения. Безопасность работ может быть обеспечена
только при применение следующих средств и методов защиты:
- защитное заземление;
защитное отключение;
изоляция токоведущих частей;
знаки безопасности, средства защиты.
Безопасность обслуживающего персонала обеспечивается
путем применения следующих методов и способов защиты: диэлектрические перчатки,
инструмент с изолированными рукоятками, указатели напряжения; дополнительные
защитные средства (применяются в электроустановках напряжением до 1000 В):
диэлектрические галоши, резиновые коврики, изолирующие подставки.
.5.2 Обеспечение безопасности производственного
оборудования, технических устройств, инструмента
Управление буровой лебедкой осуществляться с пульта
бурильщика. Пуск буровых насосов в работу производится с местного поста
управления, а регулирование их работы и остановка - с пульта бурильщика и
местного поста управления.
Работы на приемном мосту буровой установки по
затаскиванию и выбросу труб, а также работы по обслуживанию (замене)
гидравлических блоков буровых насосов механизируются, а управление
грузоподъемными механизмами для работы на приемном мосту - дистанционным.
Конструкция вспомогательной лебедки проектируется
таким образом, чтобы обеспечивать плавное перемещение и надежное удержание
груза на весу. С пульта управления лебедкой оператору обеспечивается обзор
места работы и перемещение груза
Буровая установка укомплектовывается:
ограничителем высоты подъема талевого блока;
ограничителем допускаемой нагрузки на крюке;
блокирующими устройствами по отключению привода
буровых насосов при превышении давления в нагнетательном трубопроводе на 10-15%
выше максимального рабочего давления насосов для соответствующей цилиндровой
втулки;
приемным мостом с горизонтальным участком длиной не
менее 14м, шириной - не менее 2м и стеллажами. Запрещается укладка труб на
стеллажах в штабели высотой более 1,25м;
устройством для осушки воздуха, подаваемого в
пневмосистему управления буровой установки;
успокоителем ходового конца талевого каната;
системами обогрева рабочих мест;
блокирующими устройствами по предупреждению включения
ротора при снятых ограждениях и поднятых клиньях ПКР;
системой запасных и приемных емкостей, оборудованных
уровнемерами и автоматической сигнализацией уровня жидкости в них;
градуированной мерной емкостью для контролируемого
долива скважины, оснащенной уровнемером.
Конструкция основания буровой вышки предусматривает
возможность:
монтажа превенторной установки на устье скважины и
демонтажа основания при установленной фонтанной арматуре или части ее;
установки стола ротора на уровне пола буровой, а также
рационального размещения:
средств автоматизации, механизации и пультов
управления;
обогреваемого подсвечника со стоком раствора;
воздухо-, масло-, топливопроводов и средств системы
обогрева;
механизма крепления неподвижной ветви талевой системы;
механизмов по изменению положения машинных ключей по
высоте;
механизма крепления рабочих и страховочных канатов
машинных ключей;
шурфом для наращивания, установки ведущей трубы и (при
необходимости) утяжеленных бурильных труб;
Вышка оборудуется площадками для обслуживания
кронблока и замены бурового шланга. При ручной расстановке свечей вышки
оборудуются площадкой верхового рабочего с устройством для его эвакуации в
случае возникновения аварийной ситуации. Устройство располагается за пределами
вышки и обеспечивает эвакуацию верхового рабочего за пределы внутривышечного
пространства.
Вышка оснащается лестницами-стремянками с устройствами
инерционного или другого типа, для безопасного подъема и спуска верхового
рабочего, или лестницами тоннельного типа с переходными площадками через каждые
6 м, или маршевыми лестницами до рабочей площадки верхового рабочего (балкона)
с переходными площадками через каждые 6 м, а выше - лестницей тоннельного типа
или лестницей-стремянкой с устройством для безопасного подъема и спуска. Вышки
для мобильных установок оборудоваться лестницами тоннельного типа без
переходных площадок.
На буровых насосах устанавливаются компенсаторы
давления, заполняемые воздухом или инертным газом, с приспособлениями для
контроля давления в компенсаторах.
Буровые насосы надежно крепятся к фундаментам или к
основанию насосного блока, а нагнетательный трубопровод - к блочным основаниям
и промежуточным стойкам. Повороты трубопроводов выполняются плавно или делаются
прямоугольными с отбойными элементами для предотвращения эрозионного износа.
Конструкция крепления элементов нагнетательного трубопровода (стояка и т.п.) к
металлоконструкциям предусматривает возможность центровки талевой системы по
отношению к оси скважины. На соединение фланцев нагнетательного трубопровода
устанавливаются съемные металлические хомуты.
Управление исполнительными механизмами и приводом
силового блока осуществляется с пульта управления, расположенного компактно с
пультами управления другим оборудованием буровой установки (лебедкой,
автоматическим ключом и др.). Грузоподъемность верхнего привода
предусматривается в соответствии с грузоподъемностью буровой установки.
Система противофонтанной арматуры включает не менее
двух встроенных шаровых задвижек. Одна из задвижек оснащается дистанционным
управлением с пульта.
В процессе работы контролируются:
Ø скорость вращения бурильной колонны;
Ø величина крутящего момента при
свинчивании и бурении;
Ø положение элементов трубного
манипулятора;
Ø положение системы противофонтанной
арматуры.
В системе управления автоматическим ключом
предусматривается возможность полного отключения механизмов от линии питания
рабочего агента, а также блокировка с целью предотвращения случайного
включения.
Механические передачи (цепные, карданные, зубчатые и
др.), муфты сцепления, шкивы, другие вращающиеся и движущиеся элементы
оборудования, а также их выступающие части ограждаются металлическими
ограждениями, соответствующие установленным требованиям.
.6 Пожарная безопасность
Здания и помещения по пожарной опасности по НПБ 105-95 относятся к
категории взрывопожароопасных «А».
Оборудование буровой, территории вокруг буровой и работы связанные с
бурением проектируются согласно ССБТ “Установки, геологоразведочные буровые”, “Требования
пожарной безопасности” ОСТ-41-01-244-01. Буровая оборудуется всеми
противопожарными средствами в соответствии с требованиями “Правил пожарной
безопасности для геологоразведочных организаций и предприятий”.
· назначение на буровой ответственного лица за пожарную
безопасность;
· прохождение вновь принимаемым на работу противопожарных
инструктажей;
· молнизащита.
Вокруг буровой установки в радиусе 50 м выкашивается трава, а территория
очищается от валежника и листьев.
Территория склада ГСМ очищается от сухой травы, пней и сучьев, окружается
земляной обваловкой согласно требований. На видном месте устанавливается четкая
надпись “ОГНЕОПАСНО”. Цистерны заземляются и окрашиваются в белый цвет.
На территории буровой проектируется необходимое
количество единиц пожарной техники (таблица 6.6.2).
На буровой установке запрещается:
· курить, применять факел и другие источники открытого огня для
освещения и других нужд;
· отогревать замершие трубопроводы и оборудование, а также
разогревать в зимнее время емкости с буровым раствором при помощи открытого
огня (только паром или горячей водой);
Таблица 6.6.1 Нормы пожарной безопасности буровых установок
|
Наименование параметров
|
Нормы
|
|
Территория очищенная вокруг буровой в радиусе не менее, м
|
50
|
|
Расстояние от буровой установки до (м, не менее): - мест
хранение топлива (дров, угля)
|
8
|
|
-мест хранения ГСМ
|
50
|
|
- площади разведения огня
|
15
|
|
Зазор между трубами и горючими конструкциями здания
буровой, м (не менее)
|
0,15
|
|
Размер отверстий в металлической сетке искрогасителя, мм
(не более).
|
5×5
|
|
Кол-во выходов из буровой, не менее
|
2
|
|
Емкость пожарного ящика для песка, м3 (не менее)
|
0,2
|
|
Ширина окантовки пожарного щита красной краской, м
|
0,02-0,05
|
Таблица 6.6.2 Количество пожарной техники на буровой установке
|
Наименование пожарной техники
|
Количество, шт
|
|
Химические огнетушители (пенные) ОХП-10,
|
4
|
|
Химические огнетушители (углекислотные) ОУ-3, ОУ-5,
|
2
|
|
Ящик с песком V= 0,2 м3
|
2
|
|
Ведра пожарные
|
6
|
|
Войлок-асбестовое полотно S= 4м2
|
1
|
|
Комплект пожарного оборудования (топор, багор, лом, лопата)
|
3
|
В местах возможного скопления и выделения паров углеводородов
устанавливается контроль за воздушной средой с помощью стандартных или
переносных газоанализаторов.
Для создания естественной вентиляции рекомендуется предусмотреть на
обшивках рабочей площади и насосного сарая буровой открывающиеся окна, фрамуги
и.т.п.
При монтаже буровой установки предусмотреть достаточную естественную
вентиляцию под полом буровой с целью уменьшения скопления паров углеводородов.
.6.1 Предупреждение загрязнения почвы
Почвы и растительность за пределами площадки проектирования и трассы
газопровода являются наиболее уязвимыми объектами воздействия, в связи с чем,
основные защитные мероприятия состоят в исключении нарушения почвенно-растительного
покрова за пределами отведенных под расширение и строительство участков.
Основные объемы работ по охране почвенно-растительного слоя и водных
объектов:
Ø устройство заградительного обвалования аварийных резервуаров
на площадке УСН и постоянного поддержания его в исправном состоянии;
Ø устройство металлических переходных мостиков через обваловку;
Ø планировка площадки для отвода поверхностного стока в
водоотводную канаву глубиной 0,7 м;
Ø вывод поверхностных вод за пределы площадки через водоотводные
устройства в виде поперечной дрены, заполненной галечником и водоотводной трубы
диаметром 530 мм, расположенных с южной стороны от проектируемых сооружений;
Ø планировка площадок под резервуары и другие сооружения.
Рекультивация нарушенных земель:
Основная цель рекультивации - приведение нарушенных земель в изначальное
состояние.
Рекультивация проводится в 2 этапа.
Первый этап - техническая рекультивация. Техническая рекультивация
проводится на отведенных под строительство землях генеральной подрядной
организацией после завершения строительно-монтажных работ и включает:
Ø уборку строительного мусора на полосе отвода;
Ø планировку площадок строительства.
Второй этап - биологическая рекультивация.
После завершения технического этапа, нарушенные земли передаются
землепользователям для проведения биологической рекультивации, финансируемой из
средств заказчика.
Биологическая рекультивация проводится с целью закрепления нарушенного
поверхностного слоя земли и предотвращения эрозии почвы.
Биологическая рекультивация включает следующие работы:
Ø рыхление почвы;
Ø посев травосемян;
посадка саженцев деревьев (на следующий год после высева травосемян).
Для площадей лесохозяйственного направления в нормальных природных
условиях технология рекультивации следующая:
рыхление тракторной бороной БДТ-2,5 в сцепе с трактором ДТ-75;
посев семян сеялкой СЗТ-3.6 - 40 кг/га;
посадка саженцев деревьев - 1000 шт./га.
Состав удобрений, высеваемых травосмесей и древесно-кустарниковых
саженцев, в зависимости от качественного состояния верхнего слоя почв,
уточняется агротехническими службами землепользователей.
На площади занятой лежневыми дорогами, а так же на заболоченных участках
трассы биологическая рекультивация не проводится.
Техническую рекультивацию проводить сразу после строительства
газопровода, а биологическую - в благоприятный вегетативный период.
7. Организационно-экономическая часть
.1 Краткая характеристика места работ
Район разведочного бурения в административном отношении располагается в
пределах Кежемского района Красноярского края с районным центром г. Кодинск,
который находится от площади работ в западном направлении. Связь с базами
материально-технического обеспечения, речной порт Заледеево, и г. Красноярск,
осуществляется: летом водным путем по р. Ангара и р. Енисей. зимой по железной
дороге г.Красноярск-ст.Карабула 614км. и по автодорожному тракту, также
круглосуточно средствами малой авиации.
.2 Проектные данные
|
Площадь
|
Берямбинская
|
|
Расположение (суша, море)
|
суша
|
|
Количество скважин
|
1
|
|
Цель бурения и назначение скважины
|
разведочная
|
|
Проектный горизонт
|
Рифейский
|
|
Проектная глубина, м
|
3990
|
|
Вид скважины
|
Вертикальная
|
|
Способ бурения
|
Роторный
|
|
Вид привода
|
ДВС
|
|
Тип буровой установки
|
“Уралмаш-3Д-86”
|
|
Средняя коммерческая скорость бурения, м/ст. мес.
|
320
|
|
Продолжительность цикла строительства скважины, сут
|
672
|
|
в том числе:
|
|
|
-строительно-монтажные работы
|
65+20
|
|
- подготовительные работы к бурению
|
6
|
|
- бурение и крепление
|
374
|
|
- испытание
|
207
|
7.3 Организация производства работ
Строительство скважины № 5 Берямбинской площади будет
осуществляться специализированными бригадами, вахтовым методом с круглосуточным
режимом работы по 5 часов. Вахта будет меняться через 15 дней (Таблица 7.3.1).
Монтаж буровой установки будет выполнять бригада монтажников. Бурение и крепление
скважины будет вести буровая бригада. Испытание и опробование скважины -
бригада испытателей. Для осуществления бесперебойной и безаварийной проходки
скважины проектом предусматривается следующий состав бригады (Таблица 7.3.2).
Таблица 7.3.1 Численно-квалификационный состав
бригады.
|
Наименование профессии
|
Разряд
|
Число рабочих
|
|
Инженерно-технические работники
|
|
Мастер
|
-
|
2
|
|
Геолог
|
-
|
2
|
|
Итого
|
|
4
|
|
Вышкомонтажная бригада
|
|
Прораб
|
VI
|
2
|
|
Монтажник
|
V
|
4
|
|
Монтажник
|
IV
|
8
|
|
Тракторист
|
V
|
4
|
|
Тракторист
|
IV
|
4
|
|
Сварщик
|
V
|
4
|
|
Электрик
|
IV
|
4
|
|
Итого
|
|
30
|
|
Основной состав буровой бригады
|
|
Бурильщик
|
VI
|
4
|
|
Помощник бурильщика
|
V
|
8
|
|
Помощник бурильщика
|
IV
|
4
|
|
Старший дизелист
|
VI
|
2
|
|
Дизелист
|
V
|
4
|
|
Помощник дизелиста
|
IV
|
4
|
|
Итого
|
|
26
|
|
Вспомогательный состав буровой бригады
|
|
Повар
|
IV
|
2
|
|
Уборщик служебных помещений
|
-
|
2
|
|
Сварщик
|
V
|
3
|
|
Тракторист
|
V
|
5
|
|
Машинист ЦА-320, СМН-20
|
VI
|
5
|
|
Электрик
|
V
|
5
|
|
Машинист котельной
|
III
|
5
|
|
Итого
|
|
27
|
|
Бригада испытателей
|
|
Мастер
|
-
|
2
|
|
Бурильщик
|
V
|
4
|
|
Помощник бурильщика
|
IV
|
8
|
|
Дизелист
|
V
|
4
|
|
Машинист ЦА-320, СМН-20
|
VI
|
3
|
|
Итого
|
|
21
|
|
Всего
|
|
114
|
|
|
|
|
Таблица 7.3.2 График выходов буровой бригады
|
Бригада
|
Смены
|
Месяц
|
|
|
1
|
2
|
3
|
4
|
5
|
6
|
7
|
8
|
9
|
10
|
11
|
12
|
13
|
14
|
15
|
16
|
17
|
18
|
19
|
20
|
21
|
22
|
23
|
24
|
25
|
26
|
27
|
28
|
29
|
30
|
|
|
1я вахта
|
1ясмена
|
н/м
|
Отдых
|
Д
|
Д
|
Д
|
Д
|
Д
|
Д
|
Д
|
Д
|
Д
|
Д
|
Д
|
Д
|
Д
|
Д
|
|
|
|
ч/м
|
Д
|
Н
|
Н
|
Н
|
Н
|
Н
|
Н
|
Н
|
Н
|
Н
|
Н
|
Н
|
Н
|
Н
|
Н
|
Н
|
Отдых
|
|
|
2я смена
|
н/м
|
Отдых
|
Н
|
Н
|
Н
|
Н
|
Н
|
Н
|
Н
|
Н
|
Н
|
Н
|
Н
|
Н
|
Н
|
Н
|
|
|
|
ч/м
|
Н
|
Д
|
Д
|
Д
|
Д
|
Д
|
Д
|
Д
|
Д
|
Д
|
Д
|
Д
|
Д
|
Д
|
Д
|
Д
|
Отдых
|
|
|
2я вахта
|
1ясмена
|
н/м
|
Д
|
Н
|
Н
|
Н
|
Н
|
Н
|
Н
|
Н
|
Н
|
Н
|
Н
|
Н
|
Н
|
Н
|
Н
|
Н
|
Отдых
|
|
|
|
ч/м
|
Отдых
|
Д
|
Д
|
Д
|
Д
|
Д
|
Д
|
Д
|
Д
|
Д
|
Д
|
Д
|
Д
|
Д
|
|
|
2я смена
|
н/м
|
Н
|
Д
|
Д
|
Д
|
Д
|
Д
|
Д
|
Д
|
Д
|
Д
|
Д
|
Д
|
Д
|
Д
|
Д
|
Д
|
Отдых
|
|
|
|
ч/м
|
Отдых
|
Н
|
Н
|
Н
|
Н
|
Н
|
Н
|
Н
|
Н
|
Н
|
Н
|
Н
|
Н
|
Н
|
Н
|
|
|
|
|
|
|
|
|
|
|
|
|
|
|
|
|
|
|
|
|
|
|
|
|
|
|
|
|
|
|
|
|
|
|
|
|
|
|
|
Условные обозначения: Д - дневная смена; Н - ночная смена.
Все остальные работы (монтаж, демонтаж, цементаж, освоение) будут проводиться
в одну смену с 8 до 17 час.
Монтажно-демонтажные работы проводит механизированная монтажная бригада.
Доставка персонала осуществляется железнодорожным транспортом до станции
Карабула, далее вертолетом МИ-8.
Для обеспечения работающих постоянным питанием оборудуется столовая.
Также предусматривается устройство жилых помещений с паровым отоплением,
санитарно-гигиенических помещений.
Исходя из затрат времени на проектируемые работы предусмотрен следующий
график выполнения работ (см. график 7.3)
График 7.3 Календарный график проведения проектируемых работ
При работах по скважине предусматривается сдельно-премиальная оплата.
Оплата осуществляется по тарифной ставке действующей на Берямбинской площади
·
Тарифная сетка №
1 - применяется при расчете с рабочими основного состава буровых,
пусконаладочных бригад (табл. 7.3.3).
·
Тарифная сетка №
2 - применяется при расчете с рабочими основного состава вышкомонтажных бригад
и бригад по испытанию и исследованию скважин (см. табл. 7.3.4).
·
Тарифная сетка №
3 - применяется при расчете с рабочими вспомогательного состава (см. табл.
7.3.5).
Таблица 7.3.3 Тарифная сетка № 1
|
Основной персонал
|
Наименование структурного подразделения
|
Разряд
|
|
|
I
|
II
|
III
|
IV
|
V
|
VI
|
|
Рабочие буровых и пусконаладочных бригад (основной состав)
|
Бригады бурения и ПНБ
|
14,86
|
16,08
|
17,9
|
20,16
|
23,00
|
26,67
|
Таблица 7.3.4 Тарифная сетка № 2
|
Основной персонал
|
Наименование структурного подразделения
|
Разряд
|
|
|
I
|
II
|
III
|
IV
|
V
|
VI
|
|
Рабочие вышкомонтажных бригад и бригад по испытанию
(основной состав)
|
Вышкомонтажная бригада и бригада по испытанию
|
13,64
|
14,86
|
16,49
|
18,53
|
21,17
|
24,63
|
Таблица 7.3.5 Тарифная сетка № 3
|
Вспомогательный персонал
|
Наименование структурного подразделения
|
Разряд
|
|
|
I
|
II
|
III
|
IV
|
V
|
VI
|
|
Буровая бригада, монтажная бригада, бригада по испытанию
|
Бригада бурения, испытания скважин, ПНБ, ВМБ
|
12,83
|
13,84
|
15,27
|
17,31
|
19,75
|
23,00
|
На основании данных по организации работ, типового состава бригад, а так
же проектных сроков по строительству скважины составляется штатное расписание
производственного персонала и расчет фонда оплаты труда.
Таблица 7.3.6 Штатное расписание производственного персонала
|
Наименование должности и профессии
|
Кол-во человек
|
Разряд
|
Продолжи-тельность работы, месяц
|
Кол-во чел.-мес
|
Месячный оклад или ставка
|
Фонд заработной платы, руб
|
|
|
|
|
|
Основной, руб
|
С учетом коэф. 1,5, руб
|
|
|
Главный инженер
|
1
|
-
|
22,4
|
22,4
|
11213
|
16820
|
376768
|
|
Главный технолог
|
1
|
-
|
22,4
|
22,4
|
10680
|
16020
|
358848
|
|
Технолог
|
2
|
-
|
22,4
|
44,8
|
7048
|
10572
|
473626
|
|
Буровой мастер
|
2
|
-
|
22,4
|
44,8
|
6355
|
9532
|
427037
|
|
Мастер по испытанию
|
2
|
-
|
6,9
|
13,8
|
6355
|
9532
|
131542
|
|
Геолог
|
2
|
-
|
6,9
|
13,8
|
7048
|
10572
|
145894
|
|
Итого:
|
10
|
|
1913715
|
|
Основной состав буровой бригады
|
|
Бурильщик
|
4
|
VI
|
12,46
|
49,84
|
4454
|
6681
|
332981
|
|
Помощник бурильщика
|
8
|
V
|
12,46
|
99,68
|
3842
|
5763
|
574456
|
|
Помощник бурильщика
|
4
|
IV
|
12,46
|
49,84
|
3366
|
5049
|
251642
|
|
Машинист БУ
|
2
|
VI
|
12,46
|
24,92
|
4454
|
6681
|
166491
|
|
Моторист
|
4
|
V
|
12,46
|
49,84
|
3842
|
5763
|
287228
|
|
Моторист
|
4
|
IV
|
12,46
|
49,84
|
3366
|
5049
|
251642
|
|
Слесарь БО
|
2
|
V
|
12,46
|
24,92
|
3842
|
5763
|
143614
|
|
Лаборант-коллектор
|
2
|
III
|
12,46
|
24,92
|
2992
|
4488
|
111841
|
|
Итого:
|
30
|
|
2119895
|
|
Основной состав вышкомонтажной бригады
|
|
Монтажник
|
4
|
VI
|
3,03
|
12,12
|
4114
|
6171
|
74793
|
|
Монтажник
|
8
|
V
|
3,03
|
24,24
|
3536
|
5304
|
128569
|
|
Монтажник
|
8
|
IV
|
3,03
|
24,24
|
3094
|
4641
|
112498
|
|
Монтажник
|
4
|
III
|
3,03
|
6,06
|
2754
|
4131
|
50068
|
|
Сварщик
|
2
|
VI
|
3,03
|
6,06
|
4114
|
6171
|
37396
|
|
Сварщик
|
2
|
V
|
3,03
|
6,06
|
3536
|
5304
|
32142
|
|
Электромонтер
|
2
|
V
|
3,03
|
6,06
|
3536
|
5304
|
32142
|
|
Электромонтер
|
2
|
IV
|
3,03
|
6,06
|
3094
|
4641
|
28124
|
|
Крановщик КП-25
|
2
|
VI
|
3,03
|
6,06
|
4114
|
6171
|
37396
|
|
Бульдозерист
|
4
|
VI
|
3,03
|
12,12
|
4114
|
6171
|
74793
|
|
Итого:
|
38
|
|
607921
|
|
Основной состав бригады по испытанию
|
|
Бурильщик
|
4
|
VI
|
6,9
|
27,6
|
4114
|
6171
|
170320
|
|
Помощник бурильщика
|
4
|
V
|
6,9
|
27,6
|
3536
|
5304
|
146390
|
|
Помощник бурильщика
|
4
|
IV
|
6,9
|
27,6
|
3094
|
4641
|
128092
|
|
Машинист подъемника А-50
|
4
|
VI
|
27,6
|
4114
|
6171
|
170320
|
|
Итого:
|
16
|
|
615122
|
|
Вспомогательный состав
|
|
Повар
|
2
|
IV
|
22,4
|
44,8
|
2890
|
4335
|
194208
|
|
Повар
|
2
|
III
|
22,47
|
44,8
|
2550
|
3825
|
171360
|
|
Электрогазосварщик
|
2
|
V
|
12,46
|
24,92
|
3298
|
4947
|
123280
|
|
Эл. монтер по обсл. БО
|
2
|
V
|
12,46
|
24,92
|
3298
|
4947
|
123280
|
|
Приготовитель П.Ж
|
2
|
III
|
12,46
|
24,92
|
2550
|
3825
|
95319
|
|
Тракторист
|
2
|
V
|
12,46
|
24,92
|
3298
|
4947
|
123280
|
|
Машинист ЦА-320 (СМН)
|
2
|
VI
|
12,46
|
24,92
|
2890
|
4335
|
108028
|
|
Машинист котельной
|
4
|
III
|
12,46
|
49,84
|
2550
|
3825
|
190638
|
|
Лаборант
|
2
|
III
|
6,9
|
13,8
|
2550
|
3825
|
52785
|
|
Итого:
|
20
|
|
1182178
|
|
Всего, согласно штатному расписанию:
|
114
|
|
6438831
|
.4 Смета на строительство скважины
Таблица 7.4.1 Сводная смета на строительство скважины №5Берямбинской
площади
|
Наименование работ и затрат
|
Ед. из.
|
Кол-во
|
Стоимость в тыс. рублях
|
|
|
|
|
Всего
|
|
|
|
полная
|
В т.ч. возврат
|
|
|
1
|
2
|
3
|
6
|
7
|
|
|
Глава I Подготовительные работы
|
|
|
|
|
|
|
1. Подготовка площадки, сооружение подъездных путей
трубопроводов, линии эл. передач
|
руб.
|
|
6545,94
|
388,12
|
|
|
2. Демонтаж трубопроводов и линии эл. передач
|
руб.
|
|
938,14
|
|
|
|
3. Мероприятия по охране природы и рекультивации земель
Итого по I главе
|
руб.
|
|
965,12 8449,2
|
388,12
|
|
|
Глава II Строительство и разборка вышки, привышечных
сооружений, монтаж и демонтаж бурового оборудования. Монтаж и демонтаж
установки для испытания скважины.
|
|
|
|
|
|
|
1. Строительство и монтаж
|
к-т
|
I
|
4758
|
906,49
|
|
|
2. Разборка и демонтаж.
|
к-т
|
I
|
532,55
|
|
|
|
3. Монтаж установки для испытания.
|
к-т
|
I
|
422,08
|
78,22
|
|
|
4. Демонтаж установки для испытания. Итого по II главе
|
к-т руб.
|
I
|
53,99 5712,63
|
984,72
|
|
|
Глава III Бурение и крепление
|
|
|
|
|
|
|
1. Бурение скважины
|
руб.
|
|
29542,52
|
|
|
|
2. Крепление скважины Итого по главе III
|
руб.
|
|
9576,65 39119,17
|
|
|
|
Глава IV Испытание скважины на продуктивность
|
|
|
|
|
|
|
1. Испытание скважины испытателем пластов на бурильных
трубах в процессе бурения.
|
сут
|
|
1017,56
|
|
|
|
2. испытание скважины на продуктивность в эксплуатационной
колонне: Первый объект с основного станка Последующий объект с передвижного
станка Итого по IV главе
|
сут руб.
|
|
2158,38 3087,69 6263,63
|
|
|
|
Глава V Транспортировка груза
|
|
|
|
|
|
|
1. Транспортировка топлива 2. Снегоборьба, 0.4% 3. Водяная
скважина 4. Резерв на производство работ в зимнее время 5. Эксплуатация
котельной 6. Погрузка-разгрузка (водный транспорт) Итого по V разделу
|
руб.
|
|
2755,62 56,92 971,13 715,54 10070,30 528,8 15098,31
|
|
|
|
Итого прямых затрат:
|
|
|
74642,94
|
|
|
|
Накладные расходы
|
%
|
19,5
|
14555,37
|
|
|
|
Плановые накопления
|
%
|
20,0
|
17839,66
|
|
|
|
Дополнительные затраты
|
%
|
3,63
|
3885,47
|
|
|
|
Итого с накладными и плановыми
|
руб.
|
|
36280,5
|
|
|
|
Резерв затрат на осложнения
|
%
|
8,36
|
3033,05
|
|
|
|
Амортизация контейнеров
|
руб.
|
|
37,52
|
|
|
|
Топографо-геодезические работы
|
руб.
|
|
10,78
|
|
|
|
Лабораторные работы от суммы III раздела
|
%
|
1.5
|
455
|
|
|
|
Обустройство буровой
|
руб.
|
|
114,21
|
|
|
|
Транспортировка материалов для обустройства буровой
|
руб.
|
|
101,808
|
|
|
|
Содержание вертолётной площадки на буровой
|
руб.
|
|
5,38
|
|
|
|
Итого по смете
|
|
|
116028,7
|
|
|
|
Дополнительные затраты:
|
%
|
19,3
|
22393,54
|
|
|
|
а) Северные надбавки
|
%
|
10.13
|
11753
|
|
|
|
б) Полевое довольствие
|
%
|
7.76
|
7325.450
|
|
|
|
в) Премии
|
%
|
2,87
|
2709.284
|
|
|
|
г) Прочие расходы
|
%
|
2,5
|
439,247
|
|
|
|
Строительство котлована
|
руб.
|
|
26,035
|
|
|
|
Авиатранспорт
|
руб.
|
|
5031.558
|
|
|
|
Полная сметная стоимость
|
руб.
|
|
179703,354
|
45,038
|
|
|
|
|
|
|
|
|
|
|
Таблица 7.4.2 Смета накладных расходов по скважине №5Берямбинской площади
|
Наименование расходов
|
В % к основным расходам
|
Сумма тыс. руб.
|
|
1
|
2
|
3
|
|
Общепроизводственные расходы Всего Охрана труда Подготовка
и повышение квалификации кадров Расходы на общественное питание
|
5,2 3 0,6 0,6 1
|
3881,43 2239,28 447,85 447,85 746,42
|
|
Общехозяйственные расходы ( оплата труда АУП, МОП, охраны;
канцелярские и почтовые расходы; легковой транспорт; услуги по вычислительным
работам, полевое довольствие и доплаты АУП, МОП и др.)
|
9,6
|
7165,72
|
|
Прочие отчисления Всего В том числе:
Нормативно-исследовательские расходы Экономические исследования
Опытно-конструкторские работы по освоению новой техники
|
4,7 1,5 0,9 2,3
|
3508,21 1119,64 671,78 1716,78
|
|
Всего накладных расходов:
|
19,5
|
14555,37
|
Таблица 7.4.3 Технико-экономические показатели
|
Наименование показателей
|
Ед. изм.
|
в %
|
в денежном выражении
|
|
Объем работ в денежном выражении
|
руб.
|
|
179703354
|
|
Объем работ в натуральном выражении
|
м
|
|
3990
|
|
Продолжительность работ
|
сут
|
|
672
|
|
Коммерческая скорость бурения
|
м/ст. мес.
|
|
320
|
|
Численность всего человек
|
|
|
114
|
|
Выработка в денежном выражении на 1 работающего
|
руб.
|
|
1576,34
|
Список литературы
1. Булатов А.И., Измайлов Л.Б. «Проектирование конструкций
скважин». - М.: Недра, 1979. - 280 с.
2. Булатов А.И., Измайлов Л.Б., Крылов В.И. «Справочник
по креплению нефтяных и газовых скважин». - М.: Недра, 1981. - 240 с.
3. Булатов А.И., Аветисов А.Г. Справочник инженера по
бурению. В 2-х томах. - М.: Недра, 1985.
4. Булнаев И.Б., Жук И.А., Семенюк И.А. «Инструкция по
составлению дипломного проекта для специальности - “Технология и техника
разведки месторождений полезных ископаемых”» - Иркутск, 1988. - 22 с
5. Вадецкий Ю. В. «Бурение нефтяных и газовых скважин».
- М.: Недра, 1985. - 421 с.
6. «Вспомогательные здания и помещения промышленных
предприятий»
7. (СНиП-IV-2-82).
8. «Воздух рабочей зоны» (ГОСТ 12.1.005-88).
. «Гигиенические требования к микроклимату
производственных помещений» (СанПиН 2.2.4.548-96).
. "Естественное и искусственное освещение" (СНиП
23-05-95).
11. Ильский А.Л. Оборудование для бурения нефтяных
скважин/Расчет и конструирование. - М., Машиностроение, 1980, 229 с.
. Инструкция по расчету обсадных колонн для нефтяных и
газовых
скважин. - Куйбышев: ВНИИТнефть, 1976.
. Калинин А.Г., Левицкий А.З. «Технология бурения
разведочных скважин на жидкие и газообразные полезные ископаемые». - М.: Недра,
1988. - 374 с.
14. Калинин А.Г., Григорян Н.А., Султанов Б.З. «Бурение
наклонных скважин». - М.: Недра, 1990. - 348 с.
. Калинин А.Г., Никитин Б.А., Солодский К.М., Султанов
Б.З. «Бурение наклонных и горизонтальных скважин». - М.: Недра, 1997. - 648 с.
. Масленников И.К. Буровой инструмент. Справочник. -
М., Недра, 1989. - 430 с.
. Мамаджанов У.Д., Рахимов А.К., Поляков Г.А. и др.
«Заканчивание газовых скважин». - М., Недра, 1979. 174 с.
. Материалы Компании « Русия-Петролиум» « Программа
бурения скважин»
. Материалы Компании «Weatherford».
20. ''Нормативы санитарно-бытового оснащения бригад, занятых
бурением и ремонтом скважин".( РД 39-22-719-82).
21. Правила безопасности в нефтяной и газовой
промышленности (ПБ 08-624-03). Серия 08. Выпуск 4/ Колл. Авт. - М: Федеральное
унитарное предприятие «Научно-технический центр по безопасности в
промышленности Госгортехнадзора России», 2004. - 312с.
. «Положение о рассмотрении документации на
технические устройства для нефтегазодобывающих и газоперерабатывающих
производств объектов геологоразведочных работ и магистральных газо-, нефте- и
продуктопроводов, проведении приемочных испытаний технических устройств и
выдаче разрешений на их применение» (РД 08-425-01).
. «Положение по проведению экспертизы промышленной
безопасности опасных производственных объектов, на которых используются
подъемные сооружения» ( РД 10-528-03).
. Правила устройства и безопасной эксплуатации
грузоподъемных кранов (ПБ 10-382-00).
. Правила устройства электроустановок (ПУЭ-2000).
. Правила пожарной безопасности для геологоразведочных
организаций и предприятий (НПБ 105-25).
27. Середа Н.Г., Соловьев Е.М. «Бурение нефтяных и газовых
скважин». - М.: Недра, 1974. - 456 с.
28. Спутник нефтегазопромыслового геолога: Справочник. /
Под ред. Чоловского И.П. - М., Недра, 1989. - 376 с.
. Шамшев Ф.А., Тараканов С.Н., Кудряшов Б.Б. и др.
«Технология и техника разведочного бурения». - М.: Недра, 1983. - 565 с.
30. «Шум на рабочих местах, в помещениях жилых, общественных
зданий и на территории жилой застройки» (CН 2.2.4/2.1.8.562-96).