Электрификация цеха

  • Вид работы:
    Курсовая работа (т)
  • Предмет:
    Физика
  • Язык:
    Русский
    ,
    Формат файла:
    MS Word
    325,54 Кб
  • Опубликовано:
    2013-04-17
Вы можете узнать стоимость помощи в написании студенческой работы.
Помощь в написании работы, которую точно примут!

Электрификация цеха

Введение

Атомная энергия и электростанция

Атомные электростанции, в настоящее время, являются одними из основных поставщиков электроэнергии для промышленности и бытового потребления.

Примечательно то, что первая в мире атомная электростанция была построена в СССР, в городе Обнинске. Первоначальная её мощность составляла 5 МВт, однако именно Обнинская АЭС положила начало для бурного развития атомной энергетики во всем мире. Запустив первый на планете управляемый атомный реактор, практически была доказана сама возможность получения электроэнергии на основе расцепления урановых ядер. В то время, атомная энергетика являлась своего рода возможностью использования альтернативного топлива, однако очень быстро именно атомные электростанции стали доминировать среди прочих систем получения электроэнергии. Принцип работы атомной электростанции очень прост - это обычное преобразование тепловой энергии в электрическую. Иными словами АЭС работают по тому же принципу, что и обычные тепловые электростанции, с одним лишь отличием - для нагрева воды используется энергия, получаемая при распаде ядер урана. Источником тепловой энергии в АЭС служит ядерный реактор, в котором протекает управляемая ядерная реакция. Сама реакция протекает по цепному механизму: деление одного ядра самопроизвольно вызывает деление других ядер. Цепная реакция сама себя поддерживает, и может длиться до полного распада всех ядер вещества. А управление сводится лишь к регулированию её скорости и, соответственно, мощности, а также к произвольной её остановке в случае необходимости. Топливом для атомных электростанций служат вещества, способные, при определенном начальном стимулировании, совершать цепную реакцию расщепления ядер элементов, в основном трансурановой группы. В настоящее время основными являются плутоний и уран.

Как же работает цепная реакция? При делении ядра урана высвобождаются нейтроны, которые воздействуют на другие ядра, вызывая их деление. Однако практически осуществить подобную реакцию не так просто, как кажется на первый взгляд. Дело в том, что такие нейтроны могут вызывать деление изотопов урана с массовым числом 235, тогда как в природной руде их содержится лишь 0,7%. Остальные 99,3% приходятся на долю изотопа 238, для деления которого, энергии нейтронов, не хватает. Именно поэтому для функционирования реактора важна критическая масса - это минимальная масса урана, при которой возможно возникновение и протекание цепной реакции. Например, для урана-235 она составляет несколько десятков килограмм, что на самом деле, учитывая низкое его процентное соотношение, не так уж и мало. Перейдем к устройству и принципу выработки электричества АЭС. Та часть ядерного реактора, в котором находится топливо, и идут процессы деления ядер урана называется активной зоной. В результате протекания ядерной реакции выделяется огромное количество тепла - это и есть начальная тепловая энергия, преобразующаяся впоследствии в электрическую. Активная зона реактора имеет очень высокую степень защиты, обеспечивающей сравнительно безопасные условия для работы персонала АЭС. В активной зоне находятся специальные управляющие стержни, позволяющие регулировать скорость протекания реакции. Чаще всего - это бор или кадмий, которые достаточно сильно поглощают нейтроны. Иными словами, чем больше поглощено нейтронов, тем меньше ядер урана делиться, и, соответственно, снижается скорость реакции. Чем глубже погружаются стержни, тем меньше выделяется тепла, и наоборот. Именно образование тепловой энергии и есть суть цепной реакции. Тепло из реактора выводится при помощи определенных теплоносителей, которыми, в зависимости от типа атомной электростанции, могут выступать вода, металлический натрий или некоторые газы. Они отбирают в активной зоне тепло, и переносят его в специальные теплообменники, попутно охлаждая реактор. Эта система называется первым контуром. Далее вступает в действие так называемый второй контур АЭС. В теплообменнике нагревается вода, образующийся в результате этого пар передается на лопасти турбины, которая через специальную систему приводит в действие генераторы, непосредственно вырабатывающие электричество. Иными словами, атомные электростанции - это очень большие «чайники», работающие на ядерном топливе и служащие, в первую очередь, для нагрева воды до кипения. В настоящее время активно ведутся работы по проектированию и созданию термоядерных электростанций, основным преимуществом которых является возможность работать неопределенно долгое время. Термоядерные электростанции, в отличие от атомных, протекают на основе термоядерного синтеза, в результате которого из изотопов водорода образуется гелий и выделяется огромное количество энергии. Кроме того, такие электростанции более безопасны и экологически чистые, так как реакция термоядерного синтеза не приводит к образованию радиоактивных продуктов, а топливом для неё может служить обычная вода, из которой получают тяжелый изотоп водорода - дейтерий. К сожалению, на данный момент иной альтернативы атомным электростанциям, даже учитывая их потенциальную опасность, нет, так как в мире не предвидится скорого снижения спроса на электроэнергию, потребности в которой, напротив, растут год от года.

Атомная электростанция (АЭС) - ядерная установка для производства энергии в заданных режимах и условиях применения, располагающаяся в пределах определённой проектом территории, на которой для осуществления этой цели используются ядерный реактор (реакторы) и комплекс необходимых систем, устройств, оборудования и сооружений с необходимыми работниками (персоналом) (ОПБ-88/97).

Мировыми лидерами в производстве ядерной электроэнергии являются: США (836,63 млрд. кВт·ч/год), Франция (439,73 млрд кВт·ч/год), Япония (263,83 млрд кВт·ч/год), Россия (160,04 млрд кВт·ч/год), Корея (142,94 млрд кВт·ч/год) и Германия (140,53 млрд кВт·ч/год). В мире действует 441 энергетический ядерный реактор общей мощностью 374,692 ГВт, российская компания «ТВЭЛ» поставляет топливо для 76 из них (17% мирового рынка).

История

Во второй половине 40-х гг., ещё до окончания работ по созданию первой советской атомной бомбы (её испытание состоялось 29 августа 1949 года), советские учёные приступили к разработке первых проектов мирного использования атомной энергии, генеральным направлением которого сразу же стала электроэнергетика. В 1948 г. по предложению И.В. Курчатова и в соответствии с заданием партии и правительства начались первые работы по практическому применению энергии атома для получения электроэнергии.

В мае 1950 года близ посёлка Обнинское Калужской области начались работы по строительству первой в мире АЭС. Первая в мире промышленная атомная электростанция мощностью 5 МВт была запущена 27 июня 1954 в СССР, в городе Обнинск, расположенном в Калужской области. В 1958 была введена в эксплуатацию 1-я очередь Сибирской АЭС мощностью 100 МВт, впоследствии полная проектная мощность была доведена до 600 МВт. В том же году развернулось строительство Белоярской промышленной АЭС, а 26 апреля 1964 генератор 1-й очереди дал ток потребителям. В сентябре 1964 был пущен 1-й блок НововоронежскойАЭС мощностью 210 МВт. Второй блок мощностью 350 МВт запущен в декабре 1969. В 1973 г. запущена Ленинградская АЭС. За пределами СССР первая АЭС промышленного назначения мощностью 46 МВт была введена в эксплуатацию в 1956 в Колдер-Холле (Великобритания).Через год вступила в строй АЭС (англ.) русск. мощностью 60 МВт в Шиппингпорте (США).В 1979 году произошла серьёзная авария на АЭС Три-Майл-Айленд, а в 1986 году - масштабная катастрофа на Чернобыльской АЭС, которая, помимо непосредственных последствий, серьёзно отразилась на всей ядерной энергетике в целом. Она вынудила специалистов всего мира переоценить проблему безопасности АЭС и задуматься о необходимости международного сотрудничества в целях повышения безопасности АЭС.

мая 1989 года на учредительной ассамблее в Москве, было объявлено об официальном образовании Всемирной ассоциации операторов атомных электростанций (англ. WANO), международной профессиональной ассоциации, объединяющей организации, эксплуатирующие АЭС, во всём мире. Ассоциация поставила перед собой амбициозные задачи по повышению ядерной безопасности во всём мире, реализуя свои международные программы[4].

Крупнейшая АЭС в Европе - Запорожская АЭС у г. Энергодар (Запорожская область, Украина), строительство которой начато в 1980 г. С 1996 г. работают 6 энергоблоков суммарной мощностью 6 ГВт. Крупнейшая АЭС в мире Касивадзаки-Карива по установленной мощности (на 2008 год) находится в Японском городе Касивадзаки префектуры Ниигата - в эксплуатации находятся пять кипящих ядерных реакторов (BWR) и два улучшенных кипящих ядерных реакторов (ABWR), суммарная мощность которых составляет 8,212 ГВт.

Классификация

По типу реакторов

Атомные электростанции классифицируются в соответствии с установленными на них реакторами:

ü  Реакторы на тепловых нейтронах, использующие специальные замедлители для увеличения вероятности поглощения нейтрона ядрами атомов топлива

ü  Реакторы на лёгкой воде

ü  Реакторы на тяжёлой воде

ü  Реакторы на быстрых нейтронах

ü  Субкритические реакторы, использующие внешние источники нейтронов

ü  Термоядерные реакторы

По виду отпускаемой энергии

Атомные станции по виду отпускаемой энергии можно разделить на:

v  Атомные электростанции (АЭС), предназначенные для выработки электрической энергии. При этом на многих АЭС есть теплофикационные установки, предназначенные для подогрева сетевой воды, используя тепловые потери станции.

v  Атомные теплоэлектроцентрали (АТЭЦ), вырабатывающие как электроэнергию, так и тепловую энергию.

Рисунок 1. Принцип действия атомной электростанции

электрический замыкание заземляющий коммутационный

В качестве распространенного топлива для атомных электростанций применяется уран. Реакция деления осуществляется в основном блоке атомной электростанции - ядерном реакторе. Существует несколько типов ядерных реакторов. Наибольшее распространение получили три основных типа pеактоpов, различающихся, главным обpазом, топливом, теплоносителем, применяемым для поддержания нужной темпеpатуры активной зоны, и замедлителем, используемым для снижения скоpости нейтpонов, выделяющихся в пpоцессе pаспада и необходимых для поддеpжания цепной pеакции. Сpеди них пеpвый и наиболее pаспpостpаненный тип - это pеактоp на обогащенном уpане, в котоpом и теплоносителем, и замедлителем является обычная, или «легкая», вода (легководный реактор). Существуют две основные pазновидности легководного реактора: pеактоp, в котоpомпаp, вpащающий туpбины, обpазуется непосpедственно в активной зоне (кипящий реактор, в России - РБМК - реактор большой мощности, канальный), и pеактоp, в котоpом паpобpазуется во внешнем, или втоpом, контуpе, связанном с пеpвым контуpом теплообменниками и паpогенеpатоpами (водо водяной энергетический реактор - ВВЭР).Втоpой тип pеактоpа - газоохлаждаемый pеактоp (с гpафитовым замедлителем). Тpетий тип pеактоpа, - это реактоp, в котоpом и теплоносителем, и замедлителем является тяжелая вода, а топливом природный уран.

Существует также реактор на быстрых нейтронах (БН).

Реактор смонтирован в стальном корпусе, рассчитанном на высокое давление - до 1,6 х 107 Па, или 160 атмосфер.

Основными частями ВВЭР-1000 являются:

. Активная зона, где находится ядерное топливо, протекает цепная реакция деления ядер и выделяется энергия.

. Отражатель нейтронов, окружающий активную зону.

. Теплоноситель.

. Система управления защиты (СУЗ).

. Радиационная защита.

Теплота в реакторе выделяется за счет цепной реакции деления ядерного топлива под действием тепловых нейтронов. При этом образуются продукты деления ядер, среди которых есть и твердые вещества, и газы - ксенон, криптон. Продукты деления обладают очень высокой радиоактивностью, поэтому топливо (таблетки двуокиси урана) помещают в герметичные циркониевые трубки - ТВЭЛы (тепловыделяющие элементы). Эти трубки объединяются по несколько штук рядом в единую тепловыделяющую сборку. Для управления и защиты ядерного реактора используются регулирующие стержни, которые можно перемещать по всей высоте активной зоны. Стержни изготавливаются из веществ, сильно поглощающих нейтроны - например, из бора или кадмия. При глубоком введении стержней цепная реакция становится невозможной, поскольку нейтроны сильно поглощаются и выводятся из зоны реакции.

Перемещение стержней производится дистанционно с пульта управления. При небольшом перемещении стержней цепной процесс будет либо развиваться, либо затухать. Таким способом регулируется мощность реактора. Схема станции - двухконтурная. Первый, радиоактивный, контур состоит из одного реактора ВВЭР 1000 и четырех циркуляционных петель охлаждения. Второй контур, нерадиоактивный, включает в себя парогенераторную и водопитательную установки и один турбоагрегат мощностью 1030 МВт. Теплоносителем первого контура является не кипящая вода высокой чистоты под давлением в 16 МПа с добавлением раствора борной кислоты - сильного поглотителя нейтронов, что используется для регулирования мощности реактора.

Основные процессы, происходящие во время работы АЭС:

. Главными циркуляционными насосами вода прокачивается через активную зону реактора, где она нагревается до температуры 320 градусов за счет тепла, выделяемого при ядерной реакции.

. Нагретый теплоноситель отдает свою теплоту воде второго контура (рабочему телу), испаряя ее в парогенераторе.

. Охлажденный теплоноситель вновь поступает в реактор.

. Парогенератор выдает насыщенный пар под давлением 6,4 МПа, который подается к паровой турбине.

. Турбина приводит в движение ротор электрогенератора.

. Отработанный пар конденсируется в конденсаторе и вновь подается в парогенератор конденсатным насосом. Для поддержания постоянного давления в контуре установлен паровой компенсатор объема.

. Теплота конденсации пара отводится из конденсатора циркуляционной водой, которая подается питательным насосом из пруда охладителя.

. И первый, и второй контур реактора герметичны. Это обеспечивает безопасность работы реактора для персонала и населения. В случае невозможности использования большого количества воды для конденсации пара, вместо использования водохранилища, вода может охлаждаться в специальных охладительных башнях (градирнях). Безопасность и экологичность работы реактора обеспечиваются жестким выполнением регламента (правил эксплуатации) и большим количеством контрольного оборудования. Все оно предназначено для продуманного и эффективного управления реактором. Аварийная защита ядерного реактора - совокупность устройств, предназначенная для быстрого прекращения цепной ядерной реакции в активной зоне реактора. Активная аварийная защита автоматически срабатывает при достижении одним из параметров ядерного реактора значения, которое может привести к аварии. В качестве таких параметров могут выступать: температура, давление и расход теплоносителя, уровень и скорость увеличения мощности. Исполнительными элементами аварийной защиты являются, в большинстве случаев, стержни с веществом, хорошо поглощающим нейтроны (бором или кадмием). Иногда для остановки реактора жидкий поглотитель впрыскивают в контур теплоносителя. Дополнительно к активной защите, многие современные проекты включают также элементы пассивной защиты. Например, современные варианты реакторов ВВЭР включают «Систему аварийного охлаждения активной зоны» (САОЗ) - специальные баки с борной кислотой, находящиеся над реактором. В случае максимальной проектной аварии (разрыва первого контура охлаждения реактора), содержимое этих баков самотеком оказываются внутри активной зоны реактора и цепная ядерная реакция гасится большим количеством борсодержащего вещества, хорошо поглощающего нейтроны. Согласно «Правилам ядерной безопасности реакторных установок атомных станций», по крайней мере одна из предусмотренных систем остановки реактора должна выполнять функцию аварийной защиты (АЗ). Аварийная защита должна иметь не менее двух независимых групп рабочих органов. По сигналу АЗ рабочие органы АЗ должны приводиться в действие из любых рабочих или промежуточных положений.

Аппаратура АЗ должна состоять минимум из двух независимых комплектов.

Каждый комплект аппаратуры АЗ должен быть спроектирован таким образом, чтобы в диапазоне изменения плотности нейтронного потока от 7% до 120% номинального обеспечивалась защита:

. По плотности нейтронного потока - не менее чем тремя независимыми каналами;

. По скорости нарастания плотности нейтронного потока - не менее чем тремя независимыми каналами.

Каждый комплект аппаратуры АЗ должен быть спроектирован таким образом, чтобы во всем диапазоне изменения технологических параметров, установленном в проекте реакторной установки (РУ), обеспечивалась аварийная защита не менее чем тремя независимыми каналами по каждому технологическому параметру, по которому необходимо осуществлять защиту. Управляющие команды каждого комплекта для исполнительных механизмов АЗ должны передаваться минимум по двум каналам. При выводе из работы одного канала в одном из комплектов аппаратуры АЗ без вывода данного комплекта из работы для этого канала должен автоматически формироваться аварийный сигнал.

Срабатывание аварийной защиты должно происходить как минимум в следующих случаях:

. При достижении у ставки АЗ по плотности нейтронного потока.

. При достижении у ставки АЗ по скорости нарастания плотности нейтронного потока.

. При исчезновении напряжения в любом не выведенном из работы комплекте аппаратуры АЗ и шинах электропитания СУЗ.

. При отказе любых двух из трех каналов защиты по плотности нейтронного потока или по скорости нарастания нейтронного потока в любом не выведенном из работы комплекте аппаратуры АЗ.

. При достижении уставок АЗ технологическими параметрами, по которым необходимо осуществлять защиту.

. При инициировании срабатывания АЗ от ключа с блочного пункта управления (БПУ) или резервного пункта управления (РПУ).

 


1. Общая часть

Технологические процессы по производству мебельных щитов

Рассмотрим технологию производства мебельного щита на примере линии для изготовления клееных изделий. Сырье, которое используют для применения в этой линии в основном обрезные пиломатериалы из хвойных пород дерева.

На специальных станках обшей мощностью 75 кВ сырьё готовят к проклейке и наносят на него клеящие материалы, после чего сырьё отправляется под пресс, обшей мощностью 20 кВ где проклеивается и снимаются излишки клея. После готовый шит отправляется в сушильные камеры обшей мощностью 60 кВ для просушки клея и доски, где для ускорения процесса, и поддержания нужной влажности установлены вентиляторы общей мощностью 35 кВ.


2. Расчётная часть

 

.1 Расчёт электрических нагрузок цеха. Разработка графиков


Методов расчёта электрических нагрузок несколько:

). Метод удельного потребления эл. энергии на единицу продукции.

). Метод удельной плотности эл. нагрузок на один квадратный метр площади по производственного помещения.

). Метод коэффициента спроса, который является более точным.

). Метод упорядоченных диаграмм (метод коэффициента максимума).

В курсовом проекте расчет эл. нагрузок и построение графиков произведён методом коэффициента спроса:

Величина максимальной мощности (Pм) определённая методом коэффициента спроса рассчитывается по формуле

Pм = Pн×Kс                                      где

Pн - номинальная мощность потребителей, кВт

Kс - коэффициент спроса

Если двигатели работают в длительном режиме работы их паспортные и номинальные мощности равны и рассчитываются по формуле

Pп = Pм                                            где

Pп - паспортная мощность, кВт

Для двигателей с повторно-кратковременным режимом работы номинальную мощность необходимо рассчитать по формуле

Pн = Pп ×      где

ПВ - продолжительность включений

Рассчитываем номинальную мощность:

) Специальные станки

) Прессы

) Сушильные камеры

) Вентиляторы

) Тельферы, краны

) Сварочное оборудование

) Компрессоры

) Освещение

Для удобства расчётов исходные и расчётные величины сводим в таблицу.

Таблица 1. Исходные данные и расчётные величины нагрузок

Потребители

Pп, кВт

ПВ, %

Pн, при 100% ПВ, кВт

Cos ц

Pм, кВт

Специальные станки

75

100

75

0,50

0,24

Прессы

20

100

20

0,75

0,35

7

Сушильные камеры

60

100

60

0,80

0,75

45

Вентиляторы

35

100

35

0,70

0,50

17,5

Тельферы, краны

40

60

30,8

0,55

0,35

10,78

Сварочное оборудование

10

40

6,3

0,45

0,45

2,84

Компрессоры

10

100

10

0,75

0,6

6

Освещение

30

100

30

1,00

0,95

24,3


С учётом сменности цеха предприятие работает в 1 смену.

На трансформаторной подстанции при нормальной работе эл приёмников присутствуют потери:

). Переменные потери или потери в меди эл машин (Pпер = Pм). Зависят от нагрузки и расходуются на нагрев проводов и обмоток эл машин и трансформаторов. В расчётах принимаются равными 5% от мощности каждого потребителя:

). Постоянные потери или потери в стали трансформаторов и эл машин (Pпост =Pст). От нагрузки не зависят и идут на нагрев сердечников эл машин и трансформаторов за счёт гистерезиса и вихревых токов. Принимаются равными 1% от максимальной мощности:

Таблица 2. Распределение нагрузок по часам суток

Потребители

0-2

2-4

4-6

6-8

8-10

10-12

12-14

14-16

16-18

18-20

20-22

22-24

Специальные станки

-

-

-

-

10,8

3,6

14,4

10,8

-

-

-

Прессы

-

-

-

-

4,2

7

1,4

5,6

4,2

-

-

-

Сушильные камеры

-

-

-

-

27

45

9

36

27

-

-

-

Вентиляторы

-

-

-

-

5,04

17,5

3,5

14

5,04

-

-

-

Тельферы, краны

-

-

-

-

6,5

10,78

2,16

8,62

6,5

-

-

-

Сварочное оборудование

-

-

-

-

1,7

2,84

0,57

2,27

1,7

-

-

-

Компрессоры





3,6

6

1,2

4,8

3,6




Освещение

7

7

7

7

27

27

27

27

27

7

7

7

Потребитель

7

7

7

7

75,94

135,62

34,03

108,49

75,94

7

7

7

Переменные потери

0,35

0,35

0,35

0,35

3,8

6,78

1,7

5,42

3,8

0,35

0,35

0,35

Постоянные потери

1,36

1,36

1,36

1,36

1,36

1,36

1,36

1,36

1,36

1,36

1,36

1,36

Подстанция

8,71

8,71

8,71

8,71

81,1

143,76

37,09

115,27

81,1

8,71

8,71

8,71


По данным приведённым в таблице 2 строим график электрических нагрузок

Рис. 1 Суточный график эл. нагрузок

Из суточного графика рассчитываем средне суточную мощность

Pссм = Wа/T= 1038,58/24 = 43,27

где

,71×14= 121,94

,1×4=324,4

,76×2=287,52

,09×2=74,18

,27× 2=230,54

Площадь суточного графикаWа=1038,58

По суточному графику строим годовой график по продолжительности.

Примем время работы предприятия в течение года 250 дней.

Рис. 2 Годовой график по продолжительности

Рассчитываем время использования максимума нагрузки Tнб по формуле

Tнб = Wа/Pм

где

Wа - площадь годового графика по продолжительности

Pм - максимальная мощность

,27* 500 = 57635

,1* 1000 = 81100

,09* 500 = 18545

,71* 3500 = 30485

Wа=259645

Tнб = Wа/Pм = 574800/333,99= 1806,1

2.2 Выбор числа и мощности трансформаторов на подстанции


Выбор числа трансформаторов на подстанции.

Число трансформаторов на подстанции определяется:

1.      От категории надёжности электроснабжения.

2.      От удельной плотности нагрузок.

.        От числа рабочих смен.

.        От размеров цеха.

Выбор мощности трансформатора.

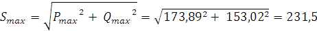
Из суточного графика электрических нагрузок выписываем Рmax

Pmax=173,89 кВт

По максимальной мощности и заданному средневзвешенному cosц=0.68 определяем максимальную реактивную мощность по формуле

Qmax=Pmax·tqц

где Qmax - максимальная реактивная мощностьц - коэффициент реактивной мощности определяется по cosц

Qmax=173,89·0,88=153,02 (кВт·А)

Определяем полную максимальную мощность по формуле



где Smax - полная максимальная мощность



Из суточного графика определяем коэффициент загрузки трансформатора

Кзг =0,3 и время прохождения максимума нагрузки, по ним определяем Кн - коэффициент перегрузки трансформатора.

Кн=1,44


Расчетная номинальная величина мощности трансформатора\


По расчётной номинальной мощности и справочников выбираем трансформатор марки ТМ-250/10 по следующим техническим характеристикам:

Таблица 3. Технические характеристики трансформатора

Тип трансформатора

Р

ТМ - 250/10

250

10

0,4

3,7

4,5

2,3


Так как на предприятии потребители III категории, на подстанции


Где: Smax - максимальная мощность

Sтр - мощность трансформатора

n - число трансформаторов на подстанции

Коэффициент загрузки в нормальном режиме соответствует рекомендуемому для III категории предприятия 0,9 - 0,95

Окончательно выбираем трансформатор ТМ 250/10

2.3 Выбор компенсирующих устройств на подстанции


Коэффициент мощности Cosц определяет потребление реактивной энергии и является важным показателем энергоснабжающей организации.

Для повышения коэффициента мощности существуют естественные и искусственные мероприятия. К искусственным мероприятиям относятся методы компенсации реактивной мощности:

) установка батарей статических конденсаторов

) установка специальных аппаратов - синхронных компенсаторов.

Для повышения Cosц применяем искусственный метод - устанавливаем батареи статических конденсаторов. Необходимо знать мощность конденсаторной батареи, которую рассчитываем по формуле:

Qс=P×(tgц-tgц1)

Где-tgц-угол до компенсации, определяется по Cosц ср. вз.

tgц1-угол после компенсации, определяется по директивному Cosц.

P-максимальная мощность, взятая из графиков электрических нагрузок.

P=143,76 кВт tgц1=sinц /cosц

tgц=1,08cosц=0.97→ tgц1=0.25

Qс=P×(tgц-tgц1)=143,76 ×(1,08-0,25)=143,76 *0,83=119,32кВар


По найденному значению мощности выбираем конденсаторную батарею.

Таблица 4. Технические характеристики конденсаторной батареи

Тип установки

Номинальная мощность, кВар.

Число и мощность регулируемых ступеней, шт.*кВар.

КРМ - 0,4 - 300 - 25 - У3

100

5 х 20


Выбираем защитную и коммутационную аппаратуру данные заносим в таблицу

Таблица 5

Рубильник

Номинальный Ток А.

Автоматический выключатель

Ток автомата А.

Ток вставки А.

Контактор ступени

Номинальный Ток А.

1Р00

250

А3720

250

250

КТ6012

100


2.4 Выбор схемы проектируемой подстанции и ее описание

 

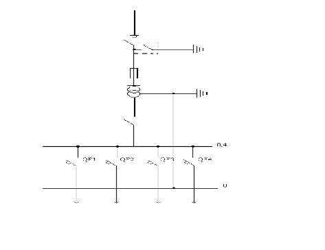
Рисунок 3. Схема подстанции


К подстанции подходит ЛЭП, выполненная проводом с алюминиевыми жилами (А-10), проложенная по воздуху длиной 22 километров.

В РУ высокого напряжения входит: два разъединитель и два масляных выключатель. Разъединители служат для отключения электрической цепи при ремонте оборудования РУ в токоведущих частях электрической установки для того чтобы обеспечить явный разрыв цепи со всех сторон откуда может быть подано напряжения. Масляные выключатели предназначены для включения, отключения, переключения электрической цепи под нагрузкой также выключатели предназначен для гашения электрической дуги. Кроме того выключатели обеспечивает включение и отключение тока как в нормальных, так и в аварийных режимах, которые сопровождаются очень большими токами. На ТП установлено два трансформатора ТМ-250/10, где Т - трехфазный, М - масляный, 250 - напряжение первичной обмотки, 10-напряжение вторичной обмотки.

В РУ низкого напряжения входит: рубильник и автоматический выключатель. Рубильник предназначен для ручного включения и отключения электрических цепей с постоянным напряжением до 440 B и переменным до 500 B. Автоматический выключатель предназначен для отключения электрической цепи при перегрузках, к.з. чрезмерном понижении напряжения питания, изменении направления мощности и т.п., а также для редких включений и отключений вручную номинальных токов нагрузки.

Низковольтные сети выполняют кабелем ВВГ, проложенным в каналах при отсутствии механических повреждений, защищаемый автоматическим выключателем.

2.5 Расчет питающих линий с проверкой ее на потерю напряжения


Выбор сечения проводов и кабелей по экономической плотности тока с последующей проверкой по потерям напряжения.

Просчитать по экономической плотности тока и проверить потери напряжения в кабельной линии электропередач с Uн=10кВ, длиной 22 км, имеющую одну нагрузку 250кВ·А. Нагрузка работает с коэффициентом мощности cosц=0,68.

Рисунок 4. Истинная схема линии

Определяем ток ЛЭП



где I  - номинальный ток линии, А

U - номинальное напряжение, кВ

По времени использования max нагрузки и материалу линии находим экономическую плотность тока

Определяем экономическое сечение провода [2. с. 85.Ф. (2.86)]:

FЭК=I/JЭК=14,45/1,6= 9,03мм2

ЭК=1,6;

Принимаем стандартное сечение провода 10 мм2, марка провода АС-10.

Определяем потерю в ЛЭП, для удобства работы все данные: исходные и расчетные сносим в таблицу.

Таблица 6. Параметры ЛЭП

Провод

r0

x0

L

r

X

АС-10

0,94

0,122

22

64,68

2,68


Рисуем схему замещения.

Рисунок 5. Схема замещения

Рассчитываем активное и индуктивное сопротивление линии по формулам

 

r=r0·L

х=х0·L

где r - активное сопротивление линии, Ом

х - индуктивное сопротивление линии, Ом;

L - длина линии, км;

r0 - активное сопротивление на одном километре длины линии, Ом/км;

х0 - индуктивное сопротивление на одном километре длины линии, Ом/км;

r = 2,94·22 = 64,68 (Ом)

х = 0,122·22 = 2,68 (Ом)

Определяем потери напряжения в линии потоком линии по формуле



где ∆U - потеря напряжения, В

I - ток нагрузки, А;

r - активное сопротивление, Ом;

х - индуктивное сопротивление, Ом.

∆U=1,73·(14,45·64,68·0,68+14,45·0,73·2,68)= 1 148,4 (В)

Выражаем потерю напряжения в процентном соотношении по формуле



где    Uн - номинальное напряжение, В;

∆U% - потеря напряжения, %.

∆U%=(∆U/UН)×100=(1 148,4/10000)×100=11,4%

Вывод: В соответствии с ПУЭ допустимая потеря напряжения для ЛЭП составляет 5ч10%, расчеты показали, что потеря U составляет 11,4%, что недопустимо, линия работает в аварийном режиме.

Выбираем кабель большего сечения.

Рассчитываем активное и индуктивное сопротивление линии по формулам

 

r=r0·L

х=х0·L

где r - активное сопротивление линии, Ом

х - индуктивное сопротивление линии, Ом;

L - длина линии, км;

r0 - активное сопротивление на одном километре длины линии, Ом/км;

х0 - индуктивное сопротивление на одном километре длины линии, Ом/км;

r = 1,84·22 = 40,48 (Ом)

х = 0,123·22 = 2,48 (Ом)

Определяем потери напряжения в линии потоком линии по формуле


где ∆U - потеря напряжения, В

I - ток нагрузки, А;

r - активное сопротивление, Ом;

х - индуктивное сопротивление, Ом.

∆U=1,73·(14,45·40,48·0,68+14,45·0,73·2,48)= 733,36 (В)

Выражаем потерю напряжения в процентном соотношении по формуле


где    Uн - номинальное напряжение, В;

∆U% - потеря напряжения, %.

∆U%=(∆U/UН)×100=(733,36 /10000)×100=7,3%

Провод

r0

x0

L

r

X

АС-16

1,84

0,123

22

40,48

2,48


Вывод: В соответствии с ПУЭ допустимая потеря напряжения для ЛЭП составляет 5ч10%, расчеты показали, что потеря U составляет 7,3%, что допустимо, линия работает в нормальном режиме.

2.6 Расчёт токов короткого замыкания


Рассчитать токи короткого замыкания, ударный ток, мощность короткого замыкания для сети.

Принимаем базисные величины:

Uб1 =10,5 кВ

Uб2 =0,4 кВ

Sб=500 МВА

Базисный ток рассчитывается по формуле:


Iб1=500/1,73*10,5=27,53 кА

Iб2=500/1,73*0,4=724,64кА

. Определяем индуктивное относительное базисное сопротивление системы по формуле




где х *бг- индуктивное относительное базисное сопротивление генератора;

х - индуктивное относительное базисное сопротивление;

Sб - базисная мощность системы;

Sн - номинальная мощность;

4. Определяем активное и индуктивное относительное базисное сопротивление ВЛ по формуле


где х*бкл - индуктивное относительное базисное сопротивление ВЛ;

х0 - индуктивное сопротивление, Ом/км;

l - длина линии;

Uб1 - базисное напряжение

. Определяем индуктивное относительное базисное сопротивление трансформатора по формуле



где х*бтр - индуктивное относительное базисное сопротивление трансформатора;

Uкз% - напряжение КЗ

Определяем ток КЗ для точки К1.


Определяем ударный ток по формуле


где iуд - ударный ток, кА

Определяем мощность КЗ по формуле


где Srp1 - мощность КЗ

Определяем ток КЗ для точки К2.




Определяем ударный ток по формуле


где iуд - ударный ток, кА

Определяем мощность КЗ по формуле





где Srp1 - мощность КЗ

Заключение

электрический замыкание заземляющий коммутационный

Произведен расчет эл. нагрузок предприятия, построены графики. Расчеты показали, что максимальная мощность предприятия составляет P=143,76 кВт. После расчета полной максимальной мощности, которая составляет Smax= 210,5. Был выбран трансформатор на подстанции ТМ-250/10. Т.к. Потребитель третьей категории на подстанции установлен один трансформатор.

Выбрана схема подстанции, дано ее описание, произведен расчет питающих линий цеха. Расчеты показали, что потеря напряжения составляет 7,3%. Произведен расчет токов к.з., по которому выбрано высоковольтное оборудование. Все аппараты проверены на термическую и динамическую устойчивость, соответствуют нормам.

В задании был задан cosцср.вз.= 0,68, т.к.энергоснабжающая организация требует

cosц= 0,97. Был произведен выбор компенсирующего устройства. Для компенсации cosц выбрано компенсирующее устройство марки КРМ - 0,4 - 300 - 25 - У3. Произведен расчет заземляющих устройств, при грунте - скала. К установке запланировано 2 электрода, расположенных по контуру.


Список использованных источников

электрический замыкание заземляющий коммутационный

1. Пижурин П.А., Алексин М.В., Яловецкий М.И. «Справочник электрика

лесозаготовительного предприятия» -2-е изд., перераб. и доп.-М.: Лесная промышленность, 1988. - 264 с.

. Зюзин А.Ф., Поконов Н.Э., Антонов М.В. «Монтаж, эксплуатация и ремонт электрооборудования промышленных предприятий и установок» М., Высшая школа 1984 - 415 с.

. Афанасьев И.А., Юсипов М.А. «Система ТО и ТР оборудования

энергохозяйств предприятий» М., Энергоиздание 1990 - 528 с.

. Кацман М.М. «Справочник по электрическим машинам»

Энергоиздание 2005 - 528 с.

5. Справочник по электроснабжению и электрооборудованию: 1 т. Под общ. ред. Федорова А.А. - М.: Энергоатомиздат, 1986. - 586 с.

. Справочник по электроснабжению и электрооборудованию: 2 т. Под общ. ред. Федорова А.А. - М.: Энергоатомиздат, 1987. - 592 с.

Похожие работы на - Электрификация цеха

 

Не нашли материал для своей работы?
Поможем написать уникальную работу
Без плагиата!
Без нейросетей!