Рентгеновское излучение
ФЕДЕРАЛЬНОЕ АГЕНТСТВО ПО ОБРАЗОВАНИЮ
РФ
ГОСУДАРСТВЕННОЕ ОБРАЗОВАТЕЛЬНОЕ
УЧРЕЖДЕНИЕ
ВЫСШЕГО ПРОФЕССИОНАЛЬНОГО ОБРАЗОВАНИЯ
МОСКОВСКИЙ ГОСУДАРСТВЕННЫЙ ИНСТИТУТ
СТАЛИ И СПЛАВОВ
(ТЕХНОЛОГИЧЕСКИЙ УНИВЕРСИТЕТ)
НОВОТРОИЦКИЙ ФИЛИАЛ
Кафедра ОЕНД
КУРСОВАЯ РАБОТА
Дисциплина: Физика
Тема: РЕНТГЕНОВСКОЕ ИЗЛУЧЕНИЕ
Студент: Недорезова Н.А.
Группа: ЭиУ-2004-25, № З. К.: 04Н036
Проверил: Ожегова С.М.
Содержание
Введение
Глава 1. Открытие рентгеновского излучения
1.1 Биография Рентгена Вильгельма Конрада
1.2 Открытие рентгеновского излучения
Глава 2. Рентгеновское излучение
2.1 Источники рентгеновских лучей
2.2 Свойства рентгеновских лучей
2.3 Регистрация рентгеновских лучей
2.4 Применение рентгеновских лучей
Глава 3. Применение рентгеновского излучения в металлургии
3.1 Анализ несовершенств кристаллической структуры
3.2 Спектральный анализ
Заключение
Список используемых источников
Приложения
Введение
Редкий человек не проходил через рентгеновский кабинет.
Снимки, сделанные в рентгеновских лучах, знакомы каждому. В 1995 году
исполнилось сто лет этому открытию. Трудно представить, какой огромный интерес
вызвало оно век назад. В руках человека оказался аппарат, с помощью которого
удалось увидеть невидимое.
Это невидимое излучение, способное проникать, хотя и в разной
степени, во все вещества, представляющее собой электромагнитное излучение с
длиной волны порядка 10-8 см назвали рентгеновским излучением, в
честь открывшего его Вильгельма Рентгена.
Как и видимый свет, рентгеновское излучение вызывает
почернение фотопленки. Это его свойство имеет важное значение для медицины,
промышленности и научных исследований. Проходя сквозь исследуемый объект и
падая затем на фотопленку, рентгеновское излучение изображает на ней его
внутреннюю структуру. Поскольку проникающая способность рентгеновского
излучения различна для разных материалов, менее прозрачные для него части
объекта дают более светлые участки на фотоснимке, чем те, через которые
излучение проникает хорошо. Так, костные ткани менее прозрачны для
рентгеновского излучения, чем ткани, из которых состоит кожа и внутренние
органы. Поэтому на рентгенограмме кости обозначатся как более светлые участки и
менее прозрачное для излучения место перелома может быть достаточно легко
обнаружено. Рентгеновская съемка используется также в стоматологии для
обнаружения кариеса и абсцессов в корнях зубов, а также в промышленности для
обнаружения трещин в литье, пластмассах и резинах, в химии для анализа
соединений и в физике для исследования структуры кристаллов.
За открытием Рентгена последовали эксперименты других
исследователей, обнаруживших много новых свойств и возможностей применения
этого излучения. Большой вклад внесли М. Лауэ, В. Фридрих и П. Книппинг,
продемонстрировавшие в 1912 дифракцию рентгеновского излучения при прохождении его
через кристалл; У. Кулидж, который в 1913 изобрел высоковакуумную рентгеновскую
трубку с подогретым катодом; Г. Мозли, установивший в 1913 зависимость между
длиной волны излучения и атомным номером элемента; Г. и Л. Брэгги, получившие в
1915 Нобелевскую премию за разработку основ рентгеноструктурного анализа.
Целью данной курсовой работы является изучение явления
рентгеновского излучения, истории открытия, свойств и выявление сферы его
применения.
Глава 1.
Открытие рентгеновского излучения
1.1 Биография
Рентгена Вильгельма Конрада
Вильгельм Конрад Рентген родился 17 марта 1845 г. в
пограничной с Голландией области Германии, в городе Ленепе. Он получил
техническое образование в Цюрихе в той самой Высшей технической школе
(политехникуме), в которой позже учился Эйнштейн. Увлечение физикой заставило
его после окончания школы в 1866 г. продолжить физическое образование.
Защитив в 1868 г. диссертацию на степень доктора философии,
он работал ассистентом на кафедре физики сначала в Цюрихе, потом в Гисене, а затем
в Страсбурге (1874-1879) у Кундта. Здесь Рентген прошел хорошую
экспериментальную школу и стал первоклассным экспериментатором. Часть важных
исследований Рентген выполнил со своим учеником, одним из основателей советской
физики А.Ф. Иоффе.
Научные исследования относятся к электромагнетизму, физике
кристаллов, оптике, молекулярной физике.
В 1895 открыл излучение с длиной волны, более короткой,
нежели длина волны ультрафиолетовых лучей (X-лучи), названное в дальнейшем
рентгеновскими лучами, и исследовал их свойства: способность отражаться,
поглощаться, ионизировать воздух и т.д. Предложил правильную конструкцию трубки
для получения Х-лучей - наклонный платиновый антикатод и вогнутый катод: первый
сделал фотоснимки при помощи рентгеновских лучей. Открыл в 1885 магнитное поле
диэлектрика, движущегося в электрическом поле (так называемый "рентгенов
ток”). Его опыт наглядно показал, что магнитное поле создается подвижными
зарядами, и имел важное значение для создания X. Лоренцем электронной теории.
Значительное число работ Рентгена посвящено исследованию свойств жидкостей,
газов, кристаллов, электромагнитных явлений, открыл взаимосвязь электрических и
оптических явлений в кристаллах. За открытие лучей, носящих его имя, Рентгену в
1901 первому среди физиков была присуждена Нобелевская премия.
С 1900 г. и до последних дней жизни (умер он 10 февраля 1923
г.) он работал в Мюнхенском университете.
1.2 Открытие
рентгеновского излучения
Конец XIX в. ознаменовался повышенным интересом к явлениям
прохождения электричества через газы. Еще Фарадей серьезно занимался этими
явлениями, описал разнообразные формы разряда, открыл темное пространство в
светящемся столбе разреженного газа. Фарадеево темное пространство отделяет
синеватое, катодное свечение от розоватого, анодного.
Дальнейшее увеличение разрежения газа существенно изменяет
характер свечения. Математик Плюкер (1801-1868) обнаружил в 1859г., при
достаточно сильном разрежении слабо голубоватый пучок лучей, исходящий из
катода, доходящий до анода и заставляющий светиться стекло трубки. Ученик
Плюкера Гитторф (1824-1914) в 1869 г. продолжил исследования учителя и показал,
что на флюоресцирующей поверхности трубки появляется отчетливая тень, если
между катодом и этой поверхностью поместить твердое тело.
Гольдштейн (1850-1931), изучая свойства лучей, назвал их
катодными лучами (1876 г.). Через три года Вильям Крукс (1832-1919) доказал
материальную природу катодных лучей и назвал их "лучистой
материей”-веществом, находящимся в особом четвертом состоянии. Его доказательства
были убедительны и наглядны. Опыты с "трубкой Крукса” демонстрировались
позже во всех физических кабинетах. Отклонение катодного пучка магнитным полем
в трубке Крукса стало классической школьной демонстрацией.
Однако опыты по электрическому отклонению катодных лучей не
были столь убедительными. Герц не обнаружил такого отклонения и пришел к
выводу, что катодный луч - это колебательный процесс в эфире. Ученик Герца Ф.
Ленард, экспериментируя с катодными лучами, в 1893 г. показал, что они проходят
через окошечко, закрытое алюминиевой фольгой, и вызывают свечение в
пространстве за окошечком. Явлению прохождения катодных лучей через тонкие
металлические тела Герц посвятил свою последнюю статью, опубликованную в 1892
г. Она начиналась словами:
"Катодные лучи отличаются от света существенным образом
в отношении способности проникать через твердые тела”. Описывая результаты
опытов по прохождению катодных лучей через золотые, серебряные, платиновые,
алюминиевые и т.д. листочки, Герц отмечает, что он не наблюдал особых отличий в
явлениях. Лучи проходят через листочки не прямолинейно, а дифракционно
рассеиваются. Природа катодных лучей все еще оставалась неясной.
Вот с такими трубками Крукса, Ленарда и других и
экспериментировал Вюрцбургский профессор Вильгельм Конрад Рентген в конце 1895
г. Однажды по окончании опыта, закрыв трубку чехлом из черного картона,
выключив свет, но не выключив еще индуктор, питающий трубку, он заметил
свечение экрана из синеродистого бария, находящегося вблизи трубки. Пораженный
этим обстоятельством, Рентген начал экспериментировать с экраном. В своем
первом сообщении "О новом роде лучей”, датированном 28 декабря 1895 г., он
писал об этих первых опытах: "Кусок бумаги, покрытой платиносинеродистым
барием, при приближении к трубке, закрытой достаточно плотно прилегающим к ней
чехлом из тонкого черного картона, при каждом разряде вспыхивает ярким светом:
начинает флюоресцировать. Флюоресценция видна при достаточном затемнении и не
зависит от того, подносим ли бумагу стороной, покрытой синеродистым барием или
не покрытой синеродистым барием. Флюоресценция заметна еще на расстоянии двух
метров от трубки”.
Тщательное исследование показало Рентгену, "что черный
картон, не прозрачный ни для видимых и ультрафиолетовых лучей солнца, ни для
лучей электрической дуги, пронизывается каким-то агентом, вызывающим
флюоресценцию”. Рентген исследовал проникающую способность этого "агента”,
который он для краткости назвал "Х-лучи”, для различных веществ. Он
обнаружил, что лучи свободно проходят через бумагу, дерево, эбонит, тонкие слои
металла, но сильно задерживаются свинцом.
Затем он описывает сенсационный опыт:
"Если держать между разрядной трубкой и экраном руку, то
видны темные тени костей в слабых очертаниях тени самой руки”. Это было первое
рентгеноскопическое исследование человеческого тела. Рентген получил и первые
рентгеновские снимки, приложив их к своей руке.
Эти снимки произвели огромное впечатление; открытие еще не
было завершено, а уже начала свой путь рентгенодиагностика. "Моя
лаборатория была наводнена врачами, приводившими пациентов, подозревавших, что
они имеют иголки в разных частях тела”, - писал английский физик Шустер.
Уже после первых опытов Рентген твердо установил, что Х-лучи
отличаются от катодных, они не несут заряда и не отклоняются магнитным полем,
однако возбуждаются катодными лучами.". Х-лучи не идентичны с катодными
лучами, но возбуждаются ими в стеклянных стенках разрядной трубки”, - писал
Рентген.
Он установил также, что они возбуждаются не только в стекле,
но и в металлах.
Упомянув о гипотезе Герца - Ленарда, что катодные лучи
"есть явление, происходящее в эфире”, Рентген указывает, что "нечто
подобное мы можем сказать и о наших лучах”. Однако ему не удалось обнаружить
волновые свойства лучей, они "ведут себя иначе, чем известные до сих пор
ультрафиолетовые, видимые, инфракрасные лучи”. По своим химическим и
люминесцентным действиям они, по мнению Рентгена, сходны с ультрафиолетовыми
лучами. В первом сообщении он высказал оставленное потом предположение, что они
могут быть продольными волнами в эфире.
Открытие Рентгена вызвало огромный интерес в научном мире.
Его опыты были повторены почти во всех лабораториях мира. В Москве их повторил
П.Н. Лебедев. В Петербурге изобретатель радио А.С. Попов экспериментировал с X-лучами, демонстрировал
их на публичных лекциях, получая различные рентгенограммы. В Кембридже Д.Д.
Томсон немедленно применил ионизирующее действие рентгеновских лучей для
изучения прохождения электричества через газы. Его исследования привели к
открытию электрона.
Глава 2. Рентгеновское
излучение
Рентгеновское излучение - электромагнитное ионизирующее излучение,
занимающее спектральную область между гамма - и ультрафиолетовым излучением в
пределах длин волн от 10-4 до 103
(от 10-12 до 10-5
см).Р. л. с длиной волны λ < 2
условно называются жёсткими, с λ > 2
- мягкими.
2.1 Источники
рентгеновских лучей
Наиболее распространённый источник рентгеновских лучей -
рентгеновская трубка <mmdtp://$104634> - электровакуумный прибор
<mmdtp://$104610>, служащий источником рентгеновского излучения. Такое
излучение возникает при торможении электронов, испускаемых катодом, и их ударе
об анод (антикатод); при этом энергия электронов, ускоренных сильным
электрическим полем в пространстве между анодом и катодом, частично
преобразуется в энергию рентгеновского излучения. Излучение рентгеновской
трубки представляет собой наложение тормозного рентгеновского излучения на
характеристическое излучение вещества анода. Рентгеновские трубки различают: по
способу получения потока электронов - с термоэмиссионным (подогревным) катодом,
автоэмиссионным (острийным) катодом, катодом, подвергаемым бомбардировке
положительными ионами и с радиоактивным (β) источником электронов; по способу
вакуумирования - отпаянные, разборные; по времени излучения - непрерывного
действия, импульсные; по типу охлаждения анода - с водяным, масляным,
воздушным, радиационным охлаждением; по размерам фокуса (области излучения на
аноде) - макрофокусные, острофокусные и микрофокусные; по его форме -
кольцевой, круглой, линейчатой формы; по способу фокусировки электронов на анод
- с электростатической, магнитной, электромагнитной фокусировкой.
Рентгеновские трубки применяют в рентгеновском структурном анализе
<mmdtp://$104606> (Приложение 1), рентгеновском спектральном анализе,
дефектоскопии <mmdtp://$104603> (Приложение 1), рентгенодиагностике
<mmdtp://$104607> (Приложение 1), рентгенотерапии
<mmdtp://$104608>, рентгеновской микроскопии <mmdtp://$104605> и
микрорентгенографии. Наибольшее применение во всех областях находят отпаянные
рентгеновские трубки с термоэмиссионным катодом, водоохлаждаемым анодом,
электростатической системой фокусировки электронов (Приложение 2).
Термоэмиссионный катод рентгеновских трубок обычно представляет собой спираль
или прямую нить из вольфрамовой проволоки, накаливаемую электрическим током.
Рабочий участок анода - металлическая зеркальная поверхность - расположен
перпендикулярно или под некоторым углом к потоку электронов. Для получения
сплошного спектра рентгеновского излучения высоких энергий и интенсивности
используют аноды из Au, W; в структурном анализе пользуются рентгеновские
трубки с анодами из Ti, Cr, Fe, Co, Ni, Cu, Mo, Ag.
Основные характеристики рентгеновских трубок - предельно
допустимое ускоряющее напряжение (1-500 кВ), электронный ток (0,01 мА - 1А),
удельная мощность, рассеиваемая анодом (10-104 вт/мм2),
общая потребляемая мощность (0,002 вт - 60 квт) и размеры фокуса (1 мкм - 10
мм). КПД рентгеновской трубки составляет 0,1-3%.
В качестве источников рентгеновских лучей могут служить также
некоторые радиоактивные изотопы <mmdtp://$104621>: одни из них
непосредственно испускают рентгеновские лучи, ядерные излучения других
(электроны или λ-частицы)
бомбардируют металлическую мишень, которая испускает рентгеновские лучи.
Интенсивность рентгеновского излучения изотопных источников на несколько
порядков меньше интенсивности излучения рентгеновской трубки, но габариты, вес
и стоимость изотопных источников несравненно меньше, чем установки с
рентгеновской трубкой.
Источниками мягких рентгеновских лучей с λ порядка десятков и сотен
могут служить синхротроны и накопители
электронов с энергиями в несколько Гэв. По интенсивности рентгеновское
излучение синхротронов превосходит в указанной области спектра излучение
рентгеновской трубки на 2-3 порядка.
Естественные источники рентгеновских лучей - Солнце и другие
космические объекты.
2.2 Свойства
рентгеновских лучей
В зависимости от механизма возникновения рентгеновских лучей их
спектры могут быть непрерывными (тормозными) или линейчатыми (характеристическими).
Непрерывный рентгеновский спектр испускают быстрые заряженные частицы в
результате их торможения при взаимодействии с атомами мишени; этот спектр
достигает значительной интенсивности лишь при бомбардировке мишени электронами.
Интенсивность тормозных рентгеновских лучей распределена по всем частотам до
высокочастотной границы
0, на которой энергия фотонов h
0 (h -
постоянная Планка <mmdtp://$104627>) равна энергии eV бомбардирующих
электронов (е - заряд электрона, V - разность потенциалов ускоряющего поля,
пройденная ими). Этой частоте соответствует коротковолновая граница спектра
0 = hc/eV (с - скорость света).
Линейчатое излучение возникает после ионизации атома с
выбрасыванием электрона одной из его внутренних оболочек. Такая ионизация может
быть результатом столкновения атома с быстрой частицей, например электроном
(первичные рентгеновские лучи), или поглощения атомом фотона (флуоресцентные рентгеновские
лучи). Ионизованный атом оказывается в начальном квантовом состоянии на одном
из высоких уровней энергии и через 10-16-10-15 сек
переходит в конечное состояние с меньшей энергией. При этом избыток энергии
атом может испустить в виде фотона определённой частоты. Частоты линий спектра
такого излучения характерны для атомов каждого элемента, поэтому линейчатый
рентгеновский спектр называется характеристическим. Зависимость частоты
линий этого спектра от атомного номера Z
определяется законом Мозли.
Закон Мозли,
закон, связывающий частоту спектральных линий характеристического
рентгеновского излучения химического элемента с его порядковым номером.
Экспериментально установлен Г. Мозли <mmdtp://$96422> в 1913. Согласно
закону Мозли, корень квадратный из частоты спектральной линии
характеристического излучения элемента есть линейная функция его порядкового
номера Z:
где R - Ридберга постоянная <mmdtp://$96424>, Sn
- постоянная экранирования, n - главное квантовое число. На диаграмме Мозли
(Приложение 3) зависимость
от Z представляет собой ряд прямых (К-,
L-, М - и т.д. серии, соответствующие значениям n = 1, 2, 3,.).
Закон Мозли явился неопровержимым доказательством правильности
размещения элементов в периодической системе элементов <mmdtp://$96423>
Д.И. Менделеева и содействовал выяснению физического смысла Z.
В соответствии с законом Мозли, рентгеновские характеристические
спектры не обнаруживают периодических закономерностей, присущих оптическим
спектрам. Это указывает на то, что проявляющиеся в характеристических
рентгеновских спектрах внутренние электронные оболочки атомов всех элементов
имеют аналогичное строение.
Более поздние эксперименты выявили некоторые отклонения от
линейной зависимости для переходных групп элементов, связанные с изменением
порядка заполнения внешних электронных оболочек, а также для тяжёлых атомов,
появляющиеся в результате релятивистских эффектов (условно объясняемых тем, что
скорости внутренних сравнимы со скоростью света).
В зависимости от ряда факторов - от числа нуклонов в ядре
(изотонический сдвиг), состояния внешних электронных оболочек (химический
сдвиг) и пр. - положение спектральных линий на диаграмме Мозли может несколько
изменяться. Изучение этих сдвигов позволяет получать детальные сведения об
атоме.
= AZ + В,
Тормозное рентгеновское излучение, испускаемое очень тонкими
мишенями, полностью поляризовано вблизи
0; с
уменьшением
0 степень поляризации падает. Характеристическое излучение, как
правило, не поляризовано.
При взаимодействии рентгеновских лучей с веществом может
происходить фотоэффект <mmdtp://$104651>, сопровождающее его поглощение
рентгеновских лучей и их рассеяние, фотоэффект наблюдается в том случае, когда
атом, поглощая рентгеновский фотон, выбрасывает один из своих внутренних
электронов, после чего может совершить либо излучательный переход, испустив
фотон характеристического излучения, либо выбросить второй электрон при
безызлучательном переходе (оже-электрон). Под действием рентгеновских лучей на
неметаллические кристаллы (например, на каменную соль) в некоторых узлах
атомной решётки появляются ионы с дополнительным положительным зарядом, а
вблизи них оказываются избыточные электроны. Такие нарушения структуры
кристаллов, называемые рентгеновскими экситонами <mmdtp://$104652>,
являются центрами окраски и исчезают лишь при значительном повышении
температуры.
При прохождении рентгеновских лучей через слой вещества толщиной х
их начальная интенсивность I0 уменьшается до величины I = I0e-μx где μ -
коэффициент ослабления. Ослабление I происходит за счёт двух процессов:
поглощения рентгеновских фотонов веществом и изменения их направления при
рассеянии. В длинноволновой области спектра преобладает поглощение
рентгеновских лучей, в коротковолновой - их рассеяние. Степень поглощения
быстро растет с увеличением Z и λ. Например, жёсткие рентгеновские лучи
свободно проникают через слой воздуха ~ 10 см; алюминиевая пластинка в 3 см
толщиной ослабляет рентгеновские лучи с λ = 0,027
вдвое; мягкие рентгеновские лучи значительно поглощаются в
воздухе и их использование и исследование возможно лишь в вакууме или в слабо
поглощающем газе (например, Не). При поглощении рентгеновских лучей атомы
вещества ионизуются.
Влияние рентгеновских лучей на живые организмы может быть полезным
и вредным в зависимости от вызванной ими ионизации в тканях. Поскольку
поглощение рентгеновских лучей зависит от λ, интенсивность их не может служить мерой
биологического действия рентгеновских лучей. Количественным учётом действия
рентгеновских лучей на вещество занимается рентгенометрия
<mmdtp://$104640>, единицей его измерения служит рентген
<mmdtp://$104630>
Рассеяние рентгеновских лучей в области больших Z и λ происходит в основном без изменения λ и носит название когерентного рассеяния,
а в области малых Z и λ, как
правило, возрастает (некогерентное рассеяние). Известно 2 вида некогерентного
рассеяния рентгеновских лучей - комптоновское и комбинационное. При
комптоновском рассеянии, носящем характер неупругого корпускулярного рассеяния,
за счёт частично потерянной рентгеновским фотоном энергии из оболочки атома
вылетает электрон отдачи. При этом уменьшается энергия фотона и изменяется его
направление; изменение λ зависит
от угла рассеяния. При комбинационном рассеянии рентгеновского фотона высокой
энергии на лёгком атоме небольшая часть его энергии тратится на ионизацию атома
и меняется направление движения фотона. Изменение таких фотонов не зависит от
угла рассеяния.
Показатель преломления n для рентгеновских лучей отличается от 1
на очень малую величину δ = 1-n ≈
10-6-10-5. Фазовая скорость рентгеновских лучей в среде
больше скорости света в вакууме. Отклонение рентгеновских лучей при переходе из
одной среды в другую очень мало (несколько угловых минут). При падении
рентгеновских лучей из вакуума на поверхность тела под очень малым углом
происходит их полное внешнее отражение.
2.3 Регистрация
рентгеновских лучей
Глаз человека к рентгеновским лучам не чувствителен.
Рентгеновские
лучи регистрируют с помощью специальной рентгеновской фотоплёнки,
содержащей повышенное количество Ag, Br. В области λ<0,5
чувствительность этих плёнок быстро падает и может быть
искусственно повышена плотно прижатым к плёнке флуоресцирующим экраном. В
области λ> 5
чувствительность обычной позитивной
фотоплёнки достаточно велика, а её зёрна значительно меньше зёрен рентгеновской
плёнки, что повышает разрешение. При λ порядка десятков и сотен
рентгеновские лучи действуют только на
тончайший поверхностный слой фотоэмульсии; для повышения чувствительности плёнки
её сенсибилизируют люминесцирующими маслами. В рентгенодиагностике и
дефектоскопии для регистрации рентгеновских лучей иногда применяют
электрофотографию <mmdtp://$104653> (электрорентгенографию).
Рентгеновские лучи больших интенсивностей можно регистрировать с
помощью ионизационной камеры <mmdtp://$104622> (Приложение 4),
рентгеновские лучи средних и малых интенсивностей при λ < 3
- сцинтилляционным счётчиком <mmdtp://$104648> с кристаллом
NaI (Tl) (Приложение 5), при 0,5 < λ < 5
- счётчиком Гейгера - Мюллера <mmdtp://$104617>
(Приложение 6) и отпаянным пропорциональным счётчиком <mmdtp://$104629>
(Приложение 7), при 1 < λ < 100
- проточным пропорциональным счётчиком, при λ < 120
- полупроводниковым детектором <mmdtp://$104628>
(Приложение 8). В области очень больших λ (от десятков до 1000
) для регистрации рентгеновских лучей могут
быть использованы вторично-электронные умножители открытого типа с различными
фотокатодами на входе.
2.4
Применение рентгеновских лучей
Наиболее широкое применение рентгеновские лучи нашли в медицине
для рентгенодиагностики <mmdtp://$104638> и рентгенотерапии
<mmdtp://$104641>. Важное значение для многих отраслей техники имеет
рентгеновская дефектоскопия <mmdtp://$104619>, например для обнаружения
внутренних пороков отливок (раковин, включений шлака), трещин в рельсах,
дефектов сварных швов.
Рентгеновский структурный анализ <mmdtp://$104635> позволяет
установить пространственное расположение атомов в кристаллической решётке
минералов и соединений, в неорганических и органических молекулах. На основе
многочисленных уже расшифрованных атомных структур может быть решена и обратная
задача: по рентгенограмме <mmdtp://$104636> поликристаллического
вещества, например легированной стали, сплава, руды, лунного грунта, может быть
установлен кристаллический состав этого вещества, т.е. выполнен фазовый анализ.
Многочисленными применениями Р. л. для изучения свойств твёрдых тел занимается
рентгенография материалов <mmdtp://$104637>.
Рентгеновская микроскопия <mmdtp://$104632> позволяет,
например, получить изображение клетки, микроорганизма, увидеть их внутреннее
строение. Рентгеновская спектроскопия <mmdtp://$104633> по рентгеновским
спектрам изучает распределение плотности электронных состояний по энергиям в
различных веществах, исследует природу химической связи, находит эффективный
заряд ионов в твёрдых телах и молекулах. Спектральный анализ рентгеновский
<mmdtp://$104645> по положению и интенсивности линий характеристического
спектра позволяет установить качественный и количественный состав вещества и
служит для экспрессного неразрушающего контроля состава материалов на
металлургических и цементных заводах, обогатительных фабриках. При
автоматизации этих предприятий применяются в качестве датчиков состава вещества
рентгеновские спектрометры и квантометры.
Рентгеновские лучи, приходящие из космоса, несут информацию о химическом
составе космических тел и о физических процессах, происходящих в космосе.
Исследованием космических рентгеновских лучей занимается рентгеновская
астрономия <mmdtp://$104631>. Мощные рентгеновские лучи используют в
радиационной химии для стимулирования некоторых реакций, полимеризации
материалов, крекинга органических веществ. Рентгеновских лучей применяют также
для обнаружения старинной живописи, скрытой под слоем поздней росписи, в
пищевой промышленности для выявления инородных предметов, случайно попавших в
пищевые продукты, в криминалистике, археологии и др.
Глава 3.
Применение рентгеновского излучения в металлургии
Одна из основных задач рентгеноструктурного анализа -
определение вещественного или фазового состава материала. Рентгеноструктурный
метод является прямым и характеризуется высокой достоверностью, экспрессностью
и относительной дешевизной. Метод не требует большого количества вещества,
анализ можно проводить без разрушения детали. Области применения качественного
фазового анализа очень разнообразны и для научно-исследовательских работ, и для
контроля в производстве. Можно проверять состав исходных материалов
металлургического производства, продуктов синтеза, передела, результат фазовых
изменений при термической и химико-термической обработке, вести анализ разных
покрытий, тонких пленок и т.д.
Каждая фаза, обладая своей кристаллической структурой,
характеризуется определенным, присущим только данной фазе набором дискретных
значений межплоскостных расстояний d/n от максимального и ниже. Как следует из
уравнения Вульфа-Брэгга, каждому значению межплоскостного расстояния
соответствует линия на рентгенограмме от поликристаллического образца под
определенным углом θ (при заданном значении
длины волны λ). Таким образом, определенному набору межплоскостных
расстояний для каждой фазы на рентгенограмме будет соответствовать определенная
система линий (дифракционных максимумов). Относительная интенсивность этих
линий на рентгенограмме зависит, прежде всего, от структуры фазы.
Следовательно, определив местоположение линий на рентгенограмме (ее угол θ) и зная длину волны излучения, на котором была снята
рентгенограмма, можно определить значения межплоскостных расстояний d/n по
формуле Вульфа-Брэгга:
/n = λ/ (2sin θ). (1)
Определив набор
d/n для исследуемого материала и сопоставив его с известными заранее данными
d/n для чистых веществ, их различных соединений, можно установить, какую фазу
составляет данный материал. Следует подчеркнуть, что определяются именно фазы,
а не химический состав, но последний иногда можно вывести, если существуют
дополнительные данные об элементном составе той или иной фазы. Задача
качественного фазового анализа значительно облегчается, если известен
химический состав исследуемого материала, потому что тогда можно сделать предварительные
предположения о возможных в данном случае фазах.
Главное для
фазового анализа - точно измерить d/n и интенсивность линии. Хотя этого в
принципе проще добиться с использованием дифрактометра, фотометод для
качественного анализа имеет некоторые преимущества прежде всего в отношении
чувствительности (возможность заметить присутствие в образце малого количества
фазы), а также простоты экспериментальной техники.
Расчет d/n по
рентгенограмме проводится с помощью уравнения Вульфа-Брэгга.
В качестве значения
λ в этом
уравнении обычно используют λαср К-серии:
λαср= (2λα1+ λα2) /3 (2)
Иногда используют
линию Кα1.
Определение углов дифракции θ для всех линий рентгенограмм позволяет рассчитать d/n по
уравнению (1) и отделить β-линии
(если не было фильтра для (β-лучей).
3.1 Анализ
несовершенств кристаллической структуры
Все реальные монокристаллические и тем более
поликристаллические материалы содержат те или иные структурные несовершенства
(точечные дефекты, дислокации, различного типа границы раздела, микро - и
макронапряжения), оказывающие очень сильное влияние на все
структурно-чувствительные свойства и процессы.
Структурные несовершенства вызывают разные по характеру
нарушения кристаллической решетки и, как следствие, разного типа изменения
дифракционной картины: изменение межатомных и межплоскостных расстояний
вызывает смещение дифракционных максимумов, микронапряжения и дисперсность
субструктуры приводят к уширению дифракционных максимумов, микроискажения
решетки - к изменению интенсивности этих максимумов, наличие дислокаций
вызывает аномальные явления при прохождении рентгеновских лучей и,
следовательно, локальные неоднородности контраста на рентгеновских топограммах
и др.
Вследствие этого рентгеноструктурный анализ является одним из
наиболее информативных методов изучения структурных несовершенств, их типа и
концентрации, характера распределения.
Традиционный прямой метод рентгеновской дифракции, который
реализуется на стационарных дифрактометрах, в силу их конструктивных
особенностей позволяет осуществить количественное определение напряжений и
деформаций только на малых образцах, вырезанных из деталей или объектов.
Поэтому в настоящее время происходит переход от стационарных
к портативным малогабаритным рентгеновским дифрактометрам, которые обеспечивают
оценку напряжений в материале деталей или объектов без разрушения на стадиях их
изготовления и эксплуатации.
Портативные рентгеновские дифрактометры серии ДРП *1
позволяют проводить контроль остаточных и действующих напряжений в
крупногабаритных деталях, изделиях и конструкциях без разрушения
Программа в среде Windows позволяет в реальном времени не
только определять напряжения методом "sin2ψ", но и следить за изменением фазового состава и текстуры.
Линейнокоординатный детектор обеспечивает одновременную регистрацию в углах
дифракции 2θ = 43°. малогабаритные рентгеновские
трубки типа "Лиса" с высокой светимостью и малой мощностью (5 Вт)
обеспечивают радиологическую безопасность прибора, при которой на расстоянии 25
см от облучаемого участка уровень радиации равен уровню природного фона.
Приборы серии ДРП находят применение при определении напряжений на различных
стадиях обработки металлов давлением, при резании, шлифовании, термообработке,
сварке, поверхностном упрочении с целью оптимизации этих технологических
операций. Контроль за падением уровня наведенных остаточных напряжений сжатия в
особо ответственных изделиях и конструкциях при их эксплуатации позволяет
вывести изделие из эксплуатации до его разрушения, предотвратив возможные
аварии и катастрофы.
3.2
Спектральный анализ
Наряду с определением атомной кристаллической структуры и
фазового состава материала для его полной характеристики обязательным является
определение его химического состава.
Все чаще для этих целей на практике используют различные, так
называемые инструментальные методы спектрального анализа. Каждый из них имеет
свои преимущества и области применения.
Одним из важных требований во многих случаях является то,
чтобы используемый метод обеспечил сохранность анализируемого объекта; именно
такие методы анализа рассматриваются в данном разделе. Следующим критерием, по
которому были выбраны методы анализа, описанные в настоящем разделе, является
их локальность.
Метод флюоресцентного рентгеноспектрального анализа основан
на проникновении в анализируемый объект довольно жесткого рентгеновского
излучения (от рентгеновской трубки), проникающего в слой толщиной порядка
нескольких микрометров. Возникающее при этом в объекте характеристическое
рентгеновское излучение позволяет получить усредненные данные о его химическом
составе.
Для определения элементного состава вещества можно
использовать анализ спектра характеристического рентгеновского излучения пробы,
помещенной на анод рентгеновской трубки и подвергнутой бомбардировке
электронами - эмиссионный метод, или анализ спектра вторичного
(флюоресцентного) рентгеновского излучения пробы, подвергнутой облучению
жесткими рентгеновскими лучами от рентгеновской трубки или другого источника -
флюоресцентный метод.
Недостатком эмиссионного метода является, во-первых,
необходимость помещения пробы на анод рентгеновской трубки с последующей
откачкой вакуумными насосами; очевидно, этот метод непригоден для легкоплавких
и летучих веществ. Второй недостаток связан с тем, что даже тугоплавкие объекты
под действием бомбардировки электронами повреждаются. Флюоресцентный метод
свободен от этих недостатков и поэтому имеет гораздо более широкое применение.
Преимуществом флюоресцентного метода является также отсутствие тормозного
излучения, это способствует улучшению чувствительности анализа. Сравнение
измеренных длин волн с таблицами спектральных линий химических элементов
составляет основу качественного анализа, а относительные значения интенсивности
спектральных линий разных элементов, образующих вещество пробы, составляет
основу количественного анализа. Из рассмотрения механизма возбуждения
характеристического рентгеновского излучения ясно, что излучения той или иной
серии (К или L, М и т.д.) возникают одновременно, причем соотношения
интенсивностей линий в пределах серии всегда постоянно. Поэтому наличие того
или иного элемента устанавливается не по отдельным линиям, а по серии линий в
целом (кроме самых слабых, с учетом содержания данного элемента). Для
сравнительно легких элементов используют анализ линий K-серии, для тяжелых -
линий L-ceрии; в разных условиях (в зависимости от используемой аппаратуры и от
анализируемых элементов) могут быть наиболее удобными разные области
характеристического спектра.
Главные особенности рентгеноспектрального анализа следующие.
. Простота рентгеновских характеристических спектров даже для
тяжелых элементов (по сравнению с оптическими спектрами), что упрощает
выполнение анализа (малое число линий; подобие в их взаимном расположении; с
увеличением порядкового номера происходит закономерное смещение спектра в
коротковолновую область, сравнительная простота проведения количественного
анализа).
. Независимость длин волн от состояния атомов анализируемого
элемента (свободное или в химическом соединении). Это обусловлено тем, что
возникновение характеристического рентгеновского излучения связано с
возбуждением внутренних электронных уровней, которые в большинстве случаев
практически не изменяются от степени ионизации атомов.
. Возможность разделения в анализе редкоземельных и некоторых
других элементов, которые имеют малые различия спектров в оптическом диапазоне
из-за подобия электронного строения внешних оболочек и очень мало различаются
по своим химическим свойствам.
. Метод рентгеновской флюоресцентной спектроскопии является
"неразрушающим", поэтому он имеет преимущество перед методом обычной
оптической спектроскопии при анализе тонких образцов - тонкий металлический
лист, фольга и т.д.
Особенно широкое применение на металлургических предприятиях
приобрели рентгеновские флюоресцентные спектрометры и среди них многоканальные
спектрометры или квантометры, обеспечивающие экспрессный количественный анализ
элементов (от Na или Mg до U) с ошибкой менее 1 % от определяемой величины,
порог чувствительности 10-3…10-4%.
рентгеновское излучение луч
Способы определения спектрального состава рентгеновского
излучения
Спектрометры разделяются на два типа: кристалл-дифракционные
и бескристальные.
Разложение рентгеновских лучей в спектр с помощью
естественной дифракционной решетки - кристалла - по существу аналогично
получению спектра лучей обычного света с помощью искусственной дифракционной
решетки в виде периодических штрихов на стекле. Условие образования
дифракционного максимума можно записать как условие "отражения" от
системы параллельных атомных плоскостей, разделенных расстоянием dhkl.
При проведении качественного анализа можно судить о
присутствии того или иного элемента в пробе по одной линии - обычно самой
интенсивной линии спектральной серии, подходящей для данного
кристалл-анализатора. Разрешение кристалл-дифракционных спектрометров
достаточно для разделения характеристических линий даже соседних по положению в
периодической таблице элементов. Однако надо учитывать еще наложение разных
линий разных элементов, а также наложение отражений разного порядка. Это
обстоятельство должно учитываться при выборе аналитических линий. Вместе с тем
надо использовать возможности улучшения разрешающей способности прибора.
Заключение
Таким образом, рентгеновские лучи представляют собой
невидимое электромагнитное излучение с длиной волны 105 - 102
нм. Рентгеновские лучи могут проникать через некоторые непрозрачные для
видимого света материалы. Испускаются они при торможении быстрых электронов в
веществе (непрерывный спектр) и при переходах электронов с внешних электронных
оболочек атома на внутренние (линейчастый спектр). Источниками рентгеновского
излучения являются: рентгеновская трубка, некоторые радиоактивные изотопы,
ускорители и накопители электронов (синхротронное излучение). Приемники -
фотопленка, люминисцентные экраны, детекторы ядерных излучений. Рентгеновские
лучи применяют в рентгеноструктурном анализе, медицине, дефектоскопии,
рентгеновском спектральном анализе и т.п.
Рассмотрев положительные стороны открытия В. Рентгена,
необходимо отметить и его вредное биологическое действие. Оказалось, что
рентгеновское излучение может вызвать что-то вроде сильного солнечного ожога
(эритему), сопровождающееся, однако, более глубоким и стойким повреждением
кожи. Появлявшиеся язвы нередко переходят в рак. Во многих случаях приходилось
ампутировать пальцы или руки. Случались и летальные исходы.
Было установлено, что поражения кожи можно избежать, уменьшив
время и дозу облучения, применяя экранировку (например, свинец) и средства
дистанционного управления. Но постепенно выявились и другие, более
долговременные последствия рентгеновского облучения, которые были затем
подтверждены и изучены на подопытных животных. К эффектам, обусловленным
действием рентгеновского излучения, а также других ионизирующих излучений
(таких, как гамма-излучение, испускаемое радиоактивными материалами) относятся:
) временные изменения в составе крови после относительно
небольшого избыточного облучения;
) необратимые изменения в составе крови (гемолитическая
анемия) после длительного избыточного облучения;
) рост заболеваемости раком (включая лейкемию);
) более быстрое старение и ранняя смерть;
) возникновение катаракт.
Биологического воздействия рентгеновского излучения на
человеческий организм определяется уровнем дозы облучения, а также тем, какой
именно орган тела подвергался облучению.
Накопление знаний о воздействии рентгеновского излучения на
организм человека привело к разработке национальных и международных стандартов
на допустимые дозы облучения, опубликованных в различных справочных изданиях.
Чтобы избежать вредного воздействия рентгеновского излучения
применяют методы контроля:
) наличие адекватного оборудования,
) контроль за соблюдением правил техники безопасности,
) правильное использование оборудования.
Список
используемых источников
1)
Блохин М.А., Физика рентгеновских лучей, 2 изд., М., 1957;
)
Блохин М.А., Методы рентгено-спектральных исследований, М., 1959;
)
Рентгеновские лучи. Сб. под ред. М.А. Блохина, пер. с нем. и англ., М., 1960;
)
Хараджа Ф., Общий курс рентгенотехники, 3 изд., М. - Л., 1966;
)
Миркин Л.И., Справочник по рентгено-структурному анализу поликристаллов, М.,
1961;
)
Вайнштейн Э.Е., Кахана М.М., Справочные таблицы по рентгеновской спектроскопии,
М., 1953.
)
Рентгенографический и элктронно-оптический анализ. Горелик С.С., Скаков Ю.А.,
Расторгуев Л. Н.: Учеб. Пособие для вузов. - 4-е изд. Доп. И перераб. - М.:
"МИСиС", 2002. - 360 с.
Приложения
Приложение 1
Общий вид рентгеновских трубок

Приложение 2
Схема рентгеновской трубки для структурного анализа
Схема рентгеновской трубки для структурного анализа: 1 -
металлический анодный стакан (обычно заземляется); 2 - окна из бериллия для
выхода рентгеновского излучения; 3 - термоэмиссионный катод; 4 - стеклянная
колба, изолирующая анодную часть трубки от катодной; 5 - выводы катода, к
которым подводится напряжение накала, а также высокое (относительно анода)
напряжение; 6 - электростатическая система фокусировки электронов; 7 - анод
(антикатод); 8 - патрубки для ввода и вывода проточной воды, охлаждающей анодный
стакан.
Приложение 3
Диаграмма Мозли
Диаграмма Мозли для К-, L - и М-серий характеристического
рентгеновского излучения. По оси абсцисс отложен порядковый номер элемента Z,
по оси ординат -
(с - скорость света).
Приложение 4
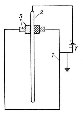
Ионизационная камера.
Рис.1. Сечение цилиндрической ионизационной камеры: 1 -
цилиндрический корпус камеры, служащий отрицательным электродом; 2 -
цилиндрический стержень, служащий положительным электродом; 3 - изоляторы.
Рис. 2. Схема включения токовой ионизационной камеры: V -
напряжение на электродах камеры; G - гальванометр, измеряющий ионизационный
ток.
Рис. 3. Вольтамперная характеристика ионизационной камеры.
Рис. 4. Схема включения импульсной ионизационной камеры: С -
ёмкость собирающего электрода; R - сопротивление.
Приложение 5
Сцинтилляционный счётчик.
Схема сцинтилляционного счётчика: кванты света
(фотоны)"выбивают" электроны с фотокатода; двигаясь от динода к
диноду, электронная лавина размножается.
Приложение 6
Счётчик Гейгера - Мюллера.
Рис. 1. Схема стеклянного счётчика Гейгера - Мюллера: 1 -
герметически запаянная стеклянная трубка; 2 - катод (тонкий слой меди на трубке
из нержавеющей стали); 3 - вывод катода; 4 - анод (тонкая натянутая нить).
Рис. 2. Схема включения счётчика Гейгера - Мюллера.
Рис. 3. Счётная характеристика счётчика Гейгера - Мюллера.
Приложение 7
Пропорциональный счетчик.
Схема пропорционального счетчика: а - область дрейфа
электронов; б - область газового усиления.
Приложение 8
Полупроводниковые детекторы
Полупроводниковые детекторы; штриховкой выделена
чувствительная область; n - область полупроводника с электронной проводимостью,
р - с дырочной, i - с собственной проводимостями; а - кремниевый
поверхностно-барьерный детектор; б - дрейфовый германий-литиевый планарный
детектор; в - германий-литиевый коаксиальный детектор.