Проектирование электрической части конденсационной электрической станции

  • Вид работы:
    Курсовая работа (т)
  • Предмет:
    Физика
  • Язык:
    Русский
    ,
    Формат файла:
    MS Word
    394,58 Кб
  • Опубликовано:
    2013-02-12
Вы можете узнать стоимость помощи в написании студенческой работы.
Помощь в написании работы, которую точно примут!

Проектирование электрической части конденсационной электрической станции

Оглавление

Введение

. Задание на проектирование электрической части КЭС

. Выбор генераторов, блочных трансформаторов и автотрансформаторов связи

.1 Выбор турбогенераторов

.2 Разработка вариантов структурной схемы станции

.3 Выбор мощности блочных трансформаторов

.4 Выбор мощности автотрансформаторов связи

.5 Выбор количества линий связи и определение их сечения

. Расчет токов короткого замыкания для выбора аппаратов

. Выбор коммутационных аппаратов

.1 Выбор выключателей

.2 Выбор разъединителей

.3 Выбор трансформаторов тока

.4 Выбор трансформаторов напряжения

.5 Выбор сечения отходящих линий

.6 Выбор токопроводов

Заключение

Список используемой литературы

Введение


В курсовой работе предстоит спроектировать конденсационную электрическую станцию (КЭС) с одним высшим напряжением, на котором станция связана с системой, и потребительским напряжением, к шинам которого подключены потребители. В процессе проектирования предстоит решить следующие задачи:

·        разработать структурную схему проектируемой станции;

·        выбрать основное оборудование: генераторы, блочные трансформаторы, автотрансформаторы связи;

·        рассчитать токи трехфазного и однофазного коротких замыканий (КЗ);

·        выбрать выключатели и разъединители для всех распределительных устройств (РУ);

·        выбрать измерительные трансформаторы тока и напряжения;

·        выбрать сечение проводов потребительских линий электропередачи.

1. Задание на проектирование электрической части КЭС


Исходные данные:

.        Генераторы: ; .

.        Система:

· напряжение

· число ЛЭП связи

определяется самостоятельно

· длина ЛЭП связи

· аварийный резерв мощности

· мощность КЗ на шинах системы


3.      Потребители:

· напряжение


· число потребителей

· мощность потребителей

· коэффициент мощности

· коэффициент одновременности

· летний минимум



2. Выбор генераторов, блочных трансформаторов и автотрансформаторов связи

 

.1 Выбортурбогенераторов


Выбираем турбогенератор ТВВ-320-2 с водо-водяным охлаждением[3].

Параметры необходимые для расчетов сведены в таблицу 2.1.

Таблица 2.1

Параметры турбогенератора ТВВ-320-2

, кВ

, о.е.

, о.е.

Количество обмоток, шт

20

0.85

0.17

6

 

.2 Разработкавариантовструктурной схемы станции


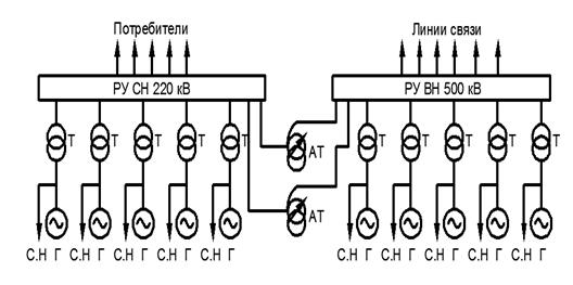
На рисунке 2.1 показана структурная схема КЭС. Число блоков, присоединенных к шинам РУ СН и к шинам РУ ВН, может быть различной в зависимости от мощности потребителей.

Рисунок 2.1 - Структурная схема КЭС

 

 

.3 Выбормощности блочных трансформаторов


Выбираем блочный двухобмоточный трансформатор из условия:

 

                                                   (2.1)

где:

 - полная мощность блочного трансформатора,

 - полная номинальная мощность генератора,

 - полная мощность собственных нужд блока.

,                                                                              (2.2)

                                                           

                                                                            (2.3)

                                                       

                                                                                 (2.4)

                                                 

По формуле (2.1) получаем:

   



Данные выбранных трансформаторов приведены в таблице 2.2 [2].

Таблица 2.2

Данные трансформаторов, необходимые для расчетов

Тип

ТДЦ(Ц)-400000/220

242

20

11

880

ТД-400000/500

525

20

13

800

 

.4 Выбор мощности автотрансформаторов связи


Суммарная активная мощность потребителей в зимний период:

                                                                                  (2.5)

                                                   

Суммарная активная мощность потребителей в летний период:

                                                                                 (2.6)

                                                       

Суммарная реактивная мощность потребителей в зимний период:

                                                                               (2.7)

                                               

Суммарная реактивная мощность потребителей в летний период:

                                                                                (2.8)

                                                 

Суммарная полная мощность потребителей в зимний период:

                                                                                       (2.9)

                                                               

Суммарная полная мощность потребителей в летний период:

                                                                                       (2.10)

                                                                 

Рассмотрим случай, когда на РУ СН выдают мощность 5 блоков (смотреть рисунок 2.1).

Работа станции с установленной мощностью в режиме летних минимальных нагрузок.

Расчетная мощность в этом режиме определяется по выражению:

                                                                               (2.11)

        (2.12)

где:

 - максимальная мощность, отдаваемая в систему с шин РУ СН,

 - коэффициент систематических перегрузок (ориентировочно можно принять равным ).

 

Аварийное отключение одного из автотрансформаторов связи в режиме летних минимальных нагрузок. Этот режим не следует рассматривать, если ,  - коэффициент аварийных перегрузок. В нашем случае это условие не выполняется:  МВт.

(2.13)

 

Работа станции с установленной мощностью в режиме максимальных зимних нагрузок и аварийное отключение одного блока, работающего на шины РУ СН.

(2.14)

 

По наибольшему расчетному условию () подходит автотрансформатор АТДЦН-500000/500/220[3].

Рассмотрим случай, когда на шины РУ СН выдают мощность 4 блока:   (смотреть рисунок 2.2).

Рисунок 2.2 - Структурная схема КЭС

Расчет проводится по формулам (2.11 - 2.14).

Работа станции с установленной мощностью в режиме летних минимальных нагрузок.

 

Аварийное отключение одного из автотрансформаторов связи в режиме летних минимальных нагрузок. Условие  выполняется (640>558,7). Рассчитывать данное условие нет необходимости.

Работа станции с установленной мощностью в режиме максимальных зимних нагрузок и аварийное отключение одного блока, работающего на шины РУ СН.

 

По расчетной мощности выбираем автотрансформатор АТДЦН-500000/500/220[3].

Окончательно выбираем вариант с пятью блоками, выдающими мощность на шины РУ СН.

Таблица 2.3

Данные автотрансформатора, необходимые для расчетов

Тип

АТДЦН-500000/500/220

500

230

12

950

 

.5 Выбор количества линий связи и определение их сечения


Для определения количества и сечения линий связи необходимо определить активную мощность , передаваемую по ним в систему:

                                                         (2.15)

                             

 

Воспользуемся эмпирической формулой Илларионова для определения напряжения проектируемых линий [2]:

                                                                             (2.16)

где:

 - длина линии электропередачи, в км,

n - числоцепей,

 -  в МВт,

 - в км.

Из формулы 2.16 найдем n:

                                                                 (2.17)

                                      

Число линий связи принимаем равным3.

Определим сечение проводов:

(2.18)

где:

 - экономическая плотность тока, ,

U - напряжение линии,

k - число составляющих в расщепленной фазе[2].

 

Выбираем ближайший стандартный провод АС-400/51 [2]. Параметры провода приведены в таблице 2.4.

Таблица 2.4

Параметры провода, необходимые для расчетов

Тип

АС-400/51

0.323

0.075

830


Проверим выбранный провод на длительно допустимый ток при отключении одной из линий.

                                                                               (2.17)

 

Условие  выполняется:

Для сооружения линий выбираемдвухцепные опоры ПБ-1[5].

3. Расчет токов короткого замыкания для выбора аппаратов


Для выбора аппаратов необходимо рассчитать токи короткого замыкания на шинах РУ СН  и РУ ВН (однофазное и трехфазное) и в генераторных цепях (только трехфазное), смотреть рисунок 3.1. Для определения токов короткого замыкания необходимо рассчитать сопротивления элементов схемы[1].

Сопротивление системы:

                                                                                           (3.1)

Сопротивление двухобмоточных трансформаторов и автотрансформаторов:

генератор трансформатор токопровод замыкание

                                                                                      (3.2)

Сопротивление линий:

                                                                                 (3.3)

Сопротивление генераторов:

                                                                                     (3.4)

Определим параметры схемы замещения смотреть рисунок 3.1.Для расчетов примем средненоминальные напряжения:

 

 

 

 

 

 

 

Рисунок 3.1 - Схема замещения станции.

Электродвижущая сила системы и генераторов равна [1]:

 

 

Рассчитаем ток трехфазного короткого замыкания в точке К1. Преобразуем схему замещения рисунок 3.1.

 

 

 

 

 

В результате этих преобразований получаем схему, приведенную на рисунке 3.2.

Рисунок 3.2 - Схема замещения станции для расчета тока  КЗ в точке

Преобразуем параллельные ветви с источниками ЭДС в эквивалентную.

Эквивалентная ЭДС находится следующим образом :

 

Получаем двухлучевую схему замещения, приведенную на рисунке 3.3.

Рисунок 3.3 - Схема замещения станции для расчета тока  КЗ в точке

Сопротивления  и 31 соединены параллельно:

 

 

 

 

 

Рассчитаем ток однофазного короткого замыкания в точке К1.

Определим сопротивление нулевой последовательности для точки :

Рисунок 3.4 - Схема замещения нулевой последовательности станции для расчета тока КЗ в точке .

 

К-отношение  [4]

 

 

 

 

 

 

 

 

Рассчитаем ток трехфазного короткого замыкания в точке . Приведем схему к виду, представленному на рисунке 3.5.

Рисунок 3.5 - Схема замещения станции для расчета тока  КЗ в точке

Рисунок 3.6 - Схема замещения станции для расчета тока  КЗ в точке

 

 

 

 

 

 

 

Рассчитаем ток однофазного короткого замыкания в точке К2.

Определим сопротивление нулевой последовательности для точки :

Рисунок 3.7. - Схема замещения нулевой последовательности станции для расчета тока КЗ в точке .

 

 

 

 

 

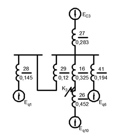
Рассчитаем ток трехфазного короткого замыкания в точке К3.  Преобразуем схему (рисунок 3.1) к виду, представленному на рисунке 3.8.

Рисунок 3.8 - Схема замещения станции для расчета тока  КЗ в точке

 

Рисунок 3.9 - Схема замещения станции для расчета тока  КЗ в точке

 

 

Рисунок 3.10 - Схема замещения станции для расчета тока  КЗ в точке

 

 

 

 

 

 

 

 

Результаты расчетов токов коротких замыканий приведены в таблице 3.1.

Таблица 3.1

Сводная таблица результатов


33,5

17,4

149

40,5

20,1




4. Выбор коммутационных аппаратов

 

.1 Выбор выключателей


Выбор выключателей генераторного напряжения.

Условие выбора по напряжению:

                                                                    (4.1)

                                                                          

Условие выбора по току форсированного режима:

                                                                            (4.2)

 

По условиям (4.1) и (4.2) подходит воздушныйвыключатель ВВГ-20-160(смотреть таблицу 4.1) [5].

Таблица 4.1

Параметры воздушного выключателя ВВГ-20-160:

20

160

0,1

0,12

дин= 410

Выключатель проверяем по наибольшему току короткого замыкания. В нашем случае это ток короткого замыкания от системы , смотреть рисунок 4.1.

Рисунок 4.1

Проверка по отключающей способности.

А)Отключение периодической составляющей:

                                                                                 (4.3)

где:

 - расчетное значение периодической  составляющей тока КЗ на момент начала расхождения контактов выключателя,

.

 

Можно считать  если выполняется условие:

                                                                                           (4.4)

где:

 - периодическая составляющая тока эквивалентного генератора в начальный момент времени,

 - номинальный суммарный ток генераторов, входящих в эквивалентный.

Преобразуем схему (рисунок 3.8) в звезду (рисунок 4.2).

Рисунок 4.2

 

 

 

Получаем схему, представленную на рисунке 4.3.

Рисунок 4.3


 

 

Рисунок 4.4

 

 

 

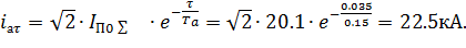
следовательно считать  .

Проверяем условие (4.3):

- условие выполняется.

Б)Отключение апериодической составляющей тока КЗ.

                                                                                       (4.5)

где:

 - номинальное значение апериодической составляющей тока отключения,

 - расчетное значение апериодической составляющей тока КЗ.

 

если , то

 

где:

 - постоянная времени контура.

[7].

 

 - условие не проходит.

В)Отключение ассиметричного (полного) тока КЗ:

                                   (4.6)

 

условие выполняется.

Динамическая стойкость выключателя:

                                                                                        (4.7)

 

 

условие выполняется.

                                                                                       (4.8)

 

 условие выполняется.

Проверка по термической стойкости:

                                                                                (4.9)

 

 

 

 условие выполняется.

Окончательно выбираем воздушного выключателя ВВГ-20-160.

Выбор выключателей РУ СН.

Условие выбора по напряжению:

 

Условие выбора по току утяжеленного режима:

 

По условиям (4.1) и (4.2) подходит элегазовыйбаковый выключатель 242PMG (производства «АВВ»)  (смотреть таблицу 4.3) [4].

Таблица 4.3

Параметры элегазового выключателя 242PMG

242

63

0.055

0.12

3


Б)Отключение апериодической составляющей тока КЗ, условие (4.5):

 

 

[7].

 

 - условие не выполняется.

В)Отключение ассиметричного (полного) тока КЗ В, согласно условию (4.6):

 

условие выполняется.

Динамическая стойкость выключателя, условия (4.7) и (4.8):

 

 

условие выполняется.

 

 условие выполняется.

Проверка по термической стойкости, по условию (4.9):

 

 

 

 условие выполняется.

Окончательно выбираем элегазовыйвыключатель242PMG

Выбор выключателей РУ ВН.

Условие выбора по напряжению:

 

Условие выбора по току утяжеленного режима:

 

По условиям (4.1) и  (4.2) подходит элегазовый выключатель ВГК-500-40/3150 (смотреть таблицу 4.4) [6].

Таблица 4.4

Параметры элегазового выключателя ВГУ-330






500

40

0.025

0.05

3


Проверка по отключающей способности.

А)Отключение периодической составляющей, условие (4.3):

 

 

 - условие выполняется.

Б)Отключение апериодической составляющей тока КЗ, условие (4.5):

 

 

[7].

 

 - условие не выполняется.

В)Отключение ассиметричного (полного) тока КЗ, согласно условию (4.6):

 

условие выполняется.

Динамическая стойкость выключателя, условия (4.7) и (4.8):

 

 

 условие выполняется.

 

условие выполняется.

Проверка по термической стойкости, по условию (4.9):

 

 

 

 условие выполняется.

Окончательно выбираем элегазовый выключатель ВГУ-330

 

 

.2 Выбор разъединителей


Выбор разъединителей для установки на РУ СН.

Выбор осуществляется по критериям (4.1), (4.2), (4.7), (4.8), (4.9).

Условие выбора по напряжению:

 

Условие выбора по току утяжеленного режима:

 

По условиям (4.1) и  (4.2) подходит разъединитель РДЗ-220/2000 (смотреть таблицу 4.5) [5].

Таблица 4.5

РазъединительРДЗ-220/2000

220

100

40


Динамическая стойкость выключателя, условия (4.7) и (4.8):

- условие не выполняется.

По условиям (4.1) и  (4.2) подходит разъединитель РДЗ-220/3200 (смотреть таблицу 4.6) [5].

Таблица 4.6

Разъединитель РДЗ-220/3200




220

125

50


 

 - условие выполняется.

Проверка по термической стойкости, по условию (4.9):

 

 условие выполняется.

Окончательно выбираем разъединитель РДЗ-220/3200.

Выбор разъединителей для установки на РУ ВН.

Условие выбора по напряжению:

 

Условие выбора по току утяжеленного режима:

 

По условиям (4.1) и  (4.2) подходит разъединитель РПД-500-2/3200 (смотреть таблицу 4.7) [5].

Таблица 4.7

Разъединитель РПД-500-2/3200




500

160

63


Динамическая стойкость выключателя, условия (4.7) и (4.8):

 - условие выполняется.

 

 - условие выполняется.

Проверка по термической стойкости, по условию (4.9):

 

 условие выполняется.

Окончательно выбираем разъединитель РПД-500-2/3200.

Выбор разъединителей для установки на генераторное напряжение.

Условие выбора по напряжению:

 

Условие выбора по току форсированного режима:

 

По условиям (4.1) и  (4.2) подходит разъединитель РРЧЗ-20-12500 (смотреть таблицу 4.8) [6].

Таблица 4.8

Разъединитель РРЧЗ-20-12500




20

410

160


Динамическая стойкость выключателя, условия (4.7) и (4.8):

 - условие выполняется.

 

 - условие выполняется.

Проверка по термической стойкости, по условию (4.9):

 

 условие выполняется.

Окончательно выбираем разъединитель РРЧЗ-20-12500.

4.3 Выбор трансформаторов тока


На РУ СН установлены баковые выключатели, следовательно, в них установлены встроенные трансформаторы тока.

Выбор трансформаторов тока на РУ ВН.

Выбор осуществляется по критериям (4.1), (4.2), (4.7), (4.8), (4.9).

Условие выбора по напряжению:

 

Условие выбора по току утяжеленного режима:

 

По условиям (4.1) и  (4.2) подходит трансформатор токаТФЗМ -500Б - У1 (смотреть таблицу 4.9) [5].

Таблица 4.9

Трансформатор токаТФЗМ -500Б - У1

500

90

39

3


Динамическая стойкость выключателя, условия (4.7) и (4.8):

 

 - условие выполняется.

 - условие выполняется.

Проверка по термической стойкости, по условию (4.9):

 

 условие выполняется.

Окончательно выбираемтрансформатор токаТФЗМ -500Б - У1

Выбор трансформаторов тока на генераторное напряжение:

Выбор осуществляется по критериям (4.1), (4.2), (4.7), (4.8), (4.9).

Условие выбора по напряжению:

 

Условие выбора по току утяжеленного режима:

 

По условиям (4.1) и  (4.2) подходит трансформатор токаТШЛ -20 - II

(смотреть таблицу 4.10) [5].

Таблица 4.10

Трансформатор токаТШЛ -20 - II






20

160

20

4


Динамическая стойкость выключателя, условия (4.7) и (4.8):

 кА

 - условие выполняется.

 - условие выполняется.

Проверка по термической стойкости, по условию (4.9):

 

 условие выполняется.

Окончательно выбираемтрансформатор токаТШЛ -20 - II

.

.4 Выбор трансформаторов напряжения

На РУ СН устанавливаем трансформаторы напряжения НКФ-220-58 (смотреть таблицу 4.11) [8].

Таблица 4.11

Трансформатор напряжения НКФ-220-58

220


На РУ ВН устанавливаем трансформаторы напряжения НКФ-500-7871 (смотреть таблицу 4.12) [5].

Таблица 4.12

Трансформатор напряжения НКФ-500-7871

500

 

На генераторном напряжении  устанавливаем трансформаторы напряжения 30М1/20-63 У2 (смотреть таблицу 4.13) [5].

Таблица 4.13

Трансформатор напряжения НКФ-500-7871




20

-127

 

.5 Выбор сечения отходящих линий


Выбор сечения проводим по следующему выражению:

                                                                                           (4.11)

где:

 - расчетный ток, передаваемый по проектируемой линии, увеличенный на коэффициент , который учитывает изменение нагрузки по годам эксплуатации линии;

 - экономическая плотность тока для

 

 

Выбираем провод АС-300/39.

Проверяем выбранную марку провода.

Отключение одной цепи:

 

[2, с. 236, таблица П.13],

 - условие выполняется.

По механической прочности для двухцепных линий минимальное сечение по алюминию , [2, с. 209].

 - условие выполняется.

Минимальное сечение по условию короны для напряжения 220 кВ АС-300/39.

Выбранный провод проходит по всем критериям проверки.

 

.6 Выбор токопроводов


Выбираем закрытый пофазноэкранированный токопровод по условиям (4.1), (4.2) ТЭНЕ-20/12500-400У1 (смотреть таблицу 4.14) [5].

Таблица 4.14

Закрытый пофазноэкранированный токопровод ТЭНЕ-20/12500-400У1

20

150

160


Динамическая стойкость выключателя, условия (4.7) и (4.8):

 - условие выполняется.

 

 - условие выполняется.

Проверка по термической стойкости, по условию (4.9):

 

 условие выполняется.

Окончательно выбираемтокопровод ТЭНЕ-20/12500-400У1

 


Заключение


В ходе выполнения курсовой работы были решены задачи с учетом требований правил устройства электроустановок, поставленные во введении. Установка более современного оборудования повышает надежность электрической части станции.

Токи короткого замыкания находятся на приемлемом уровне, это выражается тем, что выбор аппаратов не был затруднен проверками на действие токов короткого замыкания. Следовательно, нет необходимости применять меры по их ограничению.

Список используемой литературы


1.      Электрическая часть электростанций: метод.пособие / сост. Г. А. Сарапулов; НГТУ - Новосибирск, 2008. - 32 с.

.        Лыкин А. В. Электрические системы и сети: Учеб.пособие. - М.: Университетская книга; Логос, 2006. - 254 с.

.        Справочник по проектированию электрических сетей / под ред. Д. Л. Файбисовича. - 2-е изд., перераб. И доп. - М.: ЭНАС, 2007. -352 с.: ил.

.        Сайт: WWW.Forca.ru

.        Справочник по электрическим установкам высокого напряжения / Под.ред. И. А. Баумштейна, С. А. Бажанова. - 3-е изд., перераб. И доп. - М.: Энергоатомиздат, 1989. - 768 с.: ил.

.        Сайт: WWW.UCZC.ru

.        Л.Д. Рожкова, Л.К. Корнеева, Т.В. Чиркова. Электрооборудование электрических станций и подстанций, 7-е изд.-М.: Издат. Центр «Академия», 2010.-446 с.: ил.

.        Электрооборудование станций и подстанций: Учебник для сред. Проф. Образования /Рожкова Л.Д., Козулин В.С. - М.: Энергоатомиздат,1987.

Похожие работы на - Проектирование электрической части конденсационной электрической станции

 

Не нашли материал для своей работы?
Поможем написать уникальную работу
Без плагиата!
Без нейросетей!