Планирование эксплуатации промышленного энергохозяйства
Введение
Энергетическая служба призвана обеспечивать не только надёжное и
качественное снабжения предприятия всеми необходимыми видами энергии и
энергопотребителей, но и осуществлять организованно-технические мероприятия по
экономии энергоресурсов, способствовать внедрению достижений
научно-технического прогресса в области промышленной энергетики и т.д. Успешное
решение этих задач во многом зависит от рациональной организации, планирования,
эксплуатации энергохозяйства предприятия энергосистемы.
Сегодня нельзя отбросить все то положительное, что было достигнуто в
экономической деятельности, и его целесообразно разумно использовать в
современных условиях.
Прежде всего имеется в виду степень организованности в системе
управления, без чего современная энергетика вообще существовать не может.
Технологические особенности отрасли, безусловно, налагают свой отпечаток
и на экономику. Неразрывность и единовременность процесса производства,
транспортирования и потребления энергии, его динамичность, единые электрические
коммуникации, большая зависимость объемов производства от гидро- и метеоусловий
и потребителя и т.д. не имеют аналогов среди всех других отраслей народного
хозяйства. С учетом этого фактора методологическая основа экономических
принципов управления в энергосистеме должна быть единой, однако энергетикам
неоднократно приходилось защищать свое право на специфику в очень не легкой
борьбе.
Основными вопросами организации и эксплуатации энергохозяйства
промышленных предприятий: организация эксплуатационного обслуживания
энергетического оборудования предприятия, организация планово-предупредительных
ремонтов всего обслуживания энергетического оборудования, организация труда и
заработной платы персонала энергетическая службы, организация энергетического
учёта всех видов потребления энергии.
Планирование эксплуатации промышленного энергохозяйства включает
следующие вопросы: разработку топливно-энергетического баланса и плана
энергоснабжения предприятия, планирование капитальных и текущих ремонтов всего
энергетического оборудования предприятия , планирование труда и зарплаты
производственного персонала, планирование организованно-технические мероприятия
по рационализации и реконструкции энергохозяйства завода , планирование
себестоимости продукции и услуг энергетических цехов .
В задании на курсовую работу предлагается решить ряд задач такого типа по
упрощённым расчётным моделям, способствующим закреплению пройденного курca
,,Организация и планирование энергетического производства”.
1. Краткая характеристика энергохозяйства
Энергетическое хозяйство предприятия включает в себя
главную понизительную подстанцию (ГПП), центральный распределительный пункт
(ЦРП), распределительную кабельную сеть 10 кВ и цеховые трансформаторные
подстанции (ТП). ГПП получает питание от энергосистемы района, на территории
которого размещено предприятие, и имеет две секции шин. От главной
понизительной подстанции по двум кабельным линиям питается центральный
распределительный пункт, имеющий две секции шин, которые могут соединяться при
помощи секционного выключателя. Питание цеховых ТП осуществляется кабельными
линиями 10 кВ от ЦРП через комплектные ячейки КРУ с выключателями и от соседних
ТП. Применены кабели с бумажной изоляцией и алюминиевыми жилами сечением от 35
до 185 мм2. ТП выполнены как в однотрансформаторном , так и в
двухтрансформаторном исполнении с масляными трансформаторами мощностью от 630
до 1600 кВА. На низшей стороне трансформаторов, а также в качестве секционных
выключателей применяются автоматические выключатели АЕ-20.
Назначением энергохозяйства является качественное и
надежное обеспечение электроэнергией всего электрооборудования и
электроприемников предприятия для осуществления технологического процесса.
На основании исходных данных и справочной литературы
дадим характеристику энергохозяйства для двух вариантов - 26СТ и 27ТУ (далее 1
и 2 варианты).
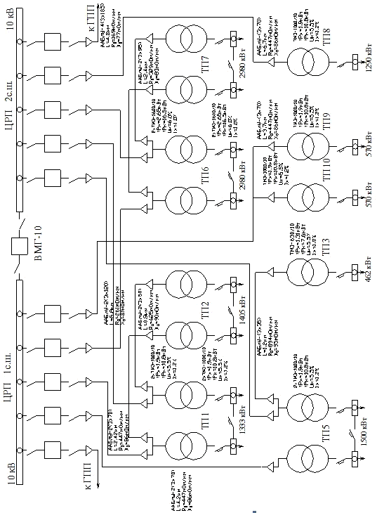
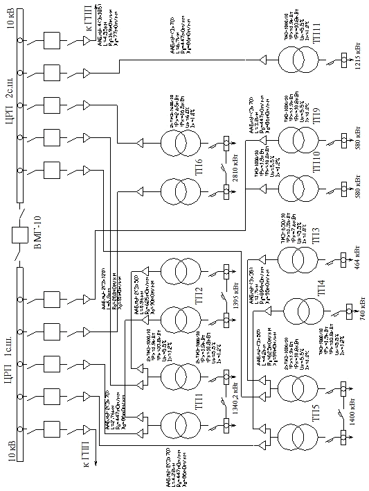
Для варианта №26 в схеме отсутствуют ТП-4,11; а для
варианта №27 в схеме электроснабжения отсутствуют ТП-7,8. Схема
электроснабжения предприятия для варианта №26 изображена на рисунке 1.1, для
варианта № 27 - на рисунке 1.2
Рисунок
1.1. Схема электроснабжения предприятия вариант № 26
Рисунок
1.2.Схема электроснабжения предприятия вариант № 27
Таблица 1.1 Среднегодовые нагрузки наиболее загруженной смены, РСР.
МАКС , кВт
|
Номер цеха
|
2
|
3
|
4
|
5
|
6
|
7
|
8
|
9
|
10
|
11
|
|
Вариант 1
|
1405
|
462
|
0
|
1500
|
2980
|
2980
|
1290
|
570
|
570
|
0
|
|
Вариант 2
|
1395
|
464
|
740
|
1400
|
2810
|
0
|
0
|
580
|
580
|
1215
|
Таблица 1.2 Длины кабельных линий, км
|
Линия
|
Вариант 1
|
Вариант 2
|
|
ГПП-ЦРП
|
4,8
|
4,55
|
|
ЦРП-ТП-1
|
2,42
|
2,76
|
|
ЦРП-ТП-5
|
4,2
|
4,22
|
|
ЦРП-ТП-6
|
5,8
|
5,9
|
|
ЦРП-ТП-8
|
6,7
|
6,8
|
|
ЦРП-ТП-9
|
3,7
|
3,2
|
|
ТП-1-2
|
0,9
|
0,96
|
|
ТП-3-5
|
1,2
|
1,7
|
|
ТП-4-5
|
3,8
|
4,2
|
|
ТП-6-7
|
2,4
|
2,7
|
Принимаем сменность работы, средний коэффициент мощности (cosj), соотношение активных мощностей по
сменам для цехов предприятия, а также марки кабельных линий, как указано в
табл. 1.3.
Таблица 1.3 Общие данные
|
N° цеха
|
Смен-ность работы
|
cosj
|
Соотношение мощностей
|
Соединения
|
Марка КЛ
|
|
1
|
3
|
0,86
|
1 : 1 : 1
|
ГПП - ЦРП
|
ААБлУ-4 (3´185)
|
|
2
|
2
|
0,82
|
0,9
: 1
|
ЦРП - ТП-1
|
ААБлУ-2 (3´70)
|
|
3
|
1
|
0,80
|
1
|
ЦРП - ТП-5
|
ААБлУ-2 (3´70)
|
|
4
|
2
|
0,83
|
0,6 : 1
|
ЦРП - ТП-6
|
ААБлУ-2 (3´120)
|
|
5
|
2
|
0,84
|
1 : 0,75
|
ЦРП - ТП-8
|
ААБлУ- (3´70)
|
|
6
|
3
|
0,88
|
0,8 : 1 :
1
|
ЦРП - ТП-9
|
ААБлУ- (3´70)
|
|
7
|
3
|
0,90
|
0,8 : 1 : 0,9
|
ТП-1 - ТП-2
|
ААБлУ-2 (3´50)
|
|
8
|
2
|
0,85
|
0,65 :
1
|
ТП-3 - ТП-5
|
ААБлУ- (3´35)
|
|
9
|
1
|
0,81
|
1
|
ТП-4 - ТП-5
|
ААБлУ- (3´50)
|
|
10
|
2
|
0,86
|
1 : 0,8
|
ТП-6 - ТП-7
|
ААБлУ-2 (3´95)
|
|
11
|
2
|
0,86
|
1 : 0,9
|
|
|
Считаем продолжительность смены 8 часов.
Для трёхсменных цехов: 1 смена: с 0 ч. до 8 ч.
смена: с 8 ч. до 16 ч.
смена: с 16 ч. до 24 ч.
Для двухсменных цехов: 1 смена: с 8 ч. до 16 ч.
смена: с 16 ч. до 24 ч.
При односменной работе: с 8 ч. до 16 ч.
В табл. 1.3. наиболее загруженная смена обозначена 1
(единицей). Считаем, что в течение смены нагрузки цехов не изменяются.
В дальнейших расчетах принимаем, что минимум нагрузки
в энергосистеме наступает с 4 до 6 часов, а максимум - с 17 до 19 часов.
Для отсутствующего в табл.1.1 цеха №1 принимаем:
Для варианта 1:
Производство продукции за сутки П=86 шт.
Цеховая норма удельного расхода электроэнергии:
Э=320+2×N вар.=320+2×26=372 кВт×ч/шт.
Нагрузка за смену:

кВт,
где
Т- отработанное в сутках время, ч (Т=24ч для трёхсменной работы).
Реактивная
мощность нагрузки каждой смены:
см=Рсм·tgj=1333·0,593=790,47
квар.
Для варианта 2:
Производство продукции за сутки П=86 шт.
Цеховая норма удельного расхода электроэнергии:
Э=320+2×N вар.=320+2×27=374 кВт×ч/шт.
Нагрузка за смену:
кВт,
где
Т- отработанное в сутках время, ч (Т=24ч для трёхсменной работы).
Реактивная
мощность нагрузки каждой смены:
см=Рсм·tgj=1340,17·0,593=794,72
квар.
Аналогичным образом, используя данные из табл.1.1 и 1.3, определяем
мощность нагрузок по сменам для остальных цехов предприятия. Результаты расчёта
сводим в табл.1.4.
Таблица 1.4 Мощности нагрузок по сменам
|
Цех
|
1 смена (0 - 8) часов
|
2 смена (8 - 16) часов
|
3 смена (16 - 24) часов
|
|
Р, кВт
|
Q, квар
|
S, кВА
|
Р, кВт
|
Q, квар
|
S, кВА
|
Р, кВт
|
Q, квар
|
S, кВА
|
|
Вариант 1
|
|
1
|
1333,00
|
790,96
|
1550,00
|
1333,00
|
790,96
|
1550,00
|
1333,00
|
790,96
|
1550,00
|
|
2
|
-
|
-
|
-
|
1264,50
|
882,63
|
1542,07
|
1405,00
|
980,70
|
1713,41
|
|
3
|
-
|
-
|
-
|
462,00
|
346,50
|
577,50
|
-
|
-
|
-
|
|
4
|
-
|
-
|
-
|
-
|
-
|
-
|
-
|
-
|
-
|
|
5
|
-
|
-
|
-
|
1500,00
|
968,90
|
1785,71
|
1125,00
|
726,68
|
1339,29
|
|
6
|
2384,00
|
1286,75
|
2709,09
|
2980,00
|
1608,43
|
3386,36
|
2980,00
|
1608,43
|
3386,36
|
|
7
|
2384,00
|
1154,62
|
2648,89
|
2980,00
|
1443,28
|
3311,11
|
2682,00
|
1298,95
|
2980,00
|
|
8
|
-
|
-
|
-
|
838,50
|
519,66
|
986,47
|
1290,00
|
799,47
|
1517,65
|
|
9
|
-
|
-
|
-
|
570,00
|
412,67
|
703,70
|
0,00
|
0,00
|
0,00
|
|
10
|
-
|
-
|
-
|
570,00
|
338,22
|
662,79
|
456,00
|
270,57
|
530,23
|
|
11
|
-
|
-
|
-
|
-
|
-
|
-
|
-
|
-
|
-
|
|
å
|
6101,00
|
3232,33
|
6907,98
|
12498,0
|
7311,25
|
14505,7
|
11271,0
|
6475,8
|
13016,9
|
|
Вариант 2
|
|
1
|
1340,17
|
795,21
|
1558,33
|
1340,17
|
795,21
|
1558,33
|
1340,17
|
795,21
|
1558,33
|
|
2
|
-
|
-
|
-
|
1255,50
|
876,34
|
1531,10
|
1395,00
|
973,72
|
1701,22
|
|
3
|
-
|
-
|
-
|
464,00
|
348,00
|
580,00
|
-
|
-
|
|
4
|
-
|
-
|
-
|
444,00
|
298,37
|
534,94
|
740,00
|
497,28
|
891,57
|
|
5
|
-
|
-
|
-
|
1400,00
|
904,31
|
1666,67
|
1050,00
|
678,23
|
1250,00
|
|
6
|
2248,00
|
1213,34
|
2554,55
|
2810,00
|
1516,68
|
3193,18
|
2810,00
|
1516,68
|
3193,18
|
|
7
|
-
|
-
|
-
|
-
|
-
|
-
|
-
|
-
|
-
|
|
8
|
-
|
-
|
-
|
-
|
-
|
-
|
-
|
-
|
-
|
|
9
|
-
|
-
|
-
|
580,00
|
419,91
|
716,05
|
-
|
-
|
-
|
|
10
|
-
|
-
|
-
|
580,00
|
344,15
|
674,42
|
464,00
|
275,32
|
539,53
|
|
11
|
-
|
-
|
-
|
1215,00
|
720,94
|
1412,79
|
1093,50
|
648,84
|
1271,51
|
|
å
|
3588,17
|
2008,55
|
4112,88
|
10088,7
|
6223,91
|
11867,4
|
8892,7
|
5385,3
|
10405,4
|
2. Выбор схемы и режима работы сети предприятия
2.1 Выбор схемы электроснабжения
Выбор схемы сети будем производить на основе рассмотрения и сравнения 2-х
вариантов: основного 1 (№ вар=26) и дополнительного 2 (№ вар+1=26+1).
В соответствии с методикой проведения технико-экономических расчётов в
энергетике, сравниваемые варианты должны быть равноценными по условиям
экономической и энергетической их сопоставимости (качеству электроэнергии,
баланса активной и реактивной мощностей, требуемой надежности электроснабжения
и т.д.) и отвечать требуемым техническим условиям.
При осуществлении единовременных капиталовложений в течении года и
неизменности издержек производства критерием оптимальности выбора экономически
целесообразного варианта является условие минимума приведенных затрат:
, (2.1)
где Ен - нормативный коэффициент сравнительной экономической
эффективности,
принимаемый равным 0,12
;
К- единовременные капиталовложения в течении года, тыс.руб ;
И
- издержки производства,
.
К= Кл +Ктп ,
где Кл - капиталовложения в линии;
Ктп - капиталовложения в трансформаторные подстанции.
При
проектировании промышленных электрических сетей ежегодные издержки производства
,
:
, (2.2)
где:
Иам- амортизационные отчисления , тыс.руб;
Иэкс-
эксплуатационные расходы , тыс.руб ;
Ипот-
стоимость потерь электроэнергии, тыс.руб.
Амортизационные
отчисления и эксплуатационные расходы определим как долю от капитальных затрат,
тыс.руб:
; (2.3)
, (2.4)
где:
α
ам - процент отчислений на амортизацию, %;
α экс - процент отчислений от
первоначальных капитальных затрат на обслуживание и ремонт оборудования, %.
Значения процентов отчислений на амортизацию и на обслуживание и ремонт
для различных типов электрооборудования приведены в таблице 2.1.
Таблица 2.1 Значения норм отчисления α
|
Наименование оборудования
|
α
ам, %
|
α
экс,%
|
|
Силовое
электрооборудование и РУ
|
6,4
|
3,0
|
|
Кабельные ЛЭП до 10 кВ
|
4,3
|
2,0
|
Удельные сопротивления трехжильных кабелей с поясной
изоляцией напряжением 10 кВ принимаем соответственно из таблицы П6.2 [1].
Капитальные затраты на сооружение одного километра кабельной линии, в которые
включается стоимость приобретения кабеля, установка кабельных
металлоконструкций, прокладка кабелей по металлоконструкциям и в траншеях,
заделка концов кабеля, монтаж муфт и самого кабеля принимаем из таблицы 10.5 [
1]. Полученные данные сведены в таблицу 2.2.
Таблица 2.2 Проектные данные кабельных линий
|
Соединение
|
Марка и сечение КЛ,мм2
ААБлУ
|
Rо, Ом/км
|
Хо, Ом/км
|
Куд КЛ,
тыс.руб/км
|
Длины КЛ по вариантам
|
Полная стоимость КЛ по
вариантам,тысруб.
|
|
Вариант
|
|
|
|
|
1
|
2
|
1
|
2
|
|
ГПП-ЦРП
|
4(3х185)
|
0,169
|
0,077
|
6,38
|
4,8
|
4,55
|
122,50
|
116,12
|
|
ЦРП-ТП1
|
2(3х70)
|
0,447
|
0,086
|
4,34
|
2,42
|
2,76
|
21,01
|
23,96
|
|
ЦРП-ТП5
|
2(3х70)
|
0,447
|
0,086
|
4,34
|
4,2
|
4,22
|
36,46
|
36,63
|
|
ЦРП-ТП6
|
2(3х120)
|
0,261
|
0,081
|
5,2
|
5,8
|
5,9
|
60,32
|
61,36
|
|
ЦРП-ТП8
|
3х70
|
0,447
|
0,086
|
4,34
|
6,7
|
0
|
29,08
|
0,00
|
|
ЦРП-ТП9
|
3х70
|
0,447
|
0,086
|
4,34
|
3,7
|
3,2
|
16,06
|
13,89
|
|
ТП1-2
|
2(3х50)
|
0,625
|
0,09
|
3,92
|
0,9
|
0,96
|
7,06
|
7,53
|
|
ТП5-3
|
3х35
|
0,894
|
0,095
|
3,5
|
1,2
|
1,7
|
4,20
|
5,95
|
|
ТП5-4
|
3х50
|
0,625
|
0,09
|
3,92
|
0
|
4,2
|
0,00
|
16,46
|
|
ТП6-7
|
2(3х95)
|
0,329
|
0,083
|
4,78
|
2,4
|
0
|
22,94
|
0,00
|
|
Суммарные капитальные
вложения на сооружение КЛ по проекту, тыс.руб.
|
319,61
|
281,89
|
Технические характеристики трансформаторов (тип, их
число на подстанции, параметры Рхх, Ркз, Ixx, UK3) для комплектных трансформаторных подстанций из табл.
П1.5 [1] сведены в таблицу 2.3.
Таблица 2.3 Технические характеристики трансформаторов
|
№ подстанции
|
Тип трансформатора
|
Номинальная мощность, Sном, кВА
|
Кол-во трансформаторов на
подстанции
|
Потери, кВт
|
Напряжение Uк, %
|
Ток Ixx, %
|
|
|
|
|
Рхх
|
Ркз
|
|
|
|
ТП 1
|
ТМЗ-1000/10
|
1000
|
2
|
1,9
|
10,8
|
5,5
|
1,2
|
|
ТП 2
|
ТМЗ-1000/10
|
1000
|
2
|
1,9
|
10,8
|
5,5
|
1,2
|
|
ТП З
|
ТМЗ-630/10
|
630
|
1
|
1,31
|
7,6
|
5,5
|
1,8
|
|
ТП 4
|
ТМЗ-1000/10
|
1000
|
1
|
1,9
|
10,8
|
5,5
|
1,2
|
|
ТП 5
|
ТМЗ-1000/10
|
1000
|
2
|
1,9
|
10,8
|
5,5
|
1,2
|
|
ТП 6
|
ТМЗ-1600/10
|
1600
|
2
|
2,65
|
16,5
|
6,0
|
1,0
|
|
ТП 7
|
ТМЗ-1600/10
|
1600
|
2
|
2,65
|
16,5
|
6,0
|
1,0
|
|
ТП 8
|
ТМЗ-1000/10
|
1000
|
1
|
1,9
|
10,8
|
5,5
|
1,2
|
|
ТП 9
|
ТМЗ-1000/10
|
1000
|
1
|
1,9
|
10,8
|
5,5
|
1,2
|
|
ТП 10
|
ТМЗ-1000/10
|
1000
|
1
|
1,9
|
10,8
|
5,5
|
1,2
|
|
ТП 11
|
ТМЗ-1000/10
|
1000
|
1
|
1,9
|
10,8
|
5,5
|
1,2
|
Таблица 2.4 Капитальные вложения в трансформаторы
|
Марка трансформатора
|
Ктп т.руб
|
Вариант 1
|
Вариант 2
|
|
|
n, шт
|
Ктп т.руб
|
n, шт
|
Ктп т.руб
|
|
ТМЗ - 630/10
|
2,04
|
1
|
2,04
|
1
|
2,04
|
|
ТМЗ - 1000/10
|
3,86
|
9
|
34,74
|
38,60
|
|
ТМЗ - 1600/10
|
5,12
|
4
|
20,48
|
2
|
10,24
|
|
å
|
|
|
57,26
|
|
50,88
|
Все стоимости электрооборудования и кабельных линий приведены в ценах
1991г.
Укрупненные показатели стоимости ячеек КРУ 10 кВ
(общая стоимость КРУ с выключателем типа ВМГ-10): Ккру = 1,48 тыс.
руб. из таблицы 10.33 [2]; стоимость одного выключателя АЕ-20: Кав =
0,122 тыс. руб.
Общая стоимость электрооборудования, тыс. руб.:
,
(2.5)
где
Nкру -
количество ячеек комплектного распределительного устройства (по варианту);
Nав, - общее количество автоматических выключателей (по
варианту).
Стоимости
электрооборудования по вариантам:
Коб1
= 11∙1,48+19∙0,122=18,598 тыс. руб.;
Коб2
= 11∙1,48+17∙0,122=18,354 тыс. руб.
Суммарные
капиталовложения в трансформаторы и капитальные вложения в кабельные линии:
;
(2.6)
Суммарные
капиталовложения в трансформаторы (из таблицы 2.4):
для
первого варианта
= 57,26 тыс. руб.;
для
второго варианта
= 50,88 тыс. руб.
Суммарные капиталовложения в кабельные линии (из
таблицы 2.2):
-
для первого варианта
= 319,61 тыс. руб.;
для
второго варианта
= 281,89 тыс. руб.
Общая стоимость всего электрооборудования, тыс. руб.:
(2.7)
Общие
капитальные затраты на электрооборудование и КЛ, приведенные к современному
уровню:
, (2.8)
где
Кинф - коэффициент инфляции, который принимаем равным 3000.
Общая
стоимость всего электрооборудования по вариантам:
Кобщ.обор1
=18,598+57,26=75,858 тыс.руб.;
Кобщ.обор2
=18,354+50,88=69,234 тыс.руб.
Общие
капитальные затраты на электрооборудование и КЛ по каждому из вариантов:
К1
=3000∙(319,61+75,858)=1186414,8 тыс. руб.;
К2
=3000∙(281,89+69,234)=1053374,4 тыс. руб.
По формулам (2.3), (2.4) определим отчисления на амортизацию и на
эксплуатационные расходы для каждого из двух вариантов:
Для
определения стоимости потерь энергии найдём потери мощности в трансформаторах и
кабельных линиях.
Активные
потери в трансформаторе:
, кВт.
(2.9)
Реактивные
потери в трансформаторе:
, квар,
(2.10)
где
DРхх , DРк , Ixx(%), Uк(%) -
потери холостого хода, короткого замыкания , ток холостого хода и напряжение
короткого замыкания соответственно. Значения приведены в таблице 2.3.
Для
нахождения потерь мощности в кабельных линиях определим предварительно их
активные и реактивные сопротивления
,Ом.
(2.11)
, Ом,
(2.12)
где
m - число параллельных кабелей в данном соединении, шт;
r0 , x0 -
удельные сопротивления кабелей, Ом/км, которые приведены в табл.2.2 в
зависимости от сечения.
Потери
мощности в кабелях:
активные:
, кВт;
(2.13)
реактивные:
, квар,
(2.14)
где
S - протекающая по кабелю мощность, кВА;
U - напряжение
сети, равное 10 кВ.
Определим
потери мощности на примере соединения ЦРП - ТП1 варианта 1 для первой смены.
Исходные данные: P =1333,0 кВт; S=1550,0 кВА; cosφ=0,86; число смен = 3; соотношение мощностей 1/1/1; число
трансформаторов - 2; Sном = 1000
кВА; ∆Pхх = 1,9
кВт; ∆Pкз = 10,8
кВт, Ixx=1,2%, Uк=5,5%.
кВт,
квар.
Аналогично для 2-ой и 3-ей смены и остальных цехов. Для каждого варианта
суммируем потери в трансформаторах по цехам, результаты сводим в таблицу 2.5.,
2.6.
Таблица 2.5 Потери в трансформаторах для 1-го варианта
|
Цех №
|
Первая смена
|
Вторая смена
|
Третья смена
|
За сутки
|
Pт,
кВт
Qт,
квар
Pт,
кВт
Qт,
квар
Pт,
кВт
Qт,
квар
Pт,
кВт
Qт,
|
1
|
16,77
|
90,07
|
16,77
|
90,07
|
16,77
|
90,07
|
50,32
|
270,21
|
|
2
|
3,80
|
24,00
|
16,64
|
89,39
|
19,65
|
104,73
|
40,09
|
218,13
|
|
3
|
1,31
|
11,34
|
7,70
|
40,46
|
1,31
|
11,34
|
10,32
|
63,14
|
|
4
|
0,00
|
0,00
|
0,00
|
0,00
|
0,00
|
0,00
|
0,00
|
0,00
|
|
5
|
3,80
|
24,00
|
21,02
|
111,69
|
13,49
|
73,33
|
38,31
|
209,02
|
|
6
|
28,95
|
169,61
|
42,26
|
247,01
|
42,26
|
247,01
|
113,46
|
663,64
|
|
7
|
27,91
|
163,56
|
40,63
|
237,56
|
33,92
|
198,51
|
102,46
|
599,63
|
|
8
|
1,90
|
12,00
|
12,41
|
65,52
|
26,78
|
138,68
|
41,08
|
216,20
|
|
9
|
1,90
|
12,00
|
7,25
|
39,24
|
1,90
|
12,00
|
11,05
|
63,24
|
|
10
|
1,90
|
12,00
|
6,64
|
36,16
|
4,94
|
27,46
|
13,48
|
75,62
|
|
11
|
0,00
|
0,00
|
0,00
|
0,00
|
0,00
|
0,00
|
0,00
|
0,00
|
|
Сумма
|
88,25
|
518,58
|
171,32
|
957,11
|
161,01
|
903,13
|
420,58
|
2378,82
|
Таблица 2.6 Потери в трансформаторах для 2-го варианта
|
Цех №
|
Первая смена
|
Вторая смена
|
Третья смена
|
За сутки
|
Pт,
кВт
Qт,
квар
Pт,
кВт
Qт,
квар
Pт,
кВт
Qт,
квар
Pт,
кВт
Qт,
|
1
|
16,91
|
90,78
|
16,91
|
90,78
|
16,91
|
90,78
|
50,74
|
272,34
|
|
2
|
3,80
|
24,00
|
16,46
|
88,47
|
19,43
|
103,59
|
39,69
|
216,06
|
|
3
|
1,31
|
11,34
|
7,75
|
40,71
|
1,31
|
11,34
|
10,37
|
63,39
|
|
4
|
1,90
|
12,00
|
4,99
|
27,74
|
10,48
|
55,72
|
17,38
|
95,46
|
|
5
|
3,80
|
24,00
|
18,80
|
100,39
|
12,24
|
66,97
|
34,84
|
191,36
|
|
6
|
26,33
|
154,36
|
38,16
|
223,18
|
38,16
|
223,18
|
102,65
|
600,72
|
|
7
|
0,00
|
0,00
|
0,00
|
0,00
|
0,00
|
0,00
|
0,00
|
0,00
|
|
8
|
0,00
|
0,00
|
0,00
|
0,00
|
0,00
|
0,00
|
0,00
|
0,00
|
|
9
|
1,90
|
12,00
|
7,44
|
40,20
|
1,90
|
12,00
|
11,24
|
64,20
|
|
10
|
1,90
|
12,00
|
6,81
|
37,02
|
5,04
|
28,01
|
13,76
|
77,03
|
|
11
|
1,90
|
12,00
|
23,46
|
121,78
|
19,36
|
100,92
|
44,72
|
234,70
|
|
Сумма
|
59,75
|
352,48
|
140,78
|
770,26
|
124,84
|
692,51
|
325,37
|
1815,25
|
Приведем пример расчета потерь в кабельной линии ЦРП - ТП1 для 1-го
варианта. За первую смену по ней будет передаваться мощность для покрытия нагрузки
цеха №1 Рц1 =1333,0 кВт, Q ц1 =790,96
квар, а также мощность для покрытия потерь в трансформаторах на ТП-1 ∆РТП-1
=16,91 кВт, ∆ QТП-1
=90,78 квар,
номинальное напряжение 10 кВ. Длина линии L = 2×2,42 км (т.к. двухцепная, то сопротивления уменьшаться
в два раза). Удельные сопротивления Ro = 0,447 Ом/км; Xo = 0,086 Ом/км.
Результаты расчётов для остальных соединений для двух вариантов
представлены в таблице 2.7. Таблица 2.7
Потери мощности в кабелях
|
№ линии
|
1
|
2
|
3
|
За сутки
|
|
DP,
кВТ
|
DQ,
квар
|
DP,
кВТ
|
DQ,
квар
|
DP,
кВТ
|
DQ,
квар
|
DP,
кВТ
|
DQ,
квар
|
|
Первый вариант
|
|
ГПП-ЦРП
|
106,22
|
48,40
|
464,16
|
211,48
|
375,46
|
171,07
|
945,84
|
430,95
|
|
ЦРП-ТП1
|
14,34
|
2,76
|
56,01
|
10,78
|
62,55
|
12,03
|
132,90
|
25,57
|
0,01
|
0,00
|
57,42
|
11,05
|
18,37
|
3,54
|
75,80
|
14,58
|
|
ЦРП-ТП6
|
234,47
|
72,77
|
371,05
|
115,15
|
334,31
|
103,75
|
939,83
|
291,67
|
|
ЦРП-ТП8
|
0,00
|
0,00
|
31,94
|
6,15
|
78,29
|
15,06
|
110,23
|
21,21
|
|
ЦРП-ТП9
|
0,01
|
0,00
|
33,31
|
6,41
|
5,13
|
0,99
|
38,46
|
7,40
|
|
ТП 1-2
|
0,00
|
0,00
|
7,27
|
1,05
|
9,02
|
1,30
|
16,30
|
2,35
|
|
ТП3-5
|
0,00
|
0,00
|
3,97
|
0,42
|
0,00
|
0,00
|
3,98
|
0,42
|
|
ТП4-5
|
0,00
|
0,00
|
0,00
|
0,00
|
0,00
|
0,00
|
0,00
|
0,00
|
|
ТП6-7
|
29,83
|
7,52
|
47,18
|
11,90
|
37,97
|
9,58
|
114,98
|
29,01
|
|
å
|
384,88
|
131,45
|
1072,31
|
374,38
|
921,11
|
317,32
|
2378,31
|
823,15
|
|
Второй вариант
|
|
ГПП-ЦРП
|
36,30
|
16,54
|
295,88
|
134,81
|
227,33
|
103,58
|
559,51
|
254,92
|
|
ЦРП-ТП1
|
16,53
|
3,18
|
63,77
|
12,27
|
71,16
|
13,69
|
151,46
|
29,14
|
|
ЦРП-ТП5
|
0,02
|
0,00
|
79,51
|
15,30
|
47,21
|
9,08
|
126,74
|
24,38
|
|
ЦРП-ТП6
|
54,23
|
16,83
|
85,77
|
26,62
|
85,77
|
26,62
|
225,76
|
70,06
|
|
ЦРП-ТП8
|
0,00
|
0,00
|
0,00
|
0,00
|
0,00
|
0,00
|
0,00
|
0,00
|
|
ЦРП-ТП 9
|
0,01
|
0,00
|
29,85
|
5,74
|
4,59
|
0,88
|
34,45
|
6,63
|
|
ТП 1-2
|
0,00
|
0,00
|
7,65
|
1,10
|
9,48
|
1,37
|
17,13
|
2,47
|
|
ТП3-5
|
0,00
|
0,00
|
5,68
|
0,60
|
0,00
|
0,00
|
5,68
|
0,60
|
|
ТП4-5
|
0,00
|
0,00
|
8,08
|
1,16
|
22,81
|
3,28
|
30,90
|
4,45
|
|
ТП6-7
|
0,00
|
0,00
|
0,00
|
0,00
|
0,00
|
0,00
|
0,00
|
0,00
|
|
å
|
107,10
|
36,56
|
576,18
|
197,60
|
468,36
|
158,50
|
1151,64
|
392,66
|
энергетический электроснабжение схема нагрузка
Используя полученные данные, определим годовые потери мощности по
предприятию в целом исходя из 8-часовой смены и 267 рабочих дней в году (без
учёта праздников).
, (2.15)
где
åΔРт - суммарные потери активной мощности по всем
трансформаторным подстанциям предприятия за день, кВт, которые берутся из
таблицы 2.-2.6;
åΔРл -
суммарные потери активной мощности в кабельных линиях по всему предприятию за
рабочий день, кВт, которые берутся из таблицы 2.7.
Для
1 варианта:
Для
2 варианта:
Средний
тариф за электроэнергию:
, руб/кВт×ч (2.16)
где
а - стоимость 1 кВт заявленной мощности (основная ставка тарифа), а=244000
руб/кВт;
b - стоимость 1
кВт×ч используемой электроэнергии (дополнительная ставка
тарифа), b=214 руб/кВт×ч;
Тмакс
- число часов (использования) максимума нагрузки, для 3-
сменной
работы предприятия, Тмакс= 4500 ÷ 6000 ч.
Принимаем
Тмакс = 5000 ч.
руб/кВт×ч.
Стоимость годовых потерь энергии:
. (2.17)
Для
1 варианта:
Ипот1=262,8×5978,43·103 = 1571131,4·103
руб.= 1571,13 млн.руб.
Для
2 варианта:
Ипот2=262,8×3154,89·103 = 829105,1·103 руб.
= 829,11 млн.руб.
Определяем приведенные затраты по вариантам по формуле (2.1):
З1=0,12×1186414,8 +55794,43+26003,82+1571130 =1795298,03 тыс. руб.;
З2=0,12×1053374,4 +49656,74+23144,46 +829110 = 1028316,13 тыс. руб.
По условию минимума приведенных затрат для дальнейшего рассмотрения
принимаем второй вариант схемы электроснабжения, так как приведенные затраты по
второму варианту 1028316,13 тыс.руб. < 1795298,03 тыс.руб.
2.2 Планирование режима работы сети
По данным табл. 2.6, 2.7 и 1.4 определяем общие среднегодовые суточные
значения активной и реактивной мощностей по предприятию с учётом потерь
; (2.18)
. (2.19)
где
i - индекс смены.
Р1=3588,17+59,75+107,1
= 3755,02 кВт;
Р2=10088,7+140,78+576,18
= 10805,63 кВт;
Р3=
8892,7+124,84+468,36 = 9485,86 кВт;
Q1= 2008,55+352,48+36,56 = 2397,58 квар;
Q2= 6223,91+770,26+197,6 = 7191,78 квар;
Q3= 5385,3+692,51+158,5 = 6236,3 квар.
По
полученным данным строим суточный график нагрузок предприятия с учётом потерь в
сети (рис.2.1).
Суточный график нагрузки
Определим годовое полезное потребление электроэнергии:
Эпол=(å Р1+å Р2+å Р3 )×8·267; (2.20)
Эпол=(3588,17+10088,7+8892,7) ·8·267=48208452 кВт·ч.
Определим общее потребление энергии предприятием:
Эгод= Эпол+DЭгод; (2.21)
Эгод=48208452+3154892 =51363344 кВт·ч.
Годовая плата за потреблённую электроэнергию, руб:
, (2.22)
где
Рзаявл - заявленная активная мощность, потребляемая в часы максимума
энергосистемы.
Рзаяв=
10805,63 кВт.
Средний
тариф за 1 кВт·ч электроэнергии:
Определяем стоимость годовых потерь электроэнергии , тыс.руб:
Определим
стоимость полезного кВт×ч электроэнергии, руб/кВт×ч:
В
результате внедрения организационно-технических мероприятий в цеху №1
запланировано снизить удельное потребление электроэнергии на 5 кВт×ч, для чего потребовались дополнительные капитальные
вложения в размере, тыс.руб:
Годовой
экономический эффект от организационно-технических мероприятий, проведенных в
цеху №1, составит, тыс.руб:
(2.23)
где
DЭуд- снижение удельного потребления электроэнергии,
кВт×ч ;
Пгод-
производство продукции цехом №1 за год, шт, которое определяем по выражению:
Срок окупаемости определяется по выражению, мес:
Суммарная установленная мощность цеховых трансформаторов равна:
Sуст =1000
2+1000
2+630
1+1000
1+1000
2+1600
2+1000
1+1000
1+
+1000
1=13830 кВА.
Общая
протяженность КЛ (10 кВ) равна: L= 27,49 км.
Тогда
удельные капитальные вложения в 1 кВА трансформаторной мощности равны:
; (2.24)
Удельные
капитальные вложения в 1 км КЛ равны:
; (2.25)
3. Планирование ремонтно-эксплуатационного обслуживания
системы электроснабжения
Определяем годовую трудоёмкость капитальных ремонтов электрооборудования
производственных цехов, чел×ч:
, (3.1)
где
- годовая величина трудоёмкости капитального ремонта
оборудования и сетей по схеме электроснабжения предприятия, чел×ч.
Плановая
трудоёмкость капитального ремонта за календарное время продолжительности ремонтного
цикла, чел×ч:
, (3.2)
где
-табличная трудоёмкость капитального ремонта единицы
оборудования (сетей), чел×ч ;
k - общий
коэффициент, учитывающий поправки на условия работы оборудования, который
принимаем равным 1.
Годовая
доля трудоёмкости капитального ремонта единицы оборудования (сетей), чел×ч:
, (3.3)
где
- плановая продолжительность ремонтного цикла, лет.
Годовая
трудоёмкость капитального ремонта оборудования (сетей) по схеме
электроснабжения предприятия, чел×ч, найдём как:
. (3.4)
Плановая
продолжительность ремонтного цикла:
(3.5)
Плановая
продолжительность межремонтного периода:
(3.6)
где
коэффициент, учитывающий коллекторность машин;
коэффициент, учитывающий отнесение оборудования к
основному;
коэффициент, учитывающий стационарность установки;
коэффициент,
учитывающий сменность работ оборудования.
Ниже
приведены значения данных коэффициентов [3, стр.68, стр.98-99]:
выбирается в зависимости от сменности (табл. 3.1).
Необходимые
для расчёта нормативные данные представлены в таблице 3.2.
Таблица
3.1 Значение поправочного коэффициента
|
Сменность работы
|
1
|
2
|
3
|
|
Поправочный коэффициент 210,67
|
|
|
|
Таблица 3.2 Нормативные трудоёмкости текущего и капитального ремонтов
|
Наименование
|
, чел×ч , чел×ч , лет , мес.
|
|
|
|
|
ТМЗ-630/10
|
250
|
50
|
12
|
36
|
|
ТМЗ-1000/10
|
300
|
60
|
12
|
36
|
|
ТМЗ-1600/10
|
380
|
80
|
12
|
36
|
|
ВМГ-10
|
24
|
8
|
3
|
12
|
|
АЕ-2017
|
28
|
8
|
3
|
12
|
|
РВ-1022
|
15
|
4
|
4
|
12
|
|
Кабель 3x35
|
50
|
15
|
20
|
12
|
|
3x50
|
60
|
18
|
20
|
12
|
|
3x70
|
75
|
23
|
20
|
12
|
|
3x95
|
80
|
27
|
20
|
12
|
|
3x120
|
90
|
27
|
20
|
12
|
|
3x185
|
120
|
36
|
20
|
12
|
Произведём расчёты согласно формулам (3.2)-(3.6) для трансформатора
ТМЗ-630/10:
;
.
;
.
Аналогично
произведём расчёты для остального оборудования (сетей) и результаты сведём в
таблицу 3.3.
Для
текущих ремонтов плановая трудоёмкость единицы оборудования (сетей), чел×ч:
, (3.7)
где
-табличная трудоёмкость текущего ремонта единицы
оборудования (сетей), чел×ч.
Количество
текущих ремонтов в году для любого вида оборудования (сетей):
, (3.8)
где
t пл- плановая продолжительность межремонтного периода,
мес.
Годовая
доля трудоёмкости текущего ремонта единицы оборудования (сетей), чел×ч:
; (3.9)
Годовая
трудоёмкость текущего ремонта оборудования (сетей) по схеме электроснабжения
предприятия, чел×ч, найдём как:
. (3.10)
Произведём
расчёты согласно формулам (3.7)-(3.9) для трансформатора ТМЗ-630/10.
;
.
Для
кабельной линии ЦРП-ТП9 (l=3,2 км) согласно формулам (3.7)-(3.9):
;
;
.
Результаты
расчётов по всем остальным элементам схемы электроснабжения сведены в таблицу
3.3.
Учитывая,
что обслуживание оборудования производится без снижения нагрузки цеха, то
подстанции, питающиеся от двух трансформаторов или кабельных линий, будут
обслуживаться по очереди. Оборудование однотрансформаторных подстанций следует
ремонтировать в нерабочие дни. Это так же относится к соответствующим кабельным
линиям и выключателям.
В
конце таблицы приведём суммарные значения годовых трудоёмкостей. Число текущих
ремонтов должно кратно укладываться в периоде между капитальными ремонтами.
План-график ППР на 2009 год приведён в таблице 3.3.
По
результатам таблицы 3.3 ,согласно (3.4), (3.10) вычислим:
чел
ч;
чел
ч.
Годовая
трудоёмкость технического обслуживания для некоторых видов оборудования
(сетей), чел×ч, найдём как:
, (3.11)
где
коэффициент сменности работы цеха:
Kсм =
; (3.12)
количество
смен.
Суммарная
величина годовой трудоёмкости технического обслуживания, чел×ч:
, (3.13)
чел×ч.
Общая
величина трудоёмкости ремонтов и техобслуживания, чел×ч:
чел×ч.
Годовой план-график ППР
Наименование
оборудования Тип (модель) Год и месяц последнего КР Год
и месяц последнего ТР Тпл, лет tпл, мес
шт
|
чел ч чел ч
|
|
|
|
|
|
|
|
|
|
|
|
|
|
2
|
3
|
4
|
5
|
6
|
7
|
8
|
9
|
10
|
|
Силовой тр-р
|
ТМЗ-630
|
01.2004
|
01.2003
|
24
|
72
|
0,13
|
50
|
6,25
|
|
-//-
|
ТМЗ-1000
|
02.2007
|
02.2006
|
8
|
24
|
0,38
|
60
|
22,5
|
|
-//-
|
ТМЗ-1000
|
03.2007
|
03.2006
|
8
|
24
|
0,38
|
60
|
22,5
|
|
-//-
|
ТМЗ-1000
|
04.1999
|
04.2006
|
12
|
36
|
0,25
|
60
|
15
|
|
-//-
|
ТМЗ-1000
|
05.2006
|
05.2007
|
12
|
36
|
0,25
|
60
|
15
|
|
-//-
|
ТМЗ-1000
|
06.2006
|
06.2001
|
12
|
36
|
0,25
|
60
|
15
|
|
-//-
|
ТМЗ-1000
|
07.2001
|
07.2007
|
12
|
36
|
0,25
|
60
|
15
|
|
-//-
|
ТМЗ-1000
|
08.2000
|
08.2007
|
12
|
36
|
0,25
|
60
|
15
|
|
-//-
|
ТМЗ-1600
|
09.2007
|
09.2008
|
8
|
24
|
0,38
|
80
|
30
|
|
-//-
|
ТМЗ-1600
|
10.2007
|
10.2008
|
8
|
24
|
0,38
|
80
|
30
|
|
-//-
|
ТМЗ-1000
|
11.2003
|
11.2002
|
24
|
72
|
0,13
|
60
|
7,5
|
|
-//-
|
ТМЗ-1000
|
12.2006
|
12.2007
|
12
|
36
|
0,25
|
60
|
15
|
|
-//-
|
ТМЗ-1000
|
01.2006
|
01.2007
|
12
|
36
|
0,25
|
60
|
15
|
|
Выкл-ль
|
ВМГ-10
|
02.2008
|
02.2007
|
3
|
12
|
0,67
|
8
|
5,33
|
|
-//-
|
ВМГ-10
|
03.2008
|
03.2007
|
3
|
12
|
0,67
|
8
|
5,33
|
|
-//-
|
ВМГ-10
|
04.2006
|
04.2008
|
3
|
12
|
0,67
|
8
|
5,33
|
|
-//-
|
ВМГ-10
|
05.2005
|
05.2008
|
3
|
12
|
0,67
|
8
|
5,33
|
|
-//-
|
ВМГ-10
|
06.2006
|
06.2008
|
3
|
12
|
0,67
|
8
|
5,33
|
|
-//-
|
ВМГ-10
|
07.2006
|
07.2008
|
3
|
12
|
0,67
|
8
|
5,33
|
|
-//-
|
ВМГ-10
|
08.2005
|
08.2008
|
3
|
12
|
0,67
|
8
|
5,33
|
|
-//-
|
ВМГ-10
|
09.2007
|
09.2008
|
3
|
12
|
0,67
|
8
|
5,33
|
|
-//-
|
ВМГ-10
|
10.2007
|
10.2008
|
3
|
12
|
0,67
|
8
|
5,33
|
|
-//-
|
ВМГ-10
|
11.2008
|
11.2007
|
3
|
12
|
0,67
|
8
|
5,33
|
|
-//-
|
ВМГ-10
|
12.2007
|
12.2008
|
3
|
12
|
0,67
|
8
|
5,33
|
|
Разъед-ль
|
РВ-1022
|
01.2008
|
01.2007
|
4
|
12
|
0,75
|
4
|
3,00
|
|
2
|
3
|
4
|
5
|
6
|
7
|
8
|
9
|
10
|
|
-//-
|
РВ-1022
|
02.2005
|
02.2008
|
4
|
12
|
0,75
|
4
|
3,00
|
|
-//-
|
РВ-1022
|
03.2005
|
03.2008
|
4
|
12
|
0,75
|
4
|
3,00
|
|
-//-
|
РВ-1022
|
04.2006
|
04.2008
|
4
|
12
|
0,75
|
4
|
3,00
|
|
-//-
|
РВ-1022
|
05.2007
|
05.2008
|
4
|
12
|
0,75
|
4
|
3,00
|
|
-//-
|
РВ-1022
|
06.2007
|
06.2008
|
4
|
12
|
0,75
|
4
|
3,00
|
|
-//-
|
РВ-1022
|
07.2006
|
07.2008
|
4
|
12
|
0,75
|
4
|
3,00
|
|
-//-
|
РВ-1022
|
08.2008
|
08.2006
|
4
|
12
|
0,75
|
4
|
3,00
|
|
-//-
|
РВ-1022
|
09.2006
|
4
|
12
|
0,75
|
4
|
3,00
|
|
-//-
|
РВ-1022
|
10.2007
|
10.2008
|
4
|
12
|
0,75
|
4
|
3,00
|
|
-//-
|
РВ-1022
|
11.2008
|
11.2007
|
4
|
12
|
0,75
|
4
|
3,00
|
|
-//-
|
РВ-1022
|
12.2005
|
12.2007
|
4
|
12
|
0,75
|
4
|
3,00
|
|
-//-
|
РВ-1022
|
01.2008
|
01.2007
|
4
|
12
|
0,75
|
4
|
3,00
|
|
-//-
|
РВ-1022
|
02.2006
|
02.2008
|
4
|
12
|
0,75
|
4
|
3,00
|
|
-//-
|
РВ-1022
|
03.2006
|
03.2008
|
4
|
12
|
0,75
|
4
|
3,00
|
|
-//-
|
РВ-1022
|
04.2006
|
04.2008
|
4
|
12
|
0,75
|
4
|
3,00
|
|
-//-
|
РВ-1022
|
05.2007
|
05.2008
|
4
|
12
|
0,75
|
4
|
3,00
|
|
-//-
|
РВ-1022
|
06.2007
|
06.2008
|
4
|
12
|
0,75
|
4
|
3,00
|
|
-//-
|
РВ-1022
|
07.2008
|
07.2007
|
4
|
12
|
0,75
|
4
|
3,00
|
|
-//-
|
РВ-1022
|
08.2008
|
08.2006
|
4
|
12
|
0,75
|
4
|
3,00
|
|
-//-
|
РВ-1022
|
09.2006
|
09.2008
|
4
|
12
|
0,75
|
4
|
3,00
|
|
-//-
|
РВ-1022
|
10.2005
|
10.2008
|
4
|
12
|
0,75
|
4
|
3,00
|
|
Авт. вык-ль
|
АЕ-2017
|
11.2008
|
11.2007
|
3
|
12
|
0,67
|
8
|
5,33
|
|
-//-
|
АЕ-2017
|
12.2008
|
12.2007
|
3
|
12
|
0,67
|
8
|
5,33
|
|
-//-
|
АЕ-2017
|
01.2008
|
01.2007
|
3
|
12
|
0,67
|
8
|
5,33
|
|
-//-
|
АЕ-2017
|
02.2006
|
02.2008
|
3
|
12
|
0,67
|
8
|
5,33
|
|
-//-
|
АЕ-2017
|
03.2006
|
03.2008
|
3
|
12
|
0,67
|
8
|
5,33
|
|
-//-
|
АЕ-2017
|
04.2008
|
04.2007
|
3
|
12
|
0,67
|
8
|
5,33
|
|
-//-
|
АЕ-2017
|
05.2007
|
05.2008
|
3
|
12
|
0,67
|
8
|
5,33
|
|
-//-
|
АЕ-2017
|
06.2007
|
06.2008
|
3
|
12
|
0,67
|
8
|
5,33
|
|
2
|
3
|
4
|
5
|
6
|
7
|
8
|
9
|
10
|
|
-//-
|
АЕ-2017
|
07.2008
|
07.2007
|
3
|
12
|
0,67
|
8
|
5,33
|
|
-//-
|
АЕ-2017
|
08.2008
|
08.2007
|
3
|
12
|
0,67
|
8
|
5,33
|
|
-//-
|
АЕ-2017
|
09.2008
|
09.2007
|
3
|
12
|
0,67
|
8
|
5,33
|
|
-//-
|
АЕ-2017
|
10.2006
|
10.2008
|
3
|
12
|
0,67
|
8
|
5,33
|
|
-//-
|
АЕ-2017
|
11.2008
|
11.2007
|
3
|
12
|
0,67
|
8
|
5,33
|
|
-//-
|
АЕ-2017
|
12.2008
|
12.2007
|
3
|
12
|
0,67
|
8
|
5,33
|
|
-//-
|
АЕ-2017
|
01.2008
|
01.2007
|
3
|
12
|
0,67
|
8
|
5,33
|
|
-//-
|
АЕ-2017
|
02.2008
|
02.2007
|
3
|
12
|
0,67
|
8
|
5,33
|
|
-//-
|
АЕ-2017
|
03.2008
|
03.2007
|
3
|
12
|
0,67
|
8
|
5,33
|
|
ГПП-ЦРП
|
4(3х185)
|
04.2005
|
04.2008
|
20
|
12
|
0,95
|
327,6
|
311,2
|
|
ЦРП-ТП-1
|
2(3х70)
|
05.1990
|
05.2008
|
20
|
12
|
0,95
|
127,0
|
120,6
|
|
ЦРП-ТП-5
|
2(3х70)
|
06.2001
|
06.2008
|
20
|
12
|
0,95
|
194,1
|
184,4
|
|
ЦРП-ТП-6
|
2(3х120)
|
07.2006
|
07.2008
|
20
|
12
|
0,95
|
318,6
|
302,7
|
|
ЦРП-ТП-9
|
3х70
|
08.2003
|
08.2008
|
20
|
12
|
0,95
|
73,6
|
69,92
|
|
ТП-3-5
|
3х35
|
09.2004
|
09.2008
|
20
|
12
|
0,95
|
25,5
|
24,23
|
|
ТП-4-5
|
3х50
|
10.2007
|
10.2008
|
20
|
12
|
0,95
|
75,6
|
71,82
|
|
ТП-1-2
|
2(3х50)
|
11.2006
|
20
|
12
|
0,95
|
34,56
|
32,83
|
4. Планирование численности персонала и фонда заработной
платы
Определим общую плановую численность рабочих, чел:
, (4.1)
где
- общая годовая величина трудоёмкости ремонта и
технического обслуживания, чел×ч ;
-
полезный плановый фонд времени одного рабочего в год, ч (
=1750 ч);
-
коэффициент выполнения норм (
=1,05 ).
чел.
Общую
численность рабочих распределяем по видам ремонтов и технического обслуживания
пропорционально их трудоёмкости, чел:
чел. ;
чел. ;
чел. ;
чел.
На
рассматриваемом предприятии сложилась децентрализованная форма ремонтного
эксплуатационного обслуживания, при которой на электроцех возлагается
обслуживание общезаводского электрохозяйства, а также выполнение капитальных
ремонтов производственных цехов.
Примерная
структура квалификационных разрядов рабочих приведена в таблице 4.1.
Численность дежурного (оперативного) персонала принимаем:
- два человека в смену (начальник смены электроцеха и
электромонтёр с 5-й группой квалификации) и два для подмены на период отпусков
и т.п.- всего 8 человек.
Считаем,
что эксплуатационно-ремонтный персонал работает в дневную смену, дежурный - в
соответствии с работой цехов.
Таблица
4.1 Примерная структура квалификационных разрядов рабочих
|
Разряд
|
1
|
2
|
3
|
4
|
5
|
6
|
|
В % к общему количеству
|
5
|
15
|
30
|
30
|
15
|
5
|
|
Количество человек
|
13
|
39
|
79
|
79
|
39
|
13
|
Штатное расписание, примерные должностные месячные оклады ИТР, служащих и
МОП электроцеха приведены в таблице 4.2.
На рассматриваемом предприятии премия составляет 40 %, начисления
социального страхования - 35%, дополнительная зарплата - 10%.
Для расчетов принимаем тарифную ставку первого разряда - 91тыс.руб.
При расчете оклада использовался повышающий коэффициент для работников
энергетики, равный 1,3.
В зависимости от разряда рассчитываем должностные оклады ИТР, служащих и
МОП, также рассчитываем премии и отчисления на социальное страхование. По
полученным данным определяем заработную плату в месяц, заработную плату за год.
На основе полученных данных определяем фонд заработной платы ИТР, служащих и
МОП Фшт и фонд заработной платы дежурного персонала Фдеж. Так как заработная
плата начальников смен электроцеха входит в фонд Фшт, а заработная плата
электромонтеров из числа дежурного (оперативного) персонала включена в фонд
заработной платы рабочих Фраб, то отдельно фонд заработной платы дежурного
персонала Фдеж рассчитывать не будем.
Таблица 4.2 Должностные месячные оклады (примерные) ИТР, служащих и МОП
|
Наименование должности
работающего
|
Кол-во
|
Раз-ряд
|
Оклад, тыс.руб.
|
Премия, тыс.руб.
|
ФСЗН, тыс.руб.
|
Доп. з/плата, тыс.руб.
|
З/плата в месяц, тыс.руб.
|
З/плата в год (с учетом
кол-ва), тыс.руб.
|
|
Начальник цеха
|
1
|
15
|
411,684
|
164,674
|
144,089
|
41,168
|
761,615
|
9139,385
|
|
Зам.началь ника цеха
|
1
|
14
|
384,475
|
153,79
|
134,566
|
38,448
|
711,279
|
8535,345
|
|
Начальник участка
|
2
|
13
|
359,632
|
143,853
|
125,871
|
35,963
|
665,319
|
15967,66
|
|
Старший мастер
|
2
|
12
|
335,972
|
134,389
|
117,590
|
33,597
|
621,548
|
14917,16
|
|
Начальник смены
|
3
|
12
|
335,972
|
134,389
|
117,590
|
33,597
|
621,548
|
22375,74
|
|
Мастер
|
6
|
11
|
313,495
|
125,398
|
109,723
|
31,349
|
579,966
|
41757,53
|
|
Инженер
|
2
|
10
|
293,384
|
117,353
|
102,684
|
29,338
|
542,7604
|
13026,25
|
|
Экономист
|
1
|
10
|
293,384
|
117,353
|
102,684
|
29,338
|
542,7604
|
6513,125
|
|
Нормировщик
|
1
|
9
|
274,456
|
109,782
|
96,059
|
27,445
|
507,7436
|
6092,923
|
|
Бухгалтер
|
1
|
9
|
274,456
|
109,782
|
96,059
|
27,445
|
507,7436
|
6092,923
|
|
Техник
|
1
|
9
|
274,456
|
109,782
|
96,059
|
27,445
|
507,7436
|
6092,923
|
|
Зав. складом
|
1
|
7
|
240,149
|
96,0596
|
84,052
|
24,015
|
444,2756
|
5331,308
|
|
Кассир
|
1
|
6
|
224,77
|
89,908
|
78,669
|
22,477
|
415,8245
|
4989,894
|
|
Секретарь-машинист
|
1
|
6
|
224,77
|
89,908
|
78,669
|
22,477
|
415,8245
|
4989,894
|
|
Кладовщик
|
1
|
4
|
185,731
|
74,2924
|
65,006
|
18,573
|
343,6023
|
4123,228
|
|
Чертёжник
|
1
|
5
|
204,659
|
81,8636
|
71,6307
|
20,466
|
378,6191
|
4543,43
|
|
å результа-ты
|
26
|
|
4631,445
|
1852,58
|
1621,001
|
463,14
|
Фшт=
|
174488,72
|
Из таблицы 4.2 определим годовой фонд заработной платы ИТР, служащих и
МОП: Фшт=174488,72 тыс. руб.
Для определения годового фонда заработной платы рабочих определим часовую
тарифную ставку рабочих:
(4.2)
где
С - месячная тарифная ставка 4 - го разряда, С= 91
1,57=142,87 тыс. руб.
тыс.руб/ч.
Годовой
фонд заработной платы рабочих:
(4.3)
где
-годовой номинальный фонд рабочего времени,
=2080 ч;
,4
- коэффициент, учитывающий надбавку к окладу в виде премии;
,35
- коэффициент, учитывающий отчисления на социальное страхование.
тыс.руб.
Основной
годовой фонд заработной платы ИТР, служащих, МОП и рабочих:
(4.4)
тыс.руб.
Дополнительный
годовой фонд заработной платы ИТР, служащих, МОП и рабочих:
. (4.5)
тыс.руб.
Годовой
фонд заработной платы ИТР, служащих, МОП и рабочих:
(4.6)
тыс.руб.
Штатное
расписание, примерные должностные месячные оклады рабочих электроцеха приведены
в таблице 4.3.
Таблица
4.3 Должностные месячные оклады (примерные) рабочих
|
Наименование должности
работающего
|
Кол-во
|
Раз-ряд
|
Оклад, тыс.руб.
|
Премия, тыс.руб.
|
ФСЗН, тыс.руб.
|
Доп. з/плата, тыс.руб.
|
З/плата в месяц, тыс.руб.
|
З/плата в год (с учетом
кол-ва), тыс.руб.
|
|
Рабочие
|
13
|
1
|
118,3
|
47,32
|
41,405
|
11,83
|
218,855
|
34141,38
|
|
Рабочие
|
39
|
2
|
137,228
|
54,891
|
48,029
|
13,723
|
253,872
|
118812,1
|
|
Рабочие
|
79
|
3
|
159,705
|
63,882
|
55,897
|
15,971
|
295,454
|
280090,4
|
|
Рабочие
|
79
|
4
|
185,731
|
74,2924
|
65,006
|
18,573
|
343,602
|
325734,7
|
|
Рабочие
|
39
|
5
|
204,659
|
81,863
|
71,631
|
20,466
|
378,619
|
177193,7
|
|
Рабочие
|
13
|
6
|
224,77
|
89,908
|
78,669
|
22,477
|
415,824
|
64868,54
|
Схема производственно-технического подчинения входящих подразделений
электроцеха приведена на рис. 4.1.
В электроцехе созданы ремонтные и эксплуатационные участки (бригады) для
обслуживания общезаводского оборудования и сетей: подстанций, КЛ,
коммутационной аппаратуры и др., а также ремонтные участки (бригады) для
проведения капитальных ремонтов в производственных цехах.
Принято, что бригада может состоять из 10-15 человек. В подчинении
каждого мастера находится 2 бригады. На каждом участке электроцеха работает по
3 мастера, подчиняющихся старшему мастеру. Руководителем каждого участка
является начальник участка. Электроцех предприятия включает в себя 2 участка.
Также электроцех имеет собственный склад оборудования и материалов.
Кроме этого, в штате работников электроцеха имеются: заместитель
начальника цеха, начальники смен, инженера, техники, секретарь-машинист,
нормировщик, бухгалтер, кассир, чертежник.
Рисунок 4.1 Схема производственно-технического подчинения
5. Таблица технико-экономических показателей
В таблице приведены все основные показатели, характеризующие работу
энергетического хозяйства промышленного предприятия и электроцеха.
Таблица 5.1 Технико-экономические показатели, характеризующие работу
энергетического хозяйства
|
№ п/п
|
Наименование
|
Обозначение
|
Величина
|
Размерность
|
|
1
|
Общие капитальные затраты
|
К
|
1053,374
|
млн.руб.
|
|
2
|
Издержки амортизации
|
Иам
|
49,657
|
млн.руб.
|
|
3
|
Издержки эксплуатации
|
Иэкс
|
23,144
|
млн.руб.
|
|
4
|
Стоимость потерь
электроэнергии
|
Ипот
|
829,11
|
млн.руб.
|
|
5
|
Приведенные затраты
|
З
|
1028,316
|
млн.руб.
|
|
6
|
Средний тариф
|
bср
|
265,332
|
руб/кВт×ч
|
|
7
|
Плата за электроэнергию
|
Пэ
|
13628,329
|
млн.руб.
|
|
8
|
Годовое полезное
потребление электроэнергии
|
Эпол
|
48208452
|
кВт×ч/год
|
|
9
|
Эгод
|
51363344
|
кВт×ч/год
|
|
10
|
Потери электроэнергии за
год
|
DЭгод
|
3154892
|
кВт×ч/год
|
|
11
|
Дополнительные капитальные
вложения
|
DК
|
1,656
|
млн.руб.
|
|
12
|
Стоимость полезного кВт×ч
|
С
|
284,206
|
руб/кВт×ч
|
|
13
|
Экономический эффект
|
З30,264млн.руб.
|
|
|
|
14
|
Срок окупаемости
|
Ток
|
0,054
|
год
|
|
15
|
Годовая трудоёмкость к.р.
|
946,32чел×ч/год
|
|
|
|
16
|
Годовая трудоёмкость т.р.
|
1867,89чел×ч/год
|
|
|
|
17
|
Годовая трудоёмкость т.о.
|
3359,03чел×ч/год
|
|
|
|
18
|
Годовая трудоёмкость п.ц.
|
482623,2чел×ч/год
|
|
|
|
19
|
Численность ремонтного
персонала
|
Чраб
|
266
|
чел
|
|
20
|
Годовой фонд заработной
платы
|
Фгод
|
1056,77
|
млн.руб.
|
Литература
1. В.П. Керного, Ю.И. Сильченко, А.А. Ганжин. Методическое
пособие к курсовой работе по курсу “ Организация и планирование энергетического
производства ” для студентов специальностей 0303- ” Электроснабжение
промышленных предприятий ”.-Мн.: БГПА,1988.
. Неклепов Б.Н., Крючков И.П. Электрическая часть
электростанций и подстанций: Справочные материалы для курсового и дипломного
проектирования - М.: Энергоатомиздат, 1989.
3. О.П. Королёв, В.Н. Радкевич, В.Н. Сацукевич.
Электроснабжение промышленных предприятий. Учебно-методическое пособие. - Мн.:
1998.