Редуктор
Вступ
Редуктор - це механізм, який служить
для зниження кутових швидкостей і збільшення передаваємих обертових моментів.
Редуктор - це механізм, що складається з зубчастих або черв'ячних передач,
укладених в окремий закритий корпус. Служить для передачі обертання від валу
двигуна до валу робочої машини.
Призначення редуктора - зниження
кутової швидкості і відповідно підвищення обертального моменту веденого вала в
порівнянні з ведучим.
Редуктор складається з корпусу, в
якому містяться елементи передачі - зубчасті колеса, вали, підшипники і т.д.
Редуктор проектують або для приводу
певної машини, або по заданому навантаженні і передаточному числу без
зазначення конкретного призначення. Циліндричні колеса , в яких зуби розміщені
по гвинтових лініях на ділильному циліндрі , називають косозубими. На відміну
від прямозубої в косозубій передачі зуби входять в зачеплення не зразу по всій
довжині, а поступово. Збільшується час контакту однієї пари зубів, протягом
якого входять нові пари зубів, навантаження передається по великій кількості
контактних ліній , що значно знижує шум та динамічні навантаження.
Рис. 1 Рис.
2
Чим більший кут нахилу лінії зуба ,
тим вища плавність зачеплення. У пари спряжених косозубих коліс з зовнішнім
зачепленням кути рівні , але протилежні за направленням.
Якщо до коліс не пред′явлено
спеціальних вимог, то колеса нарізають правими, а шестерні - лівими.
В косозубого колеса відстань між
зубами можно виміряти в торцовому або круговому та нормальному напрямках. В
першому випадку одержуємо коловий крок, в другому - нормальний крок. Різними в
цих направленнях будуть модулі та зачеплення.
Нормальний модуль m повинен
відповідати стандарту і бути вихідною величиною при геометричних розрахунках.
Розділовий та початковий діаметри
D = d ω = m ţz = mz /cosβ
Нахил зуба одержують поворотом
інструменту на кут β, профіль
косого зуба в нормальному січенні відповідає вихідному контуру інструментальної
рейки і, відповідно, співпадає з профілем прямого зуба модуля m.
Еквівалентне колесо. Профіль косого
зуба в нормальному січенні А- А відповідає вихідному контуру інструментальної
рейки, тому співпадає з профілем прямозубого колеса. Розрахунок косозубих коліс
проводять, використовуючи параметри еквівалентного прямозубого колеса.
Профіль зуба в цьому січенні майже
співпадає з профілем умовного прямозубого колеса, яке називається
еквівалентним.
Сили в зачепленні. При визначенні
направлення сил враховують направлення руху коліс і направлення нахилу зуба
(праве або ліве).
Осьова сила додатково навантажує
підшипники. Присутність в зачепленні осьових сил є недоліком косозубої
передачі.
Вибір електродвигуна. Кінематичний
розрахунок
Початкові дані: P2 =3,8 кВт
= 230 об/хв
Визначаємо ККД електродвигуна:
(1)
де
ККД
електродвигуна;
ККД пари
циліндричних зубчастих;
коефіцієнт, який
враховує втрати пари підшипників кочення;
ККД відкритої
цепної передачі;
ККД який враховує
втрати на опорах приводного валу.
Визначення потрібної потужності
двигуна:
редуктор вал муфта
шестерня
(2)
де
потужність
на виході редуктора, кВт.
Знайдемо вхідну частоту
обертання:
З формули 3 виведемо формулу 4:
(3)
(4)
де
вхідна
частота обертання;
передаточне
відношення,приймаємо u=і = 2,5;
вихідна частота
обертання.
На підставі всіх знайдених
величин вибираємо електродвигун:
|
Потужність, кВт
|
Синхронна частота обертання, об/хв
|
|
4
|
750
|
|
типорозмір
|
s, %
|
|
|
138S8
|
4,1
|
1,8
|
Визначаємо номінальну частоту
обертів двигуна:

(5)
Кутова швидкість двигуна:
(6)
Кутова швидкість вихідного
валу:
(7)
Обертальний момент на валу
шестерні:
(8)

Н*мм
Обертальний момент на валу
колеса:
(9)
Кінематична схема наведена в
додатку 6.
Розрахунок
зубчастих коліс редуктора
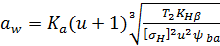
Визначаємо допустиму
контактну напругу:
де
границя
контактної витривалості при базовому числі циклів, визначається як
2*HB+70,
при цьому твердість сталі
= 230,
= 200;
коефіцієнт
довговічності, його ми приймаємо
;
коефіцієнт безпеки, приймаємо
.
Для шестерні:
Для колеса:
Тоді допустима контактна напруга:
)
(11)
Умова
виконана.
Знаходимо міжосьову відстань із умови контактної витривалості активних
поверхонь зубів:
(12)
де
коефіцієнт,
який для косозубої передачі
;
коефіцієнт,
який враховує нерівномірність розподілення навантаження по ширині вінця, за
таблицею 3.1 приймаємо
;
коефіцієнт
ширини вінця по міжосьовій відстані, для косозубої передачі приймаємо
.
За ГОСТ 2185-66 приймаємо
найближче значення 
Приймаємо нормальний модуль
зачеплення в таких межах
приймаємо 
.
Приймаємо попередньо кут
нахилу зубців
і визначаємо
кількість зубців шестерні:
(13)

Розраховуємо кількість зубців
колеса:
(14)
Визначаємо уточнене значення
кута нахилу зубців:
(15)
Тоді кут
13°
.
Визначаємо основні розміри
шестерні і колеса:
Ділильні діаметри:
(16)
Перевірка: 
Діаметри вершин зубів:
(17)
,
,
Ширина колеса:
Ширина шестерні::
Визначаємо коефіцієнт ширини
шестерні по діаметру:
(18)
Окружна швидкість коліс і
ступінь точності передачі:
(19)
Знаходимо коефіцієнт
навантаження:
(20)
де
коефіцієнт,
який ми приймаємо за таблицею 3.5 при 
твердості
та
несиметричному розташуванні коліс вибираємо 
;
коефіцієнт, який враховує
нерівномірність розподілення навантаження між зубами, по таблиці 3.4 при
до 10 м/с і
8- му ступені точності
, приймаємо 
;
динамічний коефіцієнт, який для
косозубих коліс при
до 5 м/с і
8- му ступені точності по таблиці 3.6 
.
Перевіряємо контактні напруги
за формулою:
(21)
Знаходимо сили діючі в
зачепленні:
Окружна:
(22)
Радіальна:
(23)
Осьова:
(24)

Перевіряємо зубці на
витривалість по напругам згину:
(25)
де
коефіцієнт
навантаження, визначається за формулою
, за таблицею 3.7 при 
і несиметричному розташуванню коліс

, за таблицею 3.8 при 8-му ступені
точності, твердості
та окружній
швидкості від 3
приймаємо
, тоді 
;
коефіцієнт, який враховує форму
зуба, коли 
тоді 
, а для 
, 
;
коефіцієнт, який введено для
компенсації похибки, визначається за формулою (26);
коефіцієнт який враховує нерівномірність
розподілення навантаження між зубами, визначається за формулою (27).
(26)

;
(27)
де
коефіцієнт
осьового перекриття;
Допустима контактна напруга:
(28)
де
за таблицею
3.9 для сталі 45 покращеної при твердості НВ
350
, тоді для шестерні
; для колеса
;
коефіцієнт безпеки,
, де за
таблицею 3.9
,
, тоді
. Таким
чином допустимі напруги:
Для шестерні:
;
Для колеса:
;
Знаходимо відношення:
:
Для шестерні: 
;
Для колеса: 
;
Перевіряємо міцність зубів
коліс:
Умова міцності виконана.
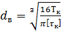
Попередній
розрахунок валів редуктора
(27)
де
допустима
напруга при крученні, для сталі 45 приймаємо
.
- для муфти
- для ремінної передачі
Із стандартного ряду
вибираємо найближчі значення:
Вал редуктора з’єднується з
валом
електродвигуна муфтою тому узгодимо діаметри ротора електродвигуна і вала
редуктора. У вибраного електродвигуна типу 4А132S наступні габарити:
Діаметр вала електродвигуна
Вибираємо муфту типу МУВП
ГОСТ 21424-75 з розточкою напівмуфт під
та
Приймаємо під підшипниками діаметр
валу
, тоді
та
Конструктивні
розміри шестерні і колеса
Шестерню виготовляємо як одне
ціле з валом, за раніше визначеними розмірами: 



Колесо коване має розміри: 


Діаметр ступиці за таблицею
10.1 для кованих коліс визначається за формулою:
(28)
(29)
Приймаємо 
Товщина обода:
.
Приймаємо
.
Товщина диска 
Конструктивні
розміри корпуса редуктора
Циліндричні зубчаті колеса
виготовляють із прямими косими і з шевронними зубами.
Прямозубі колеса застосовують
зазвичай в відкритих передачах і в закритих передачах.
Косозубі циліндричні колеса
працюють більш плавно. Ці колеса при тих же розмірах, матеріалі та термообробці
можуть передавати велике навантаження в порівнянні з прямозубими. Недоліком при
розробці циліндричних косозубих коліс являється виникнення при роботі передачі
осьових сил, які додатково навантажують підшипники
ускладнюється обробка
шестерні зв’язана з тим , що для посадки її на вал необхідно точно обробити
отвір;
витрачається додатковий
метал;
витрачається час на зборку
з’єднання.
При виконанні разом з валом
ускладнюється заготовка вала-шестерні, яка повинна виходити в вигляді поковки.
Основним критерієм вибору
конструктивного варіанта являється економічність. Зрівнюючи по цьому критерію
обох виконань найчастіше всього виявляється на користь вала-шестерні.
Вихідні фрези визначають
графічно на кресленні Рис. 3, а. Деякі конструктивні варіанти вала-шестерні
показані на Рис. 3. Вал-шестерня на рис (Рис. 3, б) розміщені в середині
корпуса. В конструкції деталі, яка показана на Рис. 3, (а, в, г), праві кінці
валів виступають за межі корпуса.
Рис. 3
Зубчаті колеса складаються з трьох
елементів: обода, несучого на собі зубці, маточини і диска або спиць, які
сполучають обід з маточиною.
Циліндричні і конічні товщини коліс
ободу та інших елементів показані на Рис. 4.
Рис. 4
Щоб зменшити концентрацію
навантаження по довжині зуба, інколи роблять, зберігши достатньо міцний обід,
внутрішню його поверхню конусною(Рис. 3, а).
Для тої ж цілі шестерні, які
виконуються разом з валом, інколи конструюють по типу Рис. 3, б. Для вирівняння
навантаження по довжині зуба рекомендується розташовувати диски коліс, які
знаходяться в зачепленні, по схемі Рис. 3.
Рис. 5
На Рис. 6 представлені два варіанта
бандажованих коліс. Литі стальні або чавунні зубчаті колеса, які застосовуються
зазвичай в мало- і середньо серійному виробництві, виготовляють з диском без
ребер жорсткості (Рис. 4, а)., а з диском з ребрами жорсткості (Рис. 6, б).
Рис. 6
На Рис. 6 показані два варіанта
конструктивного виконання коліс з внутрішніми зубцями, які відрізняються
розміщенням маточини відносно зубчатого вінця. Рис. 6, а, маточина розташована
всередині колеса, Рис. 6, б маточина винесена за контур зубчатого вінця.
Рис. 7
Товщина стінок корпуса і кришки:
(30)

, приймаємо
.
(31)

, приймаємо
.
Товщина фланців поясів
корпуса і кришки:
(32)
Нижнього пояса корпуса:
(33)
, приймаємо
Діаметр болтів:
Фундаментних:
(34)
Приймаємо болти з різьбою М16.
Прикріпляючих кришку до корпусу біля
підшипників:
(35)
Приймаємо болти з різьбою М12.
З’єднуючі кришку з корпусом:
(36)
Приймаємо болти з різьбою М10.
Вибір підшипників кочення
Рис. 8
Різні типи передач потребують
використання різних підшипників кочення. Оскільки розраховуючи дану курсову
роботу, я вибрав косозубу передачу, то для подальших розрахунків я обираю
радіальні шарико - підшипники кочення. Вони сприймають радіальне навантаження,
бо осьового навантаження немає. Для цього типу підшипників допускається кутове
зміщення внутрішнього кільця відносно зовнішнього до 10’.
Класифікація підшипників:
кочення;
ковзання.
В залежності від навантаження:
однорядні;
багаторядні.
Умовне позначення підшипників
здійснюється за допомогою цифр. Порядок відліку цифр ведеться справа на ліво.
Схема умовного позначення:
) (2-1) - внутрішній діаметр;
) (3) - серія діаметрів;
) (4) - тип підшипника;
) (6-5) - конструктивна
різновидність;
) (7) - серія підшипників за
шириною;
де 1,2,3,4… - номер цифри.
Я вибрав підшипники яки мають умовне
позначення 205, 207. Відповідно до цього умовного позначення , визначаємо
основні параметри підшипника:
1)
;
де
внутрішній
діаметр,
.
) середня серія діаметрів;
) шариковий радіальний
підшипник.
Отримані дані, а токож
параметри, які відповідають умовному позначенню підшипника заносимо до таблиці 1.
|
Умовне позначення по ГОСТ 3189-75
|
Габаритні розміри, мм
|
Динамічна вантажопід’ємність С, кН
|
Статична вантажопід’ємність С, кН
|
|
Обираємо підшипник кочення для вала шестерні
|
|
205
|
d=25 D=52 B=15 r=1,5
|
14
|
6,95
|
|
Обираємо підшипник кочення для вала колеса
|
|
207
|
d=35 D=72 B=15 r=2
|
25,5
|
13,7
|
Перевірка міцності шпоночних
з’єднань
Для даної курсової роботи обираємо
шпонки призматичні з заокругленими торцями. Розміри перерізів шпонок, пазів і
довжини шпонок обираємо за ГОСТ 23360 - 78, з Додатку 4.
Шпонка - деталь машин і механізмів
продовгуватої форми, що вставляється в паз з'єднуються деталей шпонкових
з'єднання для передачі крутного моменту. Виготовляються з різних сталей і
сплавів.
Шпонкові з'єднання. Для виконання
такого з'єднання на валу фрезерують паз, також паз роблять в отворі
насаджується на вал деталі. Шпонка входить одночасно в обидва ці паза, фіксуючи
деталь і забезпечуючи передачу крутного моменту. Застосовуються призматичні,
сегментні, клинові шпонки.
Призматичні шпонки залежно від
конструкції з'єднання та технології виготовлення паза під шпонку на валу.
Застосовують також призматичні напрямні шпонки, які прикріплюються до валу
гвинтами, або призматичні ковзні шпонки, які рухаються разом з колесом уздовж
паза на валу.
Сегментні шпонки представляють собою
пластини у вигляді сегмента вони працюють так само, як і призматичні шпонки.
Для установки сегментних шпонок фрезерують глибокий шпонковий паз, який
послаблює вал. Тому ці шпонки застосовують для передачі невеликих крутних
моментів на валах порівняно невеликого діаметру. З'єднання сегментними шпонками
показано.
Клинові шпонки представляють собою
самотормозуючий клин з ухилом 1: 100. На відміну від призматичних і сегментних
шпонок клинові шпонки створюють напружене з'єднання. Наявність напруженого з'єднання
дає можливість закріплення деталі на валу без додаткових кріплень. Але таке
напружене підключення порушує правильність обертання, так як шпонка зміщує «на
себе» зазор між валом і отвором ступиці колеса, тобто порушує центрування
з'єднаних деталей. Через цей недолік клинові шпонки мають обмежене
застосування. Залежно від конструкції вузла клинові шпонки можуть бути без
головки і з головкою. Клинові шпонки з головкою застосовуються в тих випадках,
коли демонтувати шпонку неможливо, немає доступу до тонкого кінця заважає,
наприклад, стінка корпусу машини. Клинові шпонки показані на рис. 9.
Рис. 9: а - призматична, б -
сегментна, в - клинова звичайна, г - клинова на Лиско, д - клинова фрикційна: 1
- вал, 2 - призматична шпонка, 3 - корпус, 4 - сегментна шпонка, 5 - клинова
шпонка, 6 - клинова шпонка на Лиско, 7 - клинова фрикційна шпонка
Шпонки розраховуються за стандаром,
тобто знаючи діаметр валу можна визначити розміри шпонки.
Матеріал з якого виготовлені шпонки
- сталь 45 нормалізована. Розраховуємо напругу зминання з умови міцності за
формулою:
(37)
діаметр вихідного кінця вала;
висота шпонки,
;
довжина шпонки,
;
ширина шпонки,
;
обертаючий момент на валу,
;
- напруга зминання,приймаємо її для
стальної ступиці
значення не
перевищують допустиму напругу зминання.
Ведучий вал:
Для колеса:
9. Вибір та
розрахунок муфти
Муфтами називають пристрої,
які служать для з’єднання кінців валів і осей. Потреба з’єднувати вали
викликана тим, що більшість механізмів компонують із окремих вузлів.
Застосування муфт спрощує монтажні роботи по збиранню механізмів
По характеру роботи муфти
поділяють:
постійні недопускаючі роз′єднань
в процесі експлуатації;
ті що керуються, дозволяючі
роз’єднувати та з’єднувати вали за допомогою системи управління;амоврядні,
автоматично замикаючі і розмикаючі вали, використовуються при зміні частоти
обертання передаваємого моменту,направлення передачі моменту.
По характеру з’єднання валів
муфти поділяють на:
Жорсткі - не допускаючи
повороту одного валу відносно іншого;
гнучкі, та гнучко -
демпфіруючі - допускаючі відносний поворот за рахунок гнучкої деформації
проміжних деталей;
фрікціонні - допускаючі
відносний поворот за рахунок прослизання спряжених поверхонь тертя.
В залежності від виду двигуна
і умов рботи існують різні види муфт, для даної курсової роботи я обираю муфту
пружинну втулочну пальцеву. Допустимий крутний момент для муфти обераємо з
додатку 5. Муфта розраховується за формулою:
(38)
де
розрахунковий
крутний момент,
;
коефіцієнт, що залежить від виду
двигуна, (приймається 0.25);
коефіцієнт, що залежить від умов
роботи муфти, (приймається в межах від 0.9 до 3.5);
допустимий крутний момент для
муфти, (приймається 600
);
обертаючий момент на валу шестерні,
(дорівнює 44,1
).
Розраховуємо крутний момент
для муфти, за формулою (38):
Виконавши розрахунки, я
побачив, що допустимий крутний момент для даної муфти складає
, отже можна
зробити висновок, що дану муфту можна використовувати при подальшому
виготовленні редуктора.
Висновки
Виконавши курсову роботу, я
практично навчився визначати всі параметри необхідні для розрахунку редуктора.
Детальніше дізнався про застосування та основне призначення редуктора. Я також
ознайомився з основними видами передач, які є невід’ємною частиною будь якого
редуктора. Я дізнався багато цікавої і корисної інформації, тому що для
виконання цієї роботи мені довелося частково освоїти предмет «Деталі машин».
Редуктор, який я розрахував в даній
курсовій роботі може використовуватись як складова одиниця різних установок і
механізмів, так наприклад , даний редуктор може служити як один з елементів
підйомних машин шахтних стволів, але потрібно враховувати режими підйому і
умови експлуатації даної підйомної машини, також розрахований редуктор може
бути частиною двигуна різних транспортних засобів.
Список літератури
1.
Уваров Б.М. Детали и механизмы приборов. Справочник. Киев/Техника", 1987
р. С. 343.
.
Эрдеди А.А. Техническая механика. Москва, 1991 р., 304 с.
.
Чернілевський Д.В. Теоретична механіка. Київ, Машинобудування, 1984 р.
.
Гофман О.О. Прикладна механіка. Київ, „Генеза", 1993 p., 138 с.
.
Гузенков П.Г. Детали машин. Москва . "Высшая школа", 1982, 351 с.
.
Гофман О.Г. Прикладна механіка.Ч.2. Київ, "Техніка" 1993 p., 236 с.
.
Чернилевский Д.В., Павленко B.C., Любин М.В. Детали машин. Киев,
"Техніка" 1992 р., 232 с.
.
Нехайчук В.Г., Матвійчук В.А., Чернілевський Д.В. Опір матеріалів. Київ, НМК
ВО, 1992 p., 272 с.
.
Куркин В.І., Козинцев B.C. Детали механизмов радиоустройств. Москва, „Висшая
школа", 1988 г., 256 с.
.
Самохвалов А.Я., Левицкий М.Я., Григораш В.Д. Справочник техника-конструктора.
Киев, "Техніка", 1978 г., 592 с.
.
Зенкин A.C., Петко И.В. Допуски и посадки в машиностроении. Справочник. Киев,
„Техніка", 1981 г., 255 с.
.
Шаповал М.Л. Основи стандартизації, управління якістю і сертифікації. Київ,
Видавництво европейского університету, 2002 p., 172 с.
.
Рощин ГЛ. Несущие конструкции и механизмы ЭА. Москва, „Вища школа", 1981
г.
.
Миронович Р.І. Методичні рекомендації до побудови, викладу, оформлення курсових
проектів, курсових робіт, дипломних проектів, дипломних робіт, випускних робіт.
Київ ПЕК НАУ, 2001 р.
Додаток 1
Додаток 2
Додаток 3
Додаток 4
Розміри перерізів призматичних
шпонок і пазів, мм
|
Діаметр вала
|
Розміри перерізів шпонок
|
Глибина паза
|
Радіус закруглення пазів
|
|
|
Вал
|
Втулка
|
|
|
b
|
h
|
t
|
найменшийнайбільший
|
|
|
|
От 6 до 8
|
2
|
2
|
1,2
|
1,0
|
0.08
|
0,16
|
3
|
|
1,8
|
1,4
|
|
|
|
Св. 10 до 12
|
4
|
4
|
2,5
|
1,8
|
|
|
|
Св. 12 до17
|
5
|
5
|
3
|
2,5
|
0,16
|
0,25
|
|
Св. 17 до 22
|
6
|
6
|
3,5
|
2,8
|
|
|
|
Св. 22 до 30
|
8
|
7
|
4
|
3.3
|
|
|
|
Св. 30 до 38
|
10
|
8
|
5
|
3.3
|
0,25
|
0,4
|
|
Св 38 до 44
|
12
|
8
|
|
|
|
|
|
Св. 44 до 50
|
14
|
9
|
5,5
|
3,8
|
|
|
|
Св. 50 до 58
|
16
|
10
|
6
|
4,3
|
|
|
|
Св. 58 до 65
|
18
|
11
|
7
|
4,4
|
|
|
|
Св. 65 до 75
|
20
|
12
|
7,5
|
4,9
|
0,4
|
0,6
|
|
Св. 75 до 85
|
22
|
14
|
9
|
5,4
|
|
|
|
Св. 85 до 95
|
25
|
14
|
|
|
|
|
|
Св. 95 до 110
|
28
|
16
|
10
|
6.4
|
32
|
18
|
11
|
7.4
|
|
|
|
Св. 130 до 150
|
36
|
20
|
12
|
8,4
|
0.7
|
1,0 '
|
|
Св. 150 до 170
|
40
|
22
|
13
|
9.4
|
|
|
|
Св. 170 до 200
|
45
|
25
|
15
|
10,4
|
|
|
|
Св. 200 до 230
|
50
|
28
|
17
|
11,4
|
|
|
|
Св. 230 до 260
|
56
|
32
|
20'
|
12,4
|
1.2
|
1.6
|
|
Св. 260 до 290 '
|
63
|
32
|
|
|
|
|
|
Св. 290 до 330
|
70
|
36
|
22
|
14.4
|
|
|
|
Св. 330 до 380
|
80
|
40
|
25
|
15.4
|
2.0
|
2,5
|
|
Св. 380 до 440
|
90
|
45
|
28
|
17.4
|
|
|
|
Св. 440 до 500
|
100
|
50
|
31
|
15,5
|
|
|
Довжину шпонки вибирають з ряду,
мм:6,8,10,12,14,16,18,20,22,25,28,32,36,40,45,50,56,63.70,80.90.100.1 10 і ін.
Додаток 5
Додаток 6