Проект одноступенчатого горизонтального косозубого цилиндрического редуктора общего назначения, входящего в состав привода

  • Вид работы:
    Курсовая работа (т)
  • Предмет:
    Другое
  • Язык:
    Русский
    ,
    Формат файла:
    MS Word
    500,01 Кб
  • Опубликовано:
    2014-07-11
Вы можете узнать стоимость помощи в написании студенческой работы.
Помощь в написании работы, которую точно примут!

Проект одноступенчатого горизонтального косозубого цилиндрического редуктора общего назначения, входящего в состав привода

СОДЕРЖАНИЕ

Введение

. Выбор электродвигателя. Кинематический и силовой расчёты привода

. Расчёт роликовой однорядной цепной передачи

. Расчёт цилиндрической зубчатой передачи

. Проектный расчёт валов редуктора

. Конструктивные размеры зубчатого колеса

. Подбор подшипников качения

. Проверочный расчёт валов на сопротивление усталости

8. ПОДБОР И ПРОВЕРКА ПРОЧНОСТИ ШПОНОК

. Подбор муфты

. Смазка зубчатой передачи и подшипников

Список используемой литературы

 
 
ВВЕДЕНИЕ

В настоящем курсовом проекте спроектирован одноступенчатый горизонтальный косозубый цилиндрический редуктор общего назначения, входящий в состав привода.

Редуктор - это механизм, понижающий угловую скорость и увеличивающий вращающий момент в приводе от электродвигателя к рабочей машине.

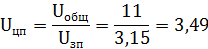
Передаточное число редуктора U = 3,15 кВт;

Передаточное число привода  = 11 кВт;

Редуктор нереверсивный, предназначен для длительной эксплуатации, нагрузка постоянная, работа в две смены.

Валы установлены на подшипниках качения.

Долговечность редуктора  = 36000 часов, минимальная долговечность подшипников качения  = 10000 часов.

Мощность на тихоходном валу редуктора  = 3 кВт, частота вращения  = 80 об/мин.

Редуктор соединён с электродвигателем через цепную передачу. На выходе редуктора устанавливается муфта упругая с торообразной оболочкой.

1. ВЫБОР ЭЛЕКТРОДВИГАТЕЛЯ. КИНЕМАТИЧЕСКИЙ И СИЛОВОЙ РАСЧЁТЫ ПРИВОДА

Рисунок 1 - Схема привода

Исходные данные:

Мощность на выходном валу

,

Частота вращения выходного вала

Редуктор предназначен для индивидуального изготовления и длительной работы. Нагрузка не реверсивная, постоянная (спокойная). Работа двухсменная

Определяем общий КПД привода, равный произведению КПД его элементов [1]


где  - 0,94-КПД цепной передачи,

 -0,97- КПД зубчатой передачи

Определяем требуемую мощность электродвигателя


По каталогу выбираем электродвигатель с  и асинхронной частотой вращения  ближе к .

Двигатель 112MA6/950 ТУ 16-525.564-84,  диаметр вала двигателя 32мм

Определяем общее передаточное число привода


Разбиваем общее передаточное число между передачами, принимая для зубчатой передачи стандартное значение


Определяем частоту вращения, мощность, угловую скорость и вращающий момент на валах двигателя

а) Вал электродвигателя




б) Ведущий вал


в) Ведомый вал


Полученные результаты заносим в таблицу 1

Таблица 1

Вал

n, об/мин

P, кВт

 1/сек

T, Н*м

Вал электродвигателя

950

2,8

99,5

28

Вал ведущий

272

2,6

28

100

Вал ведомый

86,4

2,5

9

278



. РАСЧЁТ РОЛИКОВОЙ ОДНОРЯДНОЙ ЦЕПНОЙ ПЕРЕДАЧИ

Рисунок 2 - Схема роликовой однорядной цепной передачи

Исходные данные:

1.1.1 

1.1.2 

1.1.3 

.1.4   Условия работы:

а) характер нагрузки - спокойный;

б) угол наклона линии центров звёздочек  к горизонту равен нулю

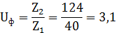
Определяем число зубьев ведущей и ведомой звёздочек

Количество зубьев ведущей звёздочки

 

Принимаем  равное 22штук

Количество зубьев ведомой звёздочки

 

Принимаем  равное 77 штук.

Проверка:

верно

Определяем коэффициент влияния угловой скорости  на износостойкость шарниров


шаг цепи


где  - коэффициент,.учитывающий число рядов цепи

Принимаем шаг цепи равный 12,7 мм

Принятый шаг проверим по допустимой угловой скорости


Определяем среднюю скорость цепи и назначаем способ смазки


Проверка:

верно

Способ смазки при V= 4,4для цепных передач, не имеющих картера, применяем внутришарнирную смазку.

Определяем коэффициент эксплуатации


где  - коэффициент динамической нагрузки, зависящий от типа привода при спокойной нагрузке,

 - коэффициент наклона линии горизонта центров звёздочек,

 - коэффициент, учитывающий способ регулирования натяжения цепи,

 - коэффициент, зависящий от способа смазки передачи

Рассчитываем среднее давление на шарниры в звеньях цепи


где  - коэффициент работоспособности,

 - срок службы передачи

Проверка:

верно

Определяем окружную скорость


износостойкость цепи


где  - площадь проекции опорной поверхности шарнира

Проверка:

верно

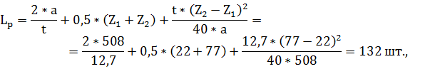
Рассчитываем геометрические размеры передачи

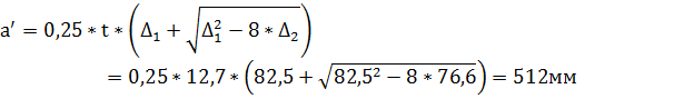
Межосевое расстояние


Определяем количество звеньев в цепи

 

Количество звеньев в цепи принимаем равное 132 штук

Длина цепи


Уточняем межосевое расстояние


Для нормальной работы передачи ведомая ветвь должна иметь необходимую стрелу провисания, для чего расчётное межосевое расстояние уменьшают на 0,002 - 0,004 . Принимаем  равны 512 мм.

Определяем силу, действующую на вал


где  - коэффициент, динмической нагрузки, действующей на вал

. РАСЧЁТ ЦИЛИНДРИЧЕСКОЙ ЗУБЧАТОЙ ПЕРЕДАЧИ

Исходные данные:

Условия работы:

а) характер нагрузки - спокойный;

Редуктор с нереверсивной передачей, предназначен для длительной эксплуатации и мелкосерийного производства

Выбор материала зубчатых колёс

Колесо

а) Марка материала: Сталь 40Х,

б) Вид термообработки: улучшение,

в) Ширина заготовки венца  = 125мм,

г) Твёрдость рабочих поверхностей зубьв: 235 - 262HB,

д) Предел прочности  = 790МПа

Шестерня

а) Марка материала: Сталь 40Х,

б) Вид термообработки: улучшение,

в) Диаметр заготовки  = 125мм,

г) Твёрдость рабочих поверхностей зубьв: 269 - 302HB,

д) Предел прочности  = 900Мпа

Принимаем среднюю твёрдость колеса и шестерни, равную 250HB и 286HB соответственно

Допускаемое контактное напряжения для шестерни


где  - предел контактной выносливости поверхностей зубьев при твёрдости, равной 180 - 350 HB,

 - допускаемый коэффициент безопасности при однородной структуре материала,

 - коэффициент долговечности для длительно работающих передач при постоянном режиме нагрузки

Допускаемое контактное напряжения дляколеса


Принимаем допускаемое контактное напряжение для прямозубых цилиндрических колёс:


Проверка:

верно

Допускаемое напряжение изгиба при расчёте зубьев на усталость

Допускаемое напряжение изгиба для шестерни


где  - предел выносливости зpубьев по излому при твёрдости, равной 180 - 350 HB,

 - допускаемый коэффициент безопасности для зубчатых колёс, изготовленных из поковок,

 - коэффициент долговечности для длительно работающих передач при постоянном режиме нагрузки

Коэффициент ширины

Относительно межосевого расстояния, как для симметричного расположения колёс относительно опор


Относительно делительного диаметра шестерни



Принимаем коэффициент неравномерсности распределения нагрузки по ширине зубчатого венца , как для прирабатывающихся колёс с твёрдостью менее 350HB и окружной скорости менее 15 м/сек

Межосевое расстояние

 

Принимаем стандартное значение межосевого расстояния равное 125мм

Ширина венца

а) колеса

 

б) шестерни

 

Нормальный модуль зубьев


Принимаем стандартное значение, равное 1,5мм

Число зубьев

а) шестерни


где  - предварительный угол наклона зубьев, равный 10

б) колеса

 

Фактическое передаточное число

 

отклонение фактического передаточного числа от заданного


Основные геометрические размеры передачи

Диаметр делительной окружности

а) шестерни

 

б) колеса

Проверка значения межосевого расстояния

 

Диаметр окружности вершин зубьев

а) шестерни

 

б) колеса


Диаметр окружности впадин зубьев

а) шестерни

 

б) колеса


Высота зуба


Проверка пригодности выбранных заготовок

Размер заготовки шестерни

 

Ширина заготовки колеса


Проверка:

Верно

Окружная скорость колёс и степень точности передачи

 

Т.к. зубья прямые, и окружная скорость не превышает пятнадцати метров в секунду, то выбираем 8-ю степерь точности

Силы, действующие в зацеплении

Окружная сила


Радиальная сила


Осевая сила

 

Полученные результаты заносим в таблицу 2

Таблица 2 - Расчёт цилиндрической зубчатой передачи

Параметр

Обозначение

Единица измерения

Ширина венца шестерни

мм

53

Ширина венца колеса

мм

50

Число зубьев шестерни

шт.

40

Число зубьев колеса

шт.

124

Нормальный модуль

мм

1,5

Делительный диаметр шестерни

мм

61,31

Делительный диаметр колеса

мм

190,07

Межосевое расстояние

мм

125

Диаметр окружности вершин зубьев шестерни

мм

57,56

Диаметр окружности вершин зубьев колеса

мм

186,32

Диаметр окружности впадин зубьев шестерни

мм

64,31

Диаметр окружности впадин зубьев колеса

мм

193,07

Степень точности


-

8

Окружная сила

Н

0,85

Радиальная сила

Н

1087

Осевая сила

Н

531

3       ПРОЕКТНЫЙ РАСЧЁТ ВАЛОВ РЕДУКТОРА

Ведущий вал

Крутящий момент в расчётном сечении вала


Допускаемое напряжение при кручении


Диаметр выходного конца вала


Т.к. ведущий вал соединяется с валом электродвигателя через цепную передачу , то для получения рациональной конструкции привода небоходимо, чтобы

Принимаем  = 36 мм

Диаметрв вала под подшипники

 

Диаметр буртика под подшипники


Диаметр вала под шестерню

Не назначаем, т.к. принимаем шестерню, выполненную за одно целое с валом

Диаметр резьбового участка вала


Длины участков валов

а)

б)

в)

г)

Данные величины принимаем согласно ряду нормальных линейных размеров:

а)

б)

в)

г)

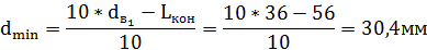
Минимальный диаметр конического участка вала


Рисунок 3 - Отношение минимального диаметра конического участка вала к диаметру выходного конца вала

Выполняем эскиз ведущего вала

привод редуктор передача цилиндрический

Рисунок 4 - Эскиз ведущего вала

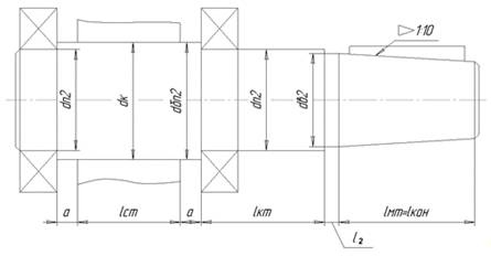
Ведомый вал

Крутящий момент в расчётном сечении вала


Допускаемое напряжение при кручении


Диаметр выходного конца вала


Диаметрв вала под подшипники


Принимаем стандартный диаметр вала под подшипники, равный 45 мм

Диаметр буртика под подшипники


Длины участков валов

а)

б)

в)

Данные величины принимаем согласно ряду нормальных линейных размеров:

а)

б)

в)

Минимальный диаметр конического участка вала


Эскиз ведущего вала

Рисунок 5 - Эскиз ведомого вала

Окончательные размеры длин участков валов определяются при конструировании крышек водшипников и корпуса редуктора, а также выбора типа уплотнения

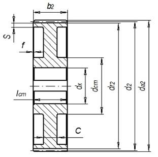
. КОНСТРУКТИВНЫЕ РАЗМЕРЫ ЗУБЧАТОГО КОЛЕСА

Рисунок 6 - Зубчатое колесо

Наружный диаметр ступицы колеса


Наружный диаметр ступицы принимаем, равный 83мм

Длина ступицы колеса


Толщина обода

Толщину обода принимаем, равную 6 мм

Толщина диска колеса


Толщину диска колеса принимаем, равную 20 мм

Фаска


Принимем f=1мм

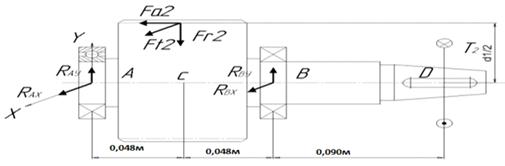
6. ПОДБОР ПОДШИПНИКОВ КАЧЕНИЯ

Рисунок 7 - Направления действующих сил

Ведущий вал

Схема нагружения

Рисунок 8 - Схема нагружения ведущего вала

Исходные данные:

а)

б)

в)

г)

д) ;

е)

ж)

з)

Определение реакций опор в горизонтальной плоскости

Рисунок 9 - Реакции опор ведущего вала


Проверка:

0

верно

Определение реакций опор в вертикальной плоскости

Рисунок 10 - Реакции опор ведущего вала

Так как схема нагружена симметрично, то

 

Расчёт суммарных радиальных опорных реакций

 

Выбор типа подшипников

Выбираем радиальный шариковый подшипник лёгкой серии 209:=45мм, D=85мм, B=19мм, . Грузоподъёмность: Cr=33,2кН, Cor=18,6кН

Рисунок 11 - Схема нагружения подшипника 209

Минимальная долговечность подшипников

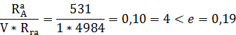
Для подшипника Б, воспринемающего осевую нагрузку:


Принимаем коэффициенты: x=0,56, y=1,71 e=0,26

 

Принимаем: x=0,56; y=1,71

Эквивалентная динамическая радиальная нагрузка на подшипник Б


где  - колэффициент вращения при вращающемся кольце подшипника,

 - коэффициент безопасности;

 - температурный коэффициент

Эквивалентная динамическая радиальная нагрузка на подшипник А


Расчётная долговечность наиболее нагруженного подшипника

 


Подшипник 209 подходит

Ведомый вал

Схема нагружения

Рисунок 12 - Схема нагружения ведомого вала

Исходные данные

а)

б)

в)

г) ;

д)

е)

ж)

Определение реакций опор в горизонтальной плоскости

Рисунок 13 - Реакции опор ведомого вала

 

Проверка:

верно

Определение реакций опор в вертикальной плоскости

Рисунок 14 - Реакции опор ведомого вала

Так как схема нагружена симметрично, то


На выходе зубчатого колеса редуктора стоит муфта


Рисунок 16 - Реакции опор ведомого вала

Проверка:

верно

Расчёт суммарных радиальных опорных реакций


Выбор типа подшипников

Выбираем радиальный шариковый подшипник лёгкой серии 211: d=55мм, D=100мм, B=21мм. Грузоподъёмность: Cr=43.6кН, Cor=25кН

Рисунок 16 - Схема нагружения подшипника 210

Минимальная долговечность подшипников

Для подшипника А, воспринемающего осевую нагрузку:


 

Принимаем коэффициенты: x=0,56 , y=1,85 , e=0,24.


Окончательно: x=1 , y=0

Эквивалентная динамическая радиальная нагрузка на подшипник А


Эквивалентная динамическая радиальная нагрузка на подшипник Б


Расчётная долговечность наиболее нагруженного подшипника

 

 

Подшипник 211 подходит


. Проверочный расчёт валов на сопротивление усталости

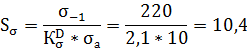
Материал вала

Выбираем сталь Ст5. Диаметр заготовки любой, твёрдость не ниже 190 HB, предел прочности  = 520 МПа, предел выносливости при симметричном цикле изгиба  = 220 МПа и кручении  = 130 МПа

Эпюры изгибающих и крутящих моментов для ведомого вала

Горизонтальная плоскость

Рисунок 17 - Эпюра изгибающих и крутящих моментов

 

Вертикальная плоскость

Рисунок 18 - Эпюра изгибающих и крутящих моментов


Изгиб от силы

Рисунок 19 - Эпюра изгибающих моментов от силы


Кручение

 

Рисунок 20 - Эпюра крутящих моментов


На основании построенных эпюр  устанавливаем опасные сечения вала, которые подлежат расчёту:

-1      сечение в месте пересечения середины ступицы со шпоночным пазом;

-2      сечение под подшипником Б на шейке вала

Сечение 1-1

Суммарный изгибающий момент в сечении


Осевой момент сопротивления сечения с учётом шпоночного паза

=

Полярный момент сопротивления сечения


Амплитуда нормальных напряжений


Амплитуда касательных напряжений


Коэффициенты концентрации напряжений


где  и  - эффективные коэффициенты концентрации напряжений (для вала со шпоночным пазом);

 и  - коэффициенты влияния абсолютных размеров поперечного сечения детали при изгибе и кручении соответственно;

 - коэффициент влияния шереховатости поверхности


Коэффициенты запаса прочности по нормальный и касательным напряжениям


Результирующий коэффициент запаса прочности


Прочность сечения 1-1 на усталгость обеспечена

Сечение 2-2

Суммарный изгибающий момент в сечении


Осевой момент сопротивления сечения


Полярный момент сопротивления сечения

Амплитуда нормальных напряжений


Амплитуда касательных напряжений


Коэффициенты концентрации напряжений


Коэффициенты запаса прочности по нормальный и касательным напряжениям

 

Результирующий коэффициент запаса прочности


Прочность сечения 2-2 на усталгость обеспечена.

Так как прочность вала обеспечена, все данные оставляем без изменения.

 

8. ПОДБОР И ПРОВЕРКА ПРОЧНОСТИ ШПОНОК

Ведущий вал

На ведущем валу устанавливаем шпонку под шкив


Из таблицы ГОСТ принимаем шпонку призматическую со скруглёнными торцами [4]

  

Эскиз соединения

Принимаем 50мм

Принимаем при стальной ступице и спокойной нагрузке

Прочность шпонки обеспечена

Обозначение шпонки: Шпонка 10х8х50 ГОСТ 23360-78

Ведомый вал

На ведомом валу устанавливаем шпонку под колесо

Из таблицы ГОСТ принимаем шпонку призматическую со скруглёнными торцами

Принимаем

 


Прочность шпонки обеспечена

Обозначение шпонки: Шпонка 16х11х50 ГОСТ 23360-78

Принимаем посадку под колесом:

На ведомом валу устанавливаем шпонку под муфту


Из таблицы ГОСТ принимаем шпонку призматическую со скруглёнными торцами

В=10 h=8 =5

Принимаем

 


Прочность шпонки обеспечена

Обозначение шпонки: Шпонка 12х8х63 ГОСТ 23360-78

Вычерчиваем шпонки на миллиметровке сборочного чертежа редуктора

. ПОДБОР МУФТЫ

Исходные данные:


На тихоходном валу редуктора устанавливаем муфту упругую с торообразной оболочкой такую, чтобы допускаемый крутящий момент был не менее заданного расчётного и диаметр отверстия [1]

где - коэффициент режима работы муфты при постоянной нагрузке.

Выбираем:

Муфта 315-45 ГОСТ 20884-82

Эскиз муфты

Рисунок 23

1 - резиновый упругий элемент;

2 - полумуфта;

3 - винт;

- кольцо;

- прижимное полукольцо;

- винт

Проверяем торообразную оболочку муфты на прочность по напряжениям среза


где - диаметр опасного сечения;

Прочность муфты обеспечена.

10. СМАЗКА ЗУБЧАТОЙ ПЕРЕДАЧИ И ПОДШИПНИКОВ

Исходные данные:

Способ смазки

Выбираем картерную систему смазки, т.е. погружение зубчатого колеса непосредственно в масло, залитое в корпус редуктора

Рисунок 24 - Картерная система смазки

Тип СОЖ

Для смазки и охлаждения зубчатых колёс используем индустриальное масло для для гидравлических систем без присадок с кинмеатической вязкостью 68

Обозначение масла

И-Г-А-68

Глубина масляной ванны под колесом

Уровни погружения цилиндрических колёс редуктора в масляную ванну

а) минимальный уровень погружения

 

б) максимальный уровень погружения


Смазка подшипников

Подшипники произвольно смазываются брызгами масла, залитого в корпус редуктора

Контроль уровня масла

Контроль уровня масла осуществляется визуально при помощи маслоуказателя.

СПИСОК ИСПОЛЬЗУЕМОЙ ЛИТЕРАТУРЫ

1.      Дунаев П.Ф. Детали машин. Курсовое проектирование: Учеб. пособие для машиностр. спец. учреждений среднего профессионального образования / П.Ф. Дунаев, О.П. Леликов. - М. : Машиностроение, 2004. - 560 с.

.        Техническая механика. Курсовое проектирование. Расчетная часть проекта. Редукторы цилиндрические : метод. указания для студентов специальностей 151001, 160203. В 2-х книгах. Книга 1 / авт.-сост. Г.Ф. Фефилова - Ульяновск: УАвиаК, 2010.

.        Техническая механика. Курсовое проектирование. Расчетная часть проекта. Редукторы цилиндрические : метод. указания для студентов специальностей 151001, 160203. В 2-х книгах. Книга 2 / авт.-сост. Г.Ф. Фефилова - Ульяновск: УАвиаК, 2010.

.        Шейнблит А.Е. Курсовое проектирование деталей машин: Учеб. пособие для техникумов. - М., Высш. школа,, 1991. - 432 с.

.        Чернавский С.А. Курсовое проектирование деталей машин: Учеб. пособие для учащихся машиностроительных специальностей техникумов /С.А. Чернавский, К.Н. Боков, И.П. Чернин и др. - 2-е изд., перераб. и доп. - М.: Машино-строение, 1988. - 416 с.

Похожие работы на - Проект одноступенчатого горизонтального косозубого цилиндрического редуктора общего назначения, входящего в состав привода

 

Не нашли материал для своей работы?
Поможем написать уникальную работу
Без плагиата!
Без нейросетей!