Расчёт исполнительного механизма, состоящего из двигателя и редуктора
Содержание
Введение
. Задание на курсовое
проектирование
.1 Анализ задания
. Выбор двигателя
.1 Расчет мощности на
выходном валу
.2 Расчет мощности
двигателя
.3 Расчет момента
двигателя
.4 Выбор двигателя
. Кинематический расчет
редуктора
.1 Расчет передаточного
числа редуктора
.2 Определение
передаточных чисел редуктора
.3 Определение числа
зубьев
.4 Определение требуемой
точности редуктора
.5 Расчет коэффициента
полезного действия редуктора
. Расчет модуля и
геометрических размеров
.1 Геометрические параметры
Заключение
Список литературы
Введение
В процессе выполнения курсовой
работы я поставил цели: научится делать расчеты для механизма, работать в
команде и в малом конструкторском коллективе, закрепить знания по использованию
текстовых редакторов и оформление документов по ЕСКД.
1. Задание на курсовое
проектирование
Заданием на курсовое проектирование
является спроектировать исполнительный механизм, состоящий из двигателя и
редуктора с одним выходным валом.
Исходные данные для курсового
проектирования представлены в таблице 1.
Таблица 1 - Исходные данные
|
Параметр
|
Варианты
|
|
|
1-04
|
1-10
|
|
|
Частота вращения, nвых., об/мин
|
8
|
20
|
20
|
|
Момент, Mвых., H ⋅см
|
40
|
25
|
40
|
|
Точность передачи, [Δφ], угл. Мин
|
30
|
30
|
30
|
|
Допускаемый мертвый ход [Δφмх], угл. мин
|
25
|
25
|
25
|
|
Гарантийная стендовая наработка Тр,103 час
|
1,5
|
2
|
2
|
|
Условия эксплуатации, группа
|
ГОСТ 11478
|
ГОСТ16019
|
ГОСТ16019 группа В3
|
|
IV
|
3
|
|
|
Тип корпуса:
|
4
|
2
|
2
|
.1 Анализ задания
Тип корпуса 2 - на двух платах
(часового типа).
Допускаемое отклонение скорости вращения
выходного вала:
ГОСТ16019 группа В3.
Настоящий стандарт
распространяется на аппаратуру сухопутной подвижной радиосвязи
производственного и бытового назначения и устанавливает требования по стойкости
к воздействию механических и климатических факторов и методы испытаний.
Аппаратура возимая,
устанавливаемая во внутренних помещениях речных судов.
Модули выбираются по
ГОСТу 9563-60.
Вариант кинематической схемы
предоставлен на рисунке 1.
Рисунок 1 - Кинематическая схема
механизма
.1 Расчёт мощности на выходном валу
Мощность на выходном валу
рассчитывается по формуле:
,(1.1)
где: Nвых - мощность на
выходном валу, Вт;
M
- момент на выходном валу, H·см;
- частота вращения
выходного вала, об/мин.
Получаем:
Вт
2.2 Расчет мощности двигателя
Мощность двигателя рассчитывается по
формуле:
,
(1.2)
где ht - температурный КПД
механизма, для редуктора с цилиндрической передачей.
Высчитывается по формуле:
Для Nвых= 0,3
Вт получаем:
Вт
.3 Расчет момента двигателя
Момент двигателя рассчитывается по
формуле:
, (1.3)
где i - передаточное отношение редуктора;
ηt -температурный
коэффициент полезного действия.
Передаточное число U рассчитаем как:
(1.4)
Частоту вращения
двигателя для уменьшения числа ступеней редуктора желательно иметь невысокой,
ориентировочно nдв» (100…1000)nвых = (2000…20000)
Момент двигателя равен:
H·см (1.5)
Аналогично рассчитываем для варианта
номер 10 и заносим результаты обоих вариантов в таблицу 2
Таблица 2 - Результаты расчёта
|
Вариант
|
1-04
|
1-10
|
|
,Вт0,330,205
|
|
|
|
0,640,64
|
|
|
|
,Вт0,520,32
|
|
|
|
562,5225
|
|
|
|
, H·см0,110,13
|
|
|
.4 Выбор двигателя
Выберем двигатель согласно таблице
2, учитывая следующие соображения:
· Мощность двигателя
по каталогу Nдв , Mдв должны быть больше расчётных
значений:дв>0,52 Вт
Mдв>0,13 Н·см
· Температурная среда
должна соответствовать требуемой.
· Габаритные размеры
желательно иметь не большими.
· Срок службы и
условия эксплуатации должны удовлетворять требованиям.
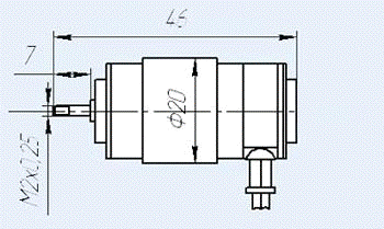
Тип двигателя: ДПМ20-Н2-13
Чертеж и параметры выбранного
двигателя приведены в таблице 2 и на рисунке 2.
Рисунок 2 - Двигатель
Таблица 3 - Технические данные
двигателя
|
Номинальные данные
|
Пусковые данные
|
h, %
|
T,
ч
|
|
U,
В
|
P,
Вт
|
n
|
M,
мН мI, АM, мН мI, А
|
|
|
|
|
|
|
12
|
0,3
|
4500
|
1,47
|
0,28
|
3,92
|
0,8
|
21
|
250
|
3. Кинематический расчёт редуктора
.1 Расчёт передаточного числа
редуктора
Передаточное отношение редуктора
рассчитаем по формуле (3.1)
.2 Определение
передаточных чисел ступеней редуктора
Передаточное число
редуктора представим в виде:
i* = i12i34i56 , (3.2)
где i12 - передаточное число первой ступени цилиндрического редуктора;
i34 - передаточное
числовторой ступени цилиндрического редуктора;
i56 - передаточное число
цилиндрической передачи на выходной ступени.
inmвыбирают так, чтобы выполнялось условие
i12£i34£i56 , (3.3)
где i56 - наибольшее значение передаточного числа цилиндрической
передачи, рекомендуется i56£12,5.
Примем i12 =5; i34 = 9;i56=12,5
По формуле (3.2)
.3 Определение чисел зубьев
Число зубьев цилиндрических колес
рассчитаем из условия соотношения цилиндрических передач, при выполнении
которого обеспечивается постоянство межцентровых расстояний всех цилиндрических
передач.
Примем:
Z1 = 17
Z2 = 85
Z3 = 17
Z4 = 153
Z5 = 18
Z6 = 225
.4 Определение требуемой точности
редуктора
Погрешность скорости вращения
выходного вала редуктора возникает в результате приближенной реализации
передаточных отношений ступеней при округлении чисел зубьев колес. Требуемое
значение относительной погрешности g = Dnвых/nвых
может быть получено корректировкой числа зубьев из условия
g =
£[g]
. (3.6)
Погрешность редуктора:
Требуемая точность выполняется.
.5 Расчет коэффициента полезного
действия редуктора
Коэффициент полезного действия
редуктора равно произведению КПД отдельных ступеней:
h* =
= h1h2h3……hk (3.4)
Для цилиндрической передачи h = 0,97 ... 0,98, для пары подшипников h= 0,99.
h* = hцил3hподш4 = 0,983× 0,994 = 0,90
Таблица 4 - Кинематический расчет
редуктора для варианта 1-04
|
U
|
562,5
|
|
Up
|
|
|
|
|
Передаточные числа
|
U1
|
U2
|
U3
|
|
5
|
9
|
12,5
|
|
Число зубьев
|
Z1 ; Z2
|
Z3 ; Z4
|
Z5 ; Z6
|
|
17; 85
|
17; 153
|
18; 225
|
|
h*
|
0,90
|
|
g
|
0
|
Таблица 5 - Кинематический расчет
редуктора для варианта 1-10
|
U
|
225
|
|
Up
|
|
|
|
|
Передаточные числа
|
U1
|
U2
|
U3
|
|
5
|
5
|
9
|
|
Число зубьев
|
Z1 ; Z2
|
Z3 ; Z4
|
Z5 ; Z6
|
17; 85
|
17; 153
|
|
h*
|
0,90
|
|
g
|
0
|
4. Расчет модуля и геометрических
размеров
Примем значение модуля за 1 на всех
кинематических парах.
.1 Геометрические параметры
механизм двигатель мощность редуктор
Значения геометрических параметров с
формулами приведены в таблице 6.
Таблица 6 -Значения геометрических
параметров
|
Наименование параметра
|
Обозначение
|
Расчётные данные
|
|
|
Формулы
|
Значения
|
Межосевое расстояние 
+ внешнее зацепление
|
- внутреннее зацепление
|
|
|
|
|
Модуль
|
 
|
|
|
|
|
Шаг
|
 
|
|
|
|
|
Диаметр вершин зубьев
|
 
|
|
|
|
|
Диаметр впадин
|
 
|
|
|
|
Толщина зуба
|
 
|
|
|
|
Ширина венца ЗК
|
 
|
|
|
|
Коэффициент ширины венца ЗК
|
 
|
|
|
|
|
|
|
|
|
Коэффициент радиального
зазора 
=0,5 при m=<0.5
=0,35 при 0,5<m<1
|
=0,25 при m=>1
|
|
|
|
|
Радиальный зазор
|
 
|
|
|
|
Высота головки зуба
|
 
|
|
|
|
Высота ножки зуба
|
 
|
|
|
|
Высота зуба
|
 
|
|
|
|
Угол зацепления
|
Для эвольвентного профиля
|
|
|
|
Делительный диаметр
|
 
|
|
|
|
|
Основной диаметр
|
 
|
|
|
|
|
|
|
|
|
|
|
|
Примеры расчетов представлены ниже.
Находим шаг по формуле:
Межосевое расстояние
находим по формуле:
Толщину зуба узнаём из
формулы:
Геометрические расчёты
варианта обоих вариантов представлены в Таблице 7
Таблица 7 -
Геометрические параметры для двух вариантов
|
Наименование параметра
|
Вариант
|
|
1-04
|
1-10
|
1-0410
|
|
Межосевое расстояние
|
  
|

|
|
|
|
Шаг
|

|
|
|
|
Диаметр вершин зубьев
|

|
|
|
|
Диаметр впадин
|

|
|
|
|
Толщина зуба
|

|
|
|
|
Ширина венца ЗК
|

|
|
|
|
Коэффициент ширины венца ЗК
|

|
|
|
|
Коэффициент радиального зазора
|

|
|
|
|
Радиальный зазор
|

|
|
|
|
Высота головки зуба
|

|
|
|
|
Угол зацепления
|
 
|
|
|
|
Высота ножки зуба
|

|
|
|
|
Делительный диаметр
|

|
|
|
|
Основной диаметр
|

|
|
|
Для унификации механизма взято
максимальное межосевое расстояние для всех пар зубчатых колёс.
Заключение
В ходе курсового проектирования был
рассчитан исполнительный механизм, состоящий из двигателя и редуктора. При
проектировании ставилось задачей выполнить устройство как наиболее компактным и
тем не менее легким в сборке с учетом мелкосерийного производства.
Оформление курсового проекта
производилось в соответствии с нормами ЕСКД. Все заданные параметры соблюдены в
соответствии с заданием на курсовой проект.
Список
литературы
1. Методические
рекомендации «Курсовое проектирование механизмов РЭС»:НовГУ каф. ПТР - Великий
Новгород, 2003.