Разработка системы автоматического управления дозатора на предприятии ОАО 'АЛТАЙ-КОКС'
АЛТАЙСКИЙ ГОСУДАРСТВЕННЫЙ ТЕХНИЧЕСКИЙ УНИВЕРСИТЕТ им. И.И.ПОЛЗУНОВА
РАЗРАБОТКА
СИСТЕМЫ АВТОМАТИЧЕСКОГО
УПРАВЛЕНИЯ
ДОЗАТОРА НА ПРЕДПРИЯТИИ
ОАО «АЛТАЙ-КОКС»
БАРНАУЛ 2006 г.
ВВЕДЕНИЕ
Актуальность модернизации дозаторов угля на предприятии коксохимической
промышленности
Кокс используется в различных процессах металлургической, химической,
электротехнической промышленностей. Основная часть производимого кокса идет в
металлургию. Там используются в основном 2 вида кокса: доменный кокс - предназначен
для выплавки чугуна в доменных печах; и литейный кокс - предназначен для плавки
чугуна в вагранках. При этом на доменное производство чугуна затрачивается
более 80% производимого кокса.
Расход кокса при выплавке чугуна составляет около 50% от всех применяемых
сырых материалов. Поэтому улучшение физико-механических свойств кокса
существенно повышает технико-экономические показатели доменного производства.
Следовательно, повышение эффективности доменного производства не возможно
осуществить, не имея высококачественного кокса.
Однако в условиях ограничения ресурсов коксующихся углей решение задачи
улучшения качества кокса является серьезной проблемой, в связи, с чем весьма
важную роль в получении кокса требуемого качества отводят подготовке смесей углей
к коксованию - угольных шихт.
Наиболее перспективное решение проблемы металлургического топлива
заключается в создании промышленного способа получения кокса из некоксующихся
углей, большие запасы которых имеются в Кузнецком бассейне. Несомненно, что правильно
подобранное соотношение таких углей будет оказывать определяющее влияние на
качество получаемого кокса.
Для получения доменного кокса в прежние годы привлекались хорошо
коксующиеся, малозольные угли одной, двух или трех марок. В настоящее время происходит
коксование угольных шихт, в состав которых в определенном соотношении входят
различные марки и технологические группы коксующихся углей. Это вызвано
необходимостью получения кокса требуемого качества при целесообразном
использовании всех ресурсов коксующихся углей. Составляя угольную шихту для
коксования, прежде всего, заботятся о получении кокса заданного состава. Кроме
того, угольная смесь должна обеспечивать необходимую полноту спекания, а при
переходе углей в пластичное состояние - достаточное, но не опасное для кладки
печей давление расперания, способствующее образованию хорошей структуры и
кусковатости кокса. Наряду с этим, стремятся обеспечить надлежащий уровень
выхода летучих веществ. Необходимые качества кокса можно достичь путем подбора углей,
входящих в состав угольной шихты, зная их свойства и влияние на качество кокса.
На современный коксохимический завод, выпускающий в год 3 млн. т. кокса,
поступает уголь из различных шахт и разрезов Кузнецкого бассейна, имеющего
запасы всех видов угля. Но в настоящее время особенностью сырьевой базы
коксования является то, что марочный состав угля на детально разведанных и
освоенных участках месторождений не соответствует марочному составу угольных
шихт, обеспечивающих получение кокса заданных параметров. В силу сложившихся
условий доля углей, определяющих спекаемость угольной шихты, снижается. Поэтому
обеспечение производства кокса в перспективе невозможно без внедрения
дозирующих устройств, позволяющих выполнять дозирование с высокой точностью.
При этом аппаратура дозирования должна обладать надежностью, приспособленностью
к тяжелым условиям работы в дозировочном отделении, достаточно проста в
обслуживании и легко настраиваема.
Поэтому темой моего дипломного проекта является электропривод дозатора
шихты на алтайском коксохимическом заводе.
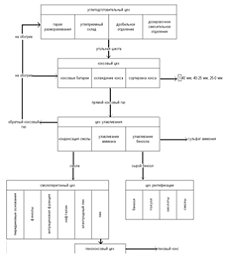
1. ОБЩИЕ СВЕДЕНИЯ О КОКСОХИМИЧЕСКОМ ПРОИЗВОДСТВЕ
1.1 Технология производства кокса
Основные сведения о коксохимическом производстве
Структура коксохимического производства
Алтайский коксохимический завод по организационной структуре - отдельное
коксохимическое производство, но существуют предприятия, которые входят как
коксохимическое производство в состав металлургических заводов, например
Новокузнецкий коксохимический комбинат. Но в любом случае в составе коксохимического
предприятия имеются основные (технологические) цехи, вспомогательные
(подразделения) цехи и заводоуправление. Технологические участки и отделения
могут существовать как самостоятельные подразделения, так и могут входить в
состав цехов. Организационное оформление процессов и оборудования, в котором
они проводятся, в цехах, участках и отделениях зависит от сырья,
технологической схемы и объемов производства, и может меняться как по
объединению технологических и вспомогательных подразделений, так и по
разделению однотипных цехов.
К основным цехам на Алтайском коксохимическом заводе относятся:
). Углеподготовительный цех, где осуществляется прием, хранение и
подготовка углей к коксованию. Углеподготовительный цех состоит из отделений:
а) углеприема,
б). предварительного дробления, в) дозировочного, г) окончательного
дробления и смешения шихты перед коксованием.
). Коксовый цех, служащий для переработки угольной шихты с получением
кокса и газообразных химических продуктов (прямой коксовый газ). В состав коксового
цеха входят: а) угольные башни для приема и создания технологического запаса
угольной шихты, б) коксовые печи с комплектом обслуживающих их машин
(коксовыталкиватели, двересъемные машины, загрузочные вагоны, тушильные вагоны
с электровозами),
в) газовое хозяйство коксовых печей, г) комплекс агрегатов для мокрого и
сухого тушения кокса, д) коксовые сортировки с комплексом агрегатов для
классификации кокса и погрузки кокса в вагоны.
) Цех улавливания химических продуктов коксования (цех улавливания), где
происходит охлаждение прямого коксового газа и выделение из него ценных
химических продуктов (аммиака, сырого бензола, каменноугольной смолы и др.),
которые служат для дальнейшей переработки химических продуктов. Цех улавливания
состоит из следующих отделений: а) конденсации, б) машинного с газодуфками для
эвакуации газа из газосборников коксовых печей и транспортировки через
улавливающие установки до потребителей, в) аммиачного, г) сульфатного, д)
бензольного, е) обесфеноливающие установки.
) Перерабатывающие цехи: цех переработки сырого бензола (цех
ректификации), смолоперерабатывающий цех, пекококсовый цех. Продукцию,
полученную в цехе улавливания, перерабатывают. Результатом переработки являются
чистые бензольные углеводороды, нафталин, пековый кокс, фталевый ангидрид,
антрацен и др.
Все цехи состоят из соответствующих отделений и участков.
К вспомогательным цехам относятся следующие цехи: железнодорожный,
ремонтный, энергетический, автоматики и электротехники,
контрольно-измерительных приборов и др.
Технологическая схема производства
Технологическая схема производства во многом зависит от качества
исходного сырья. Технологическая схема алтайского коксохимического производства
представлена на рис. 1.1
Рис. 1.1 Технологическая схема коксохимического производства
Технология производства кокса заключается в нагреве коксующихся углей без
доступа воздуха в специальных печах до температуры порядка 1050 °С, с
последующим охлаждением кокса до 180 - 200 °С и его сортировкой на классы по
крупности.
Технология извлечения и переработки химических продуктов коксования
заключается в охлаждении летучих парогазовых продуктов, выходящих из камеры
коксования с температурой от 700 - 800 до 30 - 40 °С, конденсации и улавливания
из прямого коксового газа ценных компонентов. При коксовании углей для
производства металлургического кокса из одной тонны исходной угольной шихты
получается 750 - 790 кг кокса, 30 - 40 кг каменноугольной смолы, 9 - 11 кг
сырого бензола, 24 - 4,5 кг аммиака, 1,5 - 2 кг сероводорода, до 350 м3 газа.
Кроме черной металлурги кокс используется химической промышленности для
производства желтого фосфора и карбида кальция, который является промежуточным
продуктом в процессе производства синтетического каучука.
Каменноугольная смола в препарированном виде (обезвоженная) используется
для производства изоляционных материалов, толя, рубероида. Основное количество
смолы подвергается переработке, которая заключается в нагреве смолы до 400 °С и
последующим разделением на фракции (части). Из этих фракций извлекаются
содержащиеся в смоле нафталин, антрацен, фенолы, пиридиновые основания. Эти
продукты, в свою очередь, являются исходным сырьем для получения пластмасс,
синтетических волокон, красителей, лекарственных препаратов, лаков,
ядохимикатов.
При переработке смолы получается 60 - 65 % остатка - каменноугольного
пека. Пек используется для производства токоподводящих устройств электродов и
анодов, необходимых в процессах получения качественных сталей и цветных
металлов. Основное количество пека снова подвергается коксованию для получения
пекового кокса. Характерная особенность пекового кокса - очень малая зольность
0,25 - 0,3 %. Пековый кокс используется для изготовления электродов и анодов.
Сырой бензол - сырье для производства чистого бензола, толуола, ксилолов,
а также смол для производства лаков и пластмасс.
Подготовка угля к коксованию
Твердое топливо, как сырье для химической переработки
Угли - это сложный органический материал, сформировавшийся из
растительного биологического вещества в результате нахождения вне доступа
воздуха миллионы лет. Угли являются невосстанавливаемыми природными ресурсами и
залегают под землей от десятков метров до десятков километров. Добыча угля
ведется либо открытым способом, если на то позволяют условия залегания угля,
либо закрытым способом, сооружая сложные технологические объекты - угольные
шахты. Схема образования угля выглядит следующим образом:
(дерево+растительность)
торф
бурые
угли
каменные угли
антрацит
Основой
сырьевой базы востока России для коксохимической промышленности является
Кузнецкий угольный бассейн, имеющий большие запасы угля всех марок и видов для
коксования.
Свойства
каменных углей
Влажность.
Влага - это балласт, ухудшающий качество углей, усложняющий условия
транспортировки и переработки углей. Желательно, чтобы влажность углей не
превышала 4-5%.
Зольность.
Минеральные примеси при сжигании угля образуют золу. Её количество и качество
зависит от условий образования органической массы угля, строения угольного
пласта, и характеристики пород почвы и кровли пласта. Минеральные примеси тоже
балласт. Степень засоренности ими угля называют зольностью.
Сернистость
- это степень содержания серы в угле. Чем ниже сернистость, тем качественнее
уголь. Сернистость углей Кузнецкого бассейна одна из самых низких в России и
составляет 1-2%. Столь невысокое содержание серы в угле удешевляет производство
кокса, так как нет необходимости строить цеха сероочистки угля.
Методы
термической обработки углей и её этапы
Среди
каменноугольных углей особое место занимает группа углей, от газовых до
отощенных спекающихся, которые обладают свойством при высоком нагреве без
доступа воздуха превращаться в кокс. Эта группа, состоящая из каменных углей
марок Г, Ж, К и ОС, получила название коксующихся углей. Эти угли обладают
свойством при достижении определенной температуры переходить в пластическое
состояние в определенном интервале температур. Именно способность угля
переходить в пластическое состояние и определяет его спекаемость. Таким
образом, под спекаемостью следует понимать свойство каменного угля при
нагревании без доступа воздуха переходить в пластическое состояние и при
дальнейшем нагревании давать нелетучий пористый остаток - кокс. С понятием
«спекаемость» не следует отождествлять понятие «коксуемость». Под коксуемостью
понимают способность угля или смеси углей (шихты) давать при коксовании
кусковой кокс с определенными химическими и физическими свойствами. Определить
коксуемость очень сложно.
Процесс
коксообразования
)
Начальная стадия коксообразования протекает при температуре 300-350
.
)
Стадии образования пластической угольной массы соответствует интервал от
300-350
до 480
.
Протекание процесса на этой стадии сопровождается обильным выделением паров
смолы и газов. На этой стадии происходит взаимодействие жидкой и твердой фаз,
что способствует задержанию жидких продуктов в нагреваемой массе угля и
спеканию его.
)
Стадия спекания в интервале температур от 480 до 500-550
. На этой стадии происходит образование полукокса.
)
Превращение полукокса в кокс протекает при температуре от 550 до 900-950
.
)
Заканчивается коксообразование протеканием процессов релаксации (усадки),
трещинообразования и упрочнения структуры кокса.
Коксуемая
угольная масса представляет собой сыпучий материал, состоящий из отдельных
зерен различной крупности - от нескольких микрометров до нескольких
миллиметров. Поэтому целесообразно рассмотреть вначале протекание процессов
коксообразования на поверхности и в объеме одного зерна, а затем перейти к
рассмотрению этих процессов в объеме насыпи. Для каждого угля начало процесса
термической деструкции является функцией определенной температуры, что
позволяет ожидать протекание данных процессов в тех частях угольного зерна,
которые к данному моменту нагреются до необходимой температуры. Очевидно, что
при подводе тепла из вне, в первую очередь необходимая температура будет
достигнута на поверхности зерна, значит, процессы термической деструкции, и
образования пластической массы начинаются на поверхности угольных зерен,
распространяясь затем внутрь зерна по мере продвижения туда теплового потока.
Таким образом, в начальном периоде процесса спекания в него вовлекаются в
основном поверхности зерен угля.
Так
как угольная шихта состоит из смеси зерен различных углей, то процессы
образования пластической массы начинаются не одновременно во всех зернах.
Размягчение первым наступает на поверхности углей марки Г (газовых), затем Ж
(жирных), коксовых - К, и отощенных спекающихся ОС. Затвердевание (образование
полукокса) так же происходит при различных температурах. Поэтому можно говорить
о температурном интервале пластичности, как для каждого сорта углей, так и для
смеси углей. Поскольку при стационарном тепловом потоке повышение температуры
при коксовании является функцией времени, постольку можно говорить также о
существовании угля в пластическом состоянии. Это очень важные характеристики
спекаемости углей и их смесей. Зерна отдельных углей в объеме коксуемой массы
контактируют между собой участками их поверхности. Поэтому, чем теснее контакт
между ними, тем более полным будет взаимодействие отдельных зерен угля, тем
полнее и глубже пройдет процесс спекания и более однородным получится твердый
остаток - кокс.
Особая
роль в процессе спекания принадлежит жидкой фазе пластического состояния углей.
Наибольшее количество жидкой фазы при термической деструкции образуют жирные и
коксовые угли. Отощенные угли образуют недостаточно жидкой фазы, чтобы вовлечь
в процесс спекания смеси зерен этих углей. В последние годы угольные шихты
значительно отощились, поэтому необходимо оптимальное измельчение углей
.
Уголь
- как сырье для коксования
Угли
определенных марок могут обладать спекающимися свойствами, но при
самостоятельном коксовании давать непрочный кокс, поэтому составляются смеси
спекающихся углей, способные дать прочный металлургический кокс.
Пригодность
углей для коксования определяется по показателям технического анализа, который
заключается в определении содержания влаги, минеральных составляющих, выхода
летучих веществ. По стандарту угли делятся по видам, в зависимости от величины
показателя отражения витринита (составляющая угольного вещества), теплоты
сгорания и выхода летучих веществ на бурые, каменные и антрациты. Эти виды, в
зависимости от генетического происхождения делятся на классы по среднему
показателю отражения витринита; категории, по содержанию фюзенизированных
компонентов на чистый уголь и типы. Для каменных углей разделение на типы
производится по показателю выхода летучих веществ, на подтипы - по толщине
пластического слоя и индексу Рога (показатель коксуемости).
В
зависимости от технологических свойств угли объединяют в технологические марки,
группы и подгруппы, которые устанавливаются для каждого угольного пласта.
На
больших коксохимических заводах угли поставляются с многих шахт, в связи с этим
угли, примерно близкие по составу и технологическим свойствам объединяют в
шахтогруппы. Это вынужденная мера нежелательна, так как нарушает постоянство
свойств угольной шихты
.
Принципы
составления угольных шихт
При
самостоятельном коксовании угли марки Г (газовые) - дают мелкий, довольно
прочный кокс; угли марки К (коксовые) - дают прочный, хорошо проплавленный
кокс; угли марки Ж (жирные) - дают плохой непрочный кокс; угли марки ОС
(отощенные спекающиеся) - дают плохой, непрочный, истирающийся кокс. То есть,
из всех имеющихся видов коксующихся углей только угли марки К могут давать при
самостоятельном коксовании металлургический кокс. Но так как их мало, то
коксованию в промышленных печах подвергается смесь коксующихся углей - шихта.
Шихтование
углей является специфической особенностью коксохимического производства.
Угольные шихты, используемые для коксования, должны удовлетворять следующим
требованиям:
1) обеспечивать получение металлургического кокса заданной
прочности, гранулометрического состава, зольности, сернистости и с другими
регламентными свойствами.
2) Обладать необходимым химическим потенциалом для обеспечения
выхода продуктов коксования.
) Обеспечить нормальное ведение технологического процесса.
Количественными
характеристиками угольной шихты являются: компонентный состав по маркам (в
массовых процентах), спекаемость, зольность, сернистость, выход летучих
веществ, рассчитанные с учетом самостоятельных свойств отдельных компонентов.
Для получения прочного кокса необходимо такое сочетание компонентов, при
котором бы обеспечивалось её оптимальное спекание и коксование
.
Качественные
характеристики угольной шихты дает технический анализ: показатели влажности,
зольности, помол, плотность насыпной массы, однородность.
Доменный
кокс, как основной компонент доменной шихты
Расход
кокса на 1 тонну выплавляемого чугуна колеблется в пределах 450 - 550 кг.
Содержание углерода в коксе 96,5-97,5%, поэтому он горит с большим выделением
тепла. Хотя кокс имеет пористую структуру, он обладает хорошей механической
прочностью. В связи с указанными особенностями кокс служит:
1) основным топливом для нагрева шихтовых материалов, расплавления
руды и флюсов в доменной печи;
2) химическим реагентом для восстановления железа из руды;
) разрыхлителем сырья, заполняющим доменную печь и создающим
условия для необходимой газопроницаемости столба сырых материалов.
Кокс в виде кусков доходит до фурм доменной печи, где происходит его
основное горение. Химическое взаимодействие углерода кокса с кислородом дутья в
зоне фурм сопровождается выделением большого количества тепла.
Эффективность доменного процесса в значительной степени зависит от
качества кокса, его физико-химических и механических свойств.
Технология подготовки углей к коксованию
Технологическая схема подготовки углей в углеподготовительном цехе
Основные задачи при подготовке углей к коксованию: обеспечить максимально
постоянные показатели качества углей; свести к минимуму отклонения показателей
качества от средних значений (усреднение углей); хорошо смешать компоненты
угольной шихты и поддерживать постоянство ее состава в процессе составления.
В соответствии с этими задачами в углеподготовительном цехе завода
проводятся следующие технологические операции:
прием углей на завод;
организация их хранения;
предварительное дробление;
усреднение углей и угольных шихт;
составление угольной шихты путем дозирования углей;
окончательное дробление;
смешение угольной шихты.
Рассмотрим по отдельности каждый этап подготовки углей.
Прием и разгрузка углей
На современный коксохимический завод, выпускающий в год 2,5- 3 млн. т
кокса, поступает уголь различных технологических групп из многих шахт. При
таких масштабах производства прием угля на современном коксохимическом заводе
является весьма ответственной операцией. Она заключается в строгом
координировании работы транспортного и углеподготовительного цехов. Разгрузка
углей из железнодорожных вагонов осуществляется вагоноопрокидывателями в
углеприемные бункера, откуда уголь конвейерами направляется на склады угля.
Склады угля
Основное назначение складов угля - создание его запасов, обеспечивающих
бесперебойную работу за счет компенсации неравномерности поставок и усреднение
углей, направленное на сведение до минимума отклонений показателей качества от
средних значений.
Важной характеристикой качества кокса является постоянство его свойств по
всем показателям. Уменьшение пределов отклонений показателей качества доменного
кокса от средних значений, приводит, при прочих равных условиях, к увеличению
производительности доменных печей и снижению его расхода. Отклонение
качественных показателей, определяемых при среднесменных пробах, не должно превышать
по зольности 0,5 %, по влажности 1%, по выходу летучих веществ 0,7%. Отклонение
качественных показателей рядовых углей, поступающих на коксование, заметно
превышают эти нормы. Чтобы уменьшить этот негатив, проводят следующие операции:
а) с вагоноразгрузочного отделения по конвейеру уголь поступает в
определенный бункер склада угля; б) далее происходит послойная укладка; в) в
последующем происходит забор по всей высоте укладки. При этом происходит
смешивание материала, в результате чего уменьшается отклонение качественных
показателей от их средних значений, чем обеспечивается постоянство качества
углей.
Усреднение углей необходимо производить на всех стадиях, начиная с
добычи, отгрузки потребителям (в погрузочных бункерах) и на коксохимическом
заводе при подготовке углей к коксованию.
При усреднении углей в бункерах закрытого типа или в дозировочных
бункерах следует учитывать характер движения угля при их заполнении и
опорожнении. На рис. 1.2,а показано расположение слоев угля в бункере при его
заполнении по оси, а на рис. 1.2,б расположение слоев угля при челночном
заполнении непрерывно перемещающейся тележкой. В первом случае при опорожнении
бункера уголь движется в разрез уложенным слоям, чем достигается его хорошее
усреднение; во втором случае пересечение уложенных слоев происходит только в
момент схода вертикального столба угля над выпускным отверстием. Остальная
часть угля сходит параллельно уложенным слоям, и его усреднение почти не
происходит.
Усреднение угля практически не происходит в случае одновременного
заполнения и опорожнения бункера. Эффективность усреднения может
характеризоваться коэффициентом усреднения Куср = А/Б, где А - отклонение
показателя качества от среднего значения до усреднения; Б - то же, после
усреднения. Эффективность усреднения рядовых необогащенных углей в бункерах
невысокая, это априори недостаток данного вида усреднения, усреднение в
штабелях при помощи грейферного перегружателя более эффективно, но на алтайском
коксохимическом заводе этот метод усреднения не используется. На усреднение в
бункерах отрицательно влияет расслоение угля по крупности (сегрегация). При
заполнении бункера рядовыми углями сегрегация проявляется в том, что крупные
округлые куски угля скатываются к стенкам бункера, а в центре бункера
скапливаются тяжелые пластинчатые куски породы, обладающие меньшей способностью
скатываться. При разгрузке бункера вначале выходит центральный столб материала,
расположенный под выпускным отверстием. Он содержит много мелкого угля и
крупные куски породы. Затем выходит более крупный уголь с меньшей зольностью, и
только в конце разгрузки - наиболее крупные куски угля, имеющие наименьшую
зольность.
Для повышения эффективности усреднения рядовых углей и угольной шихты при
одновременной выдаче из нескольких бункеров целесообразно, чтобы половина
бункеров, из которых выдается уголь, была заполнена примерно на 50%, а вторая
половина - на 100%. По результатам исследований по обеспечению предлагаемых
нормативов при усреднении, рекомендуется, чтобы дозирование обогащенных
концентратов при составлении угольной шихты проводились одновременно из 9-10
бункеров.
Число бункеров для составления угольной шихты из рядовых углей должно
быть не менее 16-17. Число бункеров, в которые производится загрузка углей с
одновременной их выдачей, не должно превышать 20% от общего числа дозировочных
бункеров.
Рис. 1.2 Перемещения слоев угля при загрузке и опорожнении бункера
Технологическая схема подготовки углей к коксованию на АКХЗ
На коксохимических предприятиях различают две схемы подготовки углей:
схема дробления шихты и схема дробления компонентов, рис. 1.3 а, б.
А Б
Рис. 1.3. Схема подготовки углей: а) схема дробления шихты, б) схема
дробления компонентов
Схема дробления шихты по сравнению со схемой дробления компонентов имеет
следующие преимущества: отделение окончательного дробления расположено после
дозировочного, поэтому может работать в две смены, так как не связано с
углеприемом. Предварительно дробленые угли меньше зависают в дозировочных
бункерах. При окончательном измельчении угольной шихты достигается лучшее
перемешивание её компонентов.
Но есть и существенные недостатки у этой схемы: это неоднородность
измельчения отдельных марок углей, входящих в состав угольной шихты. Более
твердые газовые угли измельчаются недостаточно, а более мягкие угли марок Ж и К
измельчаются очень сильно.
По схеме дробления компонентов достигается дифференцированное измельчение
отдельных марок углей в зависимости от их спекаемости. Недостатком этой схемы
является то, что отделение окончательного измельчения связано с углеприемом и
должно работать в три смены, а также иметь большее количество оборудования, чем
по схеме дробления шихты. При работе по схеме дробления компонентов необходимо
обязательно иметь смесительное отделение с устройствами для смешения шихты.
Исследованиями было установлено, что крупные зерна углей марок Ж и К,
переходя при коксовании в пластическое состояние, хорошо спекаются с остальными
компонентами шихты. В то же время коксование крупных зерен слабоспекающихся
газовых углей и углей марки ОС с пониженной спекаемостью не обеспечивает
однородной структуры кокса. Поэтому были рекомендованы схемы раздельного
(дифференцированного) измельчения углей с укрупнением помола до 82-84%
содержания класса крупности ниже 3 мм (рис. 1.4). Они называются схемами
дифференцированного дробления компонентов.
При применении схем дифференцированного дробления компонентов
выравнивается вещественный и гранулометрический состав шихты по классам
крупности и укрупняется ее помол, повышается производительность коксовых печей
на 4-5% и снижается расход электроэнергии в углеподготовительном цехе на 40%.
Рис. 1.4 Схема подготовки углей: а),б) с дифференцированным дроблением
компонентов, в) с избирательным измельчением, использующим пневматическую
сепарацию (кипящий слой)
На алтайском коксохимическом заводе используется комбинированная схема
подготовки угля к коксованию показанная на рис. 1.5
Рис. 1.5 Схема подготовки углей для коксования на АКХЗ
После углеприемного отделения угли марки Г и ОС поступают на
предварительное дробление, а угли марки Ж и К направляются в шихту без
изменений. Из отделения предварительного дробления угли поступают на склад
угля. Дозировочное отделение формирует из углей шихту, которая направляется в
отделение избирательного дробления. На АКХЗ применяется наиболее эффективный
способ избирательного измельчения углей, в котором для выделения мелких фракций
применяются отделители с кипящим слоем (рис. 1.5). Преимуществом этого способа
избирательного измельчения с пневмомеханической сепарацией является большая
производительность, составляющая 250-600 т/ч. При этом повышается надежность
работы и устраняется громоздкость, присущая другим схемам избирательного
измельчения, в частности схемам с применением электрогрохотов. Применение
пневмосепарации с замкнутым циклом обеспечивает хорошее перераспределение
угольного вещества и породы по классам крупности.
Применение этого способа при составлении шихты из
кузнецких углей на АКХЗ позволило увеличить производительность доменной печи на
2,15% и снизить расход кокса на 1%.
Избирательное дробление заключается в отборе из потока шихты кусков угля
крупности больше 3 мм. Это осуществляется в установке пневматической сепарации
- отделителе с кипящим слоем. Его принцип работы основан на создании в циклонах
установки мощного потока нагретого газа, который куски крупности 0-3 мм направляет
сразу на выход установки, а куски крупности более 3 мм направляются в дробилку,
а затем вновь проходят через сепаратор.
Для окончательного измельчения углей и угольной шихты применяют
молотковые дробилки (рис. 1.6), в которых также происходит частичное смешение
компонентов.
электропривод
дозатор шихта кокс
Рис. 1.6 Молотковая дробилка
На рис. 1.6 приведена схема молотковой дробилки конструкции завода
"Электросталь". Дробилка имеет массивный вал 1, на который насажены диски
2. Между дисками на сквозных валиках 12 подвешены молотки 11. Ниже входного
отверстия по окружности прикреплены дробильные плиты 9 и клапаны-плиты 8. По
окружности движущихся молотков расположены колосниковые решетки 4 или сита,
закрепленные на массивных стальных рамах 3, которые верхним концом шарнирно
подвешены к кожуху дробилки, а нижним опираются на устройство 5 для
регулирования положения колосников или сит по отношению к вращающимся молоткам.
Дробилка имеет затвор 6 для периодического выпуска посторонних металлических
предметов, попадающих с углем в дробилку.
Дробилка работает от реверсивного электродвигателя, соединенного с ней
эластичной муфтой. При износе молотков направление вращения может меняться.
Кожух дробилки герметичен и имеет люки для доступа к внутренним деталям.
Дробилка через раму крепится к массивному железобетонному фундаменту.
Поступающий в дробилку через вертикальный желоб 10 уголь ударяется о
вращающиеся молотки и измельчается. Дальнейшее измельчение осуществляется на
дробильной плите 9 и клапане-плите 8, а доизмельчение на колосниковой решетке
или ситах.
Измельченный уголь частично отводится через щели колосниковой решетки или
сита в желоб под дробилкой. Основная масса измельченного угля выводится через
окно а. Степень измельчения определяется скоростью вращения молотков, их
количеством и конструкцией. Более крупный помол может осуществляться отводом
холостой ветви колосников 7 от вращающихся молотков и открытием затвора 6 для
вывода измельченного в дробилке угля.
После избирательного дробления, прошедшая сепаратор шихта направляется в
смесительное отделение, где достигается тщательное перемешивание компонентов
угольной шихты при соответствующем ее гранулометрическом составе. Смешение
происходит в специально предназначенных для этого машинах и устройствах
дезинтеграторного типа. На рис. 1.7 приведена схема смесительной машины
дезинтеграторного типа конструкции Гипрококса. Она состоит из вращающейся
корзины 1 и стационарной полу-корзины 2. При вращении корзины 1 происходит
перемешивание угольных слоев шихты.
1 - корпус; 2 - барабан с лопатками; 3 - подшипники.
Рис. 1.7 Смесительная машина организованного смешения
После смешения уже готовая для коксования шихта поступает в угольные
башни, откуда непосредственно забирается для загрузки в коксовые печи.
Дозирование углей при составлении шихты
Дозирование углей при составлении угольной шихты является одной из
основных и ответственных технологических операций в углеподготовительном цехе.
Точность и соблюдение заданных условий дозирования определяют качество угольной
шихты и ее постоянство. Дозирование угля осуществляется в дозировочном
отделении (рис. 1.8). На современных коксохимических заводах дозировочными
бункерами оборудованы склады угля закрытого типа.
Современные дозировочные отделения или склады закрытого типа,
одновременно являющиеся и дозировочными отделениями, сооружаются в виде
цилиндрических бункеров, расположенных в два ряда. Заполнение бункеров
осуществляется конвейерами с барабанными разгрузочными тележками, а выдача угля
на сборный ленточный конвейер при составлении шихты - дозировочными питателями.
Точность и согласованная работа дозировочных устройств определяют постоянство
качественных показателей угольной шихты.
На АКХЗ применяют ленточные автоматические дозаторы представленные на
рис. 1.15. Система управления для данных дозаторов была разработана на Украине
и рекомендована для применения на коксохимических предприятиях.
Состав угольной шихты устанавливается ежеквартально главным инженером
завода с учетом остатков на складе. Заданный состав угольной шихты в процентах
и норма выдачи для каждого дозирующего устройства в килограммах отмечаются в
специальной таблице дозировочного отделения и проверяются несколько раз в
течение смены. Бункера дозировочного отделения периодически полностью очищаются
от слежавшегося угля. Для устранения зависания угля применяют автоматически
действующее пневмообрушивающее устройство (рис. 1.9).
, 2 - ленточные конвейеры; 3 - барабанная разгрузочная тележка; 4 -
автодозатор; 5 - сборный ленточный конвейер
Рис. 1.8 Дозировочное отделение
1 - бункер; 2 - датчик сигнализатор пневмообрушения; 3 - предельный
выключатель; 4, 8 - электромагниты; 5 - клапан исполнительного механизме; 6 -
магистральный воздухопровод; 7 - отсекающий клапан нижнего яруса; 9 - клапан;
10 - отсекающий клапан верхнего яруса; 11 - импульсная электрическая линия; 12
- реле времени для переключения работы ярусов.
Рис. 1.9 Схема автоматического пневмообрушения
Конструкции коксовых печей и коксовых батарей
Коксовой батареей называется группа коксовых печей, работающих в едином
технологическом режиме, объединенная общим фундаментом, устройствами для
подвода отопительных газов и воздуха, отвода продуктов сгорания и коксования.
Основные конструктивные элементы коксовых батарей - это коксовые печи,
фундаментные плиты, борова, дымовая труба, обслуживающие (рабочие) площадки.
Коксовая батарея (рис 1.10) сооружается на железобетонном основании -
фундаментной плите. Различают нижнюю плиту, на которой расположены каналы для
отводов продуктов сгорания (борова (14)), и верхнюю, на которой размещается
огнеупорная кладка коксовой батареи. Борова печей, общим боровом (20)
соединяются с дымовой трубой (1).
Сторону батареи, вдоль которой движется коксовыталкивающая машина принято
называть машинной стороной, противоположную, на которую выталкивается кокс -
коксовой стороной.
Коксовая печь состоит из камеры коксования и отопительной системы. Огнеупорная
кладка коксовой печи по вертикали разделяется на 5 зон, имеющих разное
назначение и работающих в разных условиях. В порядке расположения и сооружения
батареи коксовых печей эти зоны следующие: подовые каналы и регенераторы,
газораспределительная зона, вертикалы, перекрытие вертикалов, перекрытие печей.
В конструкции камеры различают под (основание камеры) и свод, который
является частью перекрытия печей, где расположены люки для загрузки шихты и
отвода летучих продуктов коксования. Полезный объём камеры меньше общего
объема, так как при загрузке шихта загружается не на всю высоту, для того чтобы
имелся свободный проход газообразным продуктам. Полезная длина камеры
коксования меньше полной на величину захода футеровки дверей коксовой печи в
камеру.
1- труба; 2- коксовозная площадка; 3- коксовые печи; 4, 7, - анкераж; 5-
загрузочные люки; 6- газоотводящие люки; 8, 9- свод печей; 10, 12- газовые
каналы; 11, 13, 16, 17,18- огнеупорная кладка; 14- борова; 15- фундамент; 20-
главный боров.
Рис. 1.10 Устройство коксовой батареи
Технологическое оборудование коксовых батарей
Анкераж печей - это арматура крепления кладки. Для сохранности кладки
коксовых печей и поддержания её в рабочем состоянии применяют специальное оборудование,
называемое анкеражем.
Арматура герметизации коксовых печей - обеспечивает герметичность
коксовых печей и предотвращает выброс газа в атмосферу. К арматуре герметизации
относятся загрузочные люки камер, смотровые лючки, наблюдательные глазки, двери
коксовых печей. Необходимая герметичность создается плотным прилеганием чистых
металлических поверхностей друг к другу, без какой-либо прокладки. Двери
коксовых печей служат для герметичного закрывания камеры коксования с торцовых
сторон её - машинной и коксовой.
Газоподводящая аппаратура служит для подвода и распределения богатого и
бедного отопительного газа в отопительные простенки коксовых печей.
Магистральные газопроводы богатого и бедного отопительных газов подводятся к
коксовой батарее обычно в месте расположения кабины пульта управления обогревом
батарей, в которых сосредоточено управление всеми отсекающими задвижками,
кантовочный механизм, производящий изменение направления газовых потоков в
отопительной системе коксовых печей, указывающие и регистрирующие приборы.
Арматура для отвода парогазовых продуктов коксования из печи.
Транспорт прямого и обратного коксового газа.
Машины и основные механизмы коксовых печей
Виды коксовых машин и их взаимное расположение
Назначение коксовых машин состоит в обеспечении операций по загрузке
камер коксования шихтой, выдача коксового пирога из печей, приемки выданного
кокса и транспортирование его в "тушильное" (охлаждающее) устройство.
Машины коксовых печей должны также выполнять наиболее трудоемкие операции по очистке
технологического оборудования, уборке верха коксовых батарей и обслуживающих
площадок. Основное требование к машинам - длительная бесперебойная работа в
условиях высоких температур, открытого пламени, интенсивного пыле- и
газовыделения, максимальная степень механизации и автоматизации выполняемых
операций. Обычно эти машины работают на переменном токе напряжением 380 В.
Взаимное расположение машин по отношению друг к другу и коксовой батарее
современной конструкции показано на рис.1.11.
- коксовыталкиватель; 2 - прямой газопровод; 3 - перекидной газопровод;
4- затворы бункеров угольной башни; 5 - углезагрузочный вагон; 6 - двересъемная
машина с коксонаправляющей; 7 - коксотушильный (коксовозный) вагон; 8 -
коксовая батарея
Рис. 1.11 Расположение коксовых машин на батарее коксовых печей
Машинами коксовых печей являются: углезагрузочный вагон (загрузочный
вагон); коксовыталкиватель; двересъемная машина с коксонаправляющей, тушильный
или коксовозный вагон с электровозом.
В комплекте машин коксового цеха обычно по одному коксовыталкивателю,
загрузочному вагону и двересъемной машине на одну коксовую батарею. Электровоз
с тушильным или коксовозным вагоном один обслуживает две батареи.
При одно-двухбатарейной или четырехбатарейной компоновках обязательно
имеются машины всех назначений. По технологическому назначению машины коксовых
печей различаются как специальные (применение термоподготовленной или
трамбованной угольной шихты) и типовые, которые разделяют в зависимости от
уровня механизации технологических операций и энергоемкости приводных
механизмов.
Углезагрузочный вагон предназначен для выполнения комплекса операций
связанных с приемом угольной шихты из угольной башни, перевозкой ее по верху
батареи и загрузкой в камеру коксования. Он выполняет также ряд вспомогательных
операций: съем и постановку крышек загрузочных люков, очистку горловин и
стояков коксовых печей от графита, включение паро- и гидроинжекции в стояки
печей, для обеспечения бездымной загрузки шихты.
Коксовыталкеватели. Назначение его состоит в обеспечении комплекса
операций по выдаче кокса из камеры коксования и загрузка в нее угольной шихты.
Коксовыталкиватель снимает дверь коксовой камеры перед выдачей кокса и
устанавливает её после выдачи. В промежутке между этими операциями специальным
устройством дверь и рама коксовой камеры должны быть очищены от отложений смолы
и графита, образующихся в процессе коксования. В период загрузки печи
коксовыталкиватель специальным планирным устройством разравнивает шихту в
камере коксования для создания свободного прохода парогазовых продуктов к
газоотводящим люкам.
Двересъемная машина предназначена для обслуживания печей с коксовой
стороны. Машина состоит из двух основных частей: ведущей двересъемной и
коксонапраляющей, которая обычно транспортируется ведущей частью.
Коксонаправляюшая часть служит для направления коксового пирога через
рабочую площадку в тушильный или коксовозный вагоны.
Коксотушильный вагон. Предназначен для приема кокса выдаваемого из печи,
транспортировки его в тушильную башню и после тушения водой, на коксовую рампу.
Оборудование установок мокрого тушения кокса предназначено для охлаждения
кокса.
Коксовая рампа - предназначена для приема и выдерживания охлажденного
мокрым способом кокса.
1.2 Дозаторы угля, используемые в
коксохимической промышленности
Понятие «дозатор» и «непрерывное дозирование»
Дозирование, как технологическая операция, известна с древних времен. Уже
в древнем Египте при изготовлении бальзамирующих составов производилось
отмеривание нужных порций - доз отдельных компонентов. Сам корень слова «доза»,
широко распространен в ряде языков, происходит от греческого слова «dosis», что означает порция, прием.
Современное значение слова «доза» несколько шире:
1) определенное количество чего-нибудь;
2) точная мера вещества, входящего в состав смеси.
Из всего вышесказанного можно составить понятие, что же представляет из
себя дозатор:
Дозатор - это устройство для автоматического отмеривания или отвешивания
сыпучих, жидких, газообразных веществ.
Дозирование бывает непрерывным и прерывистым, в данной работе
рассматривается непрерывно-поточное дозирование.
Непрерывно-поточное дозирование состоит в выдаче нужного материала
непрерывным потоком с обеспечением нормативной точности интеграла расхода за данные
промежутки времени.
Непрерывное дозирование характеризуется тем, что при постоянной
длительности промежутков времени должно обеспечиваться постоянство количеств
материала в отдельных порциях или, точнее, отклонения количеств материала не
должны превышать некоторого нормативного допуска.
На
дозаторы шихты в коксохимическом производстве накладываются жесткие требования
по обеспечению точности дозирования. Погрешность не должна превышать
от верхнего показателя шкалы прибора. При этом
среднеквадратичное отклонение не должно превышать
, то есть для дозатора 80 тонн/час - только 800 кг/ч.
Время выхода дозатора на заданную производительность, тоже не должно превышать
15 мин. Работа каждого дозатора регистрируется на диаграмме. Допустимые
отклонения от заданного состава компонентов шихты устанавливается для каждого
завода, в зависимости от типа дозирующих устройств, доли компонента в шихте,
его влажности и крупности. Но в общем случае, для компонентов, доля которых
превышает 10%, это отклонение не должно быть более 1%, доля компонентов,
которых равна 10% и ниже - 2%. Это объясняется тем, что относительная работы
дозатора любой конструкции тем выше, чем больше его производительность. Погрешность
особенно повышается при выдаче малых количеств крупного угля. Точность работы
любого автодозатора периодически контролируется путем определения массы угля,
выдаваемого на железный поддон, который подкладывается на сборный конвейер.
Типы
дозаторов, используемые в коксохимической промышленности
Многообразие
типов дозаторов в коксохимической промышленности объясняется постоянным
совершенствованием технологического процесса дозирования, адаптацией к более
жестким условиям точности, надежности, простоты настройки. Развитие дозаторов
шло от наиболее простых, не имеющих электронной системы управления, к
современным, отвечающим жестким требованиям составления шихты для коксования.
Все
типы устройств для непрерывного дозирования материалов разделяются на объемные
и весовые.
Объемные
дозаторы непрерывного действия
В
качестве объемных дозаторов используются питатели ленточные, тарельчатые,
электровибрационные. Путем выверки их производительности и обеспечения
постоянства подачи материала введением в конструкцию питателей специальных
регулирующих устройств, позволяющих изменять, например, скорость вращения
рабочих органов, такой питатель может быть использован как объемный дозатор
материала.
Необходимо
отметить, что точность дозирования объемных механических дозаторов не может
быть достаточно высокой по причине изменения объемной массы материала,
вызванной непостоянством в заполнении емкостей материалом. Кроме того, есть
неточности момента включения или выключения питателя, колебания числа оборотов
электродвигателя, а, следовательно, и изменения скорости движения рабочих
органов питателя. Все это обусловливает значительные погрешности в подаче
материала.
Поэтому
при объемном дозировании для сохранения идентичности результатов необходимо при
настройке питателей тщательно проверить вес дозы на весах. В процессе
дозирования следует периодически контролировать вес отдельных проб и в случае
отклонения их от заданного веса немедленно производить соответствующую
регулировку питателя.
Дозаторы
с регулировкой количества материала на ленте весового транспортера работают на
постоянных скоростях движения ленты. Изменение этой скорости производится лишь
при настройке дозатора на заданную производительность, когда требуемая скорость
ленты устанавливается с помощью соответствующих устройств (сменных шестерен,
коробки скоростей, вариатора и т.п.).
Рассмотрим
тарельчатые питатели, часто применяемые для составления шихты на
коксохимических предприятиях.
Тарельчатые
питатели
Объемные
дозаторы непрерывного действия тарельчатого типа (рис.1.12) позволяет довольно
тщательно регулировать их производительность. Это достигается изменением: 1)
числа оборотов диска (тарелки) дозатора; 2) высоты кольцевой щели между
манжетой и диском; 3) положения ножа, что, в свою очередь, уменьшает или
увеличивает количество снимаемого ножом продукта.
Выпускное
отверстие бункера над тарельчатым питателем может быть по своим размерам
значительно больше, чем над объемными дозаторами других типов. Это способствует
более равномерному вытеканию материала, предупреждая образование сводов.
При
дозировании малых количеств материала большое значение имеет скорость вращения
диска тарельчатого дозатора. При большой скорости приходится значительно
опускать телескоп и таким образом выпускная щель уменьшается. Это приводит к
забивке ее материалом и нарушает нормальную работу дозатора.
Лучшие
результаты дают тарельчатые дозаторы диаметром 600-1300 мм с соответственно
малым числом оборотов, порядка 0,2-1,0 об/мин. Таким образом, при небольшом
числе оборотов диска дозатора, небольшое количество угля можно было дозировать
с достаточной точностью. В таких условиях дозатор тарельчатого типа выдерживает
заданную производительность более точно, чем дозаторы барабанного или
ленточного типа. При равной площади выходного сечения бункера тарельчатый
дозатор дает меньшую ширину потока выходящего материала, чем ленточный, это
обеспечивает возможность более плавного регулирования производительности. Кроме
того, тарельчатый объемный дозатор проще, легче, дешевле ленточного дозатора.
Все эти достоинства определили использование тарельчатого дозатора на машинах
загрузки шихты в коксовые печи, где не требуется особо высокая
производительность, но требуется высокая точность дозирования.
Точность
работы дозатора во многом зависит от исправного состояния его деталей и узлов.
При неисправных телескопе и ноже, когда они могут менять свое положение,
происходят изменения в количестве материала, подаваемого дозатором. Изменение
оборотов диска также влияет на точность.
Производительность
тарельчатого питателя зависит от объема расположенного на диске материала,
регулируемого подъемом манжеты питателя, от высоты и положения ножа на диске и
от числа оборотов последнего. Необходимо заметить, что число оборотов диска
можно увеличивать только до определенной величины, выше которой, вследствие
влияния центробежной силы, материал будет разбрасываться в стороны. Таким
образом, тарельчатые дозаторы находят применение при небольшой
производительности до 20 тонн/ч.
Производительность
тарельчатого дозатора Q определяется по формуле (1.1):
(1.1)
где
mV - объемная масса материала, кг/м3; п - число оборотов
диска, об/мин;
H - высота
подъема телескопа, м; R - расстояние центра тяжести треугольника ЛВС до оси
вращения, м; f - угол между образующей усеченного конуса и дном.
Подача
угля с тарельчатого (рис. 1.12) стола (2) на конвейер регулируется изменением
положения цилиндрического телескопа (3) у выходного отверстия из бункера (1) и
ножа (4).
-
бункер; 2- стол; 3- цилиндрический телескоп; 4- нож.
Рис.
1.12. Тарельчатый дозировочный питатель
В
движение стол питателя чаще всего приводится асинхронным короткозамкнутым
двигателем, скорость которого не регулируется, либо асинхронным двигателем с
фазным ротором, позволяющим получать несколько скоростей, путем изменения
сопротивлений в цепи ротора. Нож имеет привод от электромагнита, либо
устанавливается на нужный угол вручную, в процессе работы угол направления ножа
не меняется.
Положительные
качества данного дозатора заключаются в его простоте, надежности, компактности.
Недостатки
- при большом объеме дозирования точность его невысока.
Ленточные
питатели с механической регулировкой подачи угля
В
коксохимической промышленности также используют ленточные дозаторы (рис.1.13),
где предварительное регулирование выдачи угля производится шибером (2), а более
точная дозировка осуществляется секторным затвором (3).
-
бункер; 2 - регулировочный шибер; 3 - секторный затвор; 4 - приводной барабан.
Рис.
1.13 Ленточные питатели с механической регулировкой подачи угля
Устройство ленточного дозатора для непрерывного
объемного дозирования показано на рис. 1.13. Приводной барабан 4 является
ведущим и получает движение от электродвигателя редуктор. Над лентой на стойке
установлен бункер 1, не имеющий дна. Подлежащий дозированию материал
вытягивается движущейся из-под бункера лентой через выпускное отверстие и у
концевого барабана сбрасывается в приемную воронку.
Площадь выпускного отверстия, а, следовательно, и количество выдаваемого
материала, регулируется заслонкой - регулировочным шибером (2), которая
поднимается вверх на требуемую высоту и в этом положении закрепляется. Более
точная регулировка осуществляется секторным затвором (3). В ленточных дозаторах
материал в первую очередь сходит только по задней стенке бункера, что
способствует зависанию и слеживанию материала даже при широком выходном
сечении.
Производительность дозатора регулируется изменением высоты слоя материала
на ленте и скоростью транспортера. Она может быть определена по формуле (1.2):
(1.2)
где
Q - производительность дозатора в кг/ч; h -
высота слоя материала на ленте в м;
b - ширина слоя
материала, м; V - скорость ленты в м/сек; mV - объемная
масса материала кг/м3.
Конвейер
приводится во вращение двигателем постоянного тока с фазным ротором, имеющим
несколько скоростей, переключаемых командоконтроллером.
К
достоинствам стоит отнести простоту и надежность системы, к недостаткам -
невысокую точность дозирования, сложность настройки системы на определенную
дозу.
Весовые
дозаторы непрерывного действия
Весовые
дозаторы непрерывного действия в основном состоят из трех основных частей:
)
загрузочного устройства, подающего дозируемый материал;
)
весового устройства, непрерывно пропускающего материал с одновременным
взвешиванием его;
)
регулирующего устройства, которое обеспечивает заданную производительность
дозатора.
Все
весовые дозаторы непрерывного действия можно разделить на две основные группы:
)
дозаторы с регулировкой количества подаваемого материала, при его постоянной
скорости;
)
дозаторы с регулировкой скорости подачи материала, без изменения его потока.
К
первому типу относятся лотковые вибрационные дозаторы.
Лотковые
вибрационные дозаторы
Вибрационные
дозаторы при хорошей отладке могут служить для объемного непрерывного
дозирования с подачей материалов в довольно строгих пределах. Для достижения
большей точности дозирования и поддержания равномерного слоя подаваемого
материала грузонесущие части вибрационного дозатора иногда армируются стеклом,
что обеспечивает получение гладкой поверхности. Для регулировки толщины слоя на
лотке устанавливается специальная заслонка. На рис. 1.14 показан
электровибрационный питатель.
Дозаторы
такого типа (рис. 1.14) устанавливается под бункером (1), состоит из
электромагнитного, вибрационного питателя (2), весового ленточного конвейера
(3), системы автоматического регулирования дозатора (4), обеспечивающей
заданную производительность выдачи угля. Масса дозируемого угля взвешивается на
весовом конвейере (3), результат взвешивания подается на САУ (4), которая
задает интенсивность работы вибрационного питателя (2).
При
отклонении массы угля от заданного значения САУ уменьшает или увеличивает
вибрацию питателя, тем самым, изменяя его производительность до тех пор, пока
масса угля на ленте весового конвейера не станет заданной.
1 - бункер; 2 - вибрационный питатель; 3 - весовой конвейер; 4 - САУ;
- сборный конвейер.
Рис. 1.14. Вибрационный автоматический лотковый дозатор
Производительность вибрационного дозатора может быть
определена по формуле
(1.3)
где F -
площадь поперечного сечения лотка в м2; v - средняя скорость движения материала в м/сек; mV - объемная масса материала в кг/м3;
а - коэффициент заполнения поперечного сечения лотка.
Величину а для открытых лотков следует принимать в пределах а = 0,6-0,8.
Практически применяемые скорости для горизонтальной подачи материалов
вибрационным дозатором лежат в пределах 0,1-0,3 м/сек.
Опыт эксплуатации автодозаторов с вибрационными питателями показал, что
они обладают недостаточной точностью дозирования. Кроме того, одновременная
работа нескольких питателей создает избыточный шум и повышенную запыленность в
производственных помещениях. Все это усложняет их обслуживание.
Ко второму типу весовых дозаторов относятся ленточные дозаторы.
Ленточные питатели с электронными системами управления
В дозаторах с регулировкой производительности путем изменения скорости
транспортерной ленты заслонка не связана с коромыслом и во время работы
дозатора остается закрепленной в одном положении, как она была установлена для
обеспечения требуемой производительности дозатора. В этом случае регулировка при
изменении веса материала на ленте транспортера производится за счет
автоматического изменения скорости ленты. Весовая платформа представляет собой
ленточный транспортер, совершающий колебания на опорных призмах или
подшипниках. В раму транспортера встроена массоизмерительная аппаратура. При
работе дозатора материал вытягивается лентой из бункера. При этом лента
приводится в движение от двигателя с регулируемым числом оборотов (рис. 1.15).
1- ленточный конвейер; 2 - рама; 3 - разгрузочное устройство; 4 -
загрузочное устройство; 5 - автоматическое взвешивающее устройство; 6 -
редуктор; 7 - двигатель; 8 - САУ.
Рис. 1.15 Ленточный дозатор
Дозатор такого типа устанавливается под бункером и состоит из ленточного
конвейера, двигателя и системы автоматического регулирования дозатора,
обеспечивающей заданную производительность выдачи угля. Масса дозируемого угля
взвешивается датчиком массы на весовом конвейере, результат взвешивания
подается на САУ, которая через датчик скорости (тахогенератор) контролирует
скорость вращения ленты конвейера. При уменьшении массы угля от заданного
значения САУ увеличивает скорость двигателя питателя, тем самым, увеличивая его
производительность до тех пор, пока масса угля на ленте весового конвейера не
станет заданной.
Ленточные дозаторы имеют привод на двигателе постоянного тока,
независимого возбуждения, с системой управления, разработанной специалистами
предприятия.
Причины выбора ленточного дозатора шихты на алтайском коксохимическом
заводе
Выбор в качестве дозатора шихты весового ленточного дозатора был
обусловлен необходимостью точного дозирования больших количеств угля, при
наименьших затратах на содержание и обслуживание.
От объемных дозаторов отказались из-за неудовлетворительного качества
дозирования. А чтобы его поднять до уровня весовых дозаторов, приходилось
усложнять оборудование, которое получалось в результате громоздким и дорогим.
От весовых тарельчатых дозаторов отказались из-за их невысокой
производительности - максимум 13 тонн в час, и менее высоких показателей
качества составления шихты при такой производительности.
От вибрационных весовых дозаторов отказались из-за усложнения и
удорожания оборудования при повышении производительности, кроме того, данные
дозаторы обеспечивают меньшую точность при одинаковой производительности по
сравнению с ленточными, а также оборудование вибрационных питателей менее
надежно, издает сильный шум при работе и сильную запыленность, что усложняет
его обслуживание.
Вывод: ленточные весовые дозаторы по совокупности всех качеств оказались
наиболее приемлемыми. Их производительность может меняться в очень больших
пределах, при этом качество дозирования остается в пределах нормы, они просты и
недороги в обслуживании, достаточно надежны. Максимальная производительность
может достигать 100 тонн в час, а среднеквадратичное отклонение компонента
шихты, дозируемого таким дозатором, даже на минимальной производительности не
превышает 1,4%.
Двигатель постоянного тока, независимого возбуждения выбрали для данного
дозатора, в связи с тем, что он обеспечивает жесткие характеристики,
позволяющие обеспечить наиболее оптимальные возможности регулирования и
поддержания качества дозирования на заданном уровне.
2. ТЕХНИЧЕСКОЕ ЗАДАНИЕ НА ПРОЕКТИРОВАНИЕ ЭЛЕКТРОПРИВОДА ДОЗАТОРА
2.1 Выбор двигателя привода конвейера - дозатора
Характеристики груза
Объект дозирования - уголь каменный, кузнецкого бассейна.
-
насыпная плотность
=0,82-0,9 т/м3;
угол
естественного откоса при движении ленты
;
группа
абразивности - В, С (малоабразивная, среднеабразивная);
коэффициент
разрыхления
.
Характеристика
приводного механизма
Конвейер
- дозатор представлен на рис. (2.1)
1-
ленточный конвейер; 2 - рама; 3 - разгрузочное устройство; 4 - загрузочное
устройство; 5 - редуктор; 6 - двигатель.
Рис.
2.1 Весовой конвейер - дозатор
Тип
конвейера: одноприводной, нереверсивный, горизонтальный, общего назначения, стационарный,
со встроенным автоматическим весовым устройством.
Несущая
ветвь - верхняя.
Форма
поперечного сечения грузонесущей ленты - плоская.
Тип
ленты - гладкая, резинотканевая.
Разгрузка
идет на концевом барабане.
Характеристики
конвейера - дозатора
Рис.
2.2. Размеры ленты
рабочая
производительность Q = 24000 - 80000 кг/ч;
рабочая
скорость Vраб = 0,5 - 2 м/с;
диапазон
регулирования электропривода - 4;
максимальная
производительность Q = 90000 кг/ч (ограничена до 80 т/ч механически);
максимальная
скорость ленты Vmax = 2,34 м/с (при 90 т/ч).
режим
работы конвейера - длительный, в две смены по 8 часов каждая, ежедневно.
условия
работы: отапливаемое помещение, нормальная влажность, большое количество
абразивной пыли.
Привод
конвейера
Местоположение
- в хвостовой части конвейера.
Состоит
из (рис.2.3): приводного барабана (1), редуктора (5), электродвигателя (3),
системы автоматического управления (4).
-
приводной барабан; 2 - лента; 3 - двигатель; 4 - САУ; 5 - редуктор.
Рис.
2.3. Привод конвейера дозатора
Характеристика
основных узлов конвейера - дозатора
приводной
барабан
тип
- 12029Г - 50
основные
характеристики:
диаметр
Dприв.бар. = 290 мм.;
масса
mприв.бар. = 115 кг.;
наибольший
допустимый крутящий момент на валу барабана - 400 Нм;
фрикционная
способность - приводной барабан покрыт прорезиненной лентой, коэффициент
сцепления с лентой:
в
установившемся режиме -
в
режиме пуска -
,
где
- коэффициент ухудшения сцепления приводного барабана
при пуске; Т - постоянная времени затухания волн растягивающего воздействия
ленты,
для
данного типа конвейеров Т = 3 с.;
К.П.Д.
барабана -
поддерживающие
ролики
тип
- ПФ8 - 127
количество
- 10 штук;
основные
характеристики:
диаметр
Dрол. =127 мм.;
масса
mрол = 22 кг.;
расстояние
между роликами lрол = 0,2 м.
лента
тип
- 2Р ТК200
основные
характеристики:
длина
горизонтальной проекции ленты LГ =3020 мм.;
ширина
ленты Н = 1200 мм.;
полная
длина ленты Lполн. = 7872 мм.;
масса
mлен = 161,38 кг.;
допустимое
окружное растягивающее усилие Fдоп. = 1200 Н.
неприводной
барабан
тип
- 12029Г - 50
основные
характеристики:
диаметр
Dнеприв.бар. = 290 мм.;
масса
mнеприв.бар. = 115 кг.;
Расчет
привода в установившемся режиме
Контур,
образуемый лентой, состоит из чередующихся прямолинейных и криволинейных участков.
Для упрощения, рассмотрим конвейер, как две прямолинейных параллельных ветви,
соединенных криволинейными участками, на которых лента огибает барабаны.
Силы
сопротивления движению на этих участках делятся на распределенные по длине
конвейера и сосредоточенные. К последним относятся силы сопротивления на
поворотных участках и в местах погрузки.
Для
определения тягового усилия используют метод обхода по контуру ленты, согласно
которому на контуре обозначают точки сопряжений прямолинейных и криволинейных
участков
.
Суммарная
сила сопротивления движению - это разность натяжений в конечных и начальных
точках
Рис.
2.4. Контур и развертка сил сопротивления движению ленты
Мощность
двигателя дозатора рассчитывается по формуле (2.1):
(2.1)
где
Р - мощность на валу двигателя, кВт; МС - статический момент сопротивления на
валу приводного барабана в установившемся режиме, Нм; VМАХ -
максимальная скорость ленты, м/с;
- К.П.Д.
приводного барабана.
Моменты
статического сопротивления определяются по формулам:
В
режиме 1 (пусковом режиме):
(2.2)
где
Sполн.ПУСК - окружное усилие на приводном барабане при
пусковом режиме, Н;
Dприв. бар. -
диаметр приводного барабана, м; Кн.п. - коэффициент неучтенных потерь (Кн.п. =
1.1).
В
режиме 2 (установившемся режиме):
(2.3)
где
Sполн. - окружное усилие на приводном барабане при
установившемся режиме, Н;
Dприв. бар. -
диаметр приводного барабана, м; Кн.п. - коэффициент неучтенных потерь (Кн.п. =
1.1).
(2.4)
где
- коэффициент, учитывающий дополнительное
сопротивление движению ленты по роликам в месте загрузки (
=6); LГ - длина горизонтальной проекции ленты, м;
- общий
коэффициент сопротивления движению ленты, используемый для ориентировочного
тягового расчета
в
установившемся режиме (режиме 2)
= 0,035 (2.5)
в
пусковом режиме (режиме 1)
(2.6)
где
- коэффициент ухудшения сопротивления движению ленты
при пуске; Т - постоянная времени затухания волн растягивающего воздействия
ленты, для данного конвейера Т = 3 с;
-
линейная нагрузка от массы груза, приходящегося на 1 метр длины ленты, Н/м;
- средняя линейная нагрузка от массы ленты, Н/м;
- линейные нагрузки от массы вращающихся роликоопор,
Н/м.
Н/м (2.7)
где
Q - рабочая производительность, кг/ч; g -
ускорение свободного падения
(g =
9,8 м/с2); V - максимальная рабочая скорость, м/с.
Н/м (2.8)
где
mрол - масса ролика, кг; g - ускорение
свободного падения (g = 9,8 м/с2);
lрол -
расстояние между роликами, м.
Н/м (2.9)
где mлен - масса ленты, кг; g - ускорение свободного падения (g = 9,8 м/с2);
Lполн
- полная длина ленты, м.
Значения параметров представлены в табл. 2.1
Таблица 2.1
Параметры тягового расчета для режима 2 (установившегося режима)
|
параметр
|
значение
|
величина измерения
|
|
qгр.
|
110
|
Н/м
|
|
qлен
|
201
|
Н/м
|
|
qрол
|
108
|
Н/м
|
|
6
|
|
|
|
LГ
|
3,02
|
м
|
|
0,035
|
|
|
Найдем общее окружное усилие на приводном барабане в установившемся
режиме по формуле (2.4), данные возьмем из табл. 2.1:
Н
Чтобы найти полное окружное усилие, необходимо учесть момент от натяжения
ленты и сопротивление движению неприводного барабана:
(2.10)
Момент окружного усилия на приводном барабане от натяжения находится по
формуле (2.11):
(2.11)
где
- коэффициент натяжения; здесь
- коэффициент сцепления барабана с лентой;
- угол обхвата барабана лентой; е = 2,72 - основание
натурального логарифма.
Н
Момент окружного усилия на приводном барабане от сопротивления движению
ведомого барабана находится по формуле (2.12):
(2.12)
где
mнеприв.бар - масса неприводного барабана, кг; LГ -
длина горизонтальной проекции ленты, м;
-
коэффициент натяжения.
Н
Т.о.,
полное окружное усилие по формуле (2.10) будет не меньше:
Н
По
формуле (2.3) рассчитаем статический момент на валу приводного барабана:
Нм,
где
Sполн. - окружное усилие на приводном барабане при
установившемся режиме, Н;
Dприв. бар. -
диаметр приводного барабана, м; Кн.п. - коэффициент неучтенных потерь (Кн.п. =
1.1).
Рассчитаем
момент инерции Jмех механизма
(2.13)
Момент
инерции приводного барабана находится по формуле (2.14):
кгм2 (2.14)
Момент
инерции неприводного барабана находится по формуле (2.15)
кгм2 (2.15)
Момент
инерции ролика находится по формуле (2.16)
кгм2 (2.16)
Момент
инерции всех роликов находится по формуле (2.17)
кгм2 (2.17)
Момент
инерции, вызываемый массой ленты и угля, находящегося на ней находится по
(2.18)
кгм2 (2.18)
Т.о.
момент инерции механизма по формуле (2.13) равен:
кгм2
Расчет
и выбор двигателя конвейера - дозатора
По
формуле (2.1) найдем предварительное значение мощности двигателя (без учета
динамических перегрузок)
кВт
Так
как электропривод работает в режиме технологического оптимума, то коэффициент
динамических перегрузок КДИН выбирается в пределах 1,5 2. КДИН = 1,65
кВт
Берем
ближайший по мощности двигатель постоянного тока, продолжительного режима
работы, независимого возбуждения тип 4ПБМ 180МГ04, закрытого исполнения с
естественным охлаждением, модифицированный, высота от оси вращения 180мм,
вторая условная длина сердечника якоря, со встроенным тахогенератором,
применена изоляция класса нагревостойкости Н
Рис.
2.5 Двигатель 4ПБМ 180МГ04
Характеристики
двигателя 4ПБМ 180МГ04 представлены в табл. 2.2:
Таблица
2.2 Характеристики двигателя 4ПБМ 180МГ04
|
Параметры характеристик
двигателя
|
Обозначение параметра
|
Номинал параметра
|
Единица измерения параметра
|
|
|
|
|
|
Номинальное напряжение
двигателя
|
220В
|
|
|
|
Номинальная мощность
двигателя
|
РН
|
3,75
|
кВт
|
|
Номинальные обороты
двигателя
|
nНОМ
|
775
|
Об/мин
|
|
Номинальная угловая частота
вращения ротора двигателя
|
81,158с-1
|
|
|
|
Нулевая угловая частота
вращения ротора двигателя
|
82,863с-1
|
|
|
|
Номинальный ток
|
IНОМ
|
19,5
|
А
|
|
Момент инерции двигателя
|
JДВ
|
0,24
|
кгм2
|
|
Номинальный момент
двигателя
|
МДВ
|
46,2
|
Нм
|
|
Полезный магнитный поток ОВ
|
Фполез
|
10
|
мВб
|
|
Сопротивление якорной цепи
|
RЯЦ
|
0,232
|
Ом
|
|
Перегрузочная способность
|
 В
течение 10 сек.
|
|
|
|
Число пар полюсов якоря
|
р
|
2
|
|
|
Количество активных
проводников якоря
|
N
|
834
|
|
|
Число параллельных ветвей
якоря
|
а
|
1
|
|
|
Коэффициент Уманского -
Линвилля компенсации двигателя
|
0,27
|
|
|
|
К.П.Д. двигателя (найдена
по формуле (2.19))
|
0,875
|
|
|
|
Коэффициент Се (найден по
формуле (2.20))
|
Се
|
265,5
|
|
|
Индуктивность якорной цепи
двигателя, (2.21)
|
LЯ
|
18
|
мГн
|
|
Жесткость скоростной
характеристики двигателя, (2.22)
|
b
|
0,976
|
|
К.П.Д. двигателя найдем по формуле (2.19)
(2.19)
где
UН - номинальное напряжение двигателя; IН -
номинальный ток двигателя;
РН
- номинальная мощность двигателя. Данные берем из табл.2.2:
Найдем
коэффициент Се по формуле (2.20)
(2.20)
где
р - число пар полюсов якоря, N - количество активных проводников якоря, а - число
параллельных ветвей якоря. Данные берем из табл. 2.2:
Индуктивность
якорной цепи двигателя вычислим по приближенной формуле Уманского - Линвилля
(2.21)
где
- коэффициент компенсации двигателя;
- номинальное напряжение двигателя;
р
- число пар полюсов якоря;
-
номинальная угловая частота вращения ротора двигателя; IНОМ -
номинальный ток. Данные берем из табл. 2.2:
Жесткость
скоростной характеристики двигателя рассчитывается по формуле (2.22), данные
берем из табл.2.2
(2.22)
Вероятность
безотказной работы за наработку 4 000 ч не менее 0,93 (с заменой щеток при
необходимости через 2 000 ч).
Средний
ресурс до списания 20 000 ч. Средний срок службы 15 лет.
Двигатели
допускают длительную работу при регулировании частоты вращения вниз от
номинальной до нуля изменением напряжения на якоре.
Габаритные,
установочные и присоединительные размеры показаны на рис. 2.6
Рис.
2.6 Габаритные, установочные и присоединительные размеры
Расчет
и выбор типового редуктора
Оптимальное
передаточное число редуктора определяется из формулы (2.23)
(2.23)
где
Jмех, Jдв - соответственно моменты инерции двигателя и
механизма, каждый относительно своей оси;
-
коэффициент, учитывающий момент инерции редуктора.
Приведем
линейную скорость движения ленты к частоте вращения приводного барабана по
формуле (2.24)
об/мин (2.24)
где
VМАХ - максимальная скорость движения ленты; r -
радиус приводного барабана;
Действительное
передаточное число редуктора равно
(2.25)
По
справочнику выбираем редуктор цилиндрический, двухступенчатый серии
Ц2У;
номинальное передаточное число 5
, К.П.Д.
редуктора
; значение мощности на валу редуктора 24 кВт
.
Приведение
статических моментов к валу двигателя
Определим
К.П.Д. механизма по формуле (2.26):
(2.26)
где
- К.П.Д. приводного барабана;
- К.П.Д. редуктора;
- К.П.Д.
двигателя.
Определим
приведенный к валу двигателя статический момент на приводном барабане в режиме
установившегося движения по формуле (2.27):
Нм (2.27)
где
МС - момент сопротивления движению ленты на валу приводного барабана в
установившемся режиме; i - передаточное число редуктора;
- К.П.Д. механизма.
Определим
приведенный к валу двигателя момент инерции привода по ф-ле (2.28)
Нм2 (2.28)
где
Jмех, Jдв - соответственно моменты инерции двигателя и
механизма, каждый относительно своей оси;
-
коэффициент, учитывающий момент инерции редуктора,
i -
действительное передаточное число.
Расчет
пусковых режимов электропривода
Произведем
расчет окружного усилия на приводном барабане в пусковом режиме (режиме 1) по
формуле (2.29)
:
(2.29)
где
- коэффициент, учитывающий дополнительное
сопротивление движению ленты по роликам в месте загрузки (
=6); LГ - длина горизонтальной проекции ленты, м;
- общий коэффициент сопротивления движению ленты,
используемый для ориентировочного тягового расчета при пуске;
-
коэффициент ухудшения сопротивления движению ленты при пуске;
Т
- постоянная времени затухания волн растягивающего воздействия ленты (Т = 3 с).
-
линейная нагрузка от массы груза, приходящегося на 1 метр длины ленты, Н/м;
-
средняя линейная нагрузка от массы ленты, Н/м;
-
линейные нагрузки от массы вращающихся роликоопор, Н/м;
Значения
параметров даны в табл. 2.3:
Таблица
2.3 Параметры тягового расчета для режима 1 (пускового режима) в момент времени
t = 0
|
параметр
|
значение
|
величина измерения
|
|
qгр.
|
110
|
Н/м
|
|
qлен
|
201
|
Н/м
|
|
qрол
|
108
|
Н/м
|
|
6
|
|
|
|
LГ
|
3,02
|
м
|
|
(t = 0)0,052
|
|
|
Найдем общее окружное усилие на приводном барабане в пусковом режиме в
момент времени t = 0 по формуле
(2.29), данные возьмем из табл. 2.3:
Н
Чтобы найти полное окружное усилие, необходимо учесть момент от натяжения
ленты и сопротивление движению неприводного барабана по формуле (2.30):
(2.30)
Момент окружного усилия на приводном барабане от натяжения находится по
формуле (2.31)
(2.31)
где
; здесь
-
коэффициент сцепления барабана с лентой;
- угол
обхвата барабана лентой; е = 2,72 - основание натурального логарифма, Т -
постоянная времени затухания волн растягивающего воздействия ленты (Т = 3 с).
Н
Момент окружного усилия на приводном барабане от сопротивления движению
ведомого барабана находится по формуле (2.32):
(2.32)
где
mнеприв.бар - масса неприводного барабана; LГ -
длина горизонтальной проекции ленты;
-
коэффициент натяжения.
Н
Т.о.,
полное окружное усилие по формуле (2.30) будет не меньше:
Н
По
формуле (2.2) рассчитаем начальный пусковой момент на валу приводного барабана:
Нм,
где
Sполн.П.t=0 - окружное усилие на приводном барабане при
пусковом режиме в момент времени t = 0, Н; Dприв. бар. - диаметр приводного
барабана, м; Кн.п. - коэффициент неучтенных потерь (Кн.п. = 1.1).
Найдем общее окружное усилие на приводном барабане в пусковом режиме в
момент времени t = 3 с. по
формуле (2.29), данные возьмем из табл. 2.4:
Таблица 2.4 Параметры тягового расчета для режима 1 (пускового режима) в
момент времени t = 3 с.
|
параметрзначениевеличина
измерения
|
|
|
|
qгр.
|
110
|
Н/м
|
|
qлен
|
201
|
Н/м
|
|
qрол
|
108
|
Н/м
|
|
6
|
|
|
|
LГ
|
3,02
|
м
|
|
(t = 3)0,041
|
|
|
Н
Чтобы найти полное окружное усилие, необходимо учесть момент от натяжения
ленты и сопротивление движению неприводного барабана:
(2.33)
Момент окружного усилия на приводном барабане от натяжения находится по
формуле (2.31)
(2.34)
где
, здесь
-
коэффициент сцепления барабана с лентой,
- угол
обхвата барабана лентой; е = 2,72 - основание натурального логарифма; Т -
постоянная времени затухания волн растягивающего воздействия ленты (Т = 3 с).
Н
Момент окружного усилия на приводном барабане от сопротивления движению
ведомого барабана находится по формуле (2.35):
(2.35)
где
mнеприв.бар - масса неприводного барабана, кг; LГ -
длина горизонтальной проекции ленты, м;
-
коэффициент натяжения.
Н
Т.о.,
полное окружное усилие по формуле (2.33) будет не меньше:
Н
По
формуле (2.2) рассчитаем статический момент на валу приводного барабана:
Нм,
где
Sполн.П.t=3 - окружное усилие на приводном барабане при
пусковом режиме в момент времени t = 3 c.; Dприв. бар. - диаметр приводного барабана; Кн.п. -
коэффициент неучтенных потерь (Кн.п. = 1.1).
Определим
приведенный к валу двигателя статический момент на приводном барабане в режиме
пуска для времени t = 0 по формуле (2.36):
Нм (2.36)
где
МС.ПУСК.t=0 - момент сопротивления движению ленты на валу
приводного барабана в пусковом режиме, в момент времени t =
0; i - передаточное число редуктора;
- К.П.Д. механизма.
Определим
приведенный к валу двигателя статический момент на приводном барабане в режиме
пуска для времени t = 3 c. по формуле (2.37):
Нм (2.37)
где
МС.ПУСК.t=3 - момент сопротивления движению ленты на валу
приводного барабана в пусковом режиме, в момент времени t = 3
с.; i - передаточное число редуктора;
- К.П.Д.
механизма.
Нагрузочная
диаграмма механизма показана на рис. 2.7
Рис.
2.7 Нагрузочная диаграмма механизма
Определение
динамических моментов электропривода
Принцип
работы дозатора заключается в обеспечении постоянного значения расхода угля в
любой момент времени. Но, когда производится загрузка конвейера - дозатора из
бункера, давление (вес угля) в месте загрузки меняется. Теоретически давление в
месте загрузки рассчитано на 13,8 кг/м. Фактически же за счет влияния различных
факторов (влажности угля, крупности, марки угля, качества помола, климатических
условий, заполнения бункера) эта величина неизбежно отклоняется от
теоретического значения.
Конечно,
отклонения неизбежны, и отклонения в напоре вызывают отклонения расхода угля.
Т.е., если скорость ленты была бы постоянной, то отклонения влияли бы на
производительность. И чем больше и чаще эти отклонения, тем сильнее было бы это
влияние. Чтобы нивелировать погрешности в расходе, была создана САУ. Эта
система регулирует скорость двигателя, тем самым, поддерживая расход и
производительность на нужном уровне.
Возникает
вопрос, если идет рассев характеристик напора угля из бункера, то скорость
двигателя будет меняться в процессе работы в установившемся режиме. А это
означает, что в двигательном моменте
будет
присутствовать составляющая динамического момента регулирования
. Каково это значение
? Если
брать на наибольшее отклонение и наибольшую частоту, то это будет неправильная
оценка
, ведь наибольшие отклонения редки. Если предположить
обратное, что скорость в установившемся режиме меняется мало, то будет
недооценка
.
Для
того чтобы ответить на эти вопросы, надо изучить случайное явление рассеивания
напора, а значит и изменения скорости ленты в установившемся режиме с точки
зрения закономерностей, присущих ему, как случайному явлению.
Были
проведены исследования для максимальной рабочей производительности
т/ч
и соответствующей этой производительности скорости ленты Vлен
= 2 м/с. По полученным экспериментальным данным была построена плотность
распределения вероятностей изменения скорости ленты
вида
Рис.
2.8 Плотность распределения вероятностей изменения скорости ленты
В
данном случае,
- случайное изменение линейной скорости ленты,
представлена случайной величиной х, которая имеет плотность распределения f(x).
Плотность
распределения случайной величины задается функцией (2.38)
(2.38)
где
х - значение случайной величины.
Функция распределения случайной величины х задана зависимостью (2.39)
(2.39)
Найдем среднее значение (ожидание) случайной величины х по формуле (2.40)
(2.40)
Произведем
необходимые преобразования в формуле (2.40):
Т.о.,
полученное среднее отклонение характеризует наиболее ожидаемое изменение скорости
ленты. Найдем ожидаемое изменение угловой скорости ленты:
м/с (2.41)
Найдем
ожидаемое изменение угловой скорости двигателя
,
вызванное регулированием скорости ленты по формуле (2.41)
с-1 (2.41)
где
Vлен - среднее
ожидаемое изменение линейной скорости ленты, м/с;
RПРИВ.БАР. -
радиус приводного барабана, м; i - передаточное число редуктора.
Найдем
ожидаемый динамический момент, создаваемый регулированием скорости ленты
конвейера - дозатора по формуле (2.45):
(2.42)
где
- приведенный момент инерции привода;
- ожидаемое изменение угловой скорости двигателя;
- время реакции САУ на изменение регулируемого
параметра, предварительное значение
примем
равным 0,05 с. из условия, что в дальнейшем система автоматического
регулирования будет настраиваться на технологический оптимум, а суммарная
некомпенсируемая постоянная времени запаздывания тиристорного преобразователя и
СИФУ равна 0,01 с.
По
формуле (2.42) найдем
:
Нм
Найдем
средний момент двигателя в установившемся режиме по формуле (2.43):
Нм (2.43)
где
МРЕГ.ДИН. - ожидаемый динамический момент, создаваемый регулированием скорости
ленты конвейера - дозатора, Нм; МС.ПРИВ - приведенный момент сопротивления
движению механизма в установившемся режиме.
Определим
динамический момент при пуске по формуле (2.44):
(2.44)
Найдем
время пуска при симметричном оптимуме по формуле (2.45):
(2.45)
где
JПРИВ - приведенный к валу двигателя момент инерции;
- соответственно начальная скорость и начальный
пусковой момент;
- соответственно скорость в установившемся режиме,
момент сопротивления в установившемся режиме.
Произведем
пуск до максимальной скорости движения ленты, при напряжении на двигателе 220 В
(максимальном угле открытия тиристоров, Vмах = 2,34
м/с). Этой скорости будет соответствовать частота вращения двигателя:
(2.46)
где
Муст - средний момент сопротивления механизма в установившемся режиме, Нм;
МН.
- номинальный момент двигателя, Нм;
-
соответственно угловые скорости идеального холостого хода и номинальная
двигателя. Подставляем данные в формулу (2.45):
с-1
Подставляем
эти значения в формулу (2.45):
По
формуле (2.43) найдем динамический момент, развиваемый двигателем при пуске:
Найдем
суммарный двигательный момент, который двигатель развивает при пуске по формуле
(2.47)
(2.47)
где
- приведенный момент сопротивления движению ленты в
момент времени
t = 0, Нм;
- динамический момент при пуске, Нм.
Полученные
значения подставляем в формулу (2.47):
Нм
Найдем
пусковой ток для «холодного» двигателя по формуле (2.48):
(2.48)
где
МДВ.ПУСК - суммарный двигательный момент, который двигатель развивает при
пуске;
коэффициент
КЕ15 для «холодного» двигателя найдем по формуле (2.49):
(2.49)
где
UН - номинальное напряжение двигателя; IН -
номинальный ток двигателя;
-
номинальная угловая скорость двигателя; rЯЦ15 -
суммарное сопротивление якорной цепи «холодного» двигателя:
Значения
параметров берем из табл. 2.2:
Найдем
пусковой ток «холодного» двигателя по формуле (2.48)
А
Найдем
пусковой ток для нагретого двигателя по формуле (2.50):
(2.50)
где
МДВ.ПУСК - суммарный двигательный момент, который двигатель развивает при
пуске;
коэффициент
КЕ60 для нагретого двигателя найдем по формуле (2.51):
(2.51)
где
UН - номинальное напряжение двигателя; IН -
номинальный ток двигателя;
-
номинальная угловая скорость двигателя; rЯЦ60 -
суммарное сопротивление якорной цепи нагретого двигателя, rЯЦ60
найдем по формуле (2.52):
(2.52)
где
- сопротивление якорной цепи «холодного» двигателя;
- коэффициент температурного повышения сопротивления,
для меди
;
-
разность температур «холодного» и нагретого двигателей,
.
Ом
По
формуле (2.51) найдем КЕ60:

А
В
установившемся режиме через двигатель будет протекать ток
, который находится по формуле (2.53)
(2.53)
где
Муст - средний момент на валу двигателя в установившемся режиме, Муст найден по
формуле (2.43):
Установившийся
ток по формуле (2.53) равен:
А
Проверка
выбранного двигателя
Электромеханическое
преобразование энергии сопровождается неизбежными потерями в активных
сопротивлениях обмоток машины, в стали магнитопроводов, а так же механическими
потерями. Энергия потерь выделяется в виде тепла в соответствующих элементах
двигателя и вызывает его нагревание. Отсюда вытекает важнейшее ограничение -
ограничение по нагреву
Развиваемую
мощность двигателя в установившемся режиме найдем по формуле (2.55)
(2.55)
где
Муст - средний момент на валу двигателя в установившемся режиме, Муст найден по
формуле (2.53) Муст = 27,28 Нм;
скорость,
соответствующая наибольшей производительности дозатора,
. Подставляем эти данные в систему 2.57, 2.55:
Вт
Рабочие
параметры не превышают номинальных, выше которых рабочая температура двигателя
может превышать допустимую.
Вследствие
тепловой инерции кратковременные перегрузки, например, в процессе пуска при
достаточно малой продолжительности не вызывают заметного изменения температуры
частей электродвигателя, поэтому ограничения, накладываемые нагревом, не
исключают возможности кратковременного значительного превышения номинальной
нагрузки двигателя. Допустимое ограничение определяется перегрузочной
способностью двигателя.
Для
проверки двигателя на перегрузку произведем расчет перегрузочной способности
двигателя по току и по моменту по формулам (2.56), (2.57):
(2.56)
(2.57)
.
Перегрузка не должна превышать по длительности 10 сек.
Условия
выполняются, двигатель выбран правильно.
.2 Выбор тиристорного преобразователя
Выбор
схемы тиристорного преобразователя, определение режимов его работы
Для
данного электропривода следует применить трехфазную нулевую схему с буферным
диодом, показанную на рис. 2.9.
Рис.
2.9 Силовая схема электропривода конвейера - дозатора
Достоинство
трехпульсной схемы заключается в отсутствии согласующего силового
трансформатора; для её построения необходимо минимум тиристоров - 3 тиристора.
Недостатки: тиристоры включены на более высокое напряжение - напряжение сети;
возможные перенапряжения в сети могут вызвать повреждение тиристоров. Чтобы
этого не допустить, используются RC цепочки, шунтирующие тиристоры. RC
цепочки ухудшают пусковые свойства тиристоров, но увеличивают надежность их
работы.
Расчет
параметров и выбор элементов силовой схемы преобразователя для тиристорного
электропривода требует определения режимов его работы и значений токов,
протекающих через тиристор и шунтирующий диод. Определим основные соотношения
характеризующие симметричный нулевой ТП с шунтирующим диодом. Задачу решим для
случая, когда электромагнитные постоянные времени цепи тиристоров и разрядного
контура равны между собой. Для удобства анализа процессов в преобразователе с шунтирующим
диодом весь диапазон изменения углов открытия разбивается на зоны непрерывных и
прерывистых напряжений.
Первая
зона характеризуется тем, что угол открытия
в
трехпульсном преобразователе изменяется в диапазоне:
(2.58)
где
m - коэффициент схемы, для трехпульсной схемы m =
3. Тогда:
или
(2.59)
В
зоне прерывистых напряжений угол открытия тиристоров
лежит в пределах:
или
(2.60)
В
зависимости от отношения между значениям противо - ЭДС, постоянных времени цепи
нагрузки и угла открытия
преобразователь может работать в одном из нескольких
режимов.
А
- режим непрерывных токов:
(2.61)
где
,
,
соответственно продолжительность импульса тока в цепи
нагрузки, через тиристор и через шунтирующий диод.
Рис.
2.10 Режим работы А при
Рис.
2.10 Режим работы А при
Б
- режим прерывистых токов, при котором часть электромагнитной энергии,
запасенной в индуктивной цепи нагрузки, разряжается через шунтирующий диод:
;
;
(2.62)
где
,
,
соответственно продолжительность импульса тока в цепи
нагрузки, через тиристор и через шунтирующий диод.
Рис.
2.10. Режим работы Б при
В
- режим прерывистых токов, при котором разряд электромагнитной энергии,
запасенной в индуктивности цепи нагрузки осуществляется только по цепи прямого
тока - через тиристоры
;
(2.63)
где
,
,
соответственно продолжительность импульса тока в цепи
нагрузки, через тиристор и через шунтирующий диод.
Рис.
2.10 Режим работы В при
Рис.
2.10 Режим работы В при
Шунтирующий
диод в работе не участвует и по своим характеристикам схема эквивалентна аналогичному
трехпульсному преобразователю без шунтирующего диода.
В
зоне прерывистых напряжений возможен любой из рассмотренных режимов тока. В
зоне непрерывных напряжений, где шунтирующий диод закрыт, режим Б невозможен,
поэтому:
- в
режиме А;
- в
режиме Б;
Выведем
расчетные соотношения для зоны прерывистых напряжений, наиболее характерной
зоны работы тиристорных преобразователей.
Допустим,
что параметры нагрузки постоянны и падение напряжения на проводящих вентилях
отсутствует. Введем относительную систему единиц, в которой противо-ЭДС, ток и
электромагнитные постоянные времени определяются:
(2.64)
где
Е - противо-ЭДС на рабочей скорости; Um - амплитудное значение фазного
напряжения (для нулевых схем); IH, IT, IД, I0, соответственно номинальный ток, токи через
тиристор, шунтирующий диод и начальный ток через тиристор в момент отпирания;
-
приведенная постоянная времени; f - частота сети; LЯ.Ц., RЯ.Ц.
- соответственно индуктивность и сопротивление якорной цепи двигателя.
Найдем
для максимальной рабочей скорости. Для этого найдем
противо-ЭДС на максимальной рабочей скорости по формуле (2.65):
(2.65)
где
Се - коэффициент ЭДС двигателя; Ф - полезный магнитный поток ОВ двигателя;
-
максимальная рабочая скорость двигателя, рассчитана по формуле (2.46)
(
= 81,856 с-1).
Подставляем
значения параметров из табл. 2.2 в формулу 2.65:
В
Отсюда
безразмерный коэффициент
для максимальной рабочей скорости равен:
(2.66)
Безразмерный
коэффициент
для рабочей скорости, при угле открытия тиристора
(30 эл.град. от начала полуволны) равен:
(2.67)
где
- рабочая скорость двигателя, при напряжении на
двигателе 176 В, обеспечиваемых углом открытия тиристоров
(60 эл.град. от начала полуволны) найдем по формуле
(2.68)
(2.68)
где
Vлен - линейная скорость ленты при напряжении на
двигателе 176 В, м/с Vле = 1,92 м/с; RПРИВ.БАР. -
радиус приводного барабана, м; i - передаточное число редуктора.
с-1
По
формуле (2.67) найдем
:
Найдем
постоянную времени
, данные возьмем из табл. 2.2:
с. (2.69)
Отсюда
угол
найдем по формуле (2.70):
рад.
(75,55 эл. град) (2.70)
Выбор
полупроводниковых элементов силовой схемы
Амплитуда
прямого напряжения на тиристоре находится по формуле (2.71):
В (2.71)
где
UФ - фазное значение напряжения сети (для нулевых
схем).
Амплитуда
обратного напряжения находится по формуле (2.72):
В (2.72)
где
UФ - фазное значение напряжения сети (для нулевых
схем).
Ток
через тиристор определяется из решения уравнения электрического равновесия цепи
(2.73)
Продолжительность
импульса тока через нагрузку
Определим
средний ток в установившемся режиме работы электропривода для максимальной
производительности, то есть угол открытия тиристоров
составляет
эл.град.
(режим А)
(2.74)
Найдем
средний ток якоря по формуле (2.75):
(2.75)
Мгновенное
значение тока в режиме А находится по формуле (2.76):
(2.76)
В
режиме прерывистых токов (Б и В) начальный ток i0 = 0.
Отчет
времени ведется от момента открытия тиристора.
При
работе тиристоров в режиме А или В в момент времени
, тиристор, находившийся в открытом состоянии,
запирается и ток разряда ЭДС самоиндукции описывается уравнением (2.77)
(2.77)
Решение
которого имеет вид
(2.78)
Здесь
отчет времени ведется от начала разряда ЭДС, а конечное значение тока тиристора
определяется подстановкой
в формулу (2.76).
(2.79)
В
установившимся режиме непрерывных токов начальный ток тиристора равен конечному
значению тока через шунтирующий диод, поэтому уравнение для него является
решением (2.78), при максимальном угле проводимости диода
(2.80)
Решая
совместно (2.78) и (2.79) получим:
(2.81)
Пользуясь
формулами (2.76)-(2.80) определим основные величины, характеризующие режим
работы тиристорного трехпульсного преобразователя.
Граничная
противо-ЭДС между режимами непрерывных (А) и прерывистых (Б) токов определяется
из условия равенства нулю начального тока
в момент
открытия тиристора в уравнении (2.81)
(2.82)
где
,
-
безразмерный коэффициент ЭДС, для скорости ленты
= 1,92
м/с,
= 0,565. С учетом этого уравнение (2.82) примет вид:
Тогда
ЕГР найдем по формуле (2.83)
В (2.83)
Продолжительность
импульса тока через шунтирующий диод для угла открытия тиристора
= 100 эл.град. (
, режим
Б, производительность конвейера - дозатора 24 тонны/час) определяется решением
(2.78) с подстановкой в него
из
(2.79) при отсутствии сопротивлений на стороне переменного тока. Получаем
(2.84)
Среднее
значение тока шунтирующего диода находится интегрированием в пределах от
по формуле (2.85)

(2.85)
Обратное
амплитудное значение напряжения на шунтирующем диоде определяется по формуле
(2.86)
В (2.86)
Максимальное
прямое напряжение равно фазному напряжению сети
В.
По
полученным данным выбираем тиристоры и шунтирующий диод.
С
учетом коэффициента запаса по току (КЗАП = 2,5) тиристоры необходимо выбирать
на ток
А (2.87)
На
прямое напряжение 127 В и на обратное напряжение не ниже 540 В. Этим условиям
удовлетворяет тиристор Т 10-10-6 (шестого класса). Его параметры представлены в
табл. 2.5
:
Таблица
2.5 Характеристики тиристора Т 10-10-6
|
Параметры характеристик
тиристора
|
Обозначение параметра
|
Номинал параметра
|
Единица измерения параметра
|
|
|
|
|
|
Максимальный средний ток в
открытом состоянии
|
IОС.ср
|
10
|
А
|
|
Кратковременное допустимое
мгновенное значение прямого тока чрез тиристор в момент коммутации
|
IОС.доп
|
1200
|
А
|
|
Максимальное обратное
повторяющееся напряжение
|
UОБР.П
|
600
|
В
|
|
Максимальное амплитудное
прямое повторяющееся напряжение, не вызывающее отпирание таристора без подачи
управляющего импульса
|
UПР.П
|
385
|
В
|
|
Тепловое сопротивление
|
RT
|
1,9
|
град.С/Вт
|
|
Температура перехода
|
TП
|
125
|
град.С
|
|
Время отпирания
|
tвкл
|
10
|
мкс
|
|
Время восстановления
управляемости
|
tвыкл
|
70-150
|
мкс
|
|
Управляющий ток отпирания
|
IУ.от
|
75
|
мА
|
|
Управляющее напряжение
отпирания
|
UУ.от
|
3
|
В
|
|
Удерживающий ток
|
Iудер.
|
80
|
мА
|
|
Подхватывающий ток
|
Iподх.
|
130
|
мА
|
|
Критическая скорость
нарастания прямого напряжения на тиристоре
|
200А/мкс
|
|
|
С учетом коэффициента запаса по току (КЗАП.Д = 2) диод необходимо
выбирать на ток
А (2.87)
На
прямое амплитудное повторяющееся напряжение 220 В и на обратное напряжение не
ниже 530 В. Этим условиям удовлетворяет диод КД 203Е. Его параметры
представлены в табл. 2.6
Таблица 2.6 Характеристики шунтирующего диода КД 203Е
|
Параметры характеристик
диода
|
Обозначение параметра
|
Номинал параметра
|
Единица измерения параметра
|
|
|
|
|
|
Максимальный средний ток в
открытом состоянии
|
IПР
|
10
|
А
|
|
Максимальное обратное
повторяющееся напряжение
|
UОБР.П
|
600
|
В
|
|
Температура корпуса
|
TK
|
70
|
град.С
|
3. СИСТЕМА АВТОМАТИЧЕСКОГО РЕГУЛИРОВАНИЯ РАСХОДА УГЛЯ КОНВЕЙЕРА -
ДОЗАТОРА
Известно из практики, что при работе машин некоторых типов их
электропривод может находиться в крайне неблагоприятных условиях эксплуатации.
Дозатор угля в коксохимической промышленности вполне можно отнести к таким
машинам. При дозированной подаче угля он может создавать высокодинамичный режим
работы электропривода, приводящий к интенсивному усталому износу механической
части привода и повышенному тепловому и вибромеханическому износу изоляции
обмоток электродвигателя.
В связи с этим актуальной является задача создания электроприводов для
машин подобного типа с лучшими динамическими характеристиками. В отношении
системы управления электроприводом эта задача сводится к наиболее эффективному
управлению состоянием электропривода. Рассмотрение этой задачи применительно к
системе: двигатель постоянного тока независимого возбуждения - упругая
трансмиссия - исполнительный орган.
Принцип работы дозатора заключается в обеспечении постоянного значения
расхода угля в любой момент времени. Но, когда производится загрузка конвейера
- дозатора из бункера, давление (вес угля) в месте загрузки меняется.
Теоретически давление в месте загрузки рассчитано на 13,8 кг/м. Фактически же
за счет влияния различных факторов (влажности угля, крупности, марки угля,
качества помола, климатических условий, заполнения бункера) эта величина
неизбежно отклоняется от теоретического значения.
Конечно, отклонения неизбежны, и отклонения в напоре вызывают отклонения
расхода угля. Т.е., если скорость ленты была бы постоянной, то отклонения
влияли бы на производительность. И чем больше и чаще эти отклонения, тем
сильнее было бы это влияние. Чтобы нивелировать погрешности в расходе, была
создана САУ. Эта система регулирует скорость двигателя, тем самым, поддерживая
расход и производительность на нужном уровне.
Общие понятия о системе автоматического регулирования
Система автоматического регулирования задается следующей блок - схемой на
рас. 3.1
Рис. 3.1 Блок - схема регулирующей системы
1. Блок ЗАДАНИЕ - это источник задающего или опорного напряжения
(воздействия). Величина этого источника R.
2. Объект, характеризуемый регулируемой величиной (скоростью). Его
сигнал описывается формулой 3.1:
где
К - усиление; Е - воздействие; N - возмущение.
. Блок
элементов обратной связи. Этот блок служит для получения в форме тока или
напряжения сигнала
, пропорционального регулируемой величине
.
. ЭЛЕМЕНТ
СРАВНЕНИЯ - это детектор рассогласования. Он сравнивает сигналы R и
, которые могут различаться по величине и фазе. Он
вырабатывает сигнал рассогласования - воздействие
.
. Исполнительное
устройство усиливает воздействие Е до величины КЕ, где К - коэффициент
усиления.
Последнее
уравнение в системе (3.2) является коэффициентом передачи замкнутой системы.
(3.3)
Влияние
возмущения на регулируемый параметр можно оценить соотношением (3.4):
(3.4)
3.1 Анализ механической части электропривода
Синтез
передаточной функции механизма
Кинематическая
схема привода дает представление об идеальных кинематических связях между
движущимися массами конвейера - дозатора, однако она не отражает, что все
элементы кинематической цепи при нагружении демпфируются, то есть обладают
конечной жесткостью. Поэтому для анализа условий движения механического объекта
необходимо составить расчетную кинематическую схему, которой момент инерции J,
момент нагрузки Мнагр, жесткости связей с заменены эквивалентными величинами,
приведенными к одной расчетной скорости
.
Жесткость
i - го упругого элемента рассчитывается по формуле
(3.5):
(3.5)
где
МКРi - крутящий момент;
-
деформация i - го упругого элемента.
Деформации
подчиняются закону Гука.
Условие
равенства запаса потенциальной энергии WП в i-м
упругом приведенном и реальном элементе имеет вид
(3.6)
С
учетом
получим
(3.7)
где
i - действительное передаточное число редуктора.
Параметры
жесткости приведены в табл. 3.1:
Таблица 3.1 Параметры элементов механической части электропривода
|
Параметры
|
Обозначение параметра
|
Номинал параметра
|
Единица измерения параметра
|
|
|
|
|
|
Эквивалентная жесткость
передач
|
Сэкв
|
487000
|
Нм/рад
|
|
Средняя жесткость передач
|
Сср
|
7200
|
Нм/рад
|
|
Жесткость вала двигателя
|
Сд
|
330500
|
Нм/рад
|
|
Жесткость вала приводного
барабана
|
Сп.б.
|
307700
|
Нм/рад
|
|
Жесткость передаточных
элементов редуктора
|
Сред
|
143300
|
Нм/рад
|
|
Деформация вала двигателя
|
0,0026рад.
|
|
|
|
Деформация вала приводного
барабана
|
0,013рад.
|
|
|
|
Деформация передаточных
элементов редуктора
|
0,006рад.
|
|
|
|
Измерения проводились для
двигателя и редуктора при крутящем моменте
|
МКР1
|
86
|
Нм
|
|
Измерения проводились для
приводного барабана при крутящем моменте
|
МКР2
|
400
|
Нм
|
|
Продолжение табл. 3.1
|
|
Коэффициент вязкого трения
|
121,75
|
|
|
|
Приведенный момент инерции
двигателя и редуктора
|
JДВ+JРед=1,3JДВ
|
0,271
|
Кгм2
|
|
Приведенный момент инерции
механизма
|
JПР.Мех=JМЕХ/i2
|
0,312
|
Кгм2
|
|
Разность скоростей масс J1
и J2 в момент приложения максимального воздействия
|
0,034рад
|
|
|
Определим жесткости основных передаточных частей электропривода:
1. Жесткость вала двигателя рассчитывается по формуле (3.8), данные
возьмем из табл. 3.1
Нм/рад (3.8)
2. Жесткость вала приводного барабана рассчитывается по формуле (3.9),
данные возьмем из табл. 3.1
Нм/град (3.9)
3. Жесткость передаточной части редуктора рассчитывается по формуле
(3.10), данные возьмем из табл. 3.1
Нм/град (3.10)
Задача определения эквивалентной приведенной жесткости элементов
механического оборудования возникает в связи со сложностью реальных упругих
связей между массами. Каждый элемент передачи момента от вала двигателя к
приводному барабану обладает собственной конечной жесткостью и массой.
Жесткость i-го вращающегося элемента должна
выдерживать нагрузку системы. Главные массы в электроприводе конвейера -
дозатора это двигатель (JДВ) и
приводной барабан (JПР.Б). Их валы
обладают наибольшей жесткостью.
Момент
инерции редуктора не оказывает существенного влияния на движение системы,
поэтому
.
Результирующая
жесткость вала равна сумме жесткостей его отдельных участков
Нм/рад (3.12)
Двухмассовая
упругая система будет иметь вид представленный на рис. 3.2
Рис.3.2
Механическая схема двухмассовой упругой системы
Её
параметрами являются приведенные моменты инерции
J1 = JДВ +
JРед =1,3JДВ; J2 = JПР.Мех=JМЕХ/i2 и эквивалентная приведения жесткость с12 = сэкв
безинерционных механических упругих связей.
В
этой схеме сохраняются достаточно правильные представления о фактической
скорости ротора двигателя и скорости механизма.
Запишем
уравнения движения для двухмассовой системы:
(3.13)
где
с12 - приведенная жесткость передач двухмассовой упругой системы;
Нм/град
Нм/град;
МВТ
- тормозной момент вязкого трения. МВТ находится по формуле (3.14):
(3.14)
где
- коэффициент вязкого трения;
- соответственно скорости концов деформируемого
объекта.
С
помощью уравнений (3.13) составим структурную схему двухмассовой упругой
механической системы
Рис.
3.3 Структурная схема двухмассовой упругой системы
Управляющим
воздействием является электромагнитный момент МД двигателя. Возмущающим
воздействием являются моменты нагрузок МС1, МС2. Регулируемые переменные -
угловые скорости
и момент упругого воздействия М12.
Преобразовав
эту схему, получим передаточную функцию системы по возмущению МС2, пологая
выходной переменной угловую скорость
(3.15)
Обозначим
следующие параметры
-
коэффициент затухания (3.16)
-
частота свободных колебаний системы (3.17)
Тогда
после преобразований имеем:
(3.18)
Найдем
корни уравнения знаменателя:
(3.19)
;
(3.20)
Из
решения (3.20) видно, что двухмассовая система имеет свойства колебательного
звена с коэффициентом затухания
и
частотой колебаний
.
находится
по формуле (3.20)
, (3.20)
Рассчитаем
эти параметры.
По
формуле (3.17) находим частоту свободных колебаний, данные берем из
табл.
3.1:
рад/с
По
формуле (3.16) найдем коэффициент механического демпфирования, данные берем из
табл. 3.1:
По
формуле (3.20) находим частоту реальных колебаний системы:
рад/с
Найдем
логарифмический декремент по формуле (3.21)
(3.21)
Подставим
данные значения в передаточную функцию системы (3.15):
(3.22)
Подставляем
в формулу (3.22) числовые значения:
Рис.
3.4. Структурная схема реальной двухмассовой упругой системы
Полученное
математическое описание динамических процессов в механической части электропривода,
представленное обобщенной расчетной механической схемой, позволяет
проанализировать возможные режимы движения электропривода.
Установившийся
режим движения механической части электропривода
Амплитудно-фазовую
характеристику (АФХ) получаем подстановкой
в
передаточную функцию двухмассовой системы по возмущающему воздействию МС2,
пологая выходной переменной угловую скорость
(3.23)
где
.
Подставим
числовые значения в формулу (3.23):
Модуль
этого уравнения определяет уравнение амплитудно-частотной характеристики (АЧХ)
(3.24)
Подставим
числовые значения в формулу (3.24):
Фазо-частотная
характеристика находится по формуле (3,25)
(3.25)
Подставим
числовые значения в формулу (3.25):
рад.
Рассматривая
полученные соотношения, можно сделать вывод, что основные свойства системы
определяются частотой её свободных колебаний, при этом недемпфированных, а
также коэффициентом затухания
.
Преобразуем
формулу (3.21)
(3.21)
Получим
(3.26)
Но
реальные значения
таковы, что
и
потому:
(3.27)
Выразим
уравнение АЧХ (3.24) в масштабе согласующего коэффициента
(3.28)
Подставим
числовые значения в формулу (3.28):
Частотная
характеристика двухмассовой механической системы представлена на рис. 3.5
Рис.
3.5 Амплитудно-частотные характеристики двухмассовой системы с учетом
естественного демпфирования
Фазо-частотные
характеристики системы представлены на рис. 3.6
Рис.
3.6 Фазо-частотные характеристики двухмассовой системы с учетом естественного
демпфирования
Уравнение
АЧХ, выраженное в масштабе согласующего
,
являются обобщенной зависимостью, свидетельствующей о том, что резонансное
усиление вынужденных колебаний полностью определяется логарифмическим
декрементом системы
.
Так
как
, то
. О
коэффициенте резонансного усиления можно получить представление подставив в
формулу (3.28) значение
(3.29)
Исследования
показали, что в зоне резонанса колебания усиливаются в 15 раз.
Механические
переходные процессы в электроприводе
Изменение
управляющего или возмущающего воздействия вызывает в динамической системе
переходные процессы, в течении которых она постепенно переходит от начального
состояния, определяемого начальными условиями, к новому, установившемуся
процессу движения, заданному новыми силами и моментами.
Решим
уравнение движения электропривода относительно дифференциала скорости:
(3.30)
где
МДВ, МС - соответственно двигательный момент и момент сопротивления механизма; JПРИВ
- приведенный момент инерции механизма;
-
ускорение инерционных масс привода.
В
жестком приведенном механическом звене ускорение находится по следующей формуле
м/с2 (3.31)
где
Нм; JПРИВ - приведенный момент инерции механизма.
Проинтегрируем
обе части полученного равенства при МС = 0 и заданном законе изменения МДВ:
(3.32)
где
- начальное ускорение.
Переходный
процесс пуска жесткого приведенного механического звена электропривода при
показан на рис. 3.7
Рис.
3.7 Переходный процесс пуска жесткого приведенного механического звена
электропривода
Как
видно из рис.3.7 скорость нарастает по экспоненциальному закону от нуля до
установившегося значения, с ускорением, уменьшающемся по мере возрастания
скорости, в связи с уменьшением момента двигателя (
).
Время
переходного процесса равно
Т. Пусть
МДВ = const; MC = const, тогда
(3.33)
При
, электропривод работает в статическом установившемся
режиме.
В
двухмассовой упругой системе механические переходные процессы протекают в более
сложной форме, нежели в жестком приведенном звене.
Для
получения уравнения движения преобразуем структурную схему на рис. 3.3, получим
передаточную функцию механической части привода по управляющему воздействию МДВ
при выходной переменной
:
(3.34)
После
преобразований получим:
Обозначим
следующие параметры:
-
коэффициент затухания (3.16)
-
частота свободных колебаний системы. (3.17)
Тогда
после преобразований имеем:
(3.35)
Преобразуем
формулу (3.35) для входного воздействия МДИН, при выходном значении
, получим при нулевых условиях:
(3.36)
где
- среднее ускорение, характеризуемое процессами в
жестком механическом звене.
Найдем
общее решение по формуле (3.37):
(3.37)
При
начальных условиях определим коэффициенты А и В:
(3.38)
(3.39)
Полученные
уравнения дают представление о процессе пуска двухмассовой упругой системы. На
рис. 3.8 показаны колебания скорости масс J1 и J2
привода
Рис.
3.8 Пуск двухмассовой упругой системы
Система
за время затухания колебаний до
успевает
совершить около 20 колебаний.
Проанализируем,
какой характер имеет нагрузка передач при пуске электропривода конвейера -
дозатора с учетом естественного демпфирования по формуле (3.40):
(3.40)
где
- среднее значение ускорения двухмассовой упругой
системы;
- коэффициент затухания упругих колебаний;
- частота свободных колебаний упругой системы;
МС
- приведенный момент сопротивления механизма в установившемся режиме;
kМ =
МПРИВ.ПУСК/МПРИВ.УСТ - коэффициент повышения момента сопротивления механизма
при пуске, kМ = 0,84; Т - постоянная времени затухания волн
растягивающего воздействия ленты (Т = 3 с).
Найдем
максимальное значение нагрузки передач из формулы (3.40):
Нм
Найдем
среднее значение нагрузки передач из формулы (3.13):
(3.13)
где
с12 - средняя жесткость передач двухмассовой упругой системы;
Нм/град;
Нм/град;
-
коэффициент вязкого трения;
-
соответственно скорости концов деформируемого объекта.
Подставим
числовые значения в формулу (3.13), данные возьмем из табл. 3.1:
Нм
На
рис. 3.9 показано изменение момента нагрузок передач
Рис.
3.9 График изменения момента нагрузки передач
За
счет колебаний максимальная нагрузка передач увеличивается и может значительно
превышать среднюю. Это превышение характеризуется динамическим коэффициентом КДИН
:
(3.41)
где
- логарифмический декремент затухания колебаний.
Подставим
численные значения в формулу (3.41):
Динамические
колебательные процессы в среднем не влияют на длительность переходных процессов
электропривода и не снижают производительности механизма, однако они бесполезно
увеличивают нагрузку и снижают срок службы механизма. Поэтому динамический
коэффициент является важной характеристикой условий работы механического
оборудования, а также является одним из основных показателей качеств
электромеханической системы АЭП.
.2 Анализ электромеханической системы электропривода
Динамическая
механическая характеристика двигателя постоянного тока с независимым
возбуждением
Динамическая
механическая характеристика двигателя постоянного тока с независимым
возбуждением имеет вид:
где
uЯ - напряжение на двигателе; М - момент, развиваемый
двигателем; е =
- ЭДС двигателя; RЯЦ -
сопротивление якорной цепи; ТЯ - электромагнитная постоянная времени якорной
цепи, ТЯ находится по формуле (3.43):
(3.43)
где
LЯЦ - индуктивность якорной цепи; RЯЦ -
сопротивление якорной цепи.
Данные
берем из табл.2.2:
с
Уравнение
динамической механической характеристики будет иметь вид:
(3.44)
Этим
условиям соответствует структурная схема на рис. 3.10
Рис.
3.10. Обобщенная структурная схема двигателя постоянного тока с независимым
возбуждением, при Фвоз = const
Для
данного двигателя 4ПБМ данная схема примет вид
Рис.
3.11. Реальная структурная схема двигателя постоянного тока с независимым
возбуждением 4ПБМ, при Фвоз = const
Структурная
схема на рис. 3.11 свидетельствует о том, что при постоянном магнитном потоке
ДПТ представляет собой апериодическое звено с электромагнитной постоянной
времени ТЯ.
Решим
уравнения момента и тока при постоянном магнитном потоке относительно скорости
двигателя
(3.45)
(3.46)
Статические
свойства двигателя постоянного тока с независимым возбуждением
Статические
свойства задаются выражением (3.47):
(3.47)
Скорость
двигателя в статическом режиме задается выражением (3.48):
=
(3.48)
Скорость
двигателя находится в линейной зависимости от развиваемого им момента двигателя
(протекающего тока якоря).
Статическая
жесткость механических характеристик находится по формуле (3.49):
(3.49)
Динамические
свойства двигателя постоянного тока с независимым возбуждением
Динамические
свойства двигателя постоянного тока с независимым возбуждением отражены в его
уравнении динамической механической характеристики:
(3.50)
где
МК.З. - момент развиваемый двигателем при токе «короткого замыкания»,
;
-
жесткость механической характеристики; ТЯ - электромагнитная постоянная
времени.
Уравнением
динамической механической характеристики устанавливается связь между
механическими переменными в общем виде, справедливыми для любых режимов работы
электропривода. Форма конкретных динамических характеристик определяется
совокупностью условий и связей, наложенных на движение электромеханической
системы.
В
установившемся динамическом режиме работы электропривода конвейера - дозатора
присутствует периодическая составляющая нагрузки, которую можно выразить
формулой (3.51)
(3.51)
где
МС.ПРИВ. - приведенный момент сопротивления движению механизма в установившемся
режиме; МДИН.РЕГ. - средний динамический момент вызываемый регулированием
скорости ленты;
- частота изменения нагрузки.
Закон
изменения скорости в разомкнутой системе тогда имеет вид:
(3.52)
Зависимости
и
и
соответствующая им динамическая характеристика представлена на рис. 3.12
Рис. 3.12 Динамическая жесткость
Как
видно из рис.3.12 электромагнитная инерция якорной цепи вызывают значительные
отклонения динамической характеристики - 1 и статической -2. уменьшение частоты
вынужденных колебаний
или соответствующее снижение постоянной ТЯ приводит к
уменьшению этих отклонений. Для анализа динамических свойств целесообразно
использовать частотные методы. Для этой цели с помощью структурной схемы на
рис. 3.10 получим выражение динамической жесткости механической характеристики
(3.53)
где
- статическая жесткость механических характеристик
двигателя;
ТЯ
- электромагнитная постоянная времени двигателя.
Амплитудо-фазовую
характеристику динамической жесткости получим подстановкой в формулу (3.53)
значения
:
(3.54)
Подставляем
в формулу (3.54) числовые значения, для колебаний механической системы:
АФХ
представлена на рис.3.13
Рис.
3.13 АФХ динамической жесткости
Амплитудно-частотные
характеристики находятся по формуле (3.55):
(3.55)
Подставляем
числовые значения:
Т.о.,
жесткость на частотах, близких к свободным механическим колебаниям, падает в 14
раз.
Фазо-частотную
характеристику найдем по формуле (3.56):
(3.56)
Подставляем числовые значения:
рад (
)
Сдвиг
по фазе близок к 90 градусам.
АЧХ
и ФЧХ представлены на рис. 3.14
Рис.3.14
АЧХ и ФЧХ динамической жесткости
Рассматривая
АЧХ, ФЧХ и АФХ следует вывод, что электромагнитная инерция может приводить к
уменьшению модуля динамической жесткости из-за механических колебаний.
Одновременно сдвиг по фазе между колебаниями скорости и момента падает до
значения, близкого к 90 град.
Т.о.,
суждение о жесткости естественной механической характеристики по статической
зависимости
и по статической жесткости дает правильное
представление лишь для статических режимов или при плавном изменении нагрузки.
В установившихся колебательных режимах и при резких изменениях нагрузки в
разомкнутой системе динамическая характеристика существенно отклоняется от
статической. Необходима оценка этих отклонений с помощью частотных
характеристик.
Динамические
свойства электромеханических систем
Электромеханическая
связь объединяет электрическую часть электропривода с механической частью в
единую электромеханическую систему, для изучения которой необходимо связать
полученные в 3.1 уравнения движения и обобщенные структурные схемы с уравнениями
механической характеристики и структурными схемами двигателя постоянного тока с
независимым возбуждением.
Объединив
уравнения движения (3.13) с уравнениями динамических механических характеристик
(3.42) получим:
где
uЯ - напряжение на двигателе; М - момент, развиваемый
двигателем; е =
- ЭДС двигателя; RЯЦ -
сопротивление якорной цепи; ТЯ - электромагнитная постоянная времени якорной
цепи, где с12 - приведенная жесткость передач двухмассовой упругой системы;
Нм/град;
Нм/град;
МВТ - тормозной момент вязкого трения.
Электромеханическая
схема, соответствующая уравнениям (3.57) имеет вид
Рис.
3.15. Структурная схема упругой электромеханической системы электропривода
Представим
уравнения динамики в обобщенной форме:
Здесь
динамическая жесткость
имеет вид передаточной функции апериодического звена
с постоянной времени ТЯ и коэффициентом усиления
.
(3.59)
Этим
уравнениям соответствует обобщенная структурная схема на рис. 3.16
Рис. 3.16 Обобщенная структурная схема упругой электромеханической
системы электропривода
Динамические режимы электропривода с двигателем постоянного тока
Движение электропривода с двигателем постоянного тока описывается
уравнением (3.60):
где
ТМ - электромеханическая постоянная двигателя, ТМ находится по формуле (3.61):
(3.61)
где
JПРИВ - приведенный момент инерции механизма; RЯЦ -
сопротивление якорной цепи.
Подставляем
числовые значения в формулу (3.61):
Соответственно
этим уравнениям представим структурную схему на рис. 3.17
Рис.
3.17 Электромеханическая структурная схема
С
помощью этой схемы получим передаточную функцию электропривода по управляющему
воздействию uЯ:
(3.62)
Передаточная
функция по возмущающему воздействию имеет вид:
(3.63)
Преобразуем
схему на рис. 3.17. В качестве входного воздействия примем скорость идеального
холостого хода (
). При этом система уравнений запишется в виде:
Структурная
схема будет иметь вид
Рис.
3.18. Обобщенная электромеханическая структурная схема
Передаточная
функция по управляющему воздействию
запишется
в виде:
(3.65)
Передаточная
функция по возмущающему воздействию МС запишется в виде
(3.66)
Найдем
корни характеристического уравнения рассматриваемой системы
Корни
будут иметь вид:
(3.67)
(3.68)
где
m - отношение постоянных времени электропривода, m
находится по формуле (3.69):
(3.69)
Подставим
числовые значения в формулы (3.67), (3.68):
Система
имеет при m = 0,258 комплексно-сопряженные корни и электропривод
представляет собой колебательное звено, со степенью демпфирования m.
При
представлении электропривода консервативным колебательным звеном его
передаточная функция имеет вид:
(3.65)
Найдем
частоту свободных колебаний консервативного звена по формуле (3.70):
рад/с
При
в установившихся динамических процессах вынужденных
колебаний под действием периодической составляющей управляющего или
возмущающего воздействия электропривод в области частот, близких к
может увеличивать амплитуды колебаний вследствие
электромеханического резонанса.
Представим
передаточную функцию упругого электромеханического звена в виде:
(3.70)
где
Т1 - постоянная времени колебательного звена;
-
коэффициент демпфирования.
Найдем
по формуле (3.71):
(3.71)
Пользуясь
частотными методами, получим амплитудо-фазовую характеристику:
(3.72)
(3.73)
Подставляем
числовые значения:
АФХ
электропривода показана на рис. 3.19
Рис.
3.19. АФХ электропривода без учета упругих колебаний
Амплитудно-частотные
характеристики найдем по формуле (3.74):
(3.74)
Подставляем числовые значения:
Фазо-частотная
характеристика находится по формуле (3.75):
(3.75)
Подставляем числовые значения
рад
Диаграммы
АЧХ и ФЧХ представлены на рис. 3.20:
Рис.
3.20 АЧХ и ФЧХ электропривода без учета упругих колебаний
Анализ
упругой электромеханической системы
Рассмотренные
в 3.1 характеристики колебательного звена, которым является двухмассовая
упругая механическая система показывают, что механические колебания в такой системе
демпфируются за счет диссипативных механических сил весьма слабо, то есть
механическая часть электропривода, с учетом упругих связей, представляет собой
слабо демпфированное колебательное звено. В 3.2 показано, что электропривод с
двигателем постоянного тока независимого возбуждения является так же
колебательным звеном. Оценим, в каких пределах демпфированы электромеханические
колебания, обусловленные обменом энергией между механическим звеном и
электрической цепью якоря двигателя, обладающей электромагнитной инерцией.
Упругую
двухмассовую систему можно характеризовать 2 параметрами:
1. Частотой свободных колебаний
(3.17)
2. Отношением суммарного момента инерции установки к моменту инерции
масс, жестко связанных с валом двигателя. Это отношение определяется по формуле
(3.76):
(3.76)
где
J1 = JДВ + JРед =1,3JДВ - приведенный момент инерции ротора двигателя и
редуктора; J2 = JПР.Мех=JМЕХ/i2 - приведенный момент инерции механизма.
Подставляем
числовые значения в формулу (3.76):
Введем
электромеханическую постоянную времени двигателя и жестко связанных с ним масс
механизма
(3.77)
где
J1 - приведенный момент инерции ротора двигателя и
редуктора;
жесткость механических характеристик двигателя.
Подставляем
числовые значения в формулу (3.77):
с
Электромеханическая
постоянная двигателя позволит выразить постоянную электропривода ТМ следующим
образом:
(3.78)
где
JПРИВ - приведенный момент инерции;
- жесткость механических характеристик двигателя;
- отношением суммарного момента инерции установки к
моменту инерции масс, жестко связанных с валом двигателя.
Введем
безразмерное время, отнесенное к периоду свободных колебаний:
(3.79)
Этому
времени соответствует безразмерный оператор:
(3.80)
С
помощью структурной схемы на рис. 3.16 получим передаточную функцию
электромагнитной системы по управляющему воздействию, считая для
входным воздействием
. С
учетом соотношений (3.81):
(3.81)
Выразим
все параметры через обобщенные и перейдем к безразмерному оператору р*
(3.82)
где
vЭМ - отношение квадратов частот недемпфированного
механического
и электрического
резонансов
в системе, vЭМ находится по формуле (3.83);
ТМ1*
- относительная электромеханическая постоянная двигателя, ТМ1* находится по
формуле (3.84).
(3.83)
(3.84)
Аналогичным
путем получаем передаточную функцию по управляющему воздействию:
(3.85)
Передаточная
функция по возмущающему воздействию на валу двигателя находится по формуле
(3.86):
(3.86)
Передаточная
функция по управляющему воздействию на валу двигателя находится по формуле
(3.87):
(3.87)
Передаточная функция по возмущающему воздействию на валу механизма
находится по формуле (3.88):
(3.88)
Передаточная
функция по управляющему воздействию на валу механизма находится по формуле
(3.89):
(3.89)
Динамические
свойства электромеханической системы полностью определяются соотношением
инерционных масс
, отношением квадратов резонансных частот vЭМ и
относительным значением электромеханической постоянной времени
двигателя.
Произведем
исследование электромеханической системы на демпфирующую способность. Для этого
проанализируем амплитудно-частотные характеристики.
АЧХ
по возмущению, действующему на вал двигателя, имеет вид:
(3.90)
АЧХ
по задающему воздействию, действующему на вал двигателя, имеет вид
(3.91)
АЧХ по возмущению, действующему на вал механизма, имеет вид:
(3.92)
АЧХ
по задающему воздействию, действующему на вал механизма, имеет вид
(3.93)
Проанализируем,
как ведет себя электромеханическая система, если частоты колебаний механической
части
электропривода приближаются к частоте электрического
резонанса
. Исследуем частоты механических колебаний
Подставляем
данные в формулу (3.90):
Подставляем
данные в формулу (3.91):
Подставляем
данные в формулу (3.92):
Подставляем
данные в формулу (3.93)

Подставляем данные в формулу (3.90):
Подставляем
данные в формулу (3.91):
Подставляем
данные в формулу (3.92):
Подставляем данные в формулу (3.93):
Подставляем
данные в формулу (3.90):
Подставляем
данные в формулу (3.91):
Подставляем
данные в формулу (3.92):
Подставляем
данные в формулу (3.93):
Проанализируем,
как ведет себя электромеханическая система, если частоты электромагнитных
колебаний
электропривода приближаются к частоте резонанса
механических колебаний
. Исследуем частоты электромагнитных колебаний:
Подставляем
данные в формулу (3.90):
Подставляем
данные в формулу (3.91):
Подставляем
данные в формулу (3.92):
Подставляем данные в формулу (3.93):
Анализ
амплитудно-частотных характеристик представлен на рис. 3.21, на рис. 3.22 и на
рис. 3.23.
Из
АЧХ на рис. 3.21, 3.22, 3.23 можно сделать вывод, что при данном
система имеет две резонансных частоты, из которых
первая резонансная частота характеризует колебательность двигателя, а вторая
резонансная частота характеризует колебательность механической системы.
Динамические свойства электромеханической системы зависят от места приложения
механического возмущающего воздействия. Так, при частотах электромагнитных
колебаний, близких к резонансной частоте механических колебаний, значения
амплитуд возмущающего воздействия, приложенных к валу двигателя и валу
механизма, увеличивают свое значение. При механических частотах колебаний,
близких к резонансным электромагнитным колебаниям, увеличивают свое значение
амплитуды на валу двигателя и механизма по задающему воздействию - моменту
двигателя. При нулевой частоте
, а
. Амплитуды резонансных усилений обоих случаях не
превышают пятикратного значения. Безразмерный коэффициент резонансного усиления
по максимальной амплитуде равен:
(3.94)
Из анализа следует, что в результате взаимодействия, обусловленного
электромеханической связью между упругой механической колебательной частью и
электрической частью колебательной частью, данная двухмассовая система
утрачивает свойства слабо демпфированного колебательного звена. Электропривод
оказывает демпфирующее действие на упругие механические колебания. Линейная
зависимость момента, развиваемого двигателем, от скорости аналогична введению в
систему вязкого трения. Вследствие электромеханической связи колебания скорости
вызывают колебания тока, в результате чего энергия колебаний постепенно
рассеивается в виде тепла в сопротивлениях якорной цепи. При этом, как видно из
рис. 3.23, при оптимальной жесткости механических характеристик общая
колебательность системы падает в 4 раза, из этого условия необходимо сделать вывод
о необходимости настройки электромеханической системы на работу при оптимальной
жесткости.
Рис. 3.21. Амплитудно-частотные характеристики упругой
электромеханической системы при изменении частот колебаний механического звена,
при постоянной частоте электромагнитного резонанса
Рис. 3.22 Амплитудно-частотные характеристики упругой электромеханической
системы при изменении частот колебаний механического звена, при постоянной
частоте механического резонанса
Рис. 3.22 Амплитудно-частотные характеристики упругой электромеханической
системы с учетом общей колебательности системы
Определение демпфирующей способности электропривода
Если
не брать в расчет соотношение инерционных масс
, то
основным фактором, воздействуя на который можно изменять динамические свойства
электромеханической системы для уменьшения её колебательности, согласно рис.
3.16, является динамическая жесткость механической характеристики
электропривода
. Изменение
обеспечивается
применением обратных связей.
Рассматриваемая
электромеханическая система является системой 4-го порядка. Найдем корни
характеристического уравнения (3.95):
(3.95)
где
- соотношение инерционных масс; vЭМ -
отношение квадратов частот недемпфированного механического
и электрического
резонансов
в системе, vЭМ находится по формуле (3.83); ТМ1* - относительная
электромеханическая постоянная двигателя, ТМ1* находится по формуле (3.84); р*
- безразмерный оператор.
Т.к.,
ТЭМ небольшое, то примем ТЭМ = 0, при этом
.
Уравнение (3.95) в этом случае примет вид:
(3.96)
где
ТМ1*ОПТ - оптимальная относительная электромеханическая постоянная двигателя.
(3.97)
Подставляем
численные значения в формулу (3.96):
Корни
характеристического уравнения примут вид:
(3.98)
В
качестве прямой оценки колебательности системы найдем логарифмический
декремент. Представим корни характеристического уравнения в виде
(3.99)
где
и
представляют
собой показатель затухания и резонансную частоту, для той пары
комплексно-сопряженных корней, которая определяет меньшее значение
логарифмического декремента
.
определяется по формуле (3.100)
(3.100)
Подставляем
числовые значения:
Построим
зависимость
. Данная зависимость показана на рис. 3.24
Рис.
3.24 Зависимость
для
= 1,8686
Проанализируем
зависимость
, построенную на рис. 3.23. Разделим область значений
ТМ1* на область слабой (I), существенной (II), жесткой (III)
электромеханической связи. Введем
-
граничный логарифмический декремент, определяемый из параметров электропривода
на рис. 3.21, рис. 3.22. В области слабой электромеханической связи (III)
>
,
демпфирование мало, по причине малой жесткости механической характеристики. В
области жесткой электромеханической связи (I)
>
из-за
чрезмерно большой жесткости механической характеристики. В области существенной
электромеханической связи (II)
<
, демпфирование значительно и при оптимальной
жесткости
и соответствующем
достигает
максимально возможного при данных параметрах значения
.
Значение
оптимальной жесткости находится по формуле:
(3.101)
Переходные
процессы в электромеханической системе
Проанализируем
электромеханические переходные процессы пуска, а так же переходные процессы,
вызванные изменением нагрузки. В качестве управляющего воздействия для
разомкнутой системы электропривода, как объекта автоматического управления
примем скорость идеального холостого хода
, которая
определяется приложенным напряжением
.
Сначала
рассмотрим переходные процессы, при изменении управляющего воздействия скачком.
В связи с электромагнитной инерционностью якоря передаточная функция
электропривода по управляющему воздействию запишется в виде:
(3.102)
Найдем
корни характеристического уравнения (3.103):
(3.103)
Подставляем
числовые значения в формулу (3.103):
Корни
будут иметь вид:
;
(3.104)
Представим
корни характеристического уравнения (3.103) в виде:
(3.105)
где
- показатели затухания.
При
этих условиях электропривод является колебательным звеном с коэффициентом затухания,
равным отношению времен постоянных двигателя и электромеханической системы m.
Выразим
переходную функцию, при единичном скачке задания через отношение постоянных
времени m в зависимости от безразмерного времени
(3.106)
Переходная
функция электропривода при ТЯ = 0,0776 с., для m = 0,258 имеет
вид на рис. 3.25
Рис.
3.25. Переходная функция электромеханической системы
Если
в формулу подставить механические параметры двигателя, то пуск двигателя в
функции MДВ = f(t) будет происходить как показано на рис.3.26
Рис.
3.26. Диаграмма пуска двигателя нерегулируемой электромеханической системы
Из рис. 3.25, рис. 3.26 можно сделать вывод, что пуск электромеханической
системы осуществляется в симметричном оптимуме, так как колебательность системы
высокая, а изменение скорости сопровождается значительным перерегулированием.
Переходная функция дает лишь общее представление о характере переходных
процессов при начальных условиях. Найдем решение для ненулевых начальных
условий, необходимое в частности, для анализа характера переходного процесса
при изменении нагрузки.
Уравнение
относительно скорости идеального холостого хода двигателя
будет иметь вид
(3.107)
где
- жесткость механических характеристик двигателя; ТЭМ
- электромеханическая постоянная двигателя; ТЯ - электромагнитная постоянная
времени якорной цепи;
- скорость двигателя в установившемся режиме.
Уравнение
относительно момента двигателя М будет иметь вид:
(3.108)
где ТЯ - электромагнитная постоянная времени якорной цепи; ТЭМ -
электромеханическая постоянная двигателя; МС - момент двигателя в
установившемся режиме.
Общее решение относительно скорости имеет вид:
(3.109)
где
- скорость двигателя в установившемся режиме;
- показатели затухания, найденные по формуле (3.105).
Коэффициенты
А и В найдем подставив начальные условия:
(3.110)
где
Мнач, Мкон - соответственно момент развиваемый двигателем до переходного
процесса и после;
- скорость двигателя в установившемся режиме; JПРИВ
- приведенный момент инерции механизма.
Значение
А примем равным
, где
- среднее
ожидаемое отклонение скорости ленты, значение (
)
находится по формуле (2.41) (
).
Соответственно разность моментов начального и конечного будет различаться на
значение
- ожидаемый динамический момент, найденный по формуле
(2.42) (
=3,75 Нм).
Значение
В найдем по формуле (3.111):
(3.111)
Подставляем
числовые значения в формулу (3.111):
Подставляем
полученные значения коэффициентов А и В в уравнение (3.109), которое будет
иметь вид:
Общее
решение относительно момента будет иметь вид:
(3.112)
где
- момент двигателя в установившемся режиме;
- показатели затухания, найденные по формуле (3.105).
Коэффициенты
С и D найдем подставив начальные условия:
Нм
(3.113)
где
- жесткость механических характеристик двигателя; ТЭМ
- электромеханическая постоянная двигателя; ТЯ - электромагнитная постоянная
времени якорной цепи;
- момент двигателя в установившемся режиме;
- показатели затухания;
- среднее
ожидаемое отклонение скорости ленты.
Подставляем
числовые значения в формулу (3.113):
Подставляем
полученные значения коэффициентов А и В в уравнение (3.112), которое будет
иметь вид:
На
рис. 3.27 показана зависимость
Рис.
3.27 Механические характеристики переходного процесса в электромеханической
системе, при ненулевых начальных условиях в нерегулируемой Эл.мех.системе
На
рис. 3.28 показана зависимость
Рис.3.28
Переходный процесс при изменении нагрузки в нерегулируемой Эл. мех. системе
Из
рис. 3.27, рис. 3.28 видно, что при возрастании момента сопротивления нагрузки
происходит снижение скорости двигателя. Однако, вследствие наличия
индуктивности рассеяния, нарастание момента двигателя идет медленнее, а
скорость снижается в большей степени, чем это определяется статической
характеристикой 1, поэтому при возрастании момента до
скорость
, что
влечет за собой дальнейший рост момента до максимального значения 70 Нм.
Постепенно колебания затухают, двигатель начинает работать на новой
установившейся скорости. Т.о., отклонения скорости от требуемого значения за
счет электромагнитной инерции существенно увеличиваются, что неблагоприятно
сказывается на условиях работы механизма.
3.3 Синтез системы автоматического регулирования
Требования,
предъявляемые к САР
1. САР конвейера - дозатора должна обладать достаточно высоким
быстродействием, обеспечивая высокую динамическую точность при отсутствии
перерегулирования по выходному параметру.
2. САР должна обеспечивать высокую точность поддержания заданной
скорости ленты. При движении с максимальной рабочей скоростью отклонение не
должно превышать 1-2 %.
. САР должна обеспечивать качественное регулирование в диапазоне
скоростей 1:5.
Постановка задачи синтеза
В результате проведенного анализа электромеханической системы было
принято решение представить структурную схему электропривода конвейера -
дозатора в следующем виде
Рис. 3.29 Структурная схема регулируемого электропривода конвейера
дозатора
На рис.3.28 сокращениями обозначены следующие узлы системы управления: ПУ
- переключающее устройство; РС - регулятор скорости; РТ регулятор тока; Кс -
коэффициент обратной связи по скорости; КТ - коэффициент обратной связи по
току.
Эта структурная схема характеризуется следующей системой дифференциальных
уравнений (3.114)-(3.121):
(3.114)
(3.115)
(3.16)
(3.117)
(3.18)
(3.19)
(3.120)
(3.121)
где
RЯЦ
- полное
сопротивление якорной цепи; RШ - сопротивление шунта датчика тока, (RШ =
0,04 Ом); LЯЦ - индуктивность якорной цепи; КЕ = КМ -
коэффициенты пропорциональности между ЭДС и скоростью, между моментом и током;
МДВ - электромагнитный момент двигателя;
-
приведенный момент сопротивления механизма; IЯ - ток якорной
цепи;
- угловая частота вращения ротора двигателя;
- угловая частота вращения ротора тахогенератора; ЕТП
- ЭДС тиристорного преобразователя; UВХ - напряжение на входе
тиристорного преобразователя; UТГ - напряжение тахогенератора; UУ -
напряжение управления; UЗ - напряжение задания; ТЯ - электромагнитная
постоянная времени якорной цепи; ТЭМ - электромеханическая постоянная
двигателя; ТЗАП - время запаздывания тиристорного преобразователя; JПРИВ
- приведенный момент инерции; КТП коэффициент усиления тиристорного
преобразователя, КТП находится по формуле (3.122); КД - коэффициент передачи
двигателя, КД находится по формуле (3.123); КС - коэффициент передачи обратной
связи по скорости; КТ - коэффициент обратной связи по току.
(3.122)
(3.123)
Коэффициент
передачи тахогенератора находится по формуле (3.124):
В/об/мин (3.124)
где
ЕТГ - максимальное напряжение выдаваемое тахогенератором (ЕТГ = 12 В);
- номинальные обороты вращения якоря двигателя.
Коэффициент
передачи датчика тока находится по формуле (3.125):
(3.125)
где
RШ - сопротивление шунта датчика тока, (RШ =
0,04 Ом); КТП - коэффициент усиления тиристорного преобразователя.
Суммарное
сопротивление якорной цепи находится по формуле (3.126):
Ом (3.126)
Данная
система регулирования является системой с независимым регулированием нескольких
координат параллельного типа. Она обеспечивает полностью независимую настройку
контуров регулирования и в каждый момент времени регулируется только одна из
переменных. Последнее обеспечивается предусмотренным для этой цели
переключающим устройством, которое подключает на вход системы выход того
регулятора, воздействие которого в данный момент является определяющим. Методом
последовательной коррекции в этой структуре представляется возможным
осуществить индивидуальную оптимизацию каждого контура регулирования.
Ограничение координат достигается простым ограничением максимальных задающих
сигналов UЗАД.Т, UЗАД.С , соответственно сигнал задания стопорного
момента и сигнал задания скорости (производительности дозатора).
Определимся
с требованиями, предъявляемыми к регуляторам. В связи с тем, что выбранный
двигатель некомпенсированный и синтез регулятора тока будет происходить без
учета внутренней связи по ЭДС двигателя, то на параметр задания стопорного
момента накладываются следующие ограничения:
1. Максимальный стопорный момент не должен превышать значения
Мстоп<= 1,95МН.
2. Ошибка регулирования момента не должна превышать 5%.
Из ограничения 1 следует, что Мстоп = 1,95МН = 90 Нм ( Iстоп = 38 А).
Из
ограничения 2 следует, что абсолютная статическая ошибка в системе управления
не должна превышать
Нм.
На
регулятор скорости накладывается ограничение на отклонения скорости. Отклонение
скорости при регулировании не должно превышать 2%:
Выбранный
принцип реализации САР на основе жёсткой основной отрицательной обратной связи
по скорости и жесткой динамической отрицательной обратной связи по току
обеспечивает выполнение поставленных условий.
Синтез
регулятора тока
Двигатель
постоянного тока с независимым возбуждением управляется напряжением на якоре,
регулируемым тиристорным преобразователем с быстродействующей системой
импульсно-фазового управления (СИФУ). Такой преобразователь представлен на рис.
3.29 в виде инерционного звена с коэффициентом усиления КТП и малой постоянной
времени ТТП, учитывающей инерционность системы управления и в первом
приближении чистое запаздывание собственно тиристорного преобразователя.
Рис.
3.30. Структурная схема контура регулирования тока
Величину
ТТП примем в качестве меры для оценки суммарной постоянной некомпенсированных
инерционных элементов системы:
Чтобы
упростить синтез регулятора, не учитывают наличие внутренней связи по ЭДС
двигателя, так как в замкнутой системе регулирования она оказывает на динамику
электропривода незначительное влияние. Упрощенная структурная схема
представлена на рис. 3.31
Рис.
3.31 Структурная схема упрощенного контура регулирования тока
Согласно
структурной схеме на рис. 3.30, передаточная функция объекта регулирования тока
будет иметь вид:
(3.127)э
где
RЯЦ
- полное
сопротивление якорной цепи; КТП - коэффициент усиления тиристорного
преобразователя; ТЯ - электромагнитная постоянная времени якорной цепи;
- постоянная некомпенсированных инерционных элементов
системы.
Подставляем
численные значения в формулу (3.127):
(3.128)
В
соответствии с принципами последовательной коррекции, включение регулятора тока
с передаточной функцией
позволит замкнуть систему отрицательной обратной
связью по току якоря, образовав внутренний контур для регулирования момента
двигателя, при этом в результате коррекции должна быть получена передаточная
функция разомкнутого контура в виде:
(3.129)
где
КТ - коэффициент обратной связи по току;
-
постоянная времени некомпенсированных инерционных элементов системы; аТ -
коэффициент настройки регулятора на модульный оптимум.
Коэффициент
обратной связи по току КТ выбирается в соответствии с поставленными требованиями.
Предварительное значение выберем равным КТ = 0,22. Определим абсолютную
статическую ошибку
в системе управления конвейером-дозатором при работе
с регулятором тока по формуле (3.130):
(3.130)
где
UЗАД.Т - напряжение задания тока; КТ - коэффициент
обратной связи по току; КРЕГ - коэффициент усиления регулятора; WОРТ
- значение передаточной функции объекта регулирования тока.
Предварительное
значение коэффициента усиления регулятора выберем равным КРЕГ = 4,5.
Максимальное возможное напряжение задания стопорного момента равно
стабилизированному напряжению, выдаваемому блоком питания UЗАД.Т
=12 В. Тогда при нулевых условиях:
В (3.131)
При
выбранном значении КТ = 0,22, максимальное значение напряжения задания
стопорного момента находится по формуле (3.132):
В (3.132)
где
Iстоп - стопорный ток, введен по первому ограничению
регулятора тока.
Из
этих условий составляем следующую пропорцию:
Нм (3.133)
Этот
результат соответствует 2 ограничению регулятора тока
, то есть
Абсолютная
статическая ошибка удовлетворяет заданным параметрам.
Значение
коэффициента демпфирования необходимо выбирать с учетом настройки контура
регулирования тока на модульный оптимум. Максимальное быстродействие, при
значении перерегулирования не превышающего 5% достигается коэффициентом аТ = 2.
Синтезируем
передаточную функцию регулятора тока по формуле (3.134)
(3.134)
где
ТИ - постоянная времени интегрирования регулятора, ТИ находится по формуле
(3.135)
(3.135)
где
КТ - коэффициент обратной связи по току; КТП - коэффициент усиления
тиристорного преобразователя;
-
постоянная времени некомпенсированных инерционных элементов системы; RЯЦ
- полное сопротивление якорной цепи; аТ - коэффициент
настройки регулятора на модульный оптимум.
Определим
постоянную интегрирования по формуле (3.135):
с.
При
этом коэффициент усиления пропорциональной части будет равен:
В
соответствии с передаточной функцией (3.134), регулятор тока является
интегрально-пропорциональным звеном (ПИ - регулятором). Для его реализации
будет использован операционный усилитель К553УД2. Регулятор будет иметь вид,
представленный на рис. 3.32
Рис.
3.32 Регулятор тока
В
цепь обратной связи регулятора тока введены сопротивление RОСТ
и конденсатор СОСТ, а на входы включены сопротивления RЗТ и RОТ.
Постоянные времени и данные элементы регулятора относятся следующим образом:
(3.136)
(3.137)
(3.138)
где
КДТ - коэффициент передачи датчика тока, КДТ находится по формуле (3.126); RЗТ -
входное сопротивление контура регулирования тока; RОСТ -
сопротивление в цепи обратной связи по току.
Зададимся
RЗТ = 6,2 кОм, тогда:
кОм (3.139)
Из
формулы (3.138) найдем RОТ:
кОм (3.140)
мкФ
Т.о.,
в результате синтеза регулятор тока будет иметь вид, представленный на рис.
3.33
Рис.
3.33 Принципиальная электрическая схема регулятора тока
Проанализируем
свойства синтезированной системы автоматического регулирования. Регулирование
момента электродвигателя с помощью отрицательной обратной связи по току имеет
целью устранить зависимость момента от скорости, определяемой
электромеханической связью, которая является самым существенным возмущающим
воздействием. Чем точнее регулируется момент, тем меньше абсолютная статическая
ошибка, тем в большей степени подавляется электромеханическая связь,
обусловленная внутренней связью по ЭДС двигателя. Это приводит к существенному
уменьшению демпфирования механических колебаний и в случае применения
отрицательной обратной связи по току достижение оптимальной жесткости
невозможно.
Проанализируем
жесткость механических характеристик в замкнутой системе регулирования по току.
(3.141)
Т.о.,
при данном качестве регулирования момента, жесткость механических характеристик
падает в 15 раз и эффект демпфирования механических колебаний сводится к нулю
из-за слабой электромеханической связи.
Проанализируем
динамическую жесткость механических характеристик в замкнутой системе с учетом
некомпенсированной постоянной времени
и
сравним её с динамической жесткостью разомкнутой системы. Анализ динамической
жесткости разомкнутой системы был проведен в 3.2, а на рис. 3.14 представлены
её АЧХ и ФЧХ. Динамическая жесткость замкнутой системы определяется формулой
(3.142):
(3.142)
Её
амплитудно-частотная характеристика буде представлена выражением (3.143):
(3.143)
Данному
выражению соответствует динамическая жесткость замкнутой системы
, показанная на рис. 3.34
Рис.
3.34 Динамическая жесткость замкнутой отрицательной обратной связью по току
системы
При
сравнении
с
на
рис.3.34, можно сделать вывод, что за счет наличия некомпенсируемой постоянной
времени на средних частотах жесткость замкнутой системы приближается к
жесткости разомкнутой, чем достигается лучший эффект демпфирования колебаний.
АФХ замкнутой системы незначительно отличается от АФХ разомкнутой системы.
Синтез
регулятора скорости
Необходимый
диапазон регулирования скорости двигателя и требуемое качество регулирования
задается регулятором скорости, управляющим напряжением на якоре двигателя с
помощью формируемого им сигнала управления тиристорным преобразователем. Такое
управление осуществляется суммированием на входе системы сигналов задания
скорости UЗАД.С и сигнала от -UОС от датчика
скорости - тахогенератора.
Объект
регулирования скорости можно представить с помощью структурной схемы,
представленной на рис. 3.35
Рис.
3.35. Структурная схема контура регулирования скорости
С
помощью этой структурной схемы можно записать следующие уравнения, описывающие
динамическую характеристику электропривода, замкнутого обратной связью по
скорости:
где
UЗАД.С - напряжение задания скорости; КТГ - коэффициент
передачи тахогенератора, КТГ - находится по формуле (3.124);
- номинальные обороты вращения якоря двигателя; еТП -
ЭДС тиристорного преобразователя; еДВ - ЭДС двигателя; RЯЦ
- полное сопротивление якорной цепи; ТЯ -
электромагнитная постоянная времени якорной цепи; ТТП - суммарная постоянная
времени некомпенсированных инерционных элементов системы.
Скорость
задается следующим выражением (3.145):
iЯ (3.145)
Или
в электромеханическом эквиваленте:
(3.146)
При
р = 0:
(3.147)
Из
выражения (3.146) найдем жесткость механических характеристик в замкнутой по
скорости системе:
(3.148)
где
- жесткость механических характеристик в разомкнутой
системе;
составляющая модуля статической жесткости,
обусловленная действием отрицательной обратной связи по скорости,
находится по формуле (3.149):
(3.149)
где
RЯЦ
- полное
сопротивление якорной цепи; КЕ - коэффициент пропорциональности между ЭДС и
скоростью; КС - коэффициент передачи обратной связи по скорости; КТП -
коэффициент усиления тиристорного преобразователя, КТП находится по формуле
(3.122).
Выбор
коэффициента КС необходимо проводить из условия (3.150):
(3.150)
где
- оптимальная жесткость, соответствующая наибольшей
демпфирующей способности электропривода.
найдена
по формуле (3.101),
найдена по формуле (3.49). Следует, что
(3.151)
Коэффициент
обратной связи по скорости найдем из этих результатов в соответствии с
выражением (3.149) по формуле (3.152):
(3.152)
В
соответствии со структурной схемой на рис. 3.34 передаточная объекта
регулирования скорости будет иметь вид:
(3.153)
Подставим
числовые значения в формулу (3.153)
Определим
абсолютную статическую ошибку регулирования скорости по формуле (3.154)
(3.154)
где
UЗАД.С - напряжение задания скорости; КС - коэффициент
обратной связи по скорости; КРЕГ - коэффициент усиления регулятора; WОРС
- значение передаточной функции объекта регулирования тока.
Предварительное
значение коэффициента усиления регулятора выберем равным КРЕГ = 25.
Максимальное возможное напряжение задания скорости равно стабилизированному
напряжению, выдаваемому блоком питания UЗАД.С =12 В. Тогда
при нулевых условиях:
В (3.155)
Из
этих условий составляем следующую пропорцию:
с-1 (3.156)
Этот
результат соответствует ограничению регулятора скорости
, то есть
Абсолютная
статическая ошибка удовлетворяет заданным параметрам.
В
соответствии с принципами последовательной коррекции, включение регулятора
скорости с передаточной функцией
позволит
замкнуть систему отрицательной обратной связью по скорости, образовав
внутренний контур для регулирования скорости вращения якоря, при этом в
результате коррекции должна быть получена передаточная функция разомкнутого
контура в виде:
(3.157)
где
КС - коэффициент обратной связи по скорости;
-
постоянная времени некомпенсированных инерционных элементов системы; аС -
коэффициент настройки регулятора на технологический оптимум.
Контур
регулирования скорости необходимо настраивать на технологический оптимум. Перерегулирование
не должно превышать 5%, коэффициент демпфирования электропривода должен
удовлетворять условиям
, показатель колебательности должен быть
. Этим условиям удовлетворяет коэффициент
.
Зная
передаточную функцию объекта регулирования и передаточную функцию
скорректированной системы можно получить передаточную функцию регулятора по
формуле (3.158)
(3.158)
где
ТИ - постоянная времени интегрирования регулятора, ТИ находится по формуле
(3.135)
(3.159)
где
КС - коэффициент обратной связи по скорости; КТП - коэффициент усиления
тиристорного преобразователя; ТЭМ - электромеханическая постоянная двигателя;
аС - коэффициент настройки регулятора на технологический оптимум.
Определим
постоянную интегрирования по формуле (3.159):
с.
В
соответствии с передаточной функцией (3.158), схемное решение регулятора
скорости будет осуществлено на операционном усилителе К553УД2, который будет
работать в пропорционально-интегрально-дифференциальном режиме (ПИД -
регулятор). Регулятор будет иметь вид, представленный на рис. 3.36
Рис.
3.36 Регулятор скорости
В
цепь обратной связи регулятора скорости введены сопротивление RОСС
и конденсатор СОСС, а на входы включены сопротивления RЗАД.С и RОС и
конденсатор СОС. Постоянные времени и данные элементы регулятора относятся
следующим образом:
(3.160)
(3.161)
(3.162)
(3.163)
где
КРЕГ - коэффициент усиления регулятора скорости, КРЕГ принят равным 25.
Зададимся
RОС = 10 кОм.
В
результате преобразований получаем:
(3.164)
Подставляем
численные значения:
кОм
Найдем
корректирующую емкость по формуле (3.165):
мкФ
мкФ
Ом
Т.о.,
в результате синтеза регулятор скорости будет иметь вид, представленный на рис.
3.37
Рис.
3.37 Принципиальная электрическая схема регулятора скорости
Синтезированная
система регулирования конвейера-дозатора имеет вид, представленный на рис. 3.38
Рис.
3.38 Система регулирования конвейера-дозатора
Данная
система работает следующим образом:
1. Задается потенциометром R10 значение стопорного момента.
2. потенциометром R5
задается значение расхода угля конвейера-дозатора (скорость ленты, а
следовательно скорость двигателя).
После подачи напряжения на якорь двигателя, через обмотки якоря двигателя
течет пусковой ток и если этого тока достаточно, чтобы создать момент,
превышающий момент сопротивления механизма (пусковой ток меньше стопорного), то
якорь двигателя начинает вращаться с ускорением, заданным коррекцией регулятора
тока. При этом в системе регулирования тока происходят следующие процессы.
Сигнал с датчика тока поступает на прямой вход операционного усилителя
регулятора тока U2. На
инвертирующий вход операционного усилителя регулятора тока U2 поступает сигнал обратной связи и
сигнал задания стопорного тока. В зависимости от разности уровней сигнала
задания и сигнала с датчика тока на выходе операционного усилителя будет
усиленный сигнал, пропорциональный этой разности. Этот сигнал будет задавать
напряжение управления тиристорного преобразователя, а следовательно напряжение
на якоре двигателя. По мере разгона якоря двигателя и увеличения его
противо-ЭДС, регулятор тока будет компенсировать это увеличение, поддерживая
ток на заданном уровне путем повышения напряжения на якоре двигателя.
В
момент пуска на выходе операционного усилителя регулятора скорости будет
отрицательный потенциал, заданный напряжением задания скорости двигателя. По
мере разгона двигателя отрицательное напряжение, подаваемое с зажима
тахогенератора на инвертирующий вход операционного усилителя U1,
увеличивается и, когда оно превысит напряжение задания, на выходе операционного
усилителя U1 установится положительный потенциал. В зависимости
от задания точки переключения обратных связей, потенциал на выходе
операционного усилителя регулятора скорости U1 будет расти
до тех пор, пока система регулирования не переключится с токовой обратной связи
на обратную связь по скорости. Далее система регулирования будет поддерживать в
постоянстве заданную скорость. Переключение обратных связей настраивается из
условия:
, то есть превышения напряжения с выхода регулятора
тока U2 на 13% относительно напряжения с выхода регулятора
скорости U1. Это условие необходимо для улучшения демпфирующих
свойств электропривода.
Зададимся
, тогда
.
Сигнал
с выхода регулирующего устройства поступает на вход усилительного устройства и
далее на вход системы импульсно-фазового управления.
Роль
переключающего устройства выполняют два параллельно включенных диода VD1, VD2
серии КД522В. Они подключают в любой момент времени только один канал
регулирования.
Для
повышения устойчивости системы регулирования в каждый канал добавлена
пропорциональная составляющая, в виде сопротивлений R1, R8
номиналом 220 кОм.
Переходные
процессы задаются выражениями (3.106), (3.109), (3.112)
(3.106)
Переходная
функция электропривода при ТЯ = 0,0776 с., для m = 2 имеет вид
на рис. 3.39:
Но
в связи с коррекцией значение m = 2 (
). На
рис. 3.40 представлен переходный процесс пуска электромеханической системы,
управляемый регулирующим устройством. Сравнивая данные диаграммы с диаграммами
на рис. 3.25, 3.26 можно сделать вывод о значительном уменьшении
перерегулирования при пуске, что, в свою очередь, благоприятно сказывается на
сохранности механического оборудования, уменьшении динамических моментов
электропривода. Как недостаток можно отметить более чем четырех кратное
уменьшение быстродействия привода, но в данном случае такого быстродействия
достаточно.
Рис. 3.39 Переходная функция электропривода, управляемого регулирующим
устройством
Рис. 3.40 Механические характеристики при пуске электромеханической
системы, управляемой регулирующим устройством
Рис. 3.41 Механические характеристики переходного процесса в
электромеханической системе, управляемой регулирующим устройством при ненулевых
начальных условиях
Вывод: поставленная задача по синтезу системы автоматического
регулирования выполнена, электропривод настроен на технический оптимум,
благодаря чему обеспечивается высокое демпфирование механических и
электромагнитных резонансных колебаний, при этом быстродействие и точность
регулирования остаются в приемлемых границах.
4. ОХРАНА ТРУДА
4.1 Анализ вредных и опасных
факторов производственной среды
Производственная среда - это часть техносферы, обладающая повышенной концентрацией
негативных факторов. Основными носителями опасных (травмирующих) и вредных
факторов в производственной среде являются машины и другие технические
устройства, химически и биологически активные предметы труда, источники
энергии, нерегламентированные действия работающих, нарушения режимов и
организации деятельности, а также отклонения от допустимых параметров
микроклимата рабочей зоны.
Согласно ГОСТ 12.0.002-80 (1999) «ССБТ. Термины и определения»
производственный фактор является опасным, если воздействие его на работающего в
определенных условиях приводит к травме, острому отравлению или другому
внезапному резкому ухудшению здоровья, или смерти. Производственный фактор
является вредным, если воздействие его на работающего в определенных условиях
может привести к заболеванию, снижению работоспособности и (или) отрицательному
влиянию на здоровье потомства.
В ГОСТ 12.0.003-74 (1999) «ССБТ. Опасные и вредные производственные
факторы. Классификация» приводится классификация элементов условий труда,
выступающих в роли опасных и вредных производственных факторов. Они
подразделяются по природе действия на следующие группы: физические, химические,
биологические и психофизиологические.
В помещении, где эксплуатируется дозаторы угля, присутствуют только
физические факторы. К ним относятся:
движущиеся машины и механизмы;
подвижные части производственного оборудования;
повышенная запыленность воздуха рабочей зоны;
повышенный уровень шума на рабочем месте;
повышенное значение напряжения в электрической цепи, замыкание которой
может произойти через тело человека.
Метеорологические условия в рабочем помещении
Согласно СанПиН 2.2.4.548-96 показателями, характеризующими микроклимат в
производственных помещениях, являются:
- температура воздуха;
температура поверхностей;
относительная влажность воздуха;
скорость движения воздуха;
интенсивность теплового облучения.
Согласно СанПиН 2.2.4.548-96 введем следующие понятия:
Производственное помещение - это замкнутое
пространство в специально предназначенных зданиях и сооружениях, в которых
постоянно (по сменам) или периодически (в течение рабочего дня) осуществляется
трудовая деятельность людей.
Холодный
период года - период года, характеризуемый среднесуточной температурой
наружного воздуха, равной
С и ниже.
Теплый
период года - период года, характеризуемый среднесуточной температурой
наружного воздуха выше
С.
Разграничение
работ по категориям осуществляется на основе интенсивности общих энергозатрат
организма в ккал/ч (Вт).
В соответствии с СанПиН 2.2.4.548-96 работа оператора дозировочной машины
относится к категории ²б (энергозатраты 140 - 174 ккал/час).
Оптимальные условия микроклимата
Оптимальные микроклиматические условия установлены по
критериям оптимального теплового и функционального состояния человека. Они
обеспечивают общее и локальное ощущение теплового комфорта в течении 8-часовой
рабочей смены при минимальном напряжении механизмов терморегуляции, не вызывают
отклонений в состоянии здоровья.
Оптимальные величины для категории Іб на участке работы дозировочной
машины приведены в табл. 4.1 (соответствуют СанПиН 2.2.4.548-96).
Таблица 4.1
Оптимальные величины показателей микроклимата для
категории Іб
|
период года
|
температура воздуха, град С
|
температура поверхностей,
град С
|
относительная влажность
воздуха, %
|
скорость движения воздуха,
м/с
|
|
|
|
|
|
|
холодный
|
21 -23
|
20 - 24
|
60 - 40
|
0,1
|
|
теплый
|
22 - 24
|
21 - 25
|
|
|
Допустимые условия микроклимата
Допустимые микроклиматические условия установлены по критериям допустимого
теплового и функционального состояния человека на период 8-часовой рабочей
смены. Они не вызывают повреждений или нарушений состояния здоровья, но могут
приводить к возникновению общих и локальных ощущений дискомфорта, напряжению
механизмов терморегуляции, ухудшению самочувствия.
Допустимые величины для категории Іб на участке работы
дозировочной машины приведены в табл. 4.2 (соответствуют СанПиН 2.2.4.548-96).
Таблица 4.2
Допустимые величины показателей микроклимата для
категории Іб
|
период года
|
температура воздуха, град С
|
температура поверхностей,
град С
|
относительная влажность
воздуха, % (при температ. 25 град С и выше, см. табл. 4.4)
|
скорость движения воздуха,
м/с
|
|
|
|
|
|
|
диапазон ниже оптимальных
величин
|
диапазон выше оптимальных
величин
|
|
|
диапазон ниже оптимальных
величин
|
диапазон выше оптимальных
величин
|
|
|
|
|
|
|
|
|
холодный
|
19 - 20,9
|
23,1 - 24
|
18 - 25
|
15 - 75
|
0,1
|
0,2
|
|
теплый
|
20 - 21,9
|
24,1 - 28
|
24 - 38
|
15 - 75
|
0,1
|
0,3
|
При
температуре воздуха
скорость движения воздуха, указанная в табл. 4.4 для
теплого периода года должна соответствовать при категории работ Іб диапазону
0,1 - 0,3 м/с.
Таблица 4.4 Максимально допустимые значения
относительной влажности воздуха для категории Іб
|
температура воздуха, град С
|
относительная влажность
воздуха, %
|
|
+25
|
|
+26
|
65
|
|
+27
|
60
|
|
+28
|
55
|
Поддержание параметров микроклимата на заданном уровне обеспечивается
вентиляцией. При этом здание спроектировано так, что в летний период солнечные
лучи не нагревают воздух внутри выше допустимой температуры. Зимой температура
поддерживается при помощи газового отопления.
Фактические величины для категории Іб на участке
работы дозировочной машины приведены в табл. 4.3:
Таблица 4.3 Фактические величины показателей
микроклимата для категории Іб на участке работы дозировочной машины
|
период года
|
температура воздуха, град С
|
относительная влажность
воздуха, %
|
скорость движения воздуха,
м/с
|
|
холодный
|
22 -24
|
40 - 60
|
0,1 -0,15
|
|
теплый
|
23 -27
|
|
|
Фактические значения соответствуют нормам СанПиН 2.2.4.548-96, никаких
инженерных решений применять не требуется.
Освещение рабочего места
Освещение нормируется в соответствии со СНиП 23-05-95.
Разряд зрительных работ при работе с дозировочной машиной Vв.
Нормирование естественного освещения производится при помощи коэффициента
естественной освещенности или сокращенно КЕО:
КЕО = (ЕВ/ЕН)100 % (4.1)
где КЕО - коэффициент естественной освещенности, %; ЕВ
-освещенность внутри помещения, лк; еН - одновременная освещенность рассеянным
светом снаружи, лк.
Нормированное значение КЕО с учетом характеристики
зрительной работы, системы освещения, района расположения зданий на территории
страны.
Åí = ÊÅÎm (4.2)
ãäå ÊÅÎ - êîýôôèöèåíò
åñòåñòâåííîé
îñâåùåííîñòè,
%; ò - êîýôôèöèåíò
ñâåòîâîãî êëèìàòà,
îïðåäåëÿåìûé
â çàâèñèìîñòè
îò ðàéîíà ðàñïîëîæåíèÿ
çäàíèÿ íà òåððèòîðèè
ñòðàíû è îðèåíòàöèè
çäàíèÿ îòíîñèòåëüíî
ñòîðîí ñâåòà;
êîýôôèöèåíò
îïðåäåëÿþò ïî
òàáëèöàì ÑÍèÏ
23- 05- 95.
 äîçèðîâî÷íîì
îòäåëåíèè îñâåùåíèå
ñîâìåùåííîå
(åñòåñòâåííîå
- òîëüêî áîêîâîå).
Êîýôôèöèåíò
åñòåñòâåííîãî
îñâåùåíèÿ äëÿ
öåõà ÊÅÎ=0,6%; îñâåùåíèå
Å=200ëê.
 êà÷åñòâå èñêóññòâåííîãî
îñâåùåíèÿ ïðèìåíÿþòñÿ
ëàìïû îñâåùåíèÿ,
íàäåæíî çàêðûòûå
ïëàôîíàìè. Ýëåêòðè÷åñêèå
ñîåäèíåíèÿ íå
äîëæíû äàâàòü
èñêðû, ò.ê. â âîçäóõå
âçâåøåíà óãîëüíàÿ
ïûëü.
Øóì íà ðàáî÷åì
ìåñòå
Íîðìèðóåìûå
ïàðàìåòðû øóìà
íà ðàáî÷èõ ìåñòàõ
îïðåäåëÿþòñÿ
ïî ÃÎÑÒ 12.1.003-83 (1999). Â íåì
óñòàíîâëåíû
ïðåäåëüíî äîïóñòèìûå
óðîâíè çâóêîâîãî
äàâëåíèÿ â îêòàâíûõ
ïîëîñàõ ÷àñòîò,
óðîâíè çâóêà
è ýêâèâàëåíòíûå
óðîâíè çâóêà.
Åñëè óðîâåíü
øóìà ïðåâûñèò
ïîðîã ñëûøèìîñòè,
òî óâåëè÷èâàåòñÿ
ìóñêóëüíîå íàïðÿæåíèå
è, ñëåäîâàòåëüíî,
ïîâûøàåòñÿ ðàñõîä
ìûøå÷íîé ýíåðãèè.
Øóìû âûñîêîé
èíòåíñèâíîñòè
îòðèöàòåëüíî
âëèÿþò íà îðãàíèçì
÷åëîâåêà.
 ïîìåùåíèè,
ãäå ðàáîòàåò
äîçèðîâî÷íàÿ
ìàøèíà, óðîâåíü
øóìà ðàâåí 70 ÄÁÀ,
÷òî íå ïðåâûøàåò80
ÄÁÀ äîïóñòèìîãî
óðîâíÿ çâóêîâîãî
äàâëåíèÿ.
Ýëåêòðîáåçîïàñíîñòü
Ýëåêòðîáåçîïàñíîñòü
ðàáîò íà ó÷àñòêå
äîçèðîâî÷íîé
ìàøèíû äîëæíà
îáåñïå÷èâàòüñÿ
â ñîîòâåòñòâèè
ñ ÃÎÑÒ 12.1.019-79 (2001) è ÏÓÝ
èçäàíèå ¹7 çà
2002 ãîä.
Ïî ÃÎÑÒ 12.1.013-78 (2001) äîçèðîâî÷íîå
ïîìåùåíèå íà
êîêñîõèìè÷åñêîì
çàâîäå îòíîñèòñÿ
ê êëàññó ïîìåùåíèé
ñ îñîáî îïàñíûìè
óñëîâèÿìè ïî
ïîðàæåíèþ ëþäåé
ýëåêòðè÷åñêèì
òîêîì (íàëè÷èå
òîêîïðîâîäÿùèõ
ïîëîâ).
Ïðèìåíÿåìîå
â ýëåêòðîóñòàíîâêå
ýëåêòðîîáîðóäîâàíèå,
ýëåêòðîòåõíè÷åñêèå
èçäåëèÿ è ìàòåðèàëû
äîëæíû ñîîòâåòñòâîâàòü
òðåáîâàíèÿì
ãîñóäàðñòâåííûõ
ñòàíäàðòîâ èëè
òåõíè÷åñêèõ
óñëîâèé, óòâåðæäåííûõ
â óñòàíîâëåííîì
ïîðÿäêå.
Êîíñòðóêöèÿ,
èñïîëíåíèå, ñïîñîá
óñòàíîâêè, êëàññ
è õàðàêòåðèñòèêè
èçîëÿöèè ïðèìåíÿåìûõ
àïïàðàòîâ, ïðèáîðîâ
è ïðî÷åãî ýëåêòðîîáîðóäîâàíèÿ,
à òàêæå êàáåëåé
è ïðîâîäîâ äîëæíû
ñîîòâåòñòâîâàòü
ïàðàìåòðàì ñåòè
èëè ýëåêòðîóñòàíîâêè,
ðåæèìàì ðàáîòû,
óñëîâèÿì îêðóæàþùåé
ñðåäû è òðåáîâàíèÿì
ñîîòâåòñòâóþùèõ
ãëàâ ÏÓÝ.
Ýëåêòðîóñòàíîâêè
è ñâÿçàííûå ñ
íèìè êîíñòðóêöèè
äîëæíû áûòü ñòîéêèìè
â îòíîøåíèè âîçäåéñòâèÿ
îêðóæàþùåé ñðåäû
èëè çàùèùåííûìè
îò ýòîãî âîçäåéñòâèÿ.
Ýòî äîñòèãàåòñÿ
ïðèìåíåíèåì
çàùèùåííûõ äâèãàòåëåé,
ñèñòåì àâòîìàòè÷åñêîãî
óïðàâëåíèÿ, èñêðîçàùèùåííîé
êîììóòàöèîííîé
àïïàðàòóðû.
Ïðîåêòèðîâàíèå
è âûáîð ñõåì, êîìïîíîâîê
è êîíñòðóêöèé
ýëåêòðîóñòàíîâîê
äîëæíû ïðîèçâîäèòüñÿ
íà îñíîâå òåõíèêî-ýêîíîìè÷åñêèõ
ñðàâíåíèé âàðèàíòîâ
ñ ó÷åòîì òðåáîâàíèé
îáåñïå÷åíèÿ
áåçîïàñíîñòè
îáñëóæèâàíèÿ,
ïðèìåíåíèÿ íàäåæíûõ
ñõåì, âíåäðåíèÿ
íîâîé òåõíèêè,
ýíåðãî- è ðåñóðñîñáåðåãàþùèõ
òåõíîëîãèé, îïûòà
ýêñïëóàòàöèè.
 ýëåêòðîóñòàíîâêàõ
äîëæíà áûòü îáåñïå÷åíà
âîçìîæíîñòü
ëåãêîãî ðàñïîçíàâàíèÿ
÷àñòåé, îòíîñÿùèõñÿ
ê îòäåëüíûì ýëåìåíòàì
(ïðîñòîòà è íàãëÿäíîñòü
ñõåì, íàäëåæàùåå
ðàñïîëîæåíèå
ýëåêòðîîáîðóäîâàíèÿ,
íàäïèñè, ìàðêèðîâêà,
ðàñöâåòêà).
Äîçèðîâî÷íàÿ
ìàøèíà ïî óñëîâèÿì
ýëåêòðîáåçîïàñíîñòè
îòíîñèòñÿ ê ýëåêòðîóñòàíîâêàì
íàïðÿæåíèåì äî
1 êÂ.
Òîêîâåäóùèå
÷àñòè ýëåêòðîóñòàíîâêè
íå äîëæíû áûòü
äîñòóïíû äëÿ ñëó÷àéíîãî
ïðèêîñíîâåíèÿ,
à äîñòóïíûå ïðèêîñíîâåíèþ
îòêðûòûå è ñòîðîííèå
ïðîâîäÿùèå ÷àñòè
íå äîëæíû íàõîäèòüñÿ
ïîä íàïðÿæåíèåì,
ïðåäñòàâëÿþùèì
îïàñíîñòü ïîðàæåíèÿ
ýëåêòðè÷åñêèì
òîêîì, êàê â íîðìàëüíîì
ðåæèìå ðàáîòû
ýëåêòðîóñòàíîâêè,
òàê è ïðè ïîâðåæäåíèè
èçîëÿöèè.
Äëÿ çàùèòû îò
ïîðàæåíèÿ ýëåêòðè÷åñêèì
òîêîì â ñëó÷àå
ïîâðåæäåíèÿ èçîëÿöèè
äîëæíû áûòü ïðèìåíåíû
ïî îòäåëüíîñòè
èëè â ñî÷åòàíèè
ñëåäóþùèå ìåðû
çàùèòû ïðè êîñâåííîì
ïðèêîñíîâåíèè:
- çàùèòíîå
çàçåìëåíèå;
- àâòîìàòè÷åñêîå
îòêëþ÷åíèå ïèòàíèÿ;
- äâîéíàÿ èëè
óñèëåííàÿ èçîëÿöèÿ;
èçîëèðóþùèå
(íåïðîâîäÿùèå)
ïîìåùåíèÿ, çîíû,
ïëîùàäêè.
Çàùèòó ïðè êîñâåííîì
ïðèêîñíîâåíèè
ñëåäóåò âûïîëíÿòü
âî âñåõ ñëó÷àÿõ,
åñëè íàïðÿæåíèå
â ýëåêòðîóñòàíîâêå
ïðåâûøàåò 50 Â ïåðåìåííîãî
è 120 Â ïîñòîÿííîãî
òîêà.
Äëÿ çàçåìëåíèÿ
ýëåêòðîóñòàíîâîê
ìîãóò áûòü èñïîëüçîâàíû
èñêóññòâåííûå
è åñòåñòâåííûå
çàçåìëèòåëè.
Åñëè ïðè èñïîëüçîâàíèè
åñòåñòâåííûõ
çàçåìëèòåëåé
ñîïðîòèâëåíèå
çàçåìëÿþùèõ
óñòðîéñòâ èëè
íàïðÿæåíèå ïðèêîñíîâåíèÿ
èìååò äîïóñòèìîå
çíà÷åíèå, à òàêæå
îáåñïå÷èâàþòñÿ
íîðìèðîâàííûå
çíà÷åíèÿ íàïðÿæåíèÿ
íà çàçåìëÿþùåì
óñòðîéñòâå è
äîïóñòèìûå ïëîòíîñòè
òîêîâ â åñòåñòâåííûõ
çàçåìëèòåëÿõ,
âûïîëíåíèå èñêóññòâåííûõ
çàçåìëèòåëåé
â ýëåêòðîóñòàíîâêàõ
äî 1 ê íå îáÿçàòåëüíî.
Èñïîëüçîâàíèå
åñòåñòâåííûõ
çàçåìëèòåëåé
â êà÷åñòâå ýëåìåíòîâ
çàçåìëÿþùèõ
óñòðîéñòâ íå
äîëæíî ïðèâîäèòü
ê èõ ïîâðåæäåíèþ
ïðè ïðîòåêàíèè
ïî íèì òîêîâ êîðîòêîãî
çàìûêàíèÿ èëè
ê íàðóøåíèþ ðàáîòû
óñòðîéñòâ, ñ êîòîðûìè
îíè ñâÿçàíû.
Âçðûâîïîæàðîáåçîïàñíîñòü
 ñîîòâåòñòâèè
ñ ÍÏÁ 105-95 è ÃÎÑÒ
12.1.004-91 ÑÑÁÒ ïî ïîæàðíîé
áåçîïàñíîñòè,
ïîìåùåíèå ó÷àñòêà
äîçèðîâàíèÿ óãëÿ
îòíîñèòñÿ ê êàòåãîðèè
"Á" (âçðûâîïîæàðîîïàñíîå)
- íàëè÷èå ãîðþ÷åé
ïûëè ñ òåìïåðàòóðîé
âñïûøêè áîëåå
36 0Ñ â òàêîì êîëè÷åñòâå,
÷òî ìîãóò îáðàçîâûâàòüñÿ
âçðûâîîïàñíûå
ïûëåâîçäóøíûå
ñìåñè, ïðè âîñïëàìåíåíèè
êîòîðûõ ðàçâèâàåòñÿ
ðàñ÷åòíîå èçáûòî÷íîå
äàâëåíèå âçðûâà
â ïîìåùåíèè, ïðåâûøàþùåå
5 êÏà.
Ïîæàðíàÿ áåçîïàñíîñòü
îáåñïå÷èâàåòñÿ
ìåðàìè ïîæàðíîé
ïðîôèëàêòèêè
è àêòèâíîé ïîæàðíîé
çàøèòû ÃÎÑÒ
12.1.004-91.
Ìåðîïðèÿòèÿ
ïî ïîæàðíîé ïðîôèëàêòèêå
íà ó÷àñòêå âêëþ÷àþò
â ñåáÿ:
1. Ïðàâèëüíàÿ
ýêñïëóàòàöèÿ
ó÷àñòêà;
. Ñâîåâðåìåííûå
ïðîôèëàêòè÷åñêèå
îñìîòðû è ðåìîíòû;
3. Ïðàâèëüíîå
ðàçìåùåíèå îáîðóäîâàíèÿ;
4. Ñîáëþäåíèå
ïðîòèâîïîæàðíûõ
ïðàâèë è íîðì;
5. Ïðîâåäåíèå
ïðîòèâîïîæàðíûõ
èíñòðóêòàæåé.
 ïëàíèðîâêå
ïðåäóñìîòðåí
ýâàêóàöèîííûé
âûõîä. Øèðèíà
ó÷àñòêîâ ïóòåé
ýâàêóàöèè ñîñòàâëÿåò
1,2 ì, âûñîòà ïðîõîäà
íà ïóòÿõ ýâàêóàöèè
2 ì.
Íà ó÷àñòêå ðàáîòû
ìàøèíû äîëæíû
íàõîäèòüñÿ ñðåäñòâà
ïîæàðîòóøåíèÿ,
ïîæàðíûé ùèò
ñ íåîáõîäèìûìè
èíñòðóìåíòàìè
äëÿ òóøåíèÿ ïîæàðîâ.
Îãðàæäåíèÿ êîíâåéåðîâ
 ñîîòâåòñòâèè
ñ ÃÎÑÒ 12.2.022 - 80* äâèæóùèåñÿ
÷àñòè êîíâåéåðà
(ïðèâîäíûå, íàòÿæíûå
áàðàáàíû, íàòÿæíûå
óñòðîéñòâà, ìóôòû,
îïîðíûå ðîëèêè
â çîíàõ ðàáî÷èõ
ìåñò êîíâåéåðà),
ê êîòîðûì âîçìîæåí
äîñòóï îáñëóæèâàþùåãî
ïåðñîíàëà è ëèö,
ðàáîòàþùèõ âáëèçè
êîíâåéåðà, äîëæíû
áûòü îãðàæäåíû.
 çîíå âîçìîæíîãî
íàõîæäåíèÿ ëþäåé
äîëæíû áûòü îãðàæäåíû
èëè çàùèùåíû:
ñìîòðîâûå ëþêè
ïåðåñûïíûõ ëîòêîâ,
áóíêåðîâ è ò.ï.,
óñòàíîâëåííûõ
â ìåñòå çàãðóçêè
êîíâåéåðà, ïåðèîäè÷åñêè
î÷èùàåìûå îáñëóæèâàþùèì
ïåðñîíàëîì;
ó÷àñòêè òðàññû
êîíâåéåðà, íà
êîòîðûõ çàïðåùåí
ïðîõîä ëþäå (ïðè
ïîìîùè óñòàíîâêè
ïåðèë âûñîòîé
íå ìåíåå 1 ì. îò
óðîâíÿ ïîëà);
Çàùèòíûå îãðàæäåíèÿ
êîíâåéåðà äîëæíû
áûòü ñíàáæåíû
ïðèñïîñîáëåíèÿìè
äëÿ íàäåæíîãî
óäåðæàíèÿ èõ
â çàêðûòîì (ðàáî÷åì)
ïîëîæåíèè è â
ñëó÷àå íåîáõîäèìîñòè
áûòü ñáëîêèðîâàííûìè
ñ ïðèâîäîì êîíâåéåðà
äëÿ åãî îòêëþ÷åíèÿ
ïðè ñíÿòèè (îòêðûòèè)
îãðàæäåíèÿ.
Êîíñòðóêöèÿ
îãðàæäåíèÿ äîëæíà
áûòü òàêîé, ÷òîáû
ïðè íåîáõîäèìîñòè
åãî óäàëåíèÿ
èëè ïåðåìåùåíèÿ
ýòî áûëî âîçìîæíî
ëèøü ñ ïîìîùüþ
èíñòðóìåíòà.
Îãðàæäåíèÿ ñëåäóåò
èçãîòîâëÿòü
èç ìåòàëëè÷åñêèõ
ëèñòîâ, ñåòêè
è äðóãèõ ïðî÷íûõ
ìàòåðèàëîâ.
Êîíòðîëü çà ñîäåðæàíèåì
âðåäíûõ âåùåñòâ
â âîçäóõå
Ðàáîòà äîçàòîðà
ñîïðîâîæäàåòñÿ
ïîñòîÿííûì ïûëåâûäåëåíèåì,
â ðåçóëüòàòå
ýòîãî â âîçäóõå
íàõîäèòñÿ áîëüøîå
êîëè÷åñòâî âçâåøåííîé
óãîëüíîé ïûëè.
 ñîîòâåòñòâèè
ñ ÃÎÑÒ 12.1.005 - 88 «îáùèå
ñàíèòàðíî-ãèãèåíè÷åñêèå
òðåáîâàíèÿ ê
âîçäóõó ðàáî÷åé
çîíû» ñîäåðæàíèå
óãîëüíîé ïûëè
â âîçäóõå íå äîëæíî
ïðåâûøàòü ïðåäåëüíî
äîïóñòèìûõ êîíöåíòðàöèé
(ÏÄÊ).
Ñîäåðæàíèå âðåäíûõ
âåùåñòâ â âîçäóõå
ðàáî÷åé çîíû
ïîäëåæèò ñèñòåìàòè÷åñêîìó
êîíòðîëþ äëÿ ïðåäóïðåæäåíèÿ
âîçìîæíîñòè
ïðåâûøåíèÿ ÏÄÊ
- ìàêñèìàëüíî
ðàçîâûõ ðàáî÷åé
çîíû (ÏÄÊìð.ðç)
è ñðåäíåñìåííûõ
ðàáî÷åé çîíû
(ÏÄÊÑÑ.ðç).
Óãîëüíàÿ ïûëü
îòíîñèòñÿ ê IV
êëàññó îïàñíîñòè
âðåäíîãî âåùåñòâà,
ïî îñîáåííîñòè
äåéñòâèÿ íà îðãàíèçì
- ê êàòåãîðèè Ô.
Ïåðèîäè÷íîñòü
êîíòðîëÿ óñòàíàâëèâàåòñÿ
íå ðåæå 1 ðàçà â
êâàðòàë.
Â
ðàçëè÷íûõ ðåæèìàõ
ðàáîòû äîçàòîðà
âûäåëåíèå óãîëüíîé
ïûëè ðàçëè÷íî,
ñîîòâåòñòâåííî
áóäåò ðàçëè÷íîé
è ñðåäíåñìåííàÿ
êîíöåíòðàöèÿ
(Êññ) óãîëüíîé
ïûëè â âîçäóõå.
Òàê, åñëè äîçàòîð
íàñòðîåí íà íèçêóþ
ïðîèçâîäèòåëüíîñòü,
òî Êññ = 4 ìã/ì3, â
ñîîòâåòñòâèè
ñ çàìåðàìè ãðóïïû
ÃÒÊÄÎ ÎÀÎ «Àëòàé-êîêñ»,
ýòî íèæå ÏÄÊ êàìåííîóãîëüíîé
ïûëè â ñîîòâåòñòâèè
ñ ÃÎÑÒ 12.1.005 - 88, êîòîðàÿ
óñòàíîâëåíà
â ðàçìåðå 6 ìã/ì3.
Åñëè äîçàòîð
íàñòðîåí íà âûñîêóþ
ïðîèçâîäèòåëüíîñòü,
òî Êññ
8 ìã/ì3,
â ñîîòâåòñòâèè
ñ çàìåðàìè ãðóïïû
ÃÒÊÄÎ ÎÀÎ «Àëòàé-êîêñ»,
ýòî âûøå ÏÄÊ â
ðàçìåðå
ìã/ì3.
 ñâÿçè ñ ýòèì
íåîáõîäèìî ïðèíÿòü
èíæåíåðíîå ðåøåíèå,
îáåñïå÷èâàþùåå
ïîääåðæàíèå ñðåäíåñìåííîé
êîíöåíòðàöèè
óãîëüíîé ïûëè
â âîçäóõå íèæå
ÏÄÊ. Ýòî ìîæíî
îáåñïå÷èòü ïðèìåíèâ
ìåñòíóþ âåíòèëÿöèþ.
4.2 Ðàñ÷åò âûòÿæíîé
ïàíåëè
Ìåñòíàÿ
âåíòèëÿöèÿ îáåñïå÷èâàåò
âåíòèëÿöèþ íåïîñðåäñòâåííî
ó ðàáî÷åãî ìåñòà,
à íå â îáúåìå âñåãî
îòäåëåíèÿ.
Ðèñ. 4.1 Âûòÿæíàÿ
ïàíåëü äîçèðîâî÷íîãî
îòäåëåíèÿ
 äîçèðîâî÷íîì
îòäåëåíèè ïî
êîíñòðóêòèâíûì
ñîîáðàæåíèÿì
èñïîëüçóþòñÿ
áîêîâûå âûòÿæíûå
ïàíåëè, âñòðîåííûå
â ñòåíó (ôëàíöåâûå).
Èñõîäíûìè äàííûìè
äëÿ ðàñ÷åòà ÿâëÿþòñÿ:
ðàçìåðû èñòî÷íèêà
2à õ 2b èëè r, ãäå 2à = 5
ì., 2b = 0,7 ì;
ñêîðîñòü äâèæåíèÿ
âîçäóõà â ïîìåùåíèè
w = 0,1 ì/ñ;
- êîíñòðóêöèÿ
îòñîñà è åãî ðàçìåðû
2À õ 2Â èëè R, ðàññòîÿíèå
ïî âåðòèêàëè è
ãîðèçîíòàëè
ìåæäó öåíòðàìè
èñòî÷íèêà Õ
è âûòÿæêè Y; 2À = 6 ì.; 2Â =
0,7 ì.; Õ = 2 ì.;
Y = 0.
Ðàñ÷åò âûòÿæíîé
ïàíåëè ïðîèçâîäèòñÿ
â ñëåäóþùåì ïîðÿäêå:
. Îïðåäåëÿåòñÿ
ðàññòîÿíèå S, ì, îò èñòî÷íèêà
âõîäà ñòðóè â
âûòÿæêó, îò÷èòûâàåìûé
ïî îñè èçîãíóòîé
ñòðóè, è õàðàêòåðíûé
ðàçìåð R:
ì. (4.3)
Ò.ê.
èñòî÷íèê è ïðèåìíèê
ïðÿìîóãîëüíîé
ôîðìû, òî íåîáõîäèìî
âû÷èñëèòü
ì. (4.4)
ì. (4.5)
Íàéäåì
ïî ôîðìóëå
(4.6)
ì. (4.6)
.
Âû÷èñëÿþò êîýôôèöèåíò
kÏ, ó÷èòûâàþùèé
âëèÿíèå ïîäâèæíîñòè
âîçäóõà íà òðåáóåìóþ
ïðîèçâîäèòåëüíîñòü
ìåñòíîé âûòÿæêè:
(4.7)
ãäå
w - ñêîðîñòü
äâèæåíèÿ âîçäóõà
â ïîìåùåíèè; Q - êîëè÷åñòâî
ýíåðãèè âûäåëÿåìîå
ïðè äîçèðîâàíèè
óãëÿ; Y - ðàññòîÿíèå
ïî ãîðèçîíòàëè
ìåæäó öåíòðàìè
èñòî÷íèêà è
âûòÿæêè.
.
 çàâèñèìîñòè
îò âûáðàííîé
êîíñòðóêöèîííîé
ñõåìû ïî ôîðìóëå
(4.8) âû÷èñëÿþò îòíîñèòåëüíóþ
ïðåäåëüíóþ ïðîèçâîäèòåëüíîñòü
âûòÿæêè:
îòñîñ
â ñòåíå
ì3/ñ. (4.8)
Íàõîäèì
ïðåäåëüíóþ ïðîèçâîäèòåëüíîñòü
âûòÿæêè ïî ôîðìóëå
(4.9):
ì3/ñ. (4.9)
Äàííûå
ïàðàìåòðû âûòÿæêè
óäîâëåòâîðÿþò
òåõíîëîãè÷åñêèì
óñëîâèÿì î÷èñòêè
âîçäóõà îò ïûëè.
5. ÒÅÕÍÈÊÎ-ÝÊÎÍÎÌÈ×ÅÑÊÈÉ
ÐÀÑ×ÅÒ
Ïðè ïðîâåäåíèè
ðàçðàáîòîê, ìîäåðíèçèðóþùèõ
ñèñòåìó, ýêîíîìè÷åñêèå
ïîêàçàòåëè äàþò
îáîáùåííóþ îöåíêó
êîíñòðóêöèè
ìîäåðíèçèðîâàííîé
ñèñòåìû. Îíè
ïîìîãàþò ïåðåéòè
îò ìíîãî÷èñëåííûõ
îòäåëüíûõ òåõíè÷åñêèõ
ïàðàìåòðîâ ê îöåíêå
âñåé ñèñòåìû
â öåëîì.
Çíà÷åíèå ìíîãèõ
òåõíè÷åñêèõ
ïàðàìåòðîâ âûðàæàåòñÿ
äâóìÿ äåíåæíûìè
èçìåðèòåëÿìè:
ãîäîâûì ýêîíîìè÷åñêèì
ýôôåêòîì îò ìîäåðíèçàöèè
ñèñòåìû è ýêîíîìè÷åñêèì
ïîòåíöèàëîì
ðàçðàáîòêè. Ýêîíîìè÷åñêèå
ïîêàçàòåëè äàþò
îáîáùåííóþ îöåíêó
â äåíåæíîì âûðàæåíèè
ñàìûõ ðàçíûõ
äîñòîèíñòâ è
íåäîñòàòêîâ
ìîäåðíèçèðîâàííîé
ñèñòåìû, ïîìîãàþò
èññëåäîâàòü
ðàçëè÷íûå âàðèàíòû
êîíñòðóêöèè
è ýêîíîìè÷åñêè
îöåíèòü êàæäóþ
íîâóþ òåõíè÷åñêóþ
èäåþ.
Ìîäåðíèçàöèÿ
äîçàòîðîâ óãëÿ
íà êîêñîõèìè÷åñêîì
ïðåäïðèÿòèè ïî
ñâîåìó ðîäó îòíîñèòñÿ
ê íàó÷íî-èññëåäîâàòåëüñêîé
ðàáîòå, òàê êàê
ïðåäïîëàãàåò
óñîâåðøåíñòâîâàíèå
ñèñòåìû óïðàâëåíèÿ
ïîäà÷è óãëÿ íà
ñáîðíûé êîíâåéåð
(ïðèíöèïèàëüíîé
ýëåêòðè÷åñêîé
ñõåìû, òåõíè÷åñêèé
ðàñ÷¸ò, îïèñàíèå).
 äàííîì ðàçäåëå
òåõíèêî-ýêîíîìè÷åñêîãî
ðàñ÷¸òà ïðèâåäåíû
çàòðàòû íà ïðîåêòèðîâàíèå
è ðàçðàáîòêó
ñèñòåìû óïðàâëåíèÿ
äîçèðîâàíèåì
óãëÿ.
.1 Ðàñ÷¸ò çàòðàò
íà ïðîåêòèðîâàíèå
è íà èçãîòîâëåíèå
áàçîâîãî èçäåëèÿ
Ðàñ÷¸ò çàòðàò
íà ïðîåêòèðîâàíèå
áàçîâîãî èçäåëèÿ
Çàòðàòû íà ïðîåêòèðîâàíèå
âêëþ÷àþò â ñåáÿ
ðàñõîäû íà îñíîâíóþ
è äîïîëíèòåëüíóþ
çàðàáîòíóþ ïëàòó
è îò÷èñëåíèÿ
íà ñîöèàëüíûå
íóæäû.
Îêëàä èíæåíåðà
íàõîäÿòñÿ ïî
ôîðìóëå (5.1):
(5.1)
ãäå O1 = 800 ðóá. - îêëàä
ðàáî÷åãî I ðàçðÿäà; K12= 2,89 - òàðèôíûé
êîýôôèöèåíò
èíæåíåðà 12 ðàçðÿäà;
Êð=1,15 -ðàéîííûé êîýôôèöèåíò.
Òîãäà îêëàä
èíæåíåðà 12 ðàçðÿäà
íàõîäÿòñÿ ïî
ôîðìóëå (5.1):
ðóá.
×àñîâàÿ çàðàáîòíàÿ
ïëàòà íàõîäÿòñÿ
ïî ôîðìóëå (5.2):
(5.2)
ãäå
Î - îêëàä èíæåíåðà;
Òïëàí - ïëàíîâûé
ìåñÿ÷íûé ôîíä
ðàáî÷åãî âðåìåíè
(Òïëàí = 176 ÷àñ.).
Òîãäà
÷àñîâàÿ çàðàáîòíàÿ
ïëàòà èíæåíåðà
12 ðàçðÿäà ïî ôîðìóëå
(5.2):
ðóá./÷àñ
Îñíîâíàÿ
çàðàáîòíàÿ ïëàòà
íàõîäÿòñÿ ïî
ôîðìóëå (5.3):
(5.3)
ãäå
ÑÒ - ÷àñîâàÿ çàðàáîòíàÿ
ïëàòà; t1 = 45 - âðåìÿ,
îòâîäèìîå íà
ÍÈÐ;= 8 ÷àñ - äëèòåëüíîñòü
ðàáî÷åãî äíÿ.
ðóá.
Äîïîëíèòåëüíàÿ
çàðàáîòíàÿ ïëàòà
íàõîäÿòñÿ ïî
ôîðìóëå (5.4):
(5.4),
ãäå
ÊÄ = 0,11 - êîýôôèöèåíò
äîïîëíèòåëüíîé
çàðàáîòíîé ïëàòû;
ÇÏÐîñí.
- îñíîâíàÿ çàðàáîòíàÿ
ïëàòà èíæåíåðà.
ðóá.
Îò÷èñëåíèÿ
íà ñîöèàëüíûå
íóæäû íàõîäÿòñÿ
ïî ôîðìóëå (5.5):
(5.5)
ãäå
Êñîö = 0,26 - êîýôôèöèåíò
îò÷èñëåíèé íà
ñîöèàëüíûå íóæäû.
ðóá.
Çàòðàòû
íà ïðîåêòèðîâàíèå
íàõîäÿòñÿ ïî
ôîðìóëå (5.6):
(5.6)
ãäå
ÇÏÐîñí = 4068 ðóá. - îñíîâíàÿ
çàðàáîòíàÿ ïëàòà
èíæåíåðà;
ÇÏÐäîï
= 447,48 ðóá. -äîïîëíèòåëüíàÿ
çàðàáîòíàÿ ïëàòà
èíæåíåðà;
ÎÎÒ×ñîö
= 1174 ðóá. - îò÷èñëåíèÿ
íà ñîöèàëüíûå
íóæäû.
ðóá.
Ïðè
ýòîì çàòðàòû
íà ïðîåêòèðîâàíèå
îäíîãî èçäåëèÿ
ñîñòàâëÿþò:
(5.7)
ãäå
n - ÷èñëî ñäåëàííûõ
ÑÀÓ.
ðóá.
Ðàñ÷åò çàòðàò
íà èçãîòîâëåíèå
áàçîâîãî èçäåëèÿ
Çàòðàòû íà
èçãîòîâëåíèå
âêëþ÷àþò â ñåáÿ:
çàòðàòû íà
çàðàáîòíóþ ïëàòó
(îñíîâíóþ è äîïîëíèòåëüíóþ)
è îò÷èñëåíèÿ
íà ñîöèàëüíûå
íóæäû,
ñòîèìîñòü
ìàòåðèàëîâ è
êîìïëåêòóþùèõ
èçäåëèé,
àìîðòèçàöèþ
îáîðóäîâàíèÿ.
Îñíîâíàÿ çàðàáîòíàÿ
ïëàòà íàõîäÿòñÿ
ïî ôîðìóëå (5.7):
(5.7)
ãäå
ÑÒ = 15,11 - ÷àñîâàÿ
çàðàáîòíàÿ ïëàòà;
t1=12 - âðåìÿ, îòâîäèìîå
íà èçãîòîâëåíèå
ñèñòåìû óïðàâëåíèÿ
áàçîâîãî âàðèàíòà;
n = 8 ÷àñ - äëèòåëüíîñòü
ðàáî÷åãî äíÿ.
ðóá.
Äîïîëíèòåëüíàÿ
çàðàáîòíàÿ ïëàòà
íàõîäÿòñÿ ïî
ôîðìóëå (5.8):
(5.8)
ãäå
ÊÄ = 0,11 - êîýôôèöèåíò
äîïîëíèòåëüíîé
çàðàáîòíîé ïëàòû;
ÇÈÇ.îñí.
=1084,8 ðóá. - îñíîâíàÿ
çàðàáîòíàÿ ïëàòà
èíæåíåðà.
ðóá.
Îò÷èñëåíèÿ
íà ñîöèàëüíûå
íóæäû íàõîäÿòñÿ
ïî ôîðìóëå (5.9):
(5.9)
ãäå
Êñîö = 0,26 - êîýôôèöèåíò
îò÷èñëåíèé íà
ñîöèàëüíûå íóæäû,
ðóá.
Çàòðàòû
íà îñíîâíóþ, äîïîëíèòåëüíóþ
çàðàáîòíóþ ïëàòó
è ñîöèàëüíûå
îò÷èñëåíèÿ ïðè
èçãîòîâëåíèè
áàçîâîãî èçäåëèÿ
ñîñòàâëÿþò
(5.10)
ãäå
ÇÈÇîñí = 1450,56 ðóá.
- îñíîâíàÿ çàðàáîòíàÿ
ïëàòà èíæåíåðà;
ÇÈÇäîï
= 159,56 ðóá. - äîïîëíèòåëüíàÿ
çàðàáîòíàÿ ïëàòà
èíæåíåðà;
ÎÎÒ×ñîö = 418,63 ðóá.
- îò÷èñëåíèÿ íà
ñîöèàëüíûå íóæäû.
ðóá.
Ðàñ÷åò
ñòîèìîñòè êîìïëåêòóþùèõ
èçäåëèé äëÿ áàçîâîãî
âàðèàíòà ïðèâåä¸í
â òàáë. 5.1
Òàáëèöà
5.1 Ðàñ÷åò ñòîèìîñòè
êîìïëåêòóþùèõ
èçäåëèé
|
Íàèìåíîâàíèå
|
Êîë-âî
|
Öåíà
çà 1 øò. Ðóá.
|
Ñòîèìîñòü
Ðóá.
|
|
Ìèêðîñõåìû
|
|
|
|
|
Îïåðàöèîííûé
óñèëèòåëü
|
|
|
|
|
Ê553 ÓÄ 2
|
5
|
10
|
50
|
|
Äèîäû
|
|
|
|
|
ÊÄ 522
|
5
|
2,5
|
12,5
|
|
ÊÄ226
|
6
|
2,3
|
13,8
|
|
ÊÄ117
|
3
|
6,1
|
18,3
|
|
ÊÄ203Å
|
1
|
20
|
20
|
|
Òðàíçèñòîðû
|
|
|
|
|
ÊÒ 503Å
|
3
|
3
|
9
|
|
ÊÒ 829À
|
3
|
3
|
9
|
|
ÊÒ 502Å
|
2
|
3
|
6
|
|
Êîíäåíñàòîðû
|
|
|
|
|
Ê50-16 0.1 ìêÔ
|
3
|
6
|
18
|
|
Ê50-16 1000 ïÔ
|
3
|
10
|
30
|
|
Ê50-16 4700 ïÔ
|
2
|
22
|
44
|
|
Ê50-16 68 ìêÔ
|
1
|
8
|
8
|
|
Ê50-16 0,5 ìêÔ
|
1
|
6
|
6
|
|
Ê10-400 1ìêÔ
|
3
|
20
|
60
|
|
Ê10-400 100 ìêÔ
|
3
|
24
|
72
|
|
Òèðèñòîðû
|
|
|
|
|
Ò 10-10-6
|
3
|
118
|
354
|
|
Ñîïðîòèâëåíèÿ
|
|
|
|
|
100 Îì
|
2
|
0,5
|
1
|
|
200 Îì
|
2
|
0,5
|
1
|
|
1 êÎì
|
2
|
0,5
|
1
|
|
5 êÎì
|
7
|
1
|
7
|
|
10 êÎì
|
6
|
1
|
6
|
|
50 êÎì
|
2
|
2,5
|
5
|
|
100 êÎì
|
2
|
1
|
2
|
|
510 êÎì
|
3
|
1,2
|
6,6
|
|
5 êÎì
|
9
|
6,7
|
60,3
|
|
1,4 êÎì
|
2
|
5
|
10
|
|
100 Îì
|
1
|
7
|
7
|
|
5 Îì
|
1
|
7
|
7
|
|
Äâèãàòåëü
|
1
|
12300
|
12300
|
|
Ðåäóêòîð
|
1
|
3100
|
3100
|
|
Òðàíñôîðìàòîð
|
|
|
|
|
Ïèòàíèÿ
|
1
|
750
|
750
|
|
Ñèíõðîíèçàöèè
|
1
|
2240
|
2240
|
|
Èìïóëüñíûé
|
3
|
1130
|
2260
|
|
Êíîïêà
ñ èíäèêàöèåé
|
1
|
25
|
25
|
|
ÈÒÎÃÎ
|
|
|
23010,5
|
Îáùèå çàòðàòû
íà êîìïëåêòóþùèå
äëÿ áàçîâîãî
èçäåëèÿ ñîñòàâëÿþò:
23010,5 ðóá.
Çàòðàòû íà ãàðàíòèéíîå
îáñëóæèâàíèå
äâèãàòåëÿ â òå÷åíèå
ãàðàíòèéíîãî
ñðîêà (â äàííîì
ñëó÷àå ãàðàíòèéíûå
îáÿçàòåëüñòâà
âûïîëíÿþòñÿ â
òå÷åíèå 1 ãîäà),
ñîñòàâëÿþò 10% îò
ñòîèìîñòè äâèãàòåëÿ
èëè1230 ðóá.
Ðàñ÷åò ñòîèìîñòè
ìàòåðèàëîâ èñïîëüçóåìûõ
ïðè èçãîòîâëåíèè
ïëàò óïðàâëåíèÿ,
ïðèâåä¸í â òàáë.
5.2
Òàáëèöà 5.2 Ðàñ÷åò
ñòîèìîñòè èñïîëüçóåìûõ
ìàòåðèàëîâ
|
Íàèìåíîâàíèå
|
Åä. Èçì.
|
Êîëè÷åñòâî
åä. èçì
|
Öåíà
çà åä. èçì., ðóá.
|
Ñòîèìîñòü
Ðóá.
|
|
Ôîëüãèðîâàííûé
ñòåêëîòåêñòîëèò
|
ì2
|
2,5
|
120
|
300
|
|
Îëîâî
|
êã
|
0,3
|
320
|
96
|
|
Êàíèôîëü
|
êã
|
0,2
|
160
|
32
|
|
ÈÒÎÃÎ:
|
|
|
|
428
|
Ñóììàðíàÿ
ñòîèìîñòü êîìïëåêòóþùèõ
èçäåëèé è ìàòåðèàëîâ
ðóá. (5.10)
Ñïåöèàëüíîå
îáîðóäîâàíèå
 ïðîöåññå
èçãîòîâëåíèÿ
ñèñòåìû óïðàâëåíèÿ
èñïîëüçîâàëîñü
ìèíèìàëüíî íåîáõîäèìîå
îáîðóäîâàíèå,
òðåáóåìîå ïðè
ðó÷íîì èçãîòîâëåíèè
è ìîíòàæå ýëåêòðîííîé
ñèñòåìû óïðàâëåíèÿ.
Äàííîå ñïåöîáîðóäîâàíèå
áûëî èñïîëüçîâàíî
â òå÷åíèå âðåìåíè
èçãîòîâëåíèÿ
ÑÀÓ t = 12
äíåé * 8 ÷àñîâ = 96 ÷àñîâ.
Ò.î., îò÷èñëåíèÿ
íà îáîðóäîâàíèå
ñîñòàâÿò:
(5.11)
Ñïåöèàëüíîå
îáîðóäîâàíèå
âêëþ÷àåò â ñåáÿ:
ïàÿëüíèê (90 ð.), ïàññàòèæè
(60 ð.), îòâåðòêà (14 ð.),
êóñà÷êè (60 ð.), çàæèìû
(10 ð.), ïðèáîð FLYKI - 110
(1300 ð.). Îòñþäà:
W = 1534 ð.;
V = 0,125; N = 2048 ÷àñîâ.
Ïî ôîðìóëå (5.11) íàéäåì
íîðìó îò÷èñëåíèé
íà ñïåöîáîðóäîâàíèå:
ðóá.
Â
ÍÈÐ áûëî èñïîëüçîâàíî
ñëåäóþùåå îáîðóäîâàíèå:
1
êîìïüþòåð
1 øò.
2
ïðèíòåð
1 øò.
Íîðìà àìîðòèçàöèè
íà îáîðóäîâàíèå,
îáåñïå÷èâàþùåå
ïðîâåäåíèå ÍÈÐ
âû÷èñëÿþòñÿ
ïî ñëåäóþùåé
ôîðìóëå
(5.12)
ãäå V - íîðìà àìîðòèçàöèîííûõ
îò÷èñëåíèé; Ê
- ñòîèìîñòü ïðèíòåðà
è êîìïüþòåðà;
N - ãîäîâîé ôîíä
âðåìåíè; t = 45 äíåé * 8 ÷àñîâ
= 360 ÷àñîâ - âðåìÿ
ÍÈÐ.
Ê =ÊÊÎÌ + ÊÏÐÈÍ
= 20000 + 4000 = 24000 ð.; V =
0,125; N = 2048 ÷àñîâ.
Ïî
ôîðìóëå (5.12) íàéäåì
íîðìó àìîðòèçàöèîííûõ
îò÷èñëåíèé íà
îáîðóäîâàíèå
îáåñïå÷èâàþùåå
ïðîâåäåíèå ÍÈÐ:
ðóá.
Ðàñ÷åò
çàòðàò íà èçãîòîâëåíèå
áàçîâîãî èçäåëèÿ
ïðèâåäåí â òàáë.
5.3:
Òàáëèöà
5.3 Ðàñõîäû íà èçãîòîâëåíèå
áàçîâîãî èçäåëèÿ
è ñåáåñòîèìîñòü
áàçîâîãî èçäåëèÿ
|
çàòðàòû
íà îñíîâíóþ,
äîïîëíèòåëüíóþ
çàðàáîòíóþ ïëàòó,
ñîöèàëüíûå îò÷èñëåíèÿ
ñîñòàâëÿþò:
|
2028,75 ð.
|
|
çàòðàòû
íà ãàðàíòèéíîå
îáñëóæèâàíèå
|
1 230 ð.
|
|
îò÷èñëåíèÿ
íà ñïåöîáîðóäîâàíèå,
îò÷èñëåíèÿ íà
àìîðòèçàöèþ
îáîðóäîâàíèÿ,
íåîáõîäèìîãî
äëÿ ïðîâåäåíèÿ
ÍÈÐ
|
536,35 ð.
|
|
çàòðàòû
íà êîìïëåêòóþùèå
|
21 438,50 ð.
|
|
ñóììàðíûå
ðàñõîäû íà èçãîòîâëåíèå
áàçîâîãî èçäåëèÿ
ñîñòàâëÿþò
|
25 233,6 ð.
|
Ñåáåñòîèìîñòü
áàçîâîãî èçäåëèÿ
ðàâíÿåòñÿ ñóììå
ðàñõîäîâ íà ïðîåêòèðîâàíèå
è èçãîòîâëåíèå
(5.13)
ãäå ÐÏÐ - ðàñõîäû
íà ïðîåêòèðîâàíèå;
ÐÈÇ - ñóììàðíûå
ðàñõîäû íà èçãîòîâëåíèå
áàçîâîãî èçäåëèÿ.
ðóá.;
ÐÈÇ = 25233,6 Ïî ôîðìóëå
(5.13) íàéäåì ñåáåñòîèìîñòü:
ðóá.
5.2 Ðàñ÷¸ò çàòðàò
íà ïðîåêòèðîâàíèå
è íà èçãîòîâëåíèå
ìîäåðíèçèðîâàííîãî
èçäåëèÿ
Ðàñ÷¸ò
çàòðàò íà ïðîåêòèðîâàíèå
ïðè ìîäåðíèçàöèè
Çàòðàòû íà
ìîäåðíèçàöèþ
èçäåëèÿ âêëþ÷àþò
â ñåáÿ ðàñõîäû
íà îñíîâíóþ è
äîïîëíèòåëüíóþ
çàðàáîòíóþ ïëàòó
è îò÷èñëåíèÿ
íà ñîöèàëüíûå
íóæäû.
Îñíîâíàÿ
çàðàáîòíàÿ ïëàòà
íàõîäÿòñÿ ïî
ôîðìóëå (5.13):
(5.13)
ãäå
ÑÒ = 15,11 ðóá. - ÷àñîâàÿ
çàðàáîòíàÿ ïëàòà;
t1 = 7 - âðåìÿ, îòâîäèìîå
íà ÍÈÐ;= 8 ÷àñ - äëèòåëüíîñòü
ðàáî÷åãî äíÿ.
ðóá.
Äîïîëíèòåëüíàÿ
çàðàáîòíàÿ ïëàòà
íàõîäÿòñÿ ïî
ôîðìóëå (5.14):
(5.14)
ãäå
ÊÄ = 0,11 - êîýôôèöèåíò
äîïîëíèòåëüíîé
çàðàáîòíîé ïëàòû;
ÇÏÐîñí.
- îñíîâíàÿ çàðàáîòíàÿ
ïëàòà èíæåíåðà.
ðóá.
Îò÷èñëåíèÿ
íà ñîöèàëüíûå
íóæäû íàõîäÿòñÿ
ïî ôîðìóëå (5.15):
(5.15)
ãäå
Êñîö = 0,26 - êîýôôèöèåíò
îò÷èñëåíèé íà
ñîöèàëüíûå íóæäû.
ðóá.
Çàòðàòû
íà ìîäåðíèçàöèþ
íàõîäÿòñÿ ïî
ôîðìóëå (5.16):
(5.16)
ãäå
ÇÌÎÄîñí = 846,16 ðóá.
- îñíîâíàÿ çàðàáîòíàÿ
ïëàòà èíæåíåðà;
ÇÌÎÄäîï
= 93,08 ðóá. -äîïîëíèòåëüíàÿ
çàðàáîòíàÿ ïëàòà
èíæåíåðà;
ÎÎÒ×ñîö
= 244,2 ðóá. - îò÷èñëåíèÿ
íà ñîöèàëüíûå
íóæäû.
ðóá.
Ïðè
ýòîì çàòðàòû
íà ìîäåðíèçàöèþ
îäíîãî èçäåëèÿ
ñîñòàâëÿþò:
(5.17)
ãäå
n - ÷èñëî ìîäåðíèçèðîâàííûõ
ÑÀÓ.
ðóá.
Ðàñ÷åò
çàòðàò íà èçãîòîâëåíèå
ìîäåðíèçèðîâàííîãî
âàðèàíòà èçäåëèÿ
Çàòðàòû íà
èçãîòîâëåíèå
âêëþ÷àþò â ñåáÿ:
- çàòðàòû
íà çàðàáîòíóþ
ïëàòó (îñíîâíóþ
è äîïîëíèòåëüíóþ)
è îò÷èñëåíèÿ
íà ñîöèàëüíûå
íóæäû,
-ñòîèìîñòü
ìàòåðèàëîâ è
êîìïëåêòóþùèõ
èçäåëèé,
-àìîðòèçàöèþ
îáîðóäîâàíèÿ.
Îñíîâíàÿ çàðàáîòíàÿ
ïëàòà íàõîäÿòñÿ
ïî ôîðìóëå (5.17):
(5.17)
ãäå
ÑÒ = 15,11 - ÷àñîâàÿ
çàðàáîòíàÿ ïëàòà;
t1 = 6 äíåé - âðåìÿ,
îòâîäèìîå íà
èçãîòîâëåíèå
ñèñòåìû óïðàâëåíèÿ
ìîäåðíèçèðîâàííîãî
âàðèàíòà; n = 8
÷àñ - äëèòåëüíîñòü
ðàáî÷åãî äíÿ.
ðóá.
Äîïîëíèòåëüíàÿ
çàðàáîòíàÿ ïëàòà
íàõîäÿòñÿ ïî
ôîðìóëå (5.18):
(5.18)
ãäå
ÊÄ = 0,11 - êîýôôèöèåíò
äîïîëíèòåëüíîé
çàðàáîòíîé ïëàòû;
ÇÈÇ.
ÌÎÄ. îñí. - îñíîâíàÿ
çàðàáîòíàÿ ïëàòà
èíæåíåðà.
ðóá.
Îò÷èñëåíèÿ
íà ñîöèàëüíûå
íóæäû íàõîäÿòñÿ
ïî ôîðìóëå (5.19):
(5.19)
ãäå
Êñîö = 0,26 - êîýôôèöèåíò
îò÷èñëåíèé íà
ñîöèàëüíûå íóæäû.
ðóá.
Çàòðàòû
íà îñíîâíóþ, äîïîëíèòåëüíóþ
çàðàáîòíóþ ïëàòó
è ñîöèàëüíûå
îò÷èñëåíèÿ ïðè
èçãîòîâëåíèè
áàçîâîãî èçäåëèÿ
ñîñòàâëÿþò
(5.20)
ãäå
ÇÈÇ.ÌÎÄîñí = 725,28.
- îñíîâíàÿ çàðàáîòíàÿ
ïëàòà èíæåíåðà;
ÇÈÇ.ÌÎÄäîï
= 79,78 ðóá. -äîïîëíèòåëüíàÿ
çàðàáîòíàÿ ïëàòà
èíæåíåðà;
ÎÎÒ×ñîö
= 209,32 ðóá. - îò÷èñëåíèÿ
íà ñîöèàëüíûå
íóæäû.
ðóá.
Îñíîâíîé
ñîñòàâ êîìïëåêòóþùèõ
èçäåëèé â ìîäåðíèçèðîâàííîé
ñèñòåìå óïðàâëåíèÿ
îñòàëñÿ ïðåæíèì.
Áûëè çàìåíåíû
ñëåäóþùèå êîìïîíåíòû
ñèñòåìû óïðàâëåíèÿ:
.
ìèêðîñõåìû - îïåðàöèîííûå
óñèëèòåëè Ê553 ÓÄ2
â ÑÈÔÓ (3 øò) ñòîèìîñòüþ
10 ðóáëåé êàæäàÿ,
çàìåíåíû íà îïåðàöèîííûå
óñèëèòåëè Ê 574
ÓÄ1Á (3 øò) ñòîèìîñòüþ
20 ðóáëåé êàæäàÿ;
îïåðàöèîííûå
óñèëèòåëè Ê553 ÓÄ2
â ðåãóëÿòîðå (2 øò)
ñòîèìîñòüþ 10 ðóáëåé
êàæäàÿ, çàìåíåíû
íà îïåðàöèîííûå
óñèëèòåëè LM301AP (2
øò) ñòîèìîñòüþ
45 ðóáëåé êàæäàÿ.
.
äîáàâëåíû ðåçèñòîðû
íà 100 êÎì â êîëè÷åñòâå
7 øò, ñòîèìîñòüþ
2 ðóáëÿ êàæäûé; 3.
äîáàâëåíû êîíäåíñàòîðû
Ê50-16 700 ïÔ â êîëè÷åñòâå
3 øòóê, ñòîèìîñòüþ
8 ðóáëåé êàæäûé,
äîáàâëåíû êîíäåíñàòîðû
Ê50-16 300 ïÔ â êîëè÷åñòâå
2 øòóê, ñòîèìîñòüþ
5 ðóáëåé êàæäûé,
äîáàâëåí êîíäåíñàòîð
Ê30-24 1300 ïÔ â êîëè÷åñòâå
1 øòóêà, ñòîèìîñòüþ
4,5 ðóáëÿ.
Ñòîèìîñòü ìàòåðèàëîâ
èñïîëüçóåìûõ
ïðè èçãîòîâëåíèè
ïëàò óïðàâëåíèÿ,
ìîäåðíèçèðîâàííîãî
âàðèàíòà îñòàëàñü
òàêîé æå è ïðèâåä¸íà
â òàáë.5.2 (428 ðóá.).
Ñóììàðíàÿ
ñòîèìîñòü êîìïëåêòóþùèõ
èçäåëèé è ìàòåðèàëîâ
ìîäåðíèçèðîâàííîé
ÑÀÓ
ðóá. (5.21)
Ñïåöèàëüíîå
îáîðóäîâàíèå
Â
ïðîöåññå ìîäåðíèçàöèè
ñèñòåìû óïðàâëåíèÿ
èñïîëüçîâàëîñü
ìèíèìàëüíî íåîáõîäèìîå
îáîðóäîâàíèå,
òðåáóåìîå ïðè
ðó÷íîì èçãîòîâëåíèè
è ìîíòàæå ýëåêòðîííîé
ñèñòåìû óïðàâëåíèÿ.
Äàííîå
ñïåöîáîðóäîâàíèå
áûëî èñïîëüçîâàíî
â òå÷åíèå âðåìåíè
èçãîòîâëåíèÿ
ÑÀÓ t = 6 äíåé * 8 ÷àñîâ
= 48 ÷àñîâ. Ò.î., îò÷èñëåíèÿ
íà îáîðóäîâàíèå
ñîñòàâÿò
(5.22)
ãäå
V - íîðìà îò÷èñëåíèé;
W - ñòîèìîñòü
ñïåöèàëüíîãî
îáîðóäîâàíèÿ;
N - ãîäîâîé ôîíä
âðåìåíè.
Ñïåöèàëüíîå
îáîðóäîâàíèå
âêëþ÷àåò â ñåáÿ:
ïàÿëüíèê (90 ð.), ïàññàòèæè
(60 ð.), îòâåðòêà (14 ð.),
êóñà÷êè (60 ð.), çàæèìû
(10 ð.), ïðèáîð FLYKI - 110
(1300 ð.). Îòñþäà:
W = 1534 ð.;
V = 0,125; N = 2048 ÷àñîâ.
Ïî ôîðìóëå (5.11) íàéäåì
íîðìó îò÷èñëåíèé
íà ñïåöîáîðóäîâàíèå:
ðóá.
Â
ÍÈÐ áûëî èñïîëüçîâàíî
ñëåäóþùåå îáîðóäîâàíèå:
1
êîìïüþòåð
1 øò.
2
ïðèíòåð
1 øò.
Íîðìà àìîðòèçàöèè
íà êîìïüþòåð è
ïðèíòåð âû÷èñëÿþòñÿ
ïî ñëåäóþùåé
ôîðìóëå:
(5.23)
ãäå V - íîðìà àìîðòèçàöèîííûõ
îò÷èñëåíèé; Ê
- ñòîèìîñòü ïðèíòåðà
è êîìïüþòåðà;
N - ãîäîâîé ôîíä
âðåìåíè; t = 7 äíåé * 8 ÷àñîâ
= 56 ÷àñîâ - âðåìÿ
ÍÈÐ.
Ê =ÊÊÎÌ + ÊÏÐÈÍ
= 20000 + 4000 = 24000 ð.; V =
0,125; N = 2048 ÷àñîâ.
Ïî
ôîðìóëå (5.12) íàéäåì
íîðìó àìîðòèçàöèîííûõ
îò÷èñëåíèé íà
îáîðóäîâàíèå
îáåñïå÷èâàþùåå
ïðîâåäåíèå ÍÈÐ:
ðóá.
Ðàñ÷åò
çàòðàò íà èçãîòîâëåíèå
ìîäåðíèçèðîâàííîãî
èçäåëèÿ ïðèâåäåí
â òàáë. 5.4:
Òàáëèöà
5.4 Ðàñ÷åò çàòðàò
íà èçãîòîâëåíèå
áàçîâîãî èçäåëèÿ
|
çàòðàòû
íà îñíîâíóþ,
äîïîëíèòåëüíóþ
çàðàáîòíóþ ïëàòó,
ñîöèàëüíûå îò÷èñëåíèÿ
ñîñòàâëÿþò:
|
1014,38 + 2028,75 = 3043,13
ð.
|
|
çàòðàòû
íà ãàðàíòèéíîå
îáñëóæèâàíèå
|
1 230 ð.
|
|
îò÷èñëåíèÿ
íà ñïåöîáîðóäîâàíèå,
îò÷èñëåíèÿ íà
àìîðòèçàöèþ
îáîðóäîâàíèÿ,
íåîáõîäèìîãî
äëÿ ïðîâåäåíèÿ
ÍÈÐ
|
536,35 + 86,5 = 622,85 ð.
|
|
çàòðàòû
íà êîìïëåêòóþùèå
|
21621 ð.
|
|
ñóììàðíûå
ðàñõîäû íà èçãîòîâëåíèå
ìîäåðíèçèðîâàííîãî
èçäåëèÿ ñîñòàâëÿþò
|
26517 ð.
|
Ñåáåñòîèìîñòü
ìîäåðíèçèðîâàííîãî
èçäåëèÿ ðàâíÿåòñÿ
ñóììå ðàñõîäîâ
íà ïðîåêòèðîâàíèå
è èçãîòîâëåíèå:
(5.23)
ãäå
ÐÏÐ - ðàñõîäû íà
ïðîåêòèðîâàíèå;
ÐÈÇ - ñóììàðíûå
ðàñõîäû íà èçãîòîâëåíèå
ìîäåðíèçèðîâàííîãî
èçäåëèÿ.
ðóá.;
ÐÌÎÄ.ÈÇ = 26517 Ïî ôîðìóëå
(5.23) íàéäåì ñåáåñòîèìîñòü:
ðóá.
4.3 Ðàñ÷åò
ýêîíîìè÷åñêîé
ýôôåêòèâíîñòè
Âåëè÷èíà
ãîäîâîãî ýêîíîìè÷åñêîãî
ýôôåêòà (ÝÏÐ) â
ñôåðå ïðîèçâîäñòâà
ïðîäóêöèè ïîâûøåííîãî
êà÷åñòâà îïðåäåëÿåòñÿ
ïî ôîðìóëå (5.24):
(5.24)
ãäå
- çàòðàòû
íà ïðîåêòèðîâàíèå.
ðóá. (5.25)
- äîïîëíèòåëüíàÿ
ïðèáûëü, ïîëó÷åííàÿ
â ðåçóëüòàòå
îñâîåíèÿ, âûïóñêà
è ðåàëèçàöèè
ïðîäóêöèè ïîâûøåííîãî
êà÷åñòâà.
íàéäåì ïî
ôîðìóëå (5.26):
(5.26)
ãäå
N1, N2 - ñîîòâåòñòâåííî
ñðåäíåãîäîâîé
âûïóñê ðàíåå
îñâîåííîé ïðîäóêöèè
è ïðîäóêöèè ïîâûøåííîãî
êà÷åñòâà, ðóá.;
Ö1, Ö2 - ñîîòâåòñòâåííî
öåíû íà ðàíåå
îñâîåííóþ ïðîäóêöèþ
è ïðîäóêöèþ ïîâûøåííîãî
êà÷åñòâà, ðóá.;
ÑÌ, ÑÁ - ñîîòâåòñòâåííî
ñåáåñòîèìîñòü
ðàíåå îñâîåííîé
ïðîäóêöèè è ïðîäóêöèè
ïîâûøåííîãî
êà÷åñòâà, ðóá.;
ÇÒ - ñðåäíåãîäîâûå
çàòðàòû, ñâÿçàííûå
ñ òåõíè÷åñêîé
ïîäãîòîâêîé è
îñâîåíèåì â ïðîèçâîäñòâå,
ñåðòèôèêàöèåé
ïðîäóêöèè ïîâûøåííîãî
êà÷åñòâà, ðóá.
Çíà÷åíèÿ
ïàðàìåòðîâ ïðèâåäåíû
â òàáë. 5.5
Òàáëèöà
5.5
Çíà÷åíèÿ ïàðàìåòðîâ
îïðåäåëÿþùèõ
äîïîëíèòåëüíóþ
ïðèáûëü
|
ïàðàìåòðû
|
|
N1, òûñ.
ò.
|
N2, òûñ.ò.
|
ÖÌ, ðóá/ò
|
ÖÁ, ðóá/ò
|
ÑÌ, ðóá/ò
|
ÑÁ, ðóá/ò
|
ÇÒ, ðóá
|
|
64
|
64
|
8202
|
8200
|
7499
|
7498
|
0
|
ÅÍ - íîðìàòèâíûé
êîýôôèöèåíò
ýêîíîìè÷åñêîé
ýôôåêòèâíîñòè
êàïèòàëüíûõ
âëîæåíèé
(ÅÍ = 0,33). Çíà÷åíèÿ
ïàðàìåòðîâ èç
òàáë. 5.5 ïîäñòàâèì
â ôîðìóëó (5.24):
64000 ðóá.
Îòñþäà
ÝÏÐ íàéäåì ïî
ôîðìóëå (5.24):
ðóá.
Íàéäåì
êîýôôèöèåíò
ýêîíîìè÷åñêîé
ýôôåêòèâíîñòè
ïî ôîðìóëå (5.27)
(5.27)
ãäå
ÝÏÐ - âåëè÷èíà
ãîäîâîãî ýêîíîìè÷åñêîãî
ýôôåêòà â ñôåðå
ïðîèçâîäñòâà
ïðîäóêöèè;
- çàòðàòû
íà ïðîåêòèðîâàíèå.
Ñðîê
îêóïàåìîñòè
ïðè ýòîì ñîñòàâëÿåò:
äíÿ
Âûâîä:
ìîäåðíèçàöèÿ
ñèñòåìû óïðàâëåíèÿ
äîçàòîðîì - êîíâåéåðîì
óãîëüíîé øèõòû
ïðèíåñåò ÿâíûé
ýêîíîìè÷åñêèé
ýôôåêò, óëó÷øèò
ïîòðåáèòåëüñêèå
ñâîéñòâà êîêñà
è ïîâûñèò åãî
êîíêóðåíòîñïîñîáíîñòü.
ÇÀÊËÞ×ÅÍÈÅ
Ðåàëèè ñåãîäíÿøíåãî
äíÿ äèêòóþò òðåáîâàíèÿ
ïîñòîÿííîãî
ïîâûøåíèÿ êà÷åñòâà
ïðîäóêöèè, óëó÷øåíèÿ
òåõíîëîãèè ïðîèçâîäñòâà,
ýêîíîìèè ðåñóðñîâ.
Ïðè äîñòèæåíèè
âñåõ âûøåïîñòàâëåííûõ
çàäà÷, íåîáõîäèìî
îáåñïå÷èòü êîíêóðåíòîñïîñîáíóþ
öåíó òîâàðà íà
ðûíêå. ×òîáû ñíèçèòü
ðàñõîäû íà ïðîèçâîäñòâî
êîêñà è ïîâûñèòü
åãî êà÷åñòâî,
íåîáõîäèì êîìïëåêñ
ìåð, íàïðàâëåííûõ
íà ñîâåðøåíñòâîâàíèå
òåõíîëîãèè ïðîèçâîäñòâà
êîêñà, ðàçðàáîòêó
è ïðèìåíåíèå
áîëåå ñîâåðøåííûõ
òåõíîëîãè÷åñêèõ
ìàøèí.
Èçâåñòíî èç
ïðàêòèêè, ÷òî
ïðè ðàáîòå ìàøèí
íåêîòîðûõ òèïîâ
èõ ýëåêòðîïðèâîä
ìîæåò íàõîäèòüñÿ
â êðàéíå íåáëàãîïðèÿòíûõ
óñëîâèÿõ ýêñïëóàòàöèè.
Äîçàòîð óãëÿ â
êîêñîõèìè÷åñêîé
ïðîìûøëåííîñòè
âïîëíå ìîæíî
îòíåñòè ê òàêèì
ìàøèíàì. Ïðè äîçèðîâàííîé
ïîäà÷å óãëÿ îí
ìîæåò ñîçäàâàòü
âûñîêîäèíàìè÷íûé
ðåæèì ðàáîòû
ýëåêòðîïðèâîäà,
ïðèâîäÿùèé ê èíòåíñèâíîìó
óñòàëîìó èçíîñó
ìåõàíè÷åñêîé
÷àñòè ïðèâîäà
è ïîâûøåííîìó
òåïëîâîìó è âèáðîìåõàíè÷åñêîìó
èçíîñó èçîëÿöèè
îáìîòîê ýëåêòðîäâèãàòåëÿ.
 ñâÿçè ñ
ýòèì áûëà ïîñòàâëåíà
çàäà÷à ñîçäàíèÿ
ýëåêòðîïðèâîäîâ
äëÿ ìàøèí ïîäîáíîãî
òèïà ñ ëó÷øèìè
äèíàìè÷åñêèìè
õàðàêòåðèñòèêàìè.
 îòíîøåíèè ñèñòåìû
óïðàâëåíèÿ ýëåêòðîïðèâîäîì
ýòà çàäà÷à ñâîäèòñÿ
ê íàèáîëåå ýôôåêòèâíîìó
óïðàâëåíèþ ñîñòîÿíèåì
ýëåêòðîïðèâîäà,
ïðè êîòîðîì êîíãëîìåðàò
- äâèãàòåëü ïîñòîÿííîãî
òîêà íåçàâèñèìîãî
âîçáóæäåíèÿ
- óïðóãàÿ òðàíñìèññèÿ
- èñïîëíèòåëüíûé
îðãàí ðàáîòàþò
â íàèáîëåå ùàäÿùèõ
óñëîâèÿõ ýëåêòðè÷åñêîé
è ìåõàíè÷åñêîé
êîììóòàöèè, ÷òî
áëàãîïðèÿòíî
ñêàçûâàåòñÿ
íà èõ äîëãîâå÷íîñòè.
Êðîìå ýòîãî áûëà
ïîñòàâëåíà çàäà÷à
ïîëó÷åíèÿ áîëåå
âûñîêîãî êà÷åñòâà
ðåãóëèðîâàíèÿ,
êîòîðîå äîñòèãàåòñÿ
îïòèìàëüíûì
âûáîðîì ñîñòîÿíèÿ
ýëåêòðîïðèâîäà
â ðåæèìå òåõíîëîãè÷åñêîãî
îïòèìóìà. Â ñâîåì
äèïëîìíîì ïðîåêòå
ÿ ðåøèë ïîñòàâëåííûå
çàäà÷è ïóòåì
àíàëèçà ìåõàíè÷åñêèõ
è ýëåêòðîìåõàíè÷åñêèõ
ñâîéñòâ ýëåêòðîïðèâîäà
êîíâåéåðà - äîçàòîðà;
ïðîèçâåë ñèíòåç
ñèñòåìû àâòîìàòè÷åñêîãî
ðåãóëèðîâàíèÿ
ìåòîäîì ïîñëåäîâàòåëüíîé
êîððåêöèè ïðèìåíèòåëüíî
ê äâóõêàíàëüíîé
ñèñòåìå íåçàâèñèìîãî
ðåãóëèðîâàíèÿ
êîîðäèíàò. Ïîëó÷åííàÿ
â ðåçóëüòàòå
ñèíòåçà ñèñòåìà
äîñòàòî÷íî ïðîñòàÿ,
äåøåâàÿ, ïðîñòà
â ýêñïëóàòàöèè,
ïîëíîñòüþ óäîâëåòâîðÿåò
òðåáîâàíèÿì
ïîæàðî- è ýëåêòðîáåçîïàñíîñòè,
÷òî ÿâëÿåòñÿ îäíîé
èç âàæíåéøèõ
õàðàêòåðèñòèê
ñîâðåìåííîé
òåõíîëîãè÷åñêîé
óñòàíîâêè.
Äàííàÿ ðàáîòà
ïîñëóæèò áàçîé
ïðè äàëüíåéøåì
èññëåäîâàíèè
è óñîâåðøåíñòâîâàíèè
ýëåêòðîïðèâîäà
êîíâåéåðà - äîçàòîðà.
Ñïèñîê èñïîëüçóåìîé
ëèòåðàòóðû
1. Çàøêâàðà
Â.Ã. Ïîäãîòîâêà
óãëåé ê êîêñîâàíèþ.-Ì.:
Ìåòàëëóðãèÿ,
1981.-160ñ.
2. Èâàíîâ
Å.Á. Òåõíîëîãèÿ
ïðîèçâîäñòâà
êîêñà. -Êèåâ: Âèùà
øêîëà, 1976.-230ñ.
. Ëóàçîí
Ð. Êîêñ.-Ì.: «Ìåòàëëóðãèÿ»,
1975.-520ñ.
. Çåëåíñêèé
Î.Â. Ñïðàâî÷íèê
ïî ïðîåêòèðîâàíèþ
ëåíòî÷íûõ êîíâåéåðîâ.-Ì.:
Ãîðíàÿ ïðîìûøëåííîñòü,
1987.-360ñ.
. Íîìîãðàììû
êîíâåéåðà - äîçàòîðà
ÀÊÕÇ. Çàðèíñêàÿ
òèïîãðàôèÿ.
6. Èíòåðíåò-ñàéò
www.Altai-koks.ru
. Èíòåðíåò-ñàéò
www.elmash.ru
. Ðåäóêòîðû.
Êàòàëîã-ñïðàâî÷íèê.
Ì.: Òåõíèêà, 1997.-130ñ.
. Âåíòöåëü
Þ.À. Òåîðèÿ âåðîÿòíîñòåé.
Ì.- Âûñøàÿ øêîëà,
1989.-518ñ.
. Ïîëóïðîâîäíèêîâûå
ïðèáîðû. Äèîäû
âûïðÿìèòåëüíûå,
ñòàáèëèòðîíû,
òèðèñòîðû: Ñïðàâî÷íèê/
À.Á. Ãèòöåâè÷,
À.À. Çàéöåâ, Â.Â.
Ìîêðÿêîâ è äð. Ïîä
ðåä. À.Â. Ãîëîìåäîâà.
-Ì.: Ðàäèî è ñâÿçü,
1989. -528ñ.
. ×èëèêèí
Ì.Ã., Êëþ÷åâ Â.È.,
Ñàíäëåð À.Ñ. Òåîðèÿ
àâòîìàòèçèðîâàííîãî
ýëåêòðîïðèâîäà.-Ì.:
Ýíåðãèÿ, 1979.-616ñ.
. Ìàñòåð
êîêñîâîãî ïðîèçâîäñòâà.-
Ì.: Ìåòàëëóðãèÿ,
1994.-239ñ.
. Ïèñàðåâ
À.Ë., Äåòêèí Ë.Ï. Óïðàâëåíèå
òèðèñòîðíûìè
ïðåîáðàçîâàòåëÿìè
(ÑÈÔÓ).- Ì.: Ýíåðãèÿ,
1975.-263ñ.
. Áåëîâà
Ò. Þ. Ìåòîäè÷åñêèå
óêàçàíèÿ ê âûïîëíåíèþ
òåõíèêî-ýêîíîìè÷åñêèõ
ðàñ÷åòîâ â äèïëîìíûõ
ïðîåêòàõ íàó÷íî-èññëåäîâàòåëüñêîãî
õàðàêòåðà. ÀëòÃÒÓ
èì. È.È. Ïîëçóíîâà,
Áàðíàóë, 2005.-20ñ.
. Ðóäàêîâ
Â.Â. Ñèíòåç ýëåêòðîïðèâîäîâ
ñ ïîñëåäîâàòåëüíîé
êîððåêöèåé.- Ë.: Ýíåðãèÿ,
1972.-120ñ.
. Ôèøáåéí
Â.Ã. Ðàñ÷åò ñèñòåì
ïîä÷èíåííîãî
ðåãóëèðîâàíèÿ.-
Ì.: Ýíåðãèÿ, 1972.-136ñ.
. Ôðåð
Ô., ÎðòåíáóðãåðÔ.
Ââåäåíèå â ýëåêòðîííóþ
òåõíèêó ðåãóëèðîâàíèÿ.-
Ì.: Ýíåðãèÿ, 1973.-192ñ.
. Çèìèí
Å.Í., ßêîâëåâ Â.È.
Àâòîìàòè÷åñêîå
óïðàâëåíèå ýëåêòðîïðèâîäàìè.
Ì.- Âûñøàÿ øêîëà,
1979.-318ñ.
. Âîñòðèêîâ
À.Ñ. Òåîðèÿ àâòîìàòè÷åñêîãî
ðåãóëèðîâàíèÿ.
Ì.- Âûñøàÿ øêîëà,
2004.-365ñ.
. Âåøåíåâñêèé
Ñ.Í. Õàðàêòåðèñòèêè
äâèãàòåëåé â
ýëåêòðîïðèâîäå.-
Ì.: Ýíåðãèÿ, 1977.-408ñ.
. Ïåðåäàòî÷íûå
ôóíêöèè ýëåêòðîïðèâîäà
ïîñòîÿííîãî
òîêà/ Èâàíîâ Ã.Ì.
è äð.//Ýëåêòðè÷åñòâî.-
1972.- ¹3.- ñ.69-74.
. Ñèíòåç
îïòèìàëüíûõ
ïåðåäàòî÷íûõ
ôóíêöèé â ñèñòåìàõ
ïîä÷èíåííîãî
ðåãóëèðîâàíèÿ/
Êîíåâ Ä.À. è äð.//Ýëåêòðè÷åñòâî.-
1972.- ¹4.- ñ.12-16.
. Âûíóæäåííûå
êîëåáàíèÿ â âåíòèëüíûõ
ýëåêòðîïðèâîäàõ
ñ óïðóãèìè ìåõàíè÷åñêèìè
ñâÿçÿìè/ Ìàðãîëèí
Ø.Ì Ýëåêòðîòåõíèêà.-
1981.- ¹3.- ñ.11
. Òèðèñòîðíûå
ýëåêòðîïðèâîäû
ïîñòîÿííîãî
òîêà ñ óïðóãèì
çâåíîì â ìåõàíè÷åñêîé
÷àñòè/ Èâàíîâ
Ã.Ì.//Ýëåêòðîòåõíèêà.-
1980.- ¹7.- ñ.16-19.
. Äåìïôèðîâàíèå
êðóòèëüíûõ êîëåáàíèé
â ýëåêòðîïðèâîäå/
Èâàíîâ Ã.Ì., Áó÷åâà
È.Ë.//Ýëåêòðîòåõíèêà.-
1978.- ¹2.- ñ.26-28.
. Ýëåêòðîìåõàíè÷åñêèå
õàðàêòåðèñòèêè
ñèñòåì òèðèñòîðíûé
ïðåîáðàçîâàòåëü
- äâèãàòåëü ïîñòîÿííîãî
òîêà/ Êëèìîâ Â.Ï.//Ýëåêòðè÷åñòâî.-
1987.- ¹5.- ñ.43-47.
. Àíàëèç
ñèëîâûõ ñõåì
òèðèñòîðíûõ
ïðåîáðàçîâàòåëåé/Íàéäèñ
Â.À.//Ýëåêòðè÷åñòâî.-
1970.- ¹10.-ñ.29-34.
. Ñèíòåç
îïòèìàëüíûõ
óïðàâëåíèé äâóõìàññîâîé
ýëåêòðîìåõàíè÷åñêîé
ñèñòåìû/ Æèëÿêîâ
Â.È., Äðþ÷èí Â.Ã.//Ýëåêòðè÷åñòâî.-
1987.- ¹9.- ñ. 38-42.
. Áîðîâíèêîâ
Ì.À. Ðàñ÷åò óñòðîéñòâ
óïðåæäàþùåé êîððåêöèè
â ýëåêòðîïðèâîäàõ
ïîñòîÿííîãî
òîêà ïî ñòðóêòóðå
ïîä÷èíåííîãî
ðåãóëèðîâàíèÿ.-
Èçâ. Âóçîâ «Ýëåêòðîìåõàíèêà»,
1982, ¹7.
. Áåñåêåðñêèé
Â.À., Ïîïîâ Å.Ï. Òåîðèÿ
ñèñòåì àâòîìàòè÷åñêîãî
ðåãóëèðîâàíèÿ.-
Ì.: Íàóêà, 1975.-768ñ.
. Ìååðîâ
Ì.Â. Îñíîâû àâòîìàòè÷åñêîãî
ðåãóëèðîâàíèÿ
ýëåêòðè÷åñêèõ
ìàøèí.- Ì.: Íàóêà,
1958.-347ñ.
. Êóçîâêîâ
Í.Ò. Òåîðèÿ àâòîìàòè÷åñêîãî
ðåãóëèðîâàíèÿ,
îñíîâàííàÿ íà
÷àñòîòíûõ ìåòîäàõ.-
Ì.: Îáîðîíãèç,
1962.-435ñ.
. Ïèñìåííûé
Ä.Í. Âûñøàÿ ìàòåìàòèêà.-Ì.:-
Àéðèñ ïðåññ,
2004.- 288ñ.
. Ãóñàê
À.À. Âûñøàÿ ìàòåìàòèêà.-
Ìèíñê: Òåòðà ñèñòåìñ,2001.-
448ñ.
. Áàøàðèí
À.Â. Ïðèìåðû ðàñ÷åòîâ
àâòîìàòèçèðîâàííîãî
ýëåêòðîïðèâîäà.-
Ë.: Ýíåðãèÿ, 1973.-420ñ.
. Áàøàðèí
À.Â. Óïðàâëåíèå
ýëåêòðîïðèâîäàìè.-
Ì.: Ýíåðãèÿ, 1978.-315ñ.
. Ãîðäèí
Å.Ì. Àâòîìàòè÷åñêîå
ðåãóëèðîâàíèå.-
Ì.: Ýíåðãèÿ, 1984.-310ñ.
. Ñìèò
Î. Àâòîìàòè÷åñêîå
ðåãóëèðîâàíèå.-
Ì.: Ýíåðãèÿ, 1971.-513ñ.
. Ðåøìèí
Á.È., ßìïîëüñêèé
Ô.Þ. Ïðîåêòèðîâàíèå
è íàëàäêà ñèñòåì
ïîä÷èíåííîãî
ðåãóëèðîâàíèÿ.-
Ì.: Ýíåðãèÿ, 1980.-306ñ.
. Ëåíê
Äæ. Ðóêîâîäñòâî
äëÿ ïîëüçîâàòåëåé
ÎÓ.- Ì.: Ýíåðãèÿ,
1987.-365ñ.
Ðàçìåùåíî
íà Allbest.ru