Проектирование промышленных ультразвуковых автоматизированных дефектоскопов
Проектирование
промышленных ультразвуковых автоматизированных дефектоскопов
Паврос С.К.,
Голубев А.С., Добротин Д.Д.
год
План
Введение
.
ВНУТРЕННИЕ ДЕФЕКТЫ ЛИСТОВ И ИХ МЕТРИКА ПРИ УЛЬТРАЗВУКОВОМ КОНТРОЛЕ
.1
Внутренние дефекты листов
.2
Метрика внутренних дефектов
.3
Акустическая модель протяженного расслоения
.
ОСНОВНЫЕ ХАРАКТЕРИСТИКИ ЛИСТОВЫХ ПРОМЫШЛЕННЫХ ДЕФЕКТОСКОПОВ И СПОСОБЫ ИХ
ОБЕСПЕЧЕНИЯ
.1
Максимальная реальная чувствительность контроля к величине раскрытия расслоения
.1.1
Влияние шероховатости поверхности листов при контроле теневыми методами
.1.2
Влияние шероховатости поверхности листов - при контроле эхо-сквозным методом
.1.3
Влияние шероховатости поверхности листов при контроле эхо-методом
.1.4
Влияние непланшетности листового проката при ультразвуковом контроле
.2
Минимальная толщина контролируемых листов
.2.1
Характеристики ультразвуковых импульсов
.2.2
Минимальная толщина листов, контролируемых методами прохождения
.2.3
"Мертвая" зона при контроле методами отражения
.3
Сканирование при автоматическом ультразвуковом контроле листового проката
.3.1
Факторы, ограничивающие скорость сканирования
.3.2
Механическое сканирование
.3.3
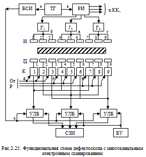
Многоканальное электронное сканирование
.
ОБЩАЯ КОМПОНОВКА ДЕФЕКТОСКОПА. ТИПОВЫЕ КОНСТРУКТИВНЫЕ РЕШЕНИЯ ОСНОВНЫХ
УСТРОЙСТВ
Список
литературы
Введение
Одними из важнейших задач на современном этапе
развития отечественной промышленности являются увеличение объемов и повышение
качества толстолистового проката - основного конструкционного материала
многоцелевого назначения.
Актуальность этих задач обусловлена, в первую
очередь, необходимостью всемерной экономии металла. В нашей стране листовой
прокат уже сейчас выпускается в больших количествах, однако потребности в нем
народного хозяйства все время увеличиваются. Беспредельно наращивать выпуск
металла по понятным причинам невозможно. Поэтому экономия металла вообще и
проката, в частности, является актуальнейшей задачей современности.
Повышение качества проката - один из главных
резервов экономии металла, так как это позволяет обеспечивать необходимую
надежность изделий при уменьшении их металлоемкости. Распространенный
недостаток листов - наличие в них внутренних дефектов, ослабляющих их
прочность. Поэтому в комплексном решении задачи повышения качества проката
значительное место отводится развитию дефектоскопии на металлургических
заводах. Дефектоскопия не только преграждает путь некачественной продукции к
потребителю; не менее важно и то, что она стимулирует совершенствование
технологии производства. В конечном счете, это - главное для повышения качества
выпускаемой продукции.
Организация неразрушающего контроля листового
проката в больших масштабах требует новых технических средств - промышленных
листовых высокопроизводительных автоматизированных дефектоскопов. В пособии
рассматриваются методики расчета оптимальных параметров ультразвуковых систем
автоматизированных средств контроля толстолистового проката, основанных на
использовании основных методов ультразвуковой дефектоскопии.
. ВНУТРЕННИЕ ДЕФЕКТЫ ЛИСТОВ И ИХ МЕТРИКА ПРИ
УЛЬТРАЗВУКОВОМ КОНТРОЛЕ
.1 Внутренние дефекты листов
Внутренними дефектами изделий называют
различного рода нарушения их сплошности, недопустимые по действующим ГОСТам и
техническим условиям на данную продукцию. Основными типами несплошностей, по
которым производится браковка листов, являются расслоения металла и скопления
неметаллических включений [1].
Расслоения - это вытянутые в направлении
прокатки плоскостные нарушения сплошности листа, расположенные приблизительно
параллельно его граням на разных уровнях по толщине. Они имеют литейное
происхождение, т.е. представляют собой раскатанные несплошности, встречающиеся
внутри слитков: усадочные раковины, газовые пузыри, неметаллические включения и
др. Наиболее распространены расслоения металла, заполненные неметаллическими
включениями. Обычно - это частицы шлака, попадающие в расплав при нарушении
технологии разливки металла. Значительная часть включений представляет собой
частицы разрушающегося в процессе плавки огнеупорного кирпича, которым выложены
изнутри плавильные агрегаты.
Расслоение характеризуется величиной его
раскрытия (толщиной прослойки включения) и площадью в плоскости листа. Наиболее
грубые расслоения, вызванные неметаллическими включениями, могут иметь
раскрытие порядка сотен микрометров и площадь в несколько сотен квадратных
сантиметров и более. Характер несплошности металла по площади расслоения
неодинаков (рис.1.1,а). Небольшие участки на шлифе выглядят как довольно ровные
прослойки вещества включения (рис.1.1,6). Периферийная часть таких расслоений,
а также отдельные небольшие сильнодеформированные частицы хрупких фракций
включений образуют строчечные включения (более или менее разреженный слой
мелких частиц, расположенных приблизительно в одной плоскости). На шлифе они
выглядят как строчки мелких включений (рис.1.1,в). Крупные включения приводят к
появлению в листах весьма грубых несплошностей в виде многослойных расслоений,
сопровождаемых большим числом многострочечных и одиночных мелких включений
(рис.1.2). Своеобразным типом грубых несплошностей стальных листов является
объемное засорение металла мелкодисперсными включениями, распределенными с
высокой плотностью либо по всему объему, либо в пределах некоторой зоны по
толщине листа.
Помимо рассмотренных макродефектов структуры
листов, которые видны на шлифе в отраженном свете невооруженным глазом, на
травленых шлифах под микроскопом даже при небольших увеличениях обнаруживаются
мелкие несплошности: рассеянные по объему металла микровключения, группы мелких
пор и отдельные поры размером до 0,5 мм микротрещины на границах зерен металла
и др. Как правило, в процессе промышленной дефектоскопии они не выявляются.
Поэтому при металлографическом исследовании образцов их можно обнаружить и в
"сплошном" металле.
В наибольшей степени загрязнены неметаллическими
включениями листы из конструкционной стали общего назначения, выплавляемой в
большегрузных сталеплавильных агрегатах при форсированных режимах.
Закономерности, описывающие распределения несплошностей по площади листов и по
их толщине, пока не установлены. Однако считается, что в плоскости листов
несплошности чаще встречаются в средней осевой зоне ближе к концу листа,
соответствующего донной части слитка. По толщине листа они обычно сосредоточены
также в средней части, равной приблизительно трети его толщины.
Большое количество мелких несплошностей,
встречающихся в упомянутом металле, и практическая невозможность избавиться от
них при существующей технологии вынуждают рассматривать такие несплошности как
неизбежные элементы структуры металла этих листов. В настоящее время принято
считать, что листы из конструкционной стали массового сортамента целесообразно
браковать только по грубым несплошностям. Но даже при этом введение неразрушающего
контроля позволяет существенно повысить качество проката, так как по характеру
обнаруживаемых дефектов металлурги определяют причины возникновения брака и
устраняют их. На производстве такой контроль часто осуществляют только для
корректировки технологического процесса. Тогда его называют технологическим
контролем.
Для получения более чистого металла,
предназначенного для ответственных конструкций, его выплавляют при особо
тщательном соблюдении технологии в плавильных агрегатах. Количество дефектов в
листах из такого металла резко сокращается, и к техническому состоянию проката
предъявляются повышенные требования. Поэтому оказывается необходимым браковать
листы по наличию в них отдельных сравнительно небольших несплошностей. Наиболее
чистый металл получают применением специальной технологии выплавки: вакуумным
дуговым и электрошлаковым переплавом и другими способами. Но эти процессы очень
энергоемки, соответствующее оборудование недостаточно производительно. Поэтому
прокат из такого металла выпускается в небольших количествах для изготовления
изделий особо ответственного назначения. Неразрушающий сдаточный контроль
такого проката все равно необходим, так как упомянутая специальная технология
уменьшает вероятность возникновения дефектов, но не исключает их полностью.
.2 Метрика внутренних дефектов
Впервые ультразвуковая дефектоскопия была
предложена в 1928 г. в нашей стране чл.-кор.АН проф.С.Я.Соколовым. Им были
также разработаны некоторые способы автоматизации процесса контроля и
осуществлены первые попытки дефектоскопии листовых материалов[2].
По ряду причин массовый сдаточный контроль
листов, к качеству которых предъявляются высокие требования, предпочтительно
осуществлять с использованием иммерсионного способа прозвучивания, при котором
акустический контакт ультразвуковых преобразователей с контролируемым листом
осуществляется через толстый слой иммерсионной жидкости. Прозвучивание
производят узким ультразвуковым пучком, формируемым пьезоэлектрическим
преобразователем, ориентированным нормально к поверхности листа. В каждом
положении преобразователей прозвучивается небольшой объем металла листа.
Приближенно его можно рассматривать как цилиндр, высота которого равна толщине
листа, а основание - сечению ультразвукового пучка. При соответствующем
перемещении пучка (в процессе сканирования листа) последовательно
прозвучивается весь объем металла.
В зависимости от соотношения диаметра
ультразвукового пучка и размеров несплошностей последние принято разделять на
два класса: протяженные и непротяженные. К протяженным несплошностям относят
те, которые могут полностью перекрывать пучок. При этом он взаимодействует с
ними как с бесконечно протяженными препятствиями. К непротяженным относят более
мелкие несплошности, которые не перекрывают пучок.
Выявляемость несплошностей при ультразвуковой
дефектоскопии принято оценивать реальной чувствительностью контроля. По [3] она
определяет минимальные размеры дефектов того или иного типов, уверенно
выявляемых в изделиях определенного вида. В листах расслоения характеризуются и
величиной раскрытия и размерами в плоскости листов. Поэтому применительно к
контролю листового проката следует использовать два понятия о реальной
чувствительности: по отношению к величине раскрытия расслоений и по отношению к
их размерам в плоскости листов.
Реальную чувствительность контроля по отношению
к величине раскрытия расслоений будем характеризовать минимальной величиной
раскрытия выявляемых с заданной достоверностью протяженных расслоений и
измерять ее в микрометрах.
Чтобы воспроизводить настройку дефектоскопа,
обеспечивающую в определенных условиях необходимую реальную чувствительность
контроля к величине раскрытия расслоений, используют понятие об условной
чувствительности контроля. При контроле листового проката ее задают амплитудой
регистрируемых сигналов, отсчитываемых в децибелах относительно начального
уровня отсчета [4, 5]. За начальный уровень отсчета принимают:
амплитуду первого донного или первого прошедшего
сигнала на участках листового проката, не содержащих несплошностей при контроле
всеми методами ультразвуковой дефектоскопии, кроме эхо-сквозного;
амплитуду первого эхо-сигнала от искусственного
плоскодонного отражателя диаметром Dэ контрольного образца при контроле
эхо-методом;
амплитуду первого прошедшего сигнала на
произвольном участке листа при контроле эхо-сквозным методом. Степень
пораженности металла листа регистрируемой несплошностью в направлении
прозвучивания определяется значениями задаваемой таким, способом
чувствительности контроля. Значения условной чувствительности контроля и их
обозначения приведены в табл.1.1*).
Степень пораженности металла несплошностями в
плоскости листов по [4, 5] характеризуется показателями, связанными с понятием
об условной, площади несплошности: площади участка листа, ограниченного
условной границей несплошности. Условной границей называется геометрическое
место положений центра преобразователя дефектоскопа в процессе сканирования
листа, в которых амплитуда регистрируемого сигнала достигает величины,
соответствующей заданной чувствительности контроля.
*)В табл.1.1 и далее по тексту условная
чувствительность контроля в соответствии с принятой в ГОСТ 22727-88 и ГОСТ
28831-90 терминологией называется просто чувствительностью контроля, в отличие
от реальной чувствительности.
Таблица I.I
Значения чувствительности контроля
толстолистового проката по ГОСТ 22727-88 и ГОСТ 28831-90
|
Метод
контроля
|
Тип
волны
|
Величина
параметра
|
Условное
обозначение чувствительности
|
|
наименование
|
Обозна-
чение
|
|
номинальная
|
предельное
отклонение
|
|
|
Эхо
|
Э
|
Продольная
|
24
|
±2
|
А24Э
|
|
|
поперечная
|
16
|
±2
|
А16Э
|
|
|
|
8
|
±2
|
А8Э
|
|
Эхо-сквозной
|
ЭС
|
продольная
|
24
|
±2
|
А24ЭС
|
|
|
|
20
|
±2
|
А20ЭС
|
|
|
|
16
|
±2
|
А16ЭС
|
|
|
|
12
|
±2
|
А12ЭС
|
|
|
|
8
|
±2
|
А8ЭС
|
|
Теневой
|
Т
|
Продольная,
|
20
|
±2
|
А20Т
|
|
|
поперечная
|
(16)
|
±2
|
А16Т
|
|
|
|
14
|
±2
|
А14Т
|
|
|
|
(12)
|
±2
|
А12Т
|
|
|
|
(10)
|
±2
|
А10Т
|
|
|
|
8
|
±2
|
А8Т
|
|
Многократно-теневой
|
МТ
|
Продольная,
поперечная
|
16
|
±2
|
А16МТ
|
|
|
|
12
|
±2
|
А12МТ
|
|
|
|
|
±2
|
А8МТ
|
|
Зеркально-теневой
|
ЗТ
|
Продольная,
поперечная
|
20
|
±2
|
А20ЗТ
|
|
|
|
14
|
±2
|
А14ЗТ
|
|
|
|
8
|
±2
|
А8ЗТ
|
Для оценки качества листов по результатам
ультразвукового контроля ГОСТ 22727-88 предусматривает следующие показатели:
условный размер L - максимальное расстояние
между двумя точками, расположенными на условной границе несплошности;
условную площадь минимальной учитываемой
несплошности S1. Несплошности, имеющие условную площадь S< S1, не
учитываются;
словную площадь максимальной допустимой
несплошности S2. Несплошности, имеющие условную площадь S>S2, считаются
дефектами. Наличие в листе хотя бы одного такого дефекта является браковочным
признаком;
условную площадь максимально допустимой зоны
несплошности S3;
относительную условную площадь всех учитываемых
при контроле несплошностей, находящихся на любом квадратном участке листа
площадью 1 м2, стороны которого ориентированы параллельно сторонам листа, или
по всей площади листа, S, %. Если суммарная площадь всех учитываемых
несплошностей превышает заданное значение, то это является браковочным
признаком. Значения упомянутых показателей при контроле приведёны в табл.1.2.
Таблица 1.2
Показатели сплошности толстолистового проката
|
Класс
сплош- ности
|
условное
обозначение Чувствитель-ности
|
Показатели
сплошности
|
|
|
|
S1,
см2
|
S2,
см2
|
S3,
см2
|
S,
%
|
|
|
|
|
|
|
|
на
1м2, не более
|
на
площадь единицы листового проката, не более
|
L,мм
|
|
01
|
по
с о г л а ш е н и ю изготовителя с потребителем
|
|
0
|
А24Э
А24ЭС+А20Т Д3Э
|
5
|
20
|
1,0
|
1,0
|
0,3
|
30
для листов толщиной до 60мм, 50 для листов толщиной >60мм
|
|
I
|
А16Э
А16ЭС+А20Т Д5Э
|
10
20
|
50
|
2,0
|
.
2,0
|
0,5
|
50
|
|
2
|
А8Э,
Д8Э А8ЭС+А20Т А8МТ2+А20Т
|
20
|
100
|
2,0
|
3,0
|
1,0
|
100
|
|
3
|
А14Т,
Д8Э
|
50
|
250
|
-
|
5,0
|
2,0
|
200
|
Таким образом, чтобы оценить сплошность листов
по результатам ультразвукового контроля, необходимо, чтобы дефектоскоп
обнаруживал несплошности относительно небольшой площади, которые подлежат
учету. Иначе говоря, он должен обладать достаточной реальной чувствительностью
к размерам несплошностей в плоскости листов.
Реальную чувствительность контроля по отношению
к размерам расслоений в плоскости листов будем характеризовать минимальными
размерами выявляемых с заданной достоверностью протяженных расслоений. Эта
чувствительность определяется используемым шагом сканирования, о котором речь
пойдет далее.
.3 Акустическая модель протяженного расслоения
Рассмотренные несплошности металла листов имеют
разную структуру и поэтому неодинаково обнаруживаются ультразвуком. Грубые, несплошности
типа многослойных расслоений и объемных засорений металла неметаллическими
включениями значительно ослабляют ультразвуковые волны и поэтому легко
обнаруживаются теневым методом. Однострочечные разреженные неметаллические
включения, наоборот, обладают весьма высокой звукопрозрачностью. Их можно
обнаружить только эхо-методом при высокой чувствительности контроля. Чтобы
повысить реальную чувствительность контроля к таким расслоениям при наличии
помех, требуется оптимизация параметров акустического тракта дефектоскопа,
которую осуществляют расчетным путем с помощью акустической модели расслоения.
Наблюдаемые в эксперименте амплитудно-частотные
зависимости коэффициентов отражения и звукопрозрачности расслоений
удовлетворительно описываются моделью в виде плоскопараллельного слоя
инородного вещества. Для стационарного волнового процесса коэффициенты
звукопрозрачности и отражения такого слоя в зависимости от его волновой толщины
описываются формулами Рэлея[6]:
;
, (1.1)
где
;
и
- удельные акустические
сопротивления вещества слоя и металла листа.
Входящее в формулу значение
удельного акустического сопротивления вещества слоя находится из сопоставления
расчетных и экспериментальных данных [7]. При этом вполне удовлетворительное
совпадение характера зависимостей получается для волновых толщин слоя kpdp≤π/2, где kp
-волновое число для заполняющего расслоение вещества; dp - величина раскрытия
расслоения.
В области больших волновых толщин соответствие
пропадает. В частности, экспериментально не наблюдается максимум
звукопрозрачности, вытекающий из формулы Рэлея при kpdp = π
. Здесь дополнительно нужно учитывать импульсный характер используемых сигналов
и значительное поглощение ультразвука, реально существующее в заполняющем
расслоение веществе. Эти факторы, а также рассеяние волн на неровностях граней
расслоения, не учитываемое моделью, сглаживают резонансные явления. Учет данных
факторов восстанавливает соответствие расчетных и экспериментальных
зависимостей, однако аналитическое выражение для коэффициентов отражения и
звукопрозрачности в таком случае получается очень сложным. Поэтому для
оптимизации параметров акустического тракта дефектоскопов целесообразно
использовать экспериментальные зависимости коэффициентов звукопрозрачности и
отражения, которые удовлетворительно аппроксимируются выражениями:
2. ОСНОВНЫЕ ХАРАКТЕРИСТИКИ ЛИСТОВЫХ ПРОМЫШЛЕННЫХ
ДЕФЕКТОСКОПОВ И СПОСОБЫ ИХ ОБЕСПЕЧЕНИЯ
При проектировании дефектоскопа обеспечиваются
заданные значения его характеристик, из которых основными являются:
максимальная реальная чувствительность контроля
к величине раскрытия расслоения - характеризует способность дефектоскопа
обнаруживать в листах тонкие несплошности;
максимальная реальная чувствительность к
размерам расслоений в плоскости листов и точность регистрации условных размеров
несплошностей - характеризуют возможность принятия однозначного решения о
соответствии проконтролированного листа техническим условиям по ГОСТ 22727-88;
минимальная толщина контролируемых листов -
характеризует масштабы применимости дефектоскопа в листопрокатном производстве;
быстродействие (производительность) и надежность
дефектоскопа в эксплуатации - характеризуют возможность его применения в
производственном потоке.
Требуемые значения этих характеристик
обеспечиваются соответствующим выбором частоты ультразвука, размеров излучающих
и приемных датчиков, расстояния между ними, частоты посылок зондирующих
импульсов и шага сканирования при определенной скорости движения листа в
процессе контроля. Условия наилучшего обеспечения каждой из упомянутых
характеристик в отдельности в общем случае противоречат друг другу. Поэтому
задача проектирования состоит в нахождении оптимального варианта методом
последовательных приближений. При этом, как правило, в первую очередь
обеспечивается необходимая реальная чувствительность контроля.
2.1 Максимальная реальная чувствительность
контроля к величине раскрытия расслоения
Применению высокой условной чувствительности и,
следовательно, достижению высокой реальной чувствительности при контроле
теневым методам препятствует флуктуация амплитуд прошедших сигналов, которая
обусловлена рассеянием волн на неровностях поверхности листов. Если
регистрировать незначительное ослабление прошедших сигналов (использовать
высокую чувствительность контроля), то флуктуационные уменьшения амплитуд будут
фиксироваться как ложные дефекты, и контроль окажется практически невозможным.
Определенное ограничение на применение высокой
чувствительности контроля накладывается также неучитываемым ослаблением
сигналов при прохождении через изогнутые участки листов. По технологическим
причинам изготавливать идеально плоские листы невозможно. Если плоскость листа
в месте прозвучивания не строго перпендикулярна оси датчиков, то ультразвуковой
пучок преломляется в сторону и принимаемый сигнал ослабляется даже в отсутствие
дефекта. В результате изогнутая часть листа может зафиксироваться как сплошь
дефектная. При этом истинное состояние ее внутренней структуры останется
неизвестным.
Такие несовершенства поверхности в значительной
степени сказываются при контроле относительно тонких листов теневым,
многократно-теневым, зеркально-теневым и эхо-сквозным методами. При контроле
листов эхо-методом реальная чувствительность может ограничиваться
реверберационными помехами, влияние которых весьма значительно в изделиях из
крупнозернистых материалов. Ограничивающим предельную чувствительность фактором
при использовании эхо-сквозного метода является регулярная акустическая помеха,
появляющаяся из-за трансформации звукового пучка на гранях листа.
Упомянутые факторы имеют различную физическую
сущность, поэтому рассмотрим их влияние на величину максимальной
чувствительности контроля по отдельности.
.1.1 Влияние шероховатости поверхности листов
при контроле теневыми методами
Толстолистовой прокат получают горячей (при
температуре около 800°С) прокаткой слитков и слябов на листопрокатных станах.
Особенностью получаемых таким способом листов является шероховатость их
поверхности, обусловленная различными факторами: наличием значительной
шероховатости исходных слитков и слябов; шероховатостью прокатных валков стана,
следами мелких частиц осыпавшейся окалины и многими другими факторами. Чем
толще лист, тем больше шероховатость его поверхности.
Тонкий слой плотной окалины, прочно приставший к
металлу, практически не препятствует прохождению ультразвука через лист. Такое
состояние поверхности обычно характерно для относительно тонких листов. В этом
случае, если в технических условиях на поставку листов обработка их поверхности
специально не предусмотрена, такие листы контролируют по черновой шероховатой
поверхности. Толстый слой рыхлой окалины, а также отслаивающаяся окалина
препятствуют прохождению ультразвука. Обычно это характерно для листов большой
толщины. Такие листы предварительно зачищают от окалины дробеструйной
обработкой или шлифовальными кругами по всей поверхности на специальных
станках. С этой же целью применяют также травление листов в кислоте. Однако
шероховатость при этом все равно остается. В первом случае - это следы,
оставляемые ударами металлической дроби; во втором - следы частиц абразива, из
которых состоят шлифовальные круги; в третьем - исходная шероховатость без учета
влияния окалины.
Таким образом, во всех случаях
приходится прозвучивать листы, на поверхности которых имеются более или менее
выраженные мелкомасштабные неровности того или иного типа. Далее пойдет речь о
контроле листов с необработанной черновой поверхностью. Шероховатость в этом
случае имеет случайный изотропный характер и достаточно полно описывается
гауссовским законом плотности вероятностей распределения высот неровностей. Для
выполнения необходимых расчетов достаточно характеризовать ее
среднеквадратичной высотой неровностей
и нормированной функцией корреляции
высот N(r) , которая определяет характер неровностей. Можно принять N(r)=exp|-α r|, где r -
расстояние между рассматриваемыми точками поверхности; α - параметр,
определяемый при аппроксимации найденной корреляционной зависимости, которая
получается путем соответствующего обсчета большого числа профилограмм
поверхности с последующим усреднением результатов.
При прохождении ультразвукового пучка от
излучателя 1 к приемнику 2 через лист 3 с неровными поверхностями возникает
рассеяние волн, которое приводит к дополнительному уменьшению амплитуды
прошедшего сигнала (рис.2.1). Поскольку рассеяние в разных точках листа неодинаково,
при сканировании листа наблюдается флуктуация амплитуд прошедших сигналов.
Характер изменения амплитуд показан на рис.2.1. Видно, что при уровне
регистрации U01 флуктуация вызывает ложные индикации 5 в бездефектной части
листа и пропуски 6 в регистрации действительных дефектов 4, что уменьшает
достоверность результатов контроля. Уровень регистрации можно понизить,
например, до величины U02, и тогда ложные регистрации исчезнут. Но при этом
рассматриваемое расслоение вообще не будет обнаружено. Можно будет выявлять
только более грубые несплошности, которые ослабляют сигналы в большей степени.
Максимально возможная чувствительность отвечает такому максимальному уровню
регистрации, при котором достоверность результатов можно еще считать
удовлетворительной.
Амплитуда прошедшего сигнала в процессе
сканирования листа является случайной функцией координат. Поэтому значение
уровня регистрации, отвечающего максимально возможной чувствительности
контроля, определяется с вероятностных позиций методами статистической теории
обнаружения [8]. Постановку этой задачи поясняет рис.2.2, где по оси абсцисс
отложена амплитуда сигналов, по оси ординат - плотность вероятности ее
распределения. Функция ω(U) отвечает
случаю прозвучивания бездефектного листа; ωD(U) - прозвучиванию
листа с расслоением, обладающим звукопрозрачностью Dp; m и mD.=m Dp -
математические ожидания амплитуд сигналов в обоих случаях. Если результаты
контроля в соседних точках прозвучивания можно считать некоррелированными,
количественно достоверность результатов контроля характеризуется допустимыми
значениями вероятностей перебраковки Рп и недобраковки Рн [10]. Анализ случая
коррелированных результатов контроля дан в [8].
Вероятность перебраковки
определяет
вероятность того, что в процессе контроля бездефектного листа, амплитуда
прошедших сигналов хотя бы в одной прозвучиваемой точке окажется ниже уровня
регистрации и произойдет ложная регистрация дефекта. В результате этого лист
может быть напрасно забракован, т.е. произойдет перебраковка.
Вероятность недобраковки
есть
вероятность того, что в процессе прозвучивания листа с расслоением, занимающим
всю его площадь, хотя бы в одной точке произойдет пропуск регистрации этого
расслоения. Конечно, на самом деле встречающиеся в листах несплошности обычно
невелики. Но если недопустимое расслоение (дефект) случайно окажется в том
месте листа, при прозвучивании которого амплитуда прошедшего сигнала случайно увеличится,
этот дефект может оказаться незарегистрированным. В результате произойдет
пропуск опасного дефекта - недобраковка.
Для определенного закона плотности
вероятности распределения амплитуд прошедших сигналов можно найти величину
максимальной звукопрозрачности Dpmax расслоения, которое будет регистрироваться
с заданной достоверностью. Для случая гауссовского распределения амплитуд
максимальная звукопрозрачность обнаруживаемого расслоения определяется простой
формулой [9,10]
, (2.1)
где КV - коэффициент вариации амплитуд, который
равен отношению среднеквадратичного отклонения амплитуд флюктуирующих сигналов
от их математического ожидания к значению математического ожидания амплитуд.
Формула справедлива при КV ≤ 0,2; коэффициенты .N1 и N2 находятся как
аргументы значений интеграла вероятности Фо, которые определяются
соотношениями:
Допустимые значения вероятностей перебраковки и
недобраковки выбираются исходя их практических требований к контролю. Величину
Рп следует выбрать такой, чтобы практически исключить ошибочную браковку
листов. Однако, если учитывать регистрации в отдельно взятых прозвучиваемых
точках, число которых очень велико, упомянутое требование можно обеспечить
только при весьма низкой чувствительности контроля. Чтобы практически исключить
ложную браковку листов при чувствительностях, предусмотренных ГОСТ 22727-88,
необходимо использовать принцип накопления информации. В этом случае
принимаются во внимание только совместные регистрации не менее чем в двух
соседних точках, результаты прозвучивания в которых не коррелированы. Опыт
показывает, что в этом случае для расчета максимально возможной
чувствительности контроля можно принять Р = 10-3...10-5 .
Выбором величины Рн обеспечивается необходимая
гарантия от пропуска опасных дефектов. При этом учитывается, что по перерыву
регистрации в двух соседних прозвучиваемых точках может быть пропущен только
относительно небольшой по площади дефект. Вероятность того, что он окажется в
месте перерыва регистрации, достаточно мала. Кроме того, необходимо учитывать
вероятность того, что в листе вообще будет дефект, которая также незначительна.
Поэтому допустимую величину вероятности недобраковки можно выбирать существенно
большей, чем вероятность перебраковки. Обычно принимают Рн=10-2, и считается,
что при этом обеспечивается практически полная гарантия от пропуска опасных
дефектов.
Рассчитанная по выражению (2.1) максимальная
звукопрозрачность расслоения, обнаруживаемого с вероятностью недобраковки
Рн=10-2, в функции от величины коэффициента вариации амплитуд прошедших
сигналов приведена на рис.2.3. Параметром кривых является вероятность
перебраковки Рп. Видно, что чем меньше коэффициент вариации амплитуд, тем более
звукопрозрачное расслоение можно обнаружить. Поэтому при проектировании
дефектоскопа необходимо принимать меры к снижению коэффициента вариации
амплитуд.
Выражение для коэффициента вариации амплитуд
прошедших сигналов получается"из расчета акустического тракта дефектоскопа
с учетом
рассеяния волн на неровностях поверхности
листов, имеющих случайный характер. Если излучающий и приемный датчики, имеют
одинаковый радиус a, то коэффициент вариации амплитуд может быть приближенно
рассчитан по формуле [10, 11]
где
и α - введенные
ранее характеристики шероховатости листов; k0 и kl - волновые числа продольных
волн в иммерсионной жидкости и материале листа. Формула (2.2) справедлива при
. Для случая
зеркально-теневого метода контроля и многократно теневого метода [l2]
соответствующие зависимости имеют вид:
где N - номер регистрируемого,
импульса. Результаты расчета по формулам (2.2) - (2.4) применительно к
стальному листу, прозвучиваемому в воде, приведены на рис.2.4 для теневого
метода (сплошные линии), зеркально-теневого (штриховые) и многократно-теневого
с N= 2 (штрихпунктирные). Параметром является произведение αа. Видно,
что при заданной шероховатости листов, характеризуемой величинами
и α, коэффициент
вариации амплитуд прошедших сигналов можно уменьшить увеличением радиуса
датчиков и применением пониженной частоты ультразвука. Как уже отмечалось, это
позволит, повысив уровень регистрации, выявлять более звукопрозрачные
расслоения.
Однако, имея в виду достижение
максимально возможной реальной чувствительности контроля, для решения задачи
необходимо дополнительно учесть частотную зависимость коэффициента
звукопрозрачности расслоения, которую будем определять аппроксимационной
формулой (1.1). С уменьшением частоты ультразвука звукопрозрачность расслоения
увеличивается, и при заданном уровне регистрации будут выявляться более грубые
расслоения. Иначе говоря, реальная чувствительность при этом снижается. В
результате для каждого значения радиуса датчиков проявляется некоторое
оптимальное значение частоты ультразвука, при котором достигается максимально
возможная реальная чувствительность контроля
. Для примера на рис.2.5 даны
результаты расчета по приведенной методике частотной зависимости
стальных
листов, контролируемых в воде. Параметрами кривых являются: на
рис.2.5,а-величина
/α, .мм2 ,
характеризующая свойства неровной поверхности; на рис.2.5,6 - радиус
преобразователей а, мм; на рис.2.5,в - вероятность перебраковки Рп, а на рис.2.5,г
- вероятность недобраковки Рн . Наглядно видно преимущество использования
преобразователей большого размера: во-первых, при это достигается большая
реальная чувствительность контроля и, во-вторых, при одном и том же значении
частоты ультразвука в этом случае обеспечивается почти одинаковая реальная
чувствительность контроля листов с разной степенью шероховатости.
Однако увеличению радиуса датчиков препятствует
необходимость обеспечения других требований к дефектоскопу, в частности
обеспечение малого влияния непланшетности листов.
.1.2 Влияние шероховатости поверхности листов - при
контроле эхо-сквозным методом
Контроль эхо-сквозным методом в соответствии с
ГОСТ 22727-88 осуществляют путем регистрации отношения амплитуды эхо-сигнала от
дефекта к амплитуде первого прошедшего через лист сигнала в данной точке
прозвучивания [13], причем алгоритм принятия решения должен удовлетворять
правилу:
- есть дефект;
- нет
дефекта,
где x и y - амплитуды первого
прошедшего через - лист сигнала и эхо-сигнала от дефекта; k - дополнительный
коэффициент усиления для эхо-импульса; р=exp(-δr) (δ -
коэффициент затухания ультразвука в материале изделия; r - разность хода
эхо-сигнала относительно первого прошедшего, импульса).
Этот алгоритм принятия решения можно
записать в более простом виде:
- есть дефект;
- нет дефекта.
Работа по такому алгоритму
реализована в установках ДУЭТ [I4] на основе порогового устройства
(компаратора), опорное напряжение которого пропорционально амплитуде первого
прошедшего импульса.
При прозвучивании листового проката
с шероховатыми поверхностями функции x, y, z являются случайными, что может
приводить к пропускам дефекта.
Вероятность такого события
.
Значение параметра
может быть
определено из соотношения (2.5):
по числовым характеристикам амплитуд
регистрируемых сигналов [10]. Опуская промежуточные преобразования [15], можно
получить, используя равенства (2.6),
,
где Kv - коэффициент вариации
амплитуды прошедшего сигнала, определяемый выражением (2.2);
.
Коэффициент
учитывает
отражение звука от шероховатой поверхности, а функции F определяют амплитуды
прошедших через лист сигналов и могут быть найдены по АРД диаграмме. В
частности, для толстых листов
, где
- отношение скоростей звука в
жидкости и металле.
Дополнительный коэффициент усиления
K используется в аппаратуре ДУЭТ для регулировки (настройки) чувствительности
контроля [l4]. Максимальное его значение при контроле стальных листов не
превышает 30 дБ.
Подставляя в выражение (2.7)
коэффициент отражения из соотношения (1.1), можно получить зависимость
минимальной величины раскрытия обнаруживаемого расслоения от частоты f
(рис.2.6). Параметром кривых на рис.2.6,а является величина
/α, мм2; на
рис,2.6,6- размер преобразователя а, мм; на рис.2.6,в - вероятность недобраковки
РН. Видно, что с ухудшением качества поверхности и увеличением толщины листа
реализуемая чувствительность контроля снижается, а оптимальная рабочая частота
смещается в область низких частот. С увеличением размера преобразователей
повышается чувствительность контроля, а оптимум сдвигается в область более
высоких частот.
.1.3 Влияние шероховатости поверхности листов
при контроле эхо-методом
Наибольшая чувствительность может быть
реализована при контроле эхо-методом листов с мелкозернистой структурой. При
прозвучивании изделий с гладкими поверхностями (рис.2.7) амплитуда донного
сигнала при отсутствии неоднородностей в металле не меняется по трассе
сканирования и равна UПЛ (1 - на рис.2.7). Шероховатость граней листов приведет
к флуктуации амплитуд сигналов, отраженных от дна изделия (U) и от дефекта (UД)
(2 - на рис.2.7).
Признаком наличия дефекта при контроле
эхо-методом является превышение амплитуды сигнала заданного порогового уровня в
заданном промежутке времени. Обычно при иммерсионном контроле этот промежуток
устанавливается между сигналами, отраженными от передней грани и дна изделия. В
соответствии с ГОСТ 22727-88 в зависимости от требуемой чувствительности
контроля пороговый уровень U0 выбирается в пропорции от среднего значения m(U)
амплитуды донного сигнала на бездефектном участке листа. При этом, еcли
амплитуда эхо-сигнала Uд, от дефекта окажется ниже этого порога, произойдет
надобраковка 3 (пропуск дефекта), вероятность которой
где ωD(U) - плотность
вероятности амплитуд сигналов, отраженных от полупрозрачной прослойки
раскрытием dp, моделирующей расслоение листового проката, а
(2.8)
Подставляя в выражение (2.8)
числовые значения амплитуд регистрируемых сигналов [16], получаем
(2.9)
где (U/Uд)пл - отношение амплитуд
эхо-сигналов от дна изделия и непрозрачного дефекта в случае гладких граней
листа. При этом анализ выражения (2.9) показывает, что при контроле листов с
гладкими поверхностями (Rд)min=μ.
Значение максимально реализуемой
чувствительности контроля с учетом выражений (2.9) и (1.1) можно получить в
виде
(2.10)
где cp - скорость ультразвука в
материале, заполняющем прослойку.
На рис.2.8 представлены результаты
расчета частотной зависимости минимального раскрытия расслоения,
обнаруживаемого при контроле эхо-методом при заданных параметрах акустического
тракта. С ростом значения параметра
/α, мм2, чувствительность ухудшается,
а минимум смещается в область более низких частот (рис.2.8,а). Повысить
чувствительность контроля при заданных параметрах неровной поверхности можно
(рис.2.8,б) путём увеличения размера пьезопреобразователя а, мм , и рабочей
частоты, а также допуская большие значения условной вероятности недобраковки РН
(рис.2.8,в).
При контроле листов из материала с
крупнозернистой структурой (аустенитные стали, сплавы на основе меди, титановые
сплавы и др.) основным фактором, ограничивающим чувствительность контроля,
являются реверберационные помехи, вызванные рассеянием ультразвука на зернах
материала. Наличие шероховатостей при этом приводит к дополнительному
ослаблению и рассеянию звука и снижению чувствительности контроля. Выбор
оптимальных параметров контроля таких листов должен осуществляться исходя из
статистических характеристик регистрируемых эхо-сигналов.
Обозначим через Up мгновенное
значение реверберационных шумов на входе дефектоскопа при отсутствии
шероховатостей на гранях листа. Известно, что закон их распределения -
гауссовский, с математическим ожиданием, равным нулю, а среднеквадратичным
значением
. Влияние
шероховатостей поверхности ввода ультразвука на реверберационные шумы учтем
случайным множителем y с числовыми характеристиками [17]
;
. Тогда
мгновенное значение реверберационной помехи при контроле изделий с шероховатой
поверхностью можно записать в виде
.
Поскольку рассеяние ультразвука на
зернах материала и неровностях поверхности изделия описываются разными
механизмам, то функции Up и y можно считать независимыми и
(2.11)
В первом приближении будем считать,
что шероховатость поверхности слабо влияет на закон распределения мгновенных
значений реверберационной помехи. Тогда огибающая сигнала Z1, проявляющаяся в
тракте низкой частоты распределена по закону Релея (рис.2.9). При превышении
значения огибающей порога срабатывания U0 регистрирующей системы происходит
перебраковка, вероятность которой
.
Это позволяет по заданному значению
перебраковки Рп и известному значению
определить требуемое значение
порогового уровня::

. (2.12)
При наличии в прокате дефекта эхо-сигнал от него
представляет собой аддитивную смесь реверберационных шумов z1 и отраженного
сигнала с учетом влияния шероховатостей z2=z1+UC. Учитывая независимость
складываемых сигналов, получаем
(2.13)
Распределение огибающей суммы
эхо-сигнала с постоянной амплитудой и реверберационных шумов подчиняется
обобщенному закону Релея. рассеяние звука на шероховатостях поверхности листов
приводит к флуктуации амплитуды эхо-сигнала от дефектов, что не меняет заметно
вид закона распределения. При условии
обобщенный закон Релея хорошо
аппроксимируется гауссовским. Тогда значение условной вероятности недобраковки
(рис.2.9)
,
где
, а
. (2.14)
Подставляя в выражение (2.14)
значения (2.11)-(2.13), после преобразований получаем
. (2.15)
Сравнивая выражения (2.15) и (1.1), можно
определить реализуемую в данных условиях чувствительность контроля. Для
проведения расчетов по выражению (2.15) необходимо знать нормированное к
амплитуде донного сигнала среднеквадратичное значение реверберационных шумов Up
на входе приемного тракта. В [I7] приведена методика экспериментального
исследования и результаты измерений на образце толщиной 150 мм из хромистой
бронзы (рис.2.10).
Результаты расчетов по (2.10)
максимально реализуемой чувствительности контроля листов из медных сплавов
представлены на рис.2.11. Параметром кривых на рис.2.11,а является
среднеквадратичная высота (
/α,), мм2,
шероховатостей поверхностей. Нижняя кривая, соответствующая гладкой
поверхности, дает максимальную чувствительность при заданном уровне
реверберационных помех; минимум на кривых определяет оптимальную рабочую
частоту. Параметром кривых на рис.2.11,б является размер преобразователя а, мм.
Видно, что увеличение диаметра не приводит к существенному увеличению
чувствительности контроля. На рис.2.11,в,г даны результаты расчетов
чувствительности контроля при различных значениях условных вероятностей
недобраковки РН и перебраковки РП, определяющих надежность контроля. Видно, что
при заданном значении реверберационных шумов оптимальная рабочая частота
практически не изменяется.
2.1.4 Влияние непланшетности листового проката
при ультразвуковом контроле
Характерным недостатком горячекатаного листового
проката является непланшетность (коробоватость и волнистость), т.е. отличие
геометрии его поверхностей от плоской. В ГОСТах на различные марки сталей
непланшетность задается в виде определенной величины прогиба (в миллиметрах) на
один погонный метр листа. Для листов обычного качества эта величина не
превышает 12 мм/м. В процессе прозвучивания такого криволинейного листа
ультразвуковой пучок, преломляясь на его поверхностях, отклоняется в сторону,
что приводит к уменьшению регистрируемых сигналов. В [l8] показано, что
величина прогиба листа толщиной Н может быть связана с углом перекоса β
относительно оси акустического тракта (рис.2.12,а).
Для определения амплитуды электрического
напряжения UП, снимаемого с приемного преобразователя при контроле листового
проката методом "многократной тени", можно представить потенциал
колебательной скорости частиц среды в звуковом пучке, создаваемом излучателем в
иммерсионной жидкости в виде разложения по плоским волнам [19]; перейти к
координатам, связанным с поверхностью листа, и переменным, характеризующим
направления распространения этих волн по отношению к осям z и x; ввести
коэффициенты прозрачности и отражения границ раздела по потенциалам и набег их
фазы в твердом теле и жидкости. Затем перейти к координатной системе, связанной
с плоскостью пьезоприемника, и усреднить по его площади нормальную компоненту
колебательной скорости [20]:
, (2.16)
где UГ - амплитуда электрического
напряжения, подаваемого на пьезопреобразователь в режиме излучения; LU -
коэффициент двойного электромеханического преобразования; SИ=πа2 - площадь
излучателя; а и b - радиусы преобразователей;
;
;
и
- коэффициенты прозрачности и
отражения границы раздела по энергии и по амплитуде потенциала соответственно;
N характеризует номер регистрируемого сигнала: N=1 соответствует первому
прошедшему импульсу, регистрируемому при контроле теневым методом; N=2
описывает амплитуду донного сигнала, регистрируемого при контроле
зеркально-теневым и эхо-методами контроля; N=3 соответствует амплитуде второго прошедшего
через изделие сигнала.
Для оценки ослабления амплитуд
регистрируемых сигналов, вызванных перекосом листа в акустическом тракте, можно
воспользоваться упрощенной по сравнению с выражением (2.16) формулой [18]:
, (2.17)
где
характеристика направленности
круглого преобразователя; γ - угол перекоса акустического
тракта, который для первого прошедшего сигнала изображен на рис.2.12,б. Углы
перекоса в (2.17) для теневого, зеркально-теневого и многократно-теневого
методов с регистрацией второго прошедшего импульса можно определить по
приближенным формулам:
;
;
, (2.18)
где
;
;
-
обобщенные расстояния в акустическом
тракте, приведенные к однородной среде (жидкости).
Если аппроксимировать кривую прогиба
листа отрезком окружности, то значению стрелы прогиба 12 мм отвечает
максимальное значение угла наклона βmax=3°. На рис.2.13 для этого
значения угла наклона приведено ослабление амплитуд прошедшего сигнала (кривые
1) и донного сигнала (кривые 2) в зависимости от волновых размеров
преобразователей. Сплошные кривые соответствуют параметру
; пунктирные
- γ=0.8.
Ослабление амплитуд регистрируемых сигналов при
теневых методах контроля при неизменном пороге регистрации U0 приводит к
перебраковке листового проката. Чтобы исключить ложное забракование, можно
снизить исходное значение порога регистрации. Однако при этом увеличится
вероятность недобраковки плоских участков листа и в результате реальная
чувствительность контроля по площади проката может оказаться существенно
неравномерной, что практически неприемлемо.
Параметры акустического тракта необходимо
выбирать такими, чтобы изменения амплитуды регистрируемых сигналов при контроле
непланшетного листа не превышали некоторого допустимого значения, например
1...2 дБ. Как видно из рис.2.13, это налагает ограничение сверху на волновой
размер используемых преобразователей. Уменьшению размера датчиков, как было показано
ранее, препятствует увеличение флуктуации амплитуд регистрируемых сигналов и
снижение реализуемой чувствительности контроля.
Контроль эхо-сквозным методом осуществляется
(см.2.1.2) путем регистрации отношения амплитуды эхо-сигнала от дефекта к амплитуде
первого прошедшего через лист сигнала. При наличии непланшетности оба сигнала
уменьшаются из-за отклонения ультразвукового пучка от оси акустического тракта,
причем в наибольшей степени уменьшается амплитуда эхо-сигнала от протяженного
дефекта, расположенного вблизи передней грани изделия. Поэтому влияние
непланшетности при контроле эхо-сквозным методам можно оценивать величиной
отношения
, (2.19)
где γ1 и γ3 даются
выражениями (2.18).
Результаты расчета по соотношению
(2.19) представлены на рис.2.14 в зависимости от тех же параметров, что и на
рис.2.13. Видно, что с увеличением волнового размера преобразователей величина
отношения сигналов падает, что приводит к недобраковке листов. Поэтому
рекомендуем параметры акустического тракта выбирать таким образом, чтобы для
всего диапазона толщин контролируемых эхо-сквозным методом листов это отношение
менялось незначительно (в пределах 1...2 дБ).
При контроле изделий эхо-методом с жестким
порогом регистрации, устанавливаемым пропорционально амплитуде донного сигнала
на бездефектном участке изделия, непланшетность проката приводит к уменьшению
эхо-сигналов от дефекта, а значит, и к увеличению вероятности недобраковки.
Наихудший случай соответствует протяженному дефекту, расположенному на
максимальной глубине. Относительное изменение амплитуды эхо-сигнала от такого
дефекта соответствует кривым 2 на рис.2.13.
.2 Минимальная толщина контролируемых листов
Минимальная толщина листов, которые могут
подвергаться контролю - важная техническая характеристика листового
дефектоскопа. В номенклатуре толстолистового проката листы толщиной 8...20 мм
по объему выпуска обычно занимают главное место. Поэтому возможность их
контроля значительно увеличивает количество дефектоскопируемого проката и,
соответственно, повышает технико-экономическую эффективность эксплуатации
дефектоскопа.
Возможность контроля тонких листов методами
прохождения и отражения при помощи объемных волн ограничивается длительностью
применяемых ультразвуковых импульсов.
.2.1 Характеристики ультразвуковых импульсов
В режиме излучения преобразователь
дефектоскопов обычно возбуждается однополярным электрическим импульсом,
длительность которого выбирается равной полупериоду свободных колебаний
пьезопластины. Формирование излучаемого при этом акустического импульса
иллюстрирует рис.2.15. Под действием возбуждающего импульса (рис.2.15,а) грани
пьезопластины излучают соответствующие полуволны во вне и внутрь пластины
(рис.2.15,б). Полуволна
, излученная
в акустическую нагрузку гранью II (рабочей гранью), формирует начальный
полупериод
акустического
импульса (рис.2.15,в). Полуволны
и -
, излученные гранями внутрь
пластины, претерпевают в ней многократные отражения между гранями
(рис.2.15,г,д). Каждый раз при взаимодействии с рабочей гранью они частично
проходят в акустический тракт и создают добавки:
- от грани I и
- от грани
II. В результате возникает акустический импульс
.
При упомянутом способе возбуждения
преобразователя в излученном импульсе амплитуда колебаний достигает максимума
всегда в течение первого периода колебаний. Затем она плавно спадает по
экспоненте в соответствии с затуханием свободных колебаний пьезопластины. Таким
образом, длительность импульса фактически определяют свободные колебания,
которые затухают, главным образом, вследствие излучения в акустическую нагрузку
и в демпфер. Нагрузка пьезопластины со стороны ее рабочей грани жестко
определена: это - иммерсионная жидкость с заданными акустическими свойствами.
Регулировать скорость спадания свободных колебаний можно при помощи демпфера
выбором значения его удельного акустического импеданса. Значение, достаточно
близкое к импедансу пьезопластины, обеспечивает повышенную звукопрозрачность тыльной
грани пьезопластины и, тем самым, быстрый спад амплитуды свободных колебаний за
счет эффективного отсоса энергии в демпфер.
Для характеристики длительности излучаемых
импульсов часто используют понятие акустической добротности преобразователя
,
где
;
-коэффициенты отражения от граней I
и II пьезопластины (zД, zП и zВ- удельные акустические импедансы для демпфера,
пьезопластины и иммерсионной жидкости - воды).Это понятие удобно тем, что
численное значение добротности равно числу периодов, в. течение которых
амплитуда свободных колебаний в импульсе убывает в eπ раз (до
уровня 0,043). Поэтому, зная добротность преобразователя, можно сразу
представить себе характер акустического сигнала, который он излучит при
возбуждении одиночным электрическим импульсом. Для иллюстрации огибающие
ультразвуковых импульсов, излучаемых в воду преобразователем при разной акустической
добротности (параметр кривых), приведены на рис.2.16.
Кривая 1 соответствует значению
добротности Q=15,6 (кварцевый недемпфированный излучатель); 2 - Q=5,2; 3 - 3,5;
4 - 2,5.
При приеме импульсы искажаются
дополнительно. Электрическое напряжение, которое приемный преобразователь
развивает на электрической нагрузке, например, на колебательном контуре,
настроенном на частоту принимаемой волны, определяется выражением
,
где S - площадь рабочей грани
пьезопластины; d- ее толщина; Rэ эквивалентное сопротивление контура на
резонансе; e -пьезопостоянная; ω - круговая частота; (
-
) - разность
смещений граней пьезопластины под действием принимаемой волны.
Таким образом, задача сводится к
нахождению величины (
-
), изменение
которой во времени определяет форму принятого сигнала. Ее можно рассчитать, в
принципеtтаким же способом, который применен ранее, воспользовавшись
линейностью системы и рассматривая каждый полупериод колебаний в. принимаемом
импульсе как одиночный импульс. Анализ работы преобразователя при приеме импульсных
сигналов в таком подходе приведен в [21]. Результаты расчета представлены на
рис.2.17 в виде номограммы. Приведенные на ней кривые - это огибающие
нормированных по амплитуде импульсов, излученных и принятых преобразователями с
одинаковой акустической добротностью (или одним и тем же совмещенным
преобразователем).
Расчет выполнен без учета влияния
электрической нагрузки на режим колебаний пьезопластины. Для кварцевых
преобразователей это влияние ничтожно мало. Для пьезокерамических, обладающих
большим коэффициентом электромеханической связи наличие согласованной
электрической нагрузки может заметно увеличивать затухание свободных колебаний
пьезопластины за счет более эффективного преобразования упругой энергии в
электрическую. Однако при наличии обычно применяемого сильного механического
демпфирования дополнительное электрическое демпфирование сказывается
незначительно и в первом приближении его можно не учитывать. При расчете с
помощью приведенной номограммы длительность зарегистрированного импульса
получится немного завышенной, что только улучшит надежность определения
минимальной толщины контролируемых листов.
Номограмма на рис.2.17 дает число N
периодов в импульсе при заданной акустической добротности Q преобразователей в
зависимости от уровня отсчета q (в децибелах) относительно максимального
значения амплитуды колебаний. Кривая 1 соответствует Q=3; 2-4; 3-5; 4-7; 5-10;
6-15,8 (для кварцевых недемпфированных преобразователей, нагруженных на воду).
Тогда действующая длительность импульса
,
где f0 - собственная (резонансная)
частота пьезопластины.
Таким образом, на длительность
регистрируемого импульса влияет не только степень демпфирования колебательной
системы преобразователей, характеризуемая здесь числом N периодов в импульсе,
но и частота колебании: чем выше частота, тем короче импульс при данном числе
периодов в нем. Более того, увеличение частоты предпочтительнее, чем
демпфирование. С увеличением частоты, т.е. при уменьшений толщины
пьезопластины, чувствительность преобразователя в режиме приема возрастает, а
при демпфировании, наоборот, снижается, так как амплитуда вырабатываемого
приемником сигнала пропорциональна акустической добротности. Поэтому укорочения
импульсов следует стараться достичь прежде всего путем повышения частоты
ультразвука, насколько это позволяет удовлетворение других требований к
дефектоскопу.
Дополнительное искажение принятых
сигналов может происходить также в электрическом приемно-усилительном тракте
дефектоскопа. В первую очередь, это касается входной цепи усилителя, к которой
подключен приемный преобразователь. В усилителях дефектоскопов в качестве
входной цепи, обычно применяется колебательный контур. Как любая колебательная
система, он обладает конечной полосой пропускания и может дополнительно
затягивать принятый импульс. Поэтому электрическая добротность контура должна
быть во всяком случае меньше акустической добротности преобразователей. Обычно
принимают Qэ=1. Для неискаженного усиления электрических импульсов усилитель также
должен обладать определенной полосой пропускания
где τ1 - длительность
импульса на входе усилителя, отсчитываемая на уровне -40 дБ. Необходимая полоса
обеспечивается обычными способами без особых затруднений и поэтому просто
указывается в требованиях к усилителю.
Возможность контроля листов методами
прохождения ограничивается влиянием стоячей волны, которая может
устанавливаться по толщине листа, если она соизмерима с протяженностью
ультразвукового импульса в металле. При наличии стоячей волны звукопрозрачность
листа становится зависящей от его толщины. Изготовить лист строго одинаковой
толщины по всей его площади по разным технологическим причинам невозможно.
Действующие стандарты ограничивают разнотолщинность, листов обычного качества
допуском 10%. Например, для листов номинальной толщины 10 мм он достигает
значения 1 мм, которое приблизительно равно половине длины волны в стали на
частоте 2,5 МГц. При сканировании такого листа амплитуда прошедших импульсов,
имеющих протяженность, достаточную для установления стоячей, волны, будет
претерпевать значительные изменения в отсутствие каких-либо внутренних
дефектов, и контроль листа методами прохождения окажется невозможным.
Чтобы не допустить образования
стоячей волны, нужно ограничить длительность τ зондирующих
импульсов условием
где Н - толщина листа; сl - скорость
звука в нем. Тогда к моменту возникновения стоячей волны действие импульса
прекратится, и стоячая волна установиться не сможет. К сожалению, это простое
условие применимо только к импульсам с прямоугольной огибающей, У реальных
зондирующих импульсов задний срез всегда затянут, длительность импульса зависит
от уровня отсчета, и анализ процесса установления стоячей волны более сложен.
Формирование в этом случае
прошедшего через лист сигнала иллюстрирует рис.2.18,а. Видно, что сигнал
складывается из ряда следующих друг за другом импульсов: первого прошедшего,
второго, третьего и т.д. Первый прошедший импульс соответствует прямому,
прохождению зондирующего импульса через лист. Если пренебречь дифракционным
расхождением ультразвукового пучка при распространении через лист и затуханием
ультразвука, что оправдано рассмотрением листов минимальной толщины, то
амплитуду первого прошедшего импульса можно записать как
, где ξИ -
амплитуда смещения в падающем на лист зондирующем импульсе; ΓГЛ -
коэффициент прозрачности грани листа по энергии, формально учитывающий
прохождение волны через обе грани последовательно. Второй прошедший импульс
соответствует импульсу, прошедшему через лист после двухкратного отражения
между его гранями:
, где RГЛ -
коэффициент отражения от грани листа по амплитуде. Третий импульс соответствует
четырехкратному отражению и т.д. На рис.2.18 для наглядности амплитуды
прошедших импульсов увеличены в ГГЛ раз.
Импульсы интерферируют друг с
другом, причем сдвиг фаз между ними зависит от толщины листа. Но поскольку
любой лист обладает разнотолщинностью, то при прозвучивании его разных участков
результат сложения импульсов из-за нестабильной разности фаз будет неодинаков,
т.е, амплитуда результирующего прошедшего импульса будет флуктуировать. На
рис.2.18,б,в показаны результирующие сигналы, соответствующие прохождению
зондирующего импульса через участки листа, толщина которых различается на
четверть длины волны, например
и λ. Видно, что
амплитуда сигнала при этом изменяется приблизительно в три раза, что делает
контроль такого листа практически невозможным.
Заметим, что стоячая волна
образуется в листе при сложении компонентов акустического сигнала. При приеме
суммарный сигнал искажается дополнительно. Практический интерес представляет
результирующий эффект, который получается на выходе усилителя дефектоскопа в
амплитудном дискриминаторе регистрирующего устройства, где амплитуда принятого
и усиленного сигналов сравнивается с выставленным порогом срабатывания.
Упомянутое двухкратное искажение сигналов формально можно учесть за один раз на
основе принципа суперпозиции, рассматривая сложение двухкратно искаженных
компонентов, составляющих эти сигналы. Тогда для оценки искажения можно
воспользоваться номограммой на рис.2.17, а изображения импульсов на рис.2.18
рассматривать как осциллограммы электрических сигналов.
Чтобы исключить нежелательную
интерференцию необходимо раздвинуть импульсы, т.е. увеличить толщину листа. В
частности, регистрация ложных дефектов будет отсутствовать, если второй
прошедший импульс будет приходить после того, как амплитуда колебаний в первом
достигнет максимального значения . Тогда ниже этого уровня амплитуда
результирующего сигнала не упадет даже при противофазном сложении компонентов
(как показано на рис.2.18,г). Однако при синфазном сложении она может
увеличиться (рис.2.18,д), и тогда может произойти пропуск дефекта.
Интерференция практически перестает
сказываться на достоверности результатов контроля при любом (синфазном или противофазном)
сложении компонентов, если второй прошедший импульс придет несколько позже -
через промежуток времени, приблизительно в 1,5 раза превышающий время
нарастания амплитуды колебаний в импульсе. Поэтому минимальная толщина листов,
подлежащих контролю методами прохождения, определяется из условия
,
где Nmax - число периодов колебаний
в результирующем (двухкратно искаженном) импульсе, в течение которых амплитуда
его колебаний нарастает до максимума.
.2.3 "Мертвая" зона при
контроле методами отражения
Возможность контроля тонких листов
методами отражения ограничивается возникновением в листах приповерхностной
"мертвой" зоны - прилегающего к передней грани листа слоя металла, в
котором дефекты не обнаруживаются. "Мертвая" зона обусловлена
конечной длительностью ультразвуковых импульсов: если дефект расположен в листе
близко к его грани, то эхо-импульс от дефекта маскируется задним срезом
предшествующего зарегистрированного импульса. Для определения "мертвой"
зоны действующая длительность маскирующего импульса оценивается на уровне,
равном уровню регистрации амплитуд эхо-импульсов от дефектов. Этот уровень
выставляется в дефектоскопе соответственно требуемой чувствительности контроля.
Поэтому чем выше чувствительность (ниже уровень регистрации), тем большей
получается длительность τ
маскирующего
импульса. В свою очередь, толщина h0 неконтролируемого слоя определяется через
величину τ
соотношением
(2.20)
Действующее значение длительности
маскирующего импульса находится по номограмме на рис.2.17 для определенного
уровня q отсчета, который задается, исходя из чувствительности контроля
применительно к конкретному методу отражения.
При контроле обычным эхо-методом с
прозвучиванием листов иммерсионным способом маскирующим является эхо-импульс от
передней грани листа. Возникновение в этом случае "мертвой" зоны
иллюстрирует рис.2.19, где 1 - зондирующий импульс; 2 - эхо-импульсы от
передней грани; 3 - эхо-импульс от дефекта в "мертвой" зоне; 4 -
эхо-импульс от регистрируемого, дефекта; 5 - 1-й донный импульс.
Чувствительность контроля листов эхо-методом рекомендуется задавать уровнем χ
регистрации
дефектов относительно амплитуды донного импульса. Поскольку здесь идет речь о
минимальной толщине листов (10…30 мм), дифракционным расхождением
ультразвукового пучка в листе можно пренебречь и считать, что в листе
распространяется плоская волна.
В таком приближении амплитуду UГР
эхо-импульса от передней грани листа, находящегося в иммерсионной жидкости -
воде, можно зализать как
, где k -
коэффициент пропорциональности;
- коэффициент отражения от грани,
по амплитуде; zМ - удельный акустический импеданс металла листа.
Предполагается, что стоячая волна по толщине листа не устанавливается.
Амплитуда эхо-импульса от дна
, где ГГЛ - коэффициент прозрачности
грани по энергии, формально учитывающей двухкратное прохождение импульса через
переднюю грань. Следовательно,
, и тогда порог U0 регистрации
дефектов, заданный относительно амплитуды донного импульса, можно представить в
виде
. В
результате, искомое значение уровня q, отсчета длительности маскирующего
импульса будет определяться из соотношения
.
Для найденного значения q по
номограмме на рис.2.17 определяется соответствующее число N периодов в
эхо-импульсе от передней грани, и для известной частоты f0 ультразвука
находится действующая длительность маскирующего импульса как
. Наконец,
по формуле (2.20) определяется величина "мертвой" зоны.
Минимальную толщину контролируемых листов
находят при условии, чтобы дефекты, подлежащие обнаружению, не попадали бы в
"мертвую" зону. Исходя из того, что внутренние дефекты в листах в
основном сосредоточены в слое, занимающем среднюю треть по толщине листа,
Правда, вероятностный закон
распределения дефектов по толщине листов пока не установлен. Поэтому оценить
вероятность недобраковки листов, которая может иметь место из-за того, что
некоторое число дефектов все-таки попадет в "мертвую" зону и не будет
обнаружено, не представляется возможным. Чтобы исключить пропуск опасных
дефектов, контроль листов можно осуществлять двухкратно с перекантовкой
(прозвучивать со стороны обеих граней).
Более тонкие листы удается
контролировать эхо-методом с регистрацией дефектов во временном интервале между
первым и вторым донными импульсами и эхо-сквозным методом. Особенности этих
методов в рассматриваемом аспекте иллюстрирует рис.2.20.В дополнение к уже
введенным на рис.2.19 обозначениям здесь 6 - второй донный импульс; 7 - пара
используемых информативных эхо-зеркальных импульсов от дефектов; 8, 9 - 1-й и
2-й прошедшие импульсы. Видно, что в первом случае маскирующим является первый
донный импульс; во втором - первый прошедший импульс.
Выигрыш, который дает применение этих методов,
по сравнению с обычным эхо-методом при иммерсионном прозвучивании листа,
обусловлен двумя факторами. Во-первых, эхо-зеркальные и эхо-сквозные импульсы
от дефекта всегда возникают попарно и регистрируются симметрично относительно
середины рабочего временного интервала. Поэтому, если для регистрации дефекта
использовать импульс, более удаленный от начала рабочего интервала,
"мертвая" зона может занимать половину его протяженности. Во-вторых,
при данных методах толщина неконтролируемого слоя сама по себе получается
существенно меньшей. Объясняется это тем, что маскирующие донный и прошедший
импульсы проходят через грань листа так же, как и эхо-импульсы от дефекта и,
соответственно, ослабляются в той же мере. При этом пороги регистрации при
таком варианте эхо-метода, устанавливаемые относительно первого донного
импульса, а при эхо-сквозном - относительно первого прошедшего импульса,
являются одновременно и уровнями отсчета длительности маскирующих импульсов.
Таким образом, при контроле
эхо-методом с регистрацией сигналов во втором временном интервале и
эхо-сквозным методом минимальная толщина листов, которые могут подвергаться
контролю, определяется как
, а протяженность
"мертвой" зоны - через длительность маскирующего импульса,
отсчитываемую на уровне q=χ.
2.3 Сканирование при автоматическом
ультразвуковом контроле листового проката
Быстродействие дефектоскопа,
оцениваемое временем, которое затрачивается на контроль листа определенных
размеров, является одной из важнейших эксплуатационных характеристик
дефектоскопа: она определяет возможность работы дефектоскопа в производственном
потоке в комплекте прокатного стана. Время контроля, в первую очередь, зависит
от реализуемой скорости сканирования, под которой понимают скорость
относительного перемещения преобразователей и изделия.
.3.1 Факторы, ограничивающие
скорость сканирования
Скорость перемещения
преобразователей в процессе сканирования листа при иммерсионном прозвучивании.
в принципе ограничивается многими факторами. Некоторые из них не имеют
практического значения и о них следует упомянуть только для логичности
изложения материала. К числу таких факторов относится, например, время
распространения ультразвукового сигнала в акустическом тракте дефектоскопа на
пути от излучателя до приемника. Если датчики перемещаются с большой скоростью,
то к моменту прихода сигнала к месту расположения приемника последний успеет
сместиться в сторону, что может привести к потере сигнала. Перемещению датчиков
с большой скоростью препятствует также возникновение в жидкости различных
гидродинамических эффектов, которые вызывают флуктуацию амплитуд прошедших
сигналов. С этими явлениями можно бороться применением специальных обтекателей.
В результате упомянутые факторы ограничивают максимальную скорость сканирования
значением порядка десятков метров в секунду. На практике по другим причинам
скорость сканирования приходится выбирать значительно меньшей.
В числе таких причин, в первую
очередь, следует упомянуть влияние частоты посылок зондирующих ультразвуковых
импульсов и шага сканирования. Значения этих параметров сканирования
непосредственно связаны со скоростью: за время между следующими друг за другом
посылками импульсов датчик должен пройти путь, равный шагу сканирования. В
частности, если шаг сканирования мал, то частота посылок не может быть больше
определенной величины. Последняя находится из условия, что очередная посылка
зондирующего импульса в этом случае может быть сделана только после того, как в
листе и в прослойках иммерсионной жидкости практически полностью затухнут
сигналы от предыдущей посылки. Иначе эти сигналы будут продолжать поступать на
приемник, находящийся в точке следующего прозвучивания, и затруднять
расшифровку его результатов. При заданном шаге сканирования ограничение на
частоту посылок налагает ограничение на скорость сканирования.
Влияние на допустимую скорость
сканирования шага и частоты посылок импульсов проявляется по-разному в
зависимости от способа сканирования. При автоматическом контроле листов
используется механическое и электронное сканирование. Возможны также и
комбинированные способы сканирования.
.3.2 Механическое сканирование
Механическое сканирование
обеспечивается возвратно-поступательным перемещением датчиков, например,
поперек листа, и применяется в основном при контроле эхо-методом. Одновременно
сканирование в продольном направлении обеспечивается либо поступательным
перемещением поперечного сканирующего устройства, либо перемещением
контролируемого листа. В обоих случаях сканирующий ультразвуковой пучок
движется относительно листа по траектории, близкой к синусоиде, как показано на
рис.2.21. Собственно сканирование в пределах рабочего хода Lраб х
осуществляется по приблизительно параллельным линиям [22].
Движение листа в продольном
направлении должно, быть строго согласовано с поперечным сканированием: за
время полного цикла поперечного движения пучка лист должен переместиться на
расстояние, равное шагу продольного сканирования. Поэтому для уменьшения
времени, затрачиваемого на контроль листа, скорость поперечного сканирования
должна быть максимально возможной. Однако практически достичь высокой скорости
перемещения преобразователей очень трудно. Ограничение здесь налагают не
упомянутые в 2.3.1 факторы, а причины чисто механического характера. Чтобы в
короткий промежуток времени затормозить, реверсировать и затем вновь разогнать
каретку с преобразователями в обратном направлении, требуется большая мощность
привода. Кроме того, осциллирующее перемещение каретки с высокой скоростью
приводит к сильной вибрации механизма. Чтобы ее уменьшить, всю конструкцию
пришлось бы выполнить очень массивной и, следовательно, громоздкой. Поэтому,
обычно, сканирующие механические устройства рассчитываются на скорость не более
0,5...1,0 м/с.
Полный цикл перемещения каретки с
преобразователями из одного крайнего положения в другое, кроме рабочего хода
включает также участки торможения и разгона. Время движения по этим участкам
является холостым (txx). Поэтому полное время tх цикла поперечного перемещения
датчика можно представить суммой:
где Vx - скорость сканирования по
ширине листа. Тогда время tк затрачиваемое на контроль листа, будет
где Ly- длина листа; Δy - шаг
сканирования в, продольном направлении. Очевидно, что для повышения
быстродействия дефектоскопа время холостого хода следует уменьшать. Оно зависит
от типа и мощности привода. Для приближенной оценки быстродействия дефектоскопа
можно считать, что в случае применения электропривода оно составляет 2...3 с на
цикл. Применением пневмопривода, который обладает существенно большей
"приемистостью" способностью эффективно преодолевать пиковую
нагрузку; - время холостого хода на цикл может быть сокращено до 1,5...2,0 с. В
среднем можно принять txx=2,0 с.
Например, время контроля листа
размером 3×12 м при
скорости сканирования в поперечном направлении 0,75 м/с и шаге сканирования по
длине листа 10 мм получается равным 2 ч. При этом скорость перемещения листа
0,1 м/мин. Это по крайней мере на два порядка меньше, чем требуется для работы
дефектоскопа в линии отделки листов толстолистового прокатного стана, где листы
движутся по рольгангу непрерывно со скоростью 20...30 м/мин.
Повысить пропускную способность дефектоскопа при
механическом сканировании можно путем прозвучивания листа не одной парой
преобразователей, а несколькими парами одновременно. Соответственно
увеличивается число каналов электроники, например число стандартных
дефектоскопов. Преобразователи устанавливаются в ряд на подвижной траверсе с
шагом, исключающем взаимодействие каналов. Однако необходимо иметь в виду, что
увеличение числа датчиков уменьшает лишь величину рабочего хода, а холостой ход
остается прежним или даже увеличивается из-за увеличения массы подвижной
системы. Поэтому выигрыш в быстродействии получается непропорциональным
увеличению числа каналов. Например, применительно к рассмотренному выше случаю
при постоянной длине холостого хода увеличение числа преобразователей с одного
до пяти (Lраб х=0,6 м) позволяет увеличить скорость движения листа в процессе
контроля до 0,2 м/мин, т.е. в два раза, а в случае применения 10
преобразователей (Lраб х=0,3 м) - всего до 0,25 м/мин. Поэтому делать рабочий
ход меньше 0,5 м просто нецелесообразно.
В связи с низким быстродействием дефектоскопы с
механическим сканированием применяются только вне производственного потока для
контроля единичных листов, из которых изготовляются ответственные изделия. В
этом случае важна не производительность, а объективность и высокая
достоверность результатов автоматизированного контроля, которые не обеспечить
при обычной ручной дефектоскопии.
Массовую дефектоскопию листов в производственном
потоке в настоящее время осуществляют многоканальными дефектоскопами с
неподвижной акустической системой. Преобразователи в ней расположены в ряд
поперек перемещающегося листа, как, например, показано на рис.2.22, т.е. в
таком дефектоскопе осуществляется только продольное механическое сканирование.
Все преобразователи работают одновременно, каждый со своим каналом электроники.
Поэтому в ряду они устанавливаются с шагом, исключающим их взаимодействие При
этом шаг сканирования в продольном направлении ограничивает только допустимая
частота посылок зондирующих импульсов. Она должна быть такой, чтобы к очередной
посылке многократно отраженные сигналы в слое иммерсионной жидкости успели бы
затухнуть до уровня ниже порога регистрации, определяемого заданной чувствительностью
контроля. Для оценки допустимой частоты следования можно воспользоваться
неравенством
(2.21)
в зависимости от используемой для
оценки чувствительности контроля модели отражателя (дисковый или плоскостной).
В выражении (2.21) SИ, SD - площади преобразователя и дискового отражателя; Rд
- коэффициент, отражения от плоскостного отражателя; L - толщина слоя
иммерсионной жидкости между преобразователем и изделием толщиной Н H*=Ln+H -
обобщенная толщина изделия; λ0 и λl , δ0 и δl - длины
волны ультразвука и коэффициенты затухания продольных волн в жидкости и
материале изделия; R1 и R2 -коэффициенты отражения (по амплитуде) от границы
раздела и преобразователя.
Решение трансцендентных уравнений
(2.21) относительно неизвестного параметра m позволяет определить максимальную
возможную частоту F следования импульсов:
.
Расчеты показывают, что в данном
случае можно применять скорость перемещения листа до 60 м/мин, что отвечает
всем возможным на практике требованиям.
Шаг размещения преобразователей в
поперечном направлении должен быть таким, чтобы амплитуда донного сигнала,
принимаемого ближайшим преобразователем, не превышала порога регистрации. Это
требует выполнения неравенства
,
где
- характеристика направленности
преобразователей радиусом а;
- величина ближней зоны
преобразователей; H*=Ln+H - обобщенная толщина листа; χ - отношение
порога регистрации к амплитуде донного сигнала на бездефектном участке. На
рис.2.23 представлены результаты расчета допустимого шага размещения
преобразователей
в
акустической системе в зависимости от чувствительности контроля. Параметром
кривых является относительная толщина контролируемых листов
. Видно, что
минимальный шаг размещения преобразователей отвечающий условию отсутствия
взаимодействия каналов существенно зависит от используемой чувствительности
контроля.
Плотность сканирования в поперечном
направлении можно повысить путем расположения преобразователей в шахматном
порядке, как это показано на рис.2.24. При этом независимость работы соседних
каналов обеспечивается размещением преобразователей на расстоянии Lmin друг от
друга. Однако это связано с увеличением числа преобразователей и,
соответственно, электронных каналов. В специфических условиях металлургического
производства электронные устройства вообще обладают пониженной надежностью.
Поэтому практически число каналов электроники выбирают не более 50...80. Тогда,
например, при контроле листов шириной 4000 мм, преобразователи приходится
расставлять с шагом 80...50 мм соответственно. Точность регистрации условных
размеров дефектов при этом получается очень низкой. Сканирование в поперечном
направлении с малым шагом обеспечивается применением многоканального
электронного сканирования.
2.3.3 Многоканальное электронное
сканирование
Электронным сканированием в
дефектоскопии условно называют сканирование ультразвуковым пучком, перемещение
которого достигается путем Коммутации преобразователей многоэлементной
неподвижной акустической системы с помощью электронных переключателей.
Применение электронного
сканирования, не связанного с механическим перемещением элементов акустической
- системы, снимает ряд ограничений, характерных для механического сканирования.
Во-первых, в этом случае можно применять предельное значение скорости
сканирования, которое при малом шаге определяется допустимым уровнем помехи от
предыдущей посылки зондирующего импульса. Во-вторых, при электронном
сканировании принципиально отсутствует "мертвый" ход, характерный для
механических сканирующих систем, совершающих возвратно-поступательное движение.
Это также существенно сокращает время сканирования, особенно при большом числе
электронных каналов. Наконец, отсутствие необходимости преодолевать инерцию
движущихся масс позволяет выбирать траекторию, сканирования в поперечном
направлении сколь угодно сложной. Например, при расположении преобразователей в
шахматном порядке (см. рис.2.24) их можно включать последовательно в
соответствии с номерами, указанными на рисунке. Тогда со стороны акустики
вообще не будет никаких ограничений ни скорость сканирования, так как
срабатывающие друг за другом датчики расположены на расстоянии, исключающем их
взаимодействие.
Однако при практическом
осуществлении идеи электронного сканирования возникают трудности иного плана,
из которых отметим две основные. Во-первых, технически трудно коммутировать
мощные короткие электрические импульсы, подаваемые на излучатели. Во-вторых, в
результате использования одного и того же электронного канала с разными
акустическими каналами вновь появляется ограничение на частоту посылки
зондирующих импульсов, теперь уже со стороны электроники, которая должна
успевать расшифровывать и регистрировать получаемую информацию от датчиков.
Эти трудности преодолеваются применением
нескольких одновременно работающих электродных каналов, к которым
преобразователи подключены постоянно. Чтобы уменьшить число электронных
каналов, преобразователи подключаются не по одиночке, а группами. Получается
довольно сложная система взаимодействующих электронных и акустических каналов,
обеспечивающая необходимые значения параметров сканирования. Эта система была
разработана в Санкт-Петербургском государственном электротехническом
университете и получила название многоканального электронного сканирования.
Рассмотрим работу устройства многоканального
электронного сканирования на примере его использования в 9-элементной
акустической системе теневого дефектоскопа с регистрацией результатов контроля
на дефектограмме. Упрощенная функциональная схема такого дефектоскопа приведена
на рис.2.25, а временные диаграммы сигналов - на рис.2.26.
Тактовый генератор ТГ вырабатывает
последовательность импульсов, определяющих частоту поочередного срабатывания
генераторов высокочастотных импульсов. Эти импульсы подаются на распределитель
импульсов РИ. С выходов распределителя поочередно запускаются генераторы
Г1...Г3. Каждый из генераторов возбуждает по три излучающих преобразователя.
Ультразвуковые импульсы от преобразователей проходят через водные задержки,
контролируемый лист и попадают на приемные преобразователи. После каждого
срабатывания генератора принимаемые сигналы попадают на три приемных
преобразователя. Принятые сигналы через коммутирующие каскада КК попадают на
вход трех усилительно-логических блоков УЛБ. При срабатывании первого
генератора к входу 1-го УЛБ подсоединяется Пр1, при срабатывании Г2 - Пр4 и
т.д. Соответственно к входу УЛБ2 подсоединяются Пр2, Пр5, Пр8 и т.д. В УЛБ
сигналы усиливаются, выделяются во времени временными селекторами, которые
управляются строб-импульсами и сравниваются с пороговым напряжением.
Строб-импульсы вырабатываются в блоке селектирующих импульсов БСИ, который, в
свою очередь, управляется сигналами ТГ. Пороговое напряжение вырабатывается в
блоке установки порогов БУП. Если амплитуда усиленного прошедшего через лист
импульса выше порога, сигнал на ходе УЛБ отсутствует, что соответствует
отсутствию дефекта в листе в данной точке контроля. Если амплитуда прошедшего
импульса ниже порога, на выходе УЛБ появляется сигнал, свидетельствующий о
наличии дефекта. На выходе УЛБ вырабатывается также специальный сигнал в случае
отсутствия листа между данной парой излучатель - приемник. Вся эта информация
вместе с информацией с РИ, показывающей, какой из генераторов срабатывает в
данном такте, подается в систему записи информации СЗИ.
На рис.2.27 приведена структурная схема УЛБ, а
на рис.2.28 - диаграмма сигналов в точках схемы в трех режимах. Сигналы с
выхода коммутирующего каскада КК поступают на вход основного усилителя ОУ. С
выхода последнего усиленные сигналы поступают на входы двух компараторов -
компаратора первого прошедшего импульса К1 и компаратора воды KВ.KВ срабатывает
в случае, когда листа между преобразователями нет, и на приемник приходит
импульс, прошедший только через воду, Такой импульс в случае контроля стальных
изделий примерно в 10 раз больше сигнала, прошедшего через бездефектный лист.
Чтобы не перегружать усилитель и полностью использовать его динамический диапазон,
сигнал на компаратор воды целесообразно подавать с дополнительного выхода ОУ,
по которому коэффициент усиления меньше, чем по основному каналу. При
срабатывании компаратора воды его выходной сигнал перебрасывает в единичное
состояние RS-триггер - триггер воды ТВ. Сигнал логической единицы на выходе ТВ
свидетельствует о том, что в данный момент между данной парой
излучатель-приемник контролируемый лист отсутствует. В исходное нулевое
состояние триггер устанавливается импульсом сброса одновременно с тактовым
импульсом.
С основного выхода ОУ сигнал поступает на вход
К1. На этот компаратор подается также строб-импульс из БСИ, примерно
соответствующий по времени возможному приходу первого прошедшего импульса. Сюда
же подается пороговое напряжение с БУП. Если пришедший импульс попадает в
стробированный промежуток и при этом его амплитуда превышает пороговый уровень,
компаратор вырабатывает импульсный сигнал. Этот сигнал устанавливает в
состояние логического нуля RS-триггер дефекта ТД. Предварительно (в момент
посылки) этот триггер сигналом сброса от БСИ устанавливается в единичное
состояние. Таким образом, нулевое состояние на выходе ТД является признаком
отсутствия дефекта, а единичное состояние на его выходе после момента прихода
первого прошедшего импульса - признаком наличия дефекта. Импульс прошедший
только через воду при отсутствии листа, не должен вызывать срабатывания K1, так
как он лежит за пределами строба. Чтобы при этом состояние ТД соответствовало
отсутствию дефекта, импульсы ТВ по дополнительному входу перебрасывают ТД в
нулевое состояние.
Значения уровней на выходах ТВ и ТД сами по себе
могут служить управляющими сигналами для системы регистрации. Однако часто
используется импульсная кодировка дефектоскопической информации. При этом
выходные сигналы ТД и ТВ подаются на первые входы схем И1 и И2. На второй вход
И1 подается из БСИ импульс опроса дефекта, на второй вход И2 - импульс опроса
воды. Выходы И1 и И2 объединяются по схеме ИЛИ. Импульсы опроса отличаются временем
прихода - опрос дефекта производится значительно раньше опроса воды. Таким
образом, на выходе УЛБ мы имеем одну из трех информаций: отсутствие сигнала,
когда в данной точке контроля имеется бездефектный участок листа; импульс,
пришедший в конце цикла, соответствующий информации об отсутствии листа;
импульс, пришедший примерно в середине цикла, соответствующий информации о
наличии дефекта. Для системы регистрации с токовой записью на носитель это
означает, что отсутствие листа отмечается малым временем записи, наличие
дефекта отличается большим временем записи, а бездефектному листу соответствует
отсутствие записи. При регистрации на токочувствительную бумагу типа ЭТБ-2
длительностью единичной записи определяется яркость точки. При этом
бездефектные участки листа отмечаются отсутствием записи, отсутствие листа -
полутоновой записью, наличие дефекта - яркой записью.
Бумага в записывающем устройстве движется
синхронно с движением листа через акустическую, систему. Синхронность
достигается применением сельсинной связи, которая на схеме не показана.
Сельсин-датчик приводится во вращение от привода рольганга, по которому
перемещается контролируемый лист; сельсин-приемник вращает механизм,
протягивающий бумагу через записывающее устройство. В результате на бумаге
получается растровое изображение всех обнаруженных в листе дефектов в плане -
дефектограмма листа.
Наличие дефектограммы очень важно для листов,
которые используются не целиком, а подлежат раскрою: лист можно раскроить так,
что все дефектные участки уйдут в отход. Если же листы идут в производство
целиком без раскроя и их качество оценивается по классам в соответствии с
ГОСТами [4, 5] то наличие дефектограммы также высоко ценится в производстве -
это объективный документ качества листа. Однако определение соответствия листа
техническим условиям по дефектограмме представляет весьма кропотливую работу:
необходимо обмерить и вычислить площадь всех обнаруженных несплошностей.
Естественно, что эту работу целесообразно поручать вычислительной технике.
Поэтому современные высокопроизводительные дефектоскопы часто снабжаются
специализированными ЭВМ и в результате процесс контроля полностью
автоматизируется.
В заключение оценим быстродействие реального
дефектоскопа многоканальным электронным сканированием, предназначенного,
например, для работы с толстолистовым станом "2800" - ширина
прокатных валков 2800 мм. Тогда ширину прозвучиваемого поля следует принять в
пределах 2800...2900 мм, т.е. с некоторым запасом, чтобы неточно уложенный на
рольганг лист не вышел из прозвучиваемого поля. Если принять шаг сканирования
по ширине с листа Δx=10 мм, то
потребуется акустическая система с 280…290 датчиками. В данном случае
целесообразно применить 12 УЛБ и 24 генератора (которые имеют меньше
элементов). Тогда число пар датчиков будет 288, которое и примем для расчета.
К каждому усилителю будет подключено по 24
приемных датчика; они должны принимать сигналы из соответствующих акустических
каналов поочередно: следующий акустический сигнал может быть задействован
только после того, как в отработавшем полностью затухнут сигналы. Ранее было
показано, что для этого требуется время порядка 10-3 с. Соответственно,
длительность такта примем равной 10-3 с. Тогда полный цикл поперечного
сканирования при выбранном числе каналов будет tП=24×10-3
с.
Следовательно, чтобы шаг продольного сканирования был равен 10 мм, лист должен
перемещаться со скоростью 25 м/мин, что достаточно, для работы в
производственном потоке толстолистового стана в линии отделки листов.
Быстродействие дефектоскопа можно значительно
увеличить применив, коммутацию приемных датчиков: с помощью электронных ключей
подключать к усилителю только тот датчик из группы, который работает в данном
такте. При этом можно не учитывать постепенное затухание сигнала в отработавшем
акустическом тракте, так как ключ их отсечет. Тогда длительность такта будет
определяться временем распространения сигнала в акустическом тракте
(приблизительно 100 мкс) и временем регистрации в основном длительностью записи
(приблизительно 300...400 мкс). Тогда период следования равен максимум 500 мкс,
т.е. скорость движения листа может быть доведена приблизительно до 50 м/мин.
Таким образом, многоканальное электронное
сканирование решает задачу требуемого быстродействия дефектоскопа при
относительно небольшом числе электронных каналов. Однако объем электроники в
этом случае получается все-таки значительным.
Следует отметить, что структурная схема,
приведенная на рис.2.25, полностью описывает и работу многоканального
дефектоскопа с использованием "многократной тени", а также
эхо-сквозного дефектоскопа. Отличие состоит только в УЛБ [14].
3. ОБЩАЯ КОМПОНОВКА ДЕФЕКТОСКОПА. ТИПОВЫЕ
КОНСТРУКТИВНЫЕ РЕШЕНИЯ ОСНОВНЫХ УСТРОЙСТВ
ультразвуковой контроль дефект лист
Любой промышленный листовой автоматизированный
дефектоскоп состоит из двух основных частей: акустомеханической системы и
электронной аппаратуры. Акустомеханическая система осуществляет автоматическое
прозвучивание контролируемого листа в соответствии с применяемой схемой
сканирования; электронная аппаратура управляет прозвучиванием, а также
расшифровывает и регистрирует получаемую информацию о состояний внутренней
структуры листа.
Акустомеханическая система включает в себя: а)
систему ультразвуковых датчиков совместно с механизмом продольного и
поперечного сканирования, если последние применяются в дефектоскопе; б)
локальную или погружную иммерсионную ванну, с помощью которой осуществляется
иммерсионный способ прозвучивания; в) механизм продольного сканирования - чаще
всего рольганг, по которому перемещается лист через дефектоскоп в процессе
контроля. Компоновка дефектоскопа из упомянутых устройств и выбор их
конструктивных решений определяется, главным образом, применяемыми в
дефектоскопе методом ультразвуковой дефектоскопии и схемой сканирования.
В случае контроля листов эхо-методом и
зеркально-теневым, когда акустический контакт с листом требуется только с одной
стороны, для осуществления контроля применяются стационарные иммерсионные
ванны; целесообразно применение локальной ванны. При этом габариты всего
устройства получаются минимальными и дефектоскоп легко вписывается в
действующий технологический поток в цехе. Пример конструкции акустомеханической
системы такого дефектоскопа с локальной ванной приведен на рис.3.1.
Контролируемый лист 1 с помощью роликов 2
рольганга перемещается относительно локальной иммерсионной ванны 3.
Ультразвуковые преобразователи 4 размещаются с определенным шагом на подвижной
траверсе 5, совершающей под действием пневмопривода 6 возвратно-поступательные
перемещения перпендикулярно движению листа. Вода в локальную ванну подается
через запорные вентили 7 и систему водовода 8.
В случае применения многоканального сканирования
акустическая система соответственно видоизменяется: поперечная траверса
выполняется неподвижной, а датчики равномерно размещаются на всю ширину листа с
необходимым шагом. При этом конструкция локальной иммерсионной ванны и
связанных с нею устройств не изменяются.
В связи с большим расходом воды водоснабжение
дефектоскопа осуществляется в замкнутом цикле. Для этого вытекающая из
локальной ванны вода собирается водосборником и через водопровод насосом
возвращается в ванну (на рис.3.1 эти элементы не показаны). Использование
водооборота также позволяет вводить в воду специальные добавки, улучшающие
смачиваемость поверхности листа (поверхностно-активные вещества, например,
ОП-7), что необходимо для создания с ним надежного акустического контакта. В
воду также добавляют ингибитор NaNO3, препятствующий коррозии металлических
конструкций и листа. Если бы вода сбрасывалась в канализационную сеть, то такая
возможность была бы исключена.
Для осуществления сквозного прозвучивания при
контроле теневым и эхо-сквозным методами листы обычно полностью погружайся в
воду: реализуется иммерсионный способ в прямом смысле этого термина.
Схематическая компоновка основных устройств дефектоскопа с погружной
иммерсионной ванной показана на рис.3.2. Изображен момент передачи листа 1 с
цехового рольганга 2 на выдвинутую в верхнее положение приемную секцию
рольганга 3 дефектоскопа. Затем приемная секция вместе с листом с помощью
гидравлического или механического приводов опускается в нижнее подводное
положение, где она стыкуется с неподвижной центральной секцией 4 рольганга. При
включении всего рольганга дефектоскопа лист перемещается под водой и проходит
через акустическую систему 5, которая состоит из соосных излучающих и приемных
датчиков, расположенных неподвижно поперек ванны. После прозвучивания лист
выносится рольгангом на сдаточную секцию 6. Последняя поднимает лист над водой,
откуда его снимают краном и укладывают в тот или иной штабель в соответствии с
результатами контроля. Подвал 7 под ванной используется для обслуживания нижней
акустической системы.
Для погружения в иммерсионную ванну относительно
тонких листов (до 60 мм) большой длины можно использовать непрерывный рольганг,
валки которого расположены по цепной линии. В результате этого лист изгибается,
проходя через край иммерсионной ванны, погружаётся в воду и горизонтально
проходит через акустическую систему.
Общий вид акустической системы, осуществляющей
прозвучивание листов с многоканальным электронным сканированием, изображен на
рис.3.3. Система состоит из двух металлических сварных коробов 1 и 2 - линеек,
на крышках которых установлены ультразвуковые преобразователи 3. Внутри линейки
с излучающими преобразователями выполнен их электрический монтаж и выходные
каскады высокочастотных генераторов. Внутри приемной линейки могут размещаться
входные цепи и предварительные усилители электронных каналов. Линейки скреплены
между собой посредством четырех колонок 4, обеспечивающих строгую соосность
излучающих и приемных датчиков. Отверстия 5 используются для крепления
уплотняющей резиновой манжеты.
Сочленение акустической системы 1, 2 с корпусом
иммерсионной ванны 3 схематически показано на рис.3.4. Здесь важно отметить,
что акустическая система устанавливается на отдельном фундаменте 4 и связана с
корпусом ванны через резиновую манжету 5. Это необходимо, чтобы уменьшить
передачу на датчики 6 вибрации ванны, которая возникает в процессе перемещения
листа 7 по установленному в ней рольгангу 8.
Электронная аппаратура дефектоскопа размещается
в специальном аппаратном помещении, расположенном рядом с ванной вблизи
акустической системы, и соединяется с ней системой кабелей.
Недостатком применения погружной иммерсионной
ванны являются ее большие габариты. Длина ванны должна, по крайней мере, вдвое
предавать максимальную длину контролируемых листов: 10…15 м. Практически она
получается еще больше. Такое громоздкое сооружение трудно вписать в действующий
производственный поток. Поэтому листовые дефектоскопы с погружной иммерсионной
ванной обычно устанавливаются отдельно в той части цеха, где есть место.
Естественно, это усложняет транспортные коммуникации в цехе и уменьшает
реальную пропускную способность дефектоскопа.
Зато иммерсионные дефектоскопы с погружной
ванной очень надежны в эксплуатации. В настоящее время в отечественной
металлургической промышленности с их помощью дефектоскопируется _значительная
часть толстолистового проката. Это теневые установки УЗУЛ [23]; установки УДЛ
[24], реализующие многократнотеневой метод; ДУЭТ [I4], в которых одновременно
используются теневой и эхо-сквозной методы ультразвуковой дефектоскопии, а
также УЗУП [25] с одновременным использованием зеркально-теневого и эхо-метода
с регистрацией эхо-импульсов в первом и втором временных промежутках. Все эти
установки разработаны и изготовлены в ГЭТУ совместно с металлургическими
заводами. Основные технические характеристики этих установок приведены в
таблице.
Результаты контроля получают в виде
дефектограммы листа в масштабе 1:10. Соответствие проконтролированного листа
техническим условиям определяется непосредственным измерением условных размеров
обнаруженных несплошностей по дефектограмме.
Малый шаг сканирования по длине листа в
разработанной аппаратуре принят, чтобы обеспечить запись обнаруженных
несплошностей практически сплошными линиями для наглядности изображений. В
современных листовых дефектоскопах для обработки регистрируемых сигналов и для
оценки качества листов по данным ультразвукового контроля часто применяют ЭВМ.
В этом случае шаг сканирования в обоих направлениях целесообразно выполнять
одинаковым.
Поскольку регистрацию несплошностей для
исключения значительной перебраковки листов приходится производить с
применением принципа накопления, значение шага сканирования нецелесообразно
выбирать существенно меньшим диаметра пьезоэлементов преобразователей. Этот
диаметр при использовании узких ультразвуковых пучков приближенно определяет
интервал корреляции регистрируемых сигналов.
Технические характеристики ультразвуковых
автоматизированных установок для контроля листового проката
|
№
п/п
|
Характеристика
|
Установка
|
|
|
УЗУЛ-3
|
УДЛ-2
|
ДУЭТ-4
|
УЗУП-М
|
|
1
|
Максимальные
размеры контролируемых листов, мм: длина ширина толщина
|
12000 2800 10…60
|
12000 3500 20…160
|
18000 3600 8…160
|
12000 4000 20…400
|
|
2
|
Метод
контроля
|
теневой
|
многократно-теневой
|
теневой+
эхо-сквозной
|
зеркально-теневой+
эхо-метод в I интервале+ эхо-метод во II интервале
|
|
3
|
Сканирование
|
электронное
поперечное
|
электронное
поперечное
|
электронное
поперечное
|
электромеха-ническое,
продольно-поперченое
|
|
4
|
Скорость
движения листов в процессе контроля (скорость сканирования), м/мин
|
10
|
10
|
10
|
0
продольная: 10 поперечная: 0,1
|
|
5
|
Число
преобразователей в акустической системе
|
288×2
|
288×2
|
384×2
|
12×2
|
|
6
|
Число
генераторных каналов
|
24
|
24
|
32
|
12
|
|
7
|
Число
приемно-усилительных каналов
|
12
|
12
|
12
|
1
|
|
8
|
Шаг
размещения преобразователей в акустической системе по ширине листа
|
10
|
12,5
|
10
|
10
|
|
9
|
Шаг
сканирования по длине листа, мм
|
3,3
|
4
|
3
|
2
|
|
10
|
Рабочая
частота, МГц
|
2
|
2,5
|
2,5
|
2;
4,0
|
|
11
|
Эффективный
диаметр пьезоэлементов преобразователей
|
12
|
12
|
17
|
20;
12
|
|
12
|
Материал
пьезоэлемента
|
Х-Срез
кварца
|
Х-Срез
кварца
|
Х-Срез
кварца
|
пьезокерамика
ЦТС-19
|
|
13
|
Расстояние
между соответствую-щими излучающими и приемными преобразователями
(излучателем и поверхностью листа), мм
|
150
|
330
|
300
|
-
|
|
14
|
Габариты
иммерсионной ванны, м: длина ширина
|
34
4
|
30
5
|
40
5
|
15
5
|
|
15
|
Чувствительность
контроля
|
-(14…20)Т
|
-(8…14)Т
|
(8…24)ЭС
|
3Э;
5Э
|
|
16
|
Масштаб
дефектограммы
|
1:10
|
1:10
|
1:10
|
1:10
|
Список литературы
Атлас
дефектов стали/ Пер.с нем.- М.:Металлургия, 1978.
Голубев
A.С., Харитонов А.В. Творческое наследие профессора С.Я.Соколова в области
ультразвуковой дефектоскопии// Дефектоскопия. - 1979. - №7. - C.7-I5.
Приборы
для неразрушающего контроля материалов и изделий: Справочник/ Под
ред.В.В.Клюева. - М.: Машиностроение, 1986. - Т.2.
ГОСТ
22727-88. Прокат листовой. Методы ультразвукового контроля. - Взамен ГОСТ
22727-77; Введ. с 01.07.88. - М.: Изд-во стандартов, 1988.
ГOCT
28831-90. Прокат толстолистовой. Методы ультразвукового контроля. - Введ. с
01.07.92. - М.: Изд-во стандартов, 1991.
Лепендин
Л.Ф.. Акустика. - М.: Высш.шк., 1978.
Аббакумов
К.Е., Голубев А.С., Полунин Н.Н. Акустические свойства дефектов типа
раскатанного включения гранита в листах медных сплавов/ Дефектоскопия. - 1980.
- №7. - С.40-45.
Добротин
Д.Д., Паврос С.К. Обработка сигналов при неразрушающем контроле: Учеб.пособие/
ЛЭТИ. - Л., 1986.
Голубев
А.С, Добротин Д.Д., Паврос С.К. О выборе порога срабатывания теневых
иммерсионных ультразвуковых дефектоскопов при контроле изделий с шероховатой
поверхностью// Дефектоскопия. - 1975. - №3. - C.7I-77.
Паврос
С.К., Жарков К.В. Методы ультразвуковой дефектоскопии: Учеб.пособие/ ЛЭТЙ. -
Л.,1982.
Голубев
А.С., Добротин Д.Д., Паврос С.К. Влияние шероховатости поверхности изделия на
флуктуацию амплитуд регистрируемых сигналов при иммерсионном контроле теневым
методом// Дефектоскопия. - 1982. - №4. - С. 51-56.
Артемов
В.Е., Паврос С.К. О максимально реализуемой чувствительности контроля методом
многократной тени// Дефектоскопия. - 1982. - №9. - С.28-30.
Голубев
А.С, Веревкин В.М., Паврос С.К. Акустический тракт дефектоскопа при контроле
листов эхо-сквозным методом в иммерсионном варианте// Дефектоскопия. - 1980.
-№7. - С.70-79
Веревкин
В.И. Ультразвуковые установки ДУЭТ для контроля толстолистового проката//
Дефектоскопия. - 1982. - №1. - С.6-12.
Максимов
А.А., Мамистов СВ., Паврос С.К. О максимально реализуемой чувствительности
контроля горячекатаного листового проката эхо-сквозным методом// Изв.ЛЭТИ. -
1985. - Вып.355, - C.101-106.
Паврос
С.К., Максимов А.А. О влиянии шероховатости изделия при контроле эхо-методом в
иммерсионном варианте// Дефектоскопия.. - 1984. - №4. - С.11-15.
Паврос
С.К., Максимов А.А. О максимально реализуемой чувствительности контроля
эхо-методом изделий с крупнозернистой структурой и шероховатой поверхностью//
Дефектоскопия. - 1986. - №3. - С.3-8.
Веревкин
В.М., Голубев А.С, Евдокимов Н.А. О влиянии коробоватости и волнистости листов
на чувствительность контроля теневым методом ультразвуковой дефектоскопии//
Изв.ЛЭТИ. - 1971. - Вып.95. - С.46-49.
Круглов
Б.А. Упругое поле поршневого преобразователя при иммерсионном способе
контроля// Дефектоскопия. - 1969. -№6. - C.5-I4.
Паврос
С.К., Артемов В.Е. Влияние непланшетности горячекатаного листового проката на
результаты контроля теневым методом// Дефектоскопия. - 1986. - №2. - С. 3-8.
Голубев
А.С. Преобразователи ультразвуковых дефектоскопов: Учеб.пособие/ ЛЭТИ. - Л..,
1986.
Голубев
А.С., Паврос С.К. Проектирование промышленных ультразвуковых автоматизированных
дефектоскопов: Учеб.пособие/ ЛЭТИ. - Л., 1983.
Промышленный
ультразвуковой контроль качества толстолистового проката с помощью установок
УЗУЛ/ ЛДНТП. - Л., 1968.
Аббакумов
К.Е., Добротин Д.Д., Паврос С.K. Промышленные автоматизированные многоканальные
ультразвуковые дефектоскопы для контроля толстолистового проката/ ЛДНТП. - Л.,
1989.
Паврос
С.К. Ультразвуковые методы и аппаратура для автоматизированного контроля
толстолистового проката// Техн.акуст. - 1992. - Т1. - Вып.2. - С.46-58.