Проектирование и конструирование приборов и систем неразрушающего контроля
Минобрнауки России
ЛЭТИ им. В.И. Ульянова (Ленина)
Государственное образовательное
учреждение высшего профессионального образования
Санкт-Петербургский государственный
электротехнический университет
Факультет информационно-измерительных
и биотехнических систем
Кафедра электроакустики и
ультразвуковой техники
Курсовая работа
Проектирование и конструирование
приборов и систем неразрушающего контроля
Выполнила: Тугушева Я.О.
Студентка группы: 9582
Проверила: Теплякова А.В.
Санкт-Петербург - 2014
СОДЕРЖАНИЕ
Техническое
задание
Введение
1. Обзор
методов и аппаратуры контроля
. Выбор
метода контроля
. Выбор
способа ввода ультразвука в изделие
. Выбор типа
преобразователя и материала пьезоэлемента
. Выбор
метода сканирования
. Выбор
рабочей частоты преобразователя
. Размер
преобразователя
. Частота
следования импульсов
. Скорость
контроля
10.
Длительность акустического импульса
. Определение
необходимой степени демпфирования преобразователей
.
Функциональная схема устройства
Заключение
Приложение 1
Приложение 2
ТЕХНИЧЕСКОЕ
ЗАДАНИЕ
Задание 14
Разработать автоматизированный дефектоскоп для сдаточного ультразвукового
контроля бесшовных стальных труб, имеющих габариты:
· диаметр, м 0,2;
· толщина стенки, м 0,015...0,025;
· длина, м 20,0.
· Разнотолщинность стенки не более 1,0 %.
· Параметры шероховатостей ϭh= 0,06 мм;
α = 1,5 мм-1.
· Производительность дефектоскопа 1 м/с.
Аппаратура должна обеспечить обнаружение расслоений с раскрытием 10 мкм.
Надежность контроля (вероятность недобраковки) Рн=10-2.
«Мертвая зона» не хуже 4 мм.
Неравномерность чувствительности не хуже -4 дБ.
Акустические параметры материала изделия:
Материал: Сталь Ст3
· Плотность: r =7800 кг/м3
· Скорость распространения продольных волн: С = 5900 м/c
· Акустический импеданс: Z =46,6
кг/(
)
Иммерсионная жидкость (вода):
· Скорость распространенияСж=1500м/с
· Плотность rж=1000
кг/м3
· Акустический импеданс:Zж = 1,48
кг/(
)
ВВЕДЕНИЕ
Металлургия - техническая наука
<#"803314.files/image003.jpg">
Рисунок 1. «Пеленг -115» (УД2 -115)
Стандартные образцы
В
комплект аппаратуры для проверки и настройки основных параметров дефектоскопов
совместно с преобразователями должны входить комплект стандартных образцов
CО-1, СО-2 и СО-3 по ГОСТ 14782, стандартные образцы предприятия (по
терминологии ГОСТ 17410), юстировочные плитки для толщиномера.
Стандартные
образцы CО-1, СО-2, СО-3 применяют для проверки и определения основных
параметров контроля:
мертвой
зоны;
точки
выхода ультразвукового луча;
стрелы
преобразователя;
угла
наклона акустической оси преобразователя;
угла
ввода ультразвукового луча.
Стандартные
образцы предприятия используют для настройки глубиномерного устройства и
чувствительности дефектоскопа. В качестве стандартного образца предприятия
используют отрезок бездефектной трубы, выполненный из того же материала, того
же типоразмера и имеющий то же качество поверхности, что и контролируемая
труба. Допускается отклонение размеров стандартных образцов предприятия (диаметр,
толщина) от размеров контролируемой трубы не более чем на ±10 %.
Рисунок
2. Стандартные
образцы предприятий
2. Выбор
метода контроля
При контроле структуры и свойств металла труб используются разные методы
неразрушающего контроля, но мы остановимся на эхо-методе.
Эхо-метод - один из наиболее распространённых методов ультразвукового
неразрушающего контроля. Так как при использовании этого метода дефектоскоп
работает в импульсном режиме, этот метод часто называют эхо-импульсным. С
помощью этого метода обнаруживают более 90% дефектов. Его преимущества состоят
в том, что этот метод - в отличие от других - применим при одностороннем
доступе к исследуемому объекту, имеет большую чувствительность к внутренним
дефектам и при этом позволяет определить с высокой точностью координаты
залегания дефектов.
Эхо-метод основан на излучении в контролируемое изделие коротких
зондирующих импульсов через определенные интервалы времени и регистрации
эхо-сигналов, отраженных от дефектов. При реализации эхо-метода прямым ПЭП
зондирующий импульс отражается от противоположной (донной) поверхности изделия
и, возвращаясь, частично попадает на приемный преобразователь. На экране
дефектоскопа возникает донный сигнал. При наличии несплошности (дефекта)
импульс отразится от него раньше, чем от донной поверхности. Между зондирующим
(на рисунке не показан и донным сигналами возникает промежуточный сигнал - от
несплошности, который и является признаком наличия дефекта в этом методе в
случае превышения данным сигналом порогового уровня
Время прихода отраженных импульсов пропорционально глубине залегания
дефекта, а амплитуда - отражающей способности дефекта.
Таким образом, признаком обнаружения дефекта при контроле эхо-методом
является превышение амплитуды эхо-сигнала, отраженного от дефекта, порогового
уровня.
Эхо-метод обладает рядом преимуществ перед теневым. Чувствительность
эхо-метода значительно выше теневого. При теневом методе ослабление УЗК на 5%
трудно зарегистрировать, а при эхо-методе отражение даже 1% энергии очень
хорошо не только обнаруживается, но и измеряется. Кроме того, эхо-метод
позволяет определить, на какой глубине находится дефект. Если при работе с
прямым ПЭП временное расстояние между зондирующим и отраженным от
противоположной поверхности детали (донным импульсом) принять за контролируемую
толщину детали, то время между посылаемым импульсом и моментом прихода
отраженного от дефекта импульса дает глубину залегания дефекта.
Кроме того, по амплитуде отраженного сигнала можно судить о размерах
дефекта, а изучая спектральный состав отраженного импульса, можно получить
информацию о типе и форме дефекта.
Главный недостаток эхо-метода - наличие мертвой зоны под искателем.
Наличие мертвой зоны связано с тем, что при близко расположенном дефекте от
поверхности ввод в момент прихода эхо-сигнала от него еще продолжается
излучение зондирующего импульса. Для уменьшения мертвой зоны повышают частоту
УЗК, что позволяет уменьшить длительность зондирующего импульса.
Длительность импульса определяет и разрешающую способность метода, т.е.
минимальное расстояние между дефектами по глубине, при котором их эхосигналы
воспринимаются раздельно. Очевидно, разрешающая способность эхо-метода по
глубине равна длительности зондирующего импульса.
Повышение частоты с целью увеличения разрешения ограниченно сверху тем,
что короткие волны начинают отражаться от границ кристаллических зерен металла,
что вызывает появление помех. Кроме того, с увеличением частоты возрастает
затухание УЗК.
На рисунке 3 приведена принципиальная схема импульсного ультразвукового
дефектоскопа. Генератор радиоимпульсов 3 возбуждает, пьезопластину передающей
искательной головки 1. Ультразвуковые колебания распространяются в
контролируемой детали, отражаются от ее противоположной стенки ("донный
сигнал") и попадают на пьезопластину приемной искательной головки 2.
Отраженные ультразвуковые колебания возбуждают колебания пьезопластины приемной
искательной головки 2. При этом на гранях пьезопластины возникает переменное
напряжение, которое детектируется и усиливается в усилителе 4, а затем
поступает на вертикальные отклоняющие пластины электронно-лучевой трубки (ЭЛТ)
5 осциллографа. Одновременно генератор горизонтальной развертки 6 подает
пилообразное напряжение на горизонтальные отклоняющие пластины ЭЛТ 5. Генератор
радиоимпульсов 3 возбуждает пьезопластину передающей искательной головки 1
короткими импульсами, между которыми получаются продолжительные паузы.
Рисунок 3. Блок схема импульсного ультразвукового дефектоскопа
Это позволяет четко различать на экране ЭЛТ 5 сигнал начального
(зондирующего) импульса I, сигнал от дефекта III и донный сигнал II. При
отсутствии дефекта в контролируемом участке детали на экране осциллографа импульс
III будет отсутствовать. Перемещая передающую и приемную искательные головки по
поверхности контролируемой детали, обнаруживают дефекты и определяют их
местоположение. В некоторых конструкциях ультразвуковых дефектоскопов имеется
только одна совмещенная искательная головка, которая используется как для
передачи, так и для приема ультразвуковых колебаний. Места прилегания
искательных головок к контролируемой детали смазывается тонким слоем
трансформаторного масла или вазелина для обеспечения непрерывного акустического
контакта искательных головок с поверхностью контролируемого изделия.
3. Выбор
способа ввода ультразвука в изделие
Прозвучивание будем вести в иммерсионном варианте. Между преобразователем
и изделием создается толстый слой жидкости путем образования локальной
жидкостной ванны вокруг изделия. Этот способ имеет ряд преимуществ по сравнению
с контактным: высокую стабильность излучения и приема УЗК за счет постоянства
акустической связи между преобразователем и изделием; отсутствие изнашивания преобразователей,
так как при контроле между преобразователем и изделием нет трения; возможность
контроля изделий с грубо обработанной или защищенной покрытием поверхностью без
предварительной подготовки.
В качестве контактной жидкости используется вода с антикоррозийными
присадками. Толщина жидкостного слоя между искателем и объектом контроля
выбирается таким образом, чтобы многократные отражения внутри слоя не мешали бы
регистрации эхо-сигнала от дефекта. Для этого достаточно, чтобы импульс,
отраженный от дна изделия, попадал бы во временной промежуток между первым и
вторым отражениями от передней грани изделия.
Известно, что для этого должно выполняться следующее:
где См = 5900 м/с - скорость продольных волн в материале
изделия;
Сж = 1500 м/с - скорость звука в иммерсионной жидкости (воде);
L -
слой жидкости;
Н = 0,015…0,025 м - толщина изделия в направлении прозвучивания;
Расчет показывает, что Lmin = 0,006 м. Для простоты работы,
возьмем L=0,045 м, т.е. 45 мм.
4. Выбор
типа преобразователя и материала пьезоэлемента
Контактные ПЭП классифицируются по следующим признакам:
1. По углу ввода колебаний различают:
· Прямые преобразователи, которые вводят и (или) принимают колебания
поверхности объекта в точке входа. Прямые ПЭП обладают средней длительностью
импульса и средним уровнем демпфирования, имея оптимальное сочетание
чувствительности и разрешающей способности.
· Наклонные преобразователи, которые вводят и (или) принимают
колебания в направлениях отличных от нормали к поверхности объекта контроля.
Наклонные преобразователи используют при контроле тонких объектов, когда
мертвая зона прямых преобразователей затрудняет получение донного сигнала.
2. По способу излучения и приема ультразвукового сигнала
различают:
· Совмещенные ПЭП у которых один и тот же пьезоэлемент, работает как в
режиме излучения так и в режиме приема. Совмещенные преобразователи имеют один
контакт с контролируемым объектом. Достоинство данного преобразователя является
простота, основным недостатком - наличие сигнала в режиме холостого хода. Этот
сигнал появляется в результате инерционной нагрузки контактного наконечника и
приемного пьезоэлемента.
· Раздельно-совмещенные преобразователи имеют две зоны контакта
с контролируемым объектом (излучающую и приемную). При этом контролируемый
объект выступает в роли элемента связи между двумя вибраторами. Применение
раздельной схемы позволяет избавиться от реверберационных помех и свести к минимуму
мертвую зону контроля.
Выбор ультразвукового преобразователя, зависит от параметров
контролируемого объекта, таких как материал, форма, толщина и температура и др.
В нашей работе мы выбираем прямой ПЭП, т.к. в дальнейшей работе мы будем
использовать линейку из преобразователей. Выбор прямого ПЭП значительно
упростит контроль.
Преобразователь нормального типа состоит из пьезокерамической пластины,
протектора, демпфера, корпуса и электрических соединений.
В качестве материала пьезоэлемента необходимо выбрать тот, который
обеспечит максимальную чувствительность, следовательно, надо выбрать материал,
у которого отношение квадрата пьезомодуля к диэлектрической постоянной будет
максимальное. Сравнили материалы пьезоэлемента и остановились на ЦТСНВ-1, так как
он обладает максимальной чувствительностью. Изготовим пластину из пьезокерамики
(Zк = 22∙106 кг/м2с).
5. Выбор
метода сканирования
Для уменьшения времени сканирования будем использовать несколько
преобразователей, связанных жестко между собой.
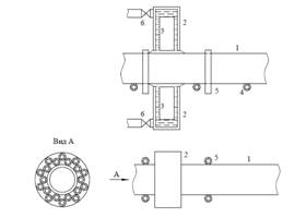
Рисунок 4. Сканирование трубы
Общий вид системы представлен на рисунке 4:
- контролируемая труба;
- локальная иммерсионная ванна;
- преобразователи в виде хомута;
- горизонтальные ролики;
- вертикальные ролики;
- вентиль системы водоснабжения.
Иммерсионная ванна представляет собой пластмассовый корпус (рисунок 4), в
котором при помощи 20 винтов устанавливается и юстируется параллельно
поверхности изделия матрица. Юстировка осуществляется таким образом, чтобы
сигнал от крайних преобразователей приходил бы в одно и то же время.
Для крепления ванны в стане предусмотрены двадцать отверстий под винты в
корпусе ванны. Ванна должна размещаться в стане таким образом, чтобы расстояние
от ее верхней кромки до изделия составляло 4-7 см. Для шланга подачи воды
предусмотрено одно отверстие с резьбой в боковой стенке. Для создания
автоматизированного дефектоскопа (производительность дефектоскопа 1м/с) для
сдаточного ультразвукового контроля бесшовных стальных труб, мы возьмем 20
преобразователей. Они будут представлять собой хомут, который будет одеваться
на трубу.
6. Выбор
рабочей частоты преобразователя
Рабочая частота находится из условия максимальной амплитуды эхо-сигнала
от дефекта на максимальной глубине. Запишем уравнение акустического тракта для
эхо-метода при иммерсионном способе ввода УЗ для прямого преобразователя:
=
где
- амплитуда электрического напряжения от дефекта;
- коэффициент электро-механической потери;
- площадь излучателя;
- коэффициент отражения;
- длина волны;
- частота;= 0.05 - средний размер
зерна;
- коэффициент затухания;
- коэффициент поглощения;
- коэффициент рассеяния;
- затухание УЗ волны в материале;
- коэффициент прозрачности;
- коэффициент отражения.
Расчет произведен для наименьшей и наибольшей толщины изделия 0,015 м и
0,025 м.
Рисунок 6. Расчет частоты для H=0,015 м
Рисунок 7. Расчет частоты для H=0,025 м
Из графиков выберем значение частоты 10 МГц. Можно проверить, достигается
ли требуемая чувствительность на полученной частоте f = 10 МГц. Для этого воспользуемся формулой для коэффициента
отражения и выразим из нее толщину раскрытия d р.
где
-
скорость звука в материале расслоения;
,
,
-
удельные акустические сопротивления вещества расслоения и изделия;
;
где
-
коэффициент, учитывающий отражение звука от шероховатой поверхности.
Множитель M найдем через
интеграл полной вероятности
По условию, вероятность недобраковки равна 10-2. После расчета
воспользуемся таблицей значений функции Лапласа, из которой видно, что М =
2,33.
автоматизированный дефектоскоп ультразвуковой контроль
7. Размер преобразователя
Размер надо выбирать, чтобы ближняя зона заканчивалась там же где и
мертвая зона.
тогда
3.1 мм
Радиус преобразователя должен быть меньше этого размера. Выберем
ближайший преобразователь по ГОСТ радиусом а = 3 мм и частотой fp =
10 МГц. Исходя из полученного результата, был выбран преобразователь:
П111-10-6.
Определим ширину УЗ пучка на донной поверхности изделия.
Ближняя зона ПЭП определяется следующим образом:
Zбл =
= 0,009
- расхождением пучка в воде можно пренебречь
Закон Снеллиуса:
где
т.к. звуковая волна падает нормально к границе раздела двух
сред.
В программе Автокад было графически построено расхождение УЗ пучка на
глубине 2,5 см.
Рисунок 8. Расхождение ультразвукового пучка
Ширина ультразвукового пучка на максимальной глубине составляет
=0,012 м. В дальнейшем это значение
понадобится для расчёта скорости контроля и шага.
8. Частота
следования импульсов
При контроле эхо-методом частота следования импульсов должна быть такой,
чтобы до следующей посылки все многократные отражения звука в слое жидкости и
материале изделия успели бы затухнуть до уровня порога регистрации
(чувствительности контроля).
Амплитуда переотраженного импульса в слое воды должна быть меньше
амплитуды регистрируемого сигнала.
- коэффициент прозрачности;
- коэффициент отражения.
- коэффициент отражения вода/материал
- коэффициент отражения вода/преобразователь.
Для расчета воспользуемся математическим пакетом MathCad (Приложение 2).
Рисунок 9. Графический расчет уравнения относительно параметра k
Расчет производился для минимальной (UN) и максимальной (UdKuUg) значений толщин изделия. Из графика
видно, что k - номер переотраженного импульса
находится в пределах приблизительно от 10 до 15. Нас интересует случай, при
котором можно получить максимальную частоту следования зондирующих импульсов,
поэтому выберем k=12.
Период следования зондирующих импульсов:
Максимально возможная частота следования зондирующих импульсов:
Чтобы не возникало ложных сигналов в рабочем интервале, выберем частоту
следования по ГОСТ 200 Гц.
9. Скорость
контроля
Частота следования зондирующих импульсов определяет скорость
сканирования. За время между следующими друг за другом посылками импульсов
датчик должен пройти путь, равный шагу сканирования.
Датчик должен находиться в неподвижном состоянии определенное время,
равное трем посылкам. Добавим время, которое необходимо затратить для
перемещения датчика в следующее положение (примерно 0.1с).
Время шага одного датчика составляет 0,102с.
Будем использовать хомут с преобразователями для сканирования. Диаметр
преобразователя составляет 6 мм. Исходя из размеров самого преобразователя шаг
сканирования составит 3 мм.
количество шагов по всей длине l,
S
-диаметр преобразователя
Исходя из формулы получаем, что весь путь (перемешения) одним датчиком
составит 36740 перемещений. Скорость контроля указана в ТЗ - 1м/с. Поскольку
используется хомут с двадцатью датчиками, охватывающий всю трубу сразу, то
необходимо двигать систему только в одном направлении. Т.к. в хомуте датчики
расположены в 2 ряда (перекрывая неконтролируемую зону), то двигаем хомут с шагом
2·1/2 ширины пучка, т.е. на ширину пучка со скоростью, указанной в ТЗ.
10. Длительность
акустического импульса
В нашем случае разнотолщинность трубы составляет 0,015…0,025 м.
Чтобы не допустить образования стоячей волны, нужно ограничить
длительность зондирующих импульсов условием
где Н - толщина трубы,
- скорость звука в нем.
Ультразвуковой контроль изделия осуществляют путем возбуждения
преобразователей короткими электрическими сигналами. При этом стараются
преобразователи сконструировать таким образом, чтобы длительность акустических
импульсов была как можно меньше. Длительность акустического импульса влияет
минимальную толщину контролируемого изделия.
Минимальная толщина контролируемых труб определяется величиной мертвой
зоны.
Откуда
Для мертвой зоны протяженностью
мм максимально допустимая
длительность акустического импульса составит
мкс.
11. Определение
необходимой степени демпфирования преобразователей
Мертвая зона контроля определяется длительностью акустического импульса:
Откуда
Для мертвой зоны протяженностью
мм максимально допустимая
длительность акустического импульса составит
мкс.
Тогда можно вычислить длительность импульса в количестве периодов высокой
частоты заполнения. Длительность импульса по уровню отсчета µ должна
составлять:
Наименьшая длительность акустического сигнала будет при добротности
В системе будет использован кабель со сплошной полиэтиленовой изоляцией и
волновым сопротивлением 50 Ом РК-50-4-11. Его электрическая (погонная) емкость
равна 51 пФ/м

Рисунок 10. Номограмма для определения акустической добротности при
выбранной длительности и заданной чувствительности
Т.к. расслоение относится к плоскостным дефектам, воспользуемся следующей
формулой:
где
- коэффициент прозрачности,
- коэффициент отражения.
Преобразователь состоит из пьезокерамической пластины, протектора,
демпфера, корпуса и электрических соединений. Задача расчета состоит в том,
чтобы получить преобразователь с заданной акустической добротностью, так как
именно она определяет длительность излучаемых импульсов.
Известно, что добротность нагруженной с двух сторон пьезоэлектрической
пластины определяется равенством:
где RI и RII - коэффициенты отражения от граней
пьезопластины.
где
- коэффициент отражения вода/материал,
- коэффициент отражения материал/демпфер.
Находим
.
Изготовим пластину из пьезокерамики ЦТСНВ-1 (Zк = 22∙106
кг/м2с). В качестве демпфера выберем материал, импеданс которого
равен Zд=2,3·106 кг/м2с - полимерная
основа и наполнитель вольфрам в порошке.
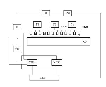
12. Функциональная схема устройства
На рисунке 11 изображена функциональная схема установки для контроля
нашего изделия.
Рисунок 11. Функциональная схема автоматизированной установки
ультразвукового контроля
Блок генераторов (БГ) обеспечивает поочередное возбуждение
преобразователей. Блок обработки сигналов (БОС) - нужен для вырабатывания
стробирующих импульсов и обработки сигналов, полученных с приемника. Блок
генератора импульсов записи (ГИС) - обеспечивает регистрацию полученных сигналов
на специальной бумаге. Бумага протягивается через специальное устройство
синхронно движению линейки датчиков. Синхронность обеспечивают сельсин-датчик
(СD) и сельсин-приемник (СП), который
обеспечивает магнитную связь. РП и РD - задающий и приемный редуктора. Подвижные иглы ГИЗ, синхронные движению
линейки датчиков, обеспечивают запись формы и размера дефекта. Неподвижные иглы
записывают дополнительную информацию - глубину залегания дефекта и его размеры.
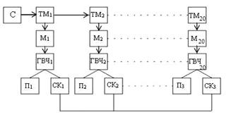
Блок генераторов состоит из одного общего синхронизатора (С) и 21
идентичных каналов возбуждения.
Рисунок 12. Блок генераторов
Синхронизатор обеспечивает требуемую временную последовательность.
Частота синхронизатора определяет период следования зондирующих посылок.
Каждый канал состоит из тактового мультивибратора (ТМ), модулятора (М),
генератора высокой частоты (ГВЧ), преобразователя (П) и согласующего каскада
(СК).
Каждый канал запускается с некоторым смещением во времени. Это задается
импульсом, который выдает тактовый мультивибратор.
В качестве генератора импульсов возбуждения используем ключевой
генератор, принципиальная электрическая схема которого изображена на рисунке
12.
Рисунок 13. Генератор ВЧ
Транзистор включен по схеме с общей базой. Резисторный делитель
напряжения R1-R2 создает на базе смещение рабочей точки. Конденсатор C3
шунтирует R2 по высокой частоте. R3 включен в эмиттерную цепь для ограничения
тока, протекающего через транзистор. Конденсатор C1 и катушка L1 образуют
частотозадающий колебательный контур. Конденсатор C2 обеспечивает положительную
обратную связь (ПОС), необходимую для генерации.
Чтобы уменьшить число электронных каналов, преобразователи подключаются
не поодиночке, а группами. Получается довольно сложная система
взаимодействующих электронных и акустических каналов, обеспечивающая
необходимые значения параметров сканирования. Эта система была разработана в
Санкт-Петербургском государственном электротехническом университете и получила
название многоканального электронного сканирования.
Рисунок 14. Электронная схема
Тактовый генератор (ТГ) вырабатывает последовательность импульсов,
определяющих частоту поочередного срабатывания генераторов высокочастотных
импульсов. Эти импульсы подаются на распределитель импульсов (РИ). С выходов
распределителя поочередно запускаются генераторы (Г1...Г5). Каждый из
генераторов возбуждает по четыре излучающих преобразователя. Ультразвуковые
импульсы от преобразователей проходят через водные задержки, контролируемые
трубу и попадают на приемные преобразователи. После каждого срабатывания
генератора принимаемые сигналы попадают на ОК и возвращаются обратно. Принятые
сигналы попадают на вход трех усилительно-логических блоков (УЛБ).
ЗАКЛЮЧЕНИЕ
В курсовом проекте была разработана автоматизированная установка для
контроля стальных бесшовных труб. Решены следующие задачи:
. В качестве методов контроля выбран эхо-метод.
2. Преобразователь выбран прямой, в качестве материала пьезопластины
рекомендуется использовать ЦТСНВ-1;
Выбраны оптимальные параметры контроля:
. Способ ввода звука в изделие - иммерсионный. Толщина слоя жидкости 45
мм.
2. Рабочая частота 10 МГц.
. Частота зондирования 200 Гц.
. Размер преобразователя d = 6 мм.
. Длительность акустического импульса
мкс
. Время прозвучивания одного изделия составит 20 секунд
. Скорость контроля 1 м/с
. Разработана функциональная схема.
ПРИЛОЖЕНИЕ
1


ПРИЛОЖЕНИЕ 2
