Паропровод высокого давления № 3120AHFA. Расчет прочности
общество с
ограниченной ответственностью
"Инженерный
центр “Эксперт”
Паропровод высокого давления № 3120AHFA.
Расчет прочности
г. Волгодонск
г.
Содержание
Задача расчета
1. Исходные данные, материалы и допускаемые напряжения
.1 Условные обозначения
.2 Исходные данные
1.3 Материалы и допускаемые напряжения
. Выбор основных размеров
.1 Трубы
.2 Специальные переходы с фланцами
.3 Переходники
2.4 Трубы Вентури
2.5 Отводы, колена
2.6 Спецдеталь №1
2.7 Спецдеталь №2
.8 Спецдеталь №3
. Поверочный расчет
. Оценка прочности
Заключение
Список используемой литературы
Задача расчета
Расчет прочности проекта «Паропровода высокого давления» №3120 AHFA был
выполнен фирмой «Линде» для решения следующих задач:
оптимизации установки трубопроводных трасс;
определение и минимизация усилий и перемещений в местах установки
трубопроводов и присоединительных местах;
для выполнения проекта пружинных подвесок и опор;
определение сил и моментов, действующих на патрубки аппаратов с целью
проверки выполнения критериев прочности и жесткости;
оценки прочности трубопроводных трасс.
Фирмой «Линде» для расчета паропроводов приняты следующие расчетные
параметры:
- расчетное давление паропровода - 12,1 МПа;
расчетная температура - 5250С;
- рабочая среда - перегретый пар;
- самокомпенсация трубопроводов;
механическая нагрузка (собственная масса трубопровода, масса среды, масса
изоляции, масса арматуры, масса труб Вентури);
ветровая нагрузка в соответствии с требованиями стандарта проектирования
ASME В31.3 (рассматривалась в двух взаимно перпендикулярных направлениях);
снеговая нагрузка - в соответствии с требованиями стандарта
проектирования ASME В31.3;
сейсмическая нагрузка в соответствии с требованиями стандарта
проектирования ASME В31.3.
Для определения напряженно-деформированного состояния элементов
паропроводов использовалась программа Цезарь II Версия 5.20.2. (Лицензия: SEAT - ID № 251).
Объектом настоящего расчета прочности является оценка проекта «Паропровод
высокого давления» производства этилена № 3120 AHFA в части соответствия действующим «Правилам устройства
и безопасной эксплуатации трубопроводов пара и горячей воды»
ПБ 10-573-03 и «Норм расчета на прочность котлов и трубопроводов пара и
горячей воды» РД 10-249-98.
При проведении расчета прочности была рассмотрены следующие документы:
проектная конструкторская документация «Паропровод высокого давления» в
составе:
технолого-монтажные схемы и изометрические чертежи;
заказные спецификации на арматуру, трубы, отводы, переходы, тройники,
фланцы, шпильки;
заказные спецификации на средства КИП (расходомеры, термокатманы и др.);
заказные спецификации на опоры (скользящие, неподвижные, пружинные);
инструкции по монтажу;
расчеты прочности трубопроводов с учетом компенсации температурных
нагрузок и с учетом весовых, снеговых, ветровых и сейсмических нагрузок,
выполненные фирмой «Линде».
паропровод давление спецдеталь прочность
1. Исходные данные, материалы и допускаемые напряжения
.1 Условные
обозначения
В настоящем расчете приняты следующие условные обозначения
Таблица 1.
|
Внутренний диаметр паропровода
|
D
|
|
Наружный диаметр паропровода
|
Dа
|
|
Номинальная толщина стенки, мм
|
S
|
|
Сумма прибавок к расчетной толщине стенки, мм
|
С
|
|
Расчетное давление, МПа
|
р
|
|
Давление гидроиспытаний, Мпа
|
Рh
|
|
Расчетная температура, оС
|
Т
|
|
Минимальное значение временного сопротивления при расчетной
температуре, Мпа
|
stm
|
|
Минимальное значение предела текучести при расчетной
температуре, Мпа
|
stp0,2
|
|
Условный предел длительной прочности, Мпа
|
|
|
Условный предел ползучести, Мпа
|
|
|
Коэффициент запаса прочности по пределу текучести
|
n0,2
|
|
Коэффициент запаса прочности по временному сопротивлению
|
nm
|
|
Коэффициент запаса по длительной прочности
|
nд
|
|
Коэффициент запаса по ползучести
|
nn
|
|
Допускаемое напряжение при расчетной температуре, Мпа
|
[s]
|
|
Допускаемое напряжение при гидроиспытании, Мпа
|
[s]tг
|
|
Расчетная толщина стенки элемента, мм
|
sR
|
|
Толщина стенки по чертежу
|
s
|
|
Диаметр отверстия, мм
|
d
|
|
Коэффициент прочности
|
|
|
Эквивалентное напряжение, МПа
|
seq
|
|
Модуль упругости при расчетной температуре, МПа
|
Е
|
|
Толщина стенки металла, мм
|
s
|
|
Амплитуда приведенных напряжений, МПа
|
уaF
|
|
Номер узла
|
NODE
|
|
Номер элемента
|
ELEM
|
|
Номер материала
|
MAT
|
|
Номер типа элемента
|
TYP
|
|
Номер группы жесткости
|
REL
|
|
Начало и конец элемента
|
I, J
|
|
Кольцевые напряжения уШ, Па
|
SH
|
|
Осевые напряжения, вызванные давлением и растягивающим
усилием - уz, Па
|
SDIR
|
|
Напряжения, вызванные изгибающими моментами - уb,
Па
|
SBEND16 или SBEND18
|
|
Главные напряжения в оболочке (у1), (у2),
(у3), Па
|
S1,S2, S3
|
|
Максимальная разность главных напряжений или эквивалентное
напряжение seq =(у1
- у3) = S1 - S3, Па
|
SINT
|
|
Сила реакции в опорном узле в направлении Х(Y,Z)общей
системы координат, Н
|
FX
|
.2 Исходные данные
Для расчета паропроводов приняты следующие расчетные параметры:
1) Расчетное давление паропровода - 12,1 МПа;
) Расчетная температура - 5250С;
3) Рабочая среда - перегретый пар;
4) Ветровая и снеговая нагрузки принимается по СНиП 2.01.07-85
«Строительные нормы и правила. Нагрузки и воздействия»:
(Ветровая нагрузка - не более 600 н/м2);
(Снеговая нагрузка - не более 1200 н/м2);
) Величины сейсмической нагрузки принимаются по СНиП II-7-81 «Строительные нормы и правила.
Строительство в сейсмических районах» (7 баллов, категории грунта II);
) Величина давления при проведении гидроиспытания принимается в
соответствии с правилами ПБ 10-573-03 «Правила устройства и безопасной
эксплуатации трубопроводов пара т горячей воды»;
) Температура монтажа - не менее 200С;
) Прибавка к толщине стенки трубопроводов за счет коррозии принимается в
соответствии с требованиями РД 10-249-98 «Нормы расчета на прочность
стационарных котлов и трубопроводов пара и горячей воды»;
) Толщина изоляции трубопроводов принята в соответствии с проектом
трубопроводов контура перегретого пара высокого давления 3120 AHFA, выполненного фирмой Linde;
) Перечень арматуры (без указания веса) дан в проекте трубопроводов
контура перегретого пара высокого давления 3120 AHFA, выполненного фирмой Linde;
) Минимальные допускаемые толщины трубопроводов и гибов (для
трубопроводов контура перегретого пара высокого давления приняты в соответствии
с РД 10-249-98 «Нормы расчета на прочность стационарных котлов и трубопроводов
пара и горячей воды»;
) Тип, размер пружин, жесткость пружин (н/мм), рабочий диапазон (н),
предварительное усилие (н), усилие в рабочем состоянии (н), температурное
смещение (мм) для пружинных опор и подвесок принято в соответствии с данными
проекта трубопроводов контура перегретого пара высокого давления 3120 AHFA, выполненного фирмой Linde;
) Самокомпенсация трубопроводов;
) Срок службы трубопроводов - 20 лет.
Примечание: Под циклом нагружения трубопровода в соответствии с РД
10-249-98 «Нормы расчета на прочность стационарных котлов и трубопроводов пара
и горячей воды» понимается периодически повторяющийся режим его работы,
включающий нагрев, эксплуатацию при постоянной температуре и отключение с
полным охлаждением. Количество расчетных циклов - не более 3000.
1.3 Материалы и допускаемые напряжения
Материальное исполнение элементов паропроводов находящихся под давлением
взято в соответствии со стандартами ASME [13,14,15,16,17,18] и приведено в
таблице 1.1. Химсостав материалов, примененных для элементов паропроводов под
давлением, приведен в таблице 1.2. Физические и механические свойства
материалов, использованных для элементов паропроводов, взяты в соответствии со
стандартами ASME [13,14,15,16,17,18] и приведены в таблице 1.3.
В соответствии с РД 10-249-98 [1] допускаемое напряжение для
теплоустойчивых сталей определяется по формуле:
В
соответствии с ASME [13] допускаемое напряжение для теплоустойчивых
сталей определяется по формуле:
Так
как величины допускаемых напряжений по формулам РД 10-249-98 [1] будут не ниже
чем по с ASME [13] принимаем для сталей паропровода допускаемые
напряжения при расчетной температуре 
в
соответствии с ASME [13] и сводим в таблицу 1.3.
Таблица 1.1 Материальное исполнение элементов паропроводов под давлением
|
Линия трубопровода
|
Наименование элемента трубопровода
|
Материал по проекту
|
|
|
Марка материала
|
Стандарт
|
Максимально возможная рабочая температура использования
материалов 0F (0C)
|
|
10999.11, 10999.12, 0988-320, 80000-250, 80001-250,
80002-250, 80003-250, 80007-250, 80008-250, 80015-250, 80016-250А,
80016-250В, 80016-250С, 80016-250D, 80016-250E, 80016-250F,
80998-320
|
Трубы бесшовные при 8*SCH120; 5*SCH120; 6*SCH120;14*SCH120;10*SCH120;3*XXS;12*XXS;4*XXS
|
ASTM A335 GR.P91
|
ASME (B36.10/19)
|
1200 (650)
|
|
Отводы 90 при 1*SCH160;3*XXS
|
ASTM A234 GR WP22CL.1
|
ASME (B16.9)
|
1200 (650)
|
|
Отводы: 90 при 8*SCH120, 90 при 6*SCH120,
90 при 5*SCH120, 45 при 10*SCH120, 45 при 6*SCH120, 90 при 10*SCH120; 90 при 12*XXS
|
ASTM A234 GR WP91
|
ASME (B16.9)
|
1200 (650)
|
|
Колено
|
ASTM A234 GR WP91
|
ASME (B16.9)
|
1200 (650)
|
|
Задвижки CL 2500
|
CRMO-STEEL (2,25Cr-1Mo)
|
ASP(9FB09/ASME)
|
1200 (650)
|
|
Задвижки CL 1500
|
9CR-1MO-V
|
ASP(8FB20/ASME)
|
1200 (650)
|
|
Дисковая задвижка CL 2500
|
CRMO-STEEL (2,25Cr-1Mo)
|
ASP(9BJ01)
|
1200 (650)
|
|
Шибер CL 1500
|
9CR-1MO-V, CRMO-STEEL
|
ASP(8FB20/ASME) ASP(9FB09/ASME)
|
1200 (650)
|
|
Крышка с отводом
|
ASTM A234 GR WP22CL.1
|
ASME (B16.9)
|
1200 (650)
|
|
Тройники равнопроходные бесшовные
|
ASTM A234 GR WP22CL.1
|
ASME (B16.9)
|
1200 (650)
|
|
Бобышки
|
ASTM A182 GR F22CL.1
|
MSS (SP-97)
|
1200 (650)
|
|
|
ASTM A182 GR F91
|
MSS (SP-97)
|
1200 (650)
|
|
Переходники конические бесшовные
|
ASTM A234 GR WP22CL.1
|
ASME (B16.9)
|
1200 (650)
|
|
|
ASTM A182 GR F22CL.3
|
LS (491-11)/ ASME
|
1200 (650)
|
|
|
ASTM A234 GR WP91
|
ASME (B16.9)
|
1200 (650)
|
|
Специальный переход с фланцем 10*6/PN400; 6*6/PN320
|
ASTM A234 GR WP91
|
ASME (B16.9)
|
1200 (650)
|
|
Патрубок CL 2500
|
ASTM A182 GR F22CL.1
|
LS (491-11)
|
1200 (650)
|
|
Штуцера: CL
1500 при 4*1*SCH160, 14*1*SCH160 CL 1500 при 12*1*SCH160, 14*1*SCH160 CL 2500 при 4*1*SCH160
|
ASTM A182 GR F22CL.1, ASTM A335
GR.P91, ASTM A182 GR F22CL.3
|
LS (491-11) R-SP(1041) LS
(491-11)/ ASME
|
1200 (650)
|
|
Сифонная труба
|
ASTM A335 GR P22
|
LS (491-11)
|
1200 (650)
|
|
Сферический проходной вентиль
|
CRMO-STEEL (2,25Cr-1Mo) CRMO-STEEL (2,25Cr-1Mo)
|
ASP(9BB04/ASME) ASP(9BBJ01)
|
1200 (650)
|
|
Дренажный или воздушный клапан
|
|
R-SP(1004/002/ASME)
|
1200 (650)
|
|
Обратные клапаны CL 2500
|
CRMO-STEEL
|
ASP(9ЕB09/ASME)
|
1200 (650)
|
|
Фланцы приварные PN400
|
10CrMo9-10
|
EN (1092-1)
|
1200 (650)
|
|
Фланцы приварные CL 2500 при 1*SCH160
|
ASTM A182 GR F22CL.3
|
ASME (B16.5)
|
1200 (650)
|
|
Ответный фланец с приварной шейкой, CL 2500 при 1*SCH160
|
ASTM A182 GR F22CL.3
|
ASME (B16.5)
|
1200 (650)
|
|
Глухой фланец CL 2500
|
ASTM A182 GR F91
|
ASME (B16.5)
|
1200 (650)
|
|
Заглушки CL 2500
|
ASTM A182 GR F91 ASTM A182 GR F22CL.3
|
ASME (B16.5) ASME (B16.5)
|
1200 (650)
|
|
Крышки с отводом
|
ASTM A234 GR WP22CL.1
|
ASME (B16.9)
|
1200 (650)
|
|
Крышки при 12*XXS
|
ASTM A234 GR WP91
|
ASME (B16.9)
|
1200 (650)
|
|
Тройники равнопроходные бесшовные, Тройники переходные
бесшовные
|
ASTM A234 GR WP22CL.1 ASTM A234 GR WP91
|
ASME (B16.9) ASME (B16.9)
|
1200 (650)
|
|
Трубная подвеска,
приварная
|
13CRMO4 4
|
LS (546-21)
|
1020 (550)
|
|
Скользящая опора
|
13CRMO4 4
|
LS (546-34)
|
1020 (550)
|
|
Фланцевое соединение, CL1500
|
X10CrMoVNb 91 10CrM09-10
|
EN 1092-1 EN 1092-1
|
1200 (650) 1200 (650)
|
|
Стыковое сварное соединение
|
2.25CR1MO-LS145-10/24
|
ASME
|
1200 (650)
|
|
Болты
|
ASTM A193 GR B16
|
ASME (B16.5)
|
1200 (650)
|
|
Гайки
|
ASTM A194 GR 4
|
ASME (B16.5)
|
1100 (595)
|
Таблица 1.2 Химсостав материалов примененных для элементов паропроводов
под давлением
|
Материал по проекту
|
Химсостав, %
|
Российский аналог
|
|
Марка материала
|
Стандарт
|
C
|
Mn
|
P
|
S
|
Si
|
Ni
|
Cr
|
Mo
|
V
|
Nb
|
|
|
ASTM A335 GR.P22
|
ASME (B36.10/19)
|
0,05-0,15
|
0,3-0,6
|
0,25
|
0,25
|
0,5
|
|
1,9-2,6
|
0,87-1,13
|
-
|
-
|
18Х3М3
|
|
ASTM A335 GR.P91
|
ASME (B36.10/19)
|
0,05-0,15
|
0,3-0,6
|
0,02
|
0,01
|
0,2-0,5
|
0,4
|
8-9,5
|
0,85-1,05
|
0,18-0,25
|
0,06-0,1
|
10Х9МФБ
|
|
ASTM A234 GR WP22CL.1
|
ASME (B16.9)
|
0,05-0,15
|
0,3-0,6
|
0,04
|
0,04
|
|
1,9-2,6
|
0,87-1,13
|
-
|
-
|
18Х3М3
|
|
ASTM A234 GR WP91
|
ASME (B16.9)
|
0,08-0,12
|
0,4-1,06
|
0,02
|
0,01
|
0,2-0,5
|
0,4
|
8-9,5
|
0,85-1,05
|
0,18-0,25
|
-
|
10Х9МФБ
|
|
9CR-1MO-V
|
ASP(8FB20/ASME)
|
0,08-0,12
|
0,4-1,06
|
0,02
|
0,01
|
0,2-0,5
|
0,4
|
8-9,5
|
0,85-1,05
|
0,18-0,25
|
-
|
10Х9МФБ
|
|
ASTM A182 GR F22CL.1
|
MSS (SP-97)
|
0,05-0,15
|
0,3-0,6
|
0,04
|
0,04
|
0,5
|
|
2,0-2,5
|
0,87-1,13
|
-
|
-
|
18Х3М3
|
|
ASTM A182 GR F91
|
MSS (SP-97)ASMEB16.5)
|
0,08-0,12
|
0,3-0,6
|
0,02
|
0,01
|
0,2-0,5
|
0,4
|
8-9,5
|
0,85-1,05
|
0,18-0,25
|
0,06-0,1
|
10Х9МФБ
|
|
ASTM A182 GR F22CL.3
|
LS (491-11)/ ASMEASME (B16.5)
|
0,05-0,15
|
0,3-0,6
|
0,04
|
0,04
|
0,5
|
-
|
2,0-2,5
|
0,87-1,13
|
-
|
-
|
18Х3М3
|
|
10CrMo9-10 (2,25CR-1Mо)
|
EN (1092-1)
|
0,08-0,15
|
0,4-0,7
|
0,035
|
0,035
|
0,5
|
-
|
2-2,5
|
0,9-1,2
|
-
|
-
|
18Х3М3
|
|
ASTM A193 GR B16
|
ASME (B16.5)
|
0,36-0,47
|
0,45-0,7
|
0,035
|
0,04
|
0,15-0,35
|
-
|
0,8-1,15
|
0,5-0,65
|
0,25-0,35
|
-
|
30ХМА
|
|
ASTM A194 GR 4
|
ASME (B16.5)
|
0,4-0,5
|
0,7-0,9
|
0,035
|
0,04
|
0,15-0,35
|
-
|
-
|
0,2-0,3
|
-
|
-
|
35
|
Примечание: Максимальная рабочая температура использования материалов:
12000F = 6500C.
Таблица 1.3. Физические и механические свойства материалов, допускаемые
напряжения использованных для элементов паропроводов
|
Материал по проекту
|
Температура Температура Температура Температура Температура Наименование элемента трубопровода
|
|
|
|
|
|
|
Марка материала
|
, МПа , МПа МПа , МПа , МПа 1/0С , МПа 1/0С
|
|
|
|
|
|
|
|
|
|
|
|
ASTM A335 GR.P91
|
ASME (B36.10/19)
|
415
|
585
|
148
|
102,7
|
213
|
10,5
|
0,33
|
170,3
|
12,1
|
0,33
|
Трубы бесшовные, штуцера
|
|
ASTM A335 GR.P22
|
ASME (B36.10/19)
|
205
|
415
|
104
|
64,8
|
211
|
11,7
|
0,33
|
176,5
|
13,7
|
0,33
|
Сифонные трубы
|
|
ASTM A234 GR WP22CL.1
|
ASME (B16.9)
|
205
|
415
|
104
|
64,8
|
211
|
11,7
|
0,33
|
176,5
|
13,7
|
0,33
|
Отводы, крышка с отводом, тройники равнопроходные
бесшовные, переходники конические бесшовные, крышки с отводом
|
|
ASTM A234 GR WP91
|
ASME (B16.9)
|
415
|
585
|
148
|
102,7
|
213
|
10,5
|
0,33
|
170,3
|
12,1
|
0,33
|
Отводы, колена, крышки, переходники конические, тройники
переходные бесшовные
|
|
9CR-1MO-V
|
ASP (8FB20/ASME)
|
415
|
585
|
148
|
102,7
|
213
|
10,5
|
0,33
|
170,3
|
12,1
|
0,33
|
Задвижки CL 1500,
Шибер CL 1500
|
|
ASTM A182 GR F22CL.1
|
MSS (SP-97)
|
205
|
415
|
104
|
64,8
|
211
|
11,7
|
0,33
|
176,5
|
13,7
|
0,33
|
Бобышки, патрубки CL 2500, штуцера
|
|
ASTM A182 GR F91
|
MSS (SP-97) ASME (B16.5)
|
415
|
585
|
148
|
102,7
|
213
|
10,5
|
0,33
|
170,3
|
12,1
|
0,33
|
Бобышки, глухой фланец CL 2500, Заглушки CL 2500
|
|
ASTM A182 GR F22CL.3
|
LS (491-11)/ ASME ASME (B16.5)
|
310
|
515
|
104
|
64,8
|
211
|
11,7
|
0,33
|
176,5
|
13,7
|
0,33
|
Переходники конические бесшовные, штуцера, фланцы приварные
CL 2500, заглушки CL 2500
|
|
10CrMo9-10 (2,25CR-1Mо)
|
EN (1092-1)
|
205
|
415
|
104
|
64,8
|
211
|
11,7
|
0,33
|
176,5
|
13,7
|
0,33
|
Фланцы приварные PN400
|
|
ASTM A193 GR B16
|
ASME (B16.5)
|
695
|
590
|
173
|
93
|
211
|
11,7
|
0,33
|
176,5
|
13,7
|
0,33
|
Шпильки
|
|
2.25CR1MO-LS145-10/24
|
ASME
|
205
|
415
|
104
|
64,8
|
211
|
11,7
|
0,33
|
176,5
|
13,7
|
0,33
|
Стыковое сварное соединение
|
|
|
|
|
|
|
|
|
|
|
|
|
|
|
|
2. Выбор основных размеров
.1 Трубы
Исполнительная толщина стенки трубы должна удовлетворять условию РД
10-249-98 [1]:
где
р =12,1 МПа, 
Расчет
минимальной толщины паропроводов сведен в таблицу 2.1
Таблица
2.1
( D//)
мм×мм
(дюйм)Материал труб
ммс
мм
ммs
|
мм
|
|
|
|
|
|
|
33,4×6,35 (1//)
|
ASTM A335 GR. P91
|
1,9
|
1,0
|
2,9
|
6,35
|
|
48,3×7,14 (1,5//)
|
ASTM A335 GR. P91
|
2,7
|
1,0
|
3,7
|
7,14
|
|
60,3×8,74 (2//)
|
ASTM A335 GR. P91
|
3,4
|
1,0
|
4,4
|
8,74
|
|
88,9×15,24 (3//)
|
ASTM A335 GR. P91
|
5,0
|
1,0
|
6,0
|
15,24
|
|
114,3×17,12 (4//)
|
ASTM A335 GR. P91
|
6,4
|
1,0
|
7,4
|
17,12
|
|
141,3×15,88 (5//)
|
ASTM A335 GR. P91
|
7,9
|
1,0
|
8,9
|
15,88
|
|
168,3×14,27
(6//)
|
ASTM A335 GR. P91
|
9,4
|
1,0
|
10,4
|
14,27
|
|
219,1×18,26 (8//)
|
ASTM A335 GR. P91
|
12,2
|
1,0
|
13,2
|
18,26
|
|
273,0×21,44 (10//)
|
ASTM A335 GR. P91
|
15,2
|
1,0
|
16,2
|
21,44
|
|
323,8×25,4 (12//)
|
ASTM A335 GR. P91
|
18,0
|
1,0
|
19,0
|
25,4
|
|
355,6×27,78 (14//)
|
ASTM A335 GR. P91
|
19,8
|
1,0
|
20,8
|
27,78
|
Условие прочности выполнено.
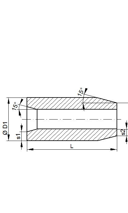
2.2 Специальные переходы с фланцами (№R-SS 1002)
Специальный переход изображен на рисунке 2.1.
Рис.
2.1
Исполнительная
толщина стенки трубы должна удовлетворять условию РД 10-249-98 [1]:
где
р =12,1 МПа; 
;
Расчет
минимальной толщины специальных переходов сведен в таблицу 2.2
Таблица
2.2 Расчет минимальной толщины конических переходов
|
Чертеж
|
, мм , ммL, ммМатериал, перехода , ммС, мм , ммs3, мм
|
|
|
|
|
|
|
|
|
R-SS 1002, (10// на 6//)
|
273
|
178
|
ASTM A234 GR WP91
|
17,6
|
1,0
|
18,6
|
25,0
|
|
R-SS 1002 (6// на 6//)
|
168,3
|
193,7
|
100
|
ASTM A234 GR WP91
|
12,3
|
1,0
|
13,3
|
25,0
|
|
R-SS 1002 (5// на 5//)
|
141,3
|
168,3
|
100
|
ASTM A234 GR WP91
|
10,7
|
1,0
|
11,7
|
20,0
|
|
R-SS 1002 (5// на 2,5//)
|
141,3
|
101,6
|
100
|
ASTM A234 GR WP91
|
9,1
|
1,0
|
10,1
|
16,0
|
|
R-SS 1002 (8// на 4//)
|
219,1
|
139,7
|
64
|
ASTM A234 GR WP91
|
16,4
|
1,0
|
17,4
|
22,2
|
Условие прочности выполнено.
.3 Переходники (№R-SР 1052)
Переходники изображены на рис.2.2. Размеры переходов даны в
таблице 2.3
Рис.
2.2
Таблица 2.3 Размеры переходов
|
Размеры переходов
|
1 шт
|
2 шт
|
3 шт
|
|
Диаметр 1 /мм
|
377
|
323,8
|
219
|
|
Сторона 1 /мм
|
50
|
25,4
|
18,26
|
|
Диаметр 2 /мм
|
355,6
|
293
|
219,1
|
|
Сторона 2 /мм
|
27,79
|
21
|
28
|
|
Длина /мм
|
200
|
200
|
500
|
|
Материал
|
ASTM A234 Gr. P91 or 14MoV6-3
|
ASTM A234 Gr. P91 or 14MoV6-3
|
ASTM A243 Gr. P22 or 10 CrMo 9-10
|
Расчетная толщина переходов не превышает толщин присоединяемых труб, так
как для переходов используются ASTM A234 Gr. P91 or 14MoV6-3, такие же как и для гладких труб
(см. табл. 2.1). Прочность переходов обеспечена.
.4 Трубы Вентури
Труба Вентури изображена на рисунке 2.3. Материал трубы Вентури - ASTM A335 GR. P91.
Рис.2.3
Исполнительная толщина стенки трубы Вентури должна удовлетворять условию
РД 10-249-98 [1]:
где
р =12,1 МПа, 
(патрубки
не влияют на величину коэффициента
).
Расчет
минимальной толщины труб Вентури сведен в таблицу 2.4
Таблица
2.4
( D//)
мм×мм
(дюйм)Материал труб
ммс
мм
ммs
|
мм
|
|
|
|
|
|
|
273,0×21,44 (10//)
|
ASTM A335 GR. P91
|
15,2
|
1,0
|
16,2
|
21,44
|
|
168,3×14,27
(10//)
|
ASTM A335 GR. P91
|
9,4
|
1,0
|
10,4
|
14,27
|
|
219,1×18,26 (8//)
|
ASTM A335 GR. P91
|
12,2
|
1,0
|
13,2
|
18,26
|
Условие прочности выполнено.
.5 Отводы, колена
Исполнительная толщина стенки отвода должна удовлетворять условию РД
10-249-98 [1]:
где
р =12,1 МПа, 
;




.
Материал
отводов - ASTM A234 GR WP91.
Расчет
минимальной толщины отводов сведен в таблицу 2.5
Таблица
2.5
|
( D//), мм×мм (дюйм)R, мм , ммq   , ммС, мм , ммS, мм
|
|
|
|
|
|
|
|
|
|
|
|
88,9×15,24 (3//)
|
133
|
5,0
|
0,667
|
0,85
|
1,25
|
1
|
6,25
|
1,0
|
7,25
|
15,24
|
|
114,3×17,12 (4//)
|
152
|
6,4
|
0,796
|
0,86
|
1,3
|
1
|
8,4
|
1,0
|
9,4
|
17,12
|
|
141,3×15,88 (5//)
|
190
|
7,9
|
0,65
|
0,865
|
1,296
|
1
|
10,3
|
1,0
|
11,3
|
15,88
|
|
168,3×14,27
(6//)
|
229
|
9,4
|
0,65
|
0,865
|
1,284
|
1
|
12,1
|
1,0
|
13,1
|
14,27
|
|
219,1×18,26 (8//)
|
305
|
12,2
|
0,655
|
0,868
|
1,28
|
1
|
15,6
|
1,0
|
16,6
|
18,26
|
|
273,0×21,44 (10//)
|
381
|
15,2
|
0,655
|
0,868
|
1,28
|
1
|
19,5
|
1,0
|
20,5
|
21,44
|
|
323,8×25,4 (12//)
|
457
|
18,0
|
0,657
|
0,869
|
1,275
|
1
|
23,0
|
1,0
|
24,0
|
25,4
|
|
355,6×27,78 (14//)
|
538
|
19,8
|
0668
|
0,876
|
1,247
|
1
|
24,7
|
1,0
|
25,7
|
27,78
|
Условие прочности выполнено.
.6 Спец. деталь № 1
Эскиз спецдетали №1 изображен на рис 2.4
Рис 2.4.
Таблица 2.6
|
Номинальный размер трубы 1
|
14" / 355.6 мм
|
|
S (толщина) 1
|
SCH 120 / 27.79 мм
|
|
Номинальный размер трубы 2
|
12" / 323.8 мм
|
|
s 3
|
SCH 120 / 25.4 мм
|
|
Номинальный размер трубы 3
|
10" / 273 мм
|
|
s 4
|
SCH 120 / 21.44 мм
|
|
Номинальный размер трубы 4
|
6" / 168.3.1 мм
|
|
s 6
|
SCH 120 / 14.27 мм
|
|
Материал спецдетали №1
|
ASTM A2182 GR
F91.
|
|
s 2, s 5, s 7
|
Усиление обеспечивается поставщиком при необходимости
|
Исполнительная толщина стенки спецдетали №1 должна удовлетворять условию
РД 10-249-98 [1]:
мм
где
р =12,1 МПа;
МПа;
Отверстия
и
являются
одиночными, так как расстояние между кромками отверстий:
мм
Коэффициент
прочности с учетом укрепления одиночных отверстий равен:
-
коэффициент
прочности неукрепленного одиночного отверстия;
-
коэффициент
прочности одиночного отверстия с учетом укрепления;
мм2
площадь
укрепления отверстия;
мм
-
коэффициент
прочности неукрепленного одиночного отверстия;
-
коэффициент
прочности одиночного отверстия с учетом укрепления;
мм2
-
площадь
укрепления отверстия;
мм
Вывод:
Необходимо укрепление спецдетали №1.
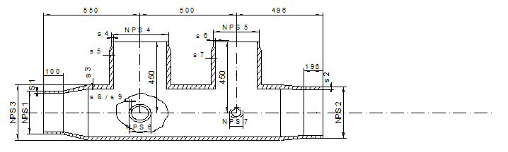
.7
Спецдеталь № 2
Эскиз спецдетали №2 изображен на рис 2.5.
Рис.
2.5
|
Номинальный размер трубы 1
|
10" / 273 мм
|
|
s 1
|
SCH 120 / 21.44 мм
|
|
Номинальный размер трубы 2
|
12" / 323.8 мм
|
|
s 2
|
SCH 120 / 25.4 мм
|
|
Номинальный размер трубы 3
|
14" / 355.6 мм
|
|
s 3
|
минимум SCH120 / 27.79, усиление определяется поставщиком
при необходимости
|
|
Номинальный размер трубы 4
|
10" / 273 мм
|
|
s 4
|
SCH 120 / 21.44 мм
|
|
Номинальный размер трубы 5
|
5" / 141.3 мм
|
|
s 6
|
SCH 160 / 15.88 мм
|
|
Номинальный размер трубы 6
|
3" / 88.9 мм
|
|
s 8
|
XXS / 15.24 мм
|
|
Номинальный размер трубы 7
|
Штуцер AY Номинальный размер трубы 14" 1 / LS 433-12
|
|
Материал спецдетали №2
|
ASTM A2182 GR
F91.
|
|
s 5, s 7, s 9
|
Усиление определяется поставщиком при необходимости
|
Исполнительная толщина стенки спецдетали №2 должна удовлетворять условию
РД 10-249-98 [1]:
мм
где
р =12,1 МПа;
МПа;
Отверстия
и
являются
одиночными, так как расстояние между кромками отверстий:
мм
Коэффициент
прочности с учетом укрепления одиночных отверстий равен:
коэффициент
прочности неукрепленного одиночного отверстия;
коэффициент
прочности одиночного отверстия с учетом укрепления;
мм2
площадь
укрепления отверстия;
мм
коэффициент
прочности неукрепленного одиночного отверстия;
коэффициент
прочности одиночного отверстия с учетом укрепления;
мм2
площадь
укрепления отверстия;
мм
Вывод:
Необходимо укрепление спецдетали №2.
2.8 Спецдеталь № 3
Эскиз спецдетали №3 изображен на рис 2.6
Рис
2.6
|
Номинальный размер трубы 1
|
12" / 323.8 мм
|
|
s 1
|
SCH 120 / 25.4 мм
|
|
Номинальный размер трубы 2
|
5" / 141.3 мм
|
|
s 3
|
SCH 160 / 15.88 мм
|
|
Номинальный размер трубы 3
|
Штуцер AY Номинальный размер трубы 12" 1 / LS 433-12
|
|
s 5
|
SCH 120 / 25.4 мм
|
|
Материал спецдетали №3
|
ASTM A2182 GR
F91.
|
|
s 2, s 4
|
Усиление определяется поставщиком при необходимости
|
Исполнительная толщина стенки спецдетали №3 должна удовлетворять условию
РД 10-249-98 [1]:
мм
где
р =12,1 МПа;
МПа; Отверстия
являются
одиночными, так как расстояние между кромками отверстий:
мм
Коэффициент
прочности с учетом укрепления одиночных отверстий равен:
коэффициент
прочности неукрепленного одиночного отверстия;
коэффициент
прочности одиночного отверстия с учетом укрепления;
мм2
площадь
укрепления отверстия;
мм
Вывод:
Условие прочности спецдетали №3 выполнено.
3. Поверочный расчет
Таблица 3.1
Номер
участка труб Наименование трубопровода
( D//)
|
мм×мм (дюйм)Материал исполнения труб
|
|
|
|
80000
|
От котла утилизатора до линии 80001
|
273,0×21,44 (10//) 323,8×25,4 (12//) 355,6×27,78 (14//)
|
ASTM A335 GR.P91
|
|
80001
|
От линии 80000 до фланца турбины
|
168,3×14,27
(6//) 273,0×21,44 (10//)
|
ASTM A335 GR.P91
|
|
80002
|
Участок трубопровода от участка 80000-250 до задвижки
|
273,0×21,44 (10//)
|
ASTM A335 GR.P91
|
|
80003
|
Участок трубопровода от участка 80000-250 до задвижки
|
168,3×14,27
(6//)
|
ASTM A335 GR.P91
|
|
80007
|
Участок трубопровода от участка 80000-250 до задвижки
|
273,0×21,44 (10//)
|
ASTM A335 GR.P91
|
|
80008
|
Участок трубопровода от участка 80000-250 до регулирующего
вентиля
|
141,3×15,88 (5//)
|
ASTM A335 GR.P91
|
|
80015
|
От линии 80000 до Е4502
|
88,9×15,24 (8//)
|
ASTM A335 GR.P91
|
|
80016
|
Участок трубопровода от участка 80000-300 до
предохранительного клапана
|
141,3×15,88 (5//) 323,8×25,4 (12//)
|
ASTM A335 GR.P91
|
|
80998
|
Участок трубопровода от участка 80000-250 до задвижки Х3101
|
219,1×18,26 (8//)
|
ASTM A335 GR.P91
|
|
10998
|
Участок от линии 80000 до линий 10999.11 и 10999.12
|
114,3×17,12 (4//) 141,3×15,88 (5//) 219,1×18,26 (8//)
|
ASTM A335 GR.P91
|
|
10999.11, 1099.12
|
Участок от линии 10998 до печей F1011, F1012
|
141,3×15,88 (5//) 219,1×18,26 (8//)
|
ASTM A335 GR.P91
|
В поверочном расчете паропровода рассмотрены следующие расчетные
сочетания нагрузок:
) Собственный вес паропроводов, включая арматуру и теплоизоляцию (G);
) Максимальная статическая нагрузка, включающая собственный вес
паропроводов, давление и температурную нагрузку (GTP);
) Максимальная статическая нагрузка, включающая собственный вес
паропроводов, давление и температурную нагрузку и максимальную ветровую
нагрузку (GTP+WIND);
) Максимальная статическая нагрузка, включающая собственный вес
паропроводов, давление, температурную нагрузку и максимальную снеговую нагрузку
(GTP+SNOW);
) Максимальная статическая нагрузка, включающая собственный вес
паропроводов, давление, температурную нагрузку и сейсмическую нагрузку (GTP+SEI);
) Максимальная статическая нагрузка, включающая собственную массу
компонентов, давление и температурную нагрузку, снеговую, сейсмическую нагрузку
и максимальную ветровую нагрузку (GTP+ SNOW +SEI+WIND);
Определение напряжённо-деформированного состояния трубопроводов
проводится с помощью программы ANSYS [10] методом конечных элементов.
Для определения напряжений, усилий и перемещений в трубопроводе от
действия давления, температуры, веса, самокомпенсации и смещений защемлённых
концевых опор создана конечно-элементная модель, показанная на рисунке 3.1.
Типы элементов использованных в расчете для задания деталей
трубопроводов:
для задания прямой трубы - элементы PIPE16 (Elastic straight
Pipe),
для задания гибов (колено) - элементы PIPE18 (Elastic Curved Pipe),
для задания арматуры - элементы PIPE16 (Elastic straight Pipe) с опцией «Valve»;
для задания тройников - элементы PIPE16 (Elastic straight
Pipe) с опцией «Tee».
Опорно-подвесная система включает в себя: неподвижные, скользящие и
направляющие опоры, пружинные подвески и опоры.
Типы элементов использованных в расчете для задания опор и подвесок:
для задания пружинной подвески или опоры- элементы COMBIN14
(Spring-Damper);
опоры скользящие и направляющие (без зазоров) заданы запрещением
перемещений узла по соответствующей оси;
опоры скользящие и направляющие (с зазорами) заданы контактным элементом CONTAC52.
Перечень примененных опор приведен в таблице 3.2.
Таблица 3.2. Перечень примененных опор
|
Трубопровод
|
№ опоры на изометрии
|
Чертеж
|
Технические условия поставки
|
|
AD-80000-250
|
YSF 136
|
AA L-ZF-1003
|
AA L-SP-1002
|
|
YSF 165
|
AA L-ZF-1004
|
AA L-SP-1002
|
|
YSF 168
|
AA L-ZF-1005
|
AA L-SP-1002
|
|
YSF 172
|
AA L-ZF-1006
|
AA L-SP-1002
|
|
YSU 140
|
AA L-ZF-1025
|
AA L-SP-1002
|
|
YSU 141, 142
|
AA L-ZF-1026
|
AA L-SP-1002
|
|
YSU 145, 146, 1455
|
AA L-ZF-1027
|
AA L-SP-1002
|
|
YSU 147
|
AA L-ZF-1028
|
AA L-SP-1002
|
|
YSU151
|
AA L-ZF-1029
|
AA L-SP-1002
|
|
YSU 155
|
AA L-ZF-1030
|
AA L-SP-1002
|
|
YSU 162
|
AA L-ZF-1031
|
AA L-SP-1002
|
|
GLTWC(5 опор)
|
|
|
|
AD-80001-250
|
YSF 114
|
AA L-ZF-1001
|
AA L-SP-1002
|
|
YSF 118
|
AA L-ZF-1002
|
AA L-SP-1002
|
|
YSU 120
|
AA L-ZF-1021
|
AA L-SP-1002
|
|
YSU 125
|
AA L-ZF-1022
|
AA L-SP-1002
|
|
YSU 128
|
AA L-ZF-1023
|
AA L-SP-1002
|
|
YSU 130
|
AA L-ZF-1024
|
AA L-SP-1002
|
|
HGWB01
|
|
|
|
AD-80002-250
|
YSF 212
|
AA L-ZF-1007
|
AA L-SP-1002
|
|
YSF 216
|
AA L-ZF-1008
|
AA L-SP-1002
|
|
YSF 218
|
AA L-ZF-1009
|
AA L-SP-1002
|
|
YSU 202
|
AA L-ZF-1032
|
AA L-SP-1002
|
|
YSU 208
|
AA L-ZF-1033
|
AA L-SP-1002
|
|
HGWB01
|
|
|
|
AD-80003-250
|
YSF 557
|
AA L-ZF-1013
|
AA L-SP-1002
|
|
YSF 564
|
AA L-ZF-1014
|
AA L-SP-1002
|
|
YSF 577
|
AA L-ZF-1015
|
AA L-SP-1002
|
|
YSU 560
|
AA L-ZF-1037
|
AA L-SP-1002
|
|
YSU 566
|
AA L-ZF-1038
|
AA L-SP-1002
|
|
GLWTC(2 опоры)
|
|
|
|
AD-80007-250
|
YSF 304
|
AA L-ZF-1011
|
AA L-SP-1002
|
|
GLWTC(2 опоры)
|
|
|
|
AD-80008-250
|
YSF 255
|
AA L-ZF-1010
|
AA L-SP-1002
|
|
AD-80015-250
|
YSU 933
|
|
|
|
YSU 920
|
AA L-ZF-1071
|
AA L-SP-1002
|
|
YSU918, 915, 913
|
AA L-ZF-1070
|
AA L-SP-1002
|
|
YSU 917, 916, 914, 912
|
AA L-ZF-1069
|
AA L-SP-1002
|
|
YSU 910, 907
|
AA L-ZF-1068
|
AA L-SP-1002
|
|
YSU 905
|
AA L-ZF-1067
|
AA L-SP-1002
|
|
YSU 904, 903, 902
|
AA L-ZF-1066
|
AA L-SP-1002
|
|
YSU 893
|
AA L-ZF-1065
|
AA L-SP-1002
|
|
YSU 898, 897, 896, 895, 894, 892
|
AA L-ZF-1064
|
AA L-SP-1002
|
|
YSU 890, 885
|
AA L-ZF-1062
|
AA L-SP-1002
|
|
YSU 889, 886,
|
AA L-ZF-1063
|
AA L-SP-1002
|
|
YSU 872
|
AA L-ZF-1061
|
AA L-SP-1002
|
|
YSU882, 876, 868
|
AA L-ZF-1060
|
AA L-SP-1002
|
|
YSU 883, 881, 880, 879, 878, 877, 875, 874, 873, 871,
870, 869, 867, 866, 865
|
AA L-ZF-1059
|
AA L-SP-1002
|
|
YSU 859
|
AA L-ZF-1058
|
AA L-SP-1002
|
|
YSU 858, 857
|
AA L-ZF-1057
|
AA L-SP-1002
|
|
HGWA01(3 опоры)
|
|
|
|
AD-80016-250
|
YSF 353
|
AA L-ZF-1012
|
AA L-SP-1002
|
|
YSU 358
|
AA L-ZF-1034
|
AA L-SP-1002
|
|
YSU 361
|
AA L-ZF-1035
|
AA L-SP-1002
|
|
YSU 400, 420, 440, 460, 480, 500
|
AA L-ZF-1036
|
AA L-SP-1002
|
|
AD-80998-320
|
YSF 628
|
AA L-ZF-1016
|
AA L-SP-1002
|
|
YSF 632
|
AA L-ZF-1017
|
AA L-SP-1002
|
|
YSF 636
|
AA L-ZF-1018
|
AA L-SP-1002
|
|
YSU 697, 614
|
AA L-ZF-1039
|
AA L-SP-1002
|
|
YSU 608
|
AA L-ZF-1040
|
AA L-SP-1002
|
|
YSU 616
|
AA L-ZF-1041
|
AA L-SP-1002
|
|
YSU 620
|
AA L-ZF-1042
|
AA L-SP-1002
|
|
YSU621
|
AA L-ZF-1043
|
AA L-SP-1002
|
|
YSU 624
|
AA L-ZF-1044
|
AA L-SP-1002
|
|
HGWB01(2 опоры)
|
|
|
|
AD-10998-320
|
YSU 704
|
AA L-ZF-1045
|
AA L-SP-1002
|
|
YSU 707, 710, 711
|
AA L-ZF-1046
|
AA L-SP-1002
|
|
YSU 713
|
AA L-ZF-1047
|
AA L-SP-1002
|
|
YSU 715
|
AA L-ZF-1048
|
AA L-SP-1002
|
|
YSU 717
|
AA L-ZF-1049
|
AA L-SP-1002
|
|
YSU 725
|
AA L-ZF-1050
|
AA L-SP-1002
|
|
YSU 726
|
AA L-ZF-1051
|
AA L-SP-1002
|
|
GLTWD(5 опор)
|
|
|
|
AD-10999.11
|
YSF 800
|
AA L-ZF-1020
|
AA L-SP-1002
|
|
YSU 731
|
AA L-ZF-1052
|
AA L-SP-1002
|
|
YSU 806
|
AA L-ZF-1055
|
AA L-SP-1002
|
|
YSU 813
|
AA L-ZF-1056
|
AA L-SP-1002
|
|
GLTWC(4 опоры)
|
|
|
|
AD-10999.12
|
YSF 736
|
AA L-ZF-1019
|
AA L-SP-1002
|
|
YSU 742
|
AA L-ZF-1053
|
AA L-SP-1002
|
|
YSU 749
|
AA L-ZF-1054
|
AA L-SP-1002
|
|
GLTWC
|
|
|
Проектом предусмотрена проверка опорно-подвесной системы после и во время
монтажа и испытаний на соответствие проектным чертежам.
Проектом предусмотрена установка клапанов в объеме документов
«Спецификация на материалы трубопроводов, № AA R-LY 1001», «Спецификация на
клапан (задвижка) 9FB09»,
«Спецификация на клапан (задвижка) 8FB09» и «Спецификация на клапан
(запорный клапан) 9ЕB04». Клапаны устанавливаются с твердыми уплотнительными
поверхностями, имеющими требуемую твердость, для исключения деформации
уплотнительных поверхностей. Перечень арматуры паропроводов приведен в
Приложении в таблице П1. Для оценки напряженного состояния трубопровода по
группам категорий напряжений в соответствии с РД 10-249-98 [1] принимаются
следующие комбинации нагрузок:
) (P), (Ph) - для оценки по группе категорий мембранных
напряжений в расчётном режиме и режиме гидравлических испытаний (выбор основных
размеров):
)
(G + P), (G + Ph) - для оценки по группе категорий напряжений (от
давления + весовых нагрузок +монтажных усилий в пружинных подвесках) в
расчётном режиме:
)
(G + P), (G + Ph) - для оценки по группе категорий напряжений (от
давления + весовых нагрузок +монтажных усилий в пружинных подвесках) в режиме
гидравлических испытаний:
)
(G + P + T + ДZ + ДY) - для оценки по группе категорий напряжений в расчётном
режиме (от давления + весовых нагрузок + монтажных усилий в пружинных подвесках
+ самокомпенсации от температурных расширений):
Примечание:
Компенсация температурных перемещений трубопроводов обеспечивается за счет
естественной самокомпенсации в углах поворота трасс трубопроводов
)
(G + P + ДZ + ДY+ SEI) - для оценки по группе категорий напряжений в
расчётном режиме (от давления + весовых нагрузок + монтажных усилий в пружинных
подвесках + сейсмическую нагрузку):
)
(G + P + ДZ + ДY+ WIND) - для оценки по группе категорий напряжений в
расчётном режиме (от давления + весовых нагрузок + монтажных усилий в пружинных
подвесках + ветровую нагрузку):
Примечание:
в соответствии с РД 10-249-98 [1]:
усилия
воздействия трубопровода на оборудование при задании расчетной температуре: 5250С;
при
расчете высокотемпературных трубопроводов по этапу II с целью оценки прочности
допускается расчет саморастяжки, обусловленный релаксацией напряжений
самокомпенсации. В этом случае вместо значений действительной температуры
нагрева вводилась значения фиктивной (условно заниженной) температуры нагрева,
определенной по формуле:
. (в соответствии с п. 5.2.3.6 РД 10-249-98).
)
(G + P + ДZ + ДY+ SNOW) - для оценки по группе категорий напряжений в
расчётном режиме (от давления + весовых нагрузок + монтажных усилий в пружинных
подвесках + снеговую нагрузку):
)
(G + P + T + ДZ + ДY+ SNOW илиWIND) - для оценки циклической прочности в расчётном цикле
пуск-останов (от давления + весовых нагрузок + монтажных усилий в пружинных
подвесках + самокомпенсации от температурных расширений + снеговую нагрузку или
(ветровую нагрузку):
Для
оценки прочности трубопроводов по группам категории напряжений результаты
расчета по программе ANSYS [10] выведены в виде напряжений:(кольцевые
напряжения уШ);(осевые напряжения, вызванные давлением и
растягивающим усилием - уz);или SBEND18 (напряжения, вызванные
изгибающими моментами - уb);(максимальная разность главных
напряжений у1 - у3);, J - начало и конец элемента.
Расчёт
сейсмических нагрузок проводится линейно-спектральным методом с использованием
программы ANSYS [10].
Определение собственных частот трубопровода проведено по программе
ANSYS[10] с использованием модального анализа.
Результаты расчета приведены в следующих приложениях:
Приложение П1. Перечень арматуры паропроводов
Приложение П2. Весовые + монтажные нагрузки+давление (G+Pмонт+Р);
- Приложение П3. Весовые + монтажные нагрузки+давление+температура G+Pмонт+Р+Т;
- Приложение П4. Характеристики пружинных подвесок;
- Приложение П5. Реакции в опорах в расчетном случае: G+Pмонт+Р;
Приложение П6. Реакции в опорах в расчетном случае: G+Pмонт+Р+Т;
- Приложение П7. Перемещения в режиме G+P+Pмонт+T.
Эпюры напряжений приведены на следующих рисунках:
- Максимальные эквивалентные напряжения при G+Pмонт на
рис.3.2;
Максимальные эквивалентные напряжения при G+Pмонт+ Р на
рис.3.3;
Максимальные эквивалентные напряжения при G+Pмонт+ Р + Т на
рис. 3.4
Максимальные эквивалентные напряжения при ветровых нагрузках (wind)на
рис. 3.5;
Максимальные эквивалентные напряжения при снеговых нагрузках (snow) на рис. 3.6;
- Максимальные эквивалентные напряжения при сейсмических нагрузках (earthquake) на рис. 3.7;
Максимальные эквивалентные напряжения при гидроиспытании на рис. 3.8.
Рисунок 3.1 Расчетная схема паропровода
Рисунок 3.1.1 Фрагмент расчетной схемы паропровода (тр-д 80016)
Рисунок 3.1.2 Фрагмент расчетной схемы паропровода (тр-д 80007)
Рисунок 3.1.3 Фрагмент расчетной схемы паропровода (тр-д 80007)
Рисунок 3.1.4 Фрагмент расчетной схемы паропровода (тр-ды: 10998,
10999.11, 10999.12)
Рисунок 3.1.5 Фрагмент расчетной схемы паропровода (тр-д: 80000)
Рисунок 3.1.6 Фрагмент расчетной схемы паропровода (тр-д: 80998)
Рисунок 3.1.7 Фрагмент расчетной схемы паропровода (тр-ды: 80001, 80002,
80008)
Рисунок 3.1.8 Фрагмент расчетной схемы паропровода (тр-д: 80015)
Рисунок 3.1.9 Фрагмент расчетной схемы паропровода (тр-д: 80015)
Рисунок 3.1.10 Фрагмент расчетной схемы паропровода (тр-д: 80015)
Рисунок 3.1.11 Фрагмент расчетной схемы паропровода (тр-д: 80015)
Рис. 3.2 Максимальные эквивалентные напряжения при G+Pмонт
Рис. 3.3 Максимальные эквивалентные напряжения при G+Pмонт+ Р
Рис. 3.4 Максимальные эквивалентные напряжения при G+Pмонт+ Р
+ Т
Рис. 3.5 Максимальные эквивалентные напряжения при ветровых нагрузках
(wind)
Рис. 3.6 Максимальные эквивалентные напряжения при снеговых нагрузках (snow)
Рис. 3.7 Максимальные эквивалентные напряжения при сейсмических нагрузках
(earthquake)
Рис. 3.8 Максимальные эквивалентные напряжения при гидроиспытании
4. Оценка прочности
Оценка по группе категорий мембранных напряжений в расчётном режиме (см.
выбор основных размеров):
Вывод:
Условие прочности выполняется кроме спецдеталей №1 и №2. Необходимо укрепление
либо паропровода либо патрубков.
Оценка
по группе категорий мембранных напряжений в режиме гидравлических испытаний (в
запас расчета принимаем)
МПа
Вывод: Условие прочности выполнено кроме спецдеталей №1 и №2. Необходимо
укрепление либо паропровода либо патрубков.
Оценка по группе категорий напряжений (от давления + весовых нагрузок
+монтажных усилий в пружинных подвесках) в расчётном режиме:
МПа
Оценка
по группе категорий напряжений (от давления + весовых нагрузок +монтажных
усилий в пружинных подвесках+ вес среды) в режиме гидроиспытания:
МПа
Вывод:
Условие прочности выполнено.
Оценка
по группе категорий напряжений в расчётном режиме (от давления + весовых
нагрузок + монтажных усилий в пружинных подвесках + самокомпенсации от
температурных расширений) (G + P + T + ДZ + ДY):
Мпа
Вывод: в расчете для учета самокомпенсации паропроводов была задано
, на самом деле величина может быть равной
, поэтому считаем условие прочности выполненным.
Оценка по группе категорий напряжений в расчётном режиме (от давления + весовых
нагрузок + монтажных усилий в пружинных подвесках + сейсмическую нагрузку) (G +
P + ДZ + ДY+ SEI):
МПа
Вывод:
Условие прочности выполнено.
Оценка
по группе категорий напряжений в расчётном режиме (от давления + весовых
нагрузок + монтажных усилий в пружинных подвесках + ветровую нагрузку) (G + P +
ДZ + ДY+ WIND):
МПа
Вывод:
Условие прочности выполнено.
Оценка
по группе категорий напряжений в расчётном режиме (от давления + весовых
нагрузок + монтажных усилий в пружинных подвесках + снеговую нагрузку) (G + P +
ДZ + ДY+ SNOW):
МПа
Оценка
циклической прочности.
В
расчётном цикле пуск-останов (от давления + весовых нагрузок + монтажных усилий
в пружинных подвесках + самокомпенсации от температурных расширений + снеговую
нагрузку или (ветровую нагрузку) амплитуда равна:
МПа
В
соответствии с кривыми усталости для стали ASTM A335 GR.P91,
приведенными в Appendix 5- mandatory design based on fatigue analysis
[13] допускаемое количество циклов не менее 3000.
Выводы:
Ресурс трубопровода должен быть назначен исходя из количества циклов
пуск-останов равного 3000.
Заключение
Элементы паропровода проекта «Паропровод высокого давления» производства
этилена № 3120 AHFA соответствуют
условиям прочности РД 10-249-98 «Норм расчета на прочность котлов и
трубопроводов пара и горячей воды».
На основании приведенного расчета, конструкции спецдеталей №1 и №2 должны
быть откорректированы увеличением (укреплением) толщины стенки основной трубы
и/или толщиной присоединяемого патрубка.
Список используемой литературы
1. «Нормы расчета на прочность котлов и трубопроводов пара и
горячей воды» РД 10-249-98.
. «Правила устройства и безопасной эксплуатации трубопроводов
пара и горячей воды»
ПБ 10-573-03.
. «Строительные нормы и правила. Нормы проектирования. Стальные
конструкции» СНиП II-23-81.
. «Строительные нормы и правила. Строительство в сейсмических
районах» СНиП II-7-81.
. «Строительные нормы и правила. Типовая проектная
документация» СНиП II-03-2001.
. «Свод правил. Нагрузки и воздействия» СП 20.1330.2011.
. «Строительные нормы и правила. Нагрузки и воздействия» СНиП
2.01.07-85.
. «Защита строительных конструкций от коррозии. Нормы
проектирования» СНиП 2.03.11-85.
. П.Д. Одесский и др. «Предотвращение хрупких разрушений
металлических строительных конструкций». г. Москва. Изд-во «СП интермет
инжиниринг», 1998 г.
. Программный комплекс ANSYS, лицензия 151427.
Регистрационный номер аттестационного паспорта программного средства - № 145 от
31.10.2002 г.
. Международный транслятор современных сталей и сплавов.
(Серия: международная инженерная энциклопедия). Справочник. Под редакцией В.С.
Кершенбаума. г. Москва, 1992-1994 г.
. «Указания по расчету на прочность и вибрацию
технологических трубопроводов» РТМ 38.001-94.
. Американское общество инженеров механиков. ASME Boiler and pressure vessel Code. Section I, II, VIII, 2001.
. ASME: B16.9, B16.10/19
(тройники, трубы, отводы крутоизогнутые).
15. DIN 2615, DIN 2605, DIN 2615-1 (отводы, фитинги).
16. Стандартная спецификация на материал A 182/SA182M -04;
. Стандартная спецификация на материал A 335/SA335M -04;
. Стандартная спецификация на материал A 234/SA234M -04;
. Марочник сталей и сплавов. Справочник.(НПОЦНИИТМаш). Под
редакцией А. С. Зубченко. г. Москва, изд-во «Машиностроение», 2001 г.
. Международное сопоставление стандартных марок стали.
Справочник. А. Людвиг,Ф. Прокша, г. Москва, изд-во стандартов, 1992 г.