Модернизация токарного станка с ЧПУ модели 16К20Т1
Список условных сокращений
АСУ ТП - автоматизированная система упарвления
технологическим процессом;
ДОС - датчик обратной связи;
ПО - программное обеспечение;
ПУ - пульт управления;
СОЖ - смазочно-охлаждающая жидкость;
УУ - устройство управления;
УЧПУ - устройство числового программного
управления;
СЧПУ - система числового программного
управления;
ЧПУ - числовое программное управление
ЭЛ - электроавтоматика.
Введение
За сравнительно короткий срок станки с ЧПУ
зарекомендовали себя как эффективное автоматизированное оборудование,
позволяющее достигнуть высоких технических и экономических показателей, решить
ряд важных социальных задач. Основные преимущества производства с помощью
станков с ЧПУ по сравнению с производством, использующим универсальные станки с
ручным управлением, следующие:
· сокращение основного и вспомогательного времени
изготовления деталей;
· повышение точности обработки;
· простота и малое время переналадки;
· возможность использования менее
квалифицированной рабочей силы и сокращение потребности в
высококвалифицированной рабочей силе;
· возможность применения
многостаночного обслуживания;
· снижение затрат на специальные
приспособления;
· сокращение цикла подготовки
производства новых изделий и сроков их поставки;
· концентрация операций, что
обеспечивает сокращение оборотных средств в незавершенном производстве, а также
затрат на транспортирование и контроль деталей;
· уменьшение числа бракованных изделий
по вине рабочего.
Опыт показывает, что наибольший экономический
эффект дает изготовление на станках с ЧПУ сложных деталей, в том числе из
труднообрабатываемых материалов, повышенной точности, требующих выполнения
многих технологических операций.
Качество работы, выполненной продукции зависит
от правильной эксплуатации и качественного ремонта электрооборудования.
С развитием технологий и научно техническим
прогрессом стало возможно еще более эффективнее использовать токарное
оборудование, проведя его модернизацию.
Данный курсовой проект является документом, в
котором проектируется модель токарного станка с ЧПУ модели 16К20Т1 в
модернизируемом варианте.
1.
Выбор и обоснование исходных данных
.1 Назначение и краткая
характеристика станка базовой модели
Токарный станок с ЧПУ, разработанный на базе
токарного станка с ЧПУ повышенной точности модели 16К20Т1, предназначен для
токарной обработки деталей типа тел вращения по программе, вводимой вручную или
записанной на жёстком диске. На этом станке можно выполнять обработку деталей
со ступенчатым и криволинейным профилем, в том числе и нарезание резьб. Детали,
обрабатываемые на данном станке, изготавливают из легированной, износостойкой,
жаропрочной и жаростойкой сталей, поэтому станок должен обладать высокой
жесткостью. Широкий диапазон частот вращения шпинделя и скоростей подач с
бесступенчатым регулированием позволяет обрабатывать детали из чугуна, стали,
алюминия и других металлов и сплавов. Программное управление станка позволяет
обрабатывать детали очень сложного профиля с большим количеством переходов в
автоматическом режиме, что является экономически выгодно для серийного,
мелкосерийного и единичного производства.
1.2 Основные недостатки конструкции
базовой модели станка и пути их устранения
Основными недостатками конструкции базовой
модели станка являются следующие: технологические возможности станка не
позволяют получать готовые детали сложного профиля за один установ;
резьбонарезной датчик, который позволяет нарезать только крепежную резьбу на
станке; устаревшие ДОС привода продольной и поперечной подачи; устаревшая СЧПУ;
недостаточно широкий диапазон частот вращения шпинделя; сложная конструкция
коробки скоростей.
Указанные недостатки устранены в новой модели
путём внесения следующих конструкторских изменений.
Вместо отечественного общепромышленного
асинхронного двигателя серии 4А использован асинхронный электродвигатель с
короткозамкнутым ротором (фирмы SIЕMENS) серии 1PH7. Этот двигатель дороже, но
он обладает рядом существенных преимуществ, это - высокие частоты вращения,
большие крутящий момент и мощность. Это позволило применить комбинированный
бесступенчатый привод и расширить диапазон частот вращения шпинделя. В
результате было уменьшено число зубчатых передач, и, соответственно, габариты
коробки скоростей, её металлоёмкость и т.д . Всё это позволило существенно
упростить конструкцию коробки скоростей.
В приводе главного движения используется датчик
обратной связи ЛИР - 190А, служащий для контроля нарезания однозаходной и
многозаходной резьбы на станке.
В качестве датчика обратной связи в приводах
продольного и поперечного перемещения применен оптоэлектронный датчик линейных
перемещений ЛИР-8. Это линейная оптическая измерительная система, которая
предназначена для преобразования линейных перемещений рабочих органов станков в
электрические сигналы, содержащие информацию о величине и направлении этих
перемещений. Она имеет существенные преимущества: нечувствительна к
загрязнению, требует менее точного регулирования расстояния между головкой
считывания и линейкой, а также в ней отсутствуют наводящие электромагнитные
поля.
Поэтому в приводах продольного и поперечного
перемещения устанавливаем оптоэлектронные датчики линейных перемещений ЛИР-8
(изготовитель СКБ ИС г. Санкт-Петербург). Эти датчики являются полным аналогом
датчиков LS403 фирмы HEIDENHAIN, но при этом их цена не превышает 30% цены
импортного аналога. Характеристика ЛИР-8: Длина измерения до 320 мм; габариты
поперечного сечения 49x20 мм; точность ±3 мкм/м.
Револьверная головка, используемая в данном
проекте, выполнена конструктивно по образцу револьверной головки фирмы «TRAUB».
Особенность данной головки и ее преимущество перед головкой, установленной на
базовом станке заключается в том, что установлен дополнительный привод на
осевой инструмент. Вращение РГ производится автоматически по команде УЧПУ, т.е.
имеет место автоматическая смена инструмента.
В станке также заменена система программного
управления. Конструктивно устройство выполнено в виде шкафа и разделено на
блоки. Пульт управления выполнен в виде целого блока и крепится на стойке,
которая может поворачиваться в заданное положение.
2. Выбор и расчет основных
компонентов модернизируемого станка
.1 Описание конструкции основных
узлов
Механизм главного движения
На станке установлена шпиндельная бабка,
обеспечивающая два диапазона скоростей вращения. I диапазон включает частоты
вращения 20…315 мин-1, II диапазон - 160…2500 мин-1. В
пределах каждого диапазона изменение чисел оборотов бесступенчатое.
В качестве электродвигателя главного движения,
обеспечивающего вращение шпинделя, выбран асинхронный частотно-регулируемый
электродвигатель с короткозамкнутым ротором фирмы SIЕMENS мощностью 11 кВт.
Передача вращения от электродвигателя на вал
шпиндельной бабки осуществляется поликлиновым ремнем 2240Л20.
Смазка шпиндельной бабки осуществляется от
станции смазки, смонтированной на основании станка.
Патрон с электромеханическим приводом
Передняя опора шпинделя представляет собой
двухрядный радиально-упорный роликоподшипник с коническими роликами, а задняя
опора - однорядный радиально-упорный роликоподшипник с коническими роликами.
Зажим и разжим заготовки производится от
электромеханического привода, передающего вращение через тягу на зубчатое
колесо, поворот которого приводит к смещению косозубой рейки, находящейся в
зацеплении с кулачками патрона. В зависимости от направления вращения привода
кулачки перемещаются вниз (зажим заготовки) или вверх (разжим заготовки).
В задней части шпинделя закреплена шестерня,
вращение от которой передается на оптоэлектрический датчик круговых перемещений
ЛИР-190А, служащий для согласования вращения шпинделя и перемещения резца при
нарезании резьбы. Он осуществляют преобразование измеряемого перемещения в
последовательность электрических сигналов, содержащих информацию о величине и
направлении этих перемещений для последующей обработки в системах ЧПУ.
Датчик с основными характеристиками и размерами
показан на рисунке 2.1:
Рис. 2.1 Датчик круговых перемещений ЛИР - 190А.
Основание станка
Основание станка представляет собой жесткую
отливку, на которой устанавливаются станина, электродвигатель главного
движения, станции смазки направляющих каретки шпиндельной бабки, насос подачи
СОЖ. Средняя часть основания служит сборником для стружки и СОЖ, отсек в нижней
правой части основания - резервуаром СОЖ.
Станина станка
Станина станка имеет коробчатую форму с
поперечными ребрами П-образного профиля, закаленные шлифованные направляющие.
На станине устанавливаются шпиндельная бабка, каретка, привод продольной
подачи, задняя бабка. Для базирования каретки на станине передняя направляющая
имеет форму неравнобокой призмы, задняя направляющая - плоская. Задняя бабка
базируется на станине по малой задней призматической направляющей и по
плоскости - на передней направляющей.
Приводы продольного и поперечного перемещений
Перемещение суппорта обеспечивают приводы
продольных и поперечных подач, состоящий из высокомоментного двигателя ПБВ132М,
муфты сильфонного типа и винтовой пары качения. Профиль гайки идентичен профилю
резьбы винта. В канавках винта и гайки расположены шарики, которые вращаются и
перемещаются вдоль канала. ШВП обладает высокой жесткостью, достаточной, а
также малым трением, отсутствием зазоров и возможностью создания
предварительного натяга.
2.2 Описание конструкции датчиков
линейных перемещений
В конструкцию датчика входит стеклянная линейка
с штриховой шкалой, дискретностью шага 20 мкм. Шкала выполнена в виде
светонепроницаемых штрихов и прозрачных межштриховых пробелов одинаковой
ширины. В общий комплект считывающей головки входят источник света,
конденсатор, выпрямляющий свет в параллельном направлении, а также ползунок со
сканирующим растром и кремниевыми фотоэлементами.
Технические характеристики ЛИР-8
|
Длина измерения
|
до 320 мм
|
|
Габариты поперечного сечения
|
49х20 мм
|
|
Точность
|
±3 мкм/м
|
В основе данной системы измерения линейных
размеров лежит фотоэлектрический принцип считывания штрихов шкалы линейки (рис.
2.2).
Рис.2.2 Конструкция оптической
линейки
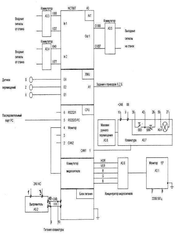
2.3 Описание устройств и работы ЧПУ
NC 2000 и JNC
Попробуем модернизировать наш станок с помощью
системы управления NC 2000.
Конструктивно система построена на основе
отлаженных стандартно серийно выпускаемых базовых узлов и плат, производимыми
фирмами Advantech, Fastwel, Grayhill и Omron. Использование стандартных узлов
позволило решить сразу несколько важных задач. Первая из них существенное
сокращение сроков разработки системы при одновременном снижении трудозатрат.
Вторая - повышенная надежность комплектующих, так как их серийно выпускают
хорошо зарекомендовавшие себя на мировом рынке фирмы [1, 2]. Третья -
универсальность и доступность применяемых комплектующих: они поставляются на
рынок в массовом порядке, на их основе могут быть построены самые разнообразные
системы управления, включая большие распределенные системы АСУ ТП, при
сохранении однородности ремонтной базы.
Основной особенностью системы NC 2000 является
принцип её построения. Это распределенная система с гибкой архитектурой.
Варианты архитектуры системы NC 2000 показаны на рис. 2.3, а примерная
структура производственного участка с её использованием - на рис. 2.4. Как
видно из рисунков, ядром системы является базовая станция, построенная в
конструктиве промышленной рабочей станции фирмы Advantech. Базовая станция
управляет всей системой на уровне команд, обеспечивает пользовательский
интерфейс, сетевые возможности, а также отвечает и за взаимодействие с
автономными внешними устройствами.
Блок (контроллер) адаптивного управления
выполняет функцию регулировки параметров процесса или подстройки параметров
технологического оборудования в реальном масштабе времени. В зависимости от
сложности процесса адаптивного управления уровня требований к надежности и
точности управления, временных характеристик цепи обратной связи эта функция
может быть реализована на специально выделенном контроллере либо быть
дополнительной функцией базовой станции или любого контроллера, например
контроллера управления движением.
На нижнем уровне NC 2000 расположены
контроллеры, отвечающие за управление технологической машиной в режиме жесткого
реального времени. Это контроллеры управления движением, контроллеры
электроавтоматики, адаптивного управления и т.д. Все контроллеры объединены
между собой и с базовой станцией в единую сеть и имеют индивидуальный сетевой
адрес. Каждый контроллер получает задание от базовой станции, выполняет его и
посылает базовой станции информацию о ходе выполнения задания.
Рисунок.2.3 Варианты архитектуры NC_2000
Данная архитектура системы позволяет получить
наивысшую скорость её реакции на внешнее воздействие, сохранив обширные
сетевые, графические и вычислительные возможности. Время отработки одного цикла
управления движением NC 2000 не более 200 мкс, при этом один контроллер может
управлять одновременно 32 осями. Гарантированное время реакции контроллеров
системы может достигать 50мкс. Количество контроллеров в системе NC 2000 в
основном определяется сетевыми возможностями.
Траектория движения инструмента по
обрабатываемой поверхности представляет собой кусочно-ломаную линию,
приближающуюся к теоретическому контуру поверхности с заданной точностью.
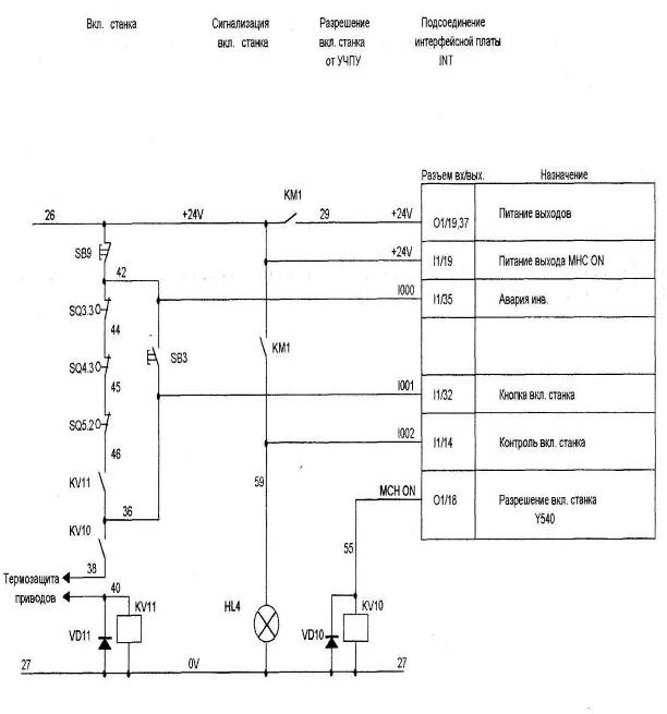
Электрические схемы подключения УЧПУ, порядки
входов/выходов поданы в конструкторской документации (см. ведомость).
Рис 2.4 Пример производственного участка с
использованием NC 2000
Следует также добавить, что система NC 2000
позволяет вести программное управление несколькими процессами одновременно. В
ней возможен как за пуск нескольких процессов в пределах одной машины
(разделение ресурса), так и нескольких процессов на разных машинах, имеющих
свои контроллеры (локальный ресурс). Это позволяет использовать NC_2000 для
управления автоматическими линиями, в том числе распределенными.
Еще одна особенность NC 2000 - она позволяет
запускать на базовой станции стандартные Windows-приложения, включая CAD/CAM
системы. Таким образом если на базовой станции использовать достаточно мощную
процессорную плату, она может выполнять функции рабочего места
конструктора-технолога в составе лабораторного комплекса. В случае упрощенного
варианта системы базовая станция может выполнять и функции контроллера
электроавтоматики. При этом программное обеспечение контроллера запускается на
базовой станции отдельным приложением и обменивается данными с ядром NC 2000.
Таким образом, можем сделать вывод, что система
NC 2000 нам подходит.
Попробуем применить еще одну систему - JNC - на
наш станок.- это одна из очень небольшого числа систем ЧПУ, которая
соответствует современным требованиям, и, пожалуй, единственная из этого числа
в своей ценовой категории.
Конструктивно система JNC представляет собой
систему, состоящую из контроллера и блока управления, реализованного на базе ПК
с соответствующим программным обеспечением. Такая конструкция обладает
несомненными преимуществами и может быть использована совместно практически с
любым токарным станком с ЧПУ. Это достигается за счёт простоты настройки
системы JNC применительно к электрооборудованию каждого конкретного станка и
осуществляется в основном программными средствами. Кроме того, такой вариант
исполнения обеспечивает лёгкую интеграцию в существующую систему автоматизации
производства и обладает несомненным удобством для оператора, данные для
которого представляются в графической форме.
Полный цикл работ по модернизации токарного
станка с ЧПУ включает в себя и замену некоторой части электрооборудования -
замену приводов и электроконтактной аппаратуры. Тем не менее, JNC по сравнению
с другими системами ЧПУ, позволяет максимально использовать имеющееся
электрооборудование, а значит и снизить затраты на переоснащение.
Система ЧПУ JNC-T01 представляет собой
компьютерную систему управления металлорежущим станком, выполненную на базе
персонального компьютера, оснащенного операционной системой “Windows XP” (рис
2.5) и установленным программным обеспечением JNC-T01, осуществляющим
управление станком через распределенный контроллер JC-A, также входящий в
состав системы (состав контроллера меняется в зависимости от сложности станка).
Блок управления системы JNC-T01, выполнен в виде
встраиваемого 19-ти дюймового модуля, представляющего собой промышленный
компьютер с 15" сенсорным экраном.
Для встраивания в стандартную консоль станка
16к20Ф3 разработано специальное исполнение блока управления системы JNC-T01.
Система ЧПУ JNC-T01 может быть установлена на
любой станок токарной группы:
токарно-винторезный станок;
токарный обрабатывающий центр;
токарный станок с двумя револьверными головками.
Для адаптации системы к станку, в состав
программного обеспечения входит модуль алгоритма, в котором реализован принцип
работы узлов станка и их взаимодействие.
Элементы управления: Основные (часто
используемые) элементы управления представлены в виде кнопок и регуляторов,
расположенных на лицевой панели блока управления. Установочные элементы
управления вынесены на экранный пульт оператора, расположенный в левой стороне
экрана, для работы с ним используется сенсорный экран. Он представляет собой
набор кнопок, разделенных на группы: РЕЖИМЫ, УЗЛЫ СТАНКА, БЛОКИРОВКИ, ОБЩАЯ.
Состав основного и экранного пультов может быть изменен в зависимости от
сложности станка и пожеланий клиента (рис. 2.6).
Рис 2.5 Операционная система JNC-TO1
3. Предлагаемые узлы для
модернизации станка
.1 Привод главного движения, его
кинематический расчет
Произведем выбор электродвигателя исходя из
технологических возможностей проектируемого станка.
Наибольший диаметр обработки деталей dmax=400
мм.
Наименьший диаметр обработки деталей dmin=5
мм.
Предельные частоты вращения шпинделя:
- для обработки легкообрабатываемых
материалов;
- для обработки
труднообрабатываемых материалов.
В качестве труднообрабатываемых
материалов выбираем высокопрочную сталь (sв≥1600 МПа) 43ХСНМВФА, тип
термообработки - закалка, sв=2000 МПа
Скорость резания при нарезании
резцом метрической резьбы:=8,5 м/мин
В качестве легкообрабатываемых
материалов выбираем алюминиевый сплав Д16, Д16Т, тип термообработки - закалка +
старение, sв=360 МПа.
Скорость резания при точении алюминиевых
сплавов:=250 м/мин.
Вычисляем предельные частоты вращения шпинделя:
мин-1
мин-1
Частота вращения nmax=15923
мин-1 не осуществима, т.к. ряд технологических критериев не позволит
безопасно работать на станке. При высоких частотах значительно увеличиваются
величины возникающего дисбаланса, вибраций. Трехкулачковый патрон не даст
надежной установки детали. Шпиндельные подшипники не выдержат столь высоких
частот.
Полученные значения частот вращения
могут быть реализованы лишь теоретически возможной стойкостью режущего
инструмента.
Принимаем частоты вращения привода
главного движения:max=2500 мин-1, nmin=6,3 мин-1
Скорости резания:max=250
мин-1, Vmin=8,5 мин-1
Проектируем привод главного движения
для получения на шпинделе следующих характеристик:
мин-1,
мин-1.
В токарно - винторезном станке с ЧПУ
устанавливаем привод главного движения с бесступенчатым регулированием.
Основными достоинствами такого привода являются [5, 6, 7]:
·
повышение
производительности обработки за счет точной настройки оптимальной скорости
резания;
·
возможность
плавного изменения скорости резания во время рабочего цикла станка;
·
простота
автоматизации процесса переключения скоростей;
·
значительное
упрощение конструкции и снижение металлоемкости коробки скоростей в сравнении
со ступенчатым приводом.
Для бесступенчатого регулирования скорости в
основном применяют регулируемые электродвигатели:
. Электродвигатели постоянного тока с
тиристорной системой управления;
. Асинхронные электродвигатели, регулируемые за
счет изменения частоты тока.
Выбираем асинхронный электродвигатель с
короткозамкнутым ротором 1РН7 131 NF фирмы SIEMENS, технические характеристики
которого:
Рном=11 кВт,ном=500 мин-1,max=6700
мин-1,
Мкр.ном.=70 Н*м
Рассчитаем его диапазон регулирования при
постоянной мощности:
эд.ном и nэд.max
- соответственно номинальная и максимальная частоты вращения
электродвигателя.
д =13 (т.е. Rд>8);
Вычислим диапазон регулирования
коробки скоростей:
- общий диапазон регулирования
привода.

мин-1
мин-1
Принимаем nр=37 мин-1
Рис. 3.1 График расчета главного
привода
Рассчитаем число m групп передач коробки
скоростей:
Значение m можно округлить до 2.
Принимаем стандартное значение
знаменателя j=1,26 и
определяем:
Определим число интервалов lgj, которые пересекают на
графике частот вращения лучи, изображающие передачи группы, а именно:
Однако при j=1,26, число интервалов lgj, которые пересекают на
графике частот вращения лучи, изображающие передачи группы, не может превышать
9 (для выполнения условия
). Поэтому
принимаем окончательно Кm =9. Оставшиеся три интервала можно
получить лишь в результате регулирования электродвигателя в зоне постоянного
крутящего момента.
Фактические диапазоны регулирования
коробки скоростей и привода в целом:
Фактические диапазоны регулирования:
Rф.к. =1,269*5.5=31; Rф.п. =402.
Определим число К1
интервалов между максимальной частотой вращения шпинделя и максимальной частотой
вращения электродвигателя, а также число К2 интервалов между
максимальной и минимальной частотами вращения шпинделя:
К1 =4.3 и К2
=26. Принимаем К1=4 и К2 =26, тогда Кобщ. =К1
+К2 =30
По нормали Н11-1 "Нормальные
ряды чисел в станкостроении " выбираем стандартный ряд частот вращения
(мин-1):
8000;6300;5000;4000;3150;2500;2000;1600;1250;1000;800;630;500;400;315;
250;200;160;125;100;80;63;50;40;31,5;25;20;16;10;8;6,3 и строим график частот
вращения.
Рис. 3.2 График частот вращения
3.2 Коробка скоростей, ее силовой и
прочностной расчет
При определении чисел зубьев
необходимо не только получить данное передаточное отношение i1=z1:z2,
но и обеспечить постоянную сумму зубьев в пределах 2-х валовой передачи
z = z1+z2
= const.
Отсюда z1=33, z2=53.
Отсюда z2=58, z3=28.
Отсюда z2=17, z3=69
Определения модуля зубчатых колес
Крутящий момент на валу электродвигателя привода
определяется по формулам:
н -
номинальная мощность электродвигателя привода, кВт;
ω - угловая скорость вала
электродвигателя, рад/с;н - номинальная частота вращения, заданная в
технической характеристике электродвигателя.
Крутящий момент на первом валу
привода:
1 - частота
вращения первого вала привода;
η1 -
коэффициент полезного действия передач от электродвигателя до первого вала, включая
коэффициент полезного действия ремённой передачи (η=0,94…0,96)
и
подшипников качения первого вала (η=0,99).
η1=0,95*0,99=0,9405
При определении крутящего момента на
ІІ валу принимаем расчётную частоту вращения вала, которая соответствует
верхнему значению
. Т. е. n2=80
мин-1;
η2=0,9405*0,98=0,9217
Тогда крутящий момент на ІІ валу:
При расчёте зубчатых передач станков
модули определяются не только исходя из прочности зубьев на изгиб mизг
, но из усталости поверхностных слоёв (по контактным напряжениям) mпов.
Для стальных прямозубых колёс модули
определяются по формулам:
, где:
станок модернизация
датчик привод
z - число зубьев лимитирующего
колеса;
[σпов], [σизг] -
соответственно допускаемые контактные напряжения по усталости поверхностных
слоёв и напряжения на изгиб, МПа;=Nн*ηi -
номинальная передаваемая мощность, кВт;
ηi - К.п.д. от
электродвигателя до рассчитываемой передачи;- расчетная частота вращения
меньшего колеса, об/мин;- коэффициент формы зуба, при z=20..60, y=0,243…0,268;-
передаточное отношение, всегда принимаем i≥1. Для замедлительных передач
берём величину, обратную передаточному отношению зубчатой передачи;
,
-
ширина шестерни зуба;ш - диаметр шестерни;
ψ0=0,7…1,6 -
при симметричном расположении и жёстких валах;
ψ0=0,4…0,6 -
при консольно-расположенной шестерни;- коэффициент нагрузки; k=kд×kк×kр , гдед
- коэффициент динамической нагрузки; kд=1,1…1,2;к -
коэффициент концентрации нагрузки; kк=1,2…1,4;р -
коэффициент режима; kр=1,1…1,3.
Допустимые
контактные напряжения [σпов] определяют
по формуле:
,
σ0пов(1,2) - предел
контактной выносливости лимитирующего звена зубчатой передачи (шестерни или
колеса);n - коэффициент безопасности при расчёте зубьев на
контактную прочность;
индексы:
1-для шестерни, 2-для колеса.
В
качестве материала для зубчатых колёс принимаем Сталь 40Х. Для неё в качестве
термообработки используется объёмная закалка. При этом твёрдость составляет HRC
45..55. Sn=1,1.
Допускаемые
напряжения изгиба [σизг] определяют
по формуле:
,
Тогда
для передачи вал І-ІІ примем:д=1,15 ,kк=1,3 ,kр=
1,2
k=1,15×1,3×1,2=1,794
При
расчёте mпов k=1,794р= 1
k=1,15*1,3×1=1,495
При
расчёте mизг k=1,495=33/53 , y=0,243 , ψ=6, ψ0=0,6;
Принимаем
m=2 мм.=58/28
Принимаем
m=2 мм.=17/69
Принимаем
m=2 мм.
Определение
диаметров зубчатых колёс.
)
Определим делительные диаметры зубчатых колёс:
)
Определим диаметр окружностей вершин зубьев:
)
Определим расстояние между осями валов:
)
Определим ширину зубчатых венцов:
Расчёт
валов на прочность.
При
работе валов коробки скоростей основными нагрузками являются силы, возникающие
в зубчатых передачах. Во вращающихся валах эти силы вызывают напряжения,
изменяющиеся по знакопеременному симметричному циклу. Предварительно расчёт на
прочность определяет диаметр вала по условному расчёту на чистовое кручение без
учёта влияния изгиба.
,
Т
- крутящий момент на расчётном валу, Н*мм;
[τкр] -
пониженное допускаемое напряжение кручения, МПа.
При
предварительном расчёте для валов из конструкционных углеродистых сталей
допускаемые напряжения кручения на выходных участках принимаем [τкр] =15…20
МПа. На остальных участках валов диаметры назначаем исходя из конструктивных и
технологических требований.
Вал
І:
Вал
ІІ:
Конструктивно
увеличиваем диаметры валов и принимаем:
,
После
предварительного определения диаметров валов произведём расчёт на выносливость
(усталостную прочность) вала І коробки скоростей и горизонтального шпинделя
станка. Данный расчёт отражает характер изменения напряжений, статические и
усталостные характеристики материалов, а также поверхностное упрочнение валов.
3.3 Выбор электродвигателя и
определение мощности привода вращения осевого инструмента
Минимальные обороты двигателя назначаем при
фрезеровании заготовки из высокопрочной стали 43Х3СНМВФА.
Глубина фрезерования t = 10 мм.
Примем подачу на зуб Sz = 0.12 мм,
при диаметре фрезы 20 мм.
Скорость резания:
V=
, м/мин
где V - скорость резания;
Т - период стойкости, мин;- глубина
резания, мм;V - общий поправочный коэффициент;z - подача
на зуб, мм;- ширина фрезерования, мм;- число зубьев фрезы.
V = KMV´KПV´KИV,
где KMV-коэффициент,
учитывающий качество обрабатываемого материала,ПV-коэффициент,
учитывающий состояние поверхности заготовки,ИV - коэффициент,
учитывающий материал инструмента.
Тогда CV = 108, q = 0.3,
m = 0.26, x = 0.3, y = 0.25, u = 0, p = 0,
Т = 80 мин, t = 3,0 мм, В = 4 мм, z
= 2, KMV = 0.95,KПV = 0.9,KИV = 1.0.V
= 0,95´0,9´1,0 = 0,855
.
V =
= 9.149 м/мин.p = V/(p´d) =87.149/(p´0.076) =
1284.45 мин-1
Определим силу резания:
Рz=
, Н
Рz=
Н
Мощность резания:
е=
, кВте=
кВт
Для подсчета максимальных оборотов двигателя
осевого инструмент выбираем материал заготовки Д16Т - алюминиевые сплавы.
Диаметр сверла
Подачу S назначаем по таблице 26 (4,
стр. 277): S = 0,15 мм/об. Скорость резания рассчитывается по эмпирической
формуле:
Стойкость сверла: Т = 30 мин;
= 7,0; m = 0,20; y = 0,7; q = 0,4,
;
Скорость резания:
Тогда частота вращения шпинделя:
.
Проектируем привод вращения осевого
инструмента для получения следующих характеристик:
максимальные обороты двигателя nmax =
3000 об/мин
минимальные обороты двигателя nmin =
1284 об/мин
Выбираем трехфазный асинхронный двигатель фирмы
1РH7103-F-0 «Siеmens» [3]:
номинальная мощность 4 кВт;
достигаемая частота вращения при номинальной
мощности n=3750 мин-1;
Мд=70 Н*м.
4. Организационно-экономическая
часть
.1 Технико-экономическая
эффективность внедрения нового технологического оборудования
Одним из главных показателей экономичности
оборудования или технологического процесса является себестоимость выпускаемой
продукции.
Себестоимость продукции включает затраты на
основные материалы, заработную плату, электроэнергию, вспомогательные материалы
(для технологических целей), ремонт оборудования и амортизационные отчисления.
Эти составляющие себестоимости непосредственно
зависят от основных технических характеристик станка, улучшение которых
приводит к уменьшению себестоимости продукции. Кроме того себестоимость
продукции включает также цеховые и общезаводские расходы, содержащие затраты на
содержание цехового и общезаводского персонала, зданий и сооружений и др.
Одним из основных методов уменьшения
себестоимости продукции является повышение производительности станка и
изменение технологического процесса.
Оснащение станка устройством автоматической
смены режущего инструмента сокращает tВ - вспомогательное время,
затрачиваемое на установку и смену режущего инструмента.
Применение системы измерительных датчиков
наладки режущего инструмента и контроля обработанных заготовок не только
способствует повышению качества продукции, снижению количества бракованных
деталей, но и обеспечивает сокращение tВ за счет упрощенной
установки изделия на станке, автоматизированного контроля размеров.
Система измерительных датчиков контакта доводит
до минимума вмешательство оператора в технологический процесс, поэтому требует
обслуживание станка оператором меньшей квалификации.
Изменение технологического процесса путем
концентрации операций на одном станке, совмещение переходов во времени также
дает существенное увеличение производительности при одновременном повышении
качества обработки.
Так как расчет технико-экономической
эффективности для нескольких деталей затруднителен, то принимаем типовую
деталь, обрабатываемую на данном оборудовании с годовой программой выпуска N=50
шт.
5. Охрана труда и техника
безопасности
.1 Обеспечение безопасности труда
при эксплуатации токарного станка с ЧПУ
Технологический процесс с использованием станка,
осуществляется в условиях механического цеха с железобетонным полом. В цехе
имеется водяное отопление, цеховая магистраль сжатого воздуха, осветительные и
вентиляционные установки.
В процессе трудовой деятельности оператор
осуществляет процесс обработки детали с помощью ЧПУ. При этом он производит
ввод, отладку и корректировку программы, управляет электро- и гидроагрегатами,
включает и выключает станок, осуществляет контроль за ходом технологической
операции. Наладка и переналадка станка осуществляется наладчиком.
В процессе эксплуатации станка на рабочего
действует ряд источников опасных и вредных факторов. Опасные и вредные
производственные факторы подразделяются по природе воздействия на группы (по
ГОСТ 12.0.003-74):
. Физические опасные и вредные производственные
факторы, такие как:
движущиеся части станка, вылетающая стружка и
острые кромки детали;
повышенная запыленность и загазованность воздуха
рабочей зоны;
повышенная температура поверхности заготовки и
инструмента;
повышенный уровень шума на рабочем месте;
повышенный уровень вибрации;
опасный уровень напряжения в электрической цепи;
недостаточная освещенность рабочей зоны;
. Химические опасные и вредные производственные
факторы.
. Биологические опасные и вредные
производственные факторы.
. Психофизиологические опасные и вредные факторы
:
физические перегрузки (установка заготовок на
станок и снятие готовых деталей со станка);
нервно-психические перегрузки, вызванные
монотонностью труда;
Оценка механически опасных факторов.
К опасным механическим факторам относятся движущиеся
элементы конструкции станка (револьверная головка, пиноль), суппорт с
установленным в нем режущим инструментом, вылетающие в процессе резания стружка
и осколки режущего инструмента.
Основными опасными механическими факторами,
возникающими в процессе токарной обработки детали, являются:
стружка «стальной вьюн», имеющая острые края и
повышенную температуру;
вращающийся шпиндель с патроном и закрепленной
заготовкой;
острые кромки заготовки, острие резца;
движущиеся элементы конструкции станка, требующие
ограждения (шкивы и ременные передачи, ходовой винт и вал, распределяющие
движение в суппорте);
падающая заготовка.
Для безопасной эксплуатации станка и защиты
обслуживающего персонала предусмотрены защитные устройства, предназначенные для
ограждения движущихся механизмов, исключая возможность допуска к ним. Зона
резания имеет защитное устройство, включающее в себя щиток со смотровым окном
из прочного стекла, защищающего человека от вылета стружки брызг СОЖ и масел.
Узлы и механизмы станка, представляющие
опасность, окрашены в различные цвета, регламентированные ГОСТ 15548-70.
Оценка безопасности при выделениях газов и
паров.
Наиболее интенсивными источниками выделения
вредных примесей являются технологические операции.
Значения предельно допустимых концентраций
вредных примесей в воздухе рабочей зоны приводятся в ГОСТ 12.1.005-88 «Воздух
рабочей зоны. Общие санитарно-гигиенические требования» и СниП 2.04.05-86
«Отопление, вентиляция и кондиционирование».
Процесс охлаждения зоны резания с помощью подачи
СОЖ является источником выделения в воздух аэрозолей и паров воды. СОЖ является
также источником микроорганизмов, представляющих биологическую опасность.
По технологическим и гигиеническим соображениям
в качестве СОЖ принимается эмульсия «Аквол-2», представляющая собой 3% водный
раствор эмульсола, состоящего из минерального масла ПАВ, мыла. Противозадирные
и противоизносные прокладки, содержащие серу и соду, фосфор и хлор, не
используются, что ликвидирует токсичность СОЖ.
Подача СОЖ в зону резания осуществляется с
помощью сопла гидродинамическим способом. Такая подача уменьшает выделения
аэрозолей СОЖ. По практическим и справочным данным интенсивность выделения
аэрозолей эмульсола для данной группы и мощности станков не превышает 100 мг/ч.
Таким образом, нормализация воздуха рабочей зоны может обеспечиваться
общеобменной вентиляцией.
Процесс обработки металла связан с выделением
пыли. Нетоксичная пыль обычно оказывает раздражающее воздействие на слизистые
оболочки человека, а при попадании в легкие-специфические заболевания. Для
устранения этого опасного фактора используется вытяжная вентиляция.
Оценка вибробезопасности.
Источником вибраций является работа
электродвигателей, зубчатых передач, а также сам процесс резания.
Нормы вибрации приведены в ГОСТ 12.1.012-90
«Вибрационная безопасность. Общие требования безопасности».
Повышенный уровень вибрации оказывает вредное
воздействие на нервную эндокринную, мышечную, костно-мышечную,
сердечно-сосудистую системы. При некоторых частотах страдают внутренние органы,
возникают спазмы сосудов, появляется вибрационная болезнь.
Защита от вибрации осуществляется путем
демпфирования, т.е. установкой станка на специальные виброопоры. Снижение
вибрации достигается также ха счет увеличения жесткости системы СПИД.
Оценка источников шума, ультразвука и
инфразвука.
Шум неблагоприятно воздействует на организм
человека, вызывает психические и физиологические нарушения, снижающие
работоспособность и создающие предпосылки для общих и профессиональных
заболеваний и производственного травматизма.
Процесс резания, работа электродвигателей,
механизмов и систем станка сопровождается возникновением акустических колебаний
на ультразвуковых и инфразвуковых частотах. При обработке и контроле качества
изготовляемой детали ультразвуковые установки не используются.
Все источники шума можно сгруппировать в
конструкторские и технологические. Конструкторские источники шума действуют при
работе станка на холостых режимах. К ним относятся электродвигатели, подшипники
качения, зубчатые передачи и неуравновешенные вращающиеся части.
Технологические источники связаны с самим процессом резания. На уровень
технологического шума оказывают влияние режим резания, конструктивные
особенности и степень износа режущего инструмента. Допустимые уровни звуковой
мощности приведены в табл.5.1.1
Таблица.5.1.1
|
УровеньЗвука
|
|
6
|
9
|
12
|
18
|
24
|
36
|
48
|
72
|
96
|
|
Фактич.
|
101
|
89
|
86
|
80
|
77
|
73
|
70
|
70
|
68
|
|
Допуст.
|
107
|
95
|
87
|
82
|
78
|
75
|
73
|
71
|
69
|
Октавные уровни звукового давления и уровни на
рабочем месте оператора при работе станка под нагрузкой не должны превышать
значений, указанных в ГОСТ 12.1.003 - 88.
Выбор соответствующего класса точности
изготовления деталей станка и балансировка вращающихся деталей,
централизованная циркуляционная система смазки позволяют улучшить шумовые
характеристики станка.
Обеспечение электробезопасности.
Производственное помещение (механический цех), в
котором эксплуатируется модернизированный станок и осуществляется
усовершенствованный технологический процесс, характеризуется наличием
токоведущих полов и возможностью одновременного касания металлических
конструкций, соединенных с землей, и элементов электрооборудования, находящихся
под напряжением. В соответствии с ПУЭ механический цех с такими условиями
относится к помещениям особо опасным по поражению электрическим током.
Следовательно, элементы оборудования, нормально не находящиеся под напряжением,
должны заземляться или зануляться при номинальном напряжении от 220 В
переменного тока и от 110 В постоянного тока в соответствии с ГОСТ 12.1.030 -
81 «ССБТ. Электробезопасность. Защитное заземление, зануление».
Электрифицированным оборудованием, кроме
металлообрабатывающих станков, являются грузоподъемные устройства,
осветительная установка общего освещения, вентиляционные установки общеобменной
вентиляции.
Станок имеет ряд электроприемников различных
напряжений и родов тока. Привод главного движения осуществляется от
асинхронного электродвигателя с короткозамкнутым ротором 1РН7 131. На приводах
продольных и поперечных подач используются высокомоментные двигатели. Имеются
электроприемники низкого напряжения: светильники местного освещения (аппаратура
управления и сигнализации, система ЧПУ). В электрооборудование станка входит
электрошкаф.
Светильники общего освещения питаются переменным
током напряжением 220 В.
Питание электроприемников осуществляется от
трехфазной четырехпроводной сети с глухозаземленной нейтралью напряжением
380/220 В непосредственно через понизительные трансформаторы и выпрямители.
Защита станочника от поражения электротоком
соответствует ГОСТ 12.1.019-84 «Электробезопасность. Общие требования и
номенклатура видов защиты».
В станке 16К20Т1 осуществляется недоступность
токоведущих частей их надежной изоляцией и размещением в недоступных местах.
Электроустановки ограждены. Обеспечивается
изоляция рабочего места.
Электрошкафы имеют исполнение по степени защиты
по ГОСТ 14254-80.
По ГОСТ 12.1.038-82 допустимые уровни напряжений
прикосновения и токов при аварийном режиме производственных установок
напряжением до 1000 В приведены в табл.5.1.2.
Таблица 5.1.2
|
Номин.велич.
|
Пред.
допустимые значения при t, °C.
|
|
<0,1
|
0,1
|
0,2
|
0,3
|
0,4
|
0,5
|
0,6
|
0,7
|
0,8
|
0,9
|
1
|
>1
|
|
U,В
|
550
|
340
|
160
|
135
|
120
|
105
|
95
|
85
|
75
|
70
|
60
|
20
|
650
|
400
|
190
|
166
|
140
|
125
|
105
|
90
|
75
|
70
|
50
|
6
|
5.2 Расчет заземления
Для проведения расчета воспользуемся программой
автоматического расчета (рис.5.1).
Расчет заземления сводится к определению длины
горизонтального заземлителя (обвязка) и числа вертикальных заземлителей
(стержней) при заданных условиях.
Длина вертикального заземлителя (L) должна быть
не менее 1,5 метра.
Если грунт не однородный заземлитель должен
«прошивать» верхний слой полностью.
Диаметр вертикального заземлителя (d) должен
быть не менее 12 мм.
Заглубление вертикального заземлителя (t) должно
быть не более 0,8 метра (рис. 5.2).
Сечение соединительной полосы должно быть не
менее 48 мм2 , толщина - не менее 4 мм; минимальный диаметр прутка-10 мм,
минимальная толщина стенки уголка - 4 мм, минимальная толщина стенки трубы -
3,5 мм.
Рис. 5.1 Исходные параметры для расчёта
заземления
Рис. 5.2 Схема устройства заземлителя
Произведён расчёт устройства заземлителя,
который обеспечит электробезопасность при длительной эксплуатации
проектируемого токарно-винторезного станка с ЧПУ.
Заключение
Целью проекта была модернизация токарного станка
с ЧПУ модели 16К20Т1. Приведена конструктивно-технологическая характеристика
станка, описан общий состав, принципы управления. Определены особенности работы
систем ЧПУ NC 200 и JNC-Т01, установленной на данном станке. Рассмотрены
назначение, цели и основные требования к ЧПУ. Приведены общее описание системы
и ее структура. Рассмотрена аппаратная база системы, программное обеспечение.
Также рассчитаны кинематические компоненты станка. Особое внимание уделяется
охране труда, так как для введения по сути нового станка нужны четкие
инструкции. Данная разработка приведет к повышению эффективности всего
предприятия путем замены старых систем на более новые.
Литература
1. Микросхемы и их применение:
Справочное пособие/В. А. Батушев. - 2-е изд., перераб. и доп. - М.: Радио и
связь, 1985. - 272с.
2. Применение интегральных
микросхем в электронной вычислительной технике: Справочник/Р. В. Данилов. - М.:
Радио и связь, 1986. - 384с.
. Нефедов А. В. И др.
Зарубежные интегральные микросхемы для промышленной электронной аппаратуры:
Справочник. - М.: Энергоатомиздат, 1989. - 288с.
. Правила технической
эксплуатации электроустановок потребителей и Правила техники безопасности при
эксплуатации электроустановок потребителей. - М.: Энергоатомиздат, 1986.
. Правила устройства
электроустановок (ПУЭ).-М.: Энергоатомиздат, 1987.
. Системы управления.
Задание. Проектирование. Реализация /В.Н. Захаров и др. - М.: Энергия, 1977.
. Проектирование, монтаж и
эксплуатация систем автоматизации в металлургийной промышленности /В.Г. Трегут
и др.- М.: Техпромиздат, 1991.
Приложение