Горячая штамповка металла
Содержание
Введение
1. Разработка чертежа поковки
2. Расчет и оптимизация
технологических параметров при штамповке на ГКШП
. Определение экономических
показателей использования металла
. Конструкторский расчет
штампа для формоизменяющих операций
. Определение усилие обрезки
и выбор обрезного пресса
. Конструирование штампа для
завершающих операций
. Планировка участка
штамповки
. Выбор температурного
интервала штамповки и подбор нагревательных устройств
. Выбор режимов
термообработки поковки
. Охрана труда и техника
безопасности
Технологическая карта штамповки
Литература
Введение
Свободная ковка и объемная
штамповка являются одними из видов обработки металлов давлением. Горячая
штамповка является важнейшей областью металлообработки. Современная технология
горячей штамповки - сложный комплекс различных по своему характеру операций.
Основной задачей ковки и
объемной штамповки является придание заготовке требуемой формы путем
пластической деформации. При правильной разработке технологического процесса
обработке давлением и обеспечении необходимого термомеханического режима можно
создать в обрабатываемом металле структуру и механические свойства, которые в
большей мере удовлетворяют требованиям, предъявляемым к изготовляемой из него
детали.
Производство поковок
характеризуется повышенными механическими свойствами изготовленных деталей и
точностью заготовок, позволяющими использовать их в наиболее ответственных
узлах машин (коленчатые и распределительные валы, шатуны, шестерни и т. д.)
Дальнейшее совершенствование
процессов горячей объемной штамповки, повышение точности размеров и улучшение
качества поверхности, получаемых при обработке давлением, приводят к тому, что
во многих случаях этот способ обработки полностью заменяет традиционную
обработку резанием. Поэтому курс “Горячей штамповки” является одним из
профилирующих при подготовки специалистов по обработке металлов давлением.
Наряду с высокой пластичностью
при обработке давлением стремятся получить возможно меньшее сопротивление
деформированию. Повышение температуры значительно уменьшает эту характеристику
деформируемого металла, поэтому его перед кузнечной обработкой нагревают.
При всем многообразии
применяемых методов процесс горячей объемной штамповки имеет следующую
последовательность:
1. разделка исходного металла
на заготовки;
2. нагрев заготовок;
. формообразование
поковок;
. обрезка облоя и
пробивка перемычек;
. термическая обработка
поковок;
. очистка и отделка
поковок.
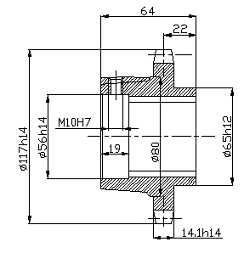
1. Разработка чертежа поковки
Деталь - полумуфта зубчатая.
Штамповочное оборудование -
КГШП.
Нагрев заготовок -
индукционный.
1. Исходные данные по детали:
1.1. Материал - сталь 45:
- 0,42-0,50% C;
- 0,17-0,37% Si;
- 0,50-0,80% Mn;
- 0,04max % S;
- 0,035max % P;
- 0,25 % Cr;
- 0,3 % Ni;
- 0,3% Cu.
1.2. Масса детали
- 1,4
кг
2. Исходные данные для расчета:
2.1 Масса поковки (расчетная)
определяется:
,
где
- масса детали, кг;
- расчетный коэффициент,
устанавливаемый в соответствии с табл.3 ([2], стр.8, табл.3)
.2 Класс точности выбираем из
таблицы 2 ([2], стр. 5).
Класс точности - Т3.
.3 Группа стали - М2 ([2], стр.5,
табл.1)
Средняя массовая доля углерода в
стали 45 - 0,46%
2.4 Степень
сложности - С2
Размеры описывающей поковку фигуры
(цилиндр), мм:
диаметр (
)
высота (
)
Объем описывающей фигуры:

Степень сложности определяется путем
вычисления отношения массы поковки
к массе геометрической фигуры
, в которую
вписывается форма поковки. Получаем
, что соответствует степени
сложности С2.
.5 Конфигурация поверхности разъема
штампа П (плоская) ([2], стр.5, табл.1)
.6 Исходный индекс - 10 ([2], стр.9,
табл.4)
3. Припуски и кузнечные напуски:
3.1 Основные припуски на размеры ([1],
стр.12,табл.3)
1,5
- диаметр 65мм и чистота поверхности 10;
1,6
- диаметр 117мм и чистота поверхности 10;
1,5
- диаметр 46мм и чистота поверхности 10;
1,2
- толщина 80мм и чистота поверхности 20;
1,5
- толщина 64мм и чистота поверхности 10;
1,2
- толщина 64мм и чистота поверхности 20;
1,4
- толщина 14,1мм и чистота поверхности 10;
.2 Дополнительные припуски, учитывающие:
смещение по поверхности разъема штампа - 0,3
мм ([1], стр.14, табл.4)
отклонение от плоскостности - 0,3 мм
([1], стр.14, табл.5)
.3 Штамповочный уклон:
на внутренней поверхности - не более 7º,
принимается 7º;
на наружной поверхности - не более 5º,
принимаем 5º.
4. Размеры поковки и их допускаемые
отклонения:
4.1Размеры поковки, мм:
диаметр
, принимаем 68,5
мм
диаметр
, принимаем 121
мм
диаметр
, принимаем 42,5мм
толщина
, принимаем 83мм
толщина
, принимаем 67,5
мм
толщина
, принимаем 83мм
4.2 Радиус закругления наружных
углов - 3,0 мм ([2], стр.13, табл.7)
.3 Допускаемые отклонения размеров
([1], стр.17, табл.8)
диаметр
диаметр
диаметр
толщина
толщина
толщина
.4 Неуказанные предельные отклонения
размеров равны
допуска
соответствующего размера поковки
.5 Неуказанные допуски радиусов
закругления -
([1],
стр.26, табл.17)
.6 Допускаемая величина остаточного
облоя - 1,2 мм ([1])
.7 Допускаемое смещение по
поверхности разъема штампа - 0,5 мм ([1], стр.20, табл.9)
.8 Допускаемое отклонение от
плоскостности и прямолинейности - 0,5 мм ([1])
.9 Допускаемое отклонение от
концентричности пробитого отверстия относительно внешнего контура поковки - 0,5
мм ([1], стр.23, табл.13)
.10 Допустимая величина высоты
заусенца - 3 мм ([1]).
При прошивке поковок с отверстием
возможно получение наметок. Возможность выполнения наметок определяется по
следующим зависимостям: металл штамп пресс обрезной
,
где
- максимальный диаметр поковки, мм
, принимаем 122,5 мм
Т.к. полученный диаметр (31,5мм)
меньше диаметра отверстия поковки (42,5мм), то выполняется напуск
металла, т.е. отверстие поковки полностью закрываем, а наметку - не выполняем.
Разработка горячей поковки
Расчет чертежа горячей поковки
осуществляется по чертежу холодной поковки и вычерчивается в том же масштабе.
Номинальные размеры на чертежах поковок отличаются между собой на величину
тепловой усадки, которая соответствует величине линейной усадки равной 1,2-1,3%.
Размеры округляем в сторону увеличения до 0,5 - 1мм.
Получаем:
диаметр 121мм →
, принимаем 122,5
мм
диаметр 83 мм →
, принимаем 84мм
диаметр 68,9 мм →
, принимаем 69,5мм
диаметр 53 мм →
, принимаем 54мм
диаметр 42,5 мм →
, принимаем 43мм
толщина 17,5 мм →
, принимаем 18мм
толщина 67,5 мм →
, принимаем 68,5мм
2.
Расчет и оптимизация технологических параметров при штамповке на КГШП
Особенности штамповки на прессах
Современные кузнечные цеха имеют большое
количество кривошипных горячештамповочных прессов. Это связано с рядом
преимуществ по сравнению со штамповкой на молотах. К ним относятся:
Ø более высокая точность поковок;
Ø меньшие припуски и напуски, что
снижает расход металла и последующую механическую обработку;
Ø высокая производительность - в 1,5-3
раза выше, на молотах;
Ø возможность механизации и
автоматизации рабочего цикла штамповки за счет жесткого графика движения
ползуна и отсутствия ударных нагрузок;
Ø наличие выталкивателей.
Конструирование облойной канавки
При проектировании ручьев при штамповке на КГШП
серьезным вопросом является выбор формы и размеров облойной канавки. Форма и
размеры облойной канавки выбираются в зависимости от номинального усилия
пресса, и в дальнейшем уточняется в зависимости от веса поковки.
Усилие пресса для штамповки в открытых ручьях
поковок класса А определяется по выражению:
,
где
- максимальный диаметр поковки;
- площадь проекции поковки (без
облоя) на плоскость разъема штампа;
- сопротивление деформированию при
температуре окончания штамповки,
Принимаем усилие пресса 16 МН.
|
Усилие пресса, МН
|
Размеры канавки, мм
|
Радиус закругления
r, мм
|
|
bhR
|
|
|
|
|
|
16
|
2
|
6
|
6
|
20
|
1,5
|
Объем металла идущего в облой, находиться из
соотношения:
,
где
- периметр поковки;
B - ширина
облоя, для
, В=20.
Расчет массы поковки (уточненный):
,
где
- объем поковки,
- плотность материала.
Определяем объем поковки
(уточненный):

-объем усеченного конуса
- объем сферы
Объем заготовки (предварительный
расчет)
Для поковок первой группы объем
заготовки с учетом потерь на угар находится по выражению:
,
где
- суммарный объем поковки и облоя;
- угар металла, %.
Определяем диаметр заготовки,
отрезаемой от прутка для последующей штамповки:
,
где 1,5…2,8 - коэффициент,
учитывающий соотношение H/D без
возможности потерь устойчивости заготовки при ее осадке. Принимаем m=2,1.
Подбираем значение диаметра прутка
([2], стр.30, табл.3.5),
.
Высота прутка:
Далее производим оптимизацию
размеров облойной канавки.
Высота мостика облойной канавки:
, принимаем
.
Ширина мостика:
, принимаем
Расход металла с облоем находим по
формуле:
,
где
- критерий для учета соотношения
формы поковки и заготовки, диаметра заготовки и положения наружной и внутренней
плоскостей разъема:
- минимальное расстояние между теми
плоскостями в сомкнутом штампе, на которые опирается заготовка в исходном
состоянии,
- расстояние между внутренней и
наружной плоскостями разъема штампа,

Длина отрезаемой заготовки от
прутка:
, принимаем
.
Зависимость между размерами
осаженной заготовки, ее массой и критерием сложности поковки имеет для КГШП
вид:
Диаметр осаженной заготовки:
, принимаем
.
Высота осаженной заготовки:
, принимаем
.
3.
Определение экономических показателей использования металла
Норма расхода металла на одну заготовку (кг):
,
где
- коэффициент, учитывающий угар
металла при подогреве штанг перед резкой,
- при T>650ºC
- коэффициент, учитывающий отходы
металла при раскрое прутка; исходная длина раскраиваемой штанги:
- сумма абсолютных линейных потерь
металла при отрезке;
- торцевые отходы (при
);
- некратность характерная при
раскрое проката интервальной длины
- длина опорного конца заготовки.
При
;
Коэффициент выхода годного:
Коэффициент использования металла:
4.
Конструкторский расчет штампа для формоизменяющих операций
Штампы кривошипных горячештамповочных прессов
сборные, состоят из блока и закрепленных в нем ручьевых вставок. Блок (или
пакет) эксплуатируется длительное время (2-3 года), при переналадках
пресса меняются только ручьевые вставки.
При разработке механического процесса штамповки
на КГШП конструируем комплект вставок - призматических.
Размеры блоков по МН 4808-63
|
Усилие пресса, МН
|
B
|
L
|
H
|
|
|
мм
|
|
16
|
900
|
1040
|
666
|
Закрытую высоту пресса выбираем по формуле:
,
где H -
номинальная закрытая высота блока;
A -
минимальная закрытая высота штампового пространства пресса;
a - величина
регулировки клиновой подушки.
Для предохранения плиты блока от
износа, между вставками и плитами устанавливают кованые термически обработанные
подкладные плиты, выполняемые из легированной стали.
Толщина верхней и нижней плит
одинакова.
|
Номинальное усилие пресса, т
|
Толщина плит, мм
|
|
16
|
Основной
|
Подкладной
|
|
150
|
60
|
Газоотводящие
каналы, выталкиватели
На дне глубоких
полостей ручьев необходимо предусматривать газо-отводящие каналы диаметром 1,2
- 1,5 мм. Для упрощения изготовления каналов последние сверлятся на глубину
15-20 мм, а с обратной стороны вставки засверливаются отверстия
диаметром 8-15 мм.
При любом
конструктивном оформлении выталкивающего механизма общий принцип его работы
заключается в том, что выталкиватель блока воздействует в момент выталкивания
на толкатель, расположенный в ручье, а последний воздействует на какой-то
элемент поковки - саму поковку, заусенец, перемычку. В исходное положение
толкатель возвращается обычно пружиной. Крупногабаритные толкатели в нижних
вставках в исходное положение могут возвращаться под действием собственного
веса.
Для удобства
захвата поковок клещами за заусенец во всех вставках, независимо от наличия или
отсутствия толкателя, необходимо делать выемки (рис. 5.1).
Рис. 4.1. Выемки для захвата поковки
клещами
Для удаления поковки из ручья предусматривают
толкатели. Толкатель в нерабочем положении упирается в подкладную плиту (рис.
4.2), рабочее движение толкателю вставки сообщает выталкиватель блока.
Рис. 4.2. Толкатель в ручье
Диаметр d=42,5мм
, принимаем D=59,5мм
, принимаем l=25,5мм
Ход толкателя - 18 - 25мм.
Выбор ручьевых вставок
Выбираем призматические ручьевые вставки
|
H
|
L
|
B
|
h
|
 ld c
|
|
|
|
|
|
|
Доп. откл. по
|
|
|
|
|
|
|
|
|
мм
|
град.
|
мм
|
|
125
|
320
|
120
|
106
|
40
|
294
|
40
|
20
|
7
|
10
|
|
|
|
185
|
|
|
|
|
|
|
|
|
|
|
185
|
|
|
|
|
|
|
|
5.
Определение усилия обрезки и выбор обрезного пресса
Необходимое усилие обрезки облоя определяется по
формуле:
,
где S
- периметр среза, мм;
t
- действительная толщина среза облоя, мм;
- предел прочности при обрезке,
МПа.
Периметр среза находим по формуле:
Действительная толщина среза облоя:
,
где размер z
определяется графически по линии среза облоя, z=10;
n - возможная
недоштамповка, которую принимают равной
положительному допуску на размер
поковки по высоте, n=1,6.
Выбираем пресс усилием 1600 кН.
Зазор между пуансоном и
матрицей оказывает большое влияние на качество и точность поверхности среза,
изнашивание и стойкость штампа, величину потребного усилия и работы обрезки.
Для поковок со
штамповочным уклоном
(в
данном курсовом проекте
)
обрезной пуансон делают плоским.
При
и
зазор
между пуансоном и матрицей при обрезке облоя равен 2 мм ([3], стр. 483).
6. Конструирование штампа для
завершающих операций
При конструировании комбинированного штампа
руководствуемся ([5], стр.39, табл. 2), где по номинальному усилию пресса (1600
кН) выбираем закрытую высоту штампа равную 320 мм. Далее выбираем
обозначение блока 1000-0127. Все необходимые размеры для конструирования
штампа для обрезки облоя выбираем по соответствующим таблицам ([5]).
Размеры на чертеже
должны учитывать необходимые зазоры и плавные переходы фигуры ручья согласно
следующим требованиям:
§ радиусы
переходов R соответствующие радиусам
переходов в поковке следует брать на 2 - 4 мм больше;
§ кромки ручья на
плоскости разъема закругляют радиусом
.
7.
Планировка участка штамповки
Штамповка на прессах позволяет
применять более совершенную организацию технологического процесса и большее
число вариантов взаимного расположения оборудования на участках, чем при
штамповке на молотах (рис. 8.1).
Рис.
7.1. Варианты расположения оборудования на участке кривошипного
горячештамповочного пресса: 1 - тара для заготовок; 2 - горячештамповочный
пресс; 3 - столики; 4 - индукционный нагреватель непрерывного действия; 5 -
склизы, рольганги и транспортеры; 6 - тара для заусенца; 7 - обрезной пресс; 8
- тара для поковок; 9 -индукционный нагреватель периодического действия.
При нагреве в
индукционном нагревателе непрерывного действия 4 заготовки из них должны
выдаваться в сторону рабочего места штамповщика (рис. 7.1, а, б), или же
непосредственно на штамп горячештамповочного пресса 2 (рис. 7.1, д).
При нагреве в индукционных нагревателях периодического действия 9 заготовки
удобно подавать к прессу по рольгангам, транспортерам или склизам 5 к
рабочему месту штамповщика (рис. 7.1, в) или
непосредственно на штамп пресса 2 (рис. 7.1, г). Поковки со
штампа должны выдаваться, как правило, через боковое окно в станине пресса,
этим определяется рабочее место прессовщика при обрезке заусенца; при этом по
отношению к штамповочному прессу обрезной пресс 7 устанавливают фронтом
на противоположной стороне (рис. 7.1, а,б,г) или по фронту
уступом (рис. 7.1, в). Удобна передача поковок на обрезку заусенца из
бокового окна штамповочного пресса непосредственно в окно обрезного пресса (рис.
7.1, е).
Самым дешевым и
надежным способом передачи штучных заготовок является передача их по склизу без
последующего подъема. Система таких передач обеспечивается расстановкой всего
оборудования на участке не на уровне пола цеха, а уступами на разных высотах. В
противном случае на каждой передаче необходимо поднимать заготовки вручную или
транспортерами.
Организация
процесса штамповки на прессах существенно упрощается автоматической подачей
исходных заготовок из бункеров или с наклонных стеллажей в индукторы, а также
автоматическим нагревом их до заданной температуры и выдачей из индуктора.
Автоматизация самого процесса штамповки начинается с применения различных устройств
(в том числе манипуляторов) для автоматической подачи нагретой заготовки в
первый ручей штампа. Различные манипуляторы и перегрузочные механизмы с
клещевыми захватами (механические руки), а также грейферные, шиберные и другие
универсальные и специальные устройства применяют для передачи заготовок из
ручья в ручей. Их же используют для выдачи готовых поковок из штампа.
Согласованность действий всех механизмов при автоматической штамповке на
прессах обеспечивается командоконтроллерами различных систем.
8. Выбор температурного интервала
штамповки и подбор нагревательного устройства
Температурный интервал горячей штамповки
является одним из основных термомеханических параметров, который включает в
себя диапазон температур от максимальной в печи до температуры окончательной
штамповки, т. е. температурный интервал имеет верхние и нижние границы.
Для стали 45 верхний предел 1250ºС,
нижний предел 700ºС.
Для нагрева металла в кузнечном производстве
широко применяют различные печи, установки, приспособления. Для нагрева нашей
поковки выбираем индукционный нагрев.
Индукционный нагрев основан на передаче на малые
расстояния специально сформированного потока электромагнитной энергии и
превращении ее в тепловую в заготовке. При индукционном нагреве по сравнению с
обычным в пламенных печах значительно повышается производительность нагрева.
Кроме того, слой окалины уменьшается в 4-5 раз, обезуглероживания практически
не происходит. К тому же обеспечивается точность температур нагрева заготовки,
что исключает перегрев. Назначаем ускоренный режим нагрева, при котором
температура поверхности быстро достигает конечного значения и в дальнейшем
поддерживается на этом уровне.
Пользуясь литературой ([6], стр. 259-263)
определяем параметры индуктора и режим нагрева заготовки.
Параметры индуктора и режим нагрева
заготовки
|
Индуктор
|
Режим
|
|
Внутренний диаметр, мм
|
Длина обмотки, мм
|
Число витков
|
Число заготовок индукторе
|
Частота тока, кГЦ
|
Напряжение, В
|
Средняя мощность генератора, кВт
|
Темп выдачи заготовок, с
|
Время нагрева заготовки, с
|
Произво- дительность, кг/ч
|
|
130
|
760
|
40
|
4
|
2,5
|
750
|
155
|
33
|
132
|
425
|
Толщина тепловой изоляции - 15-20 мм.
Витки индуктора должны быть расположены таким
образом, чтобы не было встречного магнитного поля.
В индукционных нагревательных устройствах
индуктор рекомендуется устанавливать горизонтально или с небольшим наклоном.
Вертикальное расположение индуктора нежелательно из-за значительного угара
металла (до 3%) вследствие большого притока воздуха из окружающего пространства
в индуктор.
9.
Выбор режимов термообработки поковки
Термическая обработка поковок является
завершающей операцией горячей штамповки. Как правило, на термообработку поковки
поступают непосредственно после обрезки облоя.
Термообработка поковок преследует следующие
цели:
· устранение отрицательных последствий
нагрева и обработки давлением (снятие остаточных напряжений, исправление
перегрева и т. п.)
· улучшение обрабатываемости материала
поковки
· подготовка материала к последующей
обработке
· получение требуемых механических
характеристик металла поковки.
В массовом производстве поковки по целям их
термообработки подразделяются на поковки, подвергающиеся разупрочняющей
термообработки (первичной) и поковки, подвергающиеся упрочняющей (вторичной)
термообработки.
Первичная термообработка понижает твердость для
последующей механической обработки и подготавливает структуру к окончательной
термообработки.
Целью окончательной термообработки, которую
проходят поковки 2 группы, является подготовка структуры, обеспечивающей
требуемые прочностные свойства при умеренной твердости для обеспечения
экономических условий механической термообработки на металлорежущих станках.
Поковки данной группы подвергаются улучшению (закалка + отпуск).
10.
Охрана труда и техника безопасности
Технологический процесс в цехах горячей объемной
штамповки сопровождается значительным выделением тепла, интенсивным
производственным шумом и требует от работающих большого физического напряжения.
Современные требования к здоровым и безопасным условиям труда требуют
проведения комплекса мероприятий по созданию нормальной санитарно-гигиенической
среды в помещении цехов и облегчению труда штамповщиков, нагревальщиков и
рабочих кузнечно-штамповочных цехов других профилей.
Общие требования безопасности к
основному производственному оборудованию
Оборудование кузнечно-штамповочных цехов с точки
зрения травматизма является одним из наиболее опасных. При выборе
нагревательных печей и их расположении в штамповочных агрегатах необходимо
предусматривать следующее: линейную, а не шахматную планировку печей и
кузнечных машин, что обеспечивает наименьшее тепловое облучение рабочих мест
штамповщиков.
При выборе штамповочного оборудования следует
учитывать возможность применения средств механизации и создания автоматических
линий, уменьшающих травматизм.
Общим для всех видов кузнечно-штамповочного
оборудования является необходимость принятия соответствующих мер против
самоотвертывания и падения частей всех болтовых соединений, обрыв и падение
которых может привести к травме.
Безопасность работы на КГШП во многом зависит от
наличия и исправности защитных предохранителей и других устройств. Кузнечные
машины следует оборудовать специальными устройствами для охлаждения и смазки
штампов.
Обязательная проверка соответствия ручьев матриц
диаметру прутка должна производиться каждый раз перед началом штамповки.
Общие требования безопасности к
инструменту и штамповой оснастки
Клещи и приспособления, применяемые для ручного
удерживания обрабатываемых поковок, следует изготавливать из мягкой стали, не
принимающей закалки, точно по размеру и профилю удерживаемых заготовок.
При конструировании штамповой оснастки следует
учитывать расположение горизонтальной плоскости разъема штампов на расстоянии
от уровня пола равном 650-800мм.
Применение штампов, ручьевых вставок, а также
ручного инструмента, имеющих трещины либо сбитые ударные поверхности, не
допускается.
При конструировании ковочных, обрезных и других
штампов необходимо для целей их закаливания и транспортировки предусматривать
отверстия под ремболты.
Конструкция штампов и их состояние должны
исключать возможность застревания поковок в ручьях и их подхвата верхней
половиной штампа за счет применения надлежащих штамповочных уклонов,
технологической смазки, соответствующей шероховатости рабочих поверхностей и
регулярной зачистки полости ручьев. Штампы необходимо очищать от окалины,
применяя устройства для ее отсоса.
Термообработка изготовленных штампов должна
полностью устранять внутренние напряжения в них, способствующие разрушению
штампов.
Для предупреждения травматизма при установке
штампов следует использовать оборудование, позволяющее механизировать и
упростить этот процесс.
Литература
1. ГОСТ 7505-89. Поковки стальные
штампованные. Допуски, припуски и кузнечные напуски. 1989.
2. Методические указания
2375.М. Н. Верещагин. Практическое пособие по выполнению курсового проекта по
дисциплине “Технология ковки и горячей штамповки”, 1999.
. Семенов В. И. Справочник
“Ковка и штамповка”, М.: Машиностроение, 1986.
. Вербицкий Е. И.,
Добровольский И. Г. Курсовое проектирование по горячей штамповке. Мн. “Вышейшая
школа”, 1978.
. ГОСТ 23209-78 - ГОСТ
23212-78. Блоки универсальных штампов для обрезки.
. Брюханов А. Н. Ковка и
объемная штамповка. Учебное пособие для машиностроительных вузов. М., “Машиностроение”,
1975.