|
Номер
пропуска
|
Скорость
захвата, об/мин
|
Скорость
выброса, об/мин
|
|
1
|
25
|
25
|
|
2
|
30
|
30
|
|
3
|
35
|
35
|
|
4
|
45
|
45
|
|
5
|
45
|
45
|
|
6
|
45
|
45
|
|
7
|
45
|
45
|
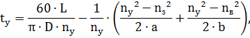
Время разгона без металла, с:
где nз
- скорость захвата металла валками, об/мин.
Величина t1
для 7 пропуска:
Величина t1
для 8 пропуска:
Величина t1
для 9 пропуска:
Величина t1
для 10-13 пропуска:
Время разгона с металлом для 7-10 пропусков, с:
где ny
- установившаяся скорость, об/мин.
Величина t2
для 7 пропуска:
Величина t2
для 8 пропуска:
Величина t2
для 9 пропуска:
Величина t2
для 10 пропуска:
Время разгона с металлом до номинальной скорости
(11-13 пропуск):
Время разгона с металлом до уставившейся
скорости при скоростях выше номинальной (11-13 пропуск):
Величина t2
для 11-13 пропуска:
Величина t21
для
11 пропуска:
Величина t21
для
12-13 пропуска:
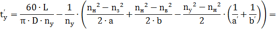
Время работы с установившейся скоростью для 7-10
пропусков определяется следующим соотношением:
Время работы с установившейся скоростью для 7
пропуска, с:
Время работы с установившейся скоростью для 8
пропуска, с:
Время работы с установившейся скоростью для 9
пропуска, с:
Время работы с установившейся скоростью для 10
пропуска, с:
Время работы с установившейся скоростью для
11-13 пропусков определяется следующим соотношением:
Время работы с установившейся скоростью для 11
пропуска, с:
Время работы с установившейся скоростью для 12
пропуска, с:
Время работы с установившейся скоростью для 13
пропуска, с:
Время торможения с металлом, с для 7-10
пропусков:
Величина t3
для 7 пропуска:
Величина t3
для 8 пропуска:
Величина t3
для 9 пропуска:
Время торможения с металлом до номинальной
скорости (7-10 пропуск):
Время торможения с металлом от номинальной
скорости до скорости выброса (11-13 пропуск):
Величина t31для
11 пропуска:
Величина t31для
12-13 пропусков:
Величина t3
для 11-13 пропусков:
Время торможения без металла, с:
Величина t4
для 7 пропуска:
Величина t4
для 8 пропускa:
Величина t4
для 9 пропускa:
Величина t4
для 10-13 пропусков:
Данные расчёта скоростной диаграммы приведены в
таблице 6:
Таблица
6
Расчёт скоростной диаграммы
|
Номер
пропуска
|
t1,
c
|
t2,
c
|
ty,
c
|
t3,
c
|
t4,
c
|
t21,c
|
t31,c
|
ty1,c
|
|
7
|
0.5
|
0.3
|
2.78
|
0.214
|
0.357
|
|
|
|
|
8
|
0.6
|
0.3
|
2.78
|
0.214
|
0.459
|
|
|
|
|
9
|
0.7
|
0.3
|
2.39
|
0.214
|
0.5
|
|
|
|
|
10
|
0.9
|
0.3
|
2.34
|
0.214
|
0.643
|
|
|
|
|
11
|
0.9
|
0.3
|
|
0.214
|
0.643
|
0.125
|
0.083
|
2.3
|
|
12
|
0.9
|
0.3
|
|
0.214
|
0.643
|
0.375
|
0.25
|
1.99
|
|
13
|
0.9
|
0.3
|
|
0.214
|
0.643
|
0.375
|
0.25
|
2.58
|
Скоростная диаграмма представлена на рисунке 1:
Рисунок 1 - Скоростная диаграмма процесса
прокатки
.3 Расчёт и построение нагрузочной диаграммы
Момент привода рабочих валков определяется
суммой следующих составляющих:
где Мпр - момент прокатки,
необходимый для преодоления сил деформации металла, Н·м; Мтр -
момент добавочных сил трения подшипников валков и добавочных сил трения в
передаточных устройствах стана, Н·м; Мхх - момент холостого хода,
Н·м; Мдин - динамический момент, Н·м.
Рассчитаем значения Мдин, Н·м и Мхх,
Н·м, т.к. они не зависят от номера пропуска:
Динамический момент при разгоне, Н·м:
Динамический момент при разгоне выше номинальной
скорости, Н·м:
Динамический момент при замедлении, Н·м:
Динамический момент при замедлении, Н·м:
1) Седьмой пропуск:
где ∆W=W2-W1
(значение ∆W
определяется из рисунка 2); W1
- расход энергии до пропуска; W2
- расход энергии после пропуска;
Рисунок 2 - Кривая удельного расхода энергии
Момент при разгоне с металлом, Н·м:
Момент при работе с установившейся скоростью,
Н·м:
Момент при торможении с металлом, Н·м:
Момент при торможении без металла, Н·м:
) Восьмой пропуск
Момент при разгоне без металла, Н·м:
Момент при разгоне с металлом, Н·м:
Момент при работе с установившейся скоростью,
Н·м:
Момент при торможении с металлом, Н·м:
Момент при торможении без металла, Н·м:
) Девятый пропуск
Момент при разгоне без металла, Н·м:
Момент при разгоне с металлом, Н·м:
Момент при работе с установившейся скоростью,
Н·м:
Момент при торможении с металлом, Н·м:
Момент при торможении без металла, Н·м:
) Десятый пропуск
Момент при разгоне без металла, Н·м:
Момент при разгоне с металлом, Н·м:
Момент при работе с установившейся скоростью,
Н·м:
Момент при торможении с металлом, Н·м:
Момент при торможении без металла, Н·м:
) Одиннадцатый пропуск
Момент при разгоне без металла, Н·м:
Момент при разгоне с металлом, Н·м:
Момент при разгоне с металлом при скорости выше
номинальной, Н·м:
Момент при работе с установившейся скоростью,
Н·м:
Момент при торможении с металлом до номинальной
скорости, Н·м:
Момент при торможении от номинальной скорости до
скорости выброса, Н·м:
Момент при торможении без металла, Н·м:
) Двенадцатый пропуск
Момент при разгоне без металла, Н·м:
Момент при разгоне с металлом, Н·м:
Момент при разгоне с металлом при скорости выше
номинальной, Н·м:
Момент при работе с установившейся скоростью,
Н·м:
Момент при торможении с металлом до номинальной
скорости, Н·м:
Момент при торможении от номинальной скорости до
скорости выброса, Н·м:
Момент при торможении без металла, Н·м:
) Тринадцатый пропуск
Момент при разгоне без металла, Н·м:
Момент при разгоне с металлом, Н·м:
Момент при разгоне с металлом при скорости выше
номинальной, Н·м:
Момент при работе с установившейся скоростью,
Н·м:
Момент при торможении с металлом до номинальной
скорости, Н·м:
Момент при торможении от номинальной скорости до
скорости выброса, Н·м:
Момент при торможении без металла, Н·м:
Нагрузочная диаграмма привода представлена на
рисунке 3:
Рисунок 3 - Нагрузочная диаграмма привода
2.4 Расчёт эквивалентного момента
Эквивалентный момент определяется из выражения,
кН·м:
Сравнивая эквивалентный момент с номинальным
моментом двигателя, можно сделать вывод о том, что двигатель проходит по
нагреву:
автоматизация скорость мощность
электропривод
3. Выбор основных элементов электропривода
.1 Выбор силового трансформатора
При выборе трансформатора ориентируемся на
номинальные данные двигателя (ток и напряжение). Согласно этим двум параметрам
двигателя выбираем трансформатор типа ТРДТП-20000/10У 2. Его параметры
приведены в таблице 7:
Таблица
7
Технические данные трансформатора
|
Сетевая
обмотка
|
Вентильная
обмотка
|
Преобразователь
|
Потери,
Вт
|
UКЗ,%
|
IXX,
%
|
|
Р,
кВА
|
U,
кВ
|
U,
B
|
I,
A
|
U,
B
|
I,
A
|
хх
|
кз
|
5.5
|
1.3
|
|
15500
|
10
|
900
|
10280
|
1050
|
12600
|
23500
|
85000
|
|
|
.2 Расчёт и выбор сглаживающего дросселя
Требуемая суммарная индуктивность цепи
выпрямленного тока определяется выражением, Гн:
где К - кратность гармоники;
р - число пульсаций;
ω - круговая частота
сети;
ε%·Idн
- действующее значение основной гармоники тока (10%·Idн);
Udm
- амплитудное значение гармонической составляющей выпрямленного напряжения, В
(для Кр=6):
где Ud0
- напряжение холостого хода трансформатора, В:
Индуктивность фазы преобразовательного
трансформатора определяется, Гн:
Индуктивность якоря двигателя может быть
определена по следующей формуле, Гн:
Требуемое значение индуктивности сглаживающего
дросселя определяется по соотношению, Гн:
В данном случае, цепь выпрямленного тока
содержит большое значение индуктивности, поэтому нет необходимости использовать
сглаживающий дроссель.
3.3 Выбор датчика тока
В качестве датчика тока выбираем датчик типа ДТ-3АИ.
Его технические данные:
Напряжение питания: 15 В
Напряжение входа: 0.75 В
Напряжение выхода: 10 В
Датчик подключен к шунту в цепи постоянного
тока. Передаточный коэффициент шунта, Ом:
где Uвх
- входное напряжение датчика тока.
.4 Выбор тахогенератора
Выбираем тахогенератор типа ПТ-42, его
технические данные представлены в таблице 8:
Таблица
8
Технические данные тахогенератора ТП-42
|
Напряжение,
В
|
230
|
|
Ток,
А
|
0.1
|
|
Сопротивление
обмотки якоря, Ом
|
200
|
|
Частота
вращения, об/мин
|
100
|
4. Расчёт параметров системы подчинённого
регулирования
.1 Расчёт параметров тиристорного
преобразователя
Для построения системы подчинённого
регулирования необходимо определит динамические параметры элементов системы.
Тиристорный преобразователь описывается апериодическим звеном первого порядка.
Необходимо определить для него коэффициент передачи и постоянную времени.
Для определения передаточного коэффициента
необходимо построить регулировочную характеристику тиристорного преобразователя.
Еd(α)=Ed0·cos(α)=1216.89·cos(α)
Регулировочная характеристика представлена на
рисунке 3:
Рисунок 4 - Регулировочная характеристика
преобразователя
Передаточный коэффициент может быть найден:
Постоянная времени тиристорного преобразователя,
с: ТТП=0.007.
.2 Расчёт параметров якорной цепи двигателя
Определим постоянную времени якорной цепи
двигателя. Для этого найдём суммарное активное сопротивление якорной цепи, Ом:
,
Индуктивность якорной цепи
двигателя, Гн:
Постоянная времени якорной цепи
двигателя, с:
Электромеханическая постоянная
времени, с:
Коэффициент пропорциональности между
ЭДС двигателя и его скоростью, В·с:
4.3 Расчёт передаточных коэффициентов обратных
связей
Передаточный коэффициент обратной связи по току,
Ом:
где Imax
- максимально-допустимый ток двигателя.
Передаточный коэффициент обратной связи по
скорости, В·с:
.4 Настройка контура регулирования тока
Рисунок 5 - Структурная схема контура тока
Подлежащий расчету и оптимизации внутренний
контур тока при допущении, что противо-ЭДС двигателя равна нулю, будет иметь
вид, представленный на рисунке 3.
Некомпенсируемая малая постоянная времени
контура тока TμТ
с достаточной точностью может быть принята равной Tтп.
Рассматриваемый контур тока настраиваем на
модульный оптимум. Передаточная функция разомкнутого контура тока:
При настройке на модульный оптимум передаточная
функция разомкнутого контура должна иметь вид:
Передаточная функция
пропорционально-интегрального регулятора тока:
где кРТ и ТРТ -
коэффициент усиления и постоянная времени регулятора тока:
ПИ - регулятор реализуется на операционном
усилителе с помощью RC
- цепочек (рисунок 4).
Определим параметры элементов регулятора:
зададимся значением ёмкости конденсатора С1=1 мкФ;
тогда:
R3=
ТРТ/С1=0.0645/10-6=64.5 кОм;
R1=R2=R3/kPT=64500/0.23=280.5
кОм;
Рисунок 6 - Схема регулятора тока
.5 Настройка контура регулирования скорости
Рисунок 7 - Структурная схема
контура скорости
Для повышения жесткости, контур
скорости настраиваем на симметричный оптимум. Т.к. контур тока настроен на
модульный оптимум, то его можно записать одной передаточной функцией:
Передаточная функция разомкнутого
контура скорости:
Передаточная функция разомкнутого
контура скорости при настройке на симметричный оптимум:
где ТμС -
эквивалентная некомпенсируемая малая постоянная времени контура скорости,
принимается равной ТμС=2TμТ.
Тогда передаточная функция
регулятора скорости будет иметь вид:
где кРС - коэффициент
усиления,
ТРС - постоянная времени
регулятора скорости, с:
ТРС=4ТμС=4∙0.014=0.056
Принципиальная схема регулятора
скорости представлена на рисунке 6.
Определим параметры элементов
регулятора: зададимся значением ёмкости конденсатора С1=1 мкФ;
тогда:
R3= ТРС/С1=0.056/10-6=56
кОм;
R1=R2=R3/kPС=56000/10.182=10
кОм;
Рисунок 8 - Схема регулятора скорости
Для уменьшения перерегулирования тока в момент
пуска и приема нагрузки рассчитаем ограничение выходного напряжения регулятора
скорости, В:
UОГР=кТ∙Imax=0.00053∙2.2∙8600=10
.6 Настройка контура регулирования тока
возбуждения
.6.1 Расчёт контура регулирования тока
возбуждения
Рисунок 9 - Контур регулирования тока
возбуждения
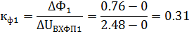
Для оптимизации контура возбуждения во всём
диапазоне изменения тока возбуждения, в цепь обратной связи включается
функциональный преобразователь (ФП), воспроизводящий кривую намагничивания
двигателя. Выходной сигнал ФП пропорционален потоку возбуждения двигателя.
Для определения коэффициентов передачи
функционального преобразователя найдём номинальный магнитный поток двигателя.
Коэффициент пропорциональности между ЭДС и скоростью, В·с:
где с - конструктивный коэффициент:
где 2p
- число пар полюсов, N
- число проводников обмотки якоря, 2а - число параллельных ветвей обмотки
якоря.
Величина номинального магнитного потока, Вб:
Рисунок 10 - Кривая намагничивания двигателя
Для расчёта функционального преобразователя,
кривую намагничивания двигателя аппроксимируем ломаной линией, состоящей из
четырёх участков. Для каждого участка ломаной линии определяем коэффициент,
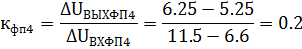
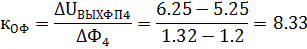
Вб/А:
где ∆Фi
- приращение магнитного потока на i
- том участке кривой, ∆UВХФПi
- приращение входного напряжения ФП на i
- том участке кривой.
Коэффициент передачи функционального
преобразователя для каждого участка:
где ∆UВЫХФПi
- приращение выходного напряжения ФП на i
- том участке кривой.
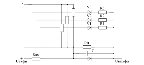
Схема функционального преобразователя
представлена на рисунке 11.
Рисунок 11 - Схема функционального
преобразователя
Для расчёта параметров функционального
преобразователя зададимся R0=100
кОм. Тогда величины сопротивлений, кОм:
.6.2 Расчёт параметров контура тока возбуждения
Принимаем постоянную времени контура вихревых
токов, с:
Для питания обмотки возбуждения выбран возбудитель
со следующими параметрами:
Выпрямленное напряжение UdНВ=230
В
Номинальный ток IнНВ=500
А
Постоянная времени возбудителя Тµ=0.005
Коэффициент передачи тиристорного возбудителя
найдем по следующей формуле:
Коэффициент передачи обратной связи по току
возбуждения:
Передаточная функция регулятора тока возбуждения
имеет вид:
Схема ПИ - регулятора тока возбуждения
представлена на рисунке 12:
Рисунок 12 - Схема регулятора тока возбуждения
Определим параметры элементов регулятора:
зададимся величиной ёмкости СОРВ=1 мкФ. Тогда сопротивление цепи
обратной связи, кОм:
Величина сопротивлений RОТВ
и RЗВ,
кОм:
.6.3 Расчёт контура регулирования ЭДС
Передаточная функция регулятора ЭДС с
использованием делительного устройства имеет вид:
где Та - постоянная времени,
учитывающая реакцию датчика ЭДС, с:
КОФ - коэффициент передачи
функционального преобразователя:
mω
- коэффициент передачи обратной связи по скорости, В/с:
КОН - коэффициент передачи по
напряжению:
Едв - ЭДС двигателя, В:
Кду - коэффициент передачи
делительного устройства (Кду=1).
Принципиальная схема регулятора ЭДС представлена
на рисунке 13. Определим параметры элементов регулятора: зададимся величиной
ёмкости СОРВ=1 мкФ. Величина сопротивлений RОТВ
и RЗВ,
кОм:
Рисунок 13 - Схема регулятора ЭДС
. Исследование динамических характеристик
системы
На рисунке 14 представлена структурная схема
системы двузонного регулирования. На рисунках 15 - 19 представлены графики
переходных процессов системы.
Рис. 14. Структурная схема электропривода
Рисунок 15 - Переходной процесс скорости при
управляющем воздействии
Рисунок 16 - Переходной процесс скорости при
набросе нагрузки (Iс=8600
А) в момент времени 1 с

Рисунок 18 - Переходной процесс тока при набросе
нагрузки (Iс=8600
А) в момент времени 1 с
Список использованных источников
1.
Расчёт тиристорного преобразователя для электропривода постоянного тока:
Методические указания к курсовому расчёту по дисциплине «Преобразовательная
техника» / Сост. Н.Е. Дерюжкова, С.А. Васильченко. - Комсомольск-на-Амуре:
ГОУВПО «КнАГТУ», 2004. - 34 с.
.
Горячев, В.Ф. Автоматизация процессов металлообработки: учебное пособие / В.Ф.
Горячев, Н.Е. Дерюжкова, В.И Суздорф. - Комсомольск-на-Амуре: ГОУВПО «КнАГТУ»,
2001. - 89 с.
.
Дерюжкова, Н.Е. Расчёты по автоматизированному электроприводу металлорежущих
станков: Учеб. Пособие / Н.Е. Дерюжкова, В.Ф. Горячев. - Хабаровск: Хабаровский
политехнический институт, 1985. - 90 с.
.
Соловьев, В.А. Системы управления электроприводами. Ч. 1: Учеб. Пособие / В.А.
Соловьёв - Комсомольск-на-Амуре: ГОУВПО «КнАГТУ», 2004. - 153 с.
.
Терехов, В.М. Элементы автоматизированного электропривода/ В.М. Терехов - М.:
Энергоатомиздат, 1987.- 224с.
.
Чернов, Е.А. Комплектные электроприводы станков с ЧПУ: справочное пособие /
Е.А. Чернов, В.П. Кузьмин. - Горький: Волго-Вятское кн. изд-во, 1989. - 320 с.