Автоматизация бункеров активного вентилирования зерна
Реферат
Ключевые слова: автоматизация, вентилирование,
система автоматического управления.
В данной работе дано описание технологической
линии; проанализированы требования к процессу вентилирования зерна; определен
объем автоматизации и структура САУ; разработана программа и предложен вариант
визуализации управления. Разработаны схема автоматизации, полная принципиальная
схема управления, программа управления, монтажная документация и документация
на щит автоматизации. Был произведён расчет надежности САУ. Кроме того
разработана программа автоматизации формирования позиций на чертеже вида на
внутренние плоскости щита на базе языка Autolisp.
Введение
Необходимость сушки зерна обусловлена тем, что
ворох после комбайновой уборки не соответствует кондиционной влажности для
хранения. Поэтому сушат зерно в сушилках различного типа и бункерах активного
вентилирования.
Сушка - это, с одной стороны, сложный процесс
одновременно тепло- и массообмена, а с другой - технологический
физико-химический процесс, при проведении которого должны быть не только
сохранены исходные свойства материалов, но в ряде случаев даже улучшены.
Управление процессом сушки должно осуществляться так, чтобы, по крайней мере,
сохранялись питательные свойства и не приводило к ухудшению качества, особенно
семенного зерна, что в полной мере и гораздо более качественно можно обеспечить
при автоматизации процесса сушки в бункере активного вентилирования. Поэтому
целью курсового проекта является САУ бункера активного регулирования. Которая
обеспечит поддержание температуры воздуха в бункере на заданном уровне, а также
влажности, что обеспечит качественное хранение зерна.
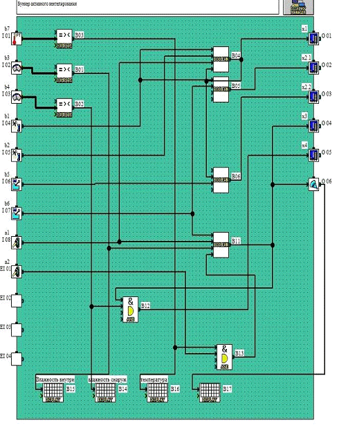
1. Описание технологической линии
Автоматизация бункеров активного вентилирования
зерна предусматривает автоматическое управление загрузкой бункеров,
воздухораспределение в бункере, температурой и влажностью зерна и продуваемого
воздуха.
Нория загружает зерно в бункер, в котором
происходит вертикальное и радиальное воздухораспределение.
В центре бункера установлена перфорированная воздухораспределительная
труба, а внутри нее лебедкой перемещается поршень-заглушка. разгружается бункер
самотеком через люк.
Схема автоматизации данной установки приведена
на рисунке 1.1
Рисунок 1.1 - Схема автоматизации
пастеризационной установки
2. Требование к САУ (формирование
технического задания)
Наименование системы управления: автоматизация
процессом вентилирования зерна.
Область применения: хлебозаводы.
Основание для разработки : необходимость
модернизации устаревшего оборудования.
Цель разработки: автоматизация бункера активного
вентилирования.
Стадии и этапы: архитектурный проект,
строительный проект.
Источники разработки: ГОСТ, планы, исходные
данные.
Режимы работы объекта: схема управления должна
обеспечить работу системы в автоматическом, ручном и наладочном режимах.
Условия эксплуатации системы управления: пожаро-
и взрыво- безопасносные помещения.
Технические требования к системе управления.
Функции:
Основные - автоматическое управление
оборудованием бункера активного вентилирования, регулирование технологических
параметров.
Из анализа описания работы линии и технических
требований для реализации предложенного варианта автоматизации, необходимо
предусмотреть следующий объем технических средств автоматики:
для измерения температуры воздуха в бункере
используем датчики температуры;
для измерения влажности воздуха на входе в
бункер и на выходе из него используем датчики влажности.
Дополнительные - сигнализация и визуализация
управления.
Данный объем автоматизации показан на схеме
автоматизации.
Алгоритм функционирования:
Автоматизация бункеров активного вентилирования
зерна предусматривает автоматическое управление загрузкой бункеров,
воздухораспределение в бункере, температурой и влажностью зерна и продуваемого
воздуха.
Нория загружает зерно в бункер, в котором
происходит вертикальное и радиальное воздухораспределение. При включении
привода нории включается и привод на подъем лебедки на подъем заглушки.
Заглушка передвигается вверх пока не разомкнутся контакты конечного выключателя
датчика уровня. При заполнении бункера до верхнего уровня отключается нория и
заглушка опускается вниз пока не сработает датчик положения.
Схема управления температурой и влажностью
осуществляется при помощи двух автоматических и одного ручного режимов: С -
сушка и К - консервация при ручном Р и автоматическом А режимах.
Влажность воздуха на входе в слой зерна и выходе
из него контролируют влагомерами с контактными датчиками, которые замыкаются
при повышению относительной влажности воздуха соответственно на входе и выходе
бункера. Если влажность зерна повышена, то выносимая воздухом влага замыкает
контакты, в результате чего срабатывает реле. Процесс сушки продолжается до тех
пор, пока до установленного значения не снизится вынос влаги из зерна.
Электронагревательные элементы калорифера
включаются только при работающем вентиляторе , когда высокая влажность воздуха
на входе в зерно.
В центре бункера установлена перфорированная
воздухораспределительная труба, а внутри нее лебедкой перемещается
поршень-заглушка. разгружается бункер самотеком через люк.
Параметры регулирования: регулирование
температуры в бункере; регулирование влажности воздуха на входе в бункер и на
выходе из него.
Параметры управления: управление температурой и
влажностью воздуха.
Параметры контроля: контролировать за включением
и отключением электрооборудования установки (вентилятор, нория, лебедка).
Требования к качеству переходных процессов :
перерегулирование не >20%, статическая ошибка не >5%, время регулирования
не более 500с.
Требование к точности системы: статистическая
ошибка не более 5%.
Требование к надежности: надежность системы
должна быть не менее 0,9.
Требование к безопасности: быстрое отключение
линии при неисправности оборудования.
Предложение по размещению пунктов управления,
щитов и пультов: в щитовой, агрессивная среда.
Экономические показатели: капитальные затраты,
срок окупаемости, повышение производительности установки, рентабельность
производства.
3. Определение объема автоматизации,
вида АУУ и структуры САУ
Для правильного функционирования бункера
активного вентилирования необходимо предусмотреть следующий объем
автоматизации:
Наличие одного датчика температуры (датчик
температуры воздуха, датчик);
Наличие двух датчиков влажности воздуха;
Управление приводами нории, вентилятора,
лебедки.
Объём автоматизации изображен в графической
части.
В нашем случае объектом управления является
технологический процесс вентилирования зерна, а цель управления - поддержание
или изменение по определённому закону температуры воздуха, поэтому в качестве
вида АУУ определяем автомат и регулятор. Данные виды АУУ позволят полностью
реализовать контроллер. Контроллер выбираем по количеству входов-выходов, по
функциональным характеристикам и стоимости.
Из анализа технологического процесса и объема
автоматизации видно, что контроллер должен обладать следующими параметрами:
• 9
входов ( с возможностью обработки аналоговых сигналов (0-10В));
• 6
выходов (8А);
• обладать
достаточно высокими быстродействием;
• достаточным
количеством функций;
• эффективность
и максимальная надежность в работе;
• относительно
малая стоимость.
Из всего многообразия микропроцессорных средств,
для управления технологическими процессами, выбираем микроконтроллер AL2-14MR-D
фирмы Mitsubishi.
Характеристика микроконтроллера AL2-14MR-D
215073 фирмы Mitsubishi:
Контроллер серии Alpha XL.
Напряжение питания: 24В DС.
Кол-во входов: 9 ( с возможностью обработки
аналоговых сигналов (0-10В)).
Кол-во выходов: 6 (8А).
Тип выхода: реле.
Возможности Alpha XL: максимальная емкость
программы до 200 функциональных блоков, большой ЖК дисплей с подсветкой,
функциональный блок ПИД-регулятора с функцией самонастройки, возможность
расширения с помощью модулей входов/выходов, арифметические функции, 2-й порт
связи (RS-232). Возможность подключения модуля с 2-мя аналоговыми выходами,
преобразователя температура/напряжение для прямого подсоединения термопар типа
Pt100 и К.
Размеры (ШхВхГ): 124,6 х 90 х 52 мм.
Выбранный контроллер AL2-14MR-D
215073 обладает следующими параметрами:
Структура САУ приведена на рисунке 3.1
вентилирование технологический автоматизация реле
Рисунок 3.1 - Структура САУ Активного
вентилирования
ИМ1 - исполнительный механизм (подачи воды); ИМ2
- исполнительный механизм (подачи пара); ИМ3 - исполнительный механизм
(трехходовой клапан подачи молока); Dt1
- датчик температуры молока; Dt2
- датчик температуры пара; Dt3
- датчик температуры воды; Dt4
- датчик верхнего уровня; Dt5
- датчик нижнего уровня.
4. Разработка алгоритма, структуры и
программы управления
Из анализа описания работы линии и технических
требований для реализации предложенного варианта автоматизации, необходимо
предусмотреть следующий объем технических средств автоматики: Датчики уровня зерна,
датчики влажности Концевые выключатели, срабатывающие при крайних положениях
поршня-заглушки, для осуществления его возвратно-поступательного движения. Реле
времени для отсчетов интервалов работы оборудования. Выбор вышеперечисленных
приборов приведен в пункте 3. Для математического описания алгоритма дискретной
системы управления воспользуемся законами Булевой алгебры и логическими
таблицами. Для формализации алгоритма примем следующие обозначения:1
- магнитный пускатель нории;
Х2 - магнитный пускатель привода
лебедки
Х3 - магнитный пускатель вентилятора;
Х4 - магнитный пускатель калорифера;
b1
- датчик верхнего уровня ;
b2 -
датчик нижнего уровня;
b3
- датчик влажности на входе в бункер;
b4 -
датчик влажности на выходе из бункера;
b5
- конечный выключатель лебедки;
b6 -
конечный выключатель лебедки;
На основании словесного описания
технологического процесса и с учетом принятых обозначений составляем запись
алгоритма управления . Так же произведем проверку алгоритма на реализуемость.
Автоматический режим 1:
Автоматический режим 2:
Проверим алгоритм на реализуемость.
Таблица 4.1 - Проверка алгоритма на реализуемость
|
Такт
|
1
2 3 4 5 6 7 8 9 10
|
|
Вес
элемента
|
1
2 4 8
16 8 16 2 4 1
|
|
Запись
алгоритма
|
a2↑ - b7↑ - x3↑ - b4↑ -
Х4↑ - b4↓ - X4↓ -b7↓- X3↓ -
а2↓
|
|
Вес
состояния
|
1 3 7 15 31
23 7 5
1 0
|
Проводим аналогичные операции и расчеты для
автоматического режима 1. Алгоритм реализуем, так как в нормальном режиме
работы суммарное весовое состояние равно нулю.
В случае аварийного режима - весовое состояние
неотрицательно, значит алгоритм реализуем, а не схождение весового состояния в
ноль обусловлено ходом технологического процесса. Схема управления реализуема
без дополнительных элементов, так как в тактах алгоритма управления нет
повторяющихся весовых состояний. Разработку структуры управления начинаем с
составления таблицы частных включений для каждого исполнительного механизма.
Исходным материалом для составления логических таблиц (частных таблиц
включения, таблиц покрытия) служит запись алгоритма работы САУ. В нее входят:
само исполнительное устройство, контакты командного аппарата, включающего
исполнительный механизм, и контакты аппаратов, срабатывающих и обеспечивающих
выполнение всех условий, предъявляемых к данной технологической линии.
Структурная схема
исполнительного элемента Х1
Таблица 4.2 - Таблица частных
включений ИЭ Х1
|
Э
|
Вес
Э
|
Такты
|
|
|
|
1
|
2
|
3
|
4
|
5
|
6
|
7
|
8
|
|
х1
|
1
|
-
|
+
|
+
|
+
|
-
|
+
|
-
|
-
|
|
b1
|
2
|
-
|
-
|
-
|
+
|
+
|
+
|
-
|
-
|
4
|
-
|
-
|
+
|
+
|
+
|
+
|
+
|
-
|
|
a1
|
6
|
+
|
+
|
+
|
+
|
+
|
-
|
-
|
-
|
|
Весовое
состояние
|
2
|
8
|
12
|
13
|
7
|
3
|
2
|
0
|
Из анализа весового состояния видно, что
структуру управления можно реализовать без дополнительных элементов, так как в
тактах алгоритма нет повторяющихся весовых состояний.
Из структурной теории релейных устройств
известна следующая структурная формула для определения первоначальной структуры
элемента:
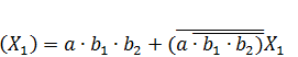
f(x) = fcp(x) + fomn(x)X(4.1)
где fcp(x)
- логическое произведение контактов элементов в такте отпускания,
обеспечивающих замкнутую цепь элемента, для которого определяется структурная
формула; fomn(х)
- логическое произведение контактов элементов в такте отпускания,
обеспечивающих замкнутую цепь элемента, для которого определяется структурная
формула.
f
(4.2)
Используя закон де Моргана
преобразуем полученное выражение.
(4.3)
Для упрощения первоначальных структурных формул
элемента воспользуемся таблицей покрытий. Она позволяет исключить из
первоначальной структурной формулы лишние слагаемые, которые реализуют с
помощью дополнительных слагаемых структурной формул [4].
Таблица 4.3 - Таблица покрытий ИЭ Х1
|
№
|
Цепь
|
Такты
|
|
|
3
|
4
|
5
|
|
1
|
|
X
|
X
|
-
|
|
2
|
|
-
|
-
|
-
|
|
3
|
|
-
|
X
|
X
|
|
4
|
|
-
|
-
|
+
|
Проводим аналогичные операции и расчеты для
остальных элементов.
Структурные схемы включения для элементов сведем
в таблицу 4.4.
Таблица 4.4 - Структурные формулы и схемы
включения
|
Э
|
Структурная
схема
|
|
x1
|
|
|
|
x2
|
|
|
|
x2
|
|
|
|
x3
|
|
|
|
x4
|
|
|
На основании полученный частных структурных схем
всех элементов составим полную структурную схему управления технологическим
процессом. При составлении полной структуры управления учитываем следующие
особенности:
автоматическую сигнализацию при аварийном
отключении компрессора
так как система в целом работает по срабатыванию
датчиков температуры и влажности вследствие этого, осуществляется
автоматическое управление исполнительными механизмами, включим в цепь
соответствующие блокировки и дополнительные контакты.
Рисунок 4.1 - Полная структурная схема
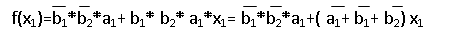
Так как в качестве устройства управления
установкой используется программный логический контроллер, то следует
разработать программу для его работы. Контроллер α-серии
программируется на языке FBD
(Function
Block Diagrаm).
Он предназначен для программирования промышленных логических контроллеров
(ПЛК). Программирование на нем представляет собой размещение на поле набора
логических блоков И, ИЛИ, НЕ, триггеров, таймеров, блоков обработки сигнала и
установления связи между ними. Графическая программа состоит из экземпляров
функциональных блоков и соединений между ними. Основание для разработки
программы является структурная схема управления (рисунок 4.1). Разработку
программы ведем по методике [5].
Приведем пример представления структурной схемы
ИЭ Х1 в виде FBD
программы для контроллера. В программе используем блок Bolean.
Рисунок 4.2 - Фрагмент программы
Аналогичным образом проводим анализ остальных
структурных схем. В полном объеме программа управления для контролера приведена
на рисунке 4.3.
Таблица 4.5 - Таблица входов - выходов.
|
Вход
|
Сигнал
|
Выход
|
Сигнал
|
|
I 01
|
Температура воздуха;
|
O 01
|
Нория
|
|
I 02
|
Влажность
воздуха;
|
O 02
|
Лебедка
вверх
|
|
I 03
|
Влажность
воздуха;
|
O 03
|
Лебедка
вниз
|
|
I 04
|
датчик
верхнего уровня
|
O 04
|
Вентилятор
|
|
I 05
|
Конечный
выключатель
|
O 05
|
Калорифер
|
|
I 06
|
Конечный
выключатель
|
O 06
|
Звуковая
сигнализация
|
Рисунок 4.3 - FBD
программа управления для контроллера
5. Разработка САР. Анализ качества
регулирования
Система автоматического регулирования (САР) -
замкнутая система (работающая по отклонению или по принципу комбинированного
управления), в которых управляемая величина стабилизируется, изменяется по
заданной программе или в соответствии с заранее неизвестным задающим
воздействием. Задающее воздействие на САР подается извне через задающее
устройство (задатчик) и определяется ее алгоритмом функционирования - требуемым
изменением регулируемой величины.
В системах стабилизации управляемая величина
стабилизируется. В системах программного управления - изменяется по заранее
заданной программе. В следящих системах задающее воздействие заранее неизвестно
и регулируемая величина должна следить за изменением задающего воздействия.
Целью рассмотрения системы автоматического
управления может быть решение одной из двух задач - задачи анализа системы или
задачи ее синтеза. В первом случае дается система, включая значения параметров,
и требуется оценить ее свойства, т.е. качество управления, обеспечиваемое
системой. Во втором случае, наоборот, задаются свойства, которыми должна
обладать система, т.е. требования к ней, и необходимо создать систему,
удовлетворяющую этим требованиям. Задача синтеза имеет неоднозначное решение и
много сложнее задачи анализа. В самом общем виде порядок исследования САР в
обоих случаях включает математическое описание системы, исследование ее
установившихся и переходных режимов.
Для бункера активного вентилирования
должны быть предусмотрены 3 контура регулирования:
контур управления процессом сушки зерна;
контур управления повторной сушкой в случае
высокой влажности уходящего воздуха.
6. Разработка средств визуализации
управления
Визуализация в общем смысле - метод
представления информации в виде оптического изображения (например, в виде
рисунков и фотографий, графиков, диаграмм, структурных схем, таблиц, карт и т.
д.).
При визуализации управления используют следующие
подходы:
· SCADA SYSTEM (Trace
mode, Genesis);
· Контроллер с панелью оператора;
· Контроллер с дисплеем;
В данном случае визуализации подлежат параметры
температура, влажность на входе и на выходе бункера активного регулирования.
Для реализации отображения параметров берем блок «DISPLAY»
, на который подаем сигналы. После того как мы его вставили, двойным кликом
мыши по самому блоку открываем его меню.
В графе «опции пользователя-строка» набираем
текст «avariya».
Исходное положение текста Х=1;Y=1;Длина=7.
Рисунок 6.1 - Вид
дисплея в AlfaProgramming
7. Разработка полной принципиальной
схемы управления, регулирования, контроля и сигнализации
В полной электрической принципиальной схеме
устанавливаем аппараты для обеспечения световой и звуковой предупредительной
сигнализации. Принципиальная электрическая схема управления должна обеспечить:
§ безопасность людей;
§ надежную работу технологической линии;
§ быть экономически целесообразной.
При проектировании электрической принципиальной
схемы руководствуемся действующим стандартом на условные обозначения элементов
на принципиальных электрических схемах, правилами устройства электроустановок.
Принимаем следующие буквенно-цифровые обозначения аппаратов:
Х1, X2,
X3,
X4
- обозначаем соответственно КМ1, КМ2, КМ3, КМ4 (магнитные пускатели);
b1,
b2
- SL1, SL2
(датчики уровня);
b3,
b4 -
BK1, BK2
(датчики влажности);
b5 -
BK3 (датчики
температуры).
Для проведения пуско-наладочных работ
предусматриваем в схеме возможность независимого включения электродвигателей,
для этой цели устанавливаем пакетный трехпозиционный переключатель SA1,
а для включения электродвигателей (магнитных пускателей) и электромагнитного
вентиля устанавливаем кнопки управления SB1…SB6.
В полном объеме электрическую принципиальную
схему вычерчиваем на листе в графической части.
Принципиальная электрическая схема управления
процессом пастеризации молока включает силовую цепь и цепь управления.
Работой всех механизмов управляют со щита
управления. Необходимый режим задают при помощи универсального переключателя SA1.
Переключатели SAI и SA2 могут
быть установлены в два положения: С-сушка и К - консервация при ручном Р и
автоматическом А управлении. Датчики уровня SL1 и SL2 контролируют верхний и
нижний уровень зерна в бункере. Норию загрузки пускают кнопкой SB2, в
результате чего магнитный пускатель КМ] подает питание на электропривод Ml,
Когда уровень зерна в бункере достигает максимального значения, размыкается контакт
SLJ, из цепи тока выводится пускатель KMU который своими блок-контактами КМ1;3
включает реле времени КТи магнитный пускатель КМ2 электропривода М2 вентилятора
(переключатели SA1 и SA2 находятся в положениях соответственно С и А).
Влажность воздуха на входе в слой зерна и выходе из него контролируют
влагомерами с контактными датчиками В1 и В2, которые замыкаются при повышенной
относительной влажности воздуха соответственно на входе и выходе бункера. Если
влажность зерна повышенная, то выносимая воздухом влага замыкает контакты В2, в
результате чего срабатывает реле KV2, которое контактами К2 включает пускатель
КМ2 электропривода вентилятора. Процесс сушки продолжается независимо от
положения контактов до тех пор, пока до установленного значения не снизится
вынос влаги из зерна. Тогда размыкаются контакты В2, отключается реле КУ2и
лишается питания пускатель KV2 электропривода М2 вентилятора. Одновременно
размыкающие контакты КМ2:2 включают звонок НА, сигнализирующий об окончании
процесса сушки. Если при включении вентилятора М2 влажность воздуха на выходе
ниже равновесной, то выноса влаги не будет. В этом случае вентилятор М2
отключается контактами реле времени AT с выдержкой времени, достаточной для
выноса влаги из зерна к датчику В2. Электронагревательные элементы ЕК
калорифера включаются только при работающем вентиляторе, когда высока влажность
воздуха на входе в зерно. В этом случае замыкаются контакты В1 влагомера и реле
KV1 включает магнитный пускатель КМЗ калорифера. Отключается калорифер
автоматически в результате размыкания контактов В1 при снижении влажности
окружающего воздуха.
Чтобы задать режим консервации
(хранения) зерна, переключатель SAI ставят в положение К. В этом случае
управление ведется по температуре зерна, которая контролируется датчиком
температуры. Когда температура зерна достигает максимально допустимого
значения, замыкаются контакты и магнитный пускатель КМ2 включает вентилятор.
При этом, чтобы снизить (до 65 %) относительную влажность воздуха, его
пропускают через электрокалорифер. Вручную оборудованием бункера управляют
кнопками SB1...SB6, предварительно установив в положение переключатель SA2.
Выбор технических средств автоматики.
Для принципиальной электрической схемы выбираем
пускатели ПМЛ 1160М Б, 220 В, 50 Гц; реле промежуточное серии РПЛ 122М04А, 220
В, 50 Гц; электродвигатели АИР 90L8/2EУ3,
0,37/1,5 кВт, 380 В, 50 Гц; автоматические выключатели серии АЕ и С60N;
датчики температуры ТСП-1199/41/Pt:
контролер AL2-24MR-D.
7.1 Выбор магнитных пускателей
Электромагнитные пускатели выполняют функции
аппаратов дистанционного управления и отключения токоприемников при понижении
напряжения, блокировку и реверсирование.
Выбираем магнитный пускатель по рабочему
напряжению, по степени защиты от условий окружающей среды, по комплектности. Выбираем
магнитный пускатель серии ПМЛ открытого исполнения (IP54)
без кнопок и сигнальной арматуры.
Магнитный пускатель выбираем по условиям:
Uн.п.
≥Uн.л.(7.1)
,(7.2)
где
- длительно допустимая величина
тока в цепи силовых контактов пускателя, А.
380 В=380 В
А>5,43А
Для двигателя M1
выбираем магнитный пускатель ПМЛ 1160М Б, 220 В, 50 Гц
Аналогично производим выбор магнитных пускателей
для остальных электродвигателей. Результаты сводим в спецификацию перечня
элементов принципиальной электрической схемы.
7.2 Выбор тепловых реле
Тепловые реле применяют для защиты
электродвигателей от перегрузки. Условия выбора следующие:
н.р.
≥Uн.л. (7.3)
,(7.4)
Для электродвигателя нории выбираем тепловое
реле типа PTJI-101204 с
переделами регулирования тока реле (5,5-8,0)А.
=380В,
А>5,43А.
Аналогично производим выбор тепловых реле для
остальных электродвигателей. Результаты сводим в спецификацию перечня элементов
принципиальной электрической схемы.
7.3 Выбор промежуточного реле
Реле применяют для коммутации цепей управления.
Реле выбираем по роду тока (переменный или постоянный), по числу и виду
контактов (замыкающих и размыкающих), по мощности в цепи контактов реле.
Надежность срабатывания реле определяется коэффициентом возврата (Кв=0,15
- 0,99) - для электромагнитных реле и коэффициентом запаса К3=1,5 -
3,0.
Для данной схемы выбираем электромагнитное реле
постоянного тока типа РПЛ 14004А, 100В предназначенное для коммутации
электрических цепей переменного тока в схемах автоматизации.
8. Расчет надежности САУ. Средства
обеспечения надежности
Надежность, определяют, как свойство объекта
выполнять заданные функции, сохраняя во времени значения установленных
эксплуатационных показателей в заданных пределах течение требуемого интервала
времени или требуемой наработки. Надежность - это комплексное свойство, которое
в зависимости от назначения объекта и условий его эксплуатации может включать
безотказность, долговечность, ремонтопригодность и сохраняемость в отдельности
или определенное сочетание этих свойств, как для системы, так и для ее частей.
Интенсивность отказов элементов схемы сведены в таблицу 8.1.
Порядок прикидочного расчета: 1) Подсчитывается
интенсивность отказов для каждого типа элементов; 2) Суммируется интенсивность
отказов для каждого устройства управления отдельно; 3)Подсчитывается наработка
до первого отказа;4) Определяется время работы элементов; 5) Определяется
вероятность безотказной работы; 6)Проводится анализ полученных данных. При
отсутствии в системе резервных элементов выход из строя хотя бы одного элемента
приводит к отказу всей системы. Общая интенсивность отказов такой системы
определяется как :

*
(8.1)
где 
- для невосстанавливаемых элементов
интенсивность отказов 1-го элемента системы; 
- число однотипных элементов в схеме.
Средняя наработка на отказ равна обратной величине интенсивности отказов:
Тср = 1/λ =
141884,22 ч
(8.2)
Вероятность безотказной работы - это
вероятность того, что в заданном интервале времени или в пределах заданной
наработки не возникает отказа элемента.
Р(t) = е-λt = е -6,824*10-6*1000
= 0.980 (8.3)
Таблица 8.1 - Исходные данные для
расчетов показателей надежности
|
Элемент
схемы
|
Количество
элементов,n шт.
|
Интенсивность
отказов ,λi,10-6
1/ч
|
Общая
интенсивность λ=λi*n,10-6
1/ч
|
|
1.Контроллер
|
1
|
0.5
|
0.5
|
|
2.Автоматический
выключатель
|
1
|
0.17
|
1,02
|
|
3.Пускатель
магнитный
|
2
|
1.2
|
2.4
|
|
4.Реле
электротепловое токовое
|
3
|
0.4
|
1,2
|
|
5.Сигнализатор
уровня
|
2
|
0.6
|
1,2
|
|
6.Выключатели
кнопочные
|
6
|
0,504
|
|
Итого:
|
|
|
6,824
|
Вывод: наиболее наглядным показателем является
вероятность безотказной работы элемента за определенный интервал времени. По
результатам вычислений из 1000 элементов в течении 1000 часов проработают
безотказно 980 и 10 откажут. Вероятность 0,98 ≈ 1 достаточно высоко,
специальных методов обеспечения надежности не требуется.
9. Разработка средств автоматизации
проектирования
Для реализации алгоритма автоматизации
разработки проектного документа необходим графический редактор отвечающий
следующим требованиям:
)наличие технологии создания и редактирования
блоков;
)наличие средств организация интерфейса между
пользователем и редактором;
)наличие языка программирования,
предоставляющего работу с основными примитивами редактора и текстом, а так же с
набором минимальных математических функций и возможность организации процесса
нелинейного программирования.позволяет разрабатывать функции для решения самых
разнообразных задач, а также создавать эффективные системы и подсистемы САПР,
связанные с обработкой и анализом графической информации, получением готовой
документации в виде чертежей.
Помимо системы AutoCAD, использование
алгоритмического языка программирования возможно в графической системе КОМПАС.
Однако сочетающийся с КОМПАСом язык программирования ПИТОН не обладает столь
разнообразными функциями, позволяющими выполнять работу с примитивами и
обработкой различного рода графической информации.- это подмножество языка
Common Lisp, дополненное некоторыми функциями, отражающими специфику AutoCAD.
Он позволяет выполнять не только расчеты, находясь в графическом редакторе, но
и создавать подпрограммы для создания собственной необходимой и удобной среды
проектирования. Программы на данном языке дают возможность в автоматизированном
режиме получать параметрические изображения т.е. изображения, состоящие из совокупностей
примитивов, заданных узловыми точками, координаты которых могут быть рассчитаны
в соответствии с наперед заданными геометрическими параметрами.
Таким образом, платформа AutoCAD с
функциональным встроенным языком AutoLISP полностью отвечает предъявленным
требованиям и позволяет реализовать разработанный алгоритм автоматизации.
Вывод: AutoLISP
реализует данные диалоги, выполняет построение отросовки отводящей линии на
принципиальной электрической схеме распределительной сети.
Заключение
В данном курсовом предложен вариант САУ
процессом активного вентилирования бункера. Объектом автоматизации является -
бункер активного вентилирования, в котором требовалось поддерживать температуры
и влажности зерна в бункере.
В качестве устройства управления используем
контролер AL2-24MR-D,
который автоматически обеспечивает загрузку бункера, доведение зерна до
кондиционной влажности, сигнализацию выхода в режим хранения и поддержание
влажности в режиме хранения. Значимые параметры: влажность, температура
вынесены на дисплей контролера для контроля.
Была разработана программа работы контроллера,
полная принципиальная электрическая схема управления, защиты и сигнализации,
процесса вентилирования зерна, рассчитана надёжность системы автоматического
управления.
Литература
1.
Якубовская, Е.С. САПР систем автоматики : учеб.-метод, пособие к лабораторным
занятиям для студентов специальности 1 - 74 06 05 02 «Автоматизация
технологических процессов и установок» / БГАТУ, кафедра АСУП;. - Минск, 2006. -
145 с.
.
Фурсенко, С.Н. Автоматизация технологических процессов : учеб. пособие / С.Н.
Фурсенко, Е.С. Якубовская, Е.С. Волкова. - Минск: БГАТУ, 2007. - 592 с.
.
Якубовская, Е.С. Автоматизация технологических процессов сельскохозяйственного
производства: практикум/ Е.С. Якубовская, Е.С. Волкова. Минск: БГАТУ, 2008. -
319 с.
.
Автоматика - сервис [Электронный ресурс] / Поставщик современных систем и
средств автоматизации для всех отраслей промышленности.
.
Гурин, В.В. Электропривод. Часть 1. Проектирование нерегулируемого электропривода
рабочей машины [Текст]: учебно - методическое пособие по курсовому и дипломному
проектированию / В.В. Гурин, Е.В. Бабаева. - Минск, 2006.-316 с.
.
Полещук, Н.Н. AutiLISP
и Visual LISP
в среде AutoCAD
: Руководство разработчика / Н.Н. Полещук, П.В. Лоскутов. - Спб.:
БХВ-Петербург, 2006.-960с.
.
Сидоренко, Ю.А. Теория автоматического управления : Ю.А. Сидоренко.-Минск :
БГАТУ, 2007. - 124 с.
.
Якубовская, Е.С. Проектирование и САПР систем автоматизации практикум / сост.
Е.С. Якубовская. - Минск : БГАТУ, 2008. - 204 с.
.
Сидоренко, Ю.А. Теория автоматического управления : практикум /
Ю.А.
Сидоренко, Е.Е. Мякинник. -
Минск : БГАТУ, 2012. - 132 с.