Система управління роботом
Вступ
Сучасну мікроелектроніку
важко уявити без такої важливої частини як мікроконтролери. Мікроконтролерні
пристрої тепер використовуються в повсякденному житті. Ми звикли до них і іноді
навіть не підозрюємо що в них працюють мікроконтролери.
Вони використовується
для керування електронними пристроями. По суті, це - однокристальний комп'ютер,
здатний виконувати прості завдання. Використання однієї мікросхеми значно
знижує розміри, енергоспоживання і вартість пристроїв, побудованих на базі
мікроконтролерів.
Мікроконтролери можна
зустріти в багатьох сучасних приладах, таких як телефони, пральні машини, вони
відповідають за роботу двигунів і систем гальмування сучасних автомобілів, з їх
допомогою створюються системи контролю і управління.
Очевидно, що обробка
даних - одна із головних функцій МП, яка включає як і маніпулювання так і
обчислення даних. Іншою функцією МП є управління системою. Схеми управління
дозволяють декодувати і виконати програми - набір команд для обробки даних.
Робота мікропроцесора складається з наступних кроків: спочатку вибирається
команда, потім логічна схема її декодує, після чого здійснюється виконання цієї
команди. Також відбувається обмін інформацією з зовнішніми пристроями, які
підєднанні до мікропроцесора.
Мікропроцесори являють
собою цифрові великі інтегралні схеми, призначенні для виконання простих
операцій, інакше названих командами, що зчитуються і здійснюються послідовно з
великою швидкістю. До числа внутрішніх схем мікропроцесора відносяться багато
розрядні регістри, рівнобіжні тракти даних, буфери для підключення зовнішніх
пристроїв, багатофункціональні схеми, логічні схеми синхронізації і керування.
Розвиток інтегральної
технології і схемотехніки цифрових електронних схем призвів до появи
інтегральних мікросхем із великою і дуже великою ступенями інтеграції, що
містять на одному кристалі в одному корпусі декілька десятків тисяч, а в
останніх розробках сотні тисяч транзисторів. На основі таких схем в останні
роки вдалося створити мікропроцесори функціонально закінчені, що управляються
збереженою у пам’яті програмою. Здебільшого мало розрядні пристрої опрацювання
інформації, виконані у виді однієї або декількох ВІС або ДВІС.
Мікропроцесорний
комплект крім самого мікропроцесора містить мікросхеми, що підтримують
функціонування мікропроцесора і розширюють його логічні можливості.
В пристроях управління
об’єктами мікроконтролери розглядаються у вигляді сукупності
апаратно-програмних засобів. При проектуванні мікроконтролерів треба вирішувати
одну з найскладніших задач розробки: задачу оптимального розподілу функцій між
апаратними засобами і програмним забезпеченням. Рішення такої задачі
ускладнюється тим, що взаємозв’язок і взаємодія між апаратним і програмним
засобами динамічно змінюються.
1. Аналіз технічного
завдання
Метою даного курсового
проекту є розробка мікропроцесорної системи управління роботом з контролем
переміщення на базі мікроконтролера AT89C51.
Система управління
роботом:
Рисунок 2.1 - Структурна
схема
Датчики:
. Правий датчик
відслідковування чорної лінії, при виявленні чорної лінії подає на
мікроконтролер значення логічного нуля;
. Лівий датчик
відслідковування чорної лінії, при виявленні чорної лінії подає на
мікроконтролер значення логічного нуля;
. Датчик
світла(фотосенсор) розміщається з правої сторони. Він реагує на світло,
вловлюючи його подає сигнал на вхід мікроконтролера;
. Датчик
світла(фотосенсор) розміщується з лівої сторони. Він реагує на світло,
вловлюючи його подає сигнал на вхід мікроконтролера;
Кнопки:Увімкнення і
вимкнення системи;Встановлення Режиму 1 (Режим слідування по чорній
лінії);Кнопка встановлення Режиму 2 (Режим руху на джерело світла);Встановлення
швидкості руху (Збільшення на один пункт);Встановлення швидкості руху
(Зменшення на один пункт);Кнопка «Старт» (Пристрій приводиться в рух,
вмикаються двигуни);Кнопка «Стоп» (Пристрій призупиняє рух, двигуни
вимикаються);
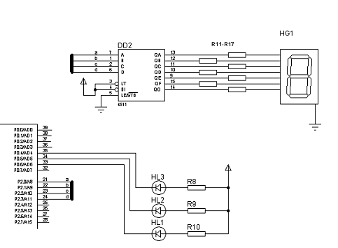
Індикатори:Інформує про
те що пристрій увімкнений;Показує що вибраний Режим 1;Вказує на те що
ввімкнений Режим 2;Семи-сегментний індикатор на який контролер виводить
значення швидкісного режиму, який встановлено;
Двигуни:
Двигун1: Правий двигун;
Двигун2: Лівий двигун;
Інструкція управління
системою:
1. Система
вмикається кнопкою «Увімкнути» (S1);
2. При включені пристрою
загоряється світло діод (індикатор) «Увімкнено» (Зеленого кольору), далі
необхідно вибрати режим роботи пристрою їх є два - Режим 1 (Рух по чорній
лінії) (S2) і Режим 2 (Рух на світло) (S3), по замовчуванню під час увімкнення
пристрою встановлюється Режим 1. Коли ми вибираємо режими на пульті управління
загоряються відповідні індикатори які інформують користувача про вибраний режим
роботи якщо Режим 1 то загоряється синій індикатор(HL2) а якщо Режим 2 то
червоний індикатор(HL3);
Пульт управління:
Рисунок 2.2 - Пульт
управління
. Після вибору режиму
потрібно встановити швидкість руху, тільки для Режиму 1 слідування по чорній
лінії, якщо це Режим 2 то швидкості встановлювати не потрібно робот рухається
на стандартній швидкості для цього режиму. Швидкість встановлюється за допомогою
кнопок S4 (Швидкість більша+) і S5 (Швидкість менша-), також по замовчуванню
встановлюється перший швидкісний режим всього режимів швидкостей є п’ять. Після
того як ми вибрали швидкість її значення відображається на семи сегментному
індикаторі;
. Після того в
залежності який режим ми вибрали, якщо це Режим 1 то потрібно помістити робот
на рівну поверхню з розграфленими на ній чорними лініями, якщо це Режим 2
потрібно помістити робот тільки на рівну поверхню, потім натиснути кнопку
«Старт» (S6);
. По завершені
користування потрібно натиснути кнопку «Стоп» (S7) після чого можна вимкнути
робот або вибрати новий режим і почати все спочатку;
Трек для руху робота:
Рисунок 2.3 - Трек
2. Розробка і опис
структурної схеми
Структурна схема є
першою моделлю електронного пристрою, яка відображає принцип роботи пристрою в
загальному вигляді. Перевагою структурної схеми є те, що по ній можна швидко
одержати уявлення про склад, структуру і виконувані ним функції, не відвертаючи
увагу на схемну реалізацію його функціональних частин.
Рисунок 3.1 - Структурна
схема мікропроцесорної системи
МК-мікропроцесор;
Блок датчиків:
Ø правий датчик відслідковування лінії;
Ø лівий датчик відслідковування лінії;
Ø правий фото сенсорний датчик;
Ø лівий фото сенсорний датчик;
Блок Кнопок:
Ø кнопка «увімкнення/вимкнення системи»;
Ø кнопка «режим відслідковування лінії»;
Ø кнопка «режим руху на світло»;
Ø кнопка «збільшення швидкості»;
Ø кнопка «зменшення швидкості»;
Ø кнопка «Старт»;
Ø кнопка «Стоп»;
Блок індикаторів:
Ø індикатор зеленого кольору «увімнений»;
Ø індикатор синього кольору «Режим слідування по лінії»;
Ø індикатор червоного кольору «Режим руху на світло»;
Ø семи сегментний індикатор для виведення значення швидкості;
Блок двигунів:
Ø правий двигун;
Ø лівий двигун.
3. Розробка і опис
принципової схеми
Розробка принципової
схеми проводиться до структурної схеми, зображеної на рисунку 3.1.
Розробка принципової
схеми представляє собою синтез структурно-функціональної схеми нассемо
технічному рівні з врахування вимог технічного завдання, а також вимог, що
висуваються розробником до кожного функціонального елемента. Принципова схема
значно повніше відображає властивості системи, що розробляється.
Мікроконтролер AT89C51:
В якості мікропроцесора
в системі управління використовується однокристальна 8-ми розрядна мікро-ЕОМ
АТ89С51.
Мікросхема містить: 8-ми
розрядний центральний процесор, логічний процесор з порозрядною і побайтовою
обробкою даних, вмонтований тактовий генератор, вмонтований ОЗП даних (128
байт), 20 регістрів спеціального призначення, 8 шин входу / виходу, 2
вмонтованих 16-ти розрядних таймери-лічильники, двохсторонній порт послідовного
входу/ виходу, система переривань двома рівнями пріоритетності від двох
зовнішніх і трьох внутрішніх пристроїв, адресний простір (64 к) для зовнішньої
ПЗП, адресний простір (64 к) для зовнішньої програмної пам’яті. Дана мікросхема
складається з 20000 інтегральних елементів.
Два програмованих
16-бітних таймери/лічильника (Т/Л0 і Т/Л1) можуть бути використані як таймери
або лічильники зовнішніх подій. При роботі як таймер вміст Т/Л інкрементується
в кожному машинному циклі, тобто через кожні 12 періодів кварцового резонатора.
При роботі в режимі лічильника вміст Т/Л інкрементується після переходу з 1 в 0
зовнішнього вхідного сигналу, який подається на відповідний (ТО, ТІ). Вміст
лічильника буде збільшене на 1, у тому випадку, якщо в попередньому циклі був
визначений вхідний сигнал високого рівня (1), а в наступному - сигнал низького
рівня (0). На розпізнавання переходу потрібно два машинних цикли, тобто
максимальна частота підрахунку вхідних сигналі дорівнює 1/24 частоти
резонатора.
Рисунок 4.1 - Умовне
графічне позначення мікросхеми AT89C51
Таблиця 4.2 - Призначення
виводів AT89C51
|
Номер вив.
|
Найменування
|
Призначення
|
|
1…8
|
Р1.0…Р1.7
|
Входи/виходи 8-ми розрядного
двохнаправленого порта 1
|
|
9
|
RST
|
Вхід обнуления
|
|
10
|
RXD
|
Вхід послідовного каналу в
асинхронному режимі
|
|
11
|
TXD
|
Вихід послідовного каналу в
асинхронному режимі
|
|
12
|
INTO
|
Вхід 0 переривання або управління
лічильником 0
|
Електричні параметри:
Напруга живлення ……..
- 4,75…5,25В
Вхідна напруга високого
рівня……. - 0,5…+5,75В
Вхідна напруга низького
рівня……… - 0,5…+0,8В
Вихідна напруга високого
рівня............................................ ……>2,4В
Вихідна напруга низького
рівня при І0ВИХ=1,6 мА........... …….<0,45В
Струм
споживання……..<150 мА
Струм втрат на входах,
при 0<ивх<5,75В..................... …….< |±10|мкА
Споживана потужність........................................................ …….
0,69Вт
Ємність навантаження......................................................... …….100
пФ
Тактова частота............................................................ 3,5...12
МГц
Мінімальний час
виконання короткої команди....................... …..Імкс
Швидкість обміну даними
в послід, порті вводу / виводу. ….110…375000біт/с
Кількість базових команд........................................................ ……111
Ємність стеку.................................................................. ….
0,128 кбайт
Об’єм адресної пам’яті
команд, даних............................. …..64 кбайт
Напруга живлення................................................................... ……<7В
Вхідна напруга високого
рівня................................................ .….<7В
Вхідна напруга
низького рівня .….<7В
Ємність навантаження.......................................................... ….<500
пФ
Температура
навколишнього середовища................. - 10…+700С
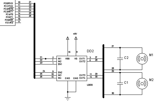
Драйвер управління
двигунами:
Для керування двигунами
робота необхідно пристрій, який би перетворював сигнали малої потужності в
струми, достатні для управління моторами. Такий пристрій називають драйвером
двигунів. Існує досить багато самих різних схем для управління
електродвигунами. Вони розрізняються як потужністю, так і елементною базою, на
основі якої вони виконані.
Рисунок 4.3 - Вигляд
мікросхеми L293D
Ми зупинимося на самому
простому драйвері управління двигунами, виконаному у вигляді повністю готовою
до роботи мікросхеми. Ця мікросхема називається L293D і є однією з найпоширеніших
мікросхем, призначених для цієї мети.D містить одразу два драйвера для
управління електродвигунами невеликої потужності (чотири незалежні канали,
об'єднаних у дві пари). Має дві пари входів для керуючих сигналів і дві пари
виходів для підключення електромоторів. Крім того, у L293D є два входи для
включення кожного з драйверів. Ці входи використовуються для керування
швидкістю обертання електромоторів за допомогою широтно модульованого сигналу
(ШІМ).D забезпечує поділ електроживлення для мікросхеми і для керованих нею
двигунів, що дозволяє підключити електродвигуни з великою напругою живлення,
ніж у мікросхеми. Поділ електроживлення мікросхем і електродвигунів може бути
також необхідно для зменшення перешкод, викликаних кидками напруги, пов'язаними
з роботою моторів. Принцип роботи кожного із драйверів, що входять до складу
мікросхеми, ідентичний, тому розглянемо принцип роботи одного з них.
Рисунок 4.4 - Принцип
роботи L293D
До виходів OUTPUT1 і
OUTPUT2 підключимо електромотор MOTOR1. На вхід ENABLE1, що включає драйвер,
подамо сигнал (з'єднаємо з позитивним полюсом джерела живлення +5 V). Якщо при
цьому на входи INPUT1 і INPUT2 не подаються сигнали, то мотор обертатися не
буде. Якщо вхід INPUT1 з'єднати з позитивним полюсом джерела живлення, а вхід
INPUT2 - з негативним, то мотор почне обертатися. Тепер спробуємо поєднати вхід
INPUT1 з негативним полюсом джерела живлення, а вхід INPUT2 - з позитивним.
Мотор почне обертатися в іншу сторону. Спробуємо подати сигнали одного рівня
відразу на обидва керуючих входу INPUT1 і INPUT2 (з'єднати обидва входи з
позитивним полюсом джерела живлення або з негативним) - мотор обертатися не
буде. Якщо ми приберемо сигнал з входу ENABLE1, то при будь-яких варіантах
наявності сигналів на входах INPUT1 і INPUT2 мотор обертатися не буде. Уявити
краще принцип роботи драйвера двигуна можна, розглянувши таку таблицю:
Таблиця 4.5 - Принцип
роботи драйвера двигуна
|
ENABLE1
|
INPUT1
|
INPUT2
|
OUTPUT1
|
OUTPUT2
|
|
1
|
1
|
0
|
0
|
0
|
|
1
|
0
|
0
|
1
|
0
|
|
1
|
1
|
1
|
0
|
1
|
0
|
1
|
1
|
1
|
Тепер розглянемо
призначення виводів мікросхеми L293D.
Рисунок 4.6 -
Призначення виводів
· Входи
ENABLE1 і ENABLE2 відповідають за включення кожного із драйверів, що входять до
складу мікросхеми.
· Входи
INPUT1 і INPUT2 управляють двигуном, підключеним до виходів OUTPUT1 іOUTPUT2.
· Входи
INPUT3 і INPUT4 управляють двигуном, підключеним до виходів OUTPUT3 іOUTPUT4.
· Контакт
Vs з'єднують з позитивним полюсом джерела електроживлення двигунів або просто з
позитивним полюсом живлення, якщо живлення схеми і двигунів єдине. Простіше
кажучи, цей контакт відповідає за живлення електродвигунів.
· Контакт
Vss з'єднують з позитивним полюсом джерела живлення. Цей контакт забезпечує
живлення самої мікросхеми.
· Чотири
контакту GND з'єднують з «землею» (загальним проводом або негативним полюсом
джерела живлення). Крім того, за допомогою цих контактів зазвичай забезпечують
тепловідвід від мікросхеми, тому їх краще всього розпаювати на досить широку
контактну площадку.
Технічні характеристики:
Напруга
живлення двигунів ………………… (Vs) - 4,5… 36V
Напруга
живлення мікросхеми…………………. (Vss) - 5V
Допустимий
струм навантаження………… 600 mA (на кожен канал)
Піковий
(максимальний) струм на виході…. 1,2 A (на кожен канал)
Логічний
«0» вхідного напруги …………………. до 1,5 V
Логічна
«1» вхідного напруги …………………… 2,3… 7V
Швидкість
перемикань…………………………. до 5 kHz
Блок датчиків:
Датчик відстеження
чорної лінії:
Наш робот зможе бігати
по лінії, намальованій на поверхні, і навіть взяти участь у змаганнях з
відстеження лінії.
Принцип роботи датчика
базується на властивості поверхонь по-різному відображати падаюче на них
світло. Чорні або темні поверхні відбивають світло набагато гірше, ніж білі або
світлі. Вловлюючи відбите світло, ми зможемо визначити тип поверхні, що
знаходиться під датчиком. Для виготовлення датчика кордону нам знадобляться
фототранзистор і яскравий світлодіод. Світлодіод і фототранзистор спрямовані в
бік досліджуваної поверхні. Відстань до поверхні залежить від сили світіння
світлодіода і чутливості фототранзистори. Зазвичай оптимальна відстань дорівнює
1-1,5 см.
Рисунок 4.7 - Схема
розміщення елементів датчика
Відстань між
світлодіодом і фототранзистором не слід робити занадто великою хорошим вибором
може стати зазор в 0,5-1 с м. У деяких випадках, щоб запобігти спрацьовування
фото транзистора від прямого світла випромінюваного світло діодом, між ними
розташовують непрозору шторку.
Світло від світло діода
відбивається від поверхні і вловлюється фототранзистором. Якщо поверхня світла,
то відбитого світла достатньо для відкриття фототранзистора, в іншому випадку
фото транзистор буде закрито (не буде пропускати струм).
Рисунок 4.8 - Принцип
роботи датчика
Використання
фототранзистора обумовлено тим, що швидкість його спрацьовування висока і
достатня навіть при дуже швидкому русі робота. Використання фотодіодів також
допустимо. Фоторезистори мають невисоку швидкість спрацьовування, і її може
бути недостатньо при високій швидкості руху робота. Схема датчика дуже проста,
складається безпосередньо з фототранзистора, світлодіода і обмежуючих
резисторів. При спрацьовуванні фото транзистора на виході формується сигнал
низького рівня, який і подається на один з вільних входів мікроконтролера.
Лівий і правий датчики
однотипні тому немає сенсу розглядати два датчики. Достатньо розглянути один із
них.
Таблиця 4.9 - Елементна
база датчика
|
Позначення
|
Найменування
|
Кількість
|
|
LED1
|
Світлодіод JG-L40G, білий
|
1
|
|
PTR1
|
Фототранзистор ОР705
|
1
|
|
R1-R2
|
Резистор ОМЛТ - 0,125-220 Ом
|
2
|
Датчик фотосенсор:
Датчик реалізує реакцію
фототаксису (спрямованого руху до світла або від світла), датчиків є два кожен
з них містить фото транзистор (фото сенсор). Коли на один з фотосенсорів такого
робота потрапляє світло, включається відповідний сенсору електромотор і робот
повертає в бік світла до тих пір, поки світло не освітить обидва фото сенсора і
не включиться другий мотор. Коли обидва датчики освітлені, робот рухається
назустріч джерелу світла. Якщо один з сенсорів перестає освітлювати, то робот
знову повертає в бік джерела світла і, досягнувши положення, при якому світло
падає на обидва сенсора, продовжує свій рух на світло. Якщо світло перестає
падати на датчики, робот зупиняється.
Рисунок 4.10 - Зовнішній
вигляд фототранзистора
В цьому датчику потрібно
використовувати дуже чутливі до світла фото транзистори це в свою чергу
забезпечить краще реагування на світло тим самим покращить роботу робота.
Фототранзистори
рекомендовані для використання: ОР705, РТ 204, РТ 331С та інші аналоги.
Для правильної роботи
датчика світло потрібно вибирати біле і якомога яскравіше.
Рисунок 4.11 - Схема
розміщення елементів датчика фото сенсора
Семисигментний
індикатор:
Для відображення даних
використовується семисигментний індикатор.
Рисунок 4.12 - Зовнішній
вигляд семисигментних індикаторів
Семисигментний
індикатори виявляються дуже зручними і простим у використані елементами
відтворення числової інформації. Вони бувають різних кольорів свічення, розмірів,
а також є буквено-цифрові і матричні індикатори. Всі індикатори одної серії
мають однакову будову і розрізняються тільки кольором. Це дозволяє, встановивши
індикатор в панель для мікросхем, легко замінити його індикатором іншого
кольору. В якості зразку розглянемо два індикатори: SA39-llxxx (ххх -
три-чотири букви, кодують колір, в моєму випадку GWA) і ВС56-12 ххх (ххх =
SRWA).
Наведемо нижче список
кольорів:
· HWA - яскраво-червоний на фосфіді галію GaP, 700 нмEWA -
високочутливий червоний на фосфіді-арсеніді и фосфіді галію GaAsP;
· GWA - зелений на фосфіді галію GaP, 565 нм;
· YWA - жовтий на фосфіді-арсеніді и фосфіді галію GaAsP/GaP, 590
нм;
· SRWA - дуже яскраво-червоний на арсеніді галію-алюмінію GaAlAs,
660 нмВ назві індикатора друга буква означає тип з'єднання світло діодів: С -
спільний катод, А - спільний анод. Нижче наведена схема SA39 і SC39. Зверніть
увагу на букви, які відзначили кожний сегмент (a-g) і відзначили точки
(DP).Струм споживання сегменту - 5 мА;
Рисунок 4.13 - Структура
семисигментних індикаторів
Рисунок 4.14 - Блок
кнопок

- Індикатор вкл./викл.
системи;- Індикатор режиму відстеження чорної лінії;- Індикатор режиму руху на
світло;- Семисегментний індикатор відображення швидкісного режиму;
Схема системи управління
двигунами:
Рисунок 4.16 - Система
управління двигунами
4. Розробка алгоритмів
програми
1. Контролер
перевіряє кнопку «увімкнути», якщо вона спрацьовує то переходить у пункт 2 а
якщо ні то вимикає індикатори і семи сегментний індикатор.
. Загоряється
індикатор, який сповіщає про те що пристрій увімкнений. Контролер перевіряє
кнопки які задають режим роботи пристрою, якщо спрацьовує кнопка яка задає
режим 1 то контролер переходить у пункт 3 а якщо ні то перевіряє чи натиснута
кнопка режиму 2 якщо вона спрацьовує то переходить в пункт 4 а якщо не натисну
та цикл починається знову.
. Загоряється
індикатор режиму 1. Контролер перевіряє кнопки які задають швидкісний режим
якщо кнопки спрацьовують то здійснюється встановлення режиму швидкості і
виведення її на індикатор потім перехід у пункт 5 а якщо ні то встановлюється
швидкість по замовчуванню, виводиться на індикатор і здійснюється перехід у
пункт 5.
. Загоряється
індикатор режиму 2 і контролер переходить у пункт 5.
. Контролер
перевіряє кнопку «Старт», якщо вона спрацьовує то перевіряється який
встановлено режим, якщо режим 1 то переходить у пункт 6, якщо режим 2 то в
пункт 7.
. Вмикаються
двигуни лівий і правий, які приводять у рух робот перевіряються датчики на
відстеження лінії якщо спрацьовує правий датчик вимикається правий двигун
вмикається лівий і навпаки потім переходить у пункт 8.
. Контролер
перевіряє правий і лівий датчик фото сенсор, якщо спрацьовує лівий фото сенсор
вмикається правий двигун, якщо правий фото сенсор вмикається лівий двигун потім
переходить у пункт 8.
Рисунок 5.1 - Блок схема
5. Написання текстів
програми
$include(mod51)0p0,#255p2,#0p3,#0p3.0p3.1p3.4p3.5
; Перевірка кнопки
увімкнути:p1.0, label1p0.6p0.5p0.4p3.3p3.4start
; Перевірка конопок
режиму:p0.6p1.1, rezym1p1.2, rezym2label1
; Режим «віжстеження
чорної лінії»:a,#1p2, a:p0.5p1.3, speedplusp1.4, speedminusp1.5, start1speed
; Встановлення більшої
швидкості:aa,#4, plusa,#1p2, adelaydelayspeed
; Встановлення меншої
швидкості:aa,#0, minusa,#3p2, adelaydelayspeed:p2, adelaydelayspeed
:p2, adelaydelayspeed
; Режим «рух на світло»:p0.4p1.5,
start2rezym2
; Режим швидкості
один:a,#3, speed2p3.2p3.3delayp3.2p3.3delayp0.0, rigdtp0.1, lefdtp1.6,
stopstart1:p3.0delaydelayp3.0start1
; Перевірка датчиків
відстеження чорної
лінії:p3.4delaydelayp3.4start1:p3.0delaydelayp3.0speed2:p3.4delaydelayp3.4speed2
; Перехід в режим «рух
на світло»:start3:p3.0delaydelayp3.0speed3:p3.4delaydelayp3.4speed3
; Перехід на початок
програми:start
; Режим швидкості
два:a,#2, speed3p3.2p3.3delaydelayp0.0, rigdt2p0.1, lefdt2p1.6,
stopp3.2p3.3delaydelayp0.0, rigdt2p0.1, lefdt2p1.6, stopspeed2
; Режим швидкості
три:p3.2p3.3delaydelaydelaydelaydelaydelayp0.0, rigdt2p0.1, lefdt2p1.6,
stopp3.2p3.3delaydelaydelaydelaydelayp0.0, rigdt3p0.1, lefdt3p1.6, stopspeed3
; Режим «рух на світло»,
перевірка датчиків, які реагують на світло:p0.2, sensrrp0.3, sensllp1.6,
stopstart2
; Спрацювання правого
датчика:p3.2delaydelaydelayp3.2start2
; Спрацювання лівого
датчика:p3.3delaydelaydelayp3.3start2
; Затримка:r1,#255: mov
r2,#255: djnz r2, m1r1, m2
Висновки
В процесі виконання курсового
проекту було розроблено пристрій «система управління роботом з контролем
переміщення», який може працювати в режимі відстеження чорної лінії і режимі
руху на світло. Керування пристроєм здійснюється за допомогою Пульта
управління. Під час виконання даної роботи, я навчився створювати та описувати
структурні і принципові схеми, складати алгоритми та програми на мові асемблер
для мікроконтролера AT89C51. Модель мікропроцесорної системи було спроектовано
в програмному комплексі Proteus Professional 7.7.
робот мікроконтролер
програма управління
Література
1. http://myrobot.ru/
2. http://news.cxem.net/
. http://robot.paccbet.ru/
. http://www.prorobot.ru/
. http://roboting.ru/