Разработка измерительного преобразователя

  • Вид работы:
    Курсовая работа (т)
  • Предмет:
    Информатика, ВТ, телекоммуникации
  • Язык:
    Русский
    ,
    Формат файла:
    MS Word
    480,89 Кб
  • Опубликовано:
    2013-02-21
Вы можете узнать стоимость помощи в написании студенческой работы.
Помощь в написании работы, которую точно примут!

Разработка измерительного преобразователя

Министерство образования и науки Российской Федерации

Пензенский государственный университет

Кафедра «Автоматика и телемеханика»










Разработка измерительного преобразователя

Пояснительная записка к курсовой работе по дисциплине

«Измерительные преобразователи систем управления»


Выполнил: ст. гр. 06ЗАА61

Первухин И. Л.

Проверил: к.т.н., доцент

Арбузов В.П.

Нормоконтролёр: Саул Е.Н.



Пенза, 2011

Реферат

ИЗМЕРИТЕЛЬНЫЙ ПРЕОБРАЗОВАТЕЛЬ, ПОГРЕШНОСТЬ НЕЛИНЕЙНОСТИ, УСИЛИТЕЛЬ ПЕРЕМЕННОГО ТОКА, АДДИТИВНАЯ КОРРЕКЦИЯ, ВЫПРЯМИТЕЛЬ, ФИЛЬТР НИЖНИХ ЧАСТОТ, БУФЕРНЫЙ КАСКАД, НЕСТАБИЛЬНОСТЬ ПИТАЮЩЕГО НАПРЯЖЕНИЯ, СТАБИЛИЗАТОР

Цель работы: спроектировать измерительный преобразователь переменного напряжения в напряжение постоянного тока.

В данной работе был спроектирован измерительный преобразователь со следующими характеристиками: амплитуда входного сигнала 21мВ, диапазон частоты входного сигнала (45¸120)кГц, напряжение источника питания ±26В, напряжение выходного сигнала 3В.

Содержание

Введение

. Разработка структурной схемы

. Определение коэффициентов передачи узлов измерительного преобразователя

.1 Определение общего коэффициента передачи

.2 Выбор коэффициентов передачи отдельных звеньев

.3 Выбор схемы предварительного усилителя

.4 Расчёт погрешности нелинейности для ПУ

. Коррекция погрешности усилителя переменного тока

. Расчет RC-параметров схемы электрической принципиальной

.1 Расчет параметров усилителя

.2 Расчет параметров выпрямителя

.3 Выбор схемы фильтра

.4 Буферный каскад

. Выбор стабилизатора напряжения

. Выбор номиналов резисторов и конденсаторов

. Определение расчётного значения общего коэффициента передачи

Заключение

Список использованных источников

Приложение А(обязательное) Измерительный преобразователь. Схема электрическая принципиальная

Введение

Измерительный преобразователь - это техническое средство с нормативными метрологическими характеристиками, служащее для преобразования измеряемой величины в другую величину или измерительный сигнал, удобный для обработки, хранения, дальнейших преобразований, индикации или передачи.

Принцип действия измерительных преобразователей (ИП) основан на различных физических явлениях. Измерительные преобразователи преобразуют любые физические величины х (электрические, неэлектрические, магнитные) в выходной электрический сигнал Y = f(х).

ИП или входит в состав какого-либо измерительного прибора (измерительной установки, измерительной системы и др.), или применяется вместе с каким-либо средством измерений. Различают первичные и промежуточные преобразователи (например, термопара в термоэлектрическом термометре, измерительный трансформатор тока, электропневматический преобразователь).Часть измерительного преобразователя в измерительной цепи, воспринимающая входной измерительный сигнал, называется чувствительным элементом средства измерений.

Первичный измерительный преобразователь (ПИП) - измерительный преобразователь, на который непосредственно воздействует измеряемая физическая величина, т. е. первый преобразователь в измерительной цепи измерительного прибора (установки, системы).

В одном средстве измерений может быть несколько первичных преобразователей (например, ряд первичных преобразователей измерительной контролирующей системы, расположенных в разных точках контролируемой среды).

1. Разработка структурной схемы

Так как задачей нашего измерительного преобразователя является преобразование переменного напряжения входного сигнала в напряжение постоянного тока с заданным коэффициентом усиления и граничными частотами входного сигнала, схема обязательно должна содержать усилитель переменного напряжения, выпрямитель, фильтр нижних частот. Для согласования с сопротивлением нагрузки измерительного преобразователя, целесообразно после фильтра включить в схему буферный каскад.

Структурная схема измерительного преобразователя приведена на рисунке 1.

Рисунок 1

2. Определение коэффициентов передачи узлов измерительного преобразователя

2.1 Определение общего коэффициента передачи

Значение общего коэффициента передачи измерительного преобразователя находится как отношение выходного сигнала преобразователя к входному сигналу eс:


2.2 Выбор коэффициентов передачи отдельных звеньев

Коэффициенты передачи отдельных звеньев выбираются таким способом, что бы их произведение равнялось общему коэффициенту передачи.

преобразователь ток усилитель напряжение

К1=2, К2=4, К3=8,93, К4=2.

Рассчитаем коэффициент с полученными К

K=2*4*8.93*2=142.84

2.3 Выбор схемы предварительного усилителя

Рисунок 2

Предварительный усилитель (ПУ) представляет собой операционный усилитель (ОУ) с отрицательной обратной связью. Схема включения (ПУ) показана на рисунке 2.

2.4 Расчёт погрешности нелинейности для ПУ

Для первого каскада измерительного преобразователя коэффициент передачи будет равен 2.

Коэффициент отрицательной обратной связи:


Значение коэффициента отрицательной обратной связи:


Определим погрешности нелинейности на частотах fн и fв:


Погрешность нелинейности усилителя:


Сравним это значение с заданным в задании:

,75% < 1,5%

Значит операционный усилитель выбран правильно.

3. Коррекция погрешности усилителя переменного тока

Рассчитаем частоты единичного усиления для ПУ на ±10% и ±20% от номинальной частоты

= 20 МГц.

f11=f1 - 21%f1=30 - 6=24 МГц,

f12=f1 - 10%f1=30 - 3=27 МГц,

f13 = f1= 30 МГц,

f14 = f1 + 10%f1=30 + 3=33 МГц,

f15=f1 + 20%f1=30 + 6=36 МГц

В таблицу 2 сведены значения коэффициентов передачи усилителя на рабочих частотах, который рассчитан как:

Ку=fср/fр

Таблица 2

Значения рабочей частоты fр, кГц

Значения частоты единичного усиления f1, МГц


24

27

30

33

36

45

533,333

600

666,667

733,33

800

63,75

376,471

423,529

470,588

517,647

564,706

82.5

290,909

327,273

363,636

400

436,364

101.25

237,037

266,667

296,296

325,926

355,556

120

200

225

250

275

300


Найдём выражение, по которому будем вычислять значение абсолютной погрешности выходного напряжения усилителя.


Вычисленные значения сведены в таблицу 3.

Таблица 3

Значение DUвых, мкВ

Значение рабочей частоты fр, кГц


45

63,75

82.5

101.25

120

DU1j

-237.3

-335.4

-433

-530.2

-626.9

DU2j

-211.1

-298.4

-385.3

-471.9

-558.1

DU3j

-190

-268.7

-347.1

-425.2

-503

DU4j

-172.8

-244.4

-315.8

-386.9

-457.8

DU5j

-158.5

-224.2

-289.7

-386.9

-457.8

DUjср

-193.9

-274.2

-354.2

-4.338

-513.2


DUjср - среднее значение абсолютной погрешности выходного напряжения усилителя для каждого значения рабочей частоты.

Используя метод наименьших квадратов, найдём значения коэффициентов k и b для номинальной функции преобразования

DUi=k·fрi+b .

Построим график функции Ui=k·fрi+b. Значения функции для построения графика представлены в таблице 4.

Таблица 4

Значения рабочей частоты fрi, кГц

45

63,75

82.5

101.25

120

Значения абсолютной погрешности DUi, мкВ

-191.7

-272.5

-353.4

-434.2

-515.1


График функции DUi=k·fрi+b представлен на рисунке 3.

Рисунок 3

Для того, что бы скорректировать погрешность, необходимо включить параллельно резистору R2 резистор R1, схема представлена на рисунке 4.

Рисунок 4

4. Расчёт RC-параметров схемы электрической принципиальной

Для ПУ необходимо выбрать микросхему К154УД4, электрические параметры которой приведены в таблице 5.

Таблица 5

Параметры операционного усилителя

Числовые значения

Коэффициент усиления К, тыс.

8

Напряжение питания +Uп, В

5 - 17

Ток потребления Iп, мА

7

Напряжение смещения +eсм, мВ

6

Входной ток iвх, мА

1200

Разность входных токов iвх, нА

300

Частота единичного усиления f1, МГц

30

Выходное напряжение +Uвых, В

10

Сопротивление нагрузки Rн, кОм

2


.1 Расчёт параметров усилителя

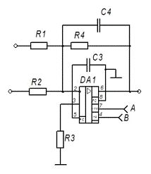
Функциональная схема предварительного усилителя, включающая уже коррекцию, представлена на рисунке 5.

Рисунок 5

Резистор R2:

 кОм,

где iвх=1200нА - справочные данные микросхемы К154УД4.

Резистор R4:

 кОм,

Резистор R3 находится как параллельное соединение R2 и R4:

 кОм

Конденсаторы С4 и С3 предусмотрены схемой включения операционного усилителя: С4=10пФ, С3=15пФ. Напряжение на входе усилителя:

В.

Корректирующим является резистор R1:

 КОм.

4.2                                                                                                              Расчёт параметров выпрямителя

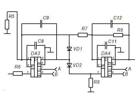
Для выпрямления сигнала будем использовать двухполупериодный выпрямитель на двух ОУ, схема которого приведена на рисунке 6.

Рисунок 6

Диоды VD1 и VD2 выбираем ГД107А. Параметры диодов VD1 и VD2 представлены в таблице 6:

Таблица 6

Параметры диодов

Числовые значения

Постоянное прямое напряжение, В

1

Максимальный выпрямл. ток, мА

20

Максимальное обрат. напряжение, В

15


К2=4,

R9=R8.

R7=1 Ком

R9=4* R7=4 Ком

 кОм

 В.

4.3    Выбор схемы фильтра

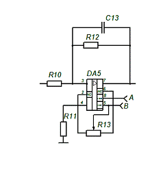
После выпрямителя необходимо отфильтровать полученный сигнал фильтром нижних частот (ФНЧ) первого порядка, схема которого представлена на рисунке 7.

Рисунок 7

Фильтр собран на ОУ К140УД6 параметры в таблице 7.

Таблица 7

Параметры операционного усилителя

Числовые значения

Коэффициент усиления К, тыс.

50

Напряжение питания +Uп, В

5 - 20

Ток потребления Iп, мА

3

Напряжение смещения +eсм, мВ

8

Температурный коэффициент напряжения смещения Ткeсм, мкВ/К

20

Входной ток iвх, нА

50

Разность входных токов Diвх, нА

15

Частота единичного усиления f1, МГц

1

Выходное напряжение +Uвых, В

12

Сопротивление нагрузки Rн, кОм

1


Резистор R13 предусмотрен схемой включения операционного усилителя: R13=10 кОм. Резистор R10:

 кОм.

Возьмем R10 = 30 КОМ

Резистор R12:

 кОм.

Резистор R2 находится как параллельное соединение резисторов R1 и R3:

 кОм.

Зная диапазон изменения входного сигнала (25÷110) кГц, можно найти постоянную времени фильтра τ:

 с;

 нФ.

Напряжение на выходе фильтра:

 В.

4.4 Буферный каскад

Так как после ФНЧ сигнал инвертируется, то сигнал необходимо инвертировать ещё раз и усилить до необходимого выходного напряжения, для этого в схему вводится буферный каскад, выполненный на инвертирующем ОУ.

Для ФНЧ и БК возьмём две микросхемы К140УД6. Электрические параметры микросхемы приведены в таблице 6.

Рисунок 8

Резистор R17 предусмотрен схемой включения операционного усилителя. Резистор R14:

 кОм.

Возьмем равным 100 КОМ

Резистор R16:

 кОм.

Резистор R15 находится как параллельное соединение резисторов R16 и R14:

 кОм.

Напряжение на выходе буферного каскада и всего измерительного преобразователя:

 В.

5. Выбор стабилизатора напряжения

Для питания наших микросхем требуется напряжение ±15 В, по техническому заданию мы имеем двухполярное напряжение постоянного тока  Еп ±26В с нестабильностью ±25%. Что бы обеспечить стабильное питание ±15 В необходимо включить в схему стабилизатор напряжения.

Таблица 8

Параметры стабилизатора

Числовые значения

Выходное напряжение, В

±15±0,3

Максимальный ток нагрузки, А

0,2

Макс. входное напряжение, В

±30

Нестабильность по напряжению, %/В

0,002

Нестабильность по току, %

0,2


Определим диапазон изменения напряжения питания:

 В

 В

6. Выбор номиналов резисторов и конденсаторов

Номиналы резисторов приведены в таблице 9, номиналы конденсаторов приведены в таблице 10.

Таблица 9

Обознач.

Расчётное значение, кОм

Тип

Номинальные значения




Сопротивление, кОм

Отклонение, %

Мощность, Вт

R1

383

C2-6

390

±5

0,125

R2

1,75

C2-6

1,8

±5

0,125

1,167

C2-6

1,2

±5

0,125

R4

3,5

C2-6

3,6

±5

0,125

R5

1,67

C2-6

1,8

±5

0,125

R6

3,5

C2-6

3,6

±5

0,125

R7

1

C2-6

1

±20

0,125

R8

4

C2-6

3,9

±5

0,125

R9

4

C2-6

3,9

±5

0,125

R10

30

C2-6

30

±5

0,125

R11

26,98

C2-6

27

±5

0,125

R12

267,9

C2-6

270

±5

0,125

R13

10

CП2-2

10

±20

0,125

R14

100

C2-6

100

±5

0,125

R15

66,67

C2-6

68

±5

0,125

R16

200

C2-6

200

±5

0,125

R17

10

CП2-2

10

±20

0,125


Таблица 10

Обознач.

Расчётное значение, мкФ

Тип

Номинальные значения




Ёмкости, мкФ

Отклонение, %

Напряжение, В

С1

1

К50-3А

1

±5

25

С2

1

К50-3А

1

±5

25

С3

0,00001

К10-23

0,00001

±5

25

С4

0,000015

К10-23

0,000015

±5

16

С5

0,1

К10-50

0,1

±5

16

С6

0,1

К10-50

0,1

±5

25

С7

2

К50-3А

2

±5

25

С8

0,00001

К10-23

0,00001

±5

25

С9

0,00003

К10-23

0,00001

±5

16

С10

2

К50-3А

2

±5

16

С11

0,00001

К10-23

0,00001

±5

16

С12

0,00003

К10-23

0,00001

±5

16

С13

0,00415

К10-50

0,0043

±5

25


7. Определение расчётного значения общего коэффициента передачи

Пересчитаем все коэффициенты передачи с учётом номинальных значений сопротивлений:


До выбора номинальных значений был K= , а после выбора стал 140,4.


Значит, в обратную связь буферного каскада надо поставить переменный резистор R18 с номиналом:

 кОм

Обознач.

Расчётное значение, кОм

Тип

Номинальные значения




Сопротивление, кОм

Отклонение, %

Мощность, Вт

R18

10

CП2-2

10

±20

0,125


Заключение

В результате курсовой работы, по данному техническому заданию, был спроектирован измерительный преобразователь со следующими характеристиками:

—      входной сигнал ec = 21 мВ;

—      частота входного сигнала fвх = (45÷120) кГц;

—      выходной сигнал Uвых = +3 В;

—      напряжение питания усилителя Еп ±26 В ±25%;

—      частотная погрешность нелинейности δ = 1,5%

Данный преобразователь может применяться в системах автоматического управления для преобразования сигнала, снимаемого с датчика.

Список использованных источников

1. В.С.Гутников. Интегральная электроника в измерительных устройствах. - Л.: Энергия, 1980.

2. Справочник по полупроводниковым диодам, транзисторам и интегральным схемам / Под ред. Горюнова Н.Н. - М.: Энергия, 1979.

3. Резисторы, конденсаторы, Справочник под редакцией Н.Н. Акимова, Минск, Беларусь, 1944;

4. Справочник по схемотехнике для радиолюбителя / Под ред. Боровского В.П. - Киев: Тэхника, 1989.

Похожие работы на - Разработка измерительного преобразователя

 

Не нашли материал для своей работы?
Поможем написать уникальную работу
Без плагиата!
Без нейросетей!