Искусственные минералы

  • Вид работы:
    Реферат
  • Предмет:
    География, экономическая география
  • Язык:
    Русский
    ,
    Формат файла:
    MS Word
    1,35 Mb
  • Опубликовано:
    2009-01-12
Вы можете узнать стоимость помощи в написании студенческой работы.
Помощь в написании работы, которую точно примут!

Искусственные минералы

Искусственные минералы

Научная конференция

Выполнили  студенты гр. ПК-21  Власов Ю.А., Махвиеня С.О.

Белорусский Государственный Университет Транспорта

Кафедра’ Строительные конструкции, основания и фундаменты ‘

Искусственное получение минералов представляет известный интерес. С одной стороны, это позволяет исследовать процессы минералообразования, с другой – даёт возможность получать нужные для практики минеральные вещества, что широко используется в технологии строительных материалов.

Искусственным путем (методом синтеза) можно получать минералы, которые встречаются в природных условиях (алмаз, корунд, кварц и др.), и минералы, которые в природных условиях самостоятельно не встречаются (алит, белит и др.), а входят в состав различных технических продуктов, таких как цементы, огнеупоры и т.д.

Искусственно полученные естественные минералы путем синтеза из исходных веществ выгодно отличаются от своих аналогов, образованных в природных условиях, так как в них отсутствуют химические и механические примеси. В настоящие время в промышленных целях получен ряд минералов, которые редко встречаются в природе, но обладают ценными свойствами (флюорит, корунд и др.). В 1961 в СССР синтезированы искусственные алмазы, прочность которых была в 40% выше естественных. В таблице 1 приведены некоторые минералы полученные искусственно.

Некоторые естественные минералы, полученные искусственно

Минералы

Формула

Минералы

Формула

Сфалерит

ZnS

Самородная


Корунд . .

А1203

сера ....

S

Галенит . .

PbS

Ангидрит . .

CaSO4

Барит ....

BaSO4

Энстатит . . .

mr (Si206)

Магнетит

FeFe2O4

Малахит . . .

CuCO∙Cu(OH)2

Оливин . .

 (Fe, Mg)2(Si04)

Шпинель . .

A12 Mg04

Полевые шпаты

Кварц ....

SiO2

Самородная


Галит ....

NaCl

медь . . .

Cu

Асбест . . .

Карбонаты . .

Слюды ....

— .

Алмаз . . .

С

Пирофиллит .


Методы синтеза естественных минералов можно разделить на две группы:

1) синтез проводимый в условиях нормального давления.

2) синтез осуществляемый при повышенных давлениях.

В настоящие время получение искусственных минералов сводится к следующим процессам :

1) кристаллизация расплава;

2) реакции, в которых участвуют газовые компоненты;

3) получение минералов в присутствие водных растворов;

4) получение минералов путем реакции в твердой среде.

Методы синтеза минералов требуют специальной аппаратуры, длительны по времени и весьма трудоёмки. В целом задача синтеза минералов еще далеко не решена.

Однако в настоящие время многим исследователям стран СНГ удалось получить целый ряд ценных минералов, которые перестали быть достоянием лабораторий и освоились промышленностью.

Ниже дается краткое описание искусственных минералов, которые встречаются в технических продуктах (цементы, огнеупоры и т.д.), и некоторых высокопрочных кристаллов. Многие из этих минералов входят в состав различных технических продуктов. В связи с этим их описание даётся по группам минералов, выделенных по химическому составу (табл.2).

Искусственные минералы технических продуктов и высокопрочные кристаллы(таб.2)

Группа

Минералы

Химическая формула

А ЛИТ

Белит

Волластоипт Псевдоволластонит Ранкинит

3CaO∙SiO2 2CaO∙SiO β-CaO-SiO2 α –CaO∙SiO2 3CaO-2Si02

Алюминаты кальция

Трехкальциевый алюминат Пятикальциевый трех-алюминат Однокальциевый алюминат Однокальциевый двухалюминат

ЗСаО∙А12О3 5CaO∙3Al2O3

CaO∙Al203 CaO∙2Al2O3

Алюмосиликат кальция

Геленит

2CaO∙Al2O∙SiO2

Алюмосиликат

Муллит

3Al2O3-SiO2

 Силикаты кальция и магния

Окерманит Монтигеллит

2CaO-MgO-2SiO2 CaO-MgO-2SiO2

Алюмоферрит кальция

Целит

От CaO-Fe2O3 до 8CaO-3 Al2O3-Fe2O3

Ферриты кальция

Однокальциевый феррит Двухкалышевый феррит

CaO-Fe2O3 2CaO-Fe2O3

Группа

Минералы

Химическая формула

Окислы и гидроокислы

Окислы и гидроксилы

Известь (свободная окис

Известь (свободная окись кальция) Портлаидит (гидрат окиси кальция)

Периклаз (окись магния) Кремнезем Тридимит Кристобалит

СаО

СаО

Са (ОН)2

MgO

SiO2 Si02 Si02

Гипс и продукты его обезвоживания

Гипс α-полугидрат β-полугидрат Ангидрит

CaS04.2H20 CaSO4-0,5H20 CaSO4-0,5H2O CaSO4

Прочие соединения кальция

Ольдгамит Перовскит

CaS CaO∙TiO2

 Высокопрочные кристаллы

Карбиды вольфрама Карбиды молибдена Нитрид ниобия Карбид бора Карбид кремния

WC и W2C Mo2C и МоС Nb3N5 B4C SiC

Искусственные минералы технических продуктов.

Силикаты кальция.

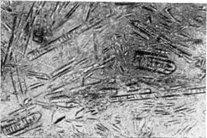
Алит (трехкальцевый силикат) 3CaO∙SiO2 представляет собой бесцветные мелкие кристаллы в виде гексагональных табличек или призм (иногда игловидных) с неясно выраженной спайностью по одному направлению (рис. 1). Сингония тригональная. Кристаллы нередко обнаруживают зональную структуру, особенно хорошо видную при изучении препаратов в отраженном свете. Погасание прямое или под небольшим углом. Однослойный, показатели преломления Ng=1,772, Np=1,718, двойное лучеприломление малое: Ng- Np=0.004. Оптический знак кристалла отрицателен.

Твердость алита по шкале Мооса колеблется между 5 и 6, удельный вес 3,2. Является главным минералом портландцементного клинкера, входит также в доломитовые огнеупоры. Легко может гидратироваться и разлагаться соляной кислотой, способен твердеть под водой.

Белит (двухкальциевый силикат) 2СаО • 5SiO2 в трех видах: α-, β- и γ-формы, причем по оптическим данным αиβ между собою весьма сходны, а переход в γ-форму сопровождается резким изменением свойств α- и β-фор-мы образуют правильные округлые зерна, часто призматического облика, со спайностью по призме (рис. 1). Для белита во многих случаях характерна сложная двойниковая структура и темноокрашенные включения, имеющие правильную ориентировку. В шлифах эти формы имеют желтоватую окраску. За счет растворенных Fе2О3 и Сг2О3 зерна приобретают коричневый или зеленый цвет.

β-форма белита под микроскопом наблюдается в виде трех разновидностей: 1) зерен с двумя или тремя системами взаимнопересекающихся штрихов, каждая из которых состоит из параллельных линий, 2) форм с одной системой двойниковых пластинок; 3) несдвойникованных зерен.

Показатели преомления α- и β-форм: Ng=1,735, Nр=1,717, Ng — Nр = 0,018, оптический знак положительный. Удельный вес 2,974.

Рис. 1 Кристаллы белита в клинкере (210Х)

γ-2СаО∙ЗSiO2 (фелит) имеет призматический облик со спайностью по призме; погасание прямое; показатели преломления: Ng = 1,654, Nр= 1,642, Ng — Nр=0,012. Это низкотемпературная форма, возникающая из β-формы при 675° С, имеет плотность примерно на 10% меньше плотности α- и β -белита, поэтому такое превращение сопровождается разрушением вещества до состояния тонкой пыли. Появление фелита в вяжущих породах и огнеупорах нежелательно, так как по способности к гидратации и твердению эта форма не активна и в ряде случаев (доломитовые огнеупоры) приводит к разрушению. Вода на γ-форму не действует, она легко разлагается кислотами.

Белит в значительных количествах присутствует в портландцементном клинкере, в шлаках, доломитовых и магнезиально-доломитовых огнеупорах. Портландцемент с высоким содержанием белита отличается замедленным твердением, но зато стоек к разрушающему действию агрессивных вод.

Волластонит β-СаО∙5SiO2 и псевдоволластонит α-СаО-5SiO2— однокальциевые силикаты. Волластонит — природный минерал, образуется также при расстекловании некоторых технических стекол. Форма кристаллов игольчатая, брусковидная и волокнистая со спайностью, параллельной удлинению. Система моноклинная. Ng = 1,631, Nр = 1,616, Ng — Nр = 0,015. Оптический знак отрицательный. Погасание параллельно удлинению. Рис. 2. Псевдоволластонит в стекле (74 X) Удельный вес 2,915. В воде не разлагается, в кислотах легко растворяется.

Псевдоволластонит имеет форму округлых зерен или шестиугольных бесцветных табличек с ясно различимой спайностью и иногда с полисинтетическими двойниками (рис. 2). Удельный вес 2,912. Ng=1,654, Nр = 1,610, Ng— Nр = 0,044, оптический знак положительный. Цвета интерференции яркие (красные, зеленые, желтые тона). Оба минерала характерны для шлаков.

Ранкинит ЗСаО • 2SiO2 (трехкальциевый дисиликат) встречается в основных и кислых доменных шлаках в виде округлых неправильных по очертаниям зерен, по-видимому, ромбической (?) сингонии. В отдельных случаях ранкинит дает крупные порфировые выделения. Показатели преломления: Ng=1,650, Nр= 1,641, двупреломле-ние слабое: Ng —Nр = 0,009, оптический знак положительный.

Алюминаты кальция

В эту группу входят несколько минералов: трехкальциевый алюминат, пятикальциевый трехалюми-нат, моноалюминат кальция и однокальциевый двуалю-минат.

Трехкальциевый алюминат ЗСаО • А12О3 кристаллизуется в кубической сингонии и образует изометрические бесцветные мелкие зерна с прямоугольными или гексагональными очертаниями и с несовершенной спайностью. Это соединение может находиться также в аморфном состоянии.

Кристаллы трехкальциевого алюмината изотропны, N=1,710, твердость 6, удельный вес 3,04. Может растворять в себе до 2,5% Ре2О3, замещающих А1203, и тогда N=1,715. Способен легко гидратироваться и твердеть с выделением большого количества тепла. Растворяется в кислотах. Входит в состав цементного клинкера. В шлифах наиболее легко устанавливается методом окрашивания.

Пятикальциевый трехалюминат 5СаО • ЗА12Оз кристаллизуется в кубической системе в виде округлых, реже треугольных зерен без спайности. Бесцветный, в составе шлаков окрашен в интенсивно зеленый цвет. Оптически изотропен, N=1,608. Мол-сет растворять в себе до 2% Ре2О3, замещающих А1203, тогда N=1,613. Твердость 5, удельный вес 2,69—2,71.

Неустойчивая форма пятикальциевого трехалюмината обычно представлена игольчатыми или таблитчатыми индивидами ромбической сингонии, которые нередко собраны в сферолитовые радиально-лучистые стяжения. Кристаллы в прозрачных шлифах имеют бледно-зеленую окраску с ясно выраженным плеохроизмом от оливково-серых до голубовато-зеленых тонов. Ng=1,692, Nр = 1,687, Ng-Np = 0,005. Погасание прямое.

Пятикальциевый трехалюминат входит в состав глиноземистых доменных шлаков, клинкеров глиноземистого и портлендского цемента, причем в последнем в виде самостоятельных выделений не встречается.

Однокальциевый алюминат СаО • А12О3 образует таблитчатые прямоугольные очертания, бесцветные кристаллы со спайностью в одном направлении. Нередко наблюдаются сложные и псевдогексагональные тройнико вые срастания. Погасание табличек прямое; Ng=1,663, Np=1,643, Ng — Np = 0,020; оптический знак отрицательный. Может растворять в себе до 15% СаО • А12О3, при этом Ng = 1,720, а Np=1,70. Удельный вес 2,981. Является главной минералогической частью глиноземистого цемента и входит в состав доменного шлака.

Однокальциевый двухалюминат СаО • 2А12Оз образует моноклинные сильно вытянутые игольчатые или призматические кристаллы иногда длиной в несколько миллиметров. Бесцветен. Имеет большой угол погасания (до 31°), благодаря чему легко распознается. Показатели преломления: Ng=1,654, Np = 1,617, двуиреломление высокое— 0,035. Оптически положителен. Присутствует в клинкере глиноземистого цемента.

Алюмосиликат кальция

Геленит 2СаО • А12Оз • 51О2 кристаллизуется в квадратной сингонии и дает прозрачные бесцветные таблички или призмы ,с ясно различимой спайностью, расположенной поперек его удлиненных кристаллов. Иногда образует кре - стообразные скелетные формы роста. Показатели преломления: Ng=1,669, Nр = 1,658. Двупреломление умеренное:Ng—Nр= 0,011. Цвета интерференции беловато-желтые.Оптический знак отрицательный. Одноосный. Разлагается в солянойкислоте. В глиноземистых цементах геленит размещается между кристаллами однокальциевого алюмината или прорастает их. По свойствам относится к инертной части цемента. Типичный минерал доменныхшлаков (рис. 3).

Муллит ЗА12О3 • 5Ю2 образует игловидные, призматические или волокнистые кристаллы с ясно различимой совершенной спайностью. Сингония ромбическая. В чистом виде бесцветен, но от примесей Ре2Оз и 5Ю2 часто получает розовую или синеватую окраску.

Эти примеси ведут к повышению светопреломления до Ng=1,682, Np=1,661 и Ng — Np=0,021, в то время как у чистых муллитовых кристаллов Ng=1,654, Np = 1,642, а Ng — Np = 0,012. Оптически положительный.

Рис 4. Мулит в огнеупоре.150XМинерал может давать сростки и скопления (рис. 4). Примеси Fе2О3 и SiO2 вызывают появление плеохроизма в желтоватых и голубоватых тонах. Удельный вес муллита 3,03. Размер кристаллов муллита разнообразен: от 2 до 5 мк в шамоте до 10 мм по длине в муллитовых изделиях. Входит также в состав фарфора.

Силикаты кальция и магния

Окерманит 2СаО •МgО-2SiO2 встречается в природе и образуется искусственно в виде бесцветных квадратных коротких призм или табличек с показателями преломления: Ng=1,638, Nр=1,631. Двупреломление слабое: Ng — Np = 0,007. Оптический знак положительный. Одноосный. Окерманит во всех отношениях смешивается с геленитом, образуя серию геленитокерманитов (мелилиты), оптические свойства которых варьируют вместе с составом. Форма таких кристаллов сходна с геленитом. Их сингония тетрагональная. Удельный вес 3,18. Входят в состав магнезиальных цементов, огнеупоров, шлаков.

Монтичеллит СаО • МgО • 2SiO2 кристаллизуется в ромбической системе и дает в природе и в технических продуктах бесцветные призматические зерна со слабой неясной спайностью. Сингония ромбическая. Удельный вес 3,2. Оптические свойства изучены недостаточно. Показатели преломления при содержании его в виде 10%-ного твердого раствора 2MgO∙5SiO2 имеют следующие величины: Ng= 1,655—1,651, Np=1,638—11,640, Ng—Nр = = 0,015, оптический знак положительный. Встречается в различных шлаках.

Алюмоферрит кальция

Целит (алюмоферрит кальция) представляет собой кристаллы, состав которых может варьировать от 8СаО • ЗА12О3 • Fе2О3 до СаО • Fе2О3. Кристаллы целита в портландцементном клинкере заполняют промежутки между алитом и белитом, иногда создавая тончайшие прорастания с другими второстепенными минералами. Они имеют призматическую или округлую форму, сингония ромбическая, цвет от светло-бурого до темно-бурого. В шлифах ясно выражен плеохроизм от светло-желтых до темно-бурых оттенков, угол погасания весьма мал. В отраженном свете целит имеет большую отражательную способность, в силу чего кажется светлоокрашенным.

По данным Н. А. Торопова (1950), в клинкере с повышенным содержанием окиси железа состав целита приближается к 2СаО ∙ Fе2О3 в нормальных клинкерах — к 4СаО ∙ А12О3 ∙ Ре2О3 и 8СаО ∙ ЗА12О3 ∙Ре2О3.

Показатели преломления для 4СаО∙А12О3∙Fе2О3 (разновидности, называемой браунмиллеритом): Ng = 2,08, Np=1,98, Ng — Np = 0,10. От содержания в нем 1—2% МgО (периклаза) светопреломление несколько снижается, а клинкер приобретает характерную зелено-серую окраску. Удельный вес 3,77. Присутствие браунмиллерита снижает экзотермический эффект твердения портландцемента. Встречается также в шлаках.

Ферриты кальция

В эту группу входят два минерала: однокаль-циевый феррит СаО∙Fе2О3 и двухкальциевый феррит 2СаО∙Fе2О3. Оба они играют роль минерализаторов в различных огнеупорах и некоторых видах портландцемента.

Однокальциевый феррит СаО∙Fе2О3 представляет собой длинные игольчатые кристаллы, слабо прозрачные под микроскопом. Сингония квадратная или гексагональная. Окраска черная, а в порошке интенсивно красная. Показатели преломления: Ng = 2,465, Np = 2,345, двупре-ломление высокое: Ng — Np = 0,120. Феррит в твердом состоянии может растворять в себе до 10% СаО∙А12О3 и тогда показатели преломления снижаются: Ng = 2,25, Np = 2,13, а двупреломление Ng — Np = 0,12. Растворяется в кислотах. Встречается в составе клинкера глиноземистого цемента.

Двухкальциевый феррит 2СаО∙Fе2О3 кристаллизуется в виде черных кристаллов, которые в шлифах имеют желтовато-бурую окраску. Спайность отсутствует Ng = 2,29, Np = 2,20, Ng — Np = 0,090. Оптически положительный. Растворяется в соляной кислоте.

Двухкальциевый феррит при гидратации твердения не дает. Образуется в доломитовых огнеупорах, в портландцементе и шлаках. В магнезитовых огнеупорных массах применяется как ускоритель спекания периклаза.

Окислы и гидроокислы

Известь СаО (свободная окись кальция) представляет собой бесцветные кристаллы кубической сингонии. Форма зерен округлая. Встречаются кубики или кучные скопления с ясно выраженной спайностью по трем взаимно перпендикулярным направлениям. Кристаллы оптически изотропны. Их показатель преломления N=1,836. В шлифах отличается грубым рельефом. СаО присутствует в клинкере портландцемента (до 10%) обычно в виде мелких зернышек, которые иногда наблюдаются внутри кристаллов ЗСаО∙А12О3, а также в мартеновских шлаках и т. д. В отраженном свете СаО определяется методом травления поверхности шлифов (микрохимические реакции).

Портландит (гидрат окиси кальция) Са(ОН)2. Образует бесцветные шестиугольные кристаллы гексагональной сингонии с совершенной спайностью. Показатели преломления: Ng=1,574, Np=1,545, Ng — Np = 0,029. Оптический знак отрицательный. Удельный вес 2,23. Входит в состав строительных растворов, различных вяжущих, силикатного кирпича, динаса.

Периклаз (окись магния) МgО встречается в виде округлых октаэдрических или кубических кристаллов незначительных размеров. Спайность по плоскостям куба. Чистый периклаз бесцветен, при частичном растворении в нем окислов железа приобретает желтоватую окраску. Минерал изотропный, показатель преломления N=1,734—1,737. В прозрачном шлифе распознается с трудом. Определяется при травлении поверхности шлифа в силу своей большой отражающей способности. Удельный вес 3,58. Периклаз — наиболее важная составная часть магнезитовых и доломитовых огнеупоров, входит также в клинкер портландцемента, в шлаки и т. д. Иногда в кристаллах периклаза, например в спекшемся магнезите, наблюдаются темные точечные выделения магне-зиоферрита.

Кремнезем 5SiO2 в технических продуктах встречается в виде различных полиморфных форм, из которых главными являются кварц, тридимит, кристобалит, а также кремнеземистое стекло. Минерал кварц, представляющий собой низкотемпературную форму SiO2 (образуется ниже 573°С).Остановимся на характеристике других форм.

Тридимит — умеренная температурная форма SiO2. Кварц в тридимит превращается при температуре выше 870° С. Кристаллы бесцветные или светло-серые, имеют форму пластинок или удлиненных табличек, часто с характерным образованием копьевидных двойников. Размер зерен может достигать 3—4 мм. Сингония ромбическая, удельный вес 2,27, Ng=1,473, Np = 1,469,. Ng-Np = 0,004.

В динасе содержание трндимита достигает 50—70%. Переход SiO2 в тридимитовую форму сопровождается значительным увеличением объема. Встречается также в шлаках.

Кристобалит — высокотемпературная фаза SiO2 (образуется при температуре выше 1470°С). Дает правильные октаэдры, зернистые скопления и чешуйчатые сростки, иногда с полисинтетическим двошшкованием сложной сотовидной структуры (рис. 5). Кристаллы бесцветные, реже молочного цвета. Удельный вес 2,32. Ng=1,487, Np=1,484, Ng — Np = 0,003. Входит в состав динаса.

Кремнеземистое стекло возникает при достаточно быстром охлаждении кремнеземистого расплава. Оно может быть бесцветным или молочной окраски, последняя обусловлена воздушными пузырьками. Стекло изотропно. N= 1,459, удельный вес 2,203. Устойчиво в кислотах (кроме плавиковой и фосфорной). Кремнеземистое стекло широко применяется как изоляционный, кислотоупорный, огнеупорный и электроизоляционный материал.

Гипс и продукты его обезвоживания

Гипс СаSО4∙Н2О и ангидрит СаSO4 — природные образования.Среди продуктов обезвоживания гипса выделяются кристаллические вещества: α-полугидрат (СаSО4∙ 0,5Н2О), β-полугидрат (СаSО4∙0,5Н2О), γ-обезвоженный полугидрат, β-обезвоженный полугидрат, α- ангидрит (СаSО4), β-ангидрит и γ-нерастворимый ангидрит.

α-Полугидрат СаSO4∙0,5Н2О получается при нагревании гипса под давлением 120—125 атм. При этом образуются бесцветные кристаллы в виде удлиненных игл или шестиугольных призм с поперечными полосками (рис. 6). Сингония моноклинная. Показатели преломления при обезвоживании возрастают: Ng=1,584, Np=1,559. Двупреломление высокое: Ng — Np = 0,025.

Рис. 6. Продукт обжига α-полугидрата при 150° (150Х)

Удельный вес 2,72—2,73. Главная составная часть высокотемпературного гипса.

β-Полу гидрат СаSО4∙0,5Н2О образуется при нагревании гипса на воздухе до 120° С и потере воды в виде газообразной фазы. Дает мелкозернистую или волокнистую массу бесцветных кристаллов. Ng=1,556, .Np = 1,550, Ng — Nр = 0,006. Удельный вес 2,67—2,68. β-Полугидрат менее устойчив, чем α-полугидрат. Главная составная часть варочного гипса.

Ангидрит СаSО4 — искусственный минерал, так называемый растворимый ангидрит, образующийся при обезвоживании полугидратов при температуре выше 220° С. Встречается в двух модификациях — αиβ. Отличается по своим свойствам от природного растворимого ангидрита. Растворимый ангидрит имеет форму призм с прямым погасанием и положительным удлинением. Показатели преломления для α-ангидрита: Ng=1,570, Np=1,554, для β-ангидрита: Ng=1,570, Nр = 1,546. Растворимые ангидриты на воздухе быстро гидратируются.

Гипс и продукты его обезвоживания широко применяются в качестве вяжущего, формовочного материала и т.д.

Прочие соединения кальция

Ольдгамит (сульфид) СаS образуется в составе основного доменного шлака в присутствии значительного количества серы. Кристаллизуется в виде очень мелких округлых изотропных зерен кубической сингонии с очень высоким светопреломлением (N = 2,90). Зерна бесцветны, водянопрозрачны. Мелкие зерна ольдгамита трудно различимы даже при больших увеличениях микроскопа. Удельный вес 2,71. Входит в состав шлаков и цементов.

Перовскит СаО ∙ ТiO2 кристаллизуется в форме октаэдров псевдокубической сингонии с ясно различимой спайностью. Окраска светло-бурая. Показатель преломления N = 2,36. Входит в состав доменных шлаков.

Искусственные высокопрочные кристаллы

Высокопрочные искусственные кристаллы применяются в технике как режущий и абразивный материал. Таких кристаллов уже известно более 40. Это различные карбиды, нитриды, гидриды и бориды. Твердость их по шкале Мооса превышает 7.

Карбид бора — твердый раствор бора, В4С. Облик кристаллов ромбоэдрический с усечением призматическими и пирамидальными формами. Сингония гексагональная. Удельный вес 2,48—2,52. Твердость по шкале Мооса около 9. Под микроскопом в отраженном свете карбид бора имеет белый цвет, высокую отражательную способность, высокий рельеф.

Карбид кремния (карборунд) 51С кристаллизуется в зависимости от температуры в кубическую (1650— 2000° С) или гексагональную (свыше 2000° С) сингонии. Структуры карбида кремния относятся к слоистым и состоят из чередующихся пачек слоев тетраэдров [814С] и [С514] двоякой ориентации. Удельный вес кубического карбида кремния 3,216, а гексагонального – 3,217, Ng=2.697, Np=2.654 , Ng-Np=0.043. В проходящем свете – зеленый, синий, реже бесцветный или дымчатый. В отраженном свете кристаллы светло-серые, почти белые, имеют высокую отражательную способность и высокий рельеф. Твердость по шкале Мооса более 9.

Нитрид ниобия Nb3N5 образуется восстановлением трехокиси ниобия сажей в атмосфере азота при 1200 ˚C. Это кристалл с плотной гексагональной решеткой. Удельный вес 8,4. Твердость по шкале Мооса 8 – 9.

Карбиды вольфрама WC и W2C получают расплавлением вольфрамового ангидрида WO3 c сажей в пламени вольтовой дуги. Оба карбида относятся к гексагональной сингонии. Твердость по шкале Мооса у WC=9, W2C =9 – 10.

Карбиды молибдена Мо2С и МоС получают расплавлением смеси молибденового ангидрида с карбидом кальция и углем в вольтовой дуге или плавлением шихты, содержащей уголь и МоО2. Кристаллы гексагональной сингонии. Твердость по шкале Мооса 7 – 9.

Список литературы

1)Инжинерная геология. Минск 2001г.

2)Искуственые минералы, их свойства и строение. Москва1989г.

3)А так же по средствам Интернета, (рисунки).

Для подготовки данной работы были использованы материалы с сайта http://www.5ka.ru

Похожие работы на - Искусственные минералы

 

Не нашли материал для своей работы?
Поможем написать уникальную работу
Без плагиата!
Без нейросетей!