Повышение технологичности печатного узла усилителя на ОУ
Содержание
Введение
Часть 1. Конструкторское проектирование ПУ
.1 Исходные данные
.2 Анализ электрической принципиальной схемы и выбор
элементной базы.
.1.1 Выбор резисторов
.1.2 Выбор конденсаторов
.1.3 Выбор транзисторов
.1.4 Выбор разъема
.3 Выбор и обоснование печатной платы.
.4 Выбор монтажа бескорпусных компонентов на печатную плату
Часть 2. Конструкторско-технологический расчет печатной
платы.
.1 Расчет параметров проводящего рисунка с учетом
технологических погрешностей его получения
.2 Расчет параметров проводящего рисунка с учетом
технологических погрешностей получения защитного рисунка
.3 Расчет проводящего рисунка по постоянному току
.4 Расчет проводящего рисунка по переменному току
Часть 3. Выбор конструкции узла с учетом параметров печатной
платы и вида соединителя.
.1 Конструкторские расчеты печатного узла
.1.1 Расчет механической прочности
.1.2 Расчет теплового режима
.2 Количественная оценка технологичности конструкции ПУ.
Часть 4. Разработка техпроцесса сборки печатного узла.
.1 Выбор типа сборки
.2 Выбор оборудования
Используемая литература
Введение
Целью данного курсового проекта является повышение технологичности
печатного узла усилителя на ОУ за счет применения прогрессивных методов монтажа
SMD-компонентов с учетом современных требований по ограничению использования
опасных веществ.
Работа посвящена проектированию конструкции и технологии сборки печатного
узла усилителя. Необходимо произвести подбор SMD-компонентов с учетом
предъявляемых требований. Требуется провести оценку параметров проводящего
рисунка ПУ с учетом погрешностей, возникающих из-за особенностей технологии
нанесения проводящего рисунка комбинированным методом. Необходимо разработать
конструкцию ПУ. С целью определения необходимости корректировки топологии
проводящего рисунка следует оценить помехоустойчивость ПУ. Так же для
подтверждения надежности конструкции проводятся расчеты теплового режима и
механической прочности.
Часть 1. Конструкторское проектирование ПУ
1.1 Исходные данные
Область применения: наземная РЭА
Условия эксплуатации: нормальные
Годовая программа выпуска: 10000 шт.
Разъем: на узкой стороне
Характеристики наземной РЭА:
|
Воздействующие факторы
|
Параметры воздействий
(наземная РЭА)
|
|
Вибрации: Частота, Гц
Ускорение, м/с2
|
10-70 1-4
|
|
Ударные сотрясения: Ускорения,
м/с2 Длительность, мс
|
10-15 5-10
|
|
Одиночные удары: Ускорения,
м/с2 Длительность, мс
|
50-1000 0,5-1,0
|
|
Температура максимальная:
Рабочая, К Предельная, К
|
323 333
|
|
Температура минимальная:
Рабочая, К Предельная, К
|
233 223
|
|
Влажность относительная:
Насыщенность, % Температура, К
|
80-93 213
|
|
Акустические шумы: Уровень,
дБ Частота, Гц
|
85-125 50-1000
|
|
Давление атмосферное:
Максимальное, Па Минимальное, па
|
10,6х104 5,7х104
|
|
Линейные ускорения:
Замедление, g Центральное, g
|
2-4 2-5
|
|
Ветровая нагрузка: Рабочая,
м/с Предельная, м/с
|
До 50 До 70
|
.2 Анализ электрической принципиальной схемы и выбор элементной базы
Рассматриваемая электрическая схема имеет в своем составе операционный
усилитель и полевой транзистор, образующих входной каскад усилителя. Поэтому
единое для всей схемы печатного узла функциональное назначение - усиление
сигнала. Пассивные элементы обеспечивают установку правильного режима работы
активных компонентов. С помощью подстроечного резистора R2 и R1осуществляется
настройка усиления сигнала.
Поскольку корпуса пассивных элементов, а также электрический соединитель
(вилка) имеют SMT-выводы, их можно установить на контактные площадки и провести
монтаж пайкой. В целях уменьшения габаритов платы следует использовать
пассивные компоненты, пригодные для поверхностного монтажа. Установка элементов
с помощью поверхностного монтажа имеет также и объективные предпосылки.
Применение технологии поверхностного монтажа (SMT) дает следующие преимущества:
· Значительное повышение качества и надежности изделий
благодаря применению лучших материалов и компонентов.
· Меньшие размеры компонентов приводят к уменьшению размеров
плат, что уменьшает себестоимость. Также за счет этого уменьшается занимаемая
компонентами площадь платы в среднем на 30%.
· Компоненты могут легко размещаться с обеих сторон платы, что
позволяет увеличить плотность монтажа.
· При наличии требуемого оборудования процесс перепайки и
замены поверхностно монтируемых элементов проще, чем компонентов со штыревыми
выводами.
· Возможность полной автоматизации процесса сборки.
· Уменьшение габаритных размеров изделий при увеличении их
функциональных возможностей.
Элементы выбираем исходя из заданных параметров и условий эксплуатации.
Поскольку на плате будут поверхностно-монтируемые компоненты имеем
печатный узел с поверхностным монтажем.
В состав электрической принципиальной схемы входят следующие элементы:
|
Элемент
|
Обозначение
|
Номинал
|
Размерность
|
|
резистор
|
R1
|
6
|
кОм
|
|
резистор подстроечный
|
R2
|
6
|
|
|
резистор подстроечный
|
R3
|
1,5
|
|
|
резистор
|
R4
|
0.12
|
|
|
резистор
|
R5, R6, R8
|
30
|
|
|
резистор
|
R7
|
7
|
|
|
конденсатор
|
С1, С2,С5
|
200
|
пФ
|
|
конденсатор
|
С3
|
0,1
|
мкФ
|
|
конденсатор
|
С4
|
1
|
мкФ
|
|
ОУ
|
DA
|
|
|
|
транзистор полевой
|
VT1, VT2
|
|
|
Элементы выбираем исходя из функционального назначения, заданных
параметров и условий эксплуатации печатного узла.
В соответствии с ТЗ:
· пассивные компоненты должны быть выполнены в SMD виде;
· R2,R3-должны быть подстроечными SMD резисторами;
· активные компоненты должны быть в бескорпусном исполнении;
· все компоненты должны иметь беззсвенцовые выводы;
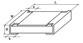
1.2.1 Выбор резисторов
Резисторы R3,R4,R5,R6,R7,R8 типа RC0603 фирмы YAGEO
Основные характеристики:
Диапазон сопротивлений: 1 Ом…22 МОм
Номинальная мощность: 1/10
Температурный коэффициент: ±100ppm/°С
Точность: ±5%
Макс. рабочее напряжение: 50 В
Напряжение пробой: 100 В
Номинальный ток джампера: 1А
Диапазон раб. температур: -55…155°С
Бессвинцовое исполнение
Типоразмеры: 0603
|
Тип
|
RC0603
|
|
L(mm)
|
1.60±0.03
|
|
W(mm)
|
0.80±0.03
|
|
H(mm)
|
0.45±0.03
|
|
a(mm)
|
0.3±0.08
|
|
b(mm)
|
0.3±0.08
|
Обозначение резисторов:: RC0603JR076kL: RC0603JR070.12kL, R6, R8:
RC0603JR0730kL: RC0603JR077kL
Резисторы подстроечные
Выбраны R1, R2 резисторы подстроечные фирмы Murata
Технические параметры:
Функциональная характеристика: линейная
Диапазон номиналов: 10 Ом - 2 Мом
Рассеиваемая мощность: 0.25 Вт
Максимальное рабочее напряжение: 200В
Диапазон рабочих температур, С: -55…+125
Угол поворота: 210 ± 10
Точность: ± 20%
Обозначение:: PVG3A - 6 k: PVG3A - 1.5 k
Выбор конденсаторов
Керамические чип конденсаторы выбраны фирмы Murata
С1,С2,С5:
GRM1885C1H201J
|
Номинальная емкость
|
200
|
|
,
|
пФ
|
|
Материал
|
-
|
|
Рабочее напряжение,В
|
50
|
|
Температурный коеффициент
емкости
|
C0G
|
|
Тип
|
GRM18
|
|
Номинальная емкость,мкФ
|
-
|
|
Допуск номинала,%
|
5
|
|
Допуск номинальной
емкости,%
|
-
|
|
Рабочая температура,С
|
-55...125
|
|
Выводы/корпус
|
SMD 0603
|
|
Мощность, кВар
|
-
|
|
Длина корпуса L,мм
|
1.6
|
|
Ширина корпуса W,мм
|
0.8
|
|
Производитель
|
Murata Manufactoring Co.,
Ltd.
|

С3:
GRM319F51H104
|
Номинальная емкость
|
0.1
|
|
,
|
мкФ
|
|
Материал
|
-
|
|
Рабочее напряжение,В
|
50
|
|
Температурный коеффициент
емкости
|
Y5V
|
|
Тип
|
GRM31
|
|
Номинальная емкость,мкФ
|
-
|
|
Допуск номинала,%
|
-20...80
|
|
Допуск номинальной емкости,%
|
-
|
|
Рабочая температура,С
|
-30...85
|
|
Выводы/корпус
|
SMD 1206
|
|
Мощность, кВар
|
-
|
|
Длина корпуса L,мм
|
3.2
|
|
Ширина корпуса W,мм
|
1.6
|
|
Производитель
|
Murata Manufactoring Co.,
Ltd.
|
С4:
GRM188F51C
|
Номинальная емкость
|
1
|
|
,
|
мкФ
|
|
Материал
|
-
|
|
Рабочее напряжение,В
|
16
|
|
Температурный коеффициент
емкости
|
Y5V
|
|
Тип
|
GRM18
|
|
Номинальная емкость,мкФ
|
-
|
|
Допуск номинала,%
|
-20...80
|
|
Допуск номинальной
емкости,%
|
-
|
|
Рабочая температура,С
|
-30...85
|
|
Выводы/корпус
|
SMD 0603
|
|
Мощность, кВар
|
-
|
|
Длина корпуса L,мм
|
1.6
|
|
Ширина корпуса W,мм
|
0.8
|
|
Производитель
|
Murata Manufactoring Co.,
Ltd.
|
.2.3 Выбор операционного усилителя
Операционный усилитель ALN459 компании Velocium Products (маломощный
инструментальный операционный усилитель). Данный усилитель был выбран в
соответствии с требуемым напряжением питания ±15 В и назначением выводов по
электрической схеме.
.Напряжение питания: от ±2.4 до ±18 В
.Потребляемый ток: 30 мА макс.
.Напряжение смещения:125 μВ макс.
.Смещение:1 μВ/°C макс.
.Коэффициент усиления: от 1 до 1000
.Шум:4 нВ/√Гц тип.
.Cкороcть нараст. вых. напряж.:1.2 В/μс тип.
.Время успокоения:10 μс тип. при G=1 - 100
.Коэфф. ослабл. синфазного сигнала:103 dB миним. при G=100
.Ширина полосы пропускания:71 ГГц тип. при G=100
.Температурный диапазон:от −40 до +85 °
.2.4 Выбор транзисторов
Транзистор фирмы Philips модель BC857A - биполярный pnp транзистор общего
назначения. Напряжение коллектор-эмиттер 50В; ток коллектора 100мА; h21э
125-250.
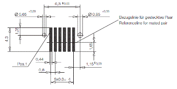
1.2.5 Выбор разъема
В качестве разъема бы выбран миниатюрный разъем для поверхностной
установки фирмы Microstac с шагом 0.8 mm, для устройства плата-плата.
Адаптирован для автоматизированной установки и пайки оплавлением. Данный
разъем соответствует требованиям директивы RoHS.
Параметры разъема:
|
Макс. ток
|
1.6 A (20 °C), 1.3 A (70
°C), 0.8 A (100 °C)
|
|
Высота конструкции
|
Max 6.5 mm
|
|
Изоляция
|
PA 46 (UL 94V-0)
|
|
Материал контактов
|
медный сплав
|
|
Контактное покрытие
|
позолоченные
|
|
Темп. диапазон
|
−55 до +125 °C
|
Рис.7 Корпус разъема
Рис.8 Габаритные параметры разъема и контактных площадок
.3 Выбор и обоснование печатной платы
В зависимости от условий эксплуатации определяется группа жесткости по
ОСТ 4.077.000, обуславливающая требования к конструкции платы, материалу
основания и проводящего рисунка и необходимости защиты от климатических,
механических и других воздействий. Изучая ТЗ на изделие, в которое входит
печатный узел можно сделать вывод, что по условиям эксплуатации (нормальные)
печатный узел изготавливается по 1 группе жесткости.
По типу печатная плата представляет собой двустороннюю печатную плату с
металлизированными монтажными и переходными отверстиями, характеризуемая
повышенной ремонтопригодностью и прочностью соединения вывода навесного
элемента с проводящим рисунком платы.
В качестве метода получения проводящего рисунка выбран комбинированный
метод. В рамках данного метода проводники получают травлением фольги, а
металлизированные отверстия - электрохимическим методом. К преимуществам
данного метода следует отнести высокую производительность процесса, достаточно
высокую точность получаемых размеров, хорошее сцепление проводников с
подложкой.
Основной задачей ТЗ является минимизация печатного узла, в следствии чего
выбираем класс точности ПП 3.
Размеры основных параметров элементов конструкции ПП для узкого места:
|
Ширина проводника t, мм
|
0,45
|
|
Расстояние между
элементами, мм
|
0,45
|
|
Гарантированный поясок
bГп,, мм
|
0,2
|
|
Отношение диаметра отверстия
к толщине γ
|
0,4
|
Размер печатной платы: особо малогабаритная с размерами 40х50мм, что
соответствует рекомендуемому соотношению сторон 2:2,5.
Толщина печатной платы: 2 мм
Конфигурация ПП: прямоугольная
Шаг координатной сетки: 0,63
Для 1 группы жесткости конструкции рекомендуется применять материал
основания гетинакс фольгированный марки ГФ-2-50:
Толщина фольги 50 мкм;
Толщина материала с фольгой 2 мм;
.4 Выбор монтажа бескорпусных компонентов на печатную плату
Электромонтаж бескорпусных кристаллов ИМС заключается в электрическом
соединении контактных монтажных площадок на поверхности кристалла с контактными
монтажными площадками на поверхности коммутационной платы. Обычно кристалл
предварительно фиксируется на плате с помощью клея или припоя. Во втором случае
групповая пластина до разделения ее на отдельные кристаллы должна быть
металлизирована со стороны, противоположной структурам, металлом, который
хорошо смачивается припоем. Облуженными должны быть также площадки на плате, на
которые устанавливаются кристаллы.
В производстве нашли применение три способа электромонтажа: с помощью
гибких проволочных перемычек круглого сечения (проволочный монтаж), с помощью
гибких ленточных перемычек прямоугольного сечения (ленточный монтаж) и с
помощью жестких объемных выводов, предварительно выращенных на кристалле.
1. Проволочный монтаж
Рис.9 Проволочный монтаж
При проволочном монтаже перемычка формируется в процессе монтажа (рис.
8): после совмещения свободного конца проволоки с площадкой на кристалле
производится сварка, далее изделие (коммутационная плата) перемещается так,
чтобы под сварочный инструмент пришла соответствующая площадка коммутационной
платы; после совмещения инструмента с площадкой производится сварка и обрезка
проволоки. Далее формируется перемычка для следующей пары контактов.
При перемещении платы с приваренным концом проволоки последняя
сматывается с катушки неподвижной сварочной головки так, чтобы образовался
небольшой избыток по длине. В результате упругости проволоки перемычка получает
плавный изгиб вверх, который при температурных изменениях длины перемычки
предотвращает замыкание ее на кристалл.
Достоинством проволочного монтажа является возможность размещения
перемычек при произвольном расположении любого количества монтажных площадок на
коммутационной плате, т.е. гибкость в процессе ее конструирования.
Недостаток заключается в высокой трудоемкости монтажа, т.к. сварные
соединения можно получать только последовательно, индивидуально, но в следствии
автоматизации процесса производительность высока.
2. Ленточный монтаж
Рис.10 Ленточный монтаж
Ленточный монтаж позволяет изготовить перемычки заранее и одновременно
вне кристалла методом избирательного травления (фотолитографии) ленты, однако
взаимное расположение перемычек должно быть жестко предопределено расположением
монтажных площадок на кристалле и плате.
Ленточные перемычки толщиной 70мкм остаются гибкими, поэтому для
сохранения их взаимной ориентации они удерживаются в заданном положении
изолирующими перемычками из полиимида (рис. 9). Таким образом, исходная лента
для изготовления системы перемычек должна быть двухслойной: алюминий (70мкм) и
полиимид (40мкм). Для исключения замыкания перемычек на кристалл их специально
формуют перед монтажом.
Использование ориентированных ленточных перемычек позволяет существенно
снизить трудоемкость монтажа. Во-первых, для совмещения всей системы перемычек
с кристаллом достаточно совместить две пары "перемычка-площадка",
расположенных по диагонали. После приварки всех перемычек на кристалле
последний с системой перемычек переносится на плату и аналогично производится
совмещение свободных концов с площадками платы и их приварка. Во-вторых,
появляется возможность одновременной (групповой) приварки всех перемычек,
расположенных в одном ряду. Из рассмотренных ниже способов сварки для групповой
сварки могут быть использованы термокомпрессионный и ультразвуковой способы.
К недостатку следует отнести ограничения, накладываемые на конструкцию
коммутационной платы и самого кристалла по числу и характеру расположения
монтажных площадок. Для смягчения этого недостатка приходится разрабатывать и
изготавливать стандартный ряд систем перемычек, отличающихся числом и шагом
расположения.
3. Монтаж с помощью жестких объемных выводов
Рис.11 Монтаж с помощью жестких объемных выводов
Жесткие объемные выводы формируются на кристаллах заранее и одновременно
до разделения групповой пластины. В первом приближении они представляют собой
выступы полусферической формы высотой порядка 60мкм и покрыты припоем.
Облуженными должны быть и ответные монтажные площадки на коммутационной плате.
В отличие от проволочного и ленточного монтажа объемные выводы соединяют
с площадками платы пайкой, а кристалл при этом оказывается в перевернутом
положении, т.е. структурами вниз (рис. 10).
Последовательность монтажа следующая. Кристалл, находящийся в кассете в
ориентированном положении, забирается вакуумным присосом ("пинцетом")
и переносится в позицию монтажа с определенным зазором. В зазор вводится
полупрозрачное зеркало, позволяющее оператору через микроскоп наблюдать
одновременно площадки на плате и выводы на кристалле. После совмещения зеркало
выводится из зазора, а присос опускает кристалл на плату и прижимает его. Далее
из миниатюрного сопла подается горячий инертный газ, выполняющий одновременно
функции нагревательной и защитной среды, затем холодный инертный газ, чем и
заканчивается цикл монтажа.
К достоинствам монтажа с помощью жестких объемных выводов относится:
сокращение числа соединений вдвое, что повышает надежность изделия при
эксплуатации; сокращение трудоемкости за счет одновременного присоединения всех
выводов; уменьшение монтажной площади до площади, занимаемой кристаллом; отсутствие
необходимости предварительного механического крепления кристалла.
Ограничением для использования данного метода является необходимость
применения коммутационных плат на основе тонких пленок с использованием
фотолитографии, т.е. высокого разрешения, т.к. размеры площадок и шаг их
расположения на плате и кристалле должны совпадать.
Рассмотрев все варианты монтажа кристалла на плату, выбран проволочный
монтаж. В качестве технологии установки выбрана технология «кристалл-на-плате»
(COB). Эта технология предусматривает расположение микросхем непосредственно на
монтажной поверхности ПП. Кристалл микросхемы приклеивается к плате и
соединяется с ней тонкими золотыми проволочками, диаметром 25мкм. Затем вся
конструкция заливается защитным компаундом (рис.11).
Рис.12 Технология «кристалл-на плате»
Часть 2. Конструкторско-технологический расчет печатной платы
.1 Расчет параметров проводящего рисунка с учетом технологических
погрешностей его получения
Рис.13. Конструкция ДПП
b - гарантийный поясок; h - толщина проводящего рисунка; Hф - толщина
фольги; hп - толщина проводящего покрытия; hм - толщина гальванически
наращенной меди
Так как в нашей печатной плате отсутствуют монтажные отверстия, путем
использования поверхностно-монтируемых элементов, то расчеты на номинальное
значения диаметра монтажного отверстия, минимальный диаметр контактной
площадки, минимальное расстояние для прокладки n-го числа проводников между
отверстиями с контактными площадками производится не будет.
1. Номинальное значение ширины проводника:
= tмд + |Δtн.о|
мд - минимально допустимая ширина проводника
Минимальная ширина проводников, изготовленных из фотохимическим методом,
рассчитывается по формуле:
мд = tп1мин + 1,5Нфп1мин=0,18 мм (для 2-го класса точности)
Нф = 0,05 мммд = 0,15 + 1,5*0,05 = 0,255 мм
Δtн.о. = 0,1 мм - нижние предельное
отклонение ширины проводника(для класса точности 2)=0,255+0,1=0,355 мм
2. Номинальное значение расстояния между элементами проводящего
рисунка:
= Sмд + Δtв.о.
мд = 0,2 мм - минимально допустимое расстояние между соседними элементами
(с учетом обеспечения электрической прочности изоляции и воздействующих
факторов, для материала платы - гетинакс)
Δtв.о. = 0,1 мм - верхнее предельное
отклонение ширины проводника(для класса точности 2)= 0,2 + 0,1 = 0,3 мм
Так как в нашей печатной плате отсутствуют монтажные отверстия, путем
использования поверхностно-монтируемых элементов, то расчеты
1. Минимальный диаметр металлизированного отверстия:
- толщина
ПП
-
отношение диаметра металлизированного отверстия к толщине платы (класс точности
2)
2. Минимальный диаметр контактных площадок:
ф=0,05
мм - толщина фольгиПМ=0,005 мм - толщина предварительно осажденной меди=0,02 мм
- толщина металлического резиста
=0,2 мм -
величина пояска
-
диаметр металлизированного отверстия
=0,15 мм
- погрешность диаметра отверстия (класс точности 3)
-
погрешность расположения отверстия
δо = 0.02 мм - погрешность расположения отверстия относительно
координатной сетки, обусловленная точностью сверлильного станка
δσ = 0.01 мм - погрешность базирования плат на сверлильном
станке
-
погрешность расположения контактной площадки
δш = 0.02 мм - погрешность расположения оси контактной площадки
относительно оси координатной сетки на фотошаблоне
δэ = 0.01 мм - погрешность расположения элементов при экспонировании на
слое
δп = 0.01 мм - погрешность расположения базовых отверстий на фотошаблоне
3. Минимальный диаметр окна фотошаблона для контактной площадки:
-
погрешность диаметра контактной площадки при экспонировании фоторисунка
4. Максимальный диаметр окна фотошаблона для контактной площадки:
-
погрешность изготовления фотошаблона
5. Максимальный диаметр КП:
-
погрешность диаметра КП фотокопии при экспонировании рисунка
-
толщина металлического резиста
6. Минимальная ширина проводников:
минимально
эффективная ширина проводникаф=0,050 мм - толщина фольгиПМ=0,005 мм - толщина
предварительно осажденной меди=0,02 мм - толщина металлического резиста
7. Максимальная ширина проводников:
резистор печатный плата конструкторский
-
минимальная ширина линии на фотошаблонег = 0.05 мм - толщина наращенной
гальванической меди
-
максимальная ширина линии на фотошаблоне
Δtш = 0.03 мм - погрешность изготовления линии фотошаблона
=0,02 мм
- толщина металлического резиста
ΔЭ = 0.01 мм - погрешность диаметра контактной площадки фотокопии при
экспонировании рисунка
8. Минимальное расстояние между проводником и контактной площадкой:
о = 2.5
мм - расстояние между центрами рассматриваемых элементов
δшt = 0,03 мм - погрешность расположения проводника на фотошаблоне
9. Минимальное расстояние между контактными площадками
о
= 2.5 мм - расстояние между центрами рассматриваемых элементов
10. Минимальное расстояние между двумя проводниками:
о
= 2.5 мм - расстояние между центрами рассматриваемых элементов
δшt = 0.03 мм - погрешность расположения проводника на фотошаблоне
11. Минимальное расстояние между проводником и КП на фотошаблоне:
о =2.5 мм
- расстояние между центрами рассматриваемых элементов.
δшt = 0.03 мм - погрешность расположения проводника на фотошаблоне
12. Минимальное расстояние между двумя КП на фотошаблоне:
о = 2.5
мм - расстояние между центрами рассматриваемых элементов
13. Минимальное расстояние между двумя проводниками на фотошаблоне:
о
= 2.5 мм - расстояние между центрами рассматриваемых элементов
δшt = 0.03 мм - погрешность расположения проводника на фотошаблоне
2.3 Расчет проводящего рисунка по постоянному току
Помеха по постоянному току возникает за счет падения напряжения на
печатном проводнике и за счет конечного значения сопротивления изоляции. Целью
расчета по постоянному току является определение падения напряжения на
сигнальных шинах и шинах питания, а также оценка сопротивления изоляции.
1. Падение напряжения на проводнике (проводник шины питания):
,
где
:
- удельное сопротивление проводника (
=0.05
) ;
-
толщина фольги;
- ширина
проводника;
- длина
проводника;
- ток;
Необходимо
обеспечить условие для сигнальной цепи:
=0,5 В
Сечение
проводника шины питания или земли:
,где :
-
номинальное значение напряжения питания.
. Поверхностное
сопротивление изоляции параллельных печатных проводников обусловлено наличием
удельного поверхностного сопротивления
диэлектрика
платы :
,
где
:
- удельное поверхностное сопротивление диэлектрика (
Ом для гетинакса) ;
- зазор
между проводниками ;
-
наибольшая длина совместного прохождения проводников.
Данный
параметры определяется из чертежа печатной платы по участку проводящего
рисунка.
. Объемное
сопротивление изоляции между проводниками противоположных слоев ДПП
определяется наличием удельного объемного сопротивления
диэлектрика:
,
где
:
- удельное объемное сопротивление диэлектрика
основания печатной платы (
для гетинакса) ;
-
толщина печатной платы ;
-
площадь проекции одного проводника на другой.
. Сопротивление
изоляции параллельных проводников, имеющих ширину
, зазор
и длину
совместного прохождения
, вычисляется так :
Для
нормального функционирования проектируемого узла сопротивление изоляции между
проводниками должно превышать входное сопротивление электронных схем более чем
в 1000 раз.
Входное
сопротивление определим следующим образом:
Условие
выполняется.
.4 Расчет
проводящего рисунка по переменному току
При передаче по печатным элементам платы высокочастотных или импульсных
сигналов, из-за наличия индуктивного сопротивления проводников, взаимной
индуктивности и емкости, сопротивления утечки между проводниками сигналы
искажаются, появляются перекрестные помехи. Расчет по переменному току
позволяет уточнить максимальную длину одиночного проводника, максимальную длину
совместного прохождения рядом расположенных проводников, зазоры между
проводниками.
Падение
импульсного напряжения
на длине проводника в 1 см вычисляется:
, где
-
погонная индуктивность одиночного проводника, мГн/см
Поскольку
расчетная ширина проводника
, то
-
изменение выходного тока переключения, А.
Определим
данную величину как скачок тока от нуля до max величины тока ОУ, и таким
образом:
.
-
длительность импульса, нс
Величину
периода высокочастотного сигнала можно определить из соотношения:
Поскольку
величина максимальной рабочей частоты равна
, то
Длительность
импульса должна быть намного меньше периода сигнала. Допустим, в 1000 раз,
тогда:
Максимальная
длина проводника определяется из соотношения:
-
минимальный запас помехоустойчивости.
Задержка
при передаче сигналов по линии связи: ,
, где:
-
индуктивность и емкость линии;
-
погонная задержка сигнала по проводнику (электромагнитной волны) в вакууме (
) ;
- длина
линии питания;
-
относительные диэлектрическая и магнитная проницаемость основания платы;
,
где:
- диэлектрическая проницаемость платы;
-
диэлектрическая проницаемость лака.
нс.
Емкость
и взаимная индуктивность печатных проводников:
а)
Для проводников, расположенных на одной стороне платы:
Емкость
печатных проводников:
,
где:-
толщина проводника ;- ширина проводника ;
- зазор
между проводниками.
Рассмотрим
тот же участок, что и при расчете по постоянному току. Тогда:
Коэффициент
взаимоиндуктивности:
б)
Для параллельных проводников на противоположных сторонах
Емкость
и коэффициент взаимоиндуктивности определяются следующим образом:
, где
-
толщина платы.
Анализируя
выражение видно, что для появления данных параметров необходимо выполнение
условия
, что не присутствует на нашей плате, поэтому данные
параметры не могут быть вычислены.
в)
Напряжение перекрестной помехи:
Между
рядом расположенными проводниками существует электрическая связь через
сопротивление изоляции
, взаимную емкость C и взаимоиндуктивность М. В этом
случае возникает перекрестная помеха, которая обусловлена возбуждением
пассивной линии от сигнала в активной линии.
Поскольку
паразитная связь уменьшается с увеличением расстояния между проводниками, то
наибольшую помеху наводят две соседние трассы, расположенные по разным сторонам
от пассивной линии. Влиянием прочих активных линий можно пренебречь.
В
том случае, когда активная линия служит для передачи гармонического сигнала с
частотой
, напряжение помехи на входе-выходе пассивной линии
определяется так:
,
где:
-
сопротивление изоляции;
,
,
-
соответственно сопротивления выходное активной линии, входное пассивной линии и
выходное пассивной линии.
В
нашем случае будем иметь соответственно:
-
выходное напряжение активной линии.
В
данном случае, на основе данных электрических параметров выбранного усилителя
имеем:
Часть 3. Выбор конструкции узла с учетом параметров печатной платы и вида
соединителя
.1 Конструкторские расчеты печатного узла
.1.1 Расчет механической прочности
Радиоэлектронная аппаратура подвергается воздействию ударов и вибраций
при транспортировании, погрузке, эксплуатации, что вызывает механические
нагрузки и приводит к деформации и разрушение конструктивных элементов. Упругая
деформация может привести к появлению прерывистого электрического контакта,
дугового разряда, образованию радиопомех, появлению усталостных разрушений.
Изменение параметров сигналов выше допустимых значений приведет к отказам в
работе РЭА, потере вибро- или удароустойчивости. При совпадении собственных
частот элементов конструкции с частотой возмущающих воздействий перегрузки
возрастают многократно. Поскольку при ударах возникают вибрации элементов,
основные проверочные расчеты сводятся к оценке вибропрочности, которая
обусловливает и виброустойчивость.
Порядок выполнения проверочных расчетов вибропрочности печатных узлов
(ячеек) сводится к следующему:
с учетом направления воздействий вибраций в конструкции выделяются детали
и узлы, имеющие наибольшие деформации;
выбираются расчетные модели (балки, пластины и т.п.);
рассчитываются собственные частоты;
определяются нагрузки и полученные значения сравниваются с пределами
прочности выбранных материалов;
при необходимости принимается решение о повышении прочности конструкций.
В практике конструирования внешние вибрационные воздействия часто
задаются узким диапазоном частот. Собственная частота конструкции не должна
находиться в спектре частот внешних воздействий. Хотя любая конструкция
обладает несколькими значениями собственных частот, однако расчет выполняется
только для низших значений f0 .
Если низшее значение f0 входит в диапазон внешних воздействий, то
конструкцию дорабатывают с целью увеличения или уменьшения f0 и выхода из
спектра частот внешних воздействий.
Исходные данные:
· Размеры
платы:
;
;
· Материал
печатной платы (для гетинакса фольгированного):
-
плотность
- модуль
упругости
-
условный предел прочности
-
коэффициент Пуассона
· Масса всех
ЭРЭ:
· Вариант
закрепления печатной платы - все стороны защемлены
· Виброускорение
а=1-4 м/с2 в диапазоне воздействия fн….fв=10…70 Гц;
· Усилие стягивания
винтами P=120Н (норма для рабочего)
1. Низшие собственные частоты печатных узлов с равномерно
распределенными по поверхности платы компонентами:
где:
- главный центральный момент инерции
- виброперегрузка
не
входит в диапазон fн….fв=10…70 Гц. Следовательно, нет необходимости в
дополнительной амортизации.
2. Напряжение в пластине:
где:
- нагрузка на пластину с учетом усилия Р
- масса
ПУ
Запас
прочности:
Запас
прочности больше 1, следовательно, выбранный материал для изготовления платы
соответствует по параметрам нормам жесткости и текучести. Условия вибропрочности
выполняются, следовательно, нет необходимости увеличивать жесткость несущих
элементов.
3. Коэффициент передачи по ускорению.
Коэффициент
передачи при
.
Коэффициент
передачи при
.
. Коэффициент передачи при ударе для прямоугольного импульса:
,
где
-коэффициент
расстройки
Получаем
Ударное
ускорение:
Максимальное
относительное перемещение:
Условие
ударопрочности:
Условие
ударопрочности для данного блока РЭА, в состав которого входит ПУ, выполняется.
3.1.2 Расчет теплового режима
Тепловая модель блока
Исходные данные
Табл.
6 Данные для расчета теплового режима
|
Величина
|
Значение
|
|
Размеры блока (l1,l2,l3)
|
50Ч40Ч20 мм
|
|
Размеры нагретой зоны
(L1,L2,L3)
|
35Ч42Ч7 мм
|
|
Мощность рассеивания блока
(Рб)
|
1,585Вт
|
|
Мощность, рассеиваемая
элементом, наиболее критичным к перегреву (Рк)
|
0,65 Вт
|
|
Площадь поверхности
элемента, наиболее критичного к перегреву (Sк)
|
1,44Ч10-6 м2
|
|
Максимальная температура
окружающей среды (T)
|
+40оС
|
|
Количество вентиляционных
отверстий и площадь одного отверстия (no, So)
|
no=48 So=7,9Ч10-6 м2
|
|
Допустимая температура
элемента (Tдоп)
|
+85 оС
|
Мощность рассеивания блока:
Мощность рассеивания определяется мощностями всех входящих компонентов.
Резисторы: n=4, PR=0.1 Вт
Конденсаторы: n=5, PС=0.062 Вт
Транзисторы: n=1, PТР=0.075 Вт
Операционный усилитель: n=1, PОУ=0.3
Резистор подстроечный: n=2, Pподст=0.25
Мощность
рассеивания компонента, наиболее критичного к нагреву (для ОУ):
Площадь
поверхности ЭРЭ, наиболее критичных к перегреву:
Так
как ОУ заливается компаудом, то примем, что тепло выделяемое ОУ распределяется
равномерно по капле компауда площадью:
Максимальная
температура окружающей среды:
Установим, что максимальная температура будет соответствовать
максимальной температуре для умеренного климата (макроклиматического района) в
соответствии с ГОСТ 15150-69:
Количество вентиляционных отверстий:
Площадь
одного отверстия:
Допустимая
температура компонента:
Порядок
расчета:
.
Поверхность кожуха блока:
. Поверхность нагретой зоны:
где:
- объем печатных плат
- объем
компонентов в узлах
- объем
блока.
3. Удельная мощность, рассеиваемая кожухом:
4.
Удельная мощность, рассеиваемая нагретой зоной:
.
Перегрев кожуха блока:
.Перегрев
нагретой зоны:
.
Суммарная площадь вентиляционных отверстий:
.
Коэффициент перфорации:
9. Коэффициент, учитывающий перегрев при наличии вентиляционных
отверстий:
10. Перегрев кожуха блока:
.
Перегрев нагретой зоны:
.
Средний перегрев воздуха в блоке:
,
где:
0,6 - эмпирический коэффициент.
13. Критичная величина перегрева нагретой зоны:
14. Компоненты, для которых необходимо вести дальнейший тепловой расчет:
Предельные
температуры компонентов:
Резисторы:
Операционный
усилитель:
Конденсаторы:
Транзисторы:
Вилка:
Исходя
из расчетов, дальнейший тепловой расчет будем вести для операционного усилителя
и для резисторов.
. Перегрев
поверхности компонента:
.
Перегрев окружающей компонент среды:
.
Температура кожуха блока:
.
Температура нагретой зоны:
.
Средняя температура воздуха в блоке:
.
Температура поверхности компонента:
.
Температура окружающей компонент среды:
Так
как
и
, то это
означает, что температура операционного усилителя не будет выше, чем его
максимально допускаемая. Поэтому никаких мер по предотвращению перегрева,
предпринимать не нужно. Охлаждение системы будет происходить за счет
естественной вентиляции.
.2
Количественная оценка технологичности конструкции ПУ
Обеспечение
технологичности конструкции изделия (ТКИ) предусматривает взаимосвязанное
решение конструкторских технологических задач, направленных на повышение
производительности труда, достижения оптимальных трудовых и материальных затрат
и сокращение времени на производство, техобслуживание и ремонт изделия.
Уровень
ТКИ - это совокупность показателей, учитывающих взаимосвязь и взаимозависимость
конструктивно-технологических, технико-экономических характеристик изделий,
требований производства в заданных условиях и характеризует уровень применяемых
методов и принципов при проектировании, организационно-технических мероприятий
по технологической подготовке производства.
Главными
факторами, определяющими требования к технологичности конструкции, являются вид
изделия, объем выпуска, тип производства. Вид изделия определяет главные
конструктивные и технологические признаки, обуславливающие основные требования
к технологичности конструкции. Объем выпуска и тип производства определяют
уровень технологического оснащения, механизации и автоматизации технологических
процессов.
ТКИ оценивают количественно с помощью системы показателей:
. Базовые (исходные) значения показателей ТКИ, являющиеся
предельными нормативами, которые регламентированы для отдельных видов изделий
отраслевыми стандартами и техническим заданием на разработку изделия
2. Показатели ТКИ, достигнутые при разработке
3. Показатели уровня ТКИ
Количественные оценки ТКИ
Количественная оценка ТКИ выражается показателем, численное значение
которого характеризуется степенью удовлетворения требованиям к технологичности
конструкции.
Оценка технологичности ПУ и блоков РЭА на основе использования частных и
комплексного показателя
Состав относительных частных показателей и значение коэффициента
значимости φi определяется классом, к которому относится печатный узел, и
приведены в таблице (для электронных блоков).
|
Порядковый № в
ранжированной последовательности
|
φi
|
Состав показателей
|
|
1
|
1,0
|
К имс
|
|
2
|
1,0
|
К ам
|
|
3
|
1.0
|
К мпэрэ
|
|
4
|
0,5
|
К мкн
|
|
5
|
0,31
|
К пов.эрэ
|
|
6
|
0,187
|
К п.эрэ
|
|
7
|
0,11
|
К Ф
|
1. Коэффициент использования микросхем:
, где
общее
количество микросхем в изделии (ОУ)
общее
количество ЭРЭ
Коэффициент
автоматизации и механизации монтажа изделия:
,
где:
- количество монтажных соединений, которые могут
осуществляться механизированным или автоматизированным способом
общее количество монтажных соединений.
2. Коэффициент автоматизации и механизации подготовки
электрорадиоэлементов к монтажу:
,
где:
количество ЭРЭ, подготовка которых к монтажу может
осуществляться механизированным или автоматизированным способом.
3. Коэффициент автоматизации и механизации операций контроля и
настройки:
,
где:
количество операций контроля и настройки, которые
можно осуществить механизированным или автоматизированным способом
общее количество операций контроля и настройки.
4. Коэффициент повторяемости ЭРЭ:
,
где:
общее количество типоразмеров ЭРЭ в изделии.
5. Коэффициент применяемости:
где:
количество типоразмеров оригинальных ЭРЭ в изделии.
6. Коэффициент прогрессивности формообразования деталей:
,
где:
количество деталей, заготовки которых или сами детали
получены прогрессивными методами формообразования
общее
количество деталей.
7. Комплексный показатель технологичности:
8. Уровень технологичности конструкции:
нормативный
комплексный показатель (для автоматизированных систем управления и
электронно-вычислительной технике
)
Так
как комплексный показатель технологичности
превышает
предельное нормативное значение
для
данного класса блоков РЭА, то печатный узел считается технологичным,
следовательно повышение технологичности конструкции не требуется.
Часть 4. Разработка техпроцесса сборки печатного узла
.1 Выбор типа сборки
В электронной промышленности существует шесть общих типов SMT сборки,
каждому из которых соответствует свой порядок производства. Существует
специальный стандарт, в котором представлены основные виды сборок, разбитые по
классам:и IPC документация по поверхностному монтажу на платы, IPC-7070,
J-STD-013 и National Technology Roadmap for Electronic Interconnections
включают следующие классификацию следующих схемы поверхностного монтажа:
· Тип 1 - монтируемые компоненты установлены только на верхнюю
сторону или interconnecting structure
· Тип 2 - монтируемые компоненты установлены на обе стороны
платы или interconnecting structure
· Класс А - только through-hole (монтируемые в отверстия)
компоненты
· Класс В - только поверхностно монтируемые компоненты (SMD)
· Класс С - смешанная: монтируемые в отверстия и поверхностно
монтируемы компоненты
· Класс Х - комплексно-смешанная сборка: through-hole, SMD,
fine pitch, BGA
· Класс Y - комплексно-смешанная сборка: through-hole, surface
mount, Ultra fine pitch, CSP
· Класс Z - комплексно-смешанная сборка: through-hole, Ultra
fine pitch, COB, Flip Chip, TCP
Операции используемы при различных типах сборки:
1) Нанесение пасты и установка SMT компонентов на верхнюю сторону
платы.
2) Нанесение пасты и установка SMT на нижнюю сторону платы.
) Нанесение клея и установка SMT компонентов на нижнюю сторону
платы с последующем его высыханием.
) Автоматическая установка DIP компонентов.
) Автоматическая установка координатных компонентов (такие как
светодиоды и т.п.).
) Пайка волной или пайка инфракрасным излучением.
) Промывка плат.
8) Ручная пайка компонентов.
9) Стабильность трафаретной печати с минимальными временными
изменениями по вязкости в течение продолжительного времени печати.
) Превосходная пайка, благодаря отличному смачиванию.
) Может быть использована как в воздушной среде, так и среде
азота.
) Превосходная пайка может быть достигнута для высокой пиковой
температуры.
Спецификация паяльной пасты.
|
LF-4C-100
|
Ед. изм.
|
|
|
Припой
|
Состав
|
Sn96.5/Ag3.0/Cu0.5
|
-
|
|
Размер частиц
|
20-45
|
Мкм
|
|
Тип
|
Сфера
|
-
|
|
Т плавления
|
203
|
°С
|
|
Флюс
|
Тип
|
RМА
|
-
|
|
Содержание галогенов
|
НЕТ
|
-
|
|
Сопротивление
|
1.8х105
|
Ом.см
|
|
Паста
|
Содержание флюса
|
11.0±0.2
|
%
|
|
Вязкость (25°С)
|
500±100
|
kcP
|
|
Растекание
|
94.0
|
%
|
|
Срок хранения (при t
5-10°С)
|
3
|
мес.
|
Для монтажа кристалла на печатную плату выбран теплопроводящий клей
EPO-TEK H20S -модифицированная версия теплопроводящего клея EPO-TEK H20E, был
разработан для нанесения с помощью дозатора применяется в технологии
присоединения кристалла. EPO-TEK H20S - это высоконадежная, двухкомпонентная,
серебросодержащая эпоксидная смола однородной тиксотропной консистенции.
Использование теплопроводящего клея EPO-TEK H20S обеспечивает высокую удельную
электропроводность, короткое время приклеивания кристалла, надежность и
подходящее отношение концентраций компонентов смеси.
Для герметизации монтируемого кристалла выбран силиконовый
теплопроводящий компаунд 860-1Р.
Свойства:
· Высокая теплопроводность
· Высокая диэлектрическая постоянная
· Высокий коэффициент рассеяния
· Не высыхает и не отвердевает
· Содержит оксиды цинка и полидиметил силоксан
· Соответствует MIL-DTL-47113D
· Также доступен в виде несиликонового компаунда
|
Параметр
|
Метод тестирования
|
Значение
|
|
|
Несиликоновый компаунд 8610
|
Силиконовый компаунд860
|
|
Физические свойства
|
|
Внешний вид
|
Визуальный
|
Однородная паста кремового цвета
|
Белая паста
|
|
Консистенция
|
ASTM D 217
|
310 - 320
|
|
Удельная плотность при
температуре 25 °C
|
|
2,5
|
2,3
|
|
Расстекаемость при
температуре 200 °C / 24 часа, %
|
FTM-321
|
1,0
|
2,0
|
|
Температура каплепадения,
°C
|
ASTM D-566
|
> 260
|
> 260
|
|
Максимальная рабочая
температура, °C
|
|
200
|
200 (постоянная) 300
(кратковременная)
|
|
Электрические свойства
|
|
Теплопроводность, Вт/(м Ч
К)
|
|
0,773
|
0,657
|
|
Диэлектрическая прочность,
В/мм
|
ASTM D-149
|
13,757
|
15,723
|
|
Диэлектрическая постоянная
при частоте 1000 Гц
|
ASTM D-150
|
4,4
|
3,81
|
|
Коэффициент рассеяния при
частоте 1000 Гц
|
ASTM D-150
|
0,0021
|
0,0032
|
|
Удельное сопротивление при
температуре 21°C, Ом Ч см
|
ASTM D-150
|
6,38 Ч 1013
|
1,5 Ч 1015
|
Таким
образом, анализируя выбранные материалы для монтажа, первым будем монтировать
кристалл на печатную плату и герметизировать, а затем устанавливать пассивные
SMD-компоненты. Последовательность обуславливается тем, что максимальная
кратковременная рабочая температура компаунда (
) выше
температуры, при которой осуществляется пайка оплавлением SMD-компонентов (
), поэтому монтированный кристалл не помешает
произвести монтаж SMD-компонентов.
.2
Выбор оборудования
Лупа СТ-200-8
Серия луп CТ-200 - бестеневой осветитель. Наиболее
распространенный профессиональный бестеневой осветитель на пантографе с линзой
диаметром 127 мм. Кратность увеличения - 8-x, большое фокусное расстояние 335
мм обеспечивает максимальное пространство для сборочно-монтажных работ под
линзой. Уровень освещенности на фокусном расстоянии 1625 люкс (люминисцентная
лампа холодного свечения 22 Вт). Струбцинное крепление к столу, цвет белый.
Автоматическая установка монтажа кристаллов FC150
Установка представляет собой систему, разработанную с
учетом самых современных требований к процессу монтажа кристаллов и сборочному
оборудованию. Установка способна производить монтаж всех типов кристаллов, а
также компонентов для практически всех существующих видов устройств
(optoelectronics, photonics, wafer-to-wafer MOEMS, MEMS, Flip Chip и др.) и
процессов. Благодаря модульному принципу конструкции модель FC150 может
конфигурироваться от ручной до полностью автоматической системы, с последующим
апгрейдом, что исключает необходимость приобретения дополнительного
оборудования.
Установка обладает пост-монтажной точностью в 1 мкм, 3δ,
что обеспечивает
возможность ее применения в самых современных технологиях монтажа. Высокая
точность и надежность установки обеспечивается за счет гранитного основания и
конструкции монтажного стола на воздушной подушке. Установка может оснащаться
подогревом с контроллером температуры, как монтажного стола, так и монтажной
головки и многими другими опциями.
Одной из главных особенностей данной установки
является наличие опции Nanoimprint литографии.
Автомат дозирования DispenseMate 580
· Максимальная производительность при
использовании струйной дозирующей головки (для клея) 12 000 доз в час
· Максимальная производительность при
использовании шнековой дозирующей головки (для паяльной пасты) 10 000 доз в час
· Возможность оснащения широким
спектром дозирующих головок
· Программное обеспечение Fluidmove для
WindowsNT
· Возможность установки автоматической
системы технического зрения
Автоматы дозирования серии DispenseMate® 580
предназначены для нанесения различных видов технологических материалов, включая
паяльные пасты, клеи, паяльные маски, токопроводящие клеи и герметизирующие
материалы.
Данная серия представлена двумя моделями автоматов
DispenseMate 583 и DispenseMate 585 с различными областями дозирования.
Автоматы имеют компактный настольный дизайн, обеспечивая высокую точность и
функциональность при малых габаритных размерах.
Базовая комплектация автоматов включает ноутбук с
операционной системой WindowsNT®и программным обеспечением Fluidmove®,
позволяющим легко создавать рабочие программы, отслеживать параметры
технологического процесса и собирать статистические данные.
Автоматы серии DispenseMate могут быть оснащены
широким спектром дозирующих головок, в том числе инновационной бесконтактной
струйной дозирующей головкой DispenseJet®, а также автоматической системой
шаблонного распознавания, и дополнительным программным обеспечением CADImport
для разработки рабочих программ из CAD данных.
Автомат дозирования Century® С-718
Данный автомат дозирования предназначен для среднесерийных
сборочных производств и обеспечивает высокую скорость и точность нанесения
технологических материалов.
Автомат может быть оборудован различными дозирующими
головками, включая инновационную высокопроизводительную бесконтактную струйную
дозирующую головку DispenseJet®. При оснащении С-718 дозирующей головкой
DispenseJet максимальная производительность автомата может доходить до 20000
доз в час.
Автомат С-718 способен наносить клеи, паяльные пасты,
паяльные маски и другие виды материалов для поверхностного монтажа.
В стандартной конфигурации автомат оснащен компьютером
на базе процессора Pentium® с программным обеспечением Fluidmove® и CADImport,
системой шаблонного распознавания, системой фиксации печатной платы по краям,
механическим датчиком высоты, а также необходимой в серийном производстве
системой очистки дозирующей насадки.
Дополнительно автомат может быть оборудован лазерным
датчиком высоты, датчиками уровня дозируемого материала в картриджах, системой
безопасности оператора для аварийного отключения автомата в случае попадания в
рабочую область посторонних предметов, а также набором для установки двух
дозирующих головок, что позволяет наносить два материала одновременно,
обеспечивая высокую эффективность и гибкость производственного процесса.
· Максимальная производительность 20000
доз в час
· Максимальная рабочая область 429Ч386
мм
· Автоматическая система шаблонного
распознавания в стандартной комплектации автомата
· Конвейер со SMEMA-интерфейсом
Автомат для установки компонентов поверхностного
монтажа PLM-2000является высокоточным автоматом-установщиком поверхностно-
монтируемых компонентов в условиях мелко и среднесерийного производства с
возможностью быстрой переналадки и очень низкими эксплуатационными расходами
благодаря особенностям конструкции, высокому качеству сборки и качественным
комплектующим.
Установочная головка имеет встроенную видеосистему с
цифровой CMOS-камерой для центрирования компонентов и распознавания реперных
знаков. Данная видеосистема выполняет быстрое и точное центрирование
компонентов «на лету» и имеет оригинальную систему подсветки, которая позволяет
распознавать реперные знаки и компоненты с различными отражающими
способностями. Имеется функция проверки ко-планарности и выявления поврежденных
выводов микросхем. Автомат PLM-2000 обеспечивает минимум брака и потерь при
установке компонентов с мелким шагом.
Автомат PLM-2000 работает с ленточными, пенальными и
матричными питателями интеллектуального типа. При заправке ленты захват
осуществляется с первых компонентов в ленте, что снижает потери компонентов и,
следовательно, эксплуатационные расходы. Одновременно на автомате может быть
размещено до 210 ленточных питателей, что особенно важно для
многономенклатурного производства.
Все рабочие процессы управляются посредством
промышленного компьютера с программным обеспечением Windows XP.
Конвейерная печь конвекционного оплавления Hotflow
2/12
Новая печь конвекционного оплавления Hotflow 2/12,
унаследовавшая большинство функциональных преимуществ печей серии Hotflow 2,
предназначен а для среднесерийных производств с оптимальным соотношением цены и
качества. Суммарная длина рабочей зоны составляет 2,5 метра: 6 зон нагрева
общей длиной 1,7 метра и 2 зоны охлаждения длиной 0,8 метра. Программное
управление каждой зоной в отдельности обеспечивают оптимальную настройку печи
под любой, в том числе и бессвинцовый профиль пайки.
Печь отвечает всем требованиям бессвинцовой пайки,
обеспечивая более высокие температуры, термическую стабильность, точное
разделение зон нагрева, возможность использования азота. Все материалы и
элементы печи специально подобраны и спроектированы для пайки с использованием
бессвинцовых припоев.
Печь Hotflow 2/12 является отличным решением для
достижения высокого результата при минимальных инвестициях.
· Специально разработана для
бессвинцовой технологии пайки
· Длина рабочей зоны 2500 мм
· Количество зон: 6 зон нагрева и 2
зоны охлаждения
· Максимальная ширина печатных узлов до
500 мм
· Скорость конвейера 0,2-2,0 м/мин
Универсальный цифровой видеомикроскоп высокого
разрешения HIROX KH-7700
Цифровой видео микроскоп HIROX KH-7700 объединяет
новейшие прогрессивные достижения нескольких областей современных технологий.
Видеомикроскоп Hi-End класса предназначен для получения оцифрованных
изображений объектов и выполнения измерений по трем координатам. Система
успешно применяется в электронике, машиностроении, медицине, материаловедении,
криминалистике, металлографии, в производстве пластмасс, биологии, реставрации
и других задачах.
Некоторые применения в электронике и микроэлектронике:
· Получение полноцветных изображений
дефектов при увеличении до 7000х.
· Неразрушающая инспекция BGA и
качества микросборок.
· Анализ и запись 3D изображений
дефектов пайки и разварки выводов.
· Бесконтактные измерения элементов
топологии печатных плат.
· Быстрое и простое сохранение
изображений наблюдаемых объектов и результатов их измерений, документирование и
передача по сети.
· Изменение увеличения в широком
диапазоне без дополнительной фокусировки.
· Сравнительный анализ изображений.
· Помимо автономного использования,
система KH-7700 хорошо дополняет рентгеновские исследования, поскольку не
ограничена типом тестируемого материала и обеспечивает естественную
цветопередачу. Для всестороннего контроля рекомендуется использовать вместе с
рентгеновскими установками.
Заключение
Поставленная цель данного курсового проекта по
повышению технологичности печатного узла усилителя была полностью достигнута. В
ходе решения поставленной задачи успешно реализованы следующие направления:
· В ходе выполнения работы,
операционный усилитель и транзисторы были выбраны в бескорпусном исполнении,
что является главной задачей в техническом задании
· Разработана конструкция МСБ в
соответствии со всеми предъявляемыми требованиями. Оценка качества разработанной
конструкции показала, что тепловой режим функционирования МСБ не приведет к
перегреву и выходу из строя компонентов, и уровень надежности отвечает условиям
работы изделия.
· В качестве навесных элементов,
реализующих функции пассивных компонентов, монтируемых на ПУ , были
использованы отвечающие современным требованиям поверхностно монтируемые
SMD-компоненты, что позволило использовать соответствующее технологическое
оборудование, позволяющее автоматизировать и ускорить процесс монтажа.
· В рамках технологического
проектирования ПУ были проанализированы основные аспекты процесса пайки волной
припоя, связанные с переходом на бессвинцовую технологию.
Результатом работы является комплект КТД на
разработанные МСБ, реализующую функцию предварительного усиления, и ПУ
усилителя.
Используемая литература
1. Романычева Э. Т. Разработка и оформление конструкторской
документации РЭА. М.: Радио и связь, 1984. - 256 с.
2. Мурашев Ю.Г. Конструкторско-технологическое проектирование
печатных узлов. СПб.:, 1995. - 92 с.
. Жаркой М. Ф. Конструирование микросборок: учебное пособие.
СПб.:, 2007. - 86 с.
4. <http://www.ostec-smt.ru/cat/>
. <http://www.ivtec.ru/>
. <http://www.rezonit.ru/>