Паливомір, інваріантний до сорту палива
Паливомір,
інваріантний до сорту палива
ЗМІСТ
ВСТУП
1.
ОГЛЯД МЕТОДІВ ВИМІРЮВАННЯ РІВНЯ РІДИНИ
.1
Механічні методи
.2
Електромеханічні методи вимірювань
.3
Вимірювання рівня на основі зміни опору при постійному і змінному струмі
.4
Гідростатичний та пневматичний методи
.5
Ультразвуковий метод
1.6
Вимірювання рівня за допомогою радіоактивних ізотопів
1.7
Інші методи вимірювання рівня
2.
ПРИЛАДИ ДЛЯ ВИМІРЮВАННЯ ЗАПАСУ ПАЛИВА, ЯКІ ВИКОРИСТОВУЮТЬСЯ В АВІАЦІЇ
.1
Поплавкові паливоміри
.2
Ємнісні паливоміри
.
РОЗРОБКА СТРУКТУРНОЇ СХЕМИ ПАЛИВОМІРА НЕ ЧУТТЄВОГО ДО СОРТУ ПАЛИВА
.
ВИБІР І РОЗРАХУНОК ЕЛЕМЕНТІВ ПАЛИВОМІРА
.1
Розрахунок ємнісного паливного датчика
.2
Оцінка похибки датчика
.3
Розрахунок надійності вимірювальної схеми паливоміра
.4
Розрахунок джерела живлення
4.5
Порядок розрахунку малопотужного силового трансформатора (однофазного
двохобмоткового)
4.6
Розрахунок схеми випрямлювача
.
ТЕХНІЧНІ ВИМОГИ ДО ПАЛИВОМІРА
.1
Вимоги,
що визначають показники якості й експлуатаційні характеристики
.2
Вимоги
до конструктивного пристрою
.3
Метрологічні
характеристики
.4
Вимоги
до надійності
.5
Вимоги
безпеки
.6
Вимоги
до перешкодозахищеності
5.7
Вимоги
до забезпечення контролю метрологічних характеристик
.8
Вимоги до умов застосування
6.
ОХОРОНА ПРАЦІ
6.1
Перелік небезпечних і шкідливих виробничих факторів при технічному обслуговуванні
паливоміра
6.2
Технічні заходи, які виключають або обмежують вплив небезпечних і шкідливих
виробничих факторів при технічному обслуговуванні паливоміра
6.3
Пожежна і вибухонебезпечна безпека в робочій зоні
6.4
Інструкція з техніки безпеки, пожежної та вибухової техніки
7.
ОХОРОНА
НАВКОЛИШНЬОГО СЕРЕДОВИЩА
ВИСНОВОК
СПИСОК
ВИКОРИСТАНИХ ДЖЕРЕЛ
ДОДАТКИ
ВСТУП
В даний час
цивільна авіація відіграє велику роль і набуває все більших і більших масштабів
у виконанні багатьох різноманітних задач для задоволення потреб людства.
Устаткування сучасних повітряних суден (ПС) дозволяє вирішувати складні
навігаційні задачі, спрямовані на підвищення безпеки й економічності польотів,
але які вимагають високої кваліфікації інженерно-технічного складу при
обслуговуванні.
В сучасній авіації
актуальною темою залишається найбільш достовірне визначення кількості палива на
борту повітряного судна. З багатьох існуючих видів вимірювачів палива сьогодні
можна виділити основний який отримав найбільше поширення в авіації - це ємнісні
вимірювачі. Це пов’язано з рядом особливостей притаманних тільки цьому виду
вимірювачів:
1
стійкість до коливань палива у
порівнянні із хвильовими паливомірами;
2
стійкість до механічних впливів;
3
відсутність електромеханічних
частин;
4
простота конструкції, надійність.
Але незважаючи на ці переваги є й
недоліки. Одним з основних недоліків є залежність точності вимірювань від
діелектричної проникності палива. При зміні сорту палива, або накопиченні
відкладень після тривалого використання паливоміра виникає похибка, яка в свою
чергу може погіршити точність вимірювань до 20% що може призвести до
катастрофічних наслідків.
Завданням зазначеного проекту
визначено розробку такого паливоміра який зменшує діелектричну похибку при
використанні різних сортів палива.
Для зменшення таких
похибок передбачено, використовуючи всі існуючи переваги ємнісних вимірювачів
при розробці паливоміра розглянути доцільність реалізації компенсаційних методів,
найбільш поширений з яких - використання компенсаційних датчиків, постійно
розташованих у рідині.
Тобто, основним завданням проекту є
проведення аналізу запровадження різних методів
вимірювання на підставі якого визначитися з функціональною електричною схемою
вимірювального моста паливоміра, який буде давати мінімальні похибки показників
при вимірюванні палива в баці незалежно від його сорту та нахилу літака.
1. ОГЛЯД МЕТОДІВ ВИМІРЮВАННЯ РІВНЯ
РІДИНИ
.1 Механічні методи
.1.1 Вимірювання за допомогою
поплавця
За допомогою поплавця, як чутливого
елементу, вимірюють висоту рівня рідини. Фізичний принцип його дії можна
пояснити на прикладі переміщення поплавця на поверхні рідини (рис. 1.1.).
Рис. 1.1 Поплавковий метод
вимірювання рівня рідини
В якості поплавця застосовують
переважно порожні кулясті або сфероциліндричні тіла, щільність яких менше ніж
щільність рідини, внаслідок чого вони можуть плавати на її поверхні. Зміна
щільності рідини або умов тертя в системі передачі показань приводить до
спотворення результату виміру.
У найпростішому випадку поплавець
кріплять до тросика або ланцюжка, що перекинуті через ролик або зубчасте
колесо. У цьому випадку величина яка вимірюється передається механічним
способом. Для забезпечення безперервного функціонування до іншого кінця тросика
або ланцюжка кріплять противагу.
При даному способі кут повороту
ролика відповідає зміні рівня рідини. Вісь направляючого ролика можна з'єднати
з повзуном потенціометра, щоб здійснити електричну передачу вимірюваної
величини. Достатньо простий механічний спосіб передачі даних про рівень
заповнення відкритих резервуарів за допомогою системи тросиків або в замкнутих
резервуарах - за допомогою введення через сальник, якщо відстані для передачі
даних невеликі.
Однак, у більшості випадків як у
відкритих, так і в замкнутих резервуарах застосовують системи електричної
передачі даних, особливо якщо результат вимірювання надходить в обчислювальний
пристрій.
.1.2 Метод вимірювання за допомогою
вимірювальних пластин
Вимірювальні пластини являють собою
плоскі пластинки, що мають, як правило, більшу, ніж у рідини, щільність. При
цьому за допомогою тросів і системи противаг або за допомогою сервосистем з
живленням від допоміжних джерел енергії пластини підтримують зануреними в
рідину на половину їх висоти. Такий метод часто застосовується у прецизійних
вимірювальних приладах, тому що зміни щільності рідини викликають лише незначні
погрішності. Прилади такої конструкції, що мають засоби тарування, працюють з
погрішністю вимірювання ±0,3 проміле, або 1 мм.
.2 Електромеханічні методи
вимірювань
Електромеханічні методи поєднують
механічну систему передачі сигналів про переміщення поплавця з електричним
пристроєм знімання сигналів і електричної системи подальшої передачі інформації
про це переміщення.
.2.1 Метод вимірювання за допомогою
потенціометричних датчиків
Існують різні технічні способи
перетворення суто механічних величин вимірювання в електричні.
У попередньому розділі була
визначена можливість використання для цієї мети потенціометра. Для вимірювання
рівня рідини використовують, наприклад, спіральний багатообертний потенціометр;
де знята повзуном напруга, яка відповідає рівневі рідини, передається на
електричний індикатор.
.2.2 Метод вимірювання за допомогою
сельсина
Замість потенціометра часто
застосовується сельсин, наприклад у сполученні з редуктором. Електромеханічна
передача являє собою «електричний вал», тому що вторинний прилад також
складається із сельсина, з'єднаного з рахунковим механізмом, При обертанні
ротора сельсина обертається одночасно барабан рахункового механізму і на
індикаторі з'являються цифри, що вказують рівень рідини.
.2.3 Метод передачі показів шаговим
переключенням
Умовою для застосування методу
передачі показань шаговим переключенням є відносно повільна зміна рівня рідини.
Весь діапазон зміни рівня поділяється при цьому на відповідну кількість
ступенів (квантів). Зміна рівня на одну ступінь не повинна тривати менш 3-4 с.
Тросик або ланцюжок, на якому закріплений поплавець, перекинутий при цьому
через шестірню. У цьому випадку використовують перетворення висоти рівня х у
кут g. Спусковий перемикач, що містить
пружину з попереднім натягом, при зміні рівня на одну ступінь Dх
~ Dg здійснює короткотермінове замикання
імпульсних контактів, де підвищенню +Dх
~ +Dg і зниженню - Dх
~ - Dg відповідають окремі контакти.
Рис. 1.2 Схема системи вимірювання
імпульсним методом: 1 - спусковий шаговий перемикач, 2 - імпульсні контакти; 3
- реверсивний лічильник
Реверсивний лічильник, підсумовуючи
імпульси з урахуванням їх знака, дає показання рівня рідини безпосередньо в
цифровій формі. Тобто, це чисто рахунковий метод (рис. 1.2). Помилки які
виникають при підрахунку числа ступенів зберігаються при всіх значеннях рівня.
Цей недолік мають усі методи, засновані на рахунку квантів.
.2.4 Метод кодової посилки імпульсів
Це також цифровий метод де кожному
кутовому положенню g, пропорційному
переміщенню поплавця, відповідає визначене сполучення положення перемикачів,
які потім піддаються підрахунку.
Однак цей метод має недолік, що
полягає в неможливості здійснення безперервної індикації.
.2.5 Індикація рівня з магнітною
передачею переміщення поплавця
Принцип магнітного зв'язку
заснований на тому, що в поплавці знаходиться кільцевий магніт, який взаємодіє
зі стрижневим магнітом. Поплавець цього приладу ковзає уздовж направляючої
трубки зовні, а стрижневий магніт - усередині трубки. Переміщення поплавця
(внутрішнього магніту) передається назовні за допомогою тросика або стрижня.
Передане таким механічним способом переміщення можливо перетворити в
електричний сигнал.
.2.6 Рівнеміри з індуктивними
датчиками
У більшості випадків переміщення
поплавця, обумовлене зміною рівня рідини, передається на індуктивний датчик.
Завдяки відсутності сальника та пов'язаного з цим тертя, досягається більш
точна індикація рівня, ніж це має місце при інших електромеханічних методах.
Для точних вимірювань необхідно встановлення механічних направляючих рухів
поплавця і феромагнітного сердечника індуктивного датчика.
1.2.7 Електромеханічний метод
вимірювань з застосуванням виска
Цей метод застосовують переважно при
вимірювані рівня заповнення сипучим матеріалом; однак його можна застосовувати
і для вимірювання рівня рідини. Принцип вимірювання заснований на використанні
звичайного виска, що опускається на тросику до зміни натягу тросика в момент
його торкання з поверхнею вимірюваного матеріалу. При вимірюванні рівня рідини,
в результаті дії підйомної сили, занурення виска змінює зусилля натягу. Для забезпечення
точності вимірювання необхідно враховувати вплив розтягування тросика внаслідок
впливу маси виску і частини змотаного з барабану тросика. Недолік цього методу
полягає насамперед у тому, що беззупинно контролювати зміни рівня неможливо, і
необхідне періодичне зондування в кожнім конкретному випадку.
1.3 Вимірювання
рівня на основі зміни опору при постійному і змінному струмі
.3.1 Ємнісний метод вимірювання
рівня
Звичайні механічні рівнеміри не
дозволяють робити безперервні вимірювання, коли об'єктом вимірювання є в’язкі,
зернисті або порошкоподібні матеріали. Ємнісний метод таку можливість дає. Тиск
або розрідження не грають тут основної ролі. Ємнісний метод застосовується для
вимірювання рівня:
порошкоподібних харчових продуктів,
зерна, прального порошку, піску, цементу, вапна і вугільного пилу в бункерах і
сховищах;
мазуту, палива, води, кислот,
в‘язких матеріалів у ємностях.
Ємнісні рівнеміри можна
використовувати як для сигналізації граничних значень, так і для безперервного
вимірювання. Точність вимірювання складає при наявності однорідних матеріалів
2-3%.
Даний метод непридатний, однак, для
вимірювання суміші рідини з твердими частками, що мають іншу діелектричну
проникність er,
тому що вона повинна залишатися постійною. Метод не можна також застосовувати в
умовах коливання вологості та зміни співвідношення компонентів суміші.
Цей метод передбачає вимірювання
ємності в залежності від рівня наповнення. Конденсатор утворюється стінкою
резервуара і щупом, зануреним у його вміст. Ємність конденсатора знаходиться в
діапазоні пікофарад, що обумовлює необхідність застосування напруги високої
частоти. Вимірювання ємності здійснюється, як правило, за допомогою резонансних
схем або мостів змінного струму із самозрівноважуванням. Верхня частина конденсатора
заповнена повітрям, нижня - сипучим матеріалом або рідиною. Ємність
конденсатора змінюється в залежності від підвищення або зниження рівня
заповнення та дорівнює сумі ємностей двох ділянок, а саме зануреної ділянки і
ділянки, що знаходиться в повітряному середовищі (er
= 1), де виникають два паралельно включених конденсатори С1 і С2,
ємності яких сумуються.
Для більш точного вимірювання
застосовуються відповідні типи конструкції, ізоляції і розміщення ємнісного
зонда. При цьому необхідно враховувати наступні фактори: ізоляцію зонда, форму
резервуара, тиск у резервуарі, температуру матеріалу заповнення, його
зернистість, абразивність, хімічну агресивність, утворення конденсату, піни і
в'язкість матеріалу заповнення.
.3.2 Метод вимірювання на основі
провідності (кондуктометричний метод)
Сфера застосування методу обмежена
винятково контролем граничних значень рівня і виміром рівня заповнення
провідними рідинами. Отже, сипучі або грузько текучі матеріали вимірювати
зазначеним методом не можливо. Для вимірювання рівня необхідна наявність
визначеної мінімальної провідності, яка дозволить одержати сигнал достатнього
рівня. Цей метод вимірювання застосовують головним чином для вимірювання рівня
в цистернах, баках і парових котлах.
Принцип цього методу вимірювання
заснований на зміні сили струму. При порожньому резервуарі опір між двома
електродами нескінченно великий, а при зануренні кінців електродів у провідне
середовище опір зменшується відповідно до величини провідності.
Недолік методу полягає в тому, що
він обмежений виміром рівня електропровідних рідин.
.4 Гідростатичний та пневматичний
методи
Обидва методи придатні для
вимірювання рівня будь-яких рідин. При виборі матеріалу трубки,
використовуваної для виміру тиску, необхідно враховувати хімічні властивості
рідини. Гідростатичний і пневматичний методи індикації рівня відрізняються тим,
що при гідростатичному методі використовується безпосереднє тиск, який
створюється рідиною на дно судини, тоді як при пневматичному методі в резервуар
повинно примусово подаватися повітря або захисний газ. Зазначені методи
застосовують у промисловості для виміру рівня рідини в парових котлах,
перегінних кубах, реакторах і т.п.
Гідростатичний метод вимірювання
рівня рідини базується на вимірюванні гідростатичного тиску, що робиться
рідиною на дно резервуару і вимірюється у відкритих судинах за допомогою
звичайного або диференціального манометра. У резервуарах, що знаходяться під
тиском і представляють собою замкнуту ємність, рівень рідини можна вимірити
тільки за допомогою диференціального манометра.
При Пневматичному методі висоту
рівня рідини вимірюють, так названим способом, барботування газу. У рідину,
рівень якої слід вимірити, занурюють трубку, у яку через невеликий дросель
безупинно нагнітається стиснене повітря або інертний газ, наприклад азот.
Пневматичний тиск, що встановлюється в заглибленій трубці за дроселем
відповідає гідростатичному тискові над кінцем трубки і є мірою рівня заповнення
резервуара. Діаметр заглибленої трубки вибирають рівним 8 - 15 мм, керуючись, насамперед,
в'язкістю рідини, що не повинна перевищувати 60°Е. Матеріал заглибленої трубки
повинен бути обраний відповідно до хімічних і фізичних властивостей вимірюваної
рідини.
.5 Ультразвуковий метод
Ультразвук використовують для
вимірювання рівня як рідини, так і сипучих матеріалів. Спосіб непридатний лише
для вимірювання рівня рідини, що містить тверді частки, які можуть утворювати
відкладення на вібраторах і тим самим призвести до погрішностей вимірювання.
Такі хімічні і фізичні властивості рідини, як агресивність, щільність і
в'язкість, відіграють при цьому другорядну роль. Ультразвуковий метод
вимірювання рівня дозволяє здійснювати сигналізацію рівня сипучих матеріалів, а
також легких пластівчастих і утримуючих повітря матеріалів, наприклад: целюлози,
дрібнозернистих або порошкоподібних синтетичних матеріалів. Сфера застосування
цього методу поширюється також і на вимірювання рівня рідини в судинах з дерева
і пластику, де сам по собі точний і надійний ємнісний метод вимірювання, не
завжди придатний.
Для вимірювання рівня за допомогою
ультразвуку необхідна наявність випромінювача і приймача. Випромінювач посилає
ультразвукові імпульси, що представляють собою механічні коливання в діапазоні
частот від 20 кГц до декількох мегагерц. Чим вище частота, тим більш
прямолінійно поширюються ультразвукові коливання, поводження яких нагадує
світлові промені. У зв'язку з цим до них може застосовуватися відомий з оптики
закон відбиття і заломлення.
Існують два способи одержання
ультразвукових коливань: магнітострикційний та п'єзоелектричний.
Магнітострикційний вібратор працює
за принципом використання магнітострикційного ефекту. Феромагнітне тіло зазнає
деформації в магнітному полі, тобто скорочується або подовжується в напрямку
силових ліній магнітного поля. Це явище називається подовжньою
магнітострикцією.
В ультразвуковій вимірювальній
техніці усе ширше застосовують п'єзоелектричний ефект, як такий що дозволяє
досягти високих частот, що знаходяться в діапазоні мегагерц. Цей ефект
заснований на деформації відповідних кристалів, що відбувається при прикладанні
до визначених поверхонь кристала електричної напруги.
Час проходження або поглинання
променя ультразвуку може служити мірою рівня.
.6 Вимірювання рівня за допомогою
радіоактивних ізотопів
Вимірювання рівня за допомогою
радіоактивних ізотопів здійснюється там, де внаслідок наявності специфічних
умов, а саме: високого тиску, розрідженості, агресивності середовища не можна
використовувати звичайні прилади. Цей метод використовують для вимірювання
рівня заповнення резервуарів та бункерів у яких не можна встановити
вимірювальні щупи. Доцільно застосовувати радіоактивні ізотопи для вимірювання
рівня агресивних матеріалів, у резервуарах з дуже високими температурами, з
вбудованими мішалками, у бункерах з такими матеріалами, як вугілля або руда, у
шахтних печах, у ливарному виробництві і на металургійних заводах.
В основу вимірювання, за допомогою
штучних радіоактивних ізотопів, покладено принцип поглинання радіоактивного
випромінювання відповідним матеріалом, що міститься в резервуарі. Пучок g-променів,
випромінюваних радіоактивним джерелом, проникає через резервуар по прямій
лінії. На стінці резервуара, що лежить проти випромінювача, розташований
приймач, що перетворює прийняті промені в електричні імпульси.
Рис. 1.3 Найбільш розповсюджені
варіанти розташування випромінювачів
.7 Інші методи вимірювання рівня
.7.1 Термічний метод
При цьому методі використовують
термопари, дротові і напівпровідникові терморезистори. Метод не дозволяє
вимірювати рівень хімічно агресивних рідин, тому що вони призведуть до
ушкодження елементів вимірювальної системи.
Виконаний у виді сталевої водомірної
трубки дистанційний рівнемір встановлюють зовні котла і з'єднують з ним за
принципом сполучених сосудів. На зовнішній стінці сталевої трубки розміщені (на
різній висоті) паралельно включені термоелементи. Через те, що через постійну
конденсацію заповнена паром порожнина трубки нагрівається сильніше ніж частина
трубки, заповнена водою, зміна рівня води викликає більш сильне нагрівання
більшої або меншої кількості термоелементів. При цьому напруга, що знімається з
них за інших рівних умов, являє собою міру висоти заповнення котла. Принцип
вимірювання можна використовувати також і у випадку, коли рідина, що заповнює
резервуар, має температуру нижче температури навколишнього середовища. При
цьому в резервуарі монтують стрижень з електричним підігрівом, частина якого
розташована в рідкому середовищі, піддається сильному охолодженню. Для
резервуарів зі зрідженими газами, температура яких після швидкого добору
газоподібної речовини іноді різко падає, даний метод є непридатним. Крім того,
цей метод через термічну інерційність системи можна застосовувати тільки в
резервуарах, рівень заповнення яких змінюється не занадто швидко.
Даний метод можливо застосовувати
лише для виміру рівня рідин. Хоча термопари дозволяють одержувати відносні
величини, їх перевага є в тому, що вони не мають потреби в джерелах допоміжної
енергії. Терморезистори вимагають підведення енергії, тому, при їх використанні
може виникнути більше перешкод, а їх технічне обслуговування буде обходитися
дорожче.
.7.2 Вимірювання рівня за допомогою
динамометрів
Застосування динамометрів для
вимірювання рівня заповнення резервуарів будь-якого типу найбільш доцільніше в
наступних випадках:
при заповненні резервуарів
агресивними матеріалами для уникнення контакту матеріалу з датчиком;
при утворенні нерівностей у
резервуарах, що при інших методах приводять до похибок;
при вимірюванні і рівня в
змішувальних пристроях, де вимірювальні органи інших систем вимірювання
створюють перешкоди робочому процесові;
у випадках, коли необхідно зібрати
воєдино результати вимірювань декількох резервуарів, розташованих у різних
місцях.
Метод зручний також там, де
підвішування резервуара до динамометра або його установка на динамометр не
зв'язані з конструктивними труднощами. Він придатний, насамперед, для грубих
сипучих матеріалів. У принципі, при використанні цього методу, відбувається
зважування вмісту резервуара, на підставі чого можна зробити висновок про
обсяги його заповнення. Визначити рівень за допомогою тільки одного динамометра
можливо лише в тому випадку, якщо резервуар містить рідину. На рис. 1.4
схематично показаний резервуар з динамометром. Одна з опір спирається на гідравлічний
динамометр 1, з'єднаний системою трубок з манометром, градуйованим одиницями
маси або висотою рівня заповнення.
Рис. 1.4 Схема динамометричного
рівнеміра: 1 - динамометр; 2 - резервуар
При використанні двох динамометрів
утворення сумарної величини можна здійснити за допомогою одного манометра зі
здвоєним вимірювальним механізмом, у якому один механізм впливає на стрілку, а
інший обертає в протилежному напрямку циферблат манометру.
При використанні трьох динамометрів
підрахування суми величин варто робити електричним шляхом. Тут виявляється
особлива перевага, що полягає в можливості також електричним шляхом цілком
виключити силу ваги резервуара (тара). Стандартні динамометри розраховані на
навантаження від 100 кгс до 100 тс. Точність вимірювання при цьому дорівнює 1%
кінцевої відмітки шкали.
Якщо передбачається зсув центра ваги
резервуару, що може трапитися, насамперед, у випадку із сипучими матеріалами,
то для уникнення похибок вимірювання необхідно установити його на кілька
динамометрів. Динамометри варто розташовувати, згідно рис. 1.5, у точках опори
резервуара.
Насамперед необхідно звернути увагу
на те, щоб вимірюванню була піддана дійсна сила, яку чинить резервуар.
Практично це означає, що трубопроводи, які використовуються для заповнення або
спорожнювання резервуара, повинні мати гнучкий ввід, що не чинить і не зазнає
ніяких зусиль. Мішалки або вбудовані фільтри в момент вимірювання повинні бути
відділені від резервуару.
Рис. 1.5 Схема встановлення
динамометрів
Рівнеміри з динамометрами мають
переваги викликані тим, що в самому резервуарі немає жодного елемента,
необхідного для здійснення вимірювання. Цей метод застосовується для
вимірювання рівня агресивних матеріалів. Недолік методу міститися у тому, що
при невеликій висоті рівня точність вимірювання знижується, необхідно також
усунути силовий вплив трубопроводів, що підходять до резервуару.
.7.3 Вимірювання рівня за допомогою
мікрохвиль за принципом радара
Цей метод призначений для
безконтактного вимірювання відстані. На кришці резервуара монтуються
мікрохвильові передавач і приймач з рупорною антеною. Передавач випромінює
мікрохвилі на поверхню середовища, яка частково відбиває модульовані по частоті
електромагнітні хвилі. Відстань між антеною і поверхнею рідини виміряється за
принципом радара. Ця відстань визначається згідно висоти заповнення резервуара.
Звичайний діапазон вимірювання від
0,5м до 25м, похибка вимірювання ±2,5мм. Цей метод особливо придатний для вимірювання
рівня в’язких, забруднених (запилених), вибухонебезпечних і агресивних рідин.
1.7.4 Вимірювання рівня за допомогою
інтерферометричного методу
Зміну рівня заповнення резервуарів
можна визначати за допомогою інтерферометричного методу вимірювання відстані.
Для цього вимірюють відстань до поплавця або до поверхні рідини, що відбивають
лазерні промені.
При цьому як вимірювальний сигнал
приймають різницю фазових кутів між спрямованим і відбитим лазерним променем.
Вимірити зсув рефлектора можна також за допомогою лазерного інтерферометра з
лічильником.
Цим способом можна визначити рівень
заповнення рідиною з точністю до декількох мікрометрів.
.7.5 Вимірювання рівня за допомогою
тіла, яке витискається
Для вимірювання рівня часто
застосовують метод витіснення. Якщо тіло занурити в рідину, воно легшає на
величину, пропорційну масі витиснутої їм рідини.
Ця сила (F) для тіла у вигляді
стрижня з площею поперечного перерізу А та відповідною довжиною при його
зануренні в рідину на глибину h виражатиметься формулою:
де r - щільність
рідини; g - прискорення сили ваги.
Шляхом вибору відповідної
довжини тіла занурення, що визначає діапазон вимірювання, можна вимірити
зменшення його сили ваги, пропорційне обсягу витиснутої рідини, і перетворити
отриману величину в пневматичний або електричний сигнал.
2. ПРИЛАДИ ДЛЯ
ВИМІРЮВАННЯ ЗАПАСУ ПАЛИВА, ЯКІ ВИКОРИСТОВУЮТЬСЯ В АВІАЦІЇ
.1
Поплавкові паливоміри
Принцип дії поплавкових паливомірів
заснований на вимірюванні палива в баці за допомогою поплавця, що плаває на
поверхні палива. Рівень палива може бути виміряний безпосередньо механічними не
дистанційними паливомірами, а також дистанційно за допомогою спеціальної
гідравлічної передачі та покажчика гідравлічного поплавкового паливоміра.
Рис. 2.1 Датчик підсумовуючого
паливоміра СБЭ-09
- поплавець, 2 - коромисло, 3 -
основа; 4,7 - важелі; 5 - сильфон; 6-вісь; 8 - движок потенціометра; 9 -
потенціометр
Рис. 2.2 Принципова схема з'єднання
датчика паливоміра з покажчиком
Принцип дії електричних поплавкових
паливомірів заснований на перетворенні переміщення поплавця в зміну
електричного опору реостата (Рис. 2.1). При зміні рівня рідини в баці поплавець
1 через коромисло 2 і важелі 4 та 7 переміщує движок 8 по потенціометру 9. Для
герметизації внутрішнього простору бака застосований сильфон 5.
Датчик паливоміра включається в
мостову схему (рис. 2.2) таким чином, що одночасно змінюються два сусідніх
плеча моста. У такій схемі здійснюється повна температурна компенсація у всьому
діапазоні вимірювань. При цьому умова температурної компенсації має вигляд:
(2.1)
Рис. 2.3 Принципова схема
підсумовуючого паливоміра
Де
При вимірі сумарної кількості
палива в декількох баках уже не можна застосовувати схему з двома плечима, що
взаємно змінюються. Звичайне підсумовування кількості палива в різних баках
здійснюється реостатними датчиками R1, R2 і R3
(рис. 2.3), включеними в одне плече моста. В якості покажчиків у паливомірах
застосовуються логометри.
Паливні баки на літаку мають
неправильну форму, тому залежність
є нелінійною. Залежності
і
також у
загальному випадку нелінійні. Необхідний характер шкали приладу можна отримати
шляхом вибору залежності
, за рахунок
зміни форми полюсних наконечників або сердечника логометра.
Коли до одного покажчика з
заданою характеристикою шкали
підключаються різні датчики,
встановлені в баках різної форми, підгонка показника до датчика здійснюється
шляхом профілювання реостата датчика і підключення додаткових опорів.
На рис. 2.5, показаний
профільований реостат, у якому намотування 2 нанесене на каркас 1, вирізаний по
визначеному профілю. Застосування профільованих реостатів дозволяє зберегти
залежність
однаковою
для всіх баків.
Рис. 2.4 Графічний метод
розрахунку шкали паливоміра
Особливості будови
поплавкових паливомірів. Електричні поплавкові паливоміри з реостатним датчиком
відрізняються головним чином типом покажчиків. Ці паливоміри розділяють на
наступні групи:
) паливоміри з логометричним
покажчиком типу БЭ-09;
) паливоміри з логометричним
покажчиком типу БЭ-4М;
) паливоміри з логометричним
покажчиком типу ЛД-49.
Рис. 2.5 Профільований
реостат: 1-каркас; 2-намотування опору
Паливоміри типів БЭ-09 і БЭ-4М з
логометричними покажчиками застосовуються для вимірювання кількості палива в
окремих баках або групах баків і для вимірювання сумарної кількості палива.
Паливоміри типу ЛД-49 застосовуються для виміру кількості палива в окремих
баках або групах баків.
Так як на літаках встановлюються
баки різних форм і обсягів, є велике розмаїття паливомірів, що відрізняються
градуюванням і діапазонами виміру, наприклад, паливоміри БЭ-4М, КЭС-857,
ТЕС-1057А и т. п.
Так паливомір ЛД-49 з логометричним
покажчиком (до числа приладів цього типу відносяться паливоміри ТЕС-1057А,
ТЕС-1167, СТЭС-1147 і ін.) складається з двох датчиків поплавково-важелевого
типу й одного покажчика з двома логометричними механізмами. Прилад призначений
для вимірювання кількості палива в двох групах баків.
Принципова електрична схема
паливоміра ЛД-49 наведена на рис. 2.6. Схема має наступні параметри: Rк
75 ом, r1 = r2=150 ом, r3=150-250 ом, r4=
150-250 ом, R4= 55 ом, RД=180 ом. Опори r1, r2,
r3, r4, R і RД виконані з манганіну, а опори RK
і R4 - з міді.
Рис 2.6 Принципова схема паливоміра
ЛД-49
Покажчик паливоміра (рис. 2.7)
складається з двох логометрів із внутрішньо-рамковими магнітами й рамками що
обертаються, жорстко скріпленими під кутом 15°.
Магнітна система логометра
складається з постійного циліндричного магніту 2 і кільцевого магнітопроводу 8,
закріпленого на стійці 9. Рухлива система включає рамки 4, стрілку 5 і
противагу 7, закріплені на двох осях 10, що закінчуються кернами. Керни
спираються на підп'ятники.
Рамки переміщаються в зазорі між
магнітом і магнітопроводом. Необхідна нерівномірність поля у зазорі створюється
намагнічуванням постійного магніту згідно з відповідним законом.
Діапазон вимірювання по лівій шкалі
0-3500 л, по правій 0-4000 л.
Похибка вимірювання в межах нульової
оцінки не більш 2%, в іншій частині шкали - не більш 4%.
Рис 2.7 Конструкція покажчика
паливоміра ЛД-49: а - загальний вигляд, б - вузол покажчика;
- шкала, 2 - магніт, 3 - основа; 4 -
рамки, 5 - стрілка; 6 - розподіл шкали; 7 - противага, 8 - магнітопровід, 9 -
стійка; 10 - осі
Похибки електричних поплавкових
паливомірів.
Похибки електричних поплавкових
паливомірів складаються з:
) похибок, що виникають при
наявності подовжніх і поперечних кренів літака;
) похибок, викликаних прискореннями
літака;
) похибок, викликаних відхиленням у
розмірах баків і їх установці у порівнянні з вихідними даними, прийнятими при
таруванні та розрахунку;
) температурних похибок, що
виникають внаслідок зміни електричних опорів магнітопроводів при зміні
температури навколишнього середовища;
) похибок, викликаних зміною напруги
джерела живлення.
Інші похибки паливоміра є загальними
для всіх приладів
Перші три типи похибок відносяться
до методичних, а інші - до інструментальних похибок.
Методичні похибки в поплавкових
паливомірах не компенсуються.
Температурні інструментальні похибки
паливомірів компенсуються підбором параметрів схеми. При аналізі схем вже було
показано, що повна компенсація температурних похибок можлива лише в паливомірі
з взаємо замінливими плічми. У підсумовуючих паливомірах повна компенсація
можлива тільки при двох значеннях температури, що відповідають двом пунктам
шкали. В інших пунктах шкали похибки будуть відмінні від нуля, хоча їх значення
будуть лежати в припустимих межах. У цілому інструментальні похибки поплавкових
паливомірів можна звести до 2-3%.
.2
Ємнісні паливоміри
Принцип дії ємнісного паливоміра
ґрунтується на залежності величини ємності спеціального конденсатора від рівня
палива в баці.
Рис 2.8 Схема чуттєвого елемента
ємнісного паливоміра
- внутрішній електрод, 2 - зовнішній
електрод, 3 - ізоляційний шар
Чуттєвий елемент ємнісного
паливоміра (рис. 2.8) являє собою циліндричний конденсатор із внутрішнім
електродом 1, зовнішнім 2 і ізоляційним шаром 3. Між ізоляційним шаром і
зовнішнім електродом знаходиться шар рідини (паливо, кислота), рівень якої
необхідно вимірити. Якщо рівень рідини в баці змінюється, то буде змінюватися і
ємність конденсатора внаслідок того, що діелектричні постійні рідини та повітря
різні.
У більшості випадків зовнішній
електрод циліндричного конденсатора повинен бути виконаний окремо, однак не
виключене використання у якості зовнішнього електроду стінок бака, особливо у
високих і вузьких баках. Це тим більше доцільно, що в такому випадку
конденсатор дозволяє вимірювати кількість палива в баці без помітних похибок
при досить значних кренах літака і прискореннях.
Ємнісні паливоміри застосовуються
для вимірювання кількості усіх видів палива, але виявляються майже незамінними
у випадку вимірювання кількості хімічно активних рідин, застосовуваних як
пальні компоненти в рідинно-реактивних двигунах.
Істотною перевагою ємнісних
паливомірів у порівнянні з поплавковими є відсутність у датчику рухливих
частин, крім того, у цих приладах похибки при кренах і прискореннях літака
нижчі, ніж у поплавкових.
Для висновку залежності між рівнем
палива в баці і ємністю датчика введемо наступні позначення (див. рис. 2.8): e1
e2,
e3
- діелектричні постійні рідини, матеріалу ізолятора і суміші парів рідини і
повітря відповідно; R1, R2, R3 - радіуси
внутрішнього електрода, ізолятора і зовнішнього електрода; х - рівень рідини; h
- повна висота датчика. Внаслідок наявності ізоляційного шару є можливість
вимірювати рівень напівпровідних (вода, кислота й ін.) рідин. У якості
ізолятора можна використовувати скло, гуму або інший матеріал в залежності від
природи рідини. При вимірі рівня непровідних рідин (гас, бензин) ізоляційний
шар не застосовують.
Ємність нижньої частини
циліндричного конденсатора буде дорівнювати:
(2.7)
Подібно цьому ємність
верхньої частини конденсатора розраховується співвідношенням:
(2.8)
Підсумовуючи ємності Сх
і Сh, отримаємо повну ємність конденсатора:
(2.9)
З цього вираження слідує, що
ємність конденсатора є лінійною функцією рівня рідини х. Таким чином,
вимірювання рівня рідини можна звести до вимірювання ємності конденсатора С.
Чутливість ємнісного датчика
визначається вираженням:
(2.10)
Найбільша чутливість буде в
тому випадку, коли R2/R1®1, тобто
коли шар ізоляції відсутній. При цьому отримаємо:
(2.11)
Так як діелектрична постійна
напівпровідних рідин значно більша, ніж непровідних, то зміна ємності на
одиницю довжини в першому випадку буде більше, ніж у другому. Звідси слідує, що
ємнісний метод виміру рівня особливо ефективний для напівпровідних рідин.
З вираження (2.11) слідує, що
для збільшення чутливості величину R3/R2 немає
необхідності брати великою. Якщо величина R3-R2 мала, то
на точність показань приладу значний вплив буде чинити в'язкість рідини. Отже,
шар рідини між електродами повинен бути таким, щоб в'язкість не чинила впливу
на рівень рідини. Як правило, обмежуються зазором R3-R2=1,5-6
мм, а для збільшення чутливості датчик збирають з декількох концентричних труб,
що утворюють паралельно з'єднані конденсатори.
Ємнісний паливомір, як
правило, включає власне вимірювач кількості палива в баках літального апарата
та автомат програмних витрат, що здійснює керування витратою палива з баків у
такій послідовності, при якій зберігається центрування літального апарата.
Ємнісні паливоміри являють собою системи вимірювання, контролю й керування.
Вони виконують наступні
функції:
вимірювання кількості палива
в окремих групах баків і сумарної кількості палива на літальному апараті;
програмне керування
виробленням палива;
керування заправленням
паливом літального апарата;
сигналізація про залишок
палива на відповідну тривалість польоту;
сигналізація щодо
несправності роботи автоматики.
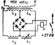
Рис. 2.9 Принципова схема
вимірювальної частини системи сумуючого електричного паливоміра з сигналізацією
(СЕПС)
Рис. 2.10 Принципова схема
автоматичної частини системи СЕПС
Принципова схема
вимірювальної частини системи являє собою самобалансуючий міст (рис. 2.9),
утворений ємностями С1 і Сx (Сx - ємність
датчика) і опорами R1, R2, R3, r1 r2
і R. Міст живиться напругою 115 В, 400 Гц. Напруга з вимірювальної діагоналі
подається на підсилювач, а потім на двигун типу ДИД-0,5, що через редуктор
переміщає стрілку приладу у відповідності із зміною ємності Сx
датчика і приводить схему у рівноважне положення шляхом зміни опору R.
Принципова схема автоматичної
частини системи в якості основного елементу включає міст (рис. 2.10), що
складається з індуктивностей L1 і L2 (L1-індуктивність
датчика) і двох частин вторинної обмотки трансформатора Тр. Якір індуктивного
датчика зв'язаний з поплавцем, що плаває на поверхні палива в баці. Коли рівень
палива досягає відповідного значення (наприклад, мінімального критичного
запасу), якір входить у магнітопровід, індуктивність L1 датчика
різко міняється, міст розбалансується і на його вимірювальній діагоналі
з'являється напруга. Ця напруга випрямляється і подається на реле Р, що в
залежності від призначення включає електродвигуни насосів, що підкачують (у
системах керування порядком витрати палива з баків або включення кранів
заправлення паливних баків) або замикають ланцюги сигнальних ламп (у системі
сигналізації).
Рис. 2.11 Паливомір СЕПС
-370А:
- датчики: 2 - двострілковий
покажчик: 3 - блоки виміру; 4 - блок автоматики; 5 - перемикачі дистанційні; 6
- галетний перемикач
У комплект однієї з систем
типу СЕПС входять (рис. 2.11):
ємнісно-індуктивні датчики 1
- 6 шт.
двострілковий покажчик 2 - 1
шт.
блоки виміру 3 - 2 шт.
блок автоматики 4 - 1 шт.
дистанційні перемикачі 5 - 2
шт.
галетний перемикач 6- 1 шт.
Вага комплекту складає
порядку 20,750 кг. Споживана потужність по перемінному струмі 120 ВА,
постійному струмові - 25 Вт.
На рис. 2.12 наведена
принципова електрична схема вимірювальної частини паливоміра.
Рис. 2.12 Принципова електрична
схема вимірювальної частини і блоку автоматики (нижня частина) паливоміра
У цій схемі міст складається з двох
пліч, утворених резисторами, і двох пліч, утворених конденсаторами.
Одне плече складається з резисторів
R1 і r2 (при вимірюванні кількості палива в групах баків)
або R1 і r1 (при сумарному вимірі). Друге плече
складається з резисторів R2, R3, R і r3 (при
вимірювані кількості палива в групах баків) або R2 R3, R
і r4 (при сумарному вимірюванні).
Третє плече складається з
конденсатора С1 (при вимірі кількості палива в групі баків) і
конденсатора С2 (при сумарному вимірі).
Рис. 2.13 Датчик паливоміра:
- кришка; 2 - панель; 3 - циліндр; 4
- індуктивний датчик; 5 - поплавець з якорем; 6 - направляюча трубка
При вимірюванні кількості палива в
групі баків в якості четвертого плеча підключаються ємності датчиків цієї
групи, а при сумарному вимірі підключаються ємності датчиків усіх груп одного
двигуна.
Для регулювання схеми при нульовому
і максимальному показаннях приладу застосовуються реостати r2 (нуль
груп), r3 (максимум груп), r1 (нуль суми) і r4
(максимум суми).
Для переключення з контролю суми на
контроль груп застосовується реле Р1 з контактами КР1.
Реле Р2 з контактами КР2 служить для підключення до схеми
градуюючих ємностей замість ємностей датчиків.
Датчик паливоміра (рис. 2.13) являє
собою набір коаксиально розташованих профільованих і не профільованих циліндрів
3, що утворюють конденсатор. Крім того, він включає котушку індуктивного
датчика 4, поплавець з якорем 5 і направляючу трубку 6. Крім такого
комбінованого датчика, у комплект приладу входять також датчики без індуктивних
сигналізаторів.
Підсилювач приладу (див. рис. 2.12)
складається з трьох каскадів посилення (два каскади - підсилювачі напруги і
третій каскад - підсилювач потужності) і зібраний на подвійних тріодах Л1
(641П-В) і Л2 (6Н2П-В). Аноди ламп Л1 і Л2
живляться напругою 145 В від випрямувача Д1 (кремнієвий діод Д205). Напруга з вихідного
каскаду посилення надходить через трансформатор Тр2 на керуючу обмотку
двофазного індукційного двигуна типу ДИД-0,5. На обмотку збудження цього
двигуна напруга безпосередньо від мережі подається через конденсатор, що
забезпечує необхідне зрушення фаз між напругою в керуючій обмотці й в обмотці
збудження.
Покажчик (рис. 2.14) являє собою дві
самостійні системи, змонтовані в одному корпусі.
паливомір авіація датчик
похибка
Рис. 2.14. Кінематична схема
приладу, що показує 1 - двигун ДИД-0,5; 2 - сельсин-приймач; 3 - редуктор; 4 -
штифт; 5 - обмежувач; 6 - вісь редуктора; 7 - оправа; 8 - дільник напруги; 9 -
повзунок дільника напруги; 10 - струмопідвід, 11 - стрілки; 12 - кнопки
Кожна із систем вмикає двигун ДИД-0,5,
редуктор з передатним відношенням i=500, дільник напруги R = 260 ом з повзунком
і стрілки (дві стрілки - лівого Л и правого П авіадвигунів).
Прилад має дві шкали: зовнішню і
внутрішню. По зовнішній шкалі відраховується сумарний запас палива, а по внутрішній
- запас палива в групі. Ціна поділки - 100 кг.
Автоматичне керування порядком
витрати палива і заправленням літаків з декількома двигунами, а також
сигналізацією залишків палива здійснюється за допомогою блоку автоматики, схема
якого показана на рис. 2.12. При визначеному рівні палива в баці сердечник
сигналізатора входить у котушку L; (або L1'), що викликає різку
зміну її індуктивності, що призводить до розбалансування моста. Напруга з
вимірювальної діагоналі випрямляється і подається на обмотку реле.
Спрацьовування реле призводить до подачі сигналів на включення або відключення
паливних насосів тих або інших груп баків, зміни режимів роботи насосів,
наприклад, переключення з номінального режиму на форсований, включення
перекачувальних насосів, а також ламп сигналізації.
Сигналізатори, що являють собою
датчики блоків автоматів заправлення, видають сигнали на закривання заправних
кранів у міру заповнення баків паливом і досягнення ними рівня спрацьовування
індуктивних датчиків.
Похибки ємнісних паливомірів. Для
аналізу методичних похибок ємнісних паливомірів розглянемо залежності ємності
датчика С від обсягу V (при градуюванні в об'ємних одиницях) і від ваги G (при
градуюванні у вагових одиницях) палива. Крім того, ємність залежить від кутів
крену g і тангажу u,
від прискорення j і діелектричної постійної палива e1
тобто:
(2.12)
(2.13)
де r - щільність
палива.
Покази ємнісних паливомірів
правильні лише в режимі горизонтального рівномірного польоту. Зміни кутів
, g і
прискорення j призводять до методичних похибок. Для зменшення цих похибок
датчик варто встановлювати в центрі бака або розміщувати кілька датчиків по
краях бака.
Зміни сорту палива призводять
до змін діелектричної сталої e1, що може
викликати методичну похибку, що доходить до 5%. Цю похибку можна врахувати,
маючи характеристики палива.
При градуюванні паливомірів у
одиницях об'єму виникає методична похибка, обумовлена зміною діелектричної сталої
e1 зі
зміною температури палива:
(2.14)
де a -
температурний коефіцієнт діелектричної сталої. Користуючись тим, що:
(2.15)
одержимо
(2.16)
Звідси випливає, що
температурна похибка пропорційна a.
Методична температурна
похибка при ваговому градуюванні обумовлена температурною залежністю величин e1 і r, тобто
і
.
Тоді:
(2.17)
де a1 -
температурний коефіцієнт щільності палива.
Якщо зневажити розширенням
бака при зміні температури, то зміна щільності обумовлюється зміною об’єму,
тобто
. Отже,
. При цьому
вираз (2.17) прийме вид:
(2.18)
Оскільки
і
, то
методична температурна похибка при ваговому градуюванні менше, ніж при
об'ємному градуюванні.
Інструментальні похибки
ємнісних паливомірів унаслідок застосування нульових методів виміру малі і ними
можна зневажити.
3. РОЗРОБКА
СТРУКТУРНОЇ СХЕМИ ПАЛИВОМІРА НЕ ЧУТТЄВОГО ДО СОРТУ ПАЛИВА
Задача дипломного
проекту - зменшити похибку від зміни діелектричної проникності палива.
Для компенсації
таких похибок використовують компенсаційні методи. Найбільш поширений з таких
методів - це використання компенсаційних датчиків, котрі повинні бути
розташовані весь час у рідині, наприклад, в нижній частині бака.
Для вирішення
поставленої задачі, в роботі запропонована конструкція паливоміра,
інваріантного до зміни сорту палива (діелектричної проникності). Цей паливомір
містить первинний перетворювач з двома датчиками. В якості датчиків
використовуватимуться ємнісні перетворювачі з різними законами зміни ємності
від рівня палива в баці.
Паливомір
складатиметься з (дивись рис.
3.1.):
1. Вимірювального
блоку (a);
2. Датчиків -
ємнісних перетворювачів різної форми(b,c)
Рис. 3.1
Пристрій працює
наступним чином. Як показано на рис. 3.1, обидва датчики b,
c занурені в паливо.
Рівень по довжині датчиків розподіляється на два середовища із різною
діелектричною проникністю, якими можуть бути повітря і керосин з діелектричними
проникностями відповідно e1
= 2, e2
= 1. Для того щоб вимірювання були незалежними від зміни сорту палива
(діелектричної проникності), датчики повинні мати різні закони зміни ємності
від рівня палива. Це досягається завдяки використанню датчиків різних форм,
плоско-прямокутного (рис. 3.2) і плоско-трикутного ємнісних датчиків (рис.
3.3).
Рис. 3.2 Схема
прямокутної частини паливо міра
Рис. 3.3 Схема трикутної частини
паливоміра
Залежність ємності
від рівня палива для плоского ємнісного датчика обчислюється за формулою:
(3.1)
де СОП - ємність
прямокутного датчика, заповненого повітрям;
e1, e2 -
діелектричні проникності середовищ;
lП -
ширина обкладинок;
dП -
відстань між обкладинками;
h1 -
рівень середовища (палива).
Залежність ємності від рівня
палива для конічно-плоского датчика розраховується як
(3.2)
де СOT -
ємність трикутного датчика, заповненого повітрям;
e1, e2 -
діелектричні проникності середовищ;
lT -
основа трикутника;
hT -
повний рівень датчика;
dT -
відстань між обкладинками;
h1 -
рівень середовища (палива).
Зважаючи на те, що в виразах
(3.1.) і (3.2.) різниця e1 - e2=сопst,
запишемо формулу знаходження рівня середовища (палива) h1,
інваріантну до зміни сорту палива (діелектричної проникності):
(3.3)
У вимірювальному пристрої (a)
виконується вимірювання ємності обох датчиків і знаходження по формулі (3.3.)
значення рівня палива вільного від похибки зміни сорту палива (діелектричної
проникності).
Задача оцінки похибки
паливоміра визначається залежністю:
(3.4)
де
-
константа, складена з конструктивних характеристик обох датчиків.
Формула для відносної похибки
рівня палива:
(3.5)
Ця похибка має такі складові:
перша складова -
інструментальна
, що
зменшується завдяки таруванню і сягає 1... 2%;
друга складова
- похибка
вимірювання ємності прямокутного датчика в процесі експлуатації та при
таруванні, що сягає 1... 3%;
третя складова
- похибка
вимірювання ємності трикутного датчика в процесі експлуатації та при таруванні,
що також сягає 1... 3%.
Треба порівняти цю
похибку з похибкою поодинокого ємнісного датчика:
(3.6)
Формули (3.5.) та (3.6.)
відрізняються третьою складовою. Для поодинокого датчика - ця складова,
обумовлена зміною сорту палива, для нового датчика - це похибка вимірювання
ємності. Складова обумовлена сортом палива, що досягає 20%, замінюється в
новому датчику на типову відому складову вимірювання ємності, що досягає 1...
3%.
Таким чином, всі три складові
похибки нового датчика відомі, разом сягають 1... 5%, і досить невеликі в
порівнянні зі складовою від сорту палива.
Для цього методу є своя
специфічна похибка, обумовлена різницею в рівнях палива датчиків рис 3.1 та рис
3.2 (рис. 3.4).
Рис. 3.4 Різниця в рівнях
палива частин паливоміра
Ця похибка може бути
компенсована завдяки комплексуванню різних методів вимірювання, наприклад,
використанню кількох датчиків, розташованих в протилежних частинах бака. Також
цю задачу можливо вирішити за допомогою одного датчика, але для цього потрібно
його розташувати в центрі мас паливного бака.
Недоліком цього паливоміра є гірші показники точності при коливаннях палива в
баці.
Широке розповсюдження в
авіаційній техніці знайшов метод коригування результатів завдяки використанню
інформації про нахил літака. По заданому закону через ці показники уточнюються
результати вимірювання залишку кількості палива.
Існує умова, при якій
допустимо впроваджувати новий датчик. Діелектричні проникності палива та
повітря повинні бути досить різними.
Спрощена функціональна електрична
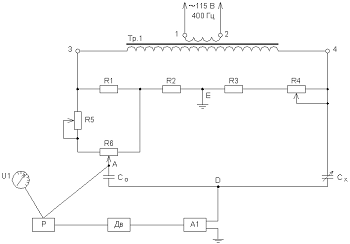
схема вимірювального моста паливоміра який проектується наведена на рис 3.5.
Живлення вимірювального моста
здійснюється від вторинної обмотки 3-4 трансформатора, на первинну обмотку 1-2
якого подається змінна напруга 115В, 400 Гц. Вимірювальний міст складається з
двох плечей, представлених активними опорами у виді резисторів R4
і R1 (одне плече) і
резисторів R6,
R5, R2,
R3 (друге плече), та
з двох плечей, представлених ємнісними опорами (конденсатора Сo
- третє плече та двох датчиків різної форми Сх - четверте плече).
Ємність Сo
дорівнює початковій ємності датчиків (сухого).
Рис 3.5 Спрощена функціональна
електрична схема вимірювального моста паливоміра
Коли міст знаходиться в рівновазі,
різниця потенціалів його вершин Е та D дорівнює нулю. Як тільки ємність
датчиків зміниться внаслідок зміни рівня палива в баці, потенціал вершини D
щодо вершини Е зміниться, і різниця потенціалів між вершинами Е та D буде
прикладена до входу підсилювача. З виходу підсилювача напруга надходить на
керуючі обмотки двигуна, ротор якого, обертаючись, приводить повзунок резистора
R6 у таке положення,
при якому різниця потенціалів між вершинами Е і D знову стає рівною нулю.
Разом із повзунком резистора R6
переміщується стрілка показового приладу, що жорстко скріплена з повзунком.
При початковому значенні ємності
датчиків Сх=Со міст реостату R4
відрегульований таким чином, що його рівновага настає тоді, коли повзунок
резистора R6
знаходиться в одному з крайніх положень, а стрілка приладу, що показує, на
нульовій відмітці шкали.
При зміні електричної ємності
датчика до значення Сх=2Со (що відповідає бакам, повністю
заправленим паливом) міст резистору R6
регулюється так, щоб його рівновага наступала тоді, коли повзунок резистора R5
буде знаходитися в іншому крайньому положенні, а стрілка приладу, на відмітці
шкали, що відповідає залитій кількості палива. При наявності визначеного запасу
палива в баках стрілка приладу, що показує, зупиниться на відповідній відмітці
шкали, відградуйованій у вагових одиницях (кг).
Формула, яку обчислює прилад при
вимірюванні запасу палива, має вигляд:
де:
- показання
паливоміра в кг;
- коефіцієнт пропорційності між
ємністю датчика і кількістю палива в баці;
- рівень палива в баці;
- діелектрична проникненість
палива;
- внутрішній діаметр зовнішньої
труби;
- зовнішній діаметр внутрішньої
труби.
Перевагою схеми, що
застосовується можна вважати малі методичні похибки через зміну напруги і
частоту джерела живлення, а також нечутливість до зміни сортів палива.
4. ВИБІР І
РОЗРАХУНОК ЕЛЕМЕНТІВ ПАЛИВОМІРА
.1 Розрахунок ємнісного паливного
датчика
Двохелектродний датчик
паливоміра.
В кожному баці розміщено декілька
ємнісних вимірювальних датчика.
Усі датчики мають однакову
конструкцію і відрізняються довжиною, що дорівнює висоті бака в тому місці, де
розміщений датчик (рис 4.1, рис 4.2).
У відповідності з завданням
розрахунок виконаний для одного датчика, розташованого в баці.
По
такій же методиці розраховуються характеристики інших датчиків, що
відрізняються лише довжиною.
Сучасні вимірювальні схеми
забезпечують високу чутливість, тому для спрощення конструкції датчика він
обраний малою початковою ємністю. Такі датчики мають меншу масу.
Рис 4.1
Рис 4.2
Електрична ємність двотрубного
датчика з паливом визначається по формулі:
де e0 -
абсолютна діелектрична проникність вакууму (e0 =
8,85-2 пф/см);
eВ -
відносна діелектрична проникність повітря (eВ=
1);- висота бака, см;- рівень палива в баці і в датчику, см;- внутрішній
діаметр зовнішньої труби;- зовнішній діаметр внутрішньої труби;
eТ-
відносна діелектрична проникність палива (eТ » 2).
Визначимо конструктивні параметри ємнісного
первинного вимірювального перетворювача. В якості конструкції ємнісного
перетворювача приймемо трубчаті електроди. Зазор між трубчатими електродами
приймається (4
6) мм. Це
зменшує капілярне явище на положення меніска в міжелектродному просторі.
Погонні ємності таких вимірювальних
перетворювачів складають
пф/м.
Приймемо середнє значення
пф/м.
Таким чином:
(4.1)
де
Ф/м -
абсолютна діелектрична проникність,
e - відносна діелектрична
проникність,
l0 - довжина електродів
перетворювача (l0 = 1 м),- радіус зовнішнього електрода, м,- радіус
внутрішнього електрода, м.
Визначимо розміри трубчатих
електродів. Із формули (4.1) отримаємо
або
Беручи до уваги те, що R=r+
отримаємо
.
Звідки
.
Перетворивши отримане
співвідношення отримаємо
Беручи до уваги, що D=5´10-3
м, та підставивши числові значення параметрів, отримаємо
де eТ
- відносна діелектрична проникність палива (eТ
= 2,06).
Приймаємо r =5×10
-3.
Значення радіусу зовнішнього
електрода знайдемо як=r+
. R=5+5=10
мм.
Отже, діаметр внутрішнього
електрода дорівнює
= 2r = 10 мм.
Діаметр зовнішнього електрода дорівнює
=2R=20 мм.
В якості екрана приймаємо трубчатий електрод
діаметром
e=20+2×5=30
мм.
Його довжина визначається довжиною ємнісного
перетворювача.
Ємність датчика без палива при h=0
пФ0=86 пФ
позначивши
формулу
(4.1) можна представити:
або, після нескладних
перетворень:
звідки по відомих виміряних
значеннях CT, C0, eT,
визначається висота палива в баці:
.2 Оцінка похибки датчика
Абсолютна додаткова похибка
ємнісного датчика в загальному вигляді визначається виразом:
де
і
ємності
датчика при поточних і нормальних значеннях параметрів навколишнього
середовища.
Без обліку можливого і
припустимого розкиду розмірів деталей при виготовленні і зборці ємнісних
датчиків їх поточна електрична ємність залежить, головним чином, від
температури q
навколишнього середовища. Поточна ємність двохтрубного датчика як функція
вимірювання висоти h рівня палива і збільшення температури середовища ∆q має вигляд:
де VH - поточний
обсяг палива при нормальній температурі м3;H - приведена
площа бака, що відповідає поточній висоті рівня палива при нормальних умовах м2;
eTH - відносна
діелектрична проникність палива при нормальній температурі;
bT -
температурний коефіцієнт об'ємного розширення палива, 1/к;
be - температурний коефіцієнт
зміни діелектричної проникності палива, 1/к;
aД -
температурний коефіцієнт лінійного розширення матеріалу датчика, 1/к;
aБ -
температурний коефіцієнт лінійного розширення матеріалу бака,
Dq=q -
збільшення температури, К (або °С);
НН- висота бака
(або датчика) у нормальних умовах, м.
- постійний коефіцієнт.
Інші позначення відповідають
(4.1)
Відповідно ємність датчика Сн
при нормальних умовах
З огляду на, те, що
- висота
рівня палива в баці при нормальній температурі і що в першому наближенні
поточна висота рівня:
Оцінку похибки датчика при
даній висоті H
знаходять по формулі:
(4.2)
Похибка датчика буде мати
максимальне значення при повному баці і залежатиме від температури палива.
Оцінка цієї похибки виконана за наступних чисельних значень коефіцієнтів:
bТ = 9.2·10-4
be = -6·10-4
eТН = 2
aД = 0.22·10-4
aБ = 0.22·10-4
Коефіцієнт А для
розрахованого датчика
пФ/м
А=165 пФ/м
Граничні значення похибки
будуть на границях діапазону робочих температур датчика паливоміра:
При q = -60°С
(213К), коли, ∆q=80
К, зміна ємності датчика:
DС=165×0.52(-80)(1+9.2×10-4(-80)×(-6×10-4)+0.22×10-4)=9.1
DС = пФ
При q = 50°С
(323К), коли, ∆q=30
К, зміна ємності датчика:
DС=165×0.52×30(1+9.2×10-4×30×2(-6×10-4)+0.22×10-4)=-2.92
DС = -3пФ
Ємність датчика цілком
заповненого паливом:
пФ
СТ=172 пФ
Відносна похибка датчика:

Так як похибка датчика
найбільш істотно впливає на повну похибку паливоміра, то без її компенсації
неможливо забезпечити необхідну точність паливоміра.
Якщо у (4.2)
формулу підставити дійсне значення, що відповідає робочим умовам, то (4.2)
можна привести до виду (нехтуючи членами вищого порядку малості):
.3 Розрахунок надійності
вимірювальної схеми паливоміра
Вихідними даними для
розрахунку надійності є передбачувані характеристики, робочі режими й умови
експлуатації виробу. Метою прогнозування надійності є створення конструкції
паливоміра, що як найкраще задовольняла б надійності. При дипломному
проектуванні немає можливості оцінити надійність усього паливоміра, тому
оцінюється надійність тільки вимірювальної системи.
При розрахунку приймають, що
відмова системи викликається відмовою одного елемента, хоча в загальному
випадку відмова системи може настати у результаті відмовлення ряду елементів.
Оцінка причин відмови систем
без обліку взаємозв'язків між елементами, і взаємного впливу, є недостатньо
об'єктивною, однак, вона дозволяє вважати, що відмова є незалежною подією. У
цьому випадку, функція надійності системи, що складається з "n"
елементів, які мають ймовірності безвідмовної роботи Рі,
розраховується по наступній формулі:
де
Інтенсивність відмов системи
визначається
як сума інтенсивностей відмов усіх її елементів.
Інтенсивності відмов
елементів прийняті постійними в часі, і в цьому випадку середній час безвідмовної
роботи схеми:
У нашому випадку середній
термін служби системи дорівнює середньому часу наробітку на відмову, тому що
час відмови виробу підкоряється експонентному закону, тому що відмова
будь-якого елемента вимірювальної схеми приведе до відмови всього каналу.
Елементи працюють безупинно від моменту включення, тоді схема з точки зору
розрахунку надійності буде являти собою послідовний ланцюг. Для того, щоб
врахувати вплив на надійність схеми експлуатаційних факторів сумарна
інтенсивність відмов елементів має визначатися з урахуванням цих факторів по
формулі:
де
- коефіцієнт
впливу вологості;
- коефіцієнт впливу механічних
впливів;
- коефіцієнт впливу розрідженості
навколишнього середовища;
Відповідно для авіаційної
бортової апаратури дані коефіцієнти мають наступні значення:
= 2,50;
= 1,65;
= 1,35.
Вихідні дані для розрахунку
показників надійності вимірювання схеми паливоміра наведені в табл. 4.1
З урахуванням впливу
експлуатаційних факторів:
Середній час безвідмовної
роботи
годин
Таблиця
4.1
Розрахунок надійності вимірювальної
системи
|
Найменування елементів
|
Кількість елементів Інтенсивність
відмов.
|
|
|
|
Резистори постійні
|
3
|
0.01
|
0.03
|
|
Резистори змінні
|
5
|
0.6
|
3
|
|
Конденсатори
|
2
|
0.05
|
0.1
|
|
Роз’єми
|
2
|
0.3
|
0.6
|
|
Пайки
|
200
|
0.001
|
0.2
|
Ймовірність безвідмовної роботи
за час Т=300 годин:
За час Т=600годин:
За час Т=900годин:
За час Т=1200годин:
За час Т=1500годин:
.4 Розрахунок джерела
живлення
Трансформатори малопотужних
джерел живлення, що використовуються для живлення електронної апаратури,
являють собою електромагнітні пристрої, які складаються з феромагнітного
сердечника (магнітопровода) і обмоток.
При підвищених частотах (400
Гц і вище) використовують сталі марок Е44, Е45, Е46, S47, Е48, Е340 і Е70 з
товщиною пластин або стрічки 0,2; 0,15; 0,1; 0,08 і 0,05 мм.
По конструктивному виконанню
сердечники трансформаторів підрозділяються на три основних типи;
стрижневі,;броньові і тороїдальні. В залежності від конструкції сердечника, і
трансформатори підрозділяються на три зазначених вище типи.
Конструктивні особливості
малопотужних силових трансформаторів ілюструє рис. 4.3.
Рис. 4.3 -
Конструкція трансформаторів: а, б - пластинчасті стрижневий і броньовий; в, г -
стрічкові стрижневий і броньовий; д - тороїдальні
Основні переваги стрижневого
трансформатора: велика поверхня охолодження обмотки; мала індуктивність
розсіювання; малі витрати обмотувального проводу, мала чутливість до зовнішніх
магнітних полів.
Для розрахунку силового
трансформатора необхідні наступні вихідні дані: напруга мережі U1=115В;
частота струму живильної мережі fс=400 Гц; потужності S2=10
В × A,
S3=15 В ×
A і т.п.
В результаті розрахунку
потрібно визначити: оптимальні геометричні розміри магнітопровода; дані обмоток
(число витків, марки і діаметри проводів) параметри трансформатора (струм
холостого ходу; напруга короткого замикання зміна вторинної напруги; втрати і
ККД; температуру перегріву і робочу температуру обмоток). Крім того, на основі
розрахунку необхідно скласти електричну схему трансформатора (або
автотрансформатора) із указівкою всіх обмоток (див., наприклад, (рис.4.4).
Рис. 4.4 -
Зразкові електричні схеми трансформаторів:
а - однофазного
двохобмоткового;
б - однофазного
трьохобмоткового;
в - автотрансформатора
4.5 Порядок
розрахунку малопотужного силового трансформатора (однофазного
двохобмоткового).
Визначаємо сумарну потужність
вторинних обмоток для однофазного двохобмоткового трансформатора:
STP=S2+S3+…(4.3)ТР=10+15=25
В×А
де STР - сумарна
потужність, В × A;2, S3
і т.д. - потужності вторинних обмоток, В ×
A;
Відповідно до приведеного вище
рекомендаціями вибираємо конфігурацію магнітопровода, марку стали, товщину
пластин або стрічки з урахуванням заданої частоти струму живильної мережі.
Знаходимо основний розрахунковий
параметр трансформатора - добуток QCQO:
(4.4)
де Qc і Qo
- площа поперечного переріза стрижня магнітопровода ( см2);
- ККД трансформатора;ТР
- потужність трансформатора, В×А;С - частота струму
живильної мережі, Гц;
Вm - амплітуда
магнітної індукції, Тл;- щільність струму в обмотках, А/мм2;M і kC -
коефіцієнти заповнення міддю вікна сердечника і сталлю площі поперечного переріза
стрижня магнітопровода.
CQO=2.99
см2
Визначаємо амплітуду
магнітної індукції Вm,
- ККД трансформатора і щільність
струму в обмотках j. Вm=1,1;
=0,91; j=5,25;
Знаходимо коефіцієнт
заповнення міддю вікна сердечника k. Цей коефіцієнт залежить від діаметра
проводу обмоток і потужності трансформатора. kM=0,19; kC=0,9;
Значення коефіцієнта
заповнення сталлю перетину сердечника визначаємо в залежності від товщини
сталевих аркушів або стрічки.
Використовуючи оптимальні
співвідношення розмірів для трансформаторів, визначимо ширину стрижня:
(4.5)=c/a; y=b/a; z=h/a.
мм
Визначаємо втрати в сталі:
(4.6)
де
- питомі
втрати (Bт/кг),
що залежать від марки стали, товщини пластин або стрічки, магнітної індукції і
частоти мережі (рис.4.5);CT
- маса стали магнітопровода, кг (визначається з таблиць, для заданого типу
магнітопровода).
Рис. 4.5 -
Експериментальні криві залежності питомих втрат у сталі від магнітної індукції
при частоті 400 Гц для сталі Е340 при товщині пластин 0,15 мм
Знаходимо струм холостого
ходу. Для цього необхідно:
а) визначити активну
складового струму холостого ходу, споживаного трансформатором на покриття втрат
у сталі (виражається у відсотках від номінального струму):
(4.7)
б) обчислити реактивну
складового струму холостого ходу, виражену у відсотках від номінального струму:
(4.8)
в) знайти струм холостого
ходу, виражений у відсотках від номінального:
(4.9)
Визначаємо значення струму
первинної обмотки:
(4.10)
Абсолютне значення струму
холостого ходу дорівнює:
(4.11)
Знаходимо струми в обмотках
трансформатора:
(4.12)
де i - номер обмотки
трансформатора;i - потужність відповідної обмотки, В×A;i
- напруга обмотки, В.
Поперечні переріз проводів
обмоток (мм2) визначаємо по формулах:
(4.13)
де I1, I2,
I3 і т.д.- струми у відповідних обмотках, А;- щільність струму А/мм2.
Дійсна щільність струму в
обмотках складає:
(4.14)
Середня щільність струму для
трансформатора, що містить n обмоток, дорівнює:
(4.15)=5.25 А/мм2
Знаходимо амплітуду магнітного
потоку в магнітопроводі трансформатора Ф:
(4.16)
де Qc.а - активний
перетин магнітопровода, см2.
Число витків кожної обмотки
визначаємо по формулі:
(4.17)

де i - номер обмотки (i = 1,
2, 3,...); Ei - ЕРС відповідні обмотки.
При роботі трансформатора під
навантаженням на опорах його обмоток відбувається спадання напруги. Тому для
обчислення ЕРС обмоток необхідно скористатися формулою:
(4.18)

де Ui - напруга на
відповідній обмотці;
- процентне спадання напруги на
ній.
Складаємо ескіз розміщення
обмоток (рис.
4.6) Обмотки трансформатора укладають на каркасі з ізоляційного матеріалу.
Каркас складається з гільзи, що представляє собою трубку прямокутного,
квадратного або круглого перетину. На кінцях, гільзи зміцнюються бічні щоки
Звичайно гільза і бічні щоки мають однакову товщину. Ближче до стрижня
магнітопровода розташовують первинну обмотку (товщиною
), а потім
вторинну (товщиною
). Після
намотування кожного ряду укладається межшарова
ізоляція, у якості якої застосовується конденсаторний, кабельний або телефонний
папір товщиною 0,01 мм при діаметрі проводу обмотки менш 0,1 мм, товщиною 0,05
мм при діаметрі проводу (0,1...0,5) мм і товщиною 0,12 мм при діаметрі проводу
більш 0,5 мм.
Рис. 4.6 -
Розміщення обмоток на магнітопроводі
Для визначення висоти обмотки
використовуємо формулу:
(4.19)
де H -
висота вікна магнітопровода, мм;
- товщина бічної щоки каркаса;
- ширина зазору між щокою каркаса і
магнитопроводом, мм
Знаходимо число витків в
одному шарі кожної обмотки Ni:
(4.20)

де di - діаметр
проводу даної обмотки з ізоляцією, мм;y - коефіцієнт, що враховує не
щільність намотування (звичайно приймають ky = 1,1...1,15).
Визначаємо число рядів
(шарів) кожної обмотки:
,(4.21)

де Wi - число
витків обмотки, що розраховується, для броньового трансформатора.
Знаходимо масу міді кожної
обмотки, кг:
,(4.22)

де i - номер обмотки; Wi
- число витків обмотки; gi - маса одного метра проводу, м; li
- середня довжина витка обмотки, м.
Для визначення середньої
довжини витків обмоток використовується формула
м,(4.23)

де
,(4.24)

Маса міді всіх обмоток, кг:
(4.25)
Втрати в міді кожної обмотки
при температурі проводу (100...105)
складають:
0,00089(4.26)

де ji - щільність
струму в i-й обмотці, А/мм2; GMi - маса цієї обмотки, кг.
Сумарні втрати в міді всіх обмоток:
(4.27)MO = 0.001985
Визначаємо коефіцієнт корисної дії
трансформатора:
(4.28)
де
- корисна
потужність у навантаженні трансформатора (автотрансформатора), Вт.
Знаходимо активний опір
кожної обмотки трансформатора по формулі:
(4.29)

- питомий опір мідного проводу;
=0.023410-61
- поперечний переріз проводу обмотки, що розраховується, мм2.
Знаходимо повний активний
опір короткого замикання, приведений до первинної обмотки для двох
обмотувального трансформатора:
(4.30)
Визначаємо активну складову
напруги короткого замикання, %:
(4.31)
Визначаємо температуру
перегріву обмоток щодо навколишнього середовища по формулі:
(4.32)
де
-
коефіцієнт тепловіддачі трансформатора (звичайно приймають
= (11...13)
Bт/м2
×
°С); QK - поверхня охолодження обмотки, м2; Qc
- поверхня охолодження магнітопровода, м2.
Знаходимо робочу температуру
обмоток:
(4.33)
де tокр -
температура навколишнього середовища. Знайдене значення Тр не
повинне перевищувати гранично припустиму величину, на яку розрахована ізоляція
застосовуваного проводу. Наприклад, для проводу ПЕЛ гранично припустима
температура дорівнює 105
а для ПЕВ-2
у залежності від класу й ізоляції - 120 і 130
.
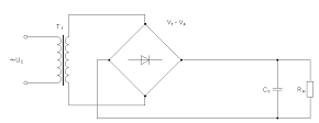
.6 Розрахунок схеми
випрямлювача
Для живлення сучасної
електронної апаратури найбільше часто застосовуються випрямлювачі перемінного
струму, що працюють у режимі двохполуперіодного випрямлення і схеми з
подвоєнням або множенням випрямленої напруги рис. (4.7). На виході таких
випрямлювачів включаються фільтри, які згладжують пульсації вихідної напруги.
Рис. 4.7 Мостова схема
випрямлювача
Для підвищення випрямленої
напруги на навантаженні при заданій напрузі на вторинній обмотці трансформатора
або при відсутності силового трансформатора з необхідним коефіцієнтом
трансформації застосовують схеми випрямлення з подвоєнням або множенням
напруги. Такі схеми дозволяють одержати випрямлену напругу порядку 1000 В и
вище.
Випрямлювачі з ємнісною
реакцією навантаження (з ємнісним фільтром) застосовуються в джерелах
електроживлення малої потужності і струмом, що не перевищує звичайно 1 А.
Основними вихідними даними для розрахунку є: номінальна випрямлена напруга U0=115В;
максимальний і мінімальний струми навантаження Iоmax=1 А;
Iоmin=0,03; вихідна потужність Ро=Uol0;
номінальна напруга мережі U1=1 В, частота мережі fс=400
Гц.
У результаті розрахунку
потрібно визначити тип і параметри вентилів, режим роботи схеми (струми,
напруги, ККД), ємність і тип конденсатора, що навантажує випрямлювач (перший
елемент фільтра).
Користуючись таблицею
основних параметрів випрямних схем, що працюють на ємнісне навантаження,
визначаємо орієнтовані значення параметрів вентилів Uoбp; Inp.ср;
Iпр, а також габаритну потужність трансформатора Sтр.
Для орієнтованого визначення
цих параметрів варто задатися значеннями допоміжних коефіцієнтів В и D. Для
мостової схеми B = 0,95...1,1; D=2,1..2.2. Амплітуду зворотної напруги на
вентилі визначають за максимальним значенням випрямленої напруги, де
=0,08
(4.34 )
В
Знаходимо опір вентиля в
прямому напрямку
(4.35 )
В
Ом
де Uпр - спадання
напруги на вентилі в прямому напрямку.
Визначаємо активний опір
обмоток трансформатора
( 4.36)
Ом
де kr -
коефіцієнт, що залежить від схеми випрямлення: для мостової схеми kr
= 3,5; Вт - амплітуда магнітної індукції в магнітопроводі трансформатора, Тл; s
- число стрижнів трансформатора, Uобр - амплітуда зворотної напруги
на вентилі; Іпр.ср - середній випрямлений струм; I1 і I2
- діючі значення струму первинної і вторинної обмоток трансформатора; S -
повна потужність первинної обмотки трансформатора; fп - частота
пульсації випрямленої напруги; r - активний опір фази випрямлювача.
Знаходимо індуктивність
розсіювання обмоток трансформатора
[Гн], (4.37)
Гн
де k - коефіцієнт, що
залежить від схеми випрямлення: для мостової схеми = 5 × 10-3;
р - число секцій обмоток, що чергуються: якщо вторинна обмотка намотується
після первинної (або навпаки), р = 2; якщо первинна обмотка намотується між
половинами вторинної обмотки (або навпаки), р = 3.
Визначаємо кут φ, що
характеризує співвідношення між індуктивним і активним опорами фази
випрямлювача,
(4.38)
(r - активний опір фази
випрямлювача). У загальному випадку
( 4.39)
Ом
(nв - кількість
послідовна включених і одночасно працюючих вентилів: для мостової схеми nв
= 2).
Далі знаходимо розрахунковий
коефіцієнт
(4.40 )
де m - число фаз
випрямлювача: для мостової схеми m=2.
За знайденим значенням А та
кута φ
визначаємо
допоміжні коефіцієнти В, D, F і H
Знаючи коефіцієнти В, D і F,
знаходимо необхідні параметри трансформатора і вентиля: U2, I2,
S2, I1, S1, Uобp, Iпр.ср,
Iпр, Iпрт. За уточненим значенням Uобр, Iпр.ср
і, Iпр відповідно до формул перевіряємо правильність вибору
вентилів.
Величину ємності, що
навантажує випрямлювач (перший елемент фільтра), знаходимо по формулі:
(4.41)
де H - допоміжний коефіцієнт;
r - активний опір фази випрямлювача, Ом; Кп - заданий коефіцієнт
пульсації випрямленої напруги, %; С - ємність, мкФ.
Будуємо навантажувальну
(зовнішню) характеристику випрямлювача, тобто залежність випрямленої напруги
від струму навантаження: U0 = f (I0). За допомогою цієї
характеристики можна визначити відхилення випрямленої напруги Uo від
заданого значення при різних струмах навантаження, у тому числі напруга
холостого ходу (UОхх - ток короткого замикання Iок.з і
внутрішній опір випрямлювача r0.) Для побудови навантажувальної
характеристики необхідно:
а) скористатися допоміжним
графіком (рис
4.8.), на
якому по осі абсцис відкладені значення коефіцієнта γo,
який розраховується по формулі
(4.42)
а по осі ординат значення
, де θ -
кут
відсічення струму;
б)вибрати криву, що
відповідає розрахованому раніше кутові φ;
в)перемножити ординати, в
результаті одержимо графік навантажувальної характеристики випрямлювача Uo
= f (I0). Зразковий вид навантажувальної характеристики показаний на
рис. 4.8
Рис 4.8 Зразковий вид
навантажувальної характеристики випрямлювача
Напруга холостого ходу випрямлювача
дорівнює:
(4.43)
Струм короткого замикання
дорівнює:
(4.44)
А
Внутрішній опір випрямлювача
знаходимо по формулі:
Визначаємо ККД випрямлювача
(4.46)
де РТр - втрати
потужності в трансформаторі; Рв - втрати потужності на вентилях.
Для визначення РТр використовується
формула
(4.47)
тут ηтр -
ККД трансформатора.
Для мостового випрямлювача
виберемо
випрямляючий
діод
типа
Д244A, з
параметрами:
Максимальний прямий струм, А10
Максимальна допустима
напруга, В50
Постійна напруга, В1,0
Інтервал робочих температур 0С
-60 +120
5. ТЕХНІЧНІ ВИМОГИ
ДО ПАЛИВОМІРА
5.1 Вимоги, що
визначають показники якості й експлуатаційні характеристики
5.1.1 Паливомір
призначений для вимірювання запасу палива на борту літального апарата і
повинний задовольняти наступним технічним вимогам:
кількість паливних баків - не більш
8;
кількість датчиків у кожному баці -
не більш 4.
5.1.2 По захищеності
від впливу навколишнього середовища блоки повинні відповідати тропічному
виконанню категорії I за ДСТ 20397-82.
.1.3 Обмін інформацією між
пристроями паливоміра має здійснюватися через інтерфейс І41 (MULTIBUS).
5.1.4 У паливомірі
повинно забезпечуватися відображення інформації на екрані дисплея і цифровому
індикаторному табло.
5.1.5
Електроживлення паливоміра повинно здійснюватися від бортової мережі 27В
постійного струму.
5.1.6 Паливомір
повинен працювати в робочому або тестовому режимах. У робочому режимі паливомір
повинен виконувати наступні функції:
вимірювання і цифрове відображення
запасу палива в кожному баці;
вимірювання і цифрове відображення
повного запасу палива;
цифрове керування і відображення
попередньо обраної послідовності заправлення палива в кожен бак;
керування кранами заправлення
паливом на автоматичне закінчення заправлення кожного бака або на попередньо
визначений повний обсяг;
виведення даних про щільність і
ємність датчиків окремого бака на інтерфейсну шину для забезпечення пошуку й
усунення несправностей у датчику всередині бака і зв'язаної з ними проводки;
- виведення інформації про несправні
компоненти (блоки) вимірювальної системи.
5.1.7 У тестовому
режимі повинні виконуватися наступні функції:
автоматичний прогін тестових програм
перевірки працездатності паливоміра;
виведення повідомлень про перевірку
і результати виконання тестових програм на екран дисплея.
.2 Вимоги до конструктивного
пристрою
5.2.1 У комплект
паливоміра повинні входити наступні блоки пристрою:
датчики для вимірювання кількості
палива;
датчики компенсаційні;
датчики щільності палива;
блок центрального процесора;
блок індикації;
пульт контролю і керування;
блок живлення
5.2.2 Конструктивно
блоки паливоміра повинні бути виконані з урахуванням вимог до конструкції
авіаційних приладів.
5.2.3 По
ергономічним вимогам блоки і пристрої паливоміра повинні відповідати ДСТ
12.2.032-78 і ДСТ 24750-81.
.2.4 Конструкція блоків паливоміра
повинна забезпечувати зручність експлуатації, доступ до всіх змінних і
регульованих елементів і можливість ремонту.
.2.5 Однотипні блоки і пристрої, що
входять у комплект паливоміра повинні бути взаємозамінними і при заміні не
вимагати власного підстроювання і підстроювання інших блоків і пристроїв,
зв'язаних з ними, якщо це не передбачено технічною документацією.
5.2.6
Конструкторська, експлуатаційна і програмна документація повинна відповідати
вимогам стандартів ЕСКД, ЕСПД.
.3 Метрологічні характеристики
5.3.1 Межа основної
похибки вимірювання запасу палива - ±0,5 % від обмірюваного значення
5.3.2 Межа
додаткової похибки вимірювання в робочих умовах - ±0,5%.
5.3.3 Повний час
повного циклу вимірювання (для всіх датчиків) - не більш 10 с.
.4 Вимоги до надійності
5.4.1 Паливомір
повинен бути ремонтопридатним і відноситися до відновлювальної групи виробів.
Закон розподілу часу безвідмовної роботи і часу відновлення паливоміра -
експоненціальний.
5.4.2 Показники
надійності встановлюються для робочих умов експлуатації.
5.4.3 Показники
надійності паливоміра повинні мати наступні значення:
5.4.3.1 Середній
наробіток до відмови (Т0) за умови проведення технічного
обслуговування паливоміра повинен бути не менш 1000 г.
Відмовою паливоміра варто вважати
порушення працездатності, що робить неможливим його використання по
призначенню, як описано в п.5.1.6
цього розділу, і таким, що потребує втручання інженерно-технічного персоналу
для його відновлення.
5.4.3.2 Середній
наробіток до збою (Тс) паливоміра повинен бути не менш 1010 біт
обробленої інформації.
Збоєм варто вважати короткочасне
порушення працездатності паливоміра, що не потребує втручання
інженерно-технічного персоналу для його усунення і не перешкоджає нормальному
використанню паливоміра.
5.4.3.3 Середній
термін служби - не менш 10 років.
5.5 Вимоги безпеки
Конструкція паливоміра повинна
забезпечувати безпеку персоналу при монтажі, експлуатації і ремонті. Загальні
вимоги електричної і протипожежної безпеки за ДСТ 12.2.007-75 ДСТ 12.2.003-74.
.6 Вимоги до захисту від перешкод
5.6.1 Паливомір
повинен бути працездатним при плавному стрибкоподібному відхиленні напруги в
мережі електроживлення на ±20% від номінального значення.
5.6.2 Паливомір
повинен бути захищений від перешкод по мережі живлення. На працездатність
паливоміра не повинне впливати включення і відключення електроживлення
агрегатів паливної системи ЛА та інших видів авіаційного устаткування
5.6.3 Рівень
радіоперешкод, що створює паливомір не повинен перевищувати значень,
встановлених ДСТ 20397-82
.7 Вимоги до забезпечення контролю
метрологічних характеристик
5.7.1 Контроль
метрологічних характеристик паливоміра здійснюється на етапі виготовлення - для
перевірки якості виготовлення, і на етапі експлуатації - для перевірки
відповідності метрологічних характеристик необхідним значенням
5.7.2 Перевірка
паливоміра повинна проводитися комплексно
.7.3 Схеми з'єднань, алгоритми
визначення метрологічних характеристик вимірювальних блоків і вимоги до
метрологічної атестації програмного забезпечення повинні бути приведені в
відповідній технічній документації по перевірці і метрологічній атестації.
.7.4 При перевірці повинні
використовуватися вбудовані зразкові засоби і зразкові джерела сигналів, що
входять до складу паливоміра.
5.7.5 При проведенні
перевірки паливоміра повинні виконуватися наступні етапи:
перевірка стану і комплектності
технічної документації
зовнішній огляд блоків паливоміра;
визначення метрологічних
характеристик;
обробка результатів вимірювання і
оформлення результатів перевірки.
5.8 Вимоги до умов
застосування
5.8.1 Паливомір
повинен зберігати працездатний стан при наступних умовах:
температура навколишнього середовища
від - 50°С до 60°С;
відносна вологість повітря від 40 до
100 %
атмосферний тиск від 40 до 107 кПа
(від 300 до 800 мм рт.ст.),
.8.3 По стійкості до механічних
впливів паливомір повинен бути виготовлений підвищеної механічної міцності, що
витримував би дію вібрації в частотному діапазоні від 10 до 300 Гц із
прискоренням до 5g.
5.8.4 По стійкості
до впливу зовнішніх кліматичних факторів блоки паливоміра повинні відповідати
категорії I за ДСТ 20397-82.
.8.5 Стійкість до механічних і
кліматичних впливів комплектуючих виробів електронної техніки і електротехніки
повинні відповідати ДСТ 16962-71.
.8.6 Експлуатація паливоміра повинна
провадитись персоналом, що пройшов спеціальну підготовку і має посвідчення на
право експлуатації виробів авіаційної техніки.
6. ОХОРОНА ПРАЦІ
В цьому розділі розглядаються
питання, пов’язані зі створенням безпечних та здорових умов праці на всіх
етапах обробки статистичної інформації. В охороні праці надається перевага
інженерним методам забезпечення безпеки праці. Разом з ними важливе місце
займають правові та організаційні методи поліпшення умов праці.
Охорона праці на підприємстві
цивільної авіації може бути на високому рівні тільки тоді, коли ретельно
виконуються трудове законодавство, накази, вказівки, норми та правила,
розроблені в інтересах збереження здоров’я працівників. Важливе значення мають
при цьому активні дії адміністрації з організації виконання вимог охорони
праці, а також трудова та виробнича дисципліна самих працівників. Інженерна
охорона праці включає в себе питання виробничої санітарії, інженерної безпеки
та пожежної профілактики. Виробнича санітарія об’єднує задачі забезпечення
сприятливого стану повітряного середовища на робочих місцях, їх освітлення,
вентиляції приміщень, допустимих рівнів випромінювання, шуму, ультразвуку,
вібрації.
Задачі інженерної безпеки спрямовані
на попередження нещасних випадків на виробництві. Вони вирішуються на всіх
етапах створення та експлуатації авіаційної техніки. Охорона праці, вирішуючи
свою основну задачу, що складається зі створення безпечних та здорових умов
праці авіаційних спеціалістів, в значній мірі сприяє збільшенню рівня безпеки
польотів - однієї з актуальних проблем цивільної авіації.
6.1 Перелік небезпечних і шкідливих виробничих
факторів при технічному обслуговуванні паливоміра
Запропонований паливомір підвищеної
точності буде розміщений на літаку. Наземне технічна експлуатація
здійснюватиметься на борту літака. У зв'язку з цим можливі роботи з монтажу і
демонтажу в умовах недостатньої освітленості, що може привести до помилок при
технічній експлуатації і травмам об виступаючі частини ЛА. Усі роботи повинні проводитися
при закритих паливних баках, щоб не викликати отруєння людей.
Відповідно ДО ДСТ 12.0.003-74
небезпечні і шкідливі виробничі фактори підрозділяються по природі дії на
наступні групи:
фізичні;
хімічні;
біологічні;
психофізіологічні.
При технічній експлуатації
паливоміра особливо потрібно виділити такі фізичні небезпечні і шкідливі
виробничі фактори:
підвищена загазованість повітря
робочої зони, пов’язана з наявністю залишок пального всередині паливомірів при
їх обслуговуванні і ремонті, яка в деяких випадках може призвести до отруєння
дихальних шляхів, наслідком яких є запаморочення, почуття втоми, головний біль.
- недостатня штучна
освітленість робочої зони, яка пов’язана з наявністю непрацюючих або взагалі
відсутніх ламп, запилення плафонів а також заміною з часом ламп з
характеристиками які не відповідають встановленим в даних приміщеннях.
Призводить до передчасної втоми, погіршує зір, знижує уважність працівника
гострі крайки, задирки та жорсткості, що можуть лишитися на поверхнях
інструментів та устаткування внаслідок технологічної недоробки. Можливість
травми при наявності гострих крайків обладнання, при великій кількості
досліджуваних приладів на незначній площі платформи динамічного стенда.
6.2 Технічні заходи, які виключають
або обмежують вплив небезпечних і шкідливих виробничих факторів при технічному
обслуговуванні паливоміра:
На запропонований у даному проекті
паливомір поширюються:
Всі правила техніки безпеки при
роботі з силовою установкою літака. З метою безпеки і збереження здоров'я
обслуговуючого персоналу в дипломному проекті передбачено, що виконання
монтажних робіт у ланцюгах, що знаходяться під напругою, неприпустимо.
Установлені автомати захисту мережі
і плавких запобіжників. Живлення паливоміра здійснюється від мережі постійного
струму, напругою 27В.
Для поліпшення освітлення робочого
місця вжити такі заходи: при наявності вікон слідкувати за їх чистотою
(прозорістю) звертати увагу чи немає за вікнами насаджень і інших перешкод для
потрапляння світла в приміщення. Слідкувати за наявністю всіх світильників,
відповідності їх необхідним нормам, чистоті плафонів.
Для зменшення впливу загазованості
повітря слідкувати за повним видаленням пального з паливоміра. Слідкувати за
справним станом вентиляційних систем.
Для зменшення ймовірності
травматизму внаслідок чіпляння об нерівні крайки перш за все слід користуватися
захисним спец одягом (передбаченим для даного виду робіт), бути уважним і не
надто поспішати.
6.2.1 Розрахунок
штучної освітленості в приміщенні, де проводяться роботи з паливоміром
Зробимо розрахунок штучного
освітлення методом коефіцієнта використання світлового потоку, призначеного для
розрахунку загального рівномірного освітлення горизонтальних поверхонь:
де
- світловий
потік лампи у світильнику, лм;
- мінімальне освітлення,
лк;коефіцієнт запасу;число світильників;коефіцієнт нерівномірності освітлення,
z = 1,2;
h - коефіцієнт використання
світлового потоку;площа приміщення, м2.
Коефіцієнт використання
світлового потоку h
визначаємо через індекс помешкання
і оцінюємо коефіцієнти відбитку
поверхонь помешкання.
Індекс помешкання визначаємо
по формулі:
де А - довжина помешкання, А
= 10 м;
В- ширина помешкання, В = 6
м;
- розрахункова висота підвісу
світильника над роб. поверхнею,
= 2м.
Оберемо коефіцієнти відбитку
стелі:
%, стін
%, робочої поверхні
%
Мінімальна освітленість
= 300 лк.
Кількість ламп n =12. Коефіцієнт нерівномірності освітлення дорівнює z = 1,2.
Рис. 1 Знаходження коефіцієнту
використання світлового потоку
За графіком бачимо, що h
= 0,83%.
Визначимо світловий потік однієї
лампи у помешканні, де встановлюється прилад:
По світловому потоку
, за
таблицею, для напруги 220В обираємо лампу накалювання типу “Гс” потужністю
зі
світловим потоком
.
Обчислимо сумарну потужність
всієї установки освітлення:
У даному випадку
використовується 12 ламп накалювання типу Гс.
6.3 Пожежна і
вибухонебезпечна безпека в робочій зоні
Розглянуті в цьому підрозділі
заходи розроблені згідно вимог ДСТ 12.1.004-91 по запобіганню пожежі та
пожежного захисту, а також заходи згідно вимог ГОСТ 12.1.010-76 по запобіганню
та захисту від вибухів. Пожежна та вибухова безпека - це стан об’єкту, при
якому виключається виникнення пожежі і вибуху, а у випадку появи запобігається
дія на людей небезпечних факторів пожежі і вибуху, а також забезпечується
захист і збереження матеріальних цінностей. При роботі з паливоміром причинами
виникнення пожежі можуть бути:
перевантаження і несправність
електричних пристроїв (невірно вибраний переріз дротів електромереж і невірний
підбір електроприладів, світильників, несправність у електромережі,
електроприладах, відсутність або несправність заземлення );
можливість іскріння від
поганого контакту між електричними з’єднаннями;
необережне поводження з
вогнем (куріння, використання відкритого вогню, залишені без нагляду
електропобутові прилади, електрообігрівачі).
.3.1 Організаційні та
технічні заходи щодо підвищення пожежної і вибухонебезпечної безпеки в
лабораторії
У приміщеннях лабораторій
встановлено надійні засоби попереднього оповіщення небезпеки виникнення пожежі.
Для цього на стелі лабораторії встановлюється декілька датчиків пожежної
сигналізації.
Профілактику пожеж, вибухів
та загорянь слід проводити за рахунок посилення контролю і підвищення вимог до
виконання правил пожежної безпеки.
Виправити ці причини можна
також шляхом підвищення контролю за чітким виконанням правил упорядкування
електроприладів під час монтажу електроустаткування і правильної його експлуатації.
.4 Інструкція з техніки
безпеки, пожежної та вибухової техніки
Заходи, що здійснюються у
випадку виникнення пожежі в лабораторії.
У разі виявлення ознак
горіння (дим, запах гару) необхідно вимкнути апаратуру, знайти джерело займання
і вжити заходів щодо його ліквідації, повідомити керівника робіт. В разі
виникнення вогнища пожежі у лабораторії необхідно:
) відключити електричне
живлення (якщо джерелом загоряння став паливомір або інший електроприлад);
) в разі виникнення
невеликого вогнища пожежі, його необхідно локалізувати і приступити до гасіння
первинними засобами пожежегасіння.
В приміщенні повинні постійно
знаходитися вуглекислотні вогнегасники (ВВ-2) - з розрахунку 2 шт. на кожні 20
м²
площі
приміщення;
) при більш значній пожежі -
повідомити пожежну частину, вжити заходів щодо евакуації людей (робітники, що
працюють в лабораторії, мають бути ознайомлені з планом та порядком евакуації з
приміщення, який має бути повішеним на видному місці);
) при необхідності прийняти
міри по наданню першої медичної допомоги, викликати «швидку».
6.4.1 Загальні вимоги:
1) до роботи допускається
інженерно-технічний склад, що вивчив об’єкт, діючу інструкцію, а також склав
залік з технічної безпеки та пожежної безпеки;
) ремонт та наладку мають виконувати
спеціалісти. При цьому інструмент має бути справним, джерело живлення
відключеним;
) робоче місце або ділянка має бути
устаткована засобами захисту від пожежі вогнегасник типу ОУ або порошковий.
Слід пам’ятати, що при пожежі ПК забороняється використовувати воду для
гасіння.
.4.2 Спеціальні вимоги
Вимоги безпеки перед початком
роботи:
увімкнути систему кондиціонування
повітря в приміщенні;
перевірити надійність встановлення
апаратури на робочому столі,
оглянути загальний стан апаратури,
перевірити справність електропроводки, з’єднувальних шнурів, штепсельних вилок,
розеток, заземлення (чи занурення);
відрегулювати освітленість робочого
місця;
відрегулювати сидіння стільця;
ввімкнути апаратуру вимикачами на
корпусах;
при виявленні будь-яких
несправностей роботу не розпочинати, повідомити про це керівника.
.4.3 Вимоги безпеки під час
виконання роботи
Під час виконання роботи необхідно:
слідкувати, щоб на робочому місці не
було зайвих предметів, що відволікають увагу;
для зняття статичної електрики
рекомендується час від часу торкатися до металевих поверхонь та вмивати руки
теплою водою;
для зниження напруженості праці
необхідно рівномірно розподіляти і чергувати характер робіт відповідно до їх
складності;
з метою профілактики негативного
впливу на здоров’я ОКН виробничих факторів необхідно дотримуватися режимів
праці та відпочинку.
.4.4 Вимоги безпеки після закінчення
роботи
Після закінчення роботи необхідно:
вимкнути живлення і розімкнути
необхідні штепсельні з’єднання;
прибрати робоче місце;
вимкнути кондиціонер, освітлення і
загальне електроспоживання приладу;
в спеціально обладнаному приміщенні
провести сеанс психофізіологічного розвантаження і зняття втоми з виконанням
спеціальних вправ автогенного характеру.
при раптовому припиненні подавання
електроенергії, вимкнути живлення і розімкнути необхідні штепсельні з’єднання.
6.4.5 Вимоги безпеки в аварійних
ситуаціях
при виявленні ознак горіння (дим,
запах гару), вимкнути апаратуру, знайти джерело займання і вжити заходів щодо
його ліквідації, повідомити керівника робіт;
у випадку ураження електричним
струмом: відключити електричне живлення, прийняти необхідні міри по наданню
першої медичної допомоги;
в лабораторії робітники мають бути
ознайомлені з планом та порядком евакуації з приміщення, що має бути повішеним
на видному місці;
у разі виникнення пожежі негайно
повідомити пожежну частину, вжити заходів щодо евакуації людей і приступити до
гасіння первинними засобами пожежегасіння: в приміщенні постійно повинні
знаходитися вуглекислотні вогнегасники (ВВ-2) - з розрахунку 2 шт. на кожні 20
м² площі приміщення з
урахуванням гранично допустимих концентрацій вогненосної речовини.
7. ОХОРОНА НАВКОЛИШНЬОГО СЕРЕДОВИЩА
Головна мета охорони навколишнього
природного середовища при авіатранспортних перевезеннях полягає в підтримці
балансу між наслідками, які супроводжують авіатранспортні процеси та факторами,
які забезпечують самовідновлення середовища. Все це досягається державною та
галузевою системами контролю і управління спектром виробничої, транспортної,
інтелектуальної та соціальної діяльності відносно реалізації екологічних
проблем на авіаційному транспорті.
Діяльність цивільної авіації
викликає шкідливу дію на навколишнє середовище, викликаючи при цьому
забруднення атмосфери, ґрунту та водоймищ.
Найбільш важливою причиною
інтенсифікації зусиль у вивченні особливостей взаємодії авіаційного транспорту
на навколишнє природне середовище є виявлення та накопичування достовірної
інформації про його вклад у загальне забруднення навколишнього природного
середовища, як локальне, так і глобальне. В цілому рівень забруднення перевищує
припустимі нормативні значення, що обумовлює завдавання шкоди навколишньому
природному середовищу, а також здоров'ю та самопочуттю людей. Дана проблема
висвітлюється у контексті політики, що реалізується Європейською Економічною
Спільнотою стосовно охорони навколишнього природного середовища з акцентами на
екологічну стандартизацію та експертизу.
Впровадження інтегрованої системи
попередження забруднення стосується в першу чергу видів діяльності, які відмічені
в Доповнені 1 до директиви 96/61/ЕЕС, і проектів, які стосуються статті 4
директиви 85/337/ЕЕС (Про оцінку впливу окремих суспільних і приватних проектів
на навколишнє середовище). До них відноситься будівництво автомагістралей,
експрес-магістралей і ліній дальніх залізничних перевезень, а також аеропортів
з основною злітною смугою довжиною 2100 м 1 більше. Пропозиція для розглядання
нових директивних значень показників якості атмосферного повітря для двоокису
сірки, двоокису азоту, підвищених частинок і свинцю вже прийняла Європейська
Економічна Спільнота. Це є початком ряду змін, які впроваджуються в
відповідності до директиви 96/62/ЕЕС. Їх головна ціль - забезпечити високий
рівень захисту здоров'я населення в країнах Європейської Економічної Спільноти.
Нові значення базуються на виправлених керованих принципах забезпечення якості
повітря для Європи, які прийняті Всесвітньою Організацією Охорони Здоров’я в
1996р. Країни Європейської Економічної Спільноти являються відповідальними за
дію даних директив, проведення оцінки якості навколишнього середовища,
забезпечення точності виміру, аналіз методів результатів оцінки, гарантії
якості повітря.
Щоб досягти цих цілей, значення
емісії двоокису сірки і двоокису азоту у країнах Європейської Економічної Спільноти
повинні бути зменшені приблизно на 10% в доповнення до зниження, яке вже
очікується до 2010 року.
Руйнування озону у верхніх шарах
атмосфери обумовлено викидами забруднюючих речовин літаками з двигунів. Хоча до
15 км висоти у тропосфері й у нижніх шарах атмосфери знаходиться близько 20%
атмосферного озону, тропосферний озон складає значну частину озоносфери Землі.
Так як між стратосферою і тропосферою відбувається обмін повітряними масами,
стік озону з тропосфери може стати одним із механізмів впливу на атмосферний
озон. Висотні польоти літаків, в основному, супроводжуються викидами оксидів
азоту. Як показали дослідження, руйнування атмосферного озону на 60% викликано
оксидами азоту. Індекс емісії оксидів азоту, обумовлений величиною маси оксидів
азоту в грамах при спалюванні 1 кг палива, для сучасних літаків складає 8-15
г/кг для дозвукових літаків і 18 г/кг для надзвукових літаків. Прогнозні
розрахунки зменшення концентрації озону в північній півкулі в наслідок польотів
100 літаків дають оцінку зменшення концентрації озону від 0,01 до 1,74%.
В авіації існують обмежуючі норми
припустимих викидів (МДВ), які встановлені ІКАО, а в деяких країнах також
прийняті національні норми на чотири основні шкідливі компоненти: СО, СН, М та
частинки сажі (дим).
При нормуванні та виявленні викиду
шкідливих речовин беруться до уваги всі маневри літака та відповідні режими
роботи двигуна, які відбуваються в зоні аеропорту на висоті польоту до 1 км.
Для визначення кількісних та якісних показників речовин потрібно знати етапи,
на яких вони відбуваються, розподіл використаних режимів роботи двигуна по
етапам, а також їх довготривалість за злітно-посадочний цикл.
Для оцінки кількості викидів
шкідливих речовин в атмосферу вводять поняття індексу викиду за
злітно-посадочний цикл, Е1 - це відношення кількості грамів шкідливої речовини
до 1 кг згорілого палива.
Утворення окису азоту протікає при
достатньо високих температурах (Т=2000 К0). Інтенсивність цього
процесу значно збільшується зі зростанням значень температури і часу перебування
суміші в камері згорання. Тому максимальний викид окисів азоту спостерігається
на злітному режимі роботи двигуна.
В якості контрольного параметру
емісії приймають відношення маси забруднюючої речовини у грамах, яка
виділяється за стандартний цикл, до злітної тяги двигуна в ньютонах. Знаючи
індекс емісії на кожному режимі роботи двигуна, можна, шляхом складання,
визначити масу емісії за весь цикл.
Розрахунок викиду окису вуглецю та
окисів азоту двигунами повітряного корабля ТУ-134.
Розрахунок маси річних викидів СО і
NO виконується за формулою:
М = МН + МВП =
13,8062+79476=79489,81 тон/рік
де М - маса шкідливих речовин
відповідно СО і NО, які викидаються під час наземних операцій (запуск, холостий
хід, руління перед злетом і після посадки);
МВП - маси шкідливих речовин
відповідно СО і NО які викидаються за час злітно-посадочних операцій (зліт,
набір висоти 1000 м, захід на посадку з висоти 1000 м).
М = К×
СПВМГ× RМГ TМГ = 0,03433-0,059-4,76-1432 =
13, 81
ДеК - індекси емісії (кілограм
шкідливої речовини на кілограм палива) відповідно СО і NО під час наземних
операцій;
СПВМГ- питома витрата палива під час
роботи двигуна на малому газі, кг/Н*год;МГ - тяга двигуна на малому газі;
МГ = R×
R0 = 68*0,07 = 4,76
де R0 - максимальна тяга двигуна, Н;
НМГ - річний наробіток двигуна на
малому газі, г/рік:
МГ = НМГ*N*n = 17,9*40*2 = 1432
Де НМГ - наробіток в годинах двигуна
на режимі малого газу за один ЗПЦ;- річна кількість зльотів-посадок усіх ПС
даного типу в аеропорту;- кількість двигунів на Ту-134.
Розрахунок маси Мв викидів
відповідно СО і NО при злітно-посадочних операціях виконується за формулою:
Мвп = n(WB TB + W0B T0B + WП TП) N =
= 2 * (55,5 * 15,0 + 55,5 *
,7 + 55,5 * 2,2) * 40 = 79476
тон/рік
де WB - масова швидкість емісії СО і
NО під час зльоту ПС, кг/год;НB - під час набору висоти 1000 м;П - під час
зниження з висоти 1000 м;TОB TП - режимний наробіток в годинах двигуна Д-30- 11
відповідно під час зльоту, набору висоти 1000 м і зниженню з висоти 1000 м.
При проведенні розрахунку отримано результат
М=79490, що означає, що викид окису вуглецю та окисів азоту двигунами Ту-134 за
рік досить значний і як відомо має негативний вплив на навколишнє середовище. У
боротьбі з цим явищем доцільно провести модернізацію літака шляхом заміни
існуючого паливоміра новою розробкою. Тому що паливомір нового типу забезпечує
зменшення надлишкового запасу палива, і відповідно забезпечує зменшення часу
перельоту літака. Відповідно до цього зменшується кількість шкідливих викидів в
атмосферу.
Висновки:
Впровадження паливоміра забезпечує
більш раціональне використання палива, тим самим обумовлює зменшення шкідливих
викидів в атмосферу.
При подальшій модернізації
паливоміра необхідно враховувати нормативи та вимоги екологічної безпеки.
ВИСНОВКИ
Після проведеної роботи по вивченню
та аналізу існуючих видів авіаційних паливомірів можемо зробити висновок, що в
умовах роботи з авіаційною технікою найбільш прийнятний варіант - це ємнісні
паливо міри, які при певній доробці дають більш точну інформацію при роботі з
різними сортами палива, а також менш піддані механічним впливам, та виявили
себе більш стійкими до коливань палива. Результатом даної дипломної роботи є
розробка покращеного паливоміра, котрий компенсує похибку вимірювання,
пов’язану зі зміною сорту палива. Це було досягнуто при певній доробці
електричної схеми та встановленні двох датчиків різної форми та різними
законами зміни ємності.
Більш точна інформація про кількість
палива на борту ЛА дає змогу більш точно оцінювати можливості пілота при
здійсненні польотів, що в свою чергу підвищує безпеку польотів.
СПИСОК ВИКОРИСТАНИХ ДЖЕРЕЛ:
1.
Боднер В.А. Авиационные приборы. М.: Машиностроение, 1969.
.
Смирнов
Н.Н., Ицкович А.А. Обслуживание и ремонт авиационной
техники по состоянию - М.: Транспорт, 1980. - 232 с
.
Долин П. А. Справочник по технике безопасности. Энергоатомиздат, 1984. - 824 с.
.
Федорков
Б.Г., Телец В.А., Дегтаренко В.П. Микроэлектронные цифро-аналоговые и
аналого-цифровые преобразователи. М.: Ц Радио
и
связь,
1984. - 120 с.
.
Ильинский В.М. Системы контроля авиационных силовых установок.
М.: Транспорт, 1980. - 85 с.
.
Михайлов О.И., Козлов И.М., Гергель В.С. Авиационные приборы. М.:
Машиностроение, 1977, - 446 с.
.
Авиационные приборы. Пособие по курсовому проектированию. Под ред. В.В.
Шершуна,
Киев, 1971.
.
Техническое описание и инструкция по эксплуатации и обслуживанию
электроемкостного топливомера СЭТС-260В.
.
Зельдин.
Е.А. Цифровые интегральные микросхемы в информационно-измерительной
аппаратуре. - Л.: Энергоатомиздат, Ленингр.
отд-ние,
1986. 280 с.
.
Гутников В.С. Интегральная электроника в измерительных -устройствах.
Энергоатомиздат. Ленингр. отд-ние, 1988. - 304 с.
11.
Теория
надежности радиоэлектронных систем в примерах
и,
задачах. Под ред. Г.А. Дружинина, М.:
Энергия, 1976. - 448 с.
.
Буриченко Л.А. Охрана труда в гражданской авиации. учебник
для вузов ГА - М.: Транспорт, 1985 - 239 с.
.
Экономика гражданской авиации СССР, Учебник /Под
ред.
Г.С.
Дибровы.
М.: Транспорт, 1983.
.
Усатенко С.Т. и др. Выполнение электрических схем. М.: Изд-во стандартов 1989.
- 325 с.
.
ГОСТ 12.0.004-85 ССБТ. Пожарная безопасность, Общие
требования.
.
ГОСТ 12.0.003-74 ССБТ. Опасные и вредные производственные факторы.
Классификация
.
Яковлев Л.Г. Приборы контроля работы силовых установок;
"Машиностроение"', 1968.