|
Діаметр
/ крок гвинта, мм.
|
200/200
|
|
Частота
оберту гвинта, об. /хв.
|
35,3…140
|
|
Потужність
привода, кВт
|
0,75…1,5
|
|
Виробничість
по зерну, т. /год.
|
5,3 -
14,0
|
|
Максимальна
довжина транспортування, м.
|
30
|
Стрічкова норія НЗ-3
Мал. 1.2.3 Стрічкова норія
Стрічкові норії призначені для транспортування
сипучих вантажів по вертикалі знизу догори. Тяговим органом норії є
гумовотканева стрічка (ремінь, а робочим - ковші. Норія має два барабани: верхній
приводний та нижній натяжний. На барабани натягується безкінцева стрічка, на
яку болтами закріплюються ковші. Верхній барабан приводиться у рух
електродвигуном через редуктор. Завдяки тертю між барабаном і стрічкою вона
рухається, а разом з нею пересуваються і ковші із зерном. Нижній барабан також
обгортається завдяки тертю між стрічкою і барабаном. Силу тертя регулюють
шляхом натягу стрічки спеціальним пристроєм.
В приймальні носки норії засипають продукт.
Ковшами він піднімається догори, де під впливом сили тяжіння і центробіжної
сили висипається через розвантажувальний патрубок норії в самотечну трубу.
Верхню частину норії називають голівкою, а нижню
- башмаком. Голівка та башмак з’єднані вертикальними трубами, в яких рухається
стрічка з ковшами.
Голівка норії призначена для розташування в ній
вузлів приводу і розвантаження норії.
Башмак норії призначений для розташування в ньому
натяжних та завантажувальних пристроїв.
Ковші призначені для захвату, піднімання та
вивантаження продукту. Форма ковшів залежить від швидкості стрічки та
особливостей продукту.
Призначення норійних труб - не допускати розсипу
та запорошування продукту при його пересуванні.
- привідний барабан; 2 - розвантажувальний
патрубок; 3 - стрічка; 4 - ківш; 5 - труба; 6 - натяжний барабан; 7,8 -
приймальні носки; 9 - електродвигун. 10 - датчики завалу норії (мембранні); 11
- датчик швидкості руху стрічки.
Стрічкова норія призначена для підйому сипких
матеріалів у вертикальному напрямі. Використовуються в зернопереробній
промисловості.
Керовані параметри: подача живлення на приводний
електродвигун.
Контрольовані параметри: ступінь завантаження
норії, ступінь заповнення норії.
Основні тех. данні - Производительность, т/ч - 3.
Швидкість стрічки - 1,6 м/с. Висота - 30 м. Потужність двигуна - 2,2 кВт.
1.3
Вимоги технології до автоматизації об’єкту
При проектуванні систем автоматизації на
технологічних ділянках підготовки зерна до переробки основна увага приділяється
розробці систем диспетчерського автоматизованого керування електроприводами технологічного
і транспортного устаткування, сигналізація про стан устаткування, контроль
вхідних, проміжних і вихідних параметрів зерна і технологічного процесу. При
проектуванні систем автоматизації з потрібного диспетчерського керування,
необхідно: з вимогами технології установити апаратуру контролю рівня продукту в
бункерах, контролю положення виконавчого механізму, вимір тиску, вологості й
інших параметрів. Відповідно до вище зазначеного керування електроприводом у
системі дистанційного автоматизованого керування, пред'являються наступні
основні вимоги:
. Система АСУ ТП повинна бути побудована так, щоб
надалі можна було перейти до більш складного, а кожна більш складна система
повинна мати складовою частиною менш складні системи.
. Поряд з автоматичним електроприводом
обов'язкова наявність місцевого керування.
. При керуванні електроприводом з декількох місць
або при наявності декількох режимів правління необхідно передбачати апарати
(вимикачі, перемикачі), що виключають можливість дистанційного чи автоматичного
пуску механізмів, зупинених на ремонт (для цього можна використовувати кнопки з
фіксацією положення "Стоп"). При роботі в автоматичному режимі
необхідно виключити можливість включення в режимі місцевого керування.
. Електродвигун засувки, через яку надходить
продукт на механізм, повинний включатися на відкриття засувки тільки після
включення механізму, а на закриття - перед зупинкою механізму.
. При наявності ДУ і ДАУ, згідно вимогою ПУЕ,
біля електродвигуна або механізму, що приводиться, для попередження нещасливих
випадків треба встановлювати апарат аварійного відключення, що відключає
електропривод у будь-якому режимі і не дозволяє виключити його при ремонтних
роботах.
. Ланцюги керування захищають запобіжником або
автоматичним вимикачем. При однаковому перетині силових приводів і ланцюгів
керування захисний апарат може бути загальним.
. При напрузі ланцюга керування 220 В ланцюг
виконують так, щоб були усі контактні елементи (кнопки керування, ключі
контакти реле й інші).
. Неприпустимий дистанційний пуск механізму без
попереджуючої звукової сигналізації.
. Для інформації або наступних команд сигнал про
роботу електродвигуна повинний зніматися безпосередньо з пускача або реле
контролю швидкості.
. При включенні механізмів, нормальна робота
якого забезпечується при його аспірації, одночасно з ним повинний включатися
вентилятор аспіраційної мережі, або механізм пускають без продукту. При пуску
механізму з продуктом вентилятор аспіраційної мережі повинний бути включений
раніш.
. Зупиняти вентилятор потрібно з витримкою часу
після зупинки аспіруючого механізму. Технологічну зупинку механізму виконують
без продукту.
. Для контролю аварійних параметрів або граничних
положень механізму застосовують датчики, що аварійно вимикають електропривод
при досягненні визначених положень, "завалі" продукту, перегріві
електродвигуна.
. Диспетчер повинний одержувати необхідну
інформацію про роботу механізму: сигналізацію про вмикання-відключення, ступінь
завантаження, положенні деяких робочих органів і т.п.
. Комплекс механізмів, передбачених для переробки
і транспортування продукту, поєднують в одному технологічному процесі по так
названій поточно-транспортній системі, що складається з одного чи декількох
маршрутів. Маршрут-група машин, зв'язаних загальним технологічним процесом і
виконуючих самостійний технологічний процес переробки або транспортування
продукту. Границями маршруту звичайно є силоси, бункера.
. У маршруті всі машини або механізми блокують
для забезпечення послідовності автоматичного включення в порядку, зворотному
послідовності проходження продукту. Кожна наступна машина маршруту автоматично
включається послідовно, після розгону попередньої.
При аварійній зупинці якої-небудь машини
автоматично повинні зупиняться всі попередні машини і припинитися подача продукту.
2.
Основні рішення існуючих схем автоматизації
2.1
Короткий аналіз існуючих схем автоматизації
Система автоматизації зволоження зерна на млин
заводі м. Йокшар-Ола призначена для вирішення одного з найважливіших завдань
управління технологічними режимами на млині. Не вдаючись до тонкощів,
підкреслимо, що від абсолютного значення вологості зерна перед подрібненням і
від стабільності вологості в дуже вузькому діапазоні значень (не більше / - 0.5
% абсолютних) вирішальним чином залежать рентабельність роботи млина і
конкурентоспроможність борошна з точки зору стабільності її хлібопекарських
достоїнств.
На переважній більшості млинів, із-за природних
коливань вологості початкової сировини, витрат зерна і води в лініях обробки
при ручному управлінні процесом відхилення вологості зерна перед помелом
досягають / - 1.5 - 1.7%.0 Тому автоматичні системи стабілізації вологості
зерна належать найбільш затребуваних у борошномельній промисловості. Попит на
них, в основному, задовольнявся дуже дорогим імпортом від 3-4-х зарубіжних
фірм, що володіють секретами точного виміру вологості зерна.
У вітчизняних розробках прогрес в цій області в
першу чергу пов'язаний з появою на ринку доступних після ціни і досить точних
СВЧ-влагомеров. Однією з таких розробок є ця система. Її застосування дозволяє
скоротити розмах коливань вологості зерна після підготовки до помелу до /-0.3%,
т. е в 3-4 рази. При цьому окупність витрат не перевищує декількох місяців.
Структурна схема об'єкту управління і
розташованих безпосередньо в цеху складових частин АСУ показана на мал.1. До
складу об'єкту входять чотири зволожувачі, що є високошвидкісними шнековими
транспортерами, що перемішують безперервні потоки зерна і води. Дві машини 1-го
етапу зволоження працюють паралельно, машини 2-го і 3-го етапів забезпечені
однаковими засобами автоматики.
Агрегат перетворювачів перед машинами 1-го етапу
забезпечує експозицію вхідного потоку зерна в датчику НВЧ вологоміра
(виробництво ФРН), точне ділення потоку між машинами і вимір масової витрати
зерна в кожен зволожувач за допомогою тензометричного лоткового перетворювача.
Для цих цілей у бункері агрегату вимагається стабілізувати рівень заповнення.
Витрата зерна в машини 2-го і 3-го етапів вимірюється індивідуальними
витратомірами.
Вода подається в машини за допомогою уніфікованих
систем автоматичного регулювання, побудованих на апаратурі фірми Бюркерт (ФРН).
Системи мають жорстко запрограмований Пі-контроллер із струмовим входом для
зовнішнього задатчика.
Мал.2.1.1 структурна схема машин для зволоження
зерна.
Завдання управління зволожувачами - регулювання
заданого співвідношення витрат зерна і води, з яких перший є провідним
параметром. На 1-му етапі це співвідношення додатково коригується по поточній
вологості вхідного потоку зерна так, щоб стабілізувати вихідну вологість на
заданому рівні. Комп'ютер, розташований в центральному пункті управління
млином, виконує функцію супервізора по відношенню до регуляторів витрати води.
Оператор-технолог задає комп'ютеру необхідну
вологість після 1-го етапу і приріст вологості (тобто коефіцієнт
співвідношення) для інших етапів. Обробляючи дані з вологоміра і витратомірів
зерна, програма формує і передає поточні завдання контурам витрати води.
Додатковою функцією програми, що управляє, є НЦУ рівнем у бункері агрегату
перетворювачів.
Незважаючи на зовнішню простоту, це завдання
зажадало застосування спеціально розробленого за допомогою мов FBD і техно - IL
алгоритму регулювання зі змінною структурою і логічно керованими налаштуваннями,
оскільки рівень у бункері контролювався дискретно і мав дуже малу інерційність
по каналу обурень стоку/припливу.
У функції комп'ютера також входять: інтерактивне
налаштування процесу, централізований контроль аналогових і дискретних
параметрів устаткування, аварійне блокування і сигналізація, протоколювання
подій і архівація змінних, напівавтоматичне калібрування вимірювальних каналів,
діагноста елементів системи, вбудована підтримка технолога і налагоджує. Робоча
програма написана в професійній версії TRACE MODE 5 (релиз 14), функціонує в ОС
Win2000 з МРВ на 128 точок, містить вбудовану математичну модель процесу.
Операторський інтерфейс системи - головний екран
приведений на мал.2.1.2.
Мал.2.1.2 Операторський інтерфейс системи
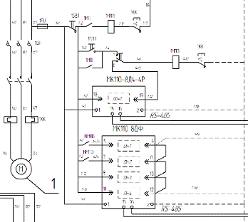
ПТК системи (мал.2.1.3) побудований на модулях
серії I - 7000 і промисловому комп'ютері з процесорним модулем NuPRO - 760VL.
Для цілей контролю працездатності системи в ISA - слот комп'ютера встановлений
адаптер DIO P8R8. Довжина шлейфу RS - 485 - близько 150 м, швидкість зв'язку
57600 кБод.
Мал.2.1.3 Схема структурна ПТК АСУТП зволоження
зерна
Розробка, програмування і постачання на об'єкт ПТК,
а також спеціального устаткування системи були завершені впродовж неповних 4-х
місяців. Нині система знаходиться в дослідній експлуатації на млині ВАТ
"Йошкар-олинский комбінат хлібопродуктів" в республіці Марий-Эл.
2.2
Розробка функціональної схеми автоматизації
Так як схема мого дипломного проекту є зволоження
тому я замість миючої машини використав шнековий конвеєр який виконує функцію
зволоження зерна по сортах. Розроблена функціональна схема автоматизації (ФСА)
виконана відповідно ДСТУ, вона відображає всі прийняті рішення по автоматизації
технологічного процесу.
З ФСА видно, що помісцю встановлено кнопки
аварійної зупинки H для кожного з електродвигунів: норій, шнекових конвеєрів, а
також по місцю встановлені прилади для вимірювання рівню LS в бункері та
башмаку норії.
В розподільчому пункті встановлено магнітні
пускачі NS для кожного з електродвигунів: норій, шнекових конвеєрів. Також
встановлено реле контролю швидкості SS норій. Та первинний вимірювальний
перетворювач для вимірювання сили струму ЕЕ.
На Пульті оператора встановлена кнопка пуск H яка
вмикає сигналізацію.
Для вдосконалення технологічного процесу я
пропоную встановити модулі контролера, який може замінити оператора, у
виконанні багатьох дій. Ці модулі можуть реєструвати, сигналізувати про роботу,
керувати, та управляти вхідними параметрами
З ФСА видно які параметри технологічного процесу
підлягають регулюванню, а саме: рівень продукту в бункері, положення засову;
швидкість руху шнека конвеєра, під силосного конвеєра; швидкість руху стрічки
норії; підпор башмака та голівки норії; положення шлюзового затвору циклону. А
які контролю: подача живлення на електродвигун засову; подача живлення на
привідний двигун норії; подача живлення на привідний двигун шнекового конвеєра;
подача живлення на двигун шлюзового затвору; подача живлення на двигун
вентилятора.
Регестрації та сигналізації підлягають всі вище
перераховані параметри. Чим повніша картина роботи тим краще можна
спостерігати. За всіма найменшими змінами в роботі устаткування.
А тепер розглянемо роботу типових функціональних
груп. Необхідно сказати, що при запуску маршруту машини вмикаються на зустріч
продукту для перевірки справності всього обладнання.
Спочатку оператор вмикає попереджувальну
сигналізацію на всіх поверхах (лінія зв’язку під номером 0), яка в разі
несправності будь-якої з машин маршруту одразу сповіщає про це, лінію її
блокування можна прослідкувати на ФСА. Наступною вмикається аспіраційна мережа
двигун шлюзового затвору блокується, двигуном, та датчиком швидкості його відкриття.
Зерно проходить очистку від сорних домішок, далі
через норію №6 по само точним трубам зерно поступає до шнеку звідти надходить
до шнеку який виконує функцію до зволоження зерна та дообладнаний датчиком
наявності зерна на вході та системою розпилення води над потоком зерна.
Мал.2.2.1 Функціональна схема зволоження зерна
Суть обробки зерна полягає в тому щоб зволожити і
зробити більш пластичним зовнішню оболонку зерна, для того щоб при розмелі
утворювались менше дрібних часточок оболонки, які складно відділити від
основної маси продуктів розмолу, які в результаті впливають на "сірість
муки". В промислових системах зволоження кількість води необхідна для
обробки зерна визначається за формулою:
води = (Qзерна * (Mзад. - Mфакт.))
/ (100 - Mзад.) (2.2.1)
Сигнали необхідні для побудови локальної АСР
(зволоження, слід отримати вимірюючи характеристики потоку зерна на вході
зволожувальної машини, для розрахунку кількості води використовується сигнал
від вологоміра зерна (початкова вологість та витратоміра) по цим сигналам
розраховується необхідна кількість води.
Див формулу 2.2.1 в якості коректуючи
використовується сигнал від датчика температури зерна, а в деяких системах від
приладу що визначає і щільність води. Для стабілізації кількості води необхідно
мати сигнал про її фактичну витрату, для чого і використовують витратомір води.
АСУ працює наступним чином: сигнал від датчиків
вологості (МЕ), розходу (FE), поступають на вхід регулятора вологості МІС який
по формулі розраховує кількість води необхідної для зволоження зерна (даного).
Вихідний сигнал приладу є завданням для другого контуру регулювання величини
витрати води, який створено на основі приладу FIC, даний прилад порівнює задане
значення розходу води від приладу МІС з поточним значенням, яке отримує від
витратоміра (FE) і якщо воно відповідає зданому коректує разход керуючи
виконавчим механізмом ВП1.
Станція для управління цим ВП складається з
перемикача роботи HS та кнопок управління позначених Н. Для місцевого
блокування подачі води при відсутності потоку зерна датчик наявності зерна LS
зв’язаний з ВМ2 (клапаном подачі води який і закриває подачу при відсутності
зерна на вході машини.
Після зволоження зерно по само точним трубам
потрапляє до реверсивного шнекового конвеєра, далі потрапляє до бункера. В
бункері розміщено датчики рівня (верхнього положення) LE, та контролюють
бункера від переповнення.
2.3
Розробка і опис скелетної схеми блокувань
З розробленою функціональної схеми автоматизації
видно, що по місцю встановлено кнопки аварійної зупинки H для кожного з
електродвигунів: норії, шнекових конвеєрів, зволожуючого шнекового конвеєра. А
також по місцю встановлені прилади для вимірювання рівню LS в бункері та
башмаку норії.
На структурній схемі я опишу скелетну схему
блокування лінії мийки зерна.
Мал.2.3.1 Структурна схема блокування лінії мийки
зерна.
2.4
Розробка і опис принципової електричної схеми
Принципова електрична схема представляє собою
комбінацію окремих простих електричних ланцюгів, які в заданій послідовності
виконують ряд типових операцій: передачу командних сигналів від органів
управління або вимірювання до виконавчих органів, підсилення командних сигналів
або порівняння, блокування сигналів та інше.
Принципові електричні схеми виконуються у виді
окремої самостійної ділянки технологічного процесу, або по окремій
функціональній частині системи автоматизації.
Умовно графічне позначення утворюється з
найпростіших геометричних фігур (квадратів, прямокутників, кіл), а також з
суцільних пунктирних ліній та крапок.
Позиційні позначення проставляються на схемах
поруч з умовним графічним позначенням елементу праворуч або над ним. Ділянки
ланцюгів ПЕС маркуються арабськими цифрами та прописними літерами латинського
алфавіту (можлива лише цифрова маркування).
Розглянемо роботу деяких ділянок схеми.
Почнемо розглядати принципово електричну схему
(ПЕС) з схеми сигналізації. Пуск попереджувальної сигналізації проводиться
шляхом натиснення кнопки оператором на фазу l подається напруга яка доходячи до
модулю дискретних входів виходів замикає їх контакти та по дроту 1 вмикає
сигналізація на всіх поверхах, з першого по восьмий. Час за який лунає
сигналізація це 15с, після чого контакт в модулі розмикається.
Мал.2.4.1 Схема управління сигналізацією
Розглянемо принципову схему норії. Напруга подається на
двигун норії, на якому встановлено автоматичний вимикач, який вимикається при
великих значеннях струму, теплові реле які спрацьовують при перевантаженні
двигуна, та контакти магнітного пускача (ПМ).
Устрій двигуна є ідентичним для всіх машин, крім
асинхронного двигуна. Коли жоден з елементів не спрацював Сигнал від двигуна
йде по такому маршруту FU 2 (запобіжник) далі на контакт ДП кнопки стоп кнопку
пуск на перемикач режимів Т з нього (в місцевому режимі) на ПМ3, його контакт
одразу замикається, та блокує кнопку ПУСК та на теплове реле КК. По дроту через
перемикач Т і провід вмикається РКС, одразу замикається його контакт. Сигнал
РКС надходить в модуль дискретного виводу, на вхід DI - 03, по дроту 3
приймається сигнал від кнопок стоп, по дроту 13 контролюється робота ПМ, по
дроту 3 підпор норії ДП, по 1 наявність живлення. В модуль дискретного вводу по
дроту 5 входять данні про режим. Також встановлено модуль аналогового вводу до
якого по дроту 8 надходить сигнал від амперметра.
Мал.2.4.2 Схема управління норією
Схема управління аспірацією: напруга подається на двигун
циклону, на якому встановлено автоматичний вимикач, який вимикається при
великих значеннях струму, теплові реле які спрацьовують при перевантаженні
двигуна, та контакти магнітного пускача (ПМ). Коли жоден з елементів не
спрацював Сигнал від двигуна йде по такому маршруту FU 2 (запобіжник) далі на
кнопку стоп, пуск, перемикач та МП1, ПМ2. До модулю дискретного вводу по дроту
5 надходить сигнал про режим роботою До модулю дискретного виводу надходять
сигнали від магнітних пускачів наявності живлення, зупинки роботи.
Мал.2.4.3 Схема управління аспірацією.
Сигнал від двигуна йде по такому маршруту FU 2 (запобіжник)
далі на контакт ДП кнопки стоп кнопку пуск на перемикач режимів Т з нього (в
місцевому режимі) на ПМ3, його контакт одразу замикається, та блокує кнопку
ПУСК та на теплове реле КК. По дроту через перемикач Т і провід вмикається РКС,
одразу замикається його контакт. Управління цією машиною є аналогічною
управління шнековим конвеєром я використав електропневмоперетворювач, через
дроту 4 надходить до модулю (DO-4), який і управляє виконавчим механізмом для
відкриття води.
Мал. 2.4.4 Схема управління зволожуючою машиною
3.
Матеріально-технічні засоби автоматизації
3.1
Вибір і опис елементної бази засобів автоматизації
У схемах автоматизації для керування
технологічним устаткуванням і апаратурою, що пускорегулюються, застосовують
різноманітні пристрої для ручного або автоматичного вмикання і вимикання
електричних ланцюгів. До ручних комутаційних пристроїв відносяться перемикачі
кнопки і кнопкові станції. До автоматичних - моторні, крокові і релейні
розподільники, координатні розподільники і безконтактні прилади, що
переключаються. Від якості комутаційних пристроїв залежить надійність роботи
устаткування, своєчасний запуск і зупинка механізмів.
Системи автоматичного керування виконують у трьох
варіантах:
·
на апаратурі для великих струмів (сильно потужна апаратура), із
комутаційними пристроями, у яких контакти розраховані на великі розривні
потужності і великий струм;
·
на апаратуру для малих струмів (слабко потужна апаратура), із
комутаційними пристроями, у який контакти розраховані на малі розривні
потужності;
·
на безконтактних приладах напівпровідникових і феритових
елементах.
Всі три варіанти знаходять застосування на
підприємствах галузі. До комутаційних пристроїв застосовуються такі вимоги:
достатнє число пар контактів, малі перехідні опори в місцях з'єднання,
відсутність дуги при розірванні електричних ланцюгів, швидкодія і малі
габарити.
Кнопки керування, перемикачі та світлосигнальна
арматура.
Кнопки керування, перемикачі та світлосигнальна
арматура марки ІЕК призначені для автоматичного керування магнітними пускачами
(контакторами) і реле автоматики, а також світлової сигналізації електричних
ланцюгів перемінного струму напругою до 660 В частоти 50 Гц і постійного струму
напругою до 400 В та індикації стану електричних ланцюгів. Застосовуються в
електрощитах, промисловому обладнанні, на об’єктах
енергозабезпечення.
Всі вироби мають просту і надійну конструкцію.
Різнокольорові варіанти лінз дозволяють найбільш ефективно компанувати щити і
панелі. Всі вироби складаються з двох сегментів - швидкоз’ємної головки та
контактного модуля. Контактна група чорного кольору - замикаюча (1з),
коричневого - розмикача (1р).
Встановлюють вироби в стандартні отвори діаметром
22,3 мм на жосткій металевій панелі, що захищена від прямих сонячних променів,
попадання дощу та хімічних реагентів. Для запобігання попадання рідини в
середину механізму всі вироби оснащені гумовими ущільнювальними кільцями. Підключення
виконується через гвинтові зажими з тарільчатими шайбами.
Таблиця 3.1.1 - Характеристики вибраних кнопок
керування.
|
Тип
кнопки
|
Діаметр
отвору, мм
|
Конструктивне
виконання
|
Функціональне
призначення
|
Примітка
|
|
ABLF-22
|
22
|
Кнопка
керування з самоповерненням, з підсвітленням. Колір: червоний, жовтий,
зелений, синій, білий.
|
Оперативне
керування технологічним обладнанням.
|
Висока
кнопка з металевим кільцем. Підсвітлення неоновою лампою ВА9S на 240 В,
контакти - дві групи: 1з + 1р.
|
|
ALCLR-22
|
22
|
Перемикач
на три фіксованих положення: І-О-ІІ. Колір: чорний.
|
Реверсування
обладнання і окремих електричних ланцюгів.
|
Контакти
- дві групи: 1з + 1р.
|
Автоматичні вимикачі.
Автоматичні вимикачі застосовують для захисту
електричних ланцюгів при перевантаженнях і коротких замиканнях.
Автоматичні вимикачі серії ВА88 є комутаційними
електричними апаратами трьохфазного виконання, що мають власне електроживлення
і оснащені двома системами захисту від великого струму: електротепловою і
електромагнітною. Передбачено 6 типовиконань на номінальні струми від 125 до
1600 А з проміжними розчіплювачами.
Автоматичні вимикачі серії ВА88 призначені для
групового захисту в житловому та цивільному будівництві, виробничих об’єктів,
розподільних пунктів і щитового електрообладнання із ступенню захисту по ДОСТУ
14254-96 не нижче ІР30. Для вимикачів серії ВА88 розроблено додаткові пристрої:
незалежні розчіплювачі, розчіплювачі мінімальної напруги, сигнальні та вільні
допоміжні контакти. Доукомплектування вимикачів виконується відповідно
технологічним особливостям об’єкту, що захищається.
Застосування автоматичних вимикачів серії ВА88
надає такі переваги:
·
висока комутаційна здібність,
·
зменшені габарити,
·
великий асортимент аксесуарів,
·
простий і зручний монтаж аксесуарів,
·
працює в будь-якому положенні відповідно вертикалі,
·
повний комплект для монтажу,
·
насічки на контактах надійно зафіксовані в місцях приєднання, що
уникає перегріву і оплавленню проводів,
·
термін служби не менш 15 років.
Таблиця 3.1.2 - Технічні характеристики основних
параметрів.
|
Назва
параметру
|
Одиниці
вимірювання
|
Значення
|
|
Номінальна
робоча напруга
|
В
|
400
|
|
Частота
струму мережі
|
Гц
|
50
|
|
Номінальний
комутаційний струм
|
А
|
125÷1600
|
|
Температура
настройки розчіплювачів
|
0С
|
40
|
|
Кількість
полюсів
|
n
|
3/4
|
|
Діапазон
робочих температур
|
0С
|
-25÷+40
|
Магнітні пускачі серії ПМЛ.
Пускач серії ПМЛ призначений для дистанційного
пуску і зупинки асинхронних електродвигунів із короткозамкнутим ротором, а у
виконанні з трьох полюсним тепловим реле РТЛ - для захисту від перевантажень і
струмів, що виникають у двухфазному режимі.
Контактор пускача має прямоходову магнітну
систему III - образного типу при струмах 10.63 А и П - образну на струм 80.200
А. Теплове реле РТЛ приєднують безпосередньо до корпуса контактора. Номінальний
струм реле РТЛ-2000 дорівнює 80 А. Теплові реле увімкнені у три фази і
впливають на один розмикаючий і один замикаючий контакти.
В комплект пускача можуть входити: реле проміжне
серії РПЛ, приставка контактна серії ПКЛ, пневматична приставка витримки часу
серії ПВЛ і приставка пам'яті серії ППЛ, що застосовуються у схемах керування
при напрузі до 660 В перемінного і 440 В постійного струму.
Електромагнітні пускачі серії ПМ12.
Пускачі серії ПМ12 на номінальний струм 100, 160,
250 А призначені для керування трьохфазними асинхроними електродвигунами з
короткозамкнутим ротором потужністю до 45, до 75 и до 132 кВт відповідно при
напрузі до 660 В перемінного струму частоти 50 і 60 Гц.
Розраховані для роботи на висоті над рівнем моря
до 2000 м. Допускається застосування пускачів у ланцюгах з номінальною напругою
380 В на висоті 4300 м, при цьому номінальний робочий струм треба знизити на 10
% при температурі оточуючого середовища не вище 280С.
Пускачі серії ПМ12 є повними аналогами пускачів
серії ПМА по електричним параметрам і мають ряд переваг:
·
менша енергоємність,
·
менша матеріалоємність,
·
ремонтно-пригодна з’ємна котушка, яка кріпиться двома гвинтами,
·
передбачено ступень захисту ІР20.
Пускачі серії ПМ12 відповідають світовому технічному
рівню, а по деяким параметрам, таким як габаритні розміри, маса та споживаюча
потужність перевершують вироби відомих західних фірм.
Реле електротеплові серії РТЛ.
Реле призначені для захисту асинхронних
електродвигунів від струмових перевантажень неприпустимої тривалості і від
струмів, що виникають при обриві однієї з фаз.
Теплові реле мають: три полюси; температурний
компенсатор; механізм для прискореного спрацьовування при обриві фаз; регулятор
струму неспрацьовування; ручне повернення, одне, що розмикає й одне замикаюче
контакти; переднє приєднання проводів; незмінні нагрівальні елементи.
Випускають електротеплові реле з діапазоном
струму від 0,1 до 86 А. Реле РТЛ можуть бути встановлені безпосередньо на
пускачі ПМЛ, або окремо від пускачів через клемніки КРЛ. Реле РТЛ та клемніки
КРЛ випускають із ступенню захисту ІР20 і можуть бути встановлені на стандартну
рейку. Номінальний струм контактів 10 А.
3.2
Обґрунтування та вибір пультів управління
Пульт управління - це пристрій, за допомогою
якого диспетчер управляє виробничими процесами, а також отримує інформацію про
хід технологічного процесу. Пульти управління бувають місцевими, що знаходяться
безпосередньо біля обслуговуючого об’єкту, та дистанційними, що впливають на
керуючі об’єкти за допомогою елементів автоматики і знаходяться на значних
відстанях.
Як правило, вся апаратура в дистанційних пультах
управління: зв’язок, сигналізація, контроль і управління, розташовані на
диспетчерському столі і контрольному вертикальному диспетчерському щиті.
Пульти управління схем ДАУ виготовляють в двох
варіантах: єдиної конструкції, яка об’єднує диспетчерський стіл і щит
сигналізації, і варіант, коли щит сигналізації і диспетчерський стіл -
самостійні конструкції, що встановлюються в приміщенні диспетчера на відстані
1,5…2 м один від одного. В своєму дипломному проекті я пропоную варіант -
єдиної конструкції.
На нахиленій панелі диспетчерського столу
розташовані кнопки керування електродвигунами машин та механізмів елеватора і
кнопки увімкнення попереджувальної сигналізації.
Максимальний розмір пульта: висота - 2 м, ширина
1 м, глубина - 0,8 м. Кожна панель складається з вертикальних клемних секцій,
пультової вставки та мозаїчних секцій.
4.
Розрахункова частина
4.1
Розрахунок потужності електроприводів і вибір електродвигунів.
Так як потужності електродвигунів вже
розраховані, то я в розрахунковій частині вирішив пере провірити підбір
електродвигунів методом розрахунку
Електричний привід визначається як
електромеханічна система, що складається з електродвигунного, преосвітнього,
передатного і керуючого пристрою, призначена для надавання руху виконавчих
органів робочої машини й керування цим рухом.
Процедура вибору електропривода починається з
обґрунтування вимог до нього і вибору відповідно до зазначених вимог електропривода
по роду струму, робітничий напрузі й принципу його дії.
Вибір роду струму для автоматизованого керування
електроприводом залежить від системи електропривода й системи
електропостачання. Як правило, на підприємствах галузі хлібопродуктів застосовується
не регульований електропривод і в якості електродвигунних пристроїв -
асинхронні електродвигуни перемінного струму. Тому вибирається система
перемінного струму, а вибір робочої напруги виробляється в залежності від
передбачуваної потужності електродвигунів, а також існуючої робочої напруги на
підприємстві.
На підприємстві одинична потужність
електродвигунів не перевищує 100 кВт, що дозволяє використовувати систему
трифазного струму напругою 380/220 В.
Правильний вибір потужності електродвигунів має
велике значення і багато в чому визначає первісні витрати й вартість
експлуатаційних витрат. Завищення потужності приводить до збільшення
капітальних витрат і експлуатаційних витрат, зниженню КПД і коефіцієнта
потужності електродвигунів. Вибір електродвигунів заниженої потужності
приводить до скорочення терміну їхньої служби.
У залежності від співвідношення часу роботи і
пауз, а також характеру навантаження, обумовленого навантажувальними
діаграмами, розрізняють кілька режимів роботи електродвигунів, із яких
найбільше значення мають: тривалий, короткочасний і повторно-короткочасний.
Умови нагрівання електродвигунів у всіх трьох режимах різні, тому різними є і
методи визначення потужності електродвигунів.
У даному випадку розглядається тривала незмінна
чи мало мінливе навантаження. Вибір потужності (кВт) електродвигуна надзвичайно
простий.
При незмінній чи мало мінливому навантаженні і
відповідно потужності Р електродвигун повинний бути обраний на
номінальну.
Розраховую потужності електродвигунів.
Потужність електродвигуна для приводу норії
визначається по формулі:
Рр = K * Q * H / (367 * η пер * η н)
(4.1.1)
де:- коефіцієнт враховуючий перевантаження
електродвигуна;- продуктивність норії, т/ч;- висота норії, м;
ηпер - КПД передача;
ηн - КПД норії;
Дані на норію
К = 1.1; Q = 20 т/ч; Н = 30 м; ηпер = 0.9; ηн = 0.75.
Рр = 1.1 * 20 * 30/ (367 * 0.9 * 0.75) = 2.7 кВт
В каталозі для вибору серії електродвигунів
вибираємо електродвигуни для норії із споживаною потужністю 3 кВт і його серія
4А112М6.
Потужність електродвигуна для шнекових конвеєрів
знаходимо по формулі:
Рр=Q*L (sin a+K5) /
(367* ηпер) (4.1.2)
де:- продуктивність, т /ч;- довжина конвеєра, м;
К5 - коефіцієнт враховуюче збільшення
потужності на
подолання опору в конвеєрі;
ηпер - КПД передача;
·
кут нахилу конвеєра до горизонту, град.
Дані на шнековий конвеєр-1:
Q - 50 т /ч;
L - 10 м;
К5 - 1.2;
ηпер - 0.9;
·
00.
Рр=50*10 (sin 0 +1.2) / (367*0.9) =1.8 кВт
Дані на шнековий конвеєр-2:
Q - 50 т /ч;
L - 10 м;
К5 - 1.2;
ηпер - 0.9;
·
00.
Рр=50*10 (sin 0 +1.2) / (367*0.9) =1.8 кВт
У каталозі для вибору серії електродвигуні
вибираємо електродвигун для шнекового конвеєру-1 та шнекового конвеєру-2 із
споживаною потужністю 2.2 кВт і їх серія 4А100L6.
За паспортними даними потужність електродвигунів
миючої машини КВД-1:
. Шнеку зволожуючої машини 2,2 кВт серії
електродвигуна 4А100L6.
Дані з розрахунків заносимо в таблицю 4.1.1.
Таблиця 4.1.1 Перелік застосованих
електродвигунів.
|
№ел.
дв.
|
Марка
|
Рн,
кВт
|
n,про/хв.
|
Iн,А
|
КПД
|
cos φ
|
Ik/Iн
|
|
1
|
2
|
3
|
4
|
5
|
6
|
7
|
8
|
|
Норії
|
4А112М6
|
3.0
|
955
|
7.4
|
0.81
|
0.76
|
6.0
|
|
Шнекові
конвеєри
|
4А100L64А100L6
|
2.22.2
|
950950
|
5.655,65
|
0.810,81
|
0.730,73
|
5.05,0
|
|
Зволожуючий
шнек
|
4А100L6
|
2.2
|
950
|
5.65
|
0.81
|
0.73
|
5.0
|
4.2
Розрахунок і вибір пускозахистної апаратури
Для вмикання і відключення токоприймача,
реверсування, регулювання частоти обертання ротора електродвигуна, а також
захисту електроустановок від перевантажень по електричному струму, струму
короткого замикання, температурного перегріву, роботи при зниженні напруги і
т.п. використовують пускозахисну апаратуру й апаратуру керування.
Вибір автоматичних вимикачів.
Номінальний струм розщепителя автоматичного
вимикача (автомата) Інр (теплового або електромагнітного) повинний
бути не менше тривалого номінального струму електродвигуна Інр, тобто
Інр ≥ Iн.
Струм спрацьовування електромагнітного
розщепителя (відтсічки) Iэм повинний бути не менше максимально можливого струму
захисної ділянки Iм, інакше автомат необґрунтовано відключить ділянку, тобто
эм ≥ Кн * Iм (4.2.1)
де:
Кн - коефіцієнт надійності, що
враховує неточності у визначенні струму Iм і розкид характеристик
електромагнітного розщепителя автомата. Для більшості типів автоматів Кн=1,25;
для автоматів типу А3110 Кн = 1,5.
При установці автомата на лінії, що підживлює
одиночний електродвигун, максимальний струм Iм дорівнює пусковому струмові
електродвигуна Iп, тобто Iм = Iп. При захисті автоматом групи електродвигунів
м = Iп макс + Iр (4.2.2)
де:п макс - пусковий струм найбільшого
по потужності електродвигуна:р - розрахунковий струм інших електродвигунів
групи.
Розрахунковий струм Iр визначається як сума
номінальних струмів інших електродвигунів, помножений на коефіцієнт попиту Кс,
тобто Iр = Кс Σ Iном. Коефіцієнт
попиту вибирається по довідковим даним.
При виборі автоматичних вимикачів у дипломному
проекті варто віддавати перевагу новим, більш надійним апаратам серій АЕ-2020,
АЕ2040, АП50Б. Проте вибір автоматів варто погоджувати з панелями керування.
Для електродвигуна серії 4А112М6 з номінальною
потужністю 3кВт і номінальним струмом 6.6 А вибираємо автомат типу АЕ2040 з
номінальним струмом розщепителя 10А.
Установка струму спрацювання електромагнітного
розщепителя Іэм=63 А.
Іп=6*Ін=6*6,7=40,2 А
Тому, що 63>50,25 (1,25*40,2=50,25), то
автомат не спрацьовує при пуску.
Для електродвигунів 4А100L6 номінальною
потужністю 2.2 кВт і номінальним струмом 5 А вибираємо автомат АЕ2040 з
номінальним струмом розщепителя 5 А. Установка струму спрацювання
електромагнітного розщепителя Іэм=63 А.
Іп=6*5=30 А
Тому, що 63>37.5 (1,25*30=37.5), то автомат не
спрацьовує при пуску.
Для електродвигунів 4А100L6 номінальною
потужністю 1.5 кВт і номінальним струмом 4,1 А вибираємо автомат АЕ2040 з
номінальним струмом розщепителя 5 А.
Іп=6*5=30 А
Тому, що 63>37.5 (1,25*30=37.5), то автомат не
спрацьовує при пуску.
Вибір магнітних пускачів і теплових реле.
Магнітні пускачі вибирають по виконанню (у
залежності від умов навколишнього середовища) і номінальному струму або
граничної потужності електродвигуна, що відключається.
При цьому повинно дотримуватися умова:
н. м. п ≥ Iн. д або
Рн. м. п ≥ Рн. д (4.2.3)
де: Iн. м. п і Iн. д -
номінальний струм і потужність магнітного пускача;
Рн. м. п ≥ Рн. д - номінальні
струм і потужність електродвигуна.
При виборі по довідковим даним модифікації
магнітного пускача (ПМЕ-000, ПМЕ-100, ПМЕ-200, ПАЕ-300, ПАЕ-400, ПАЕ-500,
ПАЕ-600, ПМА-2000, ПМА-3000, ПМА-4000, ПМА-5000, ПМА-6000) враховують наявність
теплового реле і необхідність реверсування.
Для захисту електродвигуна від струмів
перевантаження в магнітні пускачі вбудовують теплові реле ТРП і ТРН. Теплові
реле вибираються в такому порядку.
По номінальному струму електродвигуна Iн. д
вибирають номінальний струм реле Iн. р, тобто його габарит Iн.
р ≈ Iн. д
Вибирають нагрівальний елемент, струм котрого Iн.
э повинний бути близький до номінального струму електродвигуна Iн. д,
тобто
н. д ≥ Iн. д.
Визначають струм спрацьовування теплового реле
або струм установки, знаючи, що Iуст = Iн. р. При цьому
необхідно мати на увазі теплову інерцію реле, коли при вбудові реле на Iуст
воно фактично спрацьовує приблизно при струмі 1,2 Iуст. Тим
часом 20% -ве перевантаження для електродвигуна небезпечно, тому вибір і
вбудову теплового реле доцільно J проводити по робочому струмі
електродвигуна Iраб, тим більше що електродвигуни на підприємствах галузі часто
працюють із недовантаженням. Таким чином, умови вибору краще записати у виді:
н.э. ≈ Iраб; (4.2.4)уст =
Iраб (4.2.5)
Робочий струм розраховуємо, виходячи з фактичного
навантаження електродвигуна:
раб = Кз * Iн. д, (4.2.6)
де Кз - коефіцієнт завантаження
електродвигуна.
Струм спрацьовування реле визначають за допомогою
регулятора струму нагрівального елемента. При положенні регулятора на оцінці
"нуль" теплове реле буде спрацьовувати при струмі, рівному
номінальному струмі нагрівального елемента (плюс 20% -ва добавка на теплову
інерцію).
Сучасне теплове реле має регулятор настроювання з
п'ятьма розподілами убік збільшення і п'ятьма убік зменшення струму
спрацьовування. Кожний розподіл відповідає 5 % нагрівального елемента, обраного
раніше. Формула для визначення результуючого, розподілу шкали, на який повинен
бути встановлений регулятор теплового реле з урахуванням температури
навколишнього повітря, має вид:
= n1 + n2 (4.2.7)
де: n1 - розподіл шкали установки струму без
температурної поправки;- поправка на температуру середовища.
Причому:
= Iн. д - Iн.э. / із
* Iн. э (4.2.8.)
де: із - коефіцієнт розподілу шкали, рівний 0,05
для відкритих пускачів і 0,055 - для захищених.
= t˚ окр - 30˚ / 10
(4.2.9)
Розмір n округляють до цілого у велику або меншу
сторону в залежності від характеру навантаження: у велику, якщо електродвигун
не схильний перевантаженням і має запас потужності; у меншу, якщо електродвигун
знаходиться на межі по нагріванню.
Дані з розрахунків заносимо в таблицю вибору
пускозахистної апаратури
Таблиця 4.2.1 Пускозахистна апаратура
|
Марка
ел. дв.
|
Найменування
устаткування
|
Рр,
кВт
|
IнА
|
Iп
/Iн
|
Тип
магнітного пускача
|
Теплове
реле
|
Автоматичний
вимикач
|
|
|
|
|
|
|
Iтр.
|
Iн. э
|
Тип
реле
|
Тип
|
Iн
|
Iм
|
|
1
|
2
|
3
|
4
|
5
|
6
|
7
|
8
|
|
4А112М6
|
Норії
|
3.0
|
7.4
|
6.0
|
ПМЕ-212
|
16.0
|
17.6
|
ТРН-25
|
АП-50
|
25
|
200
|
|
4А100L6
|
Шнекові
конвеєри
|
2.22.2
|
5.655.65
|
5.05.0
|
ПМЕ-112ПМЕ-112
|
1.61.6
|
1.761.76
|
ТРН-10ТРН-10
|
АП-50АП-50
|
2525
|
200200
|
|
4А100L6
|
Зволожуючий
шнек
|
2.2
|
5.65
|
6.5
|
ПМЕ-212
|
16.0
|
17.6
|
ТРН-25
|
АП-50
|
25
|
200
|
4.3
Розрахунок електропроводів і кабелів
Відповідно до ПУЕ обраний мінімальний перетин
провідників повітряних і кабельних ліній напругою до 10 кВт повинно одночасно
забезпечувати:
. Неперевищення припустимої температури
нагрівання ізоляції кабеля перетином S до 1 кВт - 65 °С и до 10 кВт -
60 °С, робочим (розрахунковим) струмом Iм. Для виконання цієї
умові S > S1, де S1 = f, вибирають по таблицях, у яких для
кожного перетину приведено номінально припустимий струм Iн. д,
тривалий вплив якого не викликає нагріву понад припустиму величину. При цьому
д * К1 * К2
≥ Iм, (4.3.1)
де: К1 - коефіцієнт, що враховує
температуру середовища, яка відрізняються від нормальної (для повітря +25 °С, землі +15°С);
К2 - коефіцієнт, що враховує тепловий
вплив від кабелів, які лежать поруч;м - тривалий розрахунковий струм, А.
. Припустимий розмір відхилення напруги (%) через
утрати ΔU в електромережах
≥ S2, S2 = ∑ Pi / ν * ∆Ua * U 2н = ∑
Pi / ν * U 2н (∆U
- ∆Uх) або = α 1 * (∑
P * L / ∆U - α 2 *
Xл * ∑ Q * L) (4.3.2)
де:
Р - розрахункове активне навантаження, кВт;-
розрахункове реактивне навантаження, кВт;- довжина лінії, км;
∆Ua - втрати напруги, від
активного навантаження, %;
∆Ux - втрати напруги від
реактивного навантаження, %;
∆U - припустимі втрати напруги, %;
ν - питома
електрична провідність провідника, м / (Ом * мм2)л - середнє
індуктивні опір лінії, Ом / км
Для кабелів з алюмінієвими жилами при напрузі
Uн==0,38к α 1-21,9 і α 2-0,69; при напрузі 10к α 1-0.0316 і α 2-0.001.
Для ліній до 1к.
. Відповідність обраному апарату максимально
струмовому захисту для мереж напругою до 1к:
≥ S3; S3 = f (Iз. a);
Iн. д. К1 * К2 ≥ К3 * Iз.
а. (4.3.3)
де:з. а. - ток захисного апарата;
К3 - коефіцієнт захисту: К3 =1.1.25,4.
Миттєве відключення струму К3 захисним апаратом. Для
виконання цієї умови перетин обраних провідників повинно забезпечувати при
виникненні однофазного короткого замикання розмір струму Iк,
перевищуючий струм установки захисного апарата в k разів:
к ≥ Iз. a *k (4.3.4)
де:- коефіцієнт, прийнятий при захисту
запобіжниками й автоматичними вимикачами з обернено залежної від струму
характеристикою: для невибуховобезпечного середовища 3, для вибуховобезпечного
середовища при захисті, автоматами 6, те ж, але при захисті
запобіжниками 4; для автоматів, що мають тільки електромагнітний
розщепитель: для вибуховобезпечного середовища 1,25 і не - вибуховобезпечного
середовища 1,0. Струм однофазному короткого замиканні визначають:
к = Uф / (Zтр /3)
+ Zн (4.3.5)
де:ф - фазна напруга, У;
Z тр /3 - повний опір обмотки
трансформатора;н, - повний опір лінії, Ом.
Повний опір лінії можна визначити але формулі:
л = √ ∑ R2 л
* + ∑ Х2л (4.3.6)
де:
Х2л - сума індуктивних
опорів окремих ділянок лінії;
∑ R2л - сума активних опорів окремих
ділянок лінії.
Розмір R л знаходимо по
формулі:
л = ρ l / S4 + Rдуг + Rн.э. (4.3.7)
де:
ρ - питомий
електричний опір провідника, Ом. м; l - довжина лінії, м; S4 - перетин
провідника лінії, мм2; Rдуг - опір електричної дуги при короткому
замиканні і контактних з'єднаннях приймаються при короткому замиканні на шинах
ТП 15 мОм, на шинах першого РП 20 мОм, на затискачах електродвигуна
25 мОм; при електропостачанні через декілька РП на кожне наступне
РП добавляють 5 мОм; Rн. э - опір нагрівальних елементів теплових реле.
Обраний перетин провідника S повинно бути
S ≥ S4 при якому
р ≥ Iз. а. * k
. Механічна тривалість S ≥ S5. Мінімально
що припускаються перетин проводів S5 для ВЛ напругою до 1кВт:
сталеалюмінієві 10 мм2, алюмінієві 16 мм3, для КЛ
у вибуховобезпечних помешканнях B-IIa мінімальний перетин жив 4 мм2,
в інших помешканням 2,5 мм3. Для лінії понад 1кВт.
. Припустимий розмір нагрівання провідника і його
ізоляції
встановлюється
КЗ * I: S ≥ S5 = 103
√ Вк / С (4.3.8)
Де:
Вк - тепловий імпульс, кА2;
. Економічну щільність струму S ≥ S7
= Iм * Iэ (4.3.9)
де:м - тривалий розрахунковий
струм. А;э - економічна щільність струму, А/мм2
У залежності від тривалості використання
максимального навантаження (ч/рік) економічна щільність струму складає: для
голих алюмінієвих проводів 1,3-1,1-1,0 А/мм2; для кабелів із
паперовою ізоляцією 1,6-1.4-1,2 А/мм2: для кабелів із гумовою
ізоляцією 1,9-1,7-1,6 А/м; при відповідній тривалості використання максимальної
напруги 1000.3000-3000.5000 - більш 5000 ч/рік.
Остаточно перетин провідника, що вибирається (мм2)
повинно забезпечувати для ліній напругою до 1 кВт:
≥ (S1; S2; S3; S4; S5)
понад 1кВт:
≥ (S1; S2; S6; S7;)
Таблиця 4.3.1 Дані по вибору кабелю
|
Марка
ел. дв.
|
Найменування
устаткування
|
Iн
|
К1
|
К2
|
Iп / Iн
|
Тип
кабеля
|
Кількість
і перетин проводу
|
|
1
|
2
|
3
|
4
|
5
|
6
|
7
|
8
|
|
4А112М6
|
Норія
|
7.4
|
0.9
|
0.67
|
6.5
|
АВВГ
|
4*2.5
|
|
4А100L64А100L6
|
Шнекові
конвеєри
|
5.655.65
|
0.90.9
|
0.670.67
|
5.05.0
|
АВВГАВВГ
|
4*2.54*2.5
|
|
4А100L6
|
Зволожуючий
шнек
|
5.65
|
0.9
|
0.67
|
5.0
|
АВВГ
|
4*2.5
|
4.5
Розрахунок налаштувань автоматичного регулятора
Усі системи регулювання повинні задовольняти ряду
вимог, які визначають їх вживаність в тому або іншому конкретному випадку.
Однією з основних вимог, до САР, є її стійкість. Проте стійкість є необхідним,
але не достатньою умовою працездатності системи регулювання. Перехідні процеси
в промислових системах повинні мати абсолютно певний характер і задовольняти
ряду вимог, витікаючих з конкретних умов роботи регульованих об'єктів.
Так як статичне відхилення буде більше від
допустимого треба вибирати ПІ - закон регулювання.
Мал.4.5.1 Структурна схема САР
передаточна функція
(4.5.1)
передаточний коефіцієнт= 1
час затримки
t = 0
коефіцієнт передаточної функції
b1 =1,5(4.5.2)
(4.5.3)
Оскільки запізнювання тільки зрушує перехідну функцію на
якийсь час t, то висновок перехідної функції робитимемо для аперіодичної ланки
1-го порядку без запізнювання, а "t" - врахуємо в остаточній формулі.
Таким чином, передатна функція об'єкту має вигляд:
в2 (p) =Wв20 (p) ×е-pt (4.5.4)
Хвх (t) =1 (t) - вхідний сигнал.
Зображення вихідного сигналу має вигляд:

(4.5.5)
визначаємо коефіцієнти А, В:
× (b1×p + 1) + B×p=A×b1×p + A + B×p = 1
при р1: A×b1 + B = 0
при р0: A = 1B = - b1
(4.5.6)
Знаходимо оригінал:
(4.5.7)
Врахуємо явище транспортного запізнювання, тобто при t ³ t
перехідна функція має вигляд:
(4.5.8)
При t < t h (t) = 0.
Розрахункові дані для побудови перехідного процесу в
Таблиці 4.5.1
Таблиця 4.5.1 Розрахункові дані
|
t
|
0
|
5
|
10
|
20
|
30
|
50
|
60
|
80
|
100
|
150
|
200
|
|
h (t)
|
0
|
0,667
|
0,878
|
0,983
|
0,998
|
1
|
1
|
1
|
1
|
1
|
1
|
Мал.4.5.2 Перехідна функція об'єкту по каналу
возмущенія
Перехідний процес об'єкту по каналу возмущенія
має запізнювання t=0,5. Оскільки передатна функція об'єкту по каналу
регулювання є передатною функцією аперіодичної ланки першого порядку, то
перехідний процес об'єкту по каналу регулювання має монотонний характер і після
закінчення перехідного процесу вихідна величина виходить на значення, що
встановилося, До К=1.
побудова амплітудно-частотної характеристики

Таблиця 4.5.2 Розрахункові дані для побудови АЧХ
|
w
|
0
|
0,1
|
0,2
|
0,5
|
0,7
|
0,9
|
1,5
|
2
|
3
|
6
|
|
А (w)
|
1
|
0,894
|
0,707
|
0,371
|
0,275
|
0,217
|
0,132
|
0,1
|
0,067
|
0,033
|
Мал.4.5.3 Амплітудно-частотна характеристика по
каналу обурення
Оскільки об'єкт по каналу возмущенія є
аперіодичною ланкою першого порядку, то по цьому каналу об'єкт добре пропускає
сигнали низької частоти і погано - сигнали високої частоти.
побудова фазо-частотної характеристики
Таблиця 4.5.3 Розрахункові дані для побудови ФЧХ
|
w
|
0
|
0,1
|
0,2
|
0,3
|
0,4
|
0,5
|
0,7
|
0,9
|
1,1
|
1,4
|
|
j (w)
|
0,00
|
-0,514
|
-0,885
|
-1,133
|
-1,307
|
-1,44
|
-1,642
|
-1,802
|
-1,941
|
-2,129
|
Мал.4.5.4 Фазо-частотна характеристика по каналу
обурення
Оскільки об'єкт по каналу обурення 2 є
комбінацією аперіодичної ланки і ланки транспортного запізнювання, то в режимі
гармонійних коливань він вносить негативні фазові зрушення.
побудова амплітудно-фазової характеристики
Таблиця 4.5.4 Розрахункові дані для побудови АФХ
|
w
|
0
|
0,01
|
0,03
|
0,05
|
0,08
|
0,1
|
0,2
|
0,5
|
|
Re (w)
|
1
|
1
|
0,98
|
0,935
|
0,848
|
0,779
|
0,448
|
0,048
|
|
Im (w)
|
0
|
-0,055
|
-0,161
|
-0,259
|
-0,379
|
-0,439
|
-0,547
|
-0,368
|
Мал.4.5.5 Амплітудно-фазова характеристика по
каналу возмущенія
Запізнювання в каналі регулювання погіршує якість
процесів регулювання. При його появі зменшується запас стійкості по фазі і по
модулю (тоді як запас стійкості по модулю в системі без запізнювання
максимальний), причому при збільшенні запізнювання система може вийти за межу
стійкості або зробитися нестійкою. Крім того, запізнювання збільшує час
перехідного процесу і зменшує власну частоту коливань. Аналізуючи криві
налаштувань ПІ - регулятора, можна зробити висновок, що поява запізнювання
зменшує значення настроювальних параметрів регулятора.
5.
Розробка монтажних схем
5.1
Розробка загально виду щиту управління
По заданій темі слід розробити щит місцевого
управління машин по Очищення зерна. Сигнальна апаратура, кнопки управління,
перемикачі встановлювані, на пульті управління були встановлені, по ПЭС
ділянки.
Розроблений пульт місцевого управління
забезпечує:
Пуск і стоп машин по очищенню зерна;
Пуск і стоп маршруту;
Контроль підпорів голівок і черевиків норії
Дистанційний автоматизований запуск устаткування
маршруту;
Перемикання з місцевого управління в
дистанційний;
Сигналізацію стану машин при нормальній роботі і
у разі аварійній зупинці.
За моїм завданням панель управління має шафовий
тип який розроблений в одному документі - загальному вигляді щита.
Перелік використаних на панелі управління
елементів переведені в специфікації.
У щиті місцевого управління, встановлюється
устаткування, апаратура для управління машинами тих, що знаходяться,
територіально разом з цим щитом. Я розглядаю машини зерна, що входять у
відділення по очищенню. Ці машини розміщені на 2 і 3ем поверхах.
З цього щита необхідно управляти такими машинами:
Норією №6;
Шнековим конвеєром
Зволожуючим шнековим конвеєром
Реверсивним шнековим конвеєром
На лицьовій панелі щита я розмістив кнопки
управління для кожної з машин.
Кнопки пуск, стоп я обрала фірми Lovato electric.
Кожна кнопка нумерується і їй привласнюється позиційне позначення, так само і
амперметр над кнопками знаходяться пояснювальні написи, зміст яких заноситься в
спеціальну таблицю.
Я обрав шафу з нержавіючої сталі, фірми ВЕТАВОХ
міра захисту ІР 54., габаритні розміри 400 х 600 х 300. Шафа складається із
задньої і передньої панелі, на передній панелі розміщені кнопки управління, а
на задній розміщені пускозахисна апаратура.
5.2
Розробка монтажного щита управління
На кресленні "Монтажна схема пульта
управління" зображений пульт управління, зсередини в дзеркальному виді
відбиті відповідно до лицьової панелі управління.
На кресленні зображені кнопки управління. Над
кожним елементом показано його позиційне позначення відповідно до електричної
схеми.
Монтажна схема щита управління виконана у вигляді
креслення внутрішньої площини панелі. На кресленні зображені усі елементи з
урахуванням їх взаємного розташування (відповідно до принципової схеми
управління за місцем).
Щит я підібрав залежно від кількості
устаткування, які необхідно встановити в середині його, з 10% запасом, також я
врахував послідовність розміщення усіх елементів.
Монтажна схема пульта управління застосовується
для відображення підключення апаратури управління до клемника.
Розробка монтажної схеми включає панель
управління, на якій вказано розміри між осьовими лініями отворів,
використовуваних для установки апаратури управління маршрутом, а також
елементи, використовувані в розробці самої панелі управління, - кнопки
управління і перемикачі.
У кожного елементу схеми мають бути пронумеровані
клемники і дроти, які використовуються. Навпроти дроту вказується адреса.
Дроти від клемника об'єднуються в загальний
кабель. Кабель має нумерацію з вказівкою жил, використовуваних в кабелі.
5.3
Розробка схеми зовнішніх з’єднань
Схеми зовнішніх електричних і трубних проводок
виконують в таких видах:
. У вигляді комбінованих схем, де на одному
кресленні показують і електричні, і трубні проводки.
. У вигляді спільних схем, де на одному кресленні
показують схеми електричних проводок і підключення дротів і кабелів до затисків
і роз'ємів.
Допускається замість спільних схем виконувати
один вид схем, наприклад, схему зовнішніх з'єднань електричних проводок, або
схему зовнішніх трубних проводок.
Схеми зовнішніх проводок повинні містити: щити і
пульти управління, місцеві пульти контролю і управління в них, щитові прилади і
засоби автоматизації, підключення проводок до пультів управління, приладів і
так далі, а також технічні вказівки і умовні графічні позначення.
Схеми зовнішніх проводок відповідають креслення
монтажних схем пультів управління, а також плану розташування засобів
автоматизації. Схеми виконуються без дотримання масштабу. На схемі над або під
умовними графічними позначеннями датчиків, приладів, виконавчих механізмів і
так далі розташовують пояснювальну таблицю.
Для кожної електричної проводки наводиться її
технічна характеристика: тип (марка) проводки або кабелю, кількість жил, їх
переріз, кількість робітників жил (вказується в прямокутниках) для кабелю. Для
трубних проводок вказують тип, довжину і діаметр труб використовують. За
наявності в схемах труб однієї марки, їх параметри можна вказувати на одній
виносній лінії.
Для приладів потрібно вказувати схеми внутрішніх
з'єднань за винятком дзвінків, сигнальних ламп і інших засобів, які мають
однозначні підключення.
На схемі зовнішніх з'єднань зображена
пояснювальна таблиця, що вказує параметр і місце відбору імпульсу, позначення
монтажного креслення і позиції відповідно до функціональної схеми.
Нижче пояснювальній таблиці розташовані умовні
графічні позначення датчиків з вказівкою нумерації клеми, а також позначення
підключених до них дротів з кабелю. Кожен кабель має свій порядковий номер,
марку кабелю з вказівкою кількості жил і їх переріз, кількість робітників жил
кабелю.
Схеми зовнішніх проводок узгоджуються з
кресленнями монтажних схем щитів, пультів, а також з планами розташування
устаткування і засобів автоматизації.
Для приладів необхідно вказувати схеми внутрішніх
з'єднань за винятком дзвінків, сигнальних ламп і інших засобів, що мають
однозначне підключення.
Для ув'язки схеми зовнішніх підключень з
монтажними схемами релейного приміщення на кінці кабелю відповідному РП
вказаний номер до якої він підключається.
Виходить що для цих машин я зображував такі
датчики:
Датчик підпору;
Датчик навантаження двигуна;
Датчики швидкості;
датчик рівня.
Усі датчики мають зв'язок як з силовим щитом, так
і з щитом контролера. Фірма кожного датчика вказана в специфікації.
5.4
Розробка монтажної схеми силового щита
Монтажна схема силового щита складена на підставі
принципової електричної схеми і відображає електричні з'єднання усередині
самого щита. Електричні з'єднання на монтажній схемі я вирішив робити адресним
способом, оскільки вважаю цей спосіб зручнішим для читання схеми.
Монтажна схема силового щита виконана у вигляді
креслення внутрішньої площини панелі. На кресленні зображені усі елементи з
урахуванням їх взаємного розташування (відповідно до схеми щита місцево
управління).
Щит необхідно підібрати залежно від кількості
устаткування, яке необхідно встановити в середині його, з 10% запасом, також
необхідно врахувати послідовність розміщення елементів. Необхідно враховувати
вигини кабелів, силові кабелі мають значні радіуси вигину. Елементи встановлені
на DIN - рейку. Також в щит необхідно встановити автоматичний вимикач, на увесь
щит, і окремий вимикач для розетки і лампочки.
На монтажній схемі щита розташовані 30 елементів,
які відносяться до цього об'єкту. З'єднання зроблені дротом ПВ1х0, 75.
У щиті окрім пускозахисної апаратури ще
розташований трансформатор струму для норій.
Умовно-графічне позначення базуються з простих
геометричних фігур (квадратів, прямокутників, кіл), а також з суцільних і
пунктирних ліній і точок.
При використанні позначень слід пам'ятати:
положення контактів і реле пускачів, кнопок, рубильників і інших комутаційних
елементів, зображують на схемах при знеструмленій ділянці ланцюга або за
відсутності дії зовнішніх сил. Важливе значення має правильне позиційне
позначення елементів і маркувальних ланцюгів і їх ділянок.
У відповідністю із завданням на монтажній схемі
також зображені ланцюги підключення усіх вимірювальних і регулюючих приладів.
Вказані в монтажних схемах клемники не є частиною
панелі управління оскільки розташовуються усередині пульта на спеціальних
кріпленнях і зображуються поряд з панелями.
5.5
Розробка монтажної схеми щита контролерів
Монтажна схема розміщення контролерів складена на
підставі принципової електричної схеми і відображає електричні з'єднання
усередині самого щита контролерів.
Монтажна схема розміщення контролерів виконана у
вигляді креслення внутрішньої площини панелі. На кресленні зображені усі
елементи з урахуванням їх взаємного розташування (відповідно до схеми щита
місцево управління і громад видом).
Щит був підібраний залежно від кількості модулів,
які необхідно було встановити, з 10% запасом, також необхідно врахувати
послідовність розміщення їх. Усю елементну базу необхідно кріпити на DIN -
рейки. Також в щит необхідно встановити автоматичний вимикач, на увесь щит, а
також автомат для розетки і лампочки.
На монтажній схемі розміщення контролерів
розташовані 7 контролерів і автоматичний вимикач, які відносяться до цього
об'єкту, а також розташоване прилади для перетворення змінного струму в
уніфікований сигнал постійного струму. ПНС-3 прилади перетворять сигнал, який
йде з трансформатора струму Норій.
У шафі окрім контролерів є клемник. Окрім
основного кабелю, який з'єднаються з силовим щитом (Щит№1), також відводиться
окремий кабель для зв'язку контролерів з промисловим ПК по інтерфейсу RS - 485.
З'єднання між елементами показані адресним
способом. Номер дроту вказується над провідником або зліва від нього.
Клемник розташований усередині щита, який кріпиться
на спеціальних кріпленнях.
Зв'язок щита контролерів з силовим щитом
здійснюється за допомогою мідного кабелю КГВВ - кабелю управління.
Тип щита Betabox (400Х600 X250).
6.
Рекомендації по монтажу і наладці
Монтажні схеми - це робочі креслення, що використовуються
при виготовленні щитів і пультів, а також при монтажі систем автоматизації.
По монтажним схемам приєднують проводи і труби до
приладів, апаратури керування і допоміжних устроїв, установлених на щитах і
пультах у процесі монтажу.
Монтажні схеми треба використовувати у виді
окремих креслень на кожну панель щита і пульта. Апаратура при цьому повинна
мати буквене або цифрове позначення, прийняте в принципових схемах
автоматизації, електричних і пневматичних схем.
На монтажній схемі дається специфікація монтажних
приладів і матеріалів, додаткова специфікація, що розміщають на кресленні
загального виду.
Початкові матеріали для решти монтажних схем:
функціональна схема автоматизації, електрична і пневматична схема керування,
автоматичне керування і сигналізація, схеми зовнішніх електричних і трубних
проводок.
Монтаж запроваджень електричних і трубних
проводок у щитовій конструкції являє собою комплекс різних робіт: підготовка
місць запроваджень і установка сальників, запровадження патрубків, з'єднання тощо.
Додаток і закріплення електричних кабелів із
поділом кінців від місця запровадження до кінця решти контактних затискачів,
прокладення кабелів по тієї ж самої трасі.
З'єднання жил кабелів або прокладення до
контактних затискачів із продзвонкою і маркіруванням жил.
Пульти, щити і штативи повинні мати заземлений
затискач. Металеві елементи щитової конструкції, апаратів і проводів, повинні
мати надійне електричне з'єднання з затискачем, що заземлює і забезпечує
безперервний електричний маршрут.
Електропроводки прокладають на коротких ділянках,
між приладами, що з'єднуємо, і засобами автоматизації, паралельно стінам,
перегородкам і колонам із мінімальним числом поворотів і перетинань, зручно
розташовувати для монтажу й експлуатації, а також
достатня відокремлюють від місць із підвищеною температурою технологічного
устаткування й електроустаткування силових і ліній, що освітлюють.
Електропроводки захищають від механічних ушкоджень, корозії, вібрацій,
перегріву.
У електропроводках системи автоматизації припускається
загальна прокладка в одній захисній трубі, коробі, кабелю або в однім пучку
проводи, вузла керування, регулювання, сигналізації, харчування напруги до 380
В перемінного току і 440 В постійного току, з огляду на вузол харчування і
керування електродвигунами виконавчих механізмів і електропроводок засувок.
Якщо кабель прокладають в місцях де можлива їхня
поразка, тоді вони повинні бути захищені по висоті на два метрів на рівні статі
або землі. Електричні провідники від датчиків первинних вимірювальних перетворювачів,
виконавчих механізмів, що встановлюються безпосередньо на технологічному
устаткуванні, радять з'єднувати в сполучних коробах, ящиках, незалежно від
того, до якої панелі щита оператора повинні підключаться ці проводи. Від
сполучних коробів, ящиків передбачається прокладка магістральних багато жильних
кабелів до щитового помешкання.
Найменше припустимий перетин жил проводів і
кабелів електропроводок системи автоматизації у вибуховонебезпечних зонах
повинний складати 1 мм2 для місцевих і 2.5 мм2 для
алюмінієвих проводів.
Якість роботи автоматичних систем керування або
ДУ в більшості випадків залежить від засобів з'єднання виконавчих механізмів із
регулюючим органом.
Вимоги до з'єднання виконавчого органа з
регулюючим органом у загальному виді зводиться до такого:
·
Пристрої повинні бути прості і надійні в роботі, монтажі, наладці
і керуванні, регулюванні, повинні бути зручними.
·
У регулюючому органі і у всіх інших етапах з'єднання повинні бути
відсутні люфти.
·
Характеристика регулюючого органа повинна бути лінійної або
близької до неї.
·
Виконавчий механізм бажано розташовувати на одній оцінці з
регулюючим органом.
·
Варто користуватися провідниками, що у комплексі виконавчого
механізму, тому що вони мають постійні розміри.
·
Всі шарнірні з'єднання повинні використовуватися по третьому класу
точності ходовій посадці.
Електроналагоджувальні роботи включають наладку
електричних пристроїв, систем електропостачання електросилових установок
технологічної автоматики слабко струмкових пристроїв.
Налагоджувальні роботи в більшості випадків і є
перевірочними роботами, в результаті яких визначається дієздатність не тільки
кожного окремого елемента устаткування, схеми або спорудження, але і всього
комплексу в цілому.
Налагоджувальний персонал у процесі наладки
повинний знайти й усунути всі помилки, незалежно від причин, що викликали ці
помилки. Основні засоби усунення помилок це технічний огляд, попередні іспит,
перевірка схеми комутацій і взаємозв'язок елементів схеми. Комплексний іспит
електричної частини СДАУ.
Загальним для усіх робіт є пошук помилок монтажу
і справності устаткування, що здійснюється по принциповим схемам за допомогою
електричного тестера, обладнаного електромагнітним індикатором або лампочкою.
Основні типи недоліків:
Обриви вузлів і кабелів; обриви проводів у місцях
з'єднання й у середині апарата або пристрою; коротке замикання серед різних
вузлів однієї напруги; різними полюсами в системі напруги; струмоведучих частин
і корпусом або на землю; сталевими або робітниками контактами реле й апаратів;
недоліки елементів; механічних частин в апаратурі.
У кожному окремому випадку побудова елементної
схеми дає свої індивідуальні особливості. Задача наладчика складається в тому,
що б знайти, у якому з елементів знаходиться недолік.
Тепер основними офіційними основними матеріалами
при виконанні налагоджувальних робіт є "Правила устрою електроприладів”,
"Правила технічної експлуатації і безпеки обслуговування електроприладів
промислових підприємств”, "Будівельні норми і правила”, "Збірник
правил техніки безпеки при виконанні електро-монтажних робіт”, "Технічні
умови і норми на монтаж устаткування".
7.
Охорона праці и техніка безпеки
Технікою безпеки називається комплекс
організаційних та і технічних заходів, спрямованих на запобігання працюючих від
виробничого травматизму і шкідливих впливів, викликаних умовами роботи. Кожен
робітник, пов'язаний за умовами виробництва з роботою на висоті, у діючих
електроустановках, у шкідливих цехах повинен мати висновок лікаря про
придатність його до роботи в зазначених умовах. Медичний огляд визначає
придатність працівника по стану здоров'я до робіт на електроустановках напругою
до 1000 В и вище. До роботи допускаються особи тільки після проходження
вступного інструктажу з техніки безпеки і виробничого інструктажу безпосередньо
на робочому місці.
Задачі вступного інструктажу - це ознайомлення із
загальними правилами техніки безпеки з метою загострити увагу працівників, що
надійшли на роботу, на виконанні цих правил у запобіганні нещасних випадків.
Після вступного інструктажу з техніки безпеки робітник проходить виробничий
інструктаж безпосередньо на робочому місці. Інструктаж на робочому місці
проводить посадова особа, під керівництвом якого працює інструктуємий, в обсязі
обов'язкових інструкцій з робочого місця. Інструктаж супроводжується показом
правильних і безпечних прийомів і методів роботи, що і запобігають нещасних
випадків. Весь персонал служби КВПтаА практично повинен освоїти способи надання
першої допомоги при нещасних випадках і користування захисними засобами.
При роботі з електричними пристроями й системами
автоматизації необхідно перевіряти надійність заземлення корпусів двигунів,
панелей, щитів, трансформаторів і захисних труб електричних проводок. Не можна
ремонтувати електроустаткування, прилади, що регулюють пристрої й елементи
пускорегулюючої апаратури без відключення їх від напруги. Якщо не можна зняти
напругу, варто користатися монтерським інструментом з ізольованими ручками,
працювати в гумових рукавичках, стоячи на
гумовому підстіллі. Особливі запобіжні заходи
необхідно приймати при роботі в сирих приміщеннях з металевими підлогами,
поблизу металевих конструкцій, щитів, трубних проводок і т.п.
Необхідно мати на увазі, що в таких приміщеннях
дозволяється користатися електричним переносним інструментом з напругою не
більш 12 В.
Значна частина датчиків і вимірювальних приладів,
з'єднаних з технологічними апаратами і трубопроводами, з'єднаними з лініями,
може знаходитися в контакті з гарячими, отрутними, пальними і токсичними
рідинами й газами під надлишковим тиском.
В обов'язки операторського персоналу входить:
прийом зміни від попереднього працівника, а після закінчення роботи здача її
наступному. При прийомі зміни робітник знайомиться з роботою устаткування і
його станом шляхом самостійного огляду й опитування здаючого зміну. Вивчає
записи й розпорядження за годину, що пройшов із його останнього чергування.
Потім оформляється прийняття. За годину свого чергування робітник стає
відповідальним за безпеку обслуговування, і безаварійну роботу довіренного йому
устаткування. При порушенні режиму, ушкодженнях, нещасних випадках чи аварії
черговий повинен сам, не втрачаючи часу, ужити необхідних заходів і доповісти
про це старшому по зміні.
Періодично під час зміни, черговий оператор
перевіряє роботу апаратів.
Для захисту від ушкоджень електричним струмом при
замиканні на корпус застосовуються захисні міри електробезпечності. Заземлення
і занулення - основні захисні заходи.
Забороняються пуск і робота машин із несправними
чи знятими загородженнями, блокувальними, запобіжними, сигнальними пристроями.
Забороняється під час роботи машини знімати й надягати приводні ремені,
регулювати натяг тягових і робочих органів, проводити змащення, дрібний ремонт,
підтяжку болтів і т.п. Ці роботи дозволяється виконувати тільки після повної
зупинки устаткування.
Забороняється палити і виконувати зварювальні
роботи, застосовувати всі види відкритого вогню на відстані до 10 м при
працюючому конвеєрі.
Оперативне обслуговування електроустановок може
здійснюватися як місцевим оперативно-ремонтним персоналом, за яким закріплена
дана електроустановка, так і виїзним, за яким закріплена група
електроустановок.
Особам з оперативно-ремонтного персоналу, що
обслуговують електроустановки, експлуатовані без місцевого оперативного
персоналу, при огляді електроустановок, оперативних перемиканнях, підготовці
робочих місць і допуску бригад до роботи і т.п. відповідно до "Правил
технічної
експлуатації електроустановок споживачів”
наддаються всі права й обов'язки оперативного персоналу.
Ремонт устаткування можна виконувати тільки після
відключення автоматичного вимикача в приміщенні, повісивши табличку "НЕ
ВКЛЮЧАТИ. ПРАЦЮЮТЬ ЛЮДИ", на місці необхідно установити аварійний вимикач
у положення "ВІДКЛЮЧЕНЕ". Про відключення необхідно зробити запис в
оперативному журналі.
Приймання зміни при несправному устаткуванні чи
ненормальному режимі його роботи допускається тільки з дозволу особи,
відповідальної за дану електроустановку, чи вищестоящої особи, про що робиться
відмітка в оперативному журналі.
Особа з оперативного персоналу під час свого
чергування є відповідальною за правильне обслуговування і безаварійну роботу
всього устаткування на дорученій їй ділянці.
Старший по зміні з оперативного персоналу
зобов'язаний негайно довести до відома диспетчера енергопостачальної
організації про аварії, що викликали відключенням однієї чи декількох ліній
електропередач, що живлять підприємство.
При порушенні режиму роботи, ушкодженні чи аварії
з електроустаткуванням, оперативний персонал зобов'язаний самостійно й негайно
за допомогою підлеглого йому персоналу вжити заходів до відновлення нормального
режиму роботи і повідомити про це безпосередньо старшій по зміні чи особі,
відповідальній за електрогосподарство.
Електроустановки (можливість їх застосування,
монтаж, налагодження та експлуатація) повинні відповідати вимогам чинних Правил
улаштування електроустановок (ПУЕ), Правил технічної експлуатації
електроустановок споживачів (ПТЕ) та Правил техніки безпеки під година
експлуатації електроустановок споживачів (ПТБ).
Електричні машини, апарати, обладнання (апарати
управління, пускорегулювання, контрольно-вимірювальні прилади, електродвигуни,
і т. ін.), електропроводи та кабелі за виконанням та ступенем захисту повинні
відповідати класу зони (за ПУЕ), мати апаратуру захисту від струмів короткого
замикання та інших аварійних режимів.
З'єднання, відгалуження та окінцювання жил
проводів і кабелів мають здійснюватися за допомогою опресування, зварювання,
паяння або затискачів (гвинтових, болтових тощо).
Не допускається виконувати виробничі операції на
обладнанні, установках із несправностями, які можуть привести до займань та
пожеж, а також коли відключені контрольно-вимірювальні прилади, за якими
визначаються технологічні параметри (температура, тиск, концентрації газів,
парів і т. ін.). Електромонтер повинен стежити за тім, щоб біля електродвигунів
і проводів не знаходилося легкозаймистих предметів, що можуть зашкодити
устаткування і викликати пожежу.
При пожежі електромонтер повинний: негайно
зупинити двигуни; зняти сигнальну тривогу і сповістити пожежну охорону
підприємства й одночасно застосувати всі заходи пожежегасіння
У разі виявлення пожежі (ознак горіння)
необхідно:
негайно повідомити про це за телефоном 01 пожежну
охорону;
вжити (по можливості) заходів по евакуації людей,
гасіння (локалізації) пожежі та збереження матеріальних цінностей;
повідомити про пожежу керівника чи відповідну
компетентну особу та / або чергового по об'єкту;
у разі необхідності викликати інші
аварійно-рятувальні служби (медичну, газорятівну тощо).
При виникненні аварійних умов експлуатації
будь-якого обладнання необхідно зупинити їх роботу, відключити від електричної
мережі, доступними засобами позначити і огородити небезпечне місце, доповісти
керівництву про випадок.
При необхідності екстренної евакуації
обслуговуючого персоналу негайно зупинити роботу і відключити все працююче
обладнання від електричної мережі.
Техніка безпеки при обслуговування машиною для
зволоження зерна
До обслуговування машини мийної допускатися
особи, справжні, що вивчили, технічний опис з інструкцією по експлуатації, що
мають навичку роботи на машині і проведено інструктаж по техніці безпеки.
Перед пуском, машину необхідно заземлити і
переконатися у відсутності сторонніх предметів в зоні вузлів, що обертаються.
Величина опору заземлення не більше 40 м.
Пуск машини зі знятим або несправним кожухом
категорично заборонений.
Подання зерна в машину без наявності води у ванні
забороняється.
Завантажену машину пускати і зупиняти
забороняється.
Очищення і ремонт машини робити тільки при її
зупинці. При роботі, пов'язаній з ремонтом частин, що обертаються, необхідно
відключить від мережі живильника і на головному рубильнику прикріпити табличку
- НЕ ВКЛЮЧАТИ.
Підготовка до роботи:
· Підготовку до роботи
машини зробити в наступному порядку:
· Перевірити підключення
усіх комунікацій до машини;
· Перевірити наявність
заземлення машини;
· Наявність сторонніх
предметів в робочих зонах мийної ванни і сплавного пристрою неприпустимо.
· Заповнити мийну ванну і
сплавний пристрій водою, кількість води має бути на рівні осі шнека мийної
машина;
· Включити виведення ванни,
привести в рух шнек і гідросистему;
· Запустити колонку на
неодруженому ходу;
· Зробити обкатку машини на
неодруженому ходу в течію не менше 1 години;
· Помічені недоліки усунути
і після повторної обкатки машину здати в експлуатацію.
8.
Техніко-економічне обґрунтування проекту та кошторис капітальних затрат
В першому розділі виробничо-фінансового плану,
розробляється план випуску продукції, при використанні усіх матеріальних,
трудових і фінансових ресурсів розробляється номенклатура і асортимент
продукції.
Номенклатура - основний перечень
продуктів;
Асортимент - Детальний перечень
продуктів.
При розробці виробничої програми створюють
робочий період підприємства, визначається добову планову виробничість
підприємства і кількості показників випуску продукції.
Робочий період підприємства - це час роботі
технологічного процесу обладнання чи час за яке випускається продукція.
Робочий період підприємства визначається:
Рп = Кф - Пост (8.1)
Де:
Рп - Робочий період, діб;
Кф - Календарний фонд часу, діб;
Пост - Планові зупинки, діб;
До планових зупинок відносяться:
- Капітальний ремонт;
- Поточній ремонт;
- Газація;
- Інші зупинки;
- Святкові дні;
- Вихідні дні.
Таблиця 8.1 Робочий період
|
Показники
|
План на
рік
|
В тому
числі на квартал
|
|
|
I
|
II
|
III
|
IV
|
|
Календарний
фонд часу
|
365
|
90
|
91
|
92
|
92
|
|
Планові
зупинки
|
164
|
56
|
36
|
35
|
37
|
|
Капітальний
ремонт
|
15
|
15
|
-
|
-
|
-
|
|
Поточний
ремонт
|
23
|
5
|
4
|
5
|
9
|
|
Газація
|
5
|
-
|
5
|
-
|
-
|
|
Інші
зупинки
|
7
|
2
|
1
|
2
|
2
|
|
Вихідні
дні
|
104
|
26
|
26
|
26
|
26
|
|
Святкові
дні
|
10
|
3
|
5
|
2
|
-
|
|
Робочий
період
|
201
|
34
|
55
|
57
|
55
|
|
Коефіцієнт
викор. календ. часу
|
0,5506
|
0,3777
|
0,6043
|
0,6195
|
0,5978
|
1) Визначимо робочий період підприємства.
Використовуючи формулу (ф.1) визначимо робочий період за рік і по кварталам:
Рп (рік) = Кф - Пост = 365 - 164 = 201 діб;
Рп (Ікв.) = Кф - Пост = 90 - 56 = 34 діб;
Рп (ІІкв.) = Кф - Пост = 91 - 36 = 55 діб;
Рп (ІІІкв.) = Кф - Пост = 92 - 35 = 57 діб;
Рп (ІVкв.) = Кф - Пост = 92 - 37 = 55 діб.
) Визначимо коефіцієнт використання календарного
фонду часу за рік та по кварталам за формулою (ф.2).
Кисп = Рп / Кф (8.2)
Де:
Кисп - коефіцієнт використання календарного часу;
Рп - Робочий період підприємства;
Кф - календарний фонд;
Кисп (рік) = Рп / Кф = 201/365 = 0,5506
Кисп (Ікв.) = Рп / Кф = 34/90 = 0,3777
Кисп (ІІкв.) = Рп / Кф = 55/91 = 0,6043
Кисп (ІІІкв.) = Рп / Кф = 57/92 = 0,6195
Кисп (ІVкв.) = Рп / Кф = 55/92 = 0,5978
Дані з розрахунків заносимо в таблицю 8.1.
Таблиця 8.2 Балансова вартість засобів
автоматизації.
Розрахунок балансової вартості засобів автоматизації
Бп. р. = Одн. * кіл (8.3)
Тр = 8% * Бп. р. / 100% (8.4)
Ск = 2% * Бп. р. / 100% (8.5)
М = 10% * Бп. р. / 100% (8.6)
∑Ба = Бп. р. + Тр + Ск + М (8.7)
Де:
Бп. р. - загальна вартість засобів автоматизації, грн.;
Тр - вартість на транспортні витрати, грн.;
Ск - вартість на складські витрати, грн.;
М - витрати на монтаж, грн.;
∑Ба - загальна балансова вартість;
Таблиця 8.3 Трудомісткість впровадження засобів
автоматизації
Визначимо заробітну плату робочих на монтаж:
ФЗПо = ГТС * Кр; (8.8)
Де:
ФЗПо - річний фонд, грн;
ГТС - годинно-тарифна ставка, грн;
Кр - кількість робочих даного розряду, чол.
ФЗПо = 20 * 7,12 = 142,4;
ФЗПо = 39 * 6,37 = 248,43;
Таблиця 8.4 Заробітна плата робочих на монтаж.
|
Трудомісткість
всього Чол. х год.
|
Розряд
|
ГТС,
грн.
|
Основна
заробітна плата, грн.
|
|
а) 20
б) 39
|
4 3
|
7,12
6,37
|
142,4
248,43
|
|
Всього
|
-
|
-
|
390,83
|
Визначимо амортизаційні витрати по кварталам та
за рік.
Таблиця 8.5 Амортизаційні витрати по кварталам та
за рік.
|
I
квартал
|
II
квартал
|
III
квартал
|
IV
квартал
|
∑А
|
|
БА
|
А
|
БА
|
А
|
БА
|
А
|
БА
|
А
|
|
|
3450
|
517,5
|
2932,5
|
439,87
|
2492,63
|
373,89
|
2118,74
|
317,81
|
1649,07
|
А= (БА * На) / 100; (8.9)
БА = БА (і-1) - А (і-1); (8.10)
∑А = А1 + А2 + А3 + А4; (8.11)
9.
Висновок
Під даного дипломного проекту було головною
задачею впровадити автоматизовану систему зволоження зерна та підготовка
очищеного зерна перед драною системою. Визначивши економічну ефективність
впровадження автоматизованої системи та строк її окупності доцільність
автоматизації є актуальною.
Підвищуючи інтелектуальний рівень технічних
засобів, можливо управляти об'єктом як це міг би робити ідеально підготовлений
розуміючий всі особливості об'єкта людина-оператор. Тобто заміна реальної
людини з усіма її недоліками можна розглядати як залучення на роботу оператора
найвищої кваліфікації, у вигляді технічного засобу котрий не потребує
відповідної заробітної плати.
Автоматизація дозволяє спрощувати технологічні
схеми, компоновку обладнання, будівельні рішення, що, в свою чергу, впливає на
зменшення складності схемних рішень автоматики. Якщо ці факти не враховувати,
автоматизація недостатньо ефективна, або навіть погіршує роботу виробництва. На
даний час дуже багато підприємств перейшли на такий спосіб управління. Але
особливе значення приймає автоматизація технологічних процесів у галузях
агропромислового комплексу в зв'язку з застарілістю обладнання, та методів
керування.
Література
1. Куликов
В.Н., Миловидов М.Е. "Устаткування підприємств елеваторної і
зернопереробної промисловості. - М.: Агопроміздат, 1991.
2. Новицкий
О.А. "Курсове і дипломне проектування по автоматизації підприємств".
. Морозов
Э.В., Новицкий О.А., Середа Д.Г. "Довідник електрика підприємств по
зберіганню і переробці зерна" - М.: Агропроміздат, 1989.
. Гершунский
Б.С. "Довідник за розрахунком електронних схем". Київ. "Віща
школа". 1983 р.
. Сафронова
Н.А. "Экономика предприятия", 1998г., 544с.
. Ребин
Ю.И. "Основи экономики и управления производством", 2000г.
. Яркина
Т.В. "Основи экономики предприятия", 1996г.
. Ладанюк
" Проектирование, монтаж и эксплуатация систем автоматизации в пищевой
промышленности". - М.: Агропромиздат, 1991
. М.Л.
Каминский В.М. Каминский "Монтаж приборов и систем автоматизации": -
М.: Высшая школа, 1983
10.
Додатки
10.1
Заказна специфікація на засоби автоматизації
Таблиця 10.1.1 Заказна специфікація на прилади та
засоби автоматизації
|
Позначення
|
Найменування
|
Марка
|
Кількість
(шт)
|
|
КМ
|
Магнитний
пускач
|
ПМЛ
ПМ12
|
1 2
|
|
КК
|
Теплове
реле
|
РТЛ РТТ
|
1 2
|
|
FQ
|
Автоматичні
вимикачі
|
ВА88
|
7
|
|
КВ, КС,
КL
|
Реле
|
РПУ
|
7
|
|
SB
|
Кнопочна
станція
|
ABLF-22
ALCLR-22
|
16 1
|
|
SL
|
Датчик
рівня
|
СУС М
|
10
|
|
KR
|
Реле
контроля швидкості
|
УКС
|
5
|
|
SQ
|
Кінцеві
вимикачі
|
ВК-2000
|
11
|
|
НL
|
Сигнальна
арматура
|
AL-22TE
|
30
|
|
VD
|
Діод
|
|
36
|
10.2
Заказна специфікація на кабелі та монтажні матеріали
Таблиця 10.2.1 Специфікація кабелів та монтажних
матеріалів
|
Найменування
|
Марка
|
Кількість
(шт)
|
|
Електродвигун
№ 12
|
АВВГ 4´3,5
|
9
|
|
Електродвигун
№ 13
|
АВВГ 4´2,5
|
7
|
|
Електродвигун
№ 14
|
6
|
|
Електродвигун
№ 15
|
АВВГ 4´2,5
|
6
|
|
Щкаф
ВЕТАВОХ
|
400 х
600 х 300
|
1
|
|
Клемник
|
ПВ
1х0,75
|
5
|