Экономический расчет строительно-монтажных работ
1. Проектирование работ по монтажу сооружения
.1 Определение объемов монтажных и сопутствующих работ
Объем монтажных работ исчисляется количеством отдельных сборных бетонных
и железобетонных элементов, объединенных в группы по их видам, а по объем
сопутствующих работ (сварка стыков, замоноличивание и др.) определяется исходя
из общего количества элементов в здании и их расположения.
В качестве монтажного элемента принимается конструктивный элемент,
монтируемый отдельно (колонна, балка и т.д.).
Подсчет количества всех монтажных элементов ведется на основании плана
многоэтажного каркасного промышленного здания (рисунок 1.1) и поперечного
разреза многоэтажного промышленного здания (рисунок 1.2).
Все подсчеты объемов работ сведены в таблицу 1.
Таблица 1-Подсчеты объемов монтажных и сопутствующих им работ
|
№
|
Наименование
конструктивного элемента
|
Масса элемента, т
|
Единица измерения
|
Количество
|
|
|
|
|
По осям
|
По пролетам
|
На этаж
|
На здание
|
|
|
|
|
А
|
Б
|
В
|
Г
|
1
|
2
|
3
|
|
|
|
1
|
2
|
3
|
4
|
5
|
6
|
7
|
8
|
9
|
10
|
11
|
12
|
13
|
|
1
|
Фундамент
|
6,8
|
шт.
|
11
|
11
|
11
|
11
|
-
|
-
|
-
|
-
|
44
|
|
2
|
Колонна 1-го эт.
|
4,2
|
шт.
|
11
|
11
|
11
|
11
|
-
|
-
|
-
|
44
|
44
|
|
3
|
Колонна 2-го эт.
|
4,2
|
шт.
|
11
|
11
|
11
|
11
|
-
|
-
|
-
|
44
|
44
|
|
4
|
Ригели
|
2,3
|
шт.
|
-
|
-
|
-
|
-
|
10
|
10
|
10
|
30
|
60
|
|
5
|
Плиты перекрытия
|
2,1
|
шт.
|
-
|
-
|
-
|
-
|
40
|
40
|
40
|
40
|
120
|
|
6
|
Плиты покрытия
|
2,1
|
шт.
|
-
|
-
|
-
|
-
|
40
|
40
|
40
|
40
|
120
|
|
7
|
Панели ограждения
|
4,1
|
шт.
|
91
|
-
|
-
|
91
|
-
|
-
|
-
|
|
182
|
|
8
|
Лестничные марши
|
3,8
|
шт.
|
-
|
-
|
-
|
-
|
-
|
-
|
-
|
-
|
2
|
1.2 Установление методов монтажа
Монтаж многоэтажного каркасного промышленного здания осуществляется
комплексным методом. При этом работы “нулевого” цикла по монтажу подземной
части здания осуществляется стреловыми самоходными кранами. Параллельно
выполняются работы по устройству подкрановых путей и монтажу башенного крана на
строительной площадке. Затем монтаж надземной части здания осуществляется башенным
краном.
Так как ширина пролета нижних и верхних этажей вдоль и поперек здания
составляет 6 и 6 м, то целесообразно, для выполнения работ “нулевого” цикла,
устраивать общий котлован под все здание. При этом, в ходе монтажа фундаментов
стреловые самоходные краны могут перемещаться вдоль и поперек здания.
На рисунке 1.3 показаны две схемы перемещения самоходного стрелового
крана при монтаже фундаментных блоков.
Как видно из рисунка 1.3, наиболее приемлемыми являются два варианта
движения:
I
вариант- движение стрелового крана поперек пролёта.
II
вариант- движение стрелового крана вдоль пролета.
При этом длина перемещения крана составляет
,
количество
стоянок n=12.
,
количество
стоянок n=12.
Таким
образом, из двух рассматриваемых вариантов наиболее оптимальным является 1
вариант (движение стрелового крана поперек здания), который окончательно
принимаем к расчету.
1.3 Выбор монтажных кранов по техническим параметрам и
определение их потребного количества
Габариты, масса и расположение монтируемых элементов определяют
грузоподъемность, высоту подъема и вылет крюка монтажного крана.
Схема для определения технических параметров самоходного стрелового
крана, применяемого для монтажа фундаментных блоков, представлена на рисунке
1.4.
Рисунок 1.4 - схема монтажа 4х фундаментов с одной стоянки.
, (1.1)
где
L - вылет крюка, м;
l1 и l2 -
величина пролетов вдоль и поперек здания, м.
Высоту
подъема крюка найдем из рисунка 1.5.
Рисунок
1.5 - схема монтажа фундамента.
H=a+b+h,
(1.2)
где
Н - высота подъема крюка, м;
h - высота
фундамента, м;
b - высота
грузозахватного устройства, b=4м;
а
- превышение нижней плоскости фундамента над уровнем земной
поверхности,
а=0,5 м.
H=0,5+4+1,7=6,2
м.
Длину
стрелы определим по формуле:
, (1.3)
где
Н - высота подъема крюка, м;
- длина
каната,
=1,5 м;
- высота
прикрепления стрелы,
=2,1 м;
L - вылет крюка,
м;
p - расстояние
от места прикрепления стрелы до оси поворотной платформы, p =
1,5м.
,
угол
наклона стрелы найдем из формулы
, (1.4)
,
510
Монтаж
остальных конструктивных элементов ведётся с применением башенного крана. При
ширине здания 18 м целесообразно вести монтаж с одного подкранового пути.
Определим
основные характеристики башенного крана при монтаже колонн.
Рисунок
1.6 - Схема монтажа плит покрытия башенным краном.
Определим
высоту подъема крюка:
H=
+a+b+h, (1.5)
где
- превышение опоры монтируемого элемента над уровнем
стоянки крана, м;
h - высота
монтируемого элемента, м;
b - высота
грузозахватного устройства, b=3,5м;
а
- превышение нижней плоскости монтируемого элемента над
уровнем
опоры, а=0,5 м.
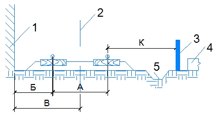
H=
.
Определим вылет
крюка
, (1.6)
где
- ширина рельсовой колеи башенного крана,
=8м;
d - минимальное
расстояние от выступающей части здания до оси
ближайшего
рельса, d=2м.
l - расстояние
от оси монтируемого элемента до оси здания
ближайшей
к крану, м
с
- ширина колонны, м.
Полученные данные заносим в таблицу.
Таблица 2 - Данные для выбора монтажных кранов
|
Характеристика
элементов
|
Необходимые
грузовые характеристики крана
|
Возможный монтажный
кран
|
|
Наименование
|
Масса, т
|
Количество
|
Высота подъема
крюка
|
Вылет крюка
|
Длина стрелы
|
|
|
|
Шт.
|
|
|
|
|
|
Фундамент
|
6,8
|
44
|
6,3
|
6,2
|
7,2
|
СКГ-631
|
МКГ-40
|
|
Колонна 2-го эт.
|
4,2
|
44
|
18,6
|
24
|
-
|
КБ-504А
|
КБ-408
|
|
Плита покрытия
|
2,1
|
120
|
14,04
|
24
|
-
|
КБ-504А
|
КБ-408
|
1.4 Определение трудоемкости работ и затрат средств
механизации при монтаже
Трудоемкость работ и затрат средств механизации при монтаже каркасного
промышленного здания определяется по единым нормам и расценкам.
Общая
трудоемкость Ч в человеко-днях и затрата средств механизации М в машино-сменах
соответствующего вида работ определяется на основании вида работ V и
норм времени в человеко-часах
и
машино-часах ведущей машины
согласно
СНБ 8.03.07-2000
, (1.7)
, (1.8)
где
8 - средняя продолжительность рабочей смены в часах.
На
основании ЕниР устанавливаются также составы монтажных звеньев по каждому виду
работ. Все расчеты сведены в таблицу 3. При монтаже фундамента предполагалась
разбивка его на составные элементы.
Данные
об объеме работ взяты из таблицы 1.
Таблица
3 - Трудоемкость работ и затрат средств механизации при монтаже здания
|
Наименование работ
|
Объем работ
|
Масса одного
элемента, т
|
§ СНБ 8.03.07-2000
|
Трудоемкость
|
Механоемкость
|
Состав звена, чел
|
|
Ед. изм.
|
Кол-во
|
|
|
|
|
|
|
|
|
|
|
На измеритель,
чел.час
|
На весь объем,
чел.см
|
На измеритель,
маш.час
|
На весь объем,
маш.см
|
|
|
1
|
3
|
4
|
5
|
6
|
7
|
8
|
9
|
10
|
11
|
|
Монтаж фундаментов
|
100 шт.
|
0,44
|
6,8
|
Е 7-1-7
|
403,1
|
22,2
|
101,07
|
5,6
|
3+1
|
|
Монтаж колонн 1-го
этажа
|
100 шт.
|
0,44
|
4,2
|
Е 7-8-15
|
1566
|
86,1
|
93,38
|
5,1
|
5+1
|
|
Монтаж колонн 2-го
этажей
|
100 шт.
|
0,44
|
4,2
|
Е 7-8-7
|
1209,3
|
66,5
|
66,99
|
3,6
|
5+1
|
|
Монтаж ригелей
|
100 шт.
|
0,60
|
2,3
|
Е 7-10-3
|
1798
|
134,9
|
97,44
|
7,3
|
5+1
|
|
Монтаж плит
перекрытия
|
100 шт.
|
1,20
|
2,1
|
Е 7-15-13
|
379,9
|
57
|
29,87
|
4,5
|
4+1
|
1.5 Сравнение вариантов строительно-монтажных работ и выбор
конкретных кранов
Проанализировав исходные варианты стреловых самоходных кранов на
гусеничном ходу и башенных кранов, принимаем решение: монтаж фундаментов вести
стреловым самоходным краном на гусеничном ходу марки МКГ-40, а монтаж
конструктивных элементов надземной части здания использовать башенный кран
БК-504A.
1.6 Составление календарного графика монтажных и
сопутствующих работ
На основании имеющихся объемов монтажных и сопутствующих им работ
(таблица 1), трудоёмкости этих работ и состава рабочих звеньев (таблица 3)
составляется календарный график монтажных и сопутствующих работ, который
состоит из двух частей. В левой части графика содержатся исходные данные, в
правой - показывается ход строительных работ с указанием их последовательности,
сроком выполнения и количеством рабочих.
Календарный график монтажных и сопутствующих работ показан на листе 1.
1.7 Выбор транспортных средств и составление графика
транспортных работ
Выбор транспортных средств производится с учётом их грузоподъёмности и
габаритов, а также массы, габаритов, количества и ассортимента перевозимых
деталей и материала, расстояния доставки.
Выбор производится на основании данных о перевозимых конструктивных
элементах, приведённых в исходных данных, и технических характеристик
транспортных средств [2, с 25-28]. Все расчёты по выбору транспортных средств
сведены в таблицу 5.
В
графе 4 таблицы 4
― коэффициент использования грузоподъёмности
транспортного средства, определяемый отношением массы уложенного груза к
грузоподъёмности транспортного средства. Должен быть в пределах от 0,90 до
1,10.
Таблица
4- Выбор транспортных средств.
|
Наименование
элементов и материалов
|
Единица измерения
|
количество
|
Характеристика
элементов и материалов
|
Принятые
транспортные средства
|
Количество уклады
ваемых единиц груза в кузов трансорта, шт
|
ν
|
|
|
|
Масса, т
|
Длина, м
|
наименование
|
Грузо-
подъём-ность, т
|
|
|
|
1
|
2
|
3
|
4
|
5
|
6
|
7
|
8
|
|
1 Фундаменты
|
шт.
|
44
|
6,8
|
1,9
|
МАЗ-515В с
полуприцепом общего назначения МАЗ-941
|
25,00
|
4
|
1,09
|
|
2 Колонны 1-го
этажа
|
шт.
|
44
|
4,2
|
7,6
|
МАЗ-515В с
полуприцепом общего назначения МАЗ-941
|
25,00
|
6
|
1,01
|
|
3 Колонны 2-го
этажа
|
шт.
|
44
|
4,2
|
7,0
|
МАЗ-515В с
полуприцепом общего назначения МАЗ-941
|
20,00
|
6
|
1,05
|
|
4 Ригели
|
шт.
|
60
|
2,3
|
5,4
|
МАЗ-504А с
полуприцепом общего назначения МАЗ-5245
|
13,50
|
6
|
1,02
|
|
5 Плиты перекрытия
|
шт.
|
120
|
2,1
|
6,0
|
КамАЗ-5410 с
полуприцепом - плитовозом УПЛ-1412
|
14,00
|
7
|
1,05
|
|
6 Плиты покрытия
|
шт..
|
120
|
2,1
|
6,0
|
КамАЗ-5410 с
полуприцепом - плитовозом УПЛ-1412
|
14,00
|
7
|
1,05
|
|
7 Панели ограждения
|
шт.
|
182
|
4,1
|
6,0
|
МАЗ-515В с
полуприцепом общего назначения МАЗ-941
|
25,00
|
6
|
0,98
|
|
8 Лестничные марши
|
шт.
|
2
|
3,8
|
4,0
|
МАЗ-504В с
полуприцепом общего назначения МАЗ-5205А
|
20,00
|
5
|
0,95
|
монтажный кран трудоемкость транспортный
Бетон и раствор привозится в количестве нужного для монтажа, перевозка
данного вида строительного материала осуществляется на автомобиле ЗИЛ - 130.
После выбора транспортных средств, на основании их технических
характеристик [2. с.25-48] и данные из таблицы 5 составляется график
транспортных работ (лист 1).
На графике транспортных работ сменная производительность транспортной
единицы Псм, т, определяется по формуле
Псм=Тсм.q.
.V.β/(L+tп.р.V.β), (1.9)
где
Тсм- продолжительность полезной работы за смену при пятидневной
рабочей неделе, Тсм=8 часов;
q-
Грузоподъёмность транспортного средства. Принимается по данным таблицы 5;
-
коэффициент использования грузоподъёмности. Принимается по таблице 5;
V- средняя
техническая скорость транспортного средства, км/ч.
Принимается
из [2, с.30, прилож.3, табл.2.2]
b- коэффициент
использования пробега. Принимается ориентировочно из [2, с.30, прилож.3,табл.3]
для дорог в городской черте;
L- расстояние
перевозки, L=4 км;
tп.р. - время затрачиваемое на погрузочно-разгрузочные
работы с учётом маневров за одну поездку, час;
В
период работ “нулевого” цикла доставку фундаментных блоков на стройплощадку для
укладки их стреловыми краном наиболее целесообразно организовать полученную
схему взаимодействия монтажного крана и транспортной единицы. При этой схеме
смена полуприцепов осуществляется на заводе изготовителе, а на строительной
площадке тягач простаивает под краном весь период монтажа элементов, что
является наиболее оптимальным, когда транспортное средство должно передвигаться
вслед за монтажным самоходным краном на стройплощадке.
С
учётом этого, при монтаже фундаментов с доставкой их тягачом время tп.р
определяется по следующей формуле
tп.р=n.tмэ+
, (1.10)
где
n- количество элементов соответствующей разновидности
на одной транспортной единице, шт. Принимается по таблице 4;
tо.п.- время, затрачиваемое на смену прицепа на заводе
изготовителе. Принимается tо.п.=12 мин.
tм- время, затрачиваемое на манёвры транспортной
единицы. принимается по [2, с.30, прилож.3, табл.2.3], мин.;
tмэ- время монтажа одного элемента, маш.час, принимается
по таблице 3;
Так,
при доставке фундаментных блоков массой 6,8 т, n=4, tмэ=0,13
мин; tм=14 мин; tо.п.=12 мин
tп.р=2.0,13+
ч,
При
доставке остальных элементов на стройплощадку и монтаже их башенным краном
БК-504А более оптимальной является челночная схема взаимодействия крана и
транспортного средства. При котором смена прицепов и полуприцепов
осуществляется на заводе изготовителе, и на строительной площадке. При этом
полуприцеп можно оставить в зоне действия монтажного крана.
tпр=
, (1.11)
Так,
при транспортировке колонн 1-го и 2-го этажа автомобилем тягачом МАЗ-515В с
полуприцепом МАЗ-941 грузоподъёмностью 25 т, tм=14 мин; tо.п.=12 мин
tпр=
ч,
Согласно
формулы (1.9) при транспортировке фундаментных блоков, для Tcм=8 час; q=25
т;
V = 12 км/час; β = 0,49; L=4 км; tп.р=0,69
ч.
Псм=8.25.1,09.12.0,49/(4+0,69.12.0,49)
= 159,1 т.
Количество транспортных средств в таблице графика основных работ (лист 1)
определяется по формулам:
для штучных элементов
Nт=
, (1.12)
где
Nэл - общее
количество элементов соответствующей разновидности, шт.;
- сменная
производительность транспортной единицы, шт/смену;
Т
- продолжительность данного вида работ, дни принимается по графику монтажных и
сопутствующих работ(лист 1).
К
- коэффициент сменности, к=1.
Потребное
количество полуприцепов и прицепов для осуществления транспортных работ на
доставку конструктивных элементов здания и материалов на объект определяется по
формулам:
При
организации челночной схемы взаимодействие монтажного крана и транспортных
единиц(принято для доставки и установки фундаментных блоков)
При
организации челночной схемы (принято для доставки и установки башенным краном
всех остальных элементов здания)
Так,
при доставке фундаментов
шт.;
шт/см;
Т=7
раб. дней; К=1
Nт=
тягач, МАЗ-515В.
Тогда
полуприцепа
общего назначения МАЗ-941.
Аналогичные
расчеты по остальным элементам сведем в таблицу 6.
Таблица
6 - Расчет потребного количества транспортных единиц
|
Наименование
элементов и материалов
|
Ед. изм.
|
количество
|
Продолжительность работ
по доставке
|
Сменная
производительность, Шт/смену (бетон, раствор)
|
Транспортные
единицы
|
|
|
|
|
|
Тягачи
|
Полуприцепы
|
|
|
|
|
|
Марка
|
Ко-лич. Шт.
|
Тип, марка
|
Колич. Шт.
|
|
1
|
2
|
3
|
4
|
5
|
6
|
7
|
8
|
9
|
|
1 Фундаменты
|
Шт.
|
21
|
3,5
|
23
|
МАЗ-515В
|
1
|
МАЗ-941
|
2
|
|
2 Колонны 1го
этажа
|
Шт.
|
21
|
5,5
|
40
|
МАЗ-515В
|
1
|
МАЗ-941
|
3
|
|
3 Колонны 2-го
этажа
|
Шт.
|
21
|
4,5
|
41
|
МАЗ-515В
|
1
|
МАЗ-941
|
3
|
|
5 Ригели
|
Шт.
|
28
|
9,5
|
39
|
МАЗ-504A
|
1
|
МАЗ-5245
|
3
|
|
6 Плиты перекрытия
|
Шт.
|
168
|
13
|
46
|
КамАЗ-5410
|
1
|
УПЛ-1412
|
3
|
Продолжительность работ на графике транспортных работ (лист 1)
принимается такая же, как и продолжительность работы по установке элементов
соответствующего наименования. Сроки начала и окончания увязываются с
соответствующими сроками на графике монтажных и сопутствующих работ но, при
этом предполагается, что сроки начала доставки грузов должны приблизительно на
1-2часа (0,125 рабочего дня) опережать начало работы по установке соответствующего
элемента.
.8 Разработка объектного строительного генерального плана
Объектный стройгенплан составляем на период монтажа надземной части
здания (лист 1). На плане наносят: строящиеся здания, временные сооружения
(контора, бытовое помещение для рабочих), дороги, закрытые и открытые склады
основных материалов, опасную зону. Стройгенплан заключает разбивку сооружаемого
объекта на захватки и монтажные участки, экспликацию временных зданий,
сооружений и установок, а также условные обозначения.
Рисунок 1.7 - Схема поперечной привязки подкрановых путей: 1 - строящееся
здание; 2 - ось подкранового пути; 3- инвентарное ограждение; 4 - зона
складирования; 5 -водоотводная канава.
На стройгенплане должны быть показаны: места установки монтажных,
транспортных и разгрузочных механизмов, последовательность перемещения, радиус
и зона действия, зоны складирования сборных элементов с указанием мест
расположения отдельных типов элементов, проходов, проездов.
2. Технологическая карта отдельного монтажного процесса
.1 Область применения
Технологическая карта разработана на монтаж регелей многоэтажного
промышленного здания. Размер здания 60х18 м. Масса ригеля 2,3 т. Размеры
ригеля: длина - 5,4 м, высота - 0,4 м, ширина - 0,75 м. Ригеля монтируются на
полки колонн трехпролетного здания. Доставка ригелей на объект осуществляется
грузовым автомобилем МАЗ-504А с полуприцепом ощего назначения МАЗ-5245. Монтаж
ригелей ведется методом с колес и предварительное складирование не
предусматривается.
Работы выполняются в летний период и ведутся в одну смену.
.2 Организация и технология строительного процесса
До начала работ необходимо: выверять колонны; замонолитить стыки колонн с
фундаментами (прочность бетона в стыках должна быть не менее 70% проектной);
закончить все работы по монтажу конструкций, расположенных ниже уровня
монтируемого перекрытия; доставить в зону монтажа ригеля и уложить их на
подкладки; подготовить ригели к монтажу (очистить от грязи, снега и наледи,
проверить их размеры и соответствие закладных деталей проекту); установить
групповой кондуктор; доставить на рабочее место инструменты и приспособления.
Монтаж фундаментов выполняется при помощи башенного крана КБ-504А. Схема
установки ригеля башенным краном представлена на листе 1.
Работу по монтажу фундаментов выполняет звено монтажников:
монтажник конструкций 5 разряда (М1) - 1
монтажник конструкций 4 разряда (М2, М4) - 2
монтажник конструкций 2 разряда (М3) - 1
машинист крана 6 разряда (К) - 1
Операции по укладке ригелей выполняют в следующем порядке:
подготавливают, стропят и подают ригель к месту установки; подготавливают место
укладки ригеля и укладывают его; крепят ригель при помощи кондуктора;
расстроповывают ригель и контуют его в проектное положение. Временное крепление
ригеля снимают после закрепления его электросваркой, которую выполняет звено
электросварщиков, входящее в состав бригады монтажников. Монтажник М3
осматривает ригель, ломом проверяет прочность монтажных петель и
молотком-зубилом сбивает наплывы бетона с закладных деталей. Затем с помощью
метра он наносит осевые риски на оба конца ригеля. Монтажники M1 и М2,
стоя на площадке группового кондуктора, молотками-зубилами очищают опорную
часть консолей от наплывов бетона. Затем при помощи метра и rpифеля наносят
осевые риски на боковые части колонн. Монтажники М1 и М2,
стоя на площадке группового кондуктора, принимают ригель на расстоянии 30 см от
опорных консолей колонн и ориентируют его над мостом укладки.
По сигналу монтажника М1 машинист крана медленно опускает
ригель, а монтажники направляют его так, чтобы риски на торцах ригеля и колонн
совместились. Монтажники М1 и М2, стоя на площадке
группового кондуктора, устанавливают на обе колонны по кондуктору для
временного крепления ригеля, после чего при натянутом стропе крепят ригель
стяжными винтами кондукторов. Убедившись в надежности временного крепления
ригеля кондукторами, монтажник М1 подает команду машинисту крана
ослабить натяжение стропа, после чего вместе с монтажником М2
расстроповывает ригель. Монтажники М1 и М2, оперируя
двумя упорными винтами кондукторов, рихтуют ригель в проектное положение по
осевым рискам.
График трудового процесса при монтаже фундамента представлен в таблице 7.
Таблица 7. - График трудового процесса при монтаже фундаментов
.3 Технико-экономические показатели
Продолжительность работ: Т= 26 чел.смен.
Общая масса монтируемых ригелей:
R=
, (2.1)
где
- масса одного ригеля;
- общее
количество монтируемых фундаментов.
R=2,3·44 = 101,2
т.
Трудоёмкость
Q = 134,9 чел.смен.
Выработка
на одного рабочего в смену:
, (2.2)
где
Т - продолжительность работ по монтажу фундаментов. Согласно
графику
монтажных и сопутствующих работ Т = 8 чел.смен;
К
- коэффициент сменности, К=1;
Р
- количество монтажников занятых на установке ригелей,
Р=5
человека.
При
Nэл=44 шт.,
mэл = 2,3
т,
Удельная
выработка:
, (2.3)
.
Удельная
трудоёмкость:
, (2.4)

.
.4
Материально-технические ресурсы
Потребность
в основных конструкциях и полуфабрикатах приведена в таблице 8.
Потребность
в машинах, оборудовании, инструменте, инвентаре, в приспособлениях приведена в
таблице 9.
Таблица
8. - Потребность в основных конструкциях и полуфабрикатах
|
Наименование
|
Ед. изм.
|
Количество
|
|
Ригель
|
шт.
|
44
|
Таблица 9. - Потребность в машинах, оборудовании, инструменте, инвентаре,
приспособлениях
|
Наименование
|
Марка, тип
|
Кол-во
|
|
Монтажный кран
|
башеный, БК-504А
|
1
|
|
Строп
четырехзвеньевой
|
РЧ-507-72
|
1
|
|
Автомобиль бортовой
|
МАЗ-504А
|
1
|
|
Полуприцеп
|
МАЗ-5245
|
3
|
|
Кондуктор групповой
|
Чертежи института
Оргпромстрой Минпромстроя СССР
|
1
|
|
Кондуктор для
временного крепления и выверки ригеля
|
Чертеж ТС-054 того
же института
|
1
|
|
Рулетка
|
РС-20, ГОСТ 7502-69
|
2
|
|
Метр стальной
складной
|
ГОСТ 7253-54
|
2
|
|
Молоток-зубило
|
ГОСТ 11042-64
|
3
|
|
Лом монтажный
|
ГОСТ 1405-65
|
2
|
|
Пояс
предохранительный
|
ГОСТ 5718-67
|
4
|
|
Кондуктор групповой
|
Чертежи института
Оргпромстрой Минпромстроя СССР
|
1
|
3. Производство работ в зимних условиях
.1 Производство бетонных работ
Производство бетонных работ в зимних условиях будем вести по методу
электродного прогрева. Сущность метода заключается в преобразовании
электрической энергии в тепловую при пропускании тока, подводимого с помощью
электродов, через свежеуложенный бетон как сопротивление.
Принимаем
температуру изотермического прогрева
<
равной
, а
скорость подъема температуры бетона
.Подъем
температуры конструкции осуществляется в течении
Коэффициент
теплопередачи опалубки
ориентировочно вычисляем по формуле:
, (3.1)
где
начальная температура бетонной смеси, уложенной в
опалубку, с учетом нагрева арматуры,
.
температура
при которой бетон приобретает требуемую прочность за период времени
, определяют по графикам [6] приложения 19 а, б.
Получаем
=2,02
).
По
данным [6] приложения 23 принимаем опалубку из досок толщиной 0,04 м.
Пренебрегая экзотермией цемента, но учитывая конструкцию опалубки, определяем
продолжительность остывания конструкции после окончания прогрева по формулам. В
нашем случае полученные значения
и
- составляют соответственно 20,1
и 17,1 ч.
Влияние
периода термосного остывания на рост прочности бетона практически значимо при
≤20;т.о., достижение бетоном прочности 0,5
обеспечивается только электропрогревом. По заданной
величине
= 70
и
требуемой прочности минимальная продолжительность изотермического прогрева
, ч, может быть определена по формуле:
(3.2)
где
А и В - эмпирические коэффициенты, приведенные в [6] в табл. 26.1
температурные
коэффициенты, соответствующие средним температурам разогрева и остывания
конструкции; приведенные в [6] в табл. 26.2
В
нашем случае получим:
= 19,0
-0,24(2,6 ∙5,2 + 1∙17,1) = 11,6 ч.
Максимальную
электрическую мощность
необходимую для разогрева 1
бетона в конструкции, вычисляем по формуле:
, (3.3)
Мощность
необходимую на период изотермического прогрева 1
бетона, определяем из выражения:
, (3.4)
Удельный
расход электроэнергии Е, кВт
,
, (3.5)
Произведя
расчеты получим
Максимальную
(пиковую) нагрузку сети
при условии непрерывного и равномерного выполнения
работ определяют по формуле:(3.6)
где
- продолжительность электропрогрева в течении суток,
ч;
- принимаем
равным
,если
<
, и равным
при
>
;
-
принимаем равным
, если
>
, и равным
, если
>
, где
=
+
-24
;
-число
полных суток за время электропрогрева бетона.
Поскольку
на практике процесс бетонирования является не равномерным, а прерывистым,
необходимо вычислить наиболее невыгодные значения нагрузки
, кВт, и расход электроэнергии
, кВт∙ч, на 1
суточного
потока бетона:(3.7)
где
1,25 - коэффициент учитывающий потери напряжения в токопроводящих
проводах,
потери тока в электроустановках из-за ухода в землю, а также неучтенные теплопотери;
, (3.8)
где
- продолжительность бетонирования в течение одних
суток, ч
Произведем
расчет и получим:
Необходимую
установочную мощность трансформатора
, кВт,
вычисляем с помощью выражения:
(3.9)
Необходимое
количество трансформаторов
, шт.,
равно
/
, где
-
мощность одного трансформатора , кВт. Произведя расчет и по [6] в табл. 26.3
получаем 4-ре трансформатора ТМОА-50. Из [ 6] в табл. 26.4расход стали в
килограммах на электроды, необходимые для прогрева 1
конструкции, получаем 12кг стержневых электродов.
Литература
1.
Буй В. И.
Монтажные работы. Часть I.
Гомель, БелИИЖТ, 1980.
2.
Буй В. И.,
Обревко А. Я. Монтажные работы. Часть II. Гомель, БелИИЖТ, 1981.
3.
Бороздин И.Г. и
др. Технико-экономическое обоснование выбора монтажных кранов и приспособлений.
Москва: Стройиздат, 1973.
4.
Бетонные и
железобетонные работы: Справочник строителя / Под редакцией В. Д. Топчиля.
Москва: Стройиздат, 1987.
5.
Справочник
мастера-строителя / Под редакцией Коротеева Д. В. Москва: Стройиздат, 1989.
6.
Единые нормы и
расценки на строительные, монтажные и ремонтно-строительные работы. Сб. Е4.
Монтаж сборных и устройство железобетонных конструкций, вып. 1. Москва:
Стройиздат, 1987.
7.
Руководство по
разработке типовых технологических карт в строительстве. Москва: Стройиздат,
1976
8.
Строительные
нормы и правила. СНиП III-4-80.
Техника безопасности в строительстве. Москва: Стройиздат, 1989.