Проектування поточної лінії для приготування вологих кормових сумішей при вирощуванні 20000 качок, з розробкою скребкового транспортера
Міністерство
аграрної політики України
Вінницький
державний аграрний університет
Факультет
механізації
Кафедра
сільського
господарства
ЕМТП
і РМ
Проектування
поточної лінії для приготування вологих
кормових сумішей при вирощуванні 20000 качок,
з розробкою скребкового транспортера
Пояснювальна
записка
до
курсового проекту за спеціальністю
машино
використання в тваринництві-Механізація сільського господарства
-
17.КПМВТ.07.00.00.000.ПЗ
Розробив:
студент гр. 43 - М
Зінєв М.В.
Керівник
проекту:
Любін М.В.
Зміст
Вступ
. Технологічна
частина
.1
Вибір
основних параметрів тваринницької ферми
.1.1
Вибір
технології утримання качок
.1.2
Вибір
ділянки
.1.3
Визначення
кількості виробничих приміщень
.1.4
Розрахунок
потреб у складських приміщеннях
.1.5
Розробка
схеми генерального плану ферми
.2
Механізація
кормоприготування і роздавання кормів
.2.1
Значення
процесу та зоовимоги
.2.2
Технологія
вирощування м’ясних каченят
.2.3
Вибір
раціону годівлі, розрахунок потреби в кормах
.2.4
Разові
витрати кормів
.2.5
Витрати
води
.2.6
Вибір
та визначення кількості напувалок
.2.7
Вибір
кормоцеху та комплекту його обладнання
.3
Механізація
видалення гною
.3.1
Проблеми
видалення гною
.3.2
Вимоги
до технології і засобів видалення посліду
.3.3 Вихід посліду
.3.4 Вибір технології видалення
посліду, та утилізація посліду
.3.5
Видалення
посліду механічними транспортерами
.4
Розрахунок
системи вентиляції
.4.1
Визначення
обсягу та кратності повітрообміну
.4.2
Кількість
припливних і витяжних каналів та вентиляційних установок
. Конструктивна
частина
2.1 Зоотехнічні
вимоги до приготування кормів
2.2 Розрахунок
скребкового транспортера
.2.1
Вихідні
дані
.2.2
Вибір
основних параметрів
.2.3
Визначення
ширини і висоти жолоба
.2.4
Визначення
погонних навантажень
.2.5
Визначення
опору руху і натягу ланцюга
.2.6
Вибір
тягового ланцюга
.2.7
Визначення
розмірів зірочок транспортера
.2.8
Визначення
передаточного числа приводу
2.3 Розрахунок
основних вузлів машини
.3.1
Кінематичний
розрахунок приводу
.3.2
Вибір
підшипників
.3.3
Розрахунок
шпонкового з’єднання
Висновки
Література
Вступ
Птахівництво України є однією з
найбільш інтенсивних і динамічних галузей сільськогосподарського виробництва,
яка має всі можливості в короткі строки подолати економічну структуру.
Основною метою птахівництва України
є збільшення виробництва дієтичних, висококалорійних продуктів - яєць і м’яса з
метою забезпечення людей фізіологічно необхідною нормою харчування.
Відомо, що продукти птахівництва є
також цінним сировинним матеріалом для промисловості. Так, пух і пір’я птиці
використовують для виготовлення перин, подушок, ковдр, теплих курток не лише
для загального вжитку, але й для льотчиків, альпіністів, дослідників Арктики і
Антарктиди.
Від однієї дорослої качки можна
отримати 130 г пір’я, і біля 2 кг поживного м’яса.
Яйця використовують у парфумерній
промисловості, при виробництві мила, шампунів та ін.. Дуже широко яйця качок
використовуються в мікробіологічній промисловості для виробництва вакцин.
Птахівництво може бути прикладом
організації безвідходної технології виробництва.
Продукти переробки м’яса, такі як
голова, ноги, крила, усі внутрішні органи використовуються для приготування
різних харчових наборів, кров - для виробництва ковбас, а такі внутрішні
органи, як яєчник, яйцепровід та кишковий тракт переробляють на білкове
борошно.
Послід птиці після висушування є
відмінним добривом або йде на виготовлення компостів. Крім того, він
використовується як кормова добавка до раціонів бичків на відгодівлі, а також
як основний субстрат при вирощуванні червів, які є своєрідним добривом для
підготовки гумусу ґрунту.
Ефективність годівлі тварин і птиці
суттєво залежить від вирішення питання щодо роздавання кормів. Цей процес за
трудомісткістю займає від 25 до 35% всіх затрат праці на виробництво м’яса
птиці. В процесі доставки і роздавання кормів виконується значний обсяг робіт.
Так, на кожні 10000 качок потрібно щодоби роздавати 6 - 10 т кормів, причому
весь кормовий вантаж потрібно своєчасно доставляти і нормовано розподіляти між
тваринами. Порушення цих умов різко знижує ефективність інших зоотехнічних
заходів.
1.
Технологічна частина
.1
Вибір основних параметрів
тваринницької ферми
.1.1
Вибір технології утримання качок
Для проведення проектувальних робіт
необхідно знати або вибрати раціональний варіант технології утримання птиці.
Від цього залежить планувальні вирішення виробничих приміщень, вибір і
розміщення технологічного обладнання в них та організація робіт на фермі.
Перспективні технології утримання
повинні передбачати зручність розміщення тварин і птиці у приміщеннях,
пристосованість до використання засобів механізації та автоматизації виробничих
процесів, наукової організації праці.
На сучасному етапі розвитку
птахівництва існують декілька способів утримання птиці у клітках, вольєрах, на
підлозі або вільно - вигульно за межами приміщень. Найпрогресивнішим є кліткове
утримання, яке дозволяє ефективно використовувати виробничі площі, обладнання
та корми (але в свою чергу воно потребує додаткового кліткового обладнання для
організації утримання птиці).
Але водоплавну птицю на
господарських фермах утримують в більшості випадків вільно - вигульним
способом. Це пояснюється фізіологічними особливостями даного виду птиці, її
непристосованістю до кліткового обладнання.
Достатньо обґрунтований вибір
системи утримання птиці є важливим фактором зменшення витрат коштів або праці
на одиницю продукції, що виробляється.
Оцінивши дану інформацію можна
зробити висновок про доцільно вибрати вільно - вигульний спосіб утримання качок
на даній фермі, з використанням вигульних площадок, та пташників.
1.1.2
Вибір ділянки
Розробку генерального плану
розпочинають із визначення ділянки для ферми відповідно до перспектив розвитку
господарства. Ця ділянка повинна задовольняти певним виробничим і санітарно -
зоотехнічним вимогам.
До виробничих вимог належать:
зручність розміщення ферми відносно сільськогосподарських угідь; наявність або
спорудження шляхів сполучення з населеним пунктом господарства, а також базами
матеріально - технічного забезпечення ферми та реалізації одержаної продукції;
можливість надійного забезпечення ферми якісною водою, електроенергією,
достатня міцність ґрунтів для зведення на них необхідних будівель. Ґрунтові
води повинні залягати на глибині не менше 2 - 3 м від поверхні ґрунту.
Санітарно зоотехнічні вимоги зводяться
до того, щоб ділянка була рівною або мала невеликий уклон для відведення
дощових і талих вод із території ферми, розміщувалась нижче рівня населених
пунктів, водозабірних споруд й вище лікувально - ветеринарних будівель,
гноєсховищ та місць збирання стічних вод. З метою санітарного захисту
птахоферма повинна знаходитись не ближче 250 - 500 м від магістральних
транспортних доріг. тваринницька ферма корм зоотехнічний
Ферму слід розміщувати так, щоб
переважаючі напрями вітрів були спрямовані від населеного пункту та кормоцеху в
бік птахівницьких будівель і гноєсховища.
1.1.3
Визначення кількості виробничих приміщень
Потреба в приміщеннях для утримання
птиці визначається нормами площі і фронту годівлі з розрахунку на одну голову.
При утриманні качок вільно -
вигульним способом на 1 м2 розміщують 3 - 4голів.
Необхідну кількість
виробничих приміщень
для
утримання тварин або птиці можна розрахувати за відношенням:
(1.1)
де
- загальна
кількість тварин однієї й тієї ж технологічної групи на фермі, голів;
- проектна місткість одного
приміщення, голів.
1.1.4
Розрахунок потреб у складських приміщеннях
Для нагромадження та зберігання в
умовах ферми кормів,та гною передбачаються відповідні складські споруди.
Концентровані корми зберігають у закритих приміщеннях. Коренеплоди зберігають у
буртах, траншеях або спеціальних сховищах. Грубі корми в розсипному чи
пресованому стані зберігають у скиртах або спеціальних критих сховищах.
Місткість та кількість кормосховищ,
розміщених на території ферми, визначають в залежності від поточних потреб, а
також величини резервного запасу того чи іншого виду корму. Так
як наш кормоцех включає в себе бункери для зберігання сипких кормів на період в
5-7 діб :
(1.2)
де
- величина
запасу j - го виду
корму, кг;
kВ
-
коефіцієнт, що враховує втрати корму (для концентрованих кормів kВ
=1,01, коренеплодів - 1,03, зеленої маси - 1,05);
D - Кількість
днів, на які розраховують запас корму на одну голову j - ї групи
тварин,
кг.
- добова норма видачі j - го виду
корму, кг.
Сипкі корми будуть
транспортуватися до кормоцеху зі складів господарства, а для
коренеплодів передбачимо траншеї місткість коренеплодів в яких розраховуємо на
весь період вирощування качок (інтенсивна годівля з включенням в раціон буряку
наступає після досягнення ними 22 денного віку), отже запас кормів коренеплодів
розраховуємо на період в 30 днів. Приймається
відповідно до вибраного раціону mj -
поголів’я тварин j - ї
групи; n -
кількість статево вікових груп тварин, що утримуються на фермі. Визначимо
резервну потребу в зерні і зернобобових в розрахунку на D= 30
днів.
kВ
=
1,01 для зерна і зернобобових.
- добова норма видачі зерна на одну
особину 0,15 кг.
mj - поголівя тварин
20000 тисяч голів.
n - Кількість
статево
вікових груп тварин, що утримуються на фермі 1.
Визначимо резервну потребу в
висівках пшениці в розрахунку на D= 30 днів.
kВ
=
1,01 для зерна і зернобобових.
- добова норма видачі
висівок на одну особину 0,05 кг.
Визначимо резервну потребу в
макухові, шроті в розрахунку на D= 30 днів.
kВ
=
1,01 для макуха, шроту
- добова норма видачі макуха на
одну особину 0,02 кг.
Визначимо резервну потребу в
черепашнику, крейді в розрахунку на D= 30
днів.
kВ
=
1,01 черепашника або крейди
- добова норма видачі черепашника
крейди на одну особину 0,004 кг.
Визначимо резервну потребу в
кістковому борошні в розрахунку на D= 30
днів.
kВ
=
1,01 кісткове борошно кг.
- добова норма видачі кісткового
борошна на одну особину 0,0015 кг.
Визначимо резервну потребу в
солі в розрахунку на D= 30 днів.
kВ
=
1,01 для солі.
- добова норма видачі солі на одну
особину 0,0003 кг.
Визначимо резервну потребу в
соковитих кормах в розрахунку на D= 90 днів.
kВ
=
1,03 для соковитих кормів (буряк, морква).
- добова норма видачі соковитих
кормів на одну особину 0,05 кг.
Визначимо резервну потребу в
сухих тваринних кормах в розрахунку на D= 30
днів.
kВ
=
1,01 для сухих тваринних кормів.
- добова норма видачі сухих
тваринних кормів на одну особину 0,01 кг.
Визначимо загальну місткість
сховищ для
тимчасового зберігання корму зумовлюється його об’ємною масою:
(1.3)
де
об’ємна
щільність корму кг/м3 .
Визначимо місткість сховища
для зберігання коренеплодів.
об’ємна щільність корму кг/м3
для буряку 700 кг/м3 [див 2. табл. 1.1]
Загальний об’єм сховищ для
зберігання соковитих кормів 128,85 м3. Типові розміри сховищ 50 - 75
м3 . Визначимо кількість відповідних сховищ
за формулою:
(1.4)
де
- місткість
та об’єм одного сховища приймають відповідно до типових рішень. [1 дод. №8].
ε -
коефіцієнт використання об’єму споруди при заповненні її кормами [1
дод. №8].
Для зберігання коренебульбоплодів
оберемо 4 траншеї, загальним об’ємом 200 м3.
Загальну місткість гноєсховищ
визначають
за виразом:
(1.5)
де
- планова
тривалість зберігання гною, днів;
та
добовий вихід відповідно гною та
сечі від одної тварини і - го виду, кг [1 дод. №14];
добова норма
внесення підстилки на одну голову і - ї групи[1
дод. №14]; п - кількості статевовікових груп тварин.
Тривалість зберігання гною 60
днів, добовий вихід гною від однієї качки 0,55 кг, при вирощуванні качок на
сітчастій підлозі знімається потреба використання підстилки.
Обираємо для зберігання
посліду сховище об’ємом 300 м3, розміром 10*24м. Так як у качок
немає роздільного процесу сечовиділення, а надлишки вологи виділяються разом з
послідом то об’ємну масу посліду приймемо 850 кг/м3.
Після вибору типорозміру
гноєсховища їх кількість визначають за формулою (1.4).
ε -
коефіцієнт використання об’єму сховища при заповненні її послідом приймемо
рівним 1.
Отже необхідна кількість
сховищ для зберігання посліду 3.
1.1.5
Розробка схеми генерального плану ферми
Генеральний план ферми є основним
документом, за яким ведеться забудова тваринницького підприємства. Це
схематичне креслення території, де наведено розміщення всіх фермських об’єктів.
При визначенні відстаней або
розривів між окремими приміщеннями враховують як санітарно - гігієнічні норми,
а й умови протипожежної безпеки (генеральний план ферми дивись додаток 1).
По об’ємно планувальному рішенню
ферма являє собою мінімальний набір виробничих об’єктів, до складу яких входить
пташник (див. лист 1), комплексно механізована площадка з твердим покриттям
(див. лист 3), склад підстилкових матеріалів, сховища для посліду, дизбарьєра,
автомобільних ваг и трансформаторної підстанції.
1.2
Механізація кормоприготування і роздавання кормів.
.2.1
Значення процесу та зоовимоги
Продукцію тваринництва одержують переважно
за рахунок використання кормових ресурсів рослинного походження (власного
виробництва чи на основі кооперування з кормовиробничими підприємствами). Для
цього колективні, державні та фермерські господарства вирощують зернофуражні
культури, коренебульбоплоди, а також одно і багаторічні трави на зелену масу,
силос, сінаж та сіно.
З метою забезпечення
високоефективного використання поживної цінності більшості кормів необхідно
заготовляти і готувати до згодовування відповідно до діючих стандартів або зоотехнічних
вимог, які враховують фізіологічні особливості тварин або птиці. Сутність цих
вимог полягає у наступному.
Збирати кормові культури необхідно в
період, коли вони мають найбільшу врожайність та поживну цінність. Якість
кормів визначається не лише їх поживною цінністю, а й наявністю (або
відсутністю) в них баластних, некорисних чи інколи навіть шкідливих включень.
Останні можуть спричиняти травмування чи отруєння споживачів, знижувати
ефективність роботи та надійність технологічного обладнання.
Для попередження таких явищ корми в
процесі підготовки до згодовування очищають. Допустимий ступінь залишкового
забруднення залежить від виду кормів, а також характеру включень та їх можливих
наслідків. Так, домішки землі не повинні перевищувати 1-2%, піску 0,3-1%,
металеві домішки розміром до 2 мм з незагостреними краями 30 мг на 1 кг корму,
насіння отруйних трав 0,25%.
Для високоефективного використання
кормів важливим є забезпечення оптимальної крупності кормових часток, що
залежить від біологічного виду та віку тварин і птиці, а також від виду
кормової сировини й характеру використання кормів (згодовування роздільне чи в
складі кормових сумішей, у розсипному стані чи у вигляді гранул або брикетів).
З цією метою кормову сировину перед згодовуванням подрібнюють.
Доведено, що готувати комбікорми для
птиці необхідно з інгредієнтів середнього (1-1,8 мм) та крупного (1,8-2,6 мм)
розмірів.
Ефективність годівлі тварин і птиці
суттєво залежить від вирішення питання щодо роздавання кормів. Цей процес за
трудомісткістю займає від 25 до 35% всіх затрат праці на виробництво м’яса
птиці. В процесі доставки і роздавання кормів виконується значний обсяг робіт.
Так, на кожні 10000 качок потрібно щодоби роздавати 6 - 10 т кормів, причому
весь кормовий вантаж потрібно своєчасно доставляти і нормовано розподіляти між
тваринами. Порушення цих умов різко знижує ефективність інших зоотехнічних
заходів.
Зазначенні положення підкреслюють
особливе значення механізації процесу роздавання кормів. Засоби механізації
цього процесу повинні задовольняти таким вимогам:
– забезпечувати задану точність
дозування та рівномірність видачі всіх кормів;
– мати можливість дозувати
корм кожній тварині окремо або групі тварин;
– робочі органи кормороздавача
не повинні погіршувати якість (додаткове подрібнення, забруднення тощо) чи
допускати втрати кормів.;
– не створювати небезпеки для
тварин і обслуговуючого персоналу, бути простими і довговічними в роботі.
Допустимі відхилення від заданої
норми видачі для стеблових кормів повинні бути в межах ± 15%, а концентрованих
- ± 5%. Незворотні втрати корму в процесі роздавання не повинні перевищувати
1%.
Тривалість циклу роздавання кормів в
одному приміщенні мобільними засобами не повинна перевищувати 30 хв, а
стаціонарними - 20 хв.
Кормороздавачі повинні відзначатися
універсальністю щодо можливості роздавання різних видів кормів у межах однієї
ферми та регулювання норм видачі від мінімального до максимального значення, а
також високою продуктивністю; не створювати надмірного шуму в приміщенні; легко
очищатися від залишків корму та бруду; мати строк окупності не більше двох
років і коефіцієнт готовності не менше 0,98.
Рівномірність та норму роздавання
кормів визначають візуально або методом зважування проб, зібраних із метрових
ділянок годівниці.
1.2.2
Технологія вирощування м’ясних каченят
Способи вирощування м’ясних каченят
досить різні: вирощування на глибокій підстилці, сітчастій або планковій
підлозі, у кліткових батареях, літніх таборах, на відгодівельних майданчиках,а
також різні поєднання зазначених способів. При будь - якому способі вирощування
каченят слід дотримуватись двох основних технологічних принципів;
1) Вирощування
каченят
до
початку ювенального линяння;
) Диференціація технологічних
режимів залежно від вікових особливостей каченят.
Процес вирощування каченят на м'ясо
розділяють на дві фази: 1-2 тижні - перша фаза, а починаючи з третього тижня і
до забою, - друга фаза. У першу фазу утримання каченят слід підігрівати повітря
у пташнику. На початку другої фази у каченят проявляються терморегулювальні
функції, і підтримувати високу температуру повітря нема потреби.
На вирощування приймають здорових
каченят не пізніше 12 годин після вибірки із інкубатора і які мають масу не
нижче 43 г. Каченят у пташниках висаджують ближче до годівниць і напувалок.
Корми на дека насипають завчасно. Воду у вакуумні напувалки також наливають
заздалегідь, щоб вона могла прогрітися.
У момент посадки добових каченят
температура повітря повинна бути 22-26ْ Ñ,
ï³ä áðóäåðîì 26-35ْ Ñ, ó
êë³òêîâèõ
áàòàðåÿõ - 24-31ْ Ñ.
Äëÿ
ëîêàëüíîãî
îá³ãð³âó
êà÷åíÿò
âèêîðèñòîâóþòü
áðóäåðí³
óñòàíîâêè
ÁÏ-1 àáî
îá³ãð³âà÷³
íîâîãî òèïó -
óñòàíîâêè
²ÊÓÔ àáî «Ëó÷».
Êà÷åíÿòà
äóæå
÷óòëèâ³ äî
ÿêîñò³
ïîâ³òðÿ. Ïðèìóñîâà
âåíòèëÿö³éíà
ñèñòåìà ìàº
çàáåçïå÷óâàòè
ïðèì³ùåííÿ
ñâ³æèì
ïîâ³òðÿì â îá’ºì³
0,65 ì3
взимку і 5м3 влітку на 1кг живої маси каченят за годину. Швидкість
руху повітря в пташнику має становити 0,1 - 0,5 м/с у холодну пору року і 0,2
-0,6 м/с - у теплу. Концентрація аміаку повинна не перевищувати 0,015 мл/л,
сірководню - 0,005 мл/л, вуглекислого газу - 0,25%.
Найбільш поширеним способом
вирощування каченят на м'ясо є їх утримання на сітчастій підлозі, застосовуючи
щільність посадки 18-20 гол./м2 - у перші 3 тижні, а в подальшому -
9 -10; При такому способі утримання застосовують комплект технологічного
обладнання ОБУ - 18, що дозволяє використовувати принцип поточних ліній.
Вирощування каченят на сітчастій
підлозі дозволяє значно інтенсифікувати технологію виробництва даного виду
птиці.
Для вирощування каченят
після 3 тижнів можна використовувати природні водойми.
1.2.3
Вибір раціону годівлі, розрахунок потреб в кормах (разової і добової)
Основним джерелом енергії в раціонах
у птиці в зернові - кукурудза, пшениця, ячмінь, просо, сорго і інші, які в
складі комбікормів займають 50-70%. Зернобобових добавляють в комбікорми до
10%, мухами і шротів 8-10% і 3-5% тваринного або рослинного жиру.
Для годівлі птиці використовують
трав’яне борошно (3-10%) та дріжджі (5-6%), що багаті на каротин і вітаміни
групи В, а також висівки і мелясу (3-4%). Мінеральні корми включають до 7%, як
джерело кальцію, фосфору, натрію: дикальційфосфат - 3%, крейда - 4%, ракушняк і
вапняки - до 6%, сіль кухонна - до 0,5.
Таблиця 1.2 Рекомендована структура
повноцінних комбікормів для качок віком
22 - 55 днів, гр/добу.
|
Корми
|
Денна норма
|
Вологість
|
|
Зернові і зернобобові Висівки пшениці Макуха
або шрот Черепашник або крейда Кісткове борошно Сіль Гравій дрібний Свіжа
зелень Соковиті корми (буряк, морква) Сухі тваринні корми
|
150г 50г 20г 4г 1,5 0,3г 1г 50г 50г 10г
|
13% 65% 13% 2% 13% 27%-50% 5% 75% 80% 135
|
Раціон складено відповідно до
рекомендацій [3. ст.. 332].
У птахівництві застосовують сухий,
вологий і комбінований тип годівлі. При сухому типі птицю годують
повнораціонним розсипними або гранульованими комбікормами. При вологому типі
годівлі птиці годують кормо сумішами, в складу яких поряд з меленим або
пророщеним зерном і сухими білковими концентрованими кормами входять: збиране
молоко, молочна сироватка, побічні продукти рослинництва, харчові відходи,
мінеральні і вітамінні препарати. Вологість кормової суміші 40-50%.
При комбінованому способі годівлі
поєднують роздачу сухих кормів (зерно, комбікорм) і напіввологих мішалок.
Оптимальне співвідношення кормів може бути наступним,%:
На проектній фермі ми оберемо вологий
спосіб годівлі качок, що є доцільним при непромисловому вирощуванні качок.
Приблизне споживання кормів дорослою птицею 22 - 55 днів на добу становить від
2,5 до 4,5 кг.
Добова потреба кормів на одну
особину відповідно до вибраного вологого способу годівлі наведена в таблиці
1.2. Для обґрунтування вибору типорозміру чи розрахунку кормоприготувального
об’єкта необхідно знати добові потреби кормів для ферми, разовий обсяг їх
видачі, продуктивність окремих ліній і кормоцеху в цілому.
Добову витрату кожного виду
кормів
визначають
за формулою:
(1.6)
де
норма видачі
го виду
корму на одну голову
ї групи
тварин, кг (приймають відповідно до кормового раціону);
кількість
тварин у
й групі ;
кількість
груп тварин з однаковою нормою видачі даного виду корму.
Визначимо добову витрату
зерна пшениці для стада качок
20000 голів.
норма видачі зерна пшениці на одну
голову , кг - 0,15.
.
Визначимо добову висівок
пшениці для стада качок
20000 голів.
норма видачі висівок пшениці на одну
голову , кг - 0,05.
.
Визначимо добову витрату
макуха для стада качок
20000 голів.
норма видачі макуха на одну голову ,
кг - 0,02
.
Визначимо добову витрату
крейди для стада качок
20000 голів.
норма видачі крейди на одну голову ,
кг - 0,004.
.
Визначимо добову витрату
кісткового борошна для стада качок
20000 голів.
норма видачі борошна на одну голову
, кг - 0,0015.
.
Визначимо добову витрату солі
для стада качок
20000 голів.
норма видачі солі на одну голову ,
кг - 0,0003.
.
Визначимо добову витрату
дрібного гравію для стада качок
20000 голів.
норма видачі гравію на одну голову ,
кг - 0,0001.
.
Визначимо добову витрату
свіжої зелені для стада качок
20000 голів.
норма видачі
свіжої зелені на одну голову , кг - 0,05.
.
Визначимо добову витрату
соковитих кормів для стада качок
20000 голів.
норма видачі
соковитих кормів на одну голову , кг - 0,05.
.
Визначимо добову витрату
сухих тваринних кормів для стада качок
20000 голів.
норма видачі
сухих тваринних кормів на одну голову , кг - 0,01.
.
Отримані при розрахунках дані
заносимо в таблицю 1.3.
Таблиця 1.3 Добові норми
видачі кормів при годівлі качок
|
Корм
|
Добова норма. кг
|
|
Висівки пшениці
|
1000
|
|
Макуха або шрот
|
400
|
|
Черепашник або крейда
|
80
|
|
Кісткове борошно
|
30
|
|
Сіль
|
6
|
|
Гравій дрібний
|
20
|
|
Свіжа зелень
|
1000
|
|
Буряк
|
1000
|
|
Сухі тваринні корми
|
200
|
Загальний добовий обсяг
роботи кормоцеху
становитиме:
(1.7)
де
задана та
фактична вологість кормо суміші, %
кількість складових компонентів
кормового раціону. Вологість кормової суміші визначають як середньозважений
показник:
(1.8)
де
і -
вологість і - го компонента кормової суміші.
Приймемо сумарну вологість
кормової суміші 
При розрахунках приймають
вологість концентрованих кормів 13%, коренебульбоплодів 80%, силосу 65%,
трав’яного борошна 14%, сіна і соломи 18%, зеленої маси 75% [1
ст. 25].
Для доведення вологості кормової
суміші
до заданої норми
(40-50%)додають
поживні розчини або воду, необхідна кількість яких визначається за формулою:
(1.9)
де
необхідна та
фактична вологість кормо суміші, %
кількість складових компонентів
кормового раціону. Приймемо що
необхідна вологість кормової суміші становить 40%.
.
Отже для доведення кормової
суміші до потрібної вологості необхідно 62,61 кг води або поживного кормового
розчину (приймемо що вага 1 л води рівна 1 кг, що відповідає дійсності при
температурі води 4ْ Ñ).
1.2.4
Разові витрати кормів
У птахівництві добову норму видачі
кормів розподіляють, як правило рівномірно між окремими циклами годівлі. А
враховуючи біологічні особливості качок добре поїдати корми рано вранці і в
пізно ввечері - веде до двохразової організації праці, тобто до дворазового способу
годівлі. Отже всю масу кормів розподіляють для видачі на дві рівних норми для
вранішньої і вечірньої годівлі качок.
В деяких господарствах практикують
роздачу кормів у співвідношенні 60 : 40 %, відповідно ранішньої годівлі до
вечірньої.
1.2.5
Витрати води
На основі середньодобових норм
споживання і кількості споживачів на фермі визначають добову потребу води:
(1.10)
де
-
середньодобова норма витрати води одним споживачем і - ї групи (1 дод. 9), л; mi - кількість
споживачів і - ї групи;
n -
кількість груп споживачів з однаковими нормами водоспоживання.
Споживання води на фермі
розподіляється нерівномірно як протягом року, так і протягом доби. З
урахуванням цього максимальна добова потреба води для ферми становитиме:
(1.11)
де
-
коефіцієнт нерівномірності добового та годинного споживання води, 1,3;
Величина максимального
споживання води за годину;
(1.12)
де
-
коефіцієнт нерівномірності добового та годинного споживання води, 2 - 2,5;
л.
1.1.6
Вибір та визначення кількості напувалок
Вибір засобів напування зумовлюється
видом та віком птиці, а також способом їх утримання. Групове станкове
обладнання використовують при вигульному способі утримання тварин.
Необхідну кількість напувалок
розраховують
за відношенням:
де m -
кількість тварин даної групи, голів; m1 - кількість голів, що
обслуговується однією напувалкою.
Виберемо напувалки марки
АП-2М.
де m -
кількість тварин даної групи, голів - 20000; m1 - кількість
голів, що обслуговується однією напувалкою - 5330 [1 дод. 13].
Приймаємо необхідну кількість
напувалок рівною 4.
1.2.7
Вибір кормоцеху та комплекту його обладнання
Дана ферма спроектована для
використання кормів власного виробництва, ось чому нам необхідно вибрати
комплект обладнання який би забезпечував механізовану переробку зелених і
соковитих кормів , приготування вологих кормових сумішей відповідно до
вибраного раціону. Ось чому ми виберемо для установки на даній фермі
кормоприготувальну лінію розроблену ЦНИПТИМЄЖ. Вона встановлюється
безпосередньо в великих пташниках , чи на території що об’єднує декілька малих
пташників. Вона складається з скребкового конвеєра з універсальним живильником
для завантаження і прийому концентрованих кормів, зеленої маси та коренеплодів;
бункерів для зберігання 5 - 7 денного запасу концентратів; дозатора
коренеплодів; шнекового змішувача - завантажувача безперервної дії і
подрібнювача кормів «Волгарь - 5». Виробнича потужність лінії за зміну до 3
т/г. Обслуговує лінію одна працівниця.
Всі машини і бункери для зберігання
кормів, що входять в комплект обладнання, зв’язані однією лінією - скребковим
транспортером з універсальним живильником. Транспортер розташований таким
чином, щоб його ланцюг зі скребками проходив над і під переробними машинами, а
також над накопичувальними бункерами і слугує як для завантаження початкових
кормів в накопичувальні бункери, так і для подачі компонентів кормових сумішей
до змішувача.
Коренеплоди і сипучі корми з само
звального транспорту вивантажуються в живильник скребкового конвеєра і по
верхній вітці через люки в коробці транспортера подаються в відповідні
накопичувальні бункери. Зелена маса, так як вона не може довго зберігатися,
привозиться на одну годівлю і верхньою віткою транспортера через
вивантажувальний люк в коробці і течку подаємо на подрібнювач «Волгарь-5 » для
подрібнення. При цьому живильник транспортера обладнується дозатором -
регулювальником.
Коренеплоди подають в
накопичувальний бункер, в днищі якого встановлено дозатор попереднього
подрібнення, а звідти - на подрібнювач «Волгарь-5 » для кінцевого подрібнення.
Під кожним накопичувальним бункером для сипких кормів встановлено дозатор
барабанного типу через який корм подається в короб нижньої гілки скребкового
транспортера. Всі дозатори сипких кормів працюють від загального приводу і
мають незалежну систему регулювань. Сухі корми нижньою гілкою транспортера подаються
в поперечний шнек и далі в змішувач. Дозовані і подрібнені коренеплоди і зелена
маса із подрібнювача «Волгарь-5 » подаються безпосередньо в шнек-змішувач .
Шнек-змішувач безперервної дії змішує в потоці корм що подається до нього і
подає готову кормову суміш в кормороздавач або на транспортер.
Технічна характеристика обладнання
кормоцеху.
|
Продуктивність скребкового транспортера при
завантаженні: Сипких кормів
|
8 т/г
|
|
Зеленої маси
|
12 т/г
|
|
Коренеплодів
|
2 т/г
|
|
Об’єм живильника
|
1,6 м3
|
|
Об’єм бункера - живильника коренеплодів
|
10 м3
|
|
Об’єм бункера сипких кормів
|
20 м3
|
|
Продуктивність кормоприготувальної лінії
|
3 т/г
|
|
Кількість обслуговуючого персоналу
|
1 люд.
|
|
Загальна потужність електроприводів
|
32 кВт
|
|
Вага лінії
|
5,2 т
|
|
Довжина
|
20м
|
1.3
Механізація видалення посліду
.3.1
Проблема видалення посліду
Своєчасне прибирання тваринницьких
приміщень та видалення гною, ефективне використання його - одна з важливих
народногосподарських проблем, значення якої зростає залежно від укрупнення
ферм, і удосконалення їх технічного оснащення, підвищення вимог до санітарно -
гігієнічних умов утримання тварин, а також до якості продукції, що
виробляється. Проблему прибирання та утилізації гною розглядають, враховуючи
такі питання: забезпечення фізіологічного комфорту при утриманні тварин, захист
навколишнього середовища, використання гною, в першу чергу, як органічного
добрива.
Ця проблема охоплює три складних
завдання: прибирання тваринницьких приміщень і видалення гною в сховища;
складування, знезараження та зберігання; його використання.
Досвід проектування та експлуатації
тваринницьких підприємств свідчить, що технологічні і технічні рішення стосовно
наведених завдань зумовлюється способом утримання тварин, консистенцією гною та
напрямом його використання.
1.3.2
Вимоги до технології і засобів видалення посліду
Основні вимоги до технології і
засобів видалення гною, зберігання, переробки та використання гною визначені
нормативно - технічними документами на проектування таких систем, а також
ветеринарно - санітарними і гігієнічними нормами щодо обладнання технологічних
ліній прибирання, обробки, знезараження та утилізацію гною на тваринницьких
фермах і комплексах.
При проектуванні системи прибирання,
видалення, обробки та використання гною слід враховувати прогресивні технології
і дотримуватись умов, які забезпечують:
повне використання всіх видів гною
та його складових як добрива для сільськогосподарських угідь або сировини для
виробництва комплексних органо - мінеральних добрив чи інших виробничих потреб;
виконання ветеринарних і санітарно -
гігієнічних вимог експлуатації тваринницьких підприємств при мінімальних
витратах води, а також вимог законодавства щодо охорони навколишнього
середовища;
підвищення рівня механізації та
автоматизації виробничих процесів.
Особливу увагу необхідно приділяти
правильному вибору технології і способів видалення гною з тваринницьких
приміщень, оскільки від цього залежать капіталовкладення в будівництво споруд
подальшої обробки та експлуатації витрати, пов’язані з утилізацією гною.
1.3.3
Вихід посліду
Добовий вихід гною від однієї
тварини визначаємо за формулою:
(1.13)
де
- добовий
вихід посліду від однієї птиці, кг:
качки
= 0,55 кг;
- вихід сечі, для качок =0.
- добова потреба в підстильному
матеріалі, кг:
При утриманні птиці на
решітчастій підлозі немає потреби в підстилці отже
=0.
Визначимо добовий вихід
посліду.
кг.
Добовий вихід посліду по
фермі становить [1
ст. 56]:
, (1.14)
де
- добовий
вихід гною від однієї тварини і - ї групи, кг;
- кількість голів і - ї групи, гол;
n -
кількість груп, шт.
кг.
Річний вихід гною визначаємо
за формулою:
де Д - кількість днів
нагромадження гною на фермі, Д = 365 днів.
.
1.3.4
Вибір технології видалення посліду та утилізації посліду
Технологія видалення та утилізації
гною зумовлюється насамперед його вологістю, яка залежить від виду тварини і
способу утримання тварин у приміщеннях, а також використання підстилки.
На птахофермах для зниження затрат
ручної праці застосовують варіанти утримання птиці на щілинній підлозі, яка в
поєднання з механічними засобами, гідравлічним системами дає змогу повністю
механізувати роботи, пов’язані з очищенням приміщень від посліду, видалення
його і транспортування у гноєсховища.
Надійне функціонування щілинної
підлоги можливе лише при тому що відсутнє використання підстилкового матеріалу,
а відповідно до нашої технології утримання це є прийнятним.
Отже для видалення посліду ми
використаємо штанговий транспортер.
1.3.5
Видалення посліду механічними транспортерами
Для видалення посліду використаємо
штанговий транспортер що буде видаляти послід біля поїлок, транспортуватиме
його в сховища для зберігання посліду. Він складається із приводної станції,
поворотних зірочок і двох відрізків ланцюга від серійного транспортера ТСН-3Б,
а також двох штангових скребкових віток спеціальної конструкції.
Транспортер забезпечує надійну
роботу на рівному бетонній підлозі і в послідних каналах без пристосування
дерев’яних чи залізних направляючих, не потребує установки бігових доріжок,
дозволяє в порівняні з одно скреперними установками в 1,5-2 рази зменшується
глибина послідного каналу, може обслуговувати послідні канали з робочою
довжиною по контуру до 400 м, ширина захвату 0,9 - 1,5м, вага штангової гілки в
розрахунок на погонний метр складає 3 - 4 кг, а всього транспортера в тому ж
розрахункові 5 - 7 кг. Продуктивність
технологічної лінії видалення гною визначаємо за формулою:
(1.16)
де m`-
кількість тварин що обслуговується однією установкою 20000
- добовий вихід гною від однієї
тварини, кг;
=0,55 кг.
К - кратність прибирання гною
протягом доби, К = 2 рази;
Тц - тривалість циклу
видалення гною, с.
Мінімальну тривалість одного
циклу визначаємо за формулою [1 ст. 61]:
(1.17)
де Lтр, Lпох -
загальна довжина відповідно горизонтального та похилого транспортерів, загальну
довжину горизонтального транспортера приймемо в відповідності до довжини
пташника Lтр = 270 м, Lпох = 13 м;тр, Vпох
- швидкість руху горизонтального та похилого транспортера,
Vтр = 0.24м/с, Vпох
= 0.72 м/с.
с.
Продуктивність технологічної
лінії видалення гною
кг/с.
Визначимо загальну потребу в
скребкових установках ny за
формулою [1
ст. 62].
(1.18)
Де m - кількість
тварин на фермі.
.
З урахуванням тривалості
циклу видалення гною одним транспортером та кратності прибирання гною визначимо
час роботи транспортера:
(1.19)
Отже загальний час роботи
транспортера буде складати 38,1 хв.
Загальна тривалість
технологічного процесу видалення посліду із пташника визначимо за формулою:
(1.20)
Для доставки посліду
мобільними засобами необхідно зробити ір рейсів: Gмоб
- вантажопідйомність мобільного засобу для причепа 2ПТС - 4 - 785А, Gмоб
= 4 т.
Кількість рейсів, які
необхідно зробити для вивезення гною за час його видалення визначаємо за
формулою:
, (1.21)
де Gдоб - кількість гною,
яку необхідно вивезти за добу, G доб = 11т;моб -
вантажопідйомність мобільного засобу для причепа 2ПТС - 4 - 785А, Gмоб
= 4 т.
рейси.
Приймаємо ір = 3
рейси.
Кількість
рейсів, які може виконати один мобільний засіб визначаємо за формулою:
(1.22)
де Тц.моб - тривалість
одного рейсу мобільного агрегату, год;
Тц.моб = (Тх +
Тзав + Тр + Троз) ∙ Ко,
(1.23)
де Тх - тривалість
холостого переїзду, год;
Тзав - тривалість
завантаження причепа, год;
Тр - тривалість переїзду
завантаженого агрегату, год;
Троз - тривалість
розвантаження агрегату, год;
Ко - коефіцієнт, який
враховує зупинки, Ко = 1.2.
Тривалість холостого переїзду
агрегату визначаємо за формулою:
(1.24)
де lc-п - відстань
переїзду, lc-п = 0.1 км;х - швидкість руху
агрегату при холостому переїзді, Vх = 4 км / год.
год.
Тривалість завантаження
визначаємо за формулою:
(1.25)
де Qл
- продуктивність лінії, т / год.
год.
Тривалість переїзду
завантаженого агрегату визначаємо за формулою:
(1.26)
де Vp
- швидкість руху завантаженого агрегату, Vp
= 4 км / год.
год.
Тривалість розвантаження
причепа триває Троз = 0.11 год.
Підставляємо значення у
формулу 1.23 і проводимо розрахунок:
Тц.моб = (0.025 +
0.83 + 0.025 + 0.11) ∙ 1.2 = 1,161 год.
Підставляємо значення у
формулу 1.22 і проводимо розрахунок:
рейси.
Мінімальну кількість
мобільних засобів для перевезення гною визначаємо за формулою:
(1.27)
Підставивши значення у формулу
одержимо:
агрегати.
Приймаємо один трактор ЮМЗ -
6Л і два причепа 2 ПТС - 4 - 785 А.
1.4
Розрахунок системи вентиляції
.4.1
Визначення обсягу та кратності повітрообміну
Повітрообмін тваринницьких приміщень
характеризується величиною подачі свіжого або видалення забрудненого повітря, а
також кратністю повітрообміну в приміщенні за одиницю часу.
Мінімальний допустимий обсяг
вентиляції
м3/год,
через питомий повітрообмін:
(1.28)
де b - норма повітрообміну
на 100 кг живої маси птиці і - го виду, м3/год [1 дод 18]. Мі
- середня жива масса однієї голови, кг.
м3/год.
Точніше повітрообмін
розраховуємо за умови дотримання у приміщенні допустимих рівнів концентрації
шкідливих речовин за формулою:
(1.29)
де ρ - кількість
шкідливих речовин, які виділяє одна птиця протягом години, л/год [1 дод. 19]; ρД -
допустима концентрація шкідливої речовини у приміщенні, л/м3; ρП -
вміст шкідливої речовини у свіжому повітрі, л/м3 [1 дод. 17].
л
В жарку пору року
повітрообмін перевіряють за умовою теплового балансу в приміщенні:
(1.30)
де
- надмірна
кількість теплоти, що виділяється в приміщенні, кДж/год.; СП -
питома тепломісткість повітря, -0,99 кДж/кг∙Сْ
;
температура
відповідно внутрішнього та зовнішнього повітря, ْÑ;
щільність
свіжого повітря, кг/м3.
Загальна кількість надмірної
теплоти
визначається
за рівнянням:
(1.31)
де
теплота, яку
виділяють тварини або птиця, кДж/год;
- тепловиділення
електроустановками, кДж/год;
- тепловиділення приладами
освітлення, кДж/год;
- теплота
сонячної радіації, кДж/год;
- втрати тепла приміщення, кДж/год.
Теплота
що
виділяється тваринами, зумовлюється їх поголів’ям та умовами утримання:
(1.32)
де
- кількість
тепла, яке виділяє одна тварина або птиця в навколишнє середовище протягом
години, кДж/год. [1
дод.
19].
- коеф що
враховує коливання виділення тепла залежно від температури повітря у приміщенні
[1 дод. 20].
- коеф. Що
враховує зменшення виділення тепла тваринами у стані спокою; для птиці = 0,6.
кДж/год.
Кількість теплоти
- що
надходить від працюючих у приміщенні машин з електроприводом, становить:
(1.33)
де
- загальна
потужність електродвигунів кВт; Приймемо загальну потужність електрообладнання
50 кВт.
кДж/год.
Кількість теплоти від приладів
освітлення
:
(1.34)
де
- загальна
потужність електродвигунів кВт; Приймемо загальну потужність електрообладнання
20 кВт.
- коефіцієнт
перерахунку електроенергії у теплову для пташників 0,5.
кДж/год.
Теплота від сонячної радіації
надходить крізь вікна і стелю становить;
(1.35)
де
- кількість
теплоти від сонячної радіації, що надходить в приміщення відповідно через вікна
і стелю, приймемо відповідно 3000 і 4000 кДж/год
кДж/год.
Втрати теплоти QП на
підігрівання свіжого повітря, що надходить у приміщення, залежать від обсягу:
(1.36)
де
- питома
теплоємність повітря,
=0,51
кДж/(кг∙ْÑ);
- величина
подачі повітря, м3/год. Приймемо 5000 м3;
- щільність
повітря при температурі
,кг/м3.
Загальна кількість надмірної
теплоти
кДж/год.
Відношення розрахункового
об’єму повітря VB, що
подається за одиницю часу , до корисного об’єму приміщення VПР
(об’єм приміщення 3801,6 м3) називається кратністю повітрообміну КОб:
(1.36)
Так як КОб =1,31
то достатньо буде природної вентиляції приміщення.
1.4.2
Кількість припливних і витяжних каналів та вентиляційних установок
При застосуванні природної
вентиляції загальну площу витяжних каналів FВ
розраховують за формулою:
(1.37)
де
- прийнятий
для розрахунків повітрообмін, м3/год.
- швидкість руху в каналі, м/с.
(1.38)
- висота витяжного каналу, м
Приймемо 4 м;
-
температура повітря відповідно у приміщенні та зовнішньому середовищі, ْ Ñ. Приймемо 30-20ْ Ñ.
м/с. тоді
м2
Кількість каналів визначаємо
за формулою:
(1.39)
де
- площа
поперечного перерізу одного каналу, м2. приймаємо відповідно до
рекомендацій [1 ст.79] 0,25м2
Приймаємо кількість каналів
рівною 4.
2.
Конструктивна частина
2.1
Зоотехнічні вимоги до процесу
приготування кормів
Продукцію тваринництва одержують
переважно за рахунок використання кормових ресурсів рослинного походження
(власного виробництва чи на основі кооперування з кормовиробничими
підприємствами). Для цього колективні, державні та фермерські господарства
вирощують зернофуражні культури, коренебульбоплоди, а також одно і багаторічні
трави на зелену масу, силос, сінаж та сіно.
З метою забезпечення
високоефективного використання поживної цінності більшості кормів необхідно
заготовляти і готувати до згодовування відповідно до діючих стандартів або
зоотехнічних вимог, які враховують фізіологічні особливості тварин або птиці.
Сутність цих вимог полягає у наступному.
Збирати кормові культури необхідно в
період, коли вони мають найбільшу врожайність та поживну цінність. Якість
кормів визначається не лише їх поживною цінністю, а й наявністю (або
відсутністю) в них баластних, некорисних чи інколи навіть шкідливих включень.
Останні можуть спричиняти травмування чи отруєння споживачів, знижувати
ефективність роботи та надійність технологічного обладнання.
Для попередження таких явищ корми в
процесі підготовки до згодовування очищають. Допустимий ступінь залишкового
забруднення залежить від виду кормів, а також характеру включень та їх можливих
наслідків. Так, домішки землі не повинні перевищувати 1-2%, піску 0,3-1%, металеві
домішки розміром до 2 мм з незагостреними краями 30 мг на 1 кг корму, насіння
отруйних трав 0,25%.
Для високоефективного використання
кормів важливим є забезпечення оптимальної крупності кормових часток, що
залежить від біологічного виду та віку тварин і птиці, а також від виду
кормової сировини й характеру використання кормів (згодовування роздільне чи в
складі кормових сумішей, у розсипному стані чи у вигляді гранул або брикетів).
З цією метою кормову сировину перед згодовуванням подрібнюють.
Доведено, що готувати комбікорми для
птиці необхідно з інгредієнтів середнього (1-1,8 мм) та крупного (1,8-2,6 мм)
розмірів.
2.2
Розрахунок скребкового транспортера
.2.1Вихідні
дані
Розрахувати скребкового
транспортер продуктивністю П=120 кН/год, для транспортування зерна пшениці
об’ємною масою g = 7
кН/м3, довжина транспортування L1 = 6
м; L2 =
12,1; L3 =
1,7 м швидкість транспортування
=1 м/с. кут нахилу транспортера β1=45°; β2=70°; Коефіцієнт
нерівномірності завантаження Кн=1,2.
2.2.2 Вибір
основних параметрів
Беремо скребки прямокутної
форми високі суцільні з коефіцієнтом
[2 с. 91];
Жолоб зварний, з листової сталі завтовшки 3 мм. Натяжний пристрій - гвинтовий.
Привод розміщено в кінці конвеєра.
2.2.3 Визначення
ширини і висоти жолоба
При коефіцієнті нерівномірності
завантаження Кн=1,2, розрахункова продуктивність буде:
(2.1)
кН/год.
Визначимо робочу висоту
жолоба за формулою [2 ст. 90].
(2.2)
де
-
коефіцієнт заповнення жолоба, [2 табл. 3.13],
=0,36.
м.
Визначимо ширину жолоба
. (2.3)
м.
За [2 табл. 3.11.] беремо
висоту скребка
мм і ширину
скребка
мм.
Приймаємо крок ланцюга
мм, крок
скребків
мм.
2.2.4 Визначення
погонних навантажень
Силу тяжіння вантажу на 1 погонний
метр ходової частини визначимо за формулою [2 ф.3.53].
(2.4)
Н/м
Сила тяжіння порції вантажу,
розміщеного між скребками
(2.5)
Н.
Погонне навантаження від сили
тяжіння ланцюга і скребків визначимо за формулою [2 ф. 3.54].
(2.6)
де К коефіцієнт для
дволанцюгових конвеєрів -0.8.
Н.
2.2.5
Визначення опору руху і натягів ланцюгів
Поділимо трасу на характерні
ділянки, починаючи з точки збігання ланцюгів з приводних зірочок від точки 1 до
точки 8. Обчислимо опір на ділянках для нормальних умов праці. Приймемо
коефіцієнти опору переміщення вантажу від тертя по дну, і стінках стального
жолоба
,
-
коефіцієнт тертя вантажу, [2 табл. 1.1].; ланцюгів та скребків від ковзання їх
по дну жолоба
; коефіцієнт
від огинання ланцюгами зірочок К =1,08 див.[2 с. 84].
Опір переміщення вантажу
, яка
розміщена перед скребком, визначимо за формулою [2 ф. 3.50].
(2.7)
Н.
Мінімальний натяг, що
відповідає величині навантаження, визначимо за формулою [2 ф. 3.49].
(2.8)
де
- висота
прикладання сили опору,
мм.
Н.
Приймаємо згідно рекомендацій
[2
с. 93]
величину мінімального натягу
=1000Н.
Тяговий розрахунок необхідно
розпочинати з точки мінімального натягу. Для заданої траси мінімальний натяг
можливий лише в точці 1.
. Натяг
у послідуючих точках становитиме (Н):
.
де
;
Н.
Н.
Н.
Н.
де
;
Н.
Н.
Н.
Визначення окружної сили на
приводних зірочках за формуло [2 ф.3.41].
Н.
Визначення потужності
електродвигуна. Потужність на валу двигуна визначимо [2 ф.
3.42].
Р = Ft×
/1000∙η0
=1954.33 ×1/1000∙0.9
= 2.17 кВт (2.9)
де h0 =
0,9 - коефіцієнт [2 с.18].
За цією потужністю вибираємо
двигун 4А112МА6У3 потужністю РД=2,2 кВт, і частота обертання nД =
950 хв-1, маса електродвигуна m = 36кг.
2.2.6
Вибір тягового ланцюга
Вибираємо втулко - роликовий
тяговий ланцюг, з кроком
мм, типу 2;
число зубців зірочки приймемо t = 7. Швидкість ланцюгів складає 1 м/с, що
більше за 0.2 м/с, тому при визначенні розрахункового навантаження необхідно
врахувати динамічні сили [2 ф. 3.2].
Н.
Руйнівне зусилля що діє на
один ланцюг [2 ф. 3.1].
Н.
де S =10 коефіцієнт
запасу міцності, [2 с.67];
С = 1.2 коефіцієнт
нерівномірності, [2 с. 67];Л = 2 кількість ланцюгів.
По табл. 3.1див [2
ст. 64]
вибираємо ланцюг М 20-2-160-2 з руйнуючим навантаженням
кН.
мм.
2.2.7 Визначення
розмірів зірочок транспортера
Геометрична характеристика
зачеплення [2 ф. 3.12].
Згідно рекомендації [2 с. 72]
при
зірочки
виготовлено багатоходовими, у нашому ви падку приймаємо триходову зірочку m = 3.
Кількість зубів зірочок
вибираємо, в залежності від числа ходів [2 с. 72] Z = 19. Діаметр
ділильного
кола зірочки,
у кроках [2 ф.3.13].
а в міліметрах
мм.
Розміри інших елементів можна
визначити, скориставшись рекомендаціями [2 ст.72-73].
2.2.8 Визначення
передаточного числа привода
Кількість обертів приводних зірочок
n = 60×
/π∙D =
60×1/3,14×0.336
=59.1 хв-1 (2.10)
Передаточне число приводного
механізму,[ 2 ф. 1.27]:
u = nд/nпв =
950/59.1 =16.07; (2.11)
Для приводу приводних зірочок
вибираємо редуктор [4.
том 3. с. 687 ] Ц2У-100
циліндричний з передаточним числом u = 16.21.
nр =
950/16.21 =58.6 хв-1
Визначення зусилля натягу
натяжного пристрою.
Зусилля натягу
Н.
Хід натяжного пристрою згідно
[2
табл.
3.7].
Рис 1 Розрахункова схема
скребкового транспортера з високими скребками.
2.3
Розрахунок основних вузлів машини
.3.1
Кінематичний розрахунок приводу
Знаходимо загальний ККД. Він
складається із ККД муфти, ККД двоступінчастого циліндричного редуктора, ККД
підшипників кочення, ККД запобіжної муфти.

Визначення силових і
кінематичних параметрів привода.
Визначаємо потужності на всіх
валах і силових параметрів привода
Рис. 2 Кінематична схема
приводу.
Визначаємо потужності на всіх
валах і силових параметрів привода:
Визначаємо частоти обертання
на всіх валах:
Знаходимо значення обертових
моментів:
.
Розрахунок приводного вала
Потужність на валу N =
2,2кВ
Частота обертання валу nпв =
58.6хв-1
Крутний момент Мкр
= 329.2 Н×м.
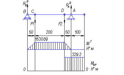
Рис.2 Схема навантажень
приводного вала
Вертикальна площина
Визначаємо опорні реакції в
вертикальній площині.
Н. [5 ст. 284].
Перевірка:
Рис.3 Епюра згинаючих
моментів.
Горизонтальна площина
Навантаження симетричне, тому
,
із епюр бачимо, що
найнебезпечніший переріз знаходиться поблизу точки D, де
,
Сумарний момент:
,
Приведений момент:
,
Діаметр вала визначаємо за
формулою:
, (2.12)
де [sн] =
400 кГ/см2 - допустима напруга для сталі 40.
,
Приймаємо діаметр вала під
підшипники dв =
20мм.
Рис.4 Епюра крутних моментів.
2.3.2
Вибір підшипників
Розрахунок і вибір підшипників
здійснюється для опори В, яка найбільш завантажена. Радіальна сила:
. (2.13)
Тоді коефіцієнт
довговічності:
C=(RВ+m×A)×Ks×Kt×(N)0,3=1530.89×1×1×1×(18,2×16000)0,3=95,8046кH
(2.14)
де КК = 1 -
обертається внутрішнє кільце;
Ks = 1
- характер навантаження - спокійне;
Kt = 1
- температура підшипника - до 60°;
N =
16000 год. - бажана довговічність підшипника;
А = 0 - оскільки осьова сила
відсутня.
Коефіцієнту С = 95,8046
відповідає підшипник 1207 ГОСТ 28428-90, у якого С = кН.
2.3.3
Розрахунок шпонкового з’єднання
Для з’єднання вала і зірочки
вибираємо шпонку. Для вала d=40
по ГОСТ 23360-78, b=12мм,
h=8мм, t1=5мм,
приймаємо l=90мм.
Вибране з’єднання перевіряємо на
зминання, а шпонку на зріз за [5.стор.74]:
де s=100МПа, t=0,6×s=60МПа.
Підставляємо значення у
формули:
Умова
виконана .
Отже, вибрана нами шпонка повністю
відповідає нашим вимогам.
Висновки
Виконавши даний курсовий проект нам
вдалось спроектувати комплекс для вирощування 20000 качок з розробкою
скребкового транспортера.
В першій частині ми виконали вибір
основних параметрів, що потрібні для розрахунку птахоферми, а також частковий
розрахунок вибраних параметрів, таких як: визначення кількості виробничих
приміщень, розрахунок потреб в складських приміщеннях.
Ми обрали і розрахували повноцінного
кормового раціону. Розрахували потребу в кормах на заданий період.
В другій частині ми розрахували
основні параметри скребкового транспортера, виконали розрахунок приводного вала
зірочок, побудували епюри крутних моментів.
Список
використаної літератури
1.Ревенко І.І. Проектування
механізованих технологічних процесів тваринницьких підприємств.-Київ. Урожай,
1999.-185с.
.Любін М.В. Механізація
транспортуючих робіт. Частина І. Вінниця.-2004. 212с.
.В.І. Бесулін, В.І. Гужва,
Птахівництво і технологія виробництва яєць та мяса птиці.-Біла Церква,
2003.-448с.
.В.І. Анурєв. Довідник
конструктора машино будівельника том3. Москва. Машиыностроєниє.-2001.-859с.
.Кондратюк Д.Г., Любін М.В.
Методичні вказівки до курсового проекту по дисципліні "Машиновикористання
в тваринництві".
. Красников В.В.
"Подъемно-транспортные машины". 2-е изд. Перераб. и доп. - М.: Колос.
- 1987. - 269с.
. Красников В.В. и др.
"Подъемно-транспортные машины". 2-е изд. Перераб. и доп. - М.: Колос.
- 1987. - 269с.
. Сіхкун O.I.
"Механізація тваринницьких ферм". - К.: Агропроміздат. - 1980. -
197с.
. Кузнецов P.O.,
Шаров Ю.К. и др. Под ред. Кузнецова P.O. "Справочник по механизации
животноводческих ферм". - К.: Агропромиздат. - 1992. - 211с.
. Прутков LA.
"Механізація роздачі кормів на тваринницьких фермах". - К.: Урожай. -
1997. - 178с.