|
Тип Трансформатора
|
Мощность кВА
|
U1ном кВ
|
U2ном кВ
|
Uк.з. %
|
Рпотерь
|
Iх/х %
|
|
|
|
|
|
х/х кВт
|
К.з кВт
|
|
|
ТМ-100/10
|
100
|
10
|
0,4
|
4,5
|
0,365
|
1,97
|
2.6
|
|
|
|
|
|
|
|
|
|
Определим действительный коэффициент
загрузки намеченных к установке силовых трансформаторов в нормальном режиме
работы:

; (26)
Условие 0,7
0,85
Определим коэффициент
загрузки трансформатора в аварийном режиме, то есть при отключении одного из
силовых трансформаторов

, (27)
Условие
Вывод: в данном разделе
выбран силовой трансформатора типа ТМ-100/10, который проходит по коэффициентам
загрузки в нормальном (
) и аварийном (
) режимах.
2.3 Выбор токоведущих
частей
Токоведущие части в
распределительных устройствах 10 кВ и выше электростанций и подстанций обычно
выполняются гибкими сталеалюминевыми проводами АС или АСО. Все соединения
внутри закрытого распредустройства 6…10 кВ, включая сборные шины, выполняются
жесткими голыми алюминиевыми шинами прямоугольного или коробчатого сечения. При
токах до 3000 А в закрытых распредустройствах 6…10 кВ применяются однополосные
и двухполосные алюминиевые шины. При больших токах рекомендуются шины
коробчатого сечения, так как они обеспечивают лучшие условия охлаждения и
меньшие потери от эффекта близости и поверхностного эффекта.
Выбор токоведущих частей по условиям
нагрева
Длительный нагрев рабочим током -
это режим, который характеризуется тепловым равновесием, в нем проводники
приобретают определенную (установившуюся температуру).
Рассчитаем токи протекающие на
стороне 10 кВ в нормальном и аварийных режимах.
Повреждения нарушают работу
энергосистемы и потребителей электроэнергии, и, как правило, приводят к
возникновению аварийных режимов.
Для обеспечения нормальной работы
энергетической системы и потребителей электроэнергии необходимо возможно
быстрее выявлять и отделять место повреждения от неповрежденной сети,
восстанавливая таким путем нормальные условия работы энергосистемы и
потребителей.
При расчете сети по нагреву выбирает
марку проводника в зависимости от характера окружающей среды помещения, а так
же от способа прокладки ТВЧ.
Рассчитаем токи, протекающие на
стороне 10 кВ в нормальном и аварийных режимах.

; (28)

A;

; (29)

A
где Кзд - коэффициент
загрузки,н.тр-номинальная мощность трансформатора в КВА,

- номинальное
напряжение трансформатора на высшей стороне в кВ.
Выберем кабельную линию
марки АСБГ на стороне 10 кВ при условии, что

(30)
Проверим условие:
,03 А 
А
Из условия видим, что
кабельная линия марки АСБГ 
проходит, с 
А
Выберем шины на стороне
10 кВ прямоугольного сечения по условию:

(31)
Проверим условие:
.05 А 
А
Из условия проверки
видим, что проходят шины марки АТ (15х3) прямоугольного сечения с 
А
Расшифруем буквенные и
цифровые обозначения шины.
АТ - алюминиевый
твердый;
(15х3) - размеры шины,
мм
Рассчитаем токи,
протекающие на стороне 0.4 кВ

; (32)

A;

; (33)

A
Выберем четырехжильную
кабельную линию марки ААБ проложенную в земле и проверим по условию:

(34)
Проверим условие:

А
Из условий проверки
видим, что проходит кабельная линия марки ААБ (4х95) с

А
Выберем на стороне 0,4
кВ шины прямоугольного сечения по условию:

; (35)
Проверим условие:
.16 А
А
Из условия проверки
видим, что проходит шина марки АТ (15х3). с 
А.
Вывод: в данном разделе
были выбраны ТВЧ по нагреву. На стороне 10 кВ кабельная линия марки АСБГ 
с 
А, шины прямоугольного
сечения марки АТ (15х3) с 
А. На стороне 0,4 кВ -
кабельная линия марки ААБ (4х95) с 
А и шины прямоугольного
сечения марки АТ (15х3) с 
А.
Расчет токоведущих
частей по потерям напряжения
Выбранные по длительно
допустимому току ТВЧ необходимо проверить по потерям напряжения. По условию,
что потери напряжения в линиях не должны превышать более, чем 
.

(36)
Потерю напряжения в
линиях можно рассчитать по формуле:

, (37)
где 
- расчетный рабочий
ток, равный току номинальному, А- длина линии, км

;
- активное, индуктивное
сопротивление,

- номинальное
напряжение, В.
Рассчитаем потерю
напряжения кабельной линии марки АСБГ 
на стороне 10 кВ, (37)
предварительно выбрав r0, x0 из литературы [2]: 
; 
;

В; 
; 
А; 
км;
Проверим условие:
.12% 
Кабельная линия проходит
так как 
.
Рассчитаем потери
напряжения кабельной линии марки ААБ (4х95) на стороне 0,4 кВ; (37)
предварительно выбрав из справочника значение активного / индуктивного
сопротивления: 
; 
; 
А; 
км; 
В;
Проверим условие:
,6% 
Из условия видим, что
кабельная линия марки ААБ (4х95) на стороне 0,4 кВ проходит по условию
проверки.
Вывод: из расчетов
видим, что выбранные ТВЧ: КЛ марки АСБГ 
с 
А, и КЛ марки ААБ (4х95)
прошли по потери напряжения, т.к. потери напряжения меньше 5%.
Выбор токоведущих частей
на экономически целесообразное сечение
Выбор сечения проводов и
кабелей без учета экономических факторов может привести к значительным потерям
электрической энергии в линиях и существенному возрастанию эксплуатационных
расходов. По этой причине сечение проводников электрических сетей внутреннего
электроснабжения значительной протяженности, а также сетей, работающих с
большим числом часов использования максимума нагрузки - Tmax> 4000 ч - должно быть не менее отвечающего рекомендованной
экономической плотности тока, устанавливающей оптимальное соотношение между
капитальными затратами и эксплуатационными расходами.
Экономически
целесообразное сечение рассчитаем по формуле:

, (38)
где 
- расчетный ток; 
=
4,05 А

- экономическая
плотность тока
Согласно ПУЭ
экономическая плотность тока берется на основе технико-экономических
показателей с учетом максимальной нагрузки в год. В моем курсовом проекте
нагрузка составляет 4000 часов в год, поэтому 
для КЛ марки АСБГ
(3х16)

(39)
,9

Вывод: Кабельная линия
марки АСБГ (3х16) проходит проверку на экономически целесообразное сечение.
КЛ линия марки ААБ
сечением (4х95) на стороне 0,4 кВ не проверяется, т.к. согласно ПУЭ сети
промышленных предприятий и сооружений до 1000В, при числе часов использования
максимальной нагрузки до 4000 - 5000, проверки по экономической плотности не
подлежат, а в моем курсовом проекте число часов использования максимальной
нагрузки составляет 4000 часов в год.
2.4 Расчет токов
короткого замыкания
Расчет токов к.з.
ведется в относительных единицах. При этом методе все расчетные данные приводят
к базисному напряжению и базисной мощности. За базисное напряжение принимают
номинальные напряжения Uном = 0.23; 0.4; 0.69; 3.15; 6.3; 10.5; 21; 37; 115;
230 кВ. За базисную мощность 
можно выбрать мощность,
принимаемую при расчетах за единицу, например мощность системы, суммарные
номинальные мощности генераторов станции или трансформаторов подстанции или
удобное для расчетов число, кратное десяти.
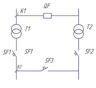
Расчет токов короткого
замыкания в точке К1 на стороне 10 кВ
Расчет токов к.з. на
стороне 10 кВ ведется в относительных единицах. Предварительно составляется
расчетная схема, согласно однолинейной схеме электроснабжения цеха
металлорежущих станков.
Рисунок 2.4.1.1
Расчетная схема
В качестве базисного
напряжения (
) и базисной мощности 
) принимаем 
МВА, 
кВ и на низкой стороне 
кВ.

; (40)

=
кА
Определим сопротивление
энергосистемы до линии передающей электрическую энергию на проектируемую
подстанцию, в относительных единицах.

, (41)
где 
- мощность короткого
замыкания на шинах источника питания, МВА.
По данным завода
принимаем 
МВА.
На основании расчетной
схемы составим схему замещения:
Рисунок 2.4.1.2 Схема
замещения
Схема замещения
позволяет определить токи, потери мощности и падения напряжения в асинхронной
машине. При этом нужно учитывать, что в обмотке вращающегося ротора проходит
ток, действующее значение и частота которого зависят от частоты вращения.
Для расчета тока
короткого замыкания определим активное и индуктивное сопротивления в КЛ марки
АС
, выраженные в
относительных единицах:

, (42)
где 
- индуктивное
сопротивление кабельной линии АСБГ (3х16), 

- длина воздушной
линии, 1.3 км

, (43)
где 
- активное
сопротивление линии АСБГ (3х16), 
Ом
Определим результирующие
сопротивление до точки К1:
а) индуктивное

; (44)
б) активное:

; (45)
Определим полное
сопротивление до точки короткого замыкания:

, (46)
Определим токи короткого
замыкания в точке К1:
а) периодическую
составляющую тока короткого замыкания:

, (47)

кА
б) ударный ток

, (48)
где 
- ударный коэффициент,
определяющийся по графику.
Т.к. 
, значит
1

кА
Определим полную
мощность короткого замыкания в точке К1:

(49)

МВА
Мощность короткого
замыкания должна в точке К1 должна быть меньше либо равна мощность короткого
замыкания на шинах источника питания:

(50)
.7 МВА 
323 МВА
Расчет токов короткого
замыкания в точке К2 на стороне 0,4 кВ
При расчете токов
короткого замыкания в именованных единицах (Ом, мОм) может быть применен закон
Ома для схемы замещения.
Рисунок 2.4.2.1 Схема
замещения
Рассчитаем сопротивление:
сопротивление z*рез1 приводится
к низкому напряжению.
Переведем в именные единицы:

, (51)
где 
- базисное напряжение,
кВ,

- ток короткого
замыкания в точке К1

мОм
Приведем zрез1 к низкому
напряжению:

; (52)

мОм
Определим активное / реактивное сопротивление
трансформатора:
, мОм
(53)
где Uкз -
напряжение кз трансформатора2н - вторичное напряжение трансформатора;
кВн.тр - номинальная мощность трансформатора; кВА
Определим сопротивление КЛ:

; (54)

мОм;

; (55)

мОм
Определим результирующие
активное, реактивное и полное сопротивление до точки кз К2:

; (56)

мОм;

(57)

мОм;
где 
- активное и
индуктивное сопротивление автомата; (

- переходное
сопротивление контактов автоматического выключателя (
= 0.027)

; (58)

мОм,
Определим периодическую
составляющую тока короткого замыкания:

, (59)

кА,
где 
-ударный коэффициент,
принимаем равным 1,2, так как мощность трансформатора S
кВА
Определим ударный ток:

; (60)

кА
Определим полную
мощность короткого замыкания в точке К2:

(61)

МВА
Сведем данные в таблицу
2.4.2.1
Таблица 2.4.2.1 Расчет
параметров токов к.з. в точках К1 и К2.
|
Точки к.з.
|
 , кА , кА , МВА
|
|
|
|
К1
|
|
|
|
|
К2
|
|
|
|
2.5 Действие токов
короткого замыкания
Электродинамическое действие токов
короткого замыкания.
При коротких замыканиях в результате
возникновения ударного тока короткого замыкания в шинах и других конструкциях
распределительных устройств возникают электродинамические усилия, которые, в
свою очередь создают изгибающий момент и механическое напряжение в металле.
Последнее должно быть меньше максимально допустимых напряжений для данного
металла

. (62)
По литературе [1]
допустимое расчетное напряжение для алюминия составляет 80 МПа.
Электродинамическое
усилие ударного тока короткого замыкания при трехфазном коротком замыкании,
определятся силой взаимодействия между проводниками при протекании по ним
ударного тока.

Н, (63)
где 
- ударный ток в точках
К1, К2, кА,

- расстояние между
изоляторами одной фазы мм,

- расстояние между
проводниками соседних фаз, мм
Для камер КСО-366: 
мм; 
мм
Рассчитаем силу
взаимодействия между шинами марки АТ 15х3 на стороне 10 кВ, по формуле (62):

Н
Рассмотрим шину как
равномерно нагруженную балку и рассчитаем изгибающий момент, создаваемый
ударным током

, (64)
где 
- сила взаимодействия,
Н

- расстояние между
шинами, м

- изгибающий момент,

Н
м
Для определения
механического напряжения в металле необходимо рассчитать момент сопротивления,
учитывая расположение шин. Шины могут располагаться либо плашмя, либо на ребро.
Рисунок 2.5.1.1.
Расположение шин плашмя
Рисунок 2.5.1.2
Расположение шин на ребро
В моем курсовом проекте
шины расположены плашмя. При этом момент сопротивления определяется по формуле

, (65)
где 
- момент сопротивления,

- ширина шины, см,

- толщина шины, см
Определим расчетное
напряжение в шинах:

, (66)

МПа;

МПа
Из условия видим, что
проходят шины марки АТ (15х3) на электродинамическую стойкость. Аналогично
проверим шины прямоугольного сечения марки АТ (15х3) на стороне 0,4кВ.
Рассчитаем силу
взаимодействия между шинами марки АТ (15х3) на стороне 0.4кВ, (63)

Н
Рассчитаем изгибающий
момент, создаваемый ударным током (64):

= 0.181 Н
м

= 0.1125 
Определим расчетное
напряжение в шинах (62):

= 1.6Мпа

МПа
Из проверки видим, что
проходят шины марки АТ (15х3) на электродинамическую стойкость.
Термическое действие
токов короткого замыкания
Токоведущие части, в том
числе и кабели, при коротких замыканиях могут нагреваться до температуры,
значительно большей, чем при нормальном режиме.
Сечение кабеля или шин
при проверки на термическую стойкость проверяют по формуле:
Fmin=

, (67)
где ВК - тепловой
импульс,
ст - коэффициент
зависящий от материала проводника, берется согласно ПУЭ: ст = 85 для
алюминиевых жил; ст = 88 для медных жил
Предварительно определим
тепловой импульс:
ВК = 
·tоткл, (68)
где Iпк - ток периодической составляющей, Iпк
= Iпк1 = 
кА = 2350 А
tоткл
- время отключения при коротком замыкании,
tоткл.
= tвыкл..+ tз,
(69)
где tвыкл. - время срабатывания выключателя; с, tвыкл
=0,2с,
tз
- время срабатывания защиты; с, tз
= 1.1с
tоткл.
= 0,2 + 1.1 = 1,3с
Определим тепловой
импульс для воздушной линии и шин на стороне 10 кВ (68):
Вк1 = 
×1,3= 7179250
Определим минимальное
сечение КЛ марки АСБГ (3х16) (67):
Fmin
=
= 31.52 мм²
Согласно условию
проверки на термическую стойкость выбранное сечение КЛ марки
АСБГ (3х16) должно быть
больше либо равно минимальному расчетному сечению
Fmin£Sдоп (70)
.52 мм²
16 мм²
Из условия видим, что
выбранное сечение КЛ марки АСБГ (3х16) не проходит, перевыбираем на КЛ большего
сечения марки АСБГ (3х35):
.72 мм²£
35 мм²
Из условия видим, что
выбранное сечение КЛ марки АСБГ (3х35) проходит
Определим минимальное
сечение шины марки АТ 15х3 (66):
Fmin
=
=
31.52 мм²
Проверяем условие (70):
.52 мм²£
45 мм²
Из условия видим, что
шины прямоугольного сечения на стороне 10 кВ марки АТ (15х3) проходят
Проверку на стороне 0,4
кВ произведем способом сравнения температур для этого составим таблицу 2.5.2.1
параметры токоведущий частей
Таблица 2.5.2.1
Параметры токоведущих частей
|
ТВЧ
|
Тип ТВЧ
|
Iн,
А
|
Iдл.доп,
А
|
Iпк,
кА
|
t0, °C
|
tдоп.н, °C
|
tдоп.кз, °C
|
tв, сек
|
tз,
сек
|
|
КЛ2
|
ААБ (4х95)
|
101.16
|
240
|
3
|
15
|
65
|
150
|
0,2
|
1.1
|
|
Шины прямоугольного сечения
|
АТ (15´3)
|
101.16
|
165
|
3
|
25
|
88
|
200
|
0,2
|
1.1
|
Для проверки КЛ ААБ 2 (4х25) на
термическую стойкость на низкой стороне произведем уточнение температуры нагрева
в нормальном режиме работы т.к. ток нагрева не совпадает с длительно допустимым
током.
tн=t0+(tдоп.н-t0)
· (
)2;
(71)
tн=15+(65-15)
· (
)2
= 15.69°C
Определим тепловой
эквивалент для нормального режима работы по графику рис. 3.13 литературы [1]
Ан=0.12 · 104
А2· С/мм²
Определим действительное
время протекания тока короткого замыкания
tдейств.=
tв + tз,
(72)
где tвыкл. - время срабатывания выключателя; с,
tдейств
= 0,2+1.1=1,3с
Определим приведенное
время апериодической составляющей тока короткого замыкания
tпр.а
= 0.003 · b», (73)
где b«=
;
т.к. Iпко= Iпк¥,
значит b«=1
tпр.а=
0,003·1= 0.003 с
Определим приведенное
время периодической составляющей тока короткого замыкания по рисунку 3.12
литературы [1]: tпр.п=
0.85 с
Определим суммарное
приведенное время:
tпр=
tпра + tпр.п
(74)
tпр
= 0,003+0.85 = 0.853 с
Определим тепловой
эквивалент при коротком замыкании:
Ак=Ан+
,
(75)
Ак=0,12 · 104
+
=
0,205· 104 А2с/мм²,
следовательно,
температура нагрева равна 30°C
Должно, выполнится
условие:
tк £
tдоп;
(76)
°C
£
150°C
Условие выполнилось,
следовательно, КЛ проходит по термической стойкости.
Проверим шины на термическую
стойкость:
Для проверки шины
прямоугольного сечения марки АТ (15х3) на термическую стойкость на низкой
стороне произведем уточнение температуры нагрева в нормальном режиме работы
т.к. ток нагрева не совпадает с длительно допустимым током (71):
tн=25+(88-25)
· (
)2
= 48.69°C
Определим тепловой
эквивалент для нормального режима работы по графику рис. 3.13 литературы [1],
Ан=0.38 · 104 А2· С/мм²
Определим тепловой
эквивалент при коротком замыкании (75):
Ак = 0.38 ·
104 +
=
0.76· 104 А2с/мм²,
следовательно,
температура нагрева равна 110°C
Должно выполняться
условие (76):
°C
£
200°C
Условие выполняется,
следовательно, шины марки АТ (15х3) проходят по термической стойкости.
3. Охрана труда
3.1 Требования техники
безопасности при обслуживании электрооборудования цеха металлорежущих станков
В соответствии с государственными
стандартами по электробезопасности и Правилами устройства электроустановок
(ПУЭ) номенклатура видов защиты от поражения током включает в себя следующие
способы и средства.
При прямых прикосновениях
необходимо:
) применение защитных
оболочек и ограждений;
2) расположение токоведущих
неизолированных частей вне зоны досягаемости;
) применение изоляции
(рабочей, дополнительной, усиленной) токоведущих частей;
) использование малого
напряжения;
) защитное отключение;
) блокировка опасных зон
(пространств);
) применение
предупредительной сигнализации, знаков безопасности;
) использование во время
работ на сетях или электрооборудовании под напряжением средств индивидуальной
защиты;
контроль изоляции.
При косвенных прикосновениях
необходимо:
) зануление с использованием
защитных проводников;
) заземление;
) уравнивание потенциалов;
) защитное отключение;
) применение двойной изоляции;
) использование малого напряжения;
) контроль изоляции;
) электрическое разделение сети.
Технические способы и средства
защиты применяются раздельно или в комплексе, так чтобы получилась оптимальная
защита.
Для обеспечения электробезопасности
на предприятии должны выполняться следующие требования:
должна иметься служба эксплуатации
электроустановок и ответственное лицо за их безопасную эксплуатацию;
техническое обслуживание и ремонт
электроустановок должен проводиться специально обученным персоналом, имеющим
соответствующую квалификацию и допуск на проведение работ;
производство работ по обслуживанию и
ремонту электрооборудования должно проводиться в соответствии с правилами
безопасности работ на электроустановках;
электротехнический персонал должен
быть оснащен необходимыми средствами коллективной и индивидуальной защиты;
плавкие вставки и предохранители в
силовых цепях должны заменяться только на вставки, калиброванные заводского
изготовления;
заземление и зануление должны быть
исправны, проводники и шины заземления доступны для осмотра и окрашены в черный
цвет;
неисправности электроаппаратуры и
проводов, которые могут вызвать искрение, нагревание элементов, короткое
замыкание, а также провисание проводов, соприкосновение их с технологическим
оборудованием и металлическими конструкциями зданий, должны немедленно
устраняться;
техническая документация по
электробезопасности (журналы инструктажей, проверки знаний персоналом правил и
норм безопасности, учета средств защиты, учета дефектов и аварий в электроустановках
и т.п., инструкции по охране труда и др.) должна иметься в наличии и
заполняться в соответствии с установленными требованиями.
Заключение
В данном курсовом проекте была
разработана система электроснабжения кузнечно-прессового цеха. В данном
курсовом проекте на основе ведомости электроприемников были рассчитаны нагрузки
на шинах 0,4 кВ и 10кВ. Было выбрано оптимальное число и мощность
трансформатора для трансформаторных подстанций. Приняты к установке
двухтрансформаторные подстанции с с трансформатором типа ТСЗ-100/10.
Произведен выбор токоведущих частей
на напряжение 10 кВ выбрана КЛ марки АСБГ(3х35), шина марки АТ(15х3); на
напряжение 0,4 кВ - кабели марки ААБ 2 (4х25), шина марки АТ (15х3).
Расчет токов кз выполнен в 2-х
точках на стороне 10 кВ и 0,4 кВ. Расчет был выполнен в относительных и
именованных единицах. После чего была осуществлена проверка на
электродинамическую и термическую стойкость токоведущих частей.
Литература
1 - [1] Липкин Б.Ю. Электроснабжение промышленных предприятий и
установок. - Москва «Высшая школа» 1990 г.
- [2] Неклепаев Б.Н. и Крючков И.П. Электрическая часть
электростанций и подстанций. - Справочные материалы для курсового и дипломного
проектирования. Москва «Энергоатомиздат» 1989 г.