Тепловой расчет и конструирование печи

  • Вид работы:
    Курсовая работа (т)
  • Предмет:
    Физика
  • Язык:
    Русский
    ,
    Формат файла:
    MS Word
    2,66 Мб
  • Опубликовано:
    2012-10-24
Вы можете узнать стоимость помощи в написании студенческой работы.
Помощь в написании работы, которую точно примут!

Тепловой расчет и конструирование печи

Санкт-Петербургский государственный политехнический университет

Факультет технологии и исследования материалов

Кафедра «Пластическая обработка металлов»









Курсовой проект

на тему:

Тепловой расчёт и конструирование печи

Исходные данные:

1. Тип и назначение печи: камерная садочная.

2. Материал нагреваемых заготовок: Сталь 20

3. Габариты заготовок: цилиндр D = 760 мм, L=1520 мм

4. Садка печи: 2

5. Режим нагрева металла: нагрев под ковку

6. Топливо: смесь природного и коксового газов

7. Теплотворность топлива: Q =22000 кДж/м3

8. Влажность топлива: W=40 г/м3

9. Температура подогрева воздуха: t =230˚С

10. Выполнить аэродинамический расчёт воздушного тракта

Введение

В данном курсовом проекте производится тепловой расчет и конструирование печи. Нагрев металла является одной из важнейших стадий производственного процесса, влияющей на производительность, качество и себестоимость продукции.

В машиностроении для нагрева металлических заготовок под прессование, штамповку и термическую обработку используют печи различных конструкций, которые могут быть объединены общим признаком. В большинстве случаев - это камерные печи садочного типа. В таких печах нагрев заготовок производят отдельными садками, с последующим их охлаждением. Широкое применение этих печей объясняется их универсальностью, позволяющей обрабатывать по разным режимам разнообразные по форме и размерам заготовки.

Для того чтобы грамотно выбрать и использовать печь, необходимо ознакомиться с основами её тепловой работы, т.е. совокупности всех процессов, протекающих в печи и определяющих основной процесс - нагрев металла. Сущность тепловой работы нагревательных и термических печей садочного типа определяется сочетанием процессов тепловыделения, теплообмена и теплоусвоения, которые протекают в рабочем пространстве печи. Поэтому задачи расчета таких печей сводят к выявлению условий протекания указанных процессов, которые обеспечат заданный режим нагрева и заданную производительность печи.

1. Расчет горения топлива

Согласно заданию печь должна отапливаться смесью природного и коксового газов (теплота сгорания: 22000 кДж/м3, влажность 40г/м3). Состав природного (П) и коксового (К) газов приведен в таблице 1.

Таблица 1

Газ

СО2

СО

Н2

N2

СН4

С2Н4

О2

Н2S

Н2О

П

0,3

0,6

2,0

3,0

93,0

0,4

0,5

0,2

-

К

2,8

5,4

50,8

11,4

26,5

1,7

1,0

-

0,4


Пересчитаем состав сухого газа на рабочий по формулам:

k = (100-Н2О)/(100-(Н2О)Т),

Н2О = 100·W/(W+803,6)

где (Н2О)Т - содержание влаги в топливе по справочным данным, %;

Н2О - заданное содержание влаги в топливе, %; W - содержание водяных паров в топливе, г/м3.

Н2О = 100·40/(40+803,6) = 4,74%

k =(100-4,74)/100 = 0,9526

Рабочий состав газов равен:

Природный газ СО2Р = 0,3·0,9526 = 0,29% и т.д.

Коксовый газ СО 2Р = 2,8·0,9526 = 2,67% и т.д.

Рабочие составы (%) природного и коксового газов приведены в таблице 2.

Таблица 2

Газ

СО2Р

СОР

Н2Р

N2Р

CH4Р

C2H4Р

O2Р

H2SР

H2OР

Сумма

П

0,29

0,57

1,91

2,86

88,59

0,38

0,48

0,19

4,73

100

К

2,67

5,14

48,39

10,86

25,24

1,62

0,95

-

5,13

100


Теплоту сгорания каждого газа вычисляем по формуле:

Qн р = 0,127·COP +0,108·H2P +0,234·H2SP +0,357·CH4P +0,596·C2H4P

Qн пг р = 0,127·0,57+0,108·1,91+0,234·0,19+0,357·88,59+0,596·0,38 =

,18МДж/м3н кг р = 0,127·5,14+0,108·48,39+0,357·25,24 = 14,89 МДж/м3

Определим состав смеси.

Доля природного газа в смеси:

x = (Qсм - Qн кгР)/(Qн пгР - Qн кгР) = (25,0-14,89)/(32,18-14,89) =0,585

Доля коксового газа: (1- 0,585) = 0,415.

Рабочий состав смешанного газа определяется по формуле:

(СО2)см = х· (СО2)пг + (1-х) · (СО2)кг

СО2Р см = 0,585·0,29 + 0,415·2,67 = 1,28%…

Рабочий состав (%) смешанного газа приведен в таблице 3.

Таблица 3

СО2РСМ

СОРСМ

Н2РСМ

N2РСМ

СН4РСМ

С2Н4РСМ

О2РСМ

Н2SРСМ

Н2ОРСМ

Сумма

1,28

2,47

21,20

6,18

62,29

0,90

0,68

0,11

4,89

100


Теоретически необходимое количество воздуха (м3) определяем по формуле:

L0 = 0,0476· (0,5COP +0,5H2P +2CH4P +3C2H4P +1,5H2SP - O2P)

(1+0,00124dВ),

где dВ - влагосодержание сухого воздуха, г/м3, равное 10г/м3.

L0 = 0,0476· (0,5·2,47+0,5·21,20+2·62,29+3·0,90+1,5·0,11-0,68) ·

(1+0.00124·10) = 6,68 м3.

Действительное количество воздуха при a = 1,1 вычисляется по формуле:

LД = a·L0 = 1,1·6,68 = 7,35 м3.

Количество продуктов сгорания (м3) рассчитываем по формулам:

VCO2 = 0,01· (CO2P+COP+CH4P+2C2H4P)CO2 = 0,01· (1,28+2,47+62,29+2·0,90) = 0,68 м3

VN2 = 0,01*(N2 +79*LД)

VN2 = 0,01*(6,18+79*7,35) = 5,87 м3

VH2O = 0,01· (2CH4P +2C2H4P +H2P + H2OP +H2SP + 0.124Lд·dВ)H2O = 0,01· (2·62,29+2·0,90+21,20+4,89+0,11+0,124·7,35·10) =1,62 м3

VO2 = 0,21· (a-1) ·L0 = 0,21· (1,1-1) ·6,68 = 0,14 м3

VSO2 = 0,01·H2SP = 0,01·0,11 = 0,0011 м3

Общее количество продуктов сгорания равно:

VД = VCO2 +VN2 +VH2O+VO2 +VSO2 = 0,68+5,87+1,62+0,14+0,0011 = 8,31 м3

Рассчитаем состав продуктов сгорания смешанного газа по формулам:

Х = 100·VX/VД

CO2 = 0,68·100/8,31 = 8,18%2O = 1,62·100/8,31 = 19,50%2 = 0,0011·100/8,31 = 0,013%2 = 5,87·100/8,31 = 70,64%

O2 = 0,14·100/8,31 = 1,68%

Плотность продуктов сгорания вычисляем по формуле:

rД = (0,44·CO2+0,18·H2O+0,28·N2+0,32·O2+0,64·SO2)/22,4 =

(0,44·8,18+0,18·19,50+0,28·70,64+0,32·1,68+0,64·0,013)/22,4 = 1,23 кг/м3

2. Расчет параметров внешнего теплообмена

Согласно заданию садка печи состоит из двух слитков диаметром d = 760 мм и длиной l = 1520 мм

Расположим слитки в ряд по ширине пода (рис. 2.1)

Рис. 2.1 Эскиз рабочего пространства печи и схема расположения слитков на ее поду

На поверхность нагреваемого в печи материала теплота передаётся за счёт излучения и конвекции:

где q конв и qизл - тепловые потоки, переданные соответственно конвекцией и излучением. Следует иметь ввиду, что доля теплоты, передаваемой конвекцией в печах с рабочей температурой более 700°С, не превышает 15…20% и падает с увеличением температуры. Существующие методики расчёта конвективного теплообмена дают относительную погрешность около 20…30%, поэтому в дальнейшем будем считать, что конвективный тепловой поток составляет 10% от лучистого теплового потока: qконв=0.1 qизл. Тогда общий поток теплоты, передаваемый на поверхность металла: qм=1.1 qизл. Теловой поток

излучением на поверхность нагреваемого материала может быть вычислен по формуле:

где qизл - тепловой поток излучением; Тср, Тпов - температуры среды и поверхности нагреваемого материала, К; Спр - приведённый коэффициент излучения, В/м²К4.

При расчёте теплового потока на поверхность садки в качестве источника излучения может быть выбрана печь, газ или кладка. В реальных условиях режим нагрева контролируется по показаниям печной термопары. Температура, фиксируемая горячим спаем такой термопары, даёт промежуточное значение между температурой газа (наиболее высокой температурой печи), кладки и металла. Принято считать, что на поверхность печной термопары и металла передаются равные тепловые потоки, поэтому в дальнейшем при его определении принимаем в качестве источника излучения печь. Тогда с учётом конвекции тепловой поток на металл:

где Спм - приведённый коэффициент излучения в системе печь - металл,  В/м²К4; Тпч - температура печи, К.

Исходя из того что тепловой поток излучением на металл одинаков независимо от того, что мы выбираем в качестве источника излучения, то qм, можно определить температуру газов и кладки из выражений:

Тогда длина рабочего пространства

L = 0,5·2+1,52·2+0,1= 4,14 м; ширина В = 0,75·2+0,76=2,26 м.

В камерных печах рабочее пространство перекрывают арочным сводом с центральным углом j = 600. При таком центральном угле свода R=B, а высота боковой стены

h = R·cos(j/2) = 2,26·cos300 = 1,96 м.

Средняя высота печи

hСР = (h+H)/2 = (1,86+2,12)/2 = 2,11 м.

Определим геометрические параметры излучения. Поверхность кладки

FКЛ = FТОРЦ СТЕН +FБОК.СТЕН +FСВОДА +FПОДА = 2ВhСР + 2Lh+

pRjL/180+LB = 2·2,26·2,11 + 2·4,14·1,96 + 3,14·2,26·60·4,14/180 +

,14·2,26 = 44,92 м2

Излучающую поверхность металла определим по формуле

FМ = n*(2πr*(l+r)), где n - число слитков; r и l - радиус и длина слитка;

FМ = 2· (2·3,14·0,38· (1,52+0,38)) = 9,07 м2.

Объем рабочего пространства печи

VПЧ = BLhCP = 2,26·4,14·2,11= 19,74 м3.

Объем металла

VМ = n·π·r2·l = 2·3,14·0,382·1,52 = 1,38 м3.

Эффективную длину луча определим согласно формуле:

SЭФ = 3,5 (VПЧ - VМ)/(FМ +FКЛ) = 3,5· (19,74-1,38)/(9,07+44,92) = 1,19 м.

Угловые коэффициенты

jКМ = jММ = FМ/(FМ +FКЛ) = 9,07/(9,07+44,92) = 0,17

jМК = 1 - jММ = 1-0,17 = 0,83

Приведенный коэффициент СПМ при степени черноты окисленной стали, равной eМ = 0,8 согласно формуле равен:

СПМ = 5,67·eМ·jМК/(1-jММ· (1-eМ))

СПМ = 5,67·0,8·0,83/(1-0,17· (1-0,8)) = 3,90 Вт/м2К4

Так как в продуктах сгорания содержится 8,18% СО2 и 19,50% Н2О, парциальное давление углекислого газа

рСО2 = 0,0818·0,0981 = 0,008 МПа, а паров воды

рН2О = 0,195·0,0981 = 0,019 МПа.

Определим степень черноты газов при трех значениях температур:

tГ1 = tПК = 1220˚С, tГ2 = 1320˚С, tГ3 = 1420˚С.

Коэффициент ослабления можно найти по формуле:

K = .

Для TГ1 = 1220+273 = 1493 К:

K = = 0,84

Для TГ2 = 1320+273 = 1593 К:

K = = 0,79

Для TГ3 = 1420 + 273 = 1693 К:

K = = 0,69

Степень черноты газов находим по формуле:

eГ = 1-exp(-10КрSЭФ).

Для TГ1 = 1493К:

eГ = 1-exp(-10*0,84*0,0274*1,19) = 0,24

Для TГ2 = 1593К:

eГ = 1-exp(-10*0,79*0,0274*1,19) = 0,23

Для TГ3 = 1693К:

eГ = 1-exp(-10*0,69*0,0274*1,19) = 0,20

Приведенный коэффициент излучения в системе газ - металл - по формуле:

СГМ = 5,67*eМ *eГ / (eГ + jКМ (1 - eГ))

Для TГ1 = 1493К:

СГМ = 5,67*0,8*0,24/(0,24+0,17*(1-0,24)) = 2,95 Вт/м2К4

Для TГ2 = 1593К:

СГМ = 5,67*0,8*0,23/(0,23+0,17*(1-0,23)) = 2,89 Вт/м2К4

Для TГ3 = 1693К:

СГМ = 5,67*0,8*0,20/(0,20+0,17*(1-0,20)) = 2,7 Вт/м2К4

Приведенный коэффициент излучения в системе кладка - металл - по формуле:

СКМ = .

Для TГ1 = 1493К:

СКМ = = 5,07 Вт/м2К4

Для TГ2 = 1593К:

СКМ = = 5,08 Вт/м2К4

Для TГ3 = 1693К:

СКМ = = 5,09 Вт/м2К4

В таблице 4 приведены результаты расчета для трех различных температур.

Таблица 4

Т, К

СГМ Вт/м2К4

СКМ Вт/м2К4

СПМ Вт/м2К4

1493

0,24

2,95

5,07

3,90

1593

0,23

2,89

5,08


1693

0,20

2,70

5,09



3. Расчет режима нагрева металла

Начальные условия: начальная температура металла 200С; конечная температура поверхности слитков 12000С, конечный перепад температур по сечению слитков 500С.

DtДОП = 1,4*sВ/bЕ,

где sВ -предел прочности материала слитка, МН/м2; b - коэффициент линейного расширения материала слитка, 1/град; Е - модуль упругости материала слитка, Мн/м2.

Для Сталь 20 из [1] имеем:

sВ = 395,2 МН/м2; b= 11,92*10-6 1/град;

E = 21,2*104МН/м2.

DtДОП = (1,4*395,2*106)/(11,92*10-6*21,2*1010) = 2190С.

lср = (l20 + l500)/2 = (51,5+39,3)/2=45,4 Вт/м*град

qДОП = 2*l*DtДОП/R = 2*45,4*219/0,38 =52329,5 Вт/м2

Рассчитываем допустимую температуру печи:

tПЧ ДОП = =

=8050С

Так как температура много ниже той, до которой надо нагреть, разобьем нагрев на 4 интервала и выровняем температуру сначала при 800°С, а после и при максимальной температуре 1220°С.

Температура печи в первом периоде нагрева несколько ниже допустимой по термическим напряжениям tпч = 800°С.

Разобьем первый период нагрева на два интервала по температуре поверхности:

Первый интервал: от t= 20°С до t= 600°С.

Второй интервал: от t= 600°С до t= 750°С.

Расчет первого интервала

По формуле

qм = 1,1·Спм·[(Тпч/100)4 - (Тпов/100)4]

определяем тепловые потоки на поверхности металла в начале и конце интервала:

q = 1,1·3,9· [((800 + 273)/100)4 - ((20 + 273)/100)4] = 56550 Вт/м2;

q = 1,1·3,9· [((800 + 273)/100)4 - ((600 + 273)/100)4] = 31948 Вт/м2.

Коэффициенты теплоотдачи в начале и конце интервала:

α = q/(tпч - tп1н) = 56550/(800-20) = 72,5 Вт/м2·град;

α = q/(tпч - tп1к) = 31948/(800-600) = 159,7 Вт/м2·град.

Среднее значение коэффициента теплоотдачи в первом интервале:

αср1 = (α + α)/2 = (72,5 + 159,7)/2 = 116,1 Вт/м2·град;

Среднее значение коэффициента теплопроводности стали в первом интервале нагрева:

λср1 = (λп1н + λц1н + λп1к)/3 = (λ20 + λ20 + λ600)/3 = (51,5+ 51,5+ 35,6)/3 =

,2 Вт/м·град.

Величину λср1 определяем по известным значениям температур по сечению слитка:

tп1н = 20°С - начальная температура поверхности слитка;

tц1н = 20°С - начальная температура центра слитка;

tп1к = 600°С - температура поверхности слитка в конце первого интервала.

Температура центра слитка tц1к в конце первого интервала нам пока не известна.

Число Био в первом интервале нагрева:

Bi1 = αср1 R / λср1 =116,1 ·0,38/46,2 = 0,96.

Определим температурный критерий поверхности в конце первого интервала:

θп1к = (tпч - tп1к)/( tпч - tср1н) = (800-600)/(800-20) = 0,27 ,

где tср1н = tп1н = tц1н = 20°С - средняя температура по сечению слитка в начале первого интервала нагрева.

Для марки стали «Сталь 20» находим F01 = 0,70 и θц1к = 0,41.

Далее из выражения

θ = (Тпч - Т)/(Тпч - Тн) = (tпч - t)/(tпч - tн)

найдем температуру центра слитка в конце первого интервала нагрева:

tц1к = tпч - θц1к ·( tпч - tср1н) = 800 - 0,41*(800 - 20) = 480°С

Уточним значение λср1 с учетом известного нам теперь значения температуры центра слитка в конце первого интервала нагрева:

λср1 = (λ20 + λ20 + λ600 + λ480)/4 = (51,5+51,5+35,6+40,38)/4 =

,8 Вт/м·град.

Разница между уточненным λср1 и его первоначальным значением λср1 составляет

(46,2 - 44,8)·100/46,2 = 3,03%,

поэтому пересчитывать не будем. Если бы эта разница превысила 10%, следовало бы выполнить дополнительные расчеты при новом значении числа Bi1, рассчитанном с λср1.

Перепад температур по сечению слитка в конце первого интервала нагрева:

Δt = tп1к - tц1к = 600 - 480 = 120°С.

Средняя температура по сечению слитка в конце первого интервала:

tср1к = tц1к + Δt/2 = 480 +120/2 = 540°С.

Расчетная теплоемкость стали в первом интервале нагрева

Ср1 = (it ср1к - it ср1н)/( tср1к -tср1н) = (i540 - i20)/(540-20) = (308,5-10)/520 =

,574 кДж/кг·град,

где i - теплосодержание стали при соответствующей температуре.

Среднее значение коэффициента температуропроводности в первом интервале нагрева

aср1 = λср1/(Ср1·ρ) = 46,2/(574·7860) = 102,4·10-7 м2/с = 0,0369 м2/ч,

где ρ - плотность стали, кг/м3. Поскольку плотность стали мало зависит от температуры, будем считать ρ = 7860 кг/ м3 = const для всего времени нагрева слитков.

Время нагрева в первом интервале:

τ1 = F01·R2ср1 = 0,7·(0,38)2/0,0369 = 2,74 ч.

Температура газа в начале нагрева

tг1н = 100·4√[qгм + (Тп1н/100)4] - 273 = 100·4√[56550/2,7+

((20+273)/100)4] - 273 = 931°С.

Температура газа в конце первого интервала нагрева:

tг1к = 100·4√[31948/2,89 + ((600+273)/100)4] - 273 = 867°С.

Температура кладки в начале нагрева:

tкл1н = 100·4√qкм + (Тп1н/100)4 - 273 = 100·4√56550/5,07 +

((20+273)/100)4 - 273 = 756°С.

Температура кладки в конце первого интервала:

tкл1к = 100·4√31948/5,07 + ((600+273)/100)4 - 273 = 776°С.

Расчет второго интервала

Порядок проведения расчета режима нагрева металла для второго, третьего и четвертого интервалов такой же, как и для первого:

q = q = 31948 Вт/м2;

q = 1,1·3,9·[((800 + 273)/100)4 - ((750 + 273)/100)4] = 9881 Вт/м2;

α = α = 159,7 Вт/м2·град;

α = q/(tпч - tп2к) = 9881/(800 - 750) = 197,62 Вт/м2·град;

αср2 = (α + α)/2 = (159,7 + 197,62)/2 = 178,66 Вт/м2·град;

λср2 = (λп2н + λц2н + λп2к)/3 = (λ600 + λ480 + λ750)/3 = (35,6 + 40,38+ 28,5)/3

= 34,8 Вт/м·град;

Bi2 = αср2 · R / λср2 = 178,66 ·0,38/34,8 = 1,95;

θп2к = (tпч - tп2к)/( tпч - tср1к) = (800 - 750)/(800 - 540) = 0,19;

Для марки стали «Сталь 20» находим F02 = 0,47 и θц2к = 0,41.

tц2к = tпч - θц2к ·( tпч - tср1к) = 800 - 0,41(800 - 540) = 693°С;

λср2 = (λ600 + λ480 + λ750 + λ693)/4 = (35,6 + 40,38 + 28,5+32,18)/4 = 34,2

Вт/м·град;

Разница между уточненным λср2 и его первоначальным значением λср2 составляет (34,8- 34,2)·100/34,8 = 1,7 %, поэтому пересчитывать не будем.

Δt = tп2к - tц2к = 750 - 693= 57°С;

tср2к = 693 + 57/2 = 722°С;

Ср2 = (i722 - i540)/(722 - 540) = (467,3 - 308,5)/182 = 0,873 кДж/кг·град;ср2 = λср2/(Ср2·ρ) = 34,8/(873·7860) = 50,7·10-7 м2/с = 0,018 м2/ч;

τ2 = F02·R2ср2 = 0,47·(0,38)2/0,018 = 3,77 ч;

tг2н = tг1к = 867°С;

tг2к = 100·4√[9881/2,89 + ((750+273)/100)4] - 273 = 822°С;

tкл2н = tкл1к = 776°С;

tкл2к = 100·4√[9881/5,07+ ((750+273)/100)4] - 273 = 793°С.


Второй период нагрева

Температура печи во втором периоде нагрева tпч = 1270°С.

Разобьем второй период нагрева на два интервала по температуре поверхности:

Третий интервал: от t= 750°С до t= 1000°С.

Четвертый интервал: от t= 1000°С до t= 1220°С.

Расчет третьего интервала

Порядок проведения расчета режима нагрева металла для третьего и четвертого интервалов такой же, как и для первого:

q = 1,1·3,9[((1270 + 273)/100)4 - ((750 + 273)/100)4] = 196191 Вт/м2;

q = 1,1·3,9[((1270 + 273)/100)4 - ((1000 + 273)/100)4] = 130515 Вт/м2;

α = q/(tпч - tп3н) = 196191/(1270 - 750) = 377 Вт/м2·град;

α = q/(tпч - tп3к) = 130515/(1270 - 1000) = 483 Вт/м2·град

αср3 = (α + α)/2 = (377 + 483)/2 = 430 Вт/м2·град

λср3 = (λп3н + λц3н + λп3к)/3 = (λ750 + λ693 + λ1000)/3 = (28,2+32,18+ 27,7)/3 =

,36 Вт/м·град.

Bi3 = αср3 R / λср3 =430·0,38/29,36 = 5,57;

θп3к = (tпч - tп3к)/( tпч - tср2к) = (1270 - 1000)/(1270 - 722) = 0,49

Для марки стали «Сталь 20» находим F03 = 0,09 и θц3к = 1,05.

tц3к = tпч - θц3к ·( tпч - tср2к) = 1270 - 1,05(1270 - 722) = 695°С;

λср3 = (λ750 + λ693 + λ1000 + λ697)/4 = (28,2+32,18+ 27,7+32,02)/4 = 30,03

Вт/м·град.

Разница между уточненным λср3 и его первоначальным значением λср2 составляет (30,03 - 29,36)·100/30,03 = 2,23%, поэтому пересчитывать не будем.

Δt = tп3к - tц3к = 1000 - 695 = 305°С

tср3к = tц3к + Δt/2 = 695 +305/2 = 848°С.

Ср3 = (it ср3к - it ср3н)/( tср3к -tср3н) = (i850 - i722)/(848 - 722) = (597,88 -

,3)/126 = 1,04 кДж/кг·град

aср3 = λср3/(Ср3·ρ) = 29,36/(1020·7860) = 36,6·10-7 м2/с = 0,013 м2/ч;

τ3 = F03·R2ср3 = 0,09·(0,38)2/0,013= 0,99 ч;

tг3н = 100·4√[qгм + (Тп3н/100)4] - 273 = 100·4√[196191/2,89 +

((750+273)/100)4] - 273 =1403°С;

tг3к = 100·4√[130515/2,89 + ((1000+273)/100)4] - 273 = 1362°С.

tкл3н = 100·4√[qкм + (Тп3н/100)4] - 273 = 100·4√[196191/5,08+((750+273)/100)4] - 273 = 1219°С

tкл3к = 100·4√[130515/5,07 + ((1000+273)/100)4] - 273 = 1237°С.

Расчет четвертого интервала

q = q = 130515 Вт/м2;

q = 1,1·3,9·[((1270 + 273)/100)4 - ((1220 + 273)/100)4] = 30020 Вт/м2;

α = 483 Вт/м2·град;

α = q/(tпч - tп4к) = 30020/(1270 - 1220) = 600,4 Вт/м2·град;

αср4 = (α + α)/2 = (483 + 600,4)/2 = 541,7 Вт/м2·град;

λср4 = (λп4н + λц4н + λп4к)/3 = (λ1000 + λ695 + λ1220)/3 = (27,7 + 31,9 + 29,8)/3 =

,8 Вт/м·град;

Bi4 = αср4 · R / λср4 = 541,7·0,38/29,8 = 6,91;

θп4к = (tпч - tп4к)/( tпч - tср3к) = (1270 - 1220)/(1270 - 848) = 0,12;

По графикам находим F04 = 0,25 , а θц4к = 0,53.

tц4к = tпч - θц4к ·( tпч - tср3к) = 1270 - 0,53(1270 - 848) = 1046°С;

λср4 = (λ1000 + λ695 + λ1220 + λ1046)/4 = (27,7 + 31,9 + 29,8 + 28,0)/4 = 29,35

Вт/м·град;

Разница между уточненным λср4 и его первоначальным значением λср4 составляет (29,8 - 29,35)·100/29,8= 1,5%, поэтому пересчитывать не будем.

Δt = tп4к - tц4к = 1220 - 1046 = 174°С;

tср4к = 1046 + 174/2 = 1133°С;

Ср4 = (i1133 - i848)/(1133 - 848) = (781,45 - 597,88)/285 = 0,64 кДж/кг·град;ср4 = λср4/(Ср2·ρ) = 29,8/(873·7850) = 44·10-7 м2/с = 0,016 м2/ч;

τ4 = F04·R2ср4 = 0,25·(0,38)2/0,016 = 2,26 ч;

tг4н = 1362°С;

tг4к = 100·4√[30020/2,89 + ((1220 + 273)/100)4] - 273 = 1293°С;

tкл4н = 1243°С;

tкл4к = 100·4√[30020/5,07 + ((1220 + 273)/100)4] - 273 = 1263°С

Третий период нагрева

Нагрев происходит при условии tп = 1270°С = const (т.е. при граничных условиях первого рода) для выравнивания температур по сечению слитка от Δtн = 174°С в конце второго периода нагрева до завершения заданного значения Δtк = 50°С.

Время выравнивания температур по сечению цилиндра радиуса R найдем из формулы

τв = (-R2/5,76·а)·(ln(Δtк/(1,11· Δtн))).

Среднее значение коэффициента теплопроводности в третьем периоде нагрева:

λсрв = (λ1220 + λ1046 + λ1220 + λ1170)/4 = (29,8 + 28,0 + 29,8 + 29,5)/4 = 29,3

Вт/м·град.

Средняя температура по сечению слитка в конце нагрева (в конце периода выдержки):

tсрв = 1170 + Δtк/2 = 1170 + 50/2 = 1195°С.

Расчетная теплоемкость в третьем периоде нагрева:

Срв = (i1195 - i1133)/(1195 - 1133) = (823,34 - 781,45)/62 = 0,68

кДж/кг·град.

Среднее значение коэффициента температуропроводности в период выравнивания температур:

ав = 29,3 /(680·7850) = 55·10-7 м2/с = 0,020 м2/ч.

Определяем продолжительность периода выравнивания температур:

τв = -(0,38)2/(5,76·0,02) · ln(50/(1,11·174)) = 1,69 ч.

Тепловой поток на поверхности металла в конце периода выдержки:

qк = 2·λк·Δtк/R = 2·29,8·50/0,38 = 7842,1 Вт/м2.

Температура газов в печи в конце выдержки:

tгв = 100·4√[7842,1/2,95 + ((1220+273)/100)4] - 273 = 1240°С.

Температура печи в конце выдержки:

tпчв = 100·4√[7842,1/3,90 + ((1220+273)/100)4] - 273 = 1235°С.

Температура кладки в конце выдержки:

tклв = 100·4√7842,1/5,07 + ((1220+273)/100)4 - 273 = 1232°С.

Общее время нагрева слитков:

τ = τн + τв = 9,76 + 1,69 = 11,45 ч.

Общая масса садки печи(количество садок 2):

Е = 2Vм·ρ = 2LπR2 ρ = 2·1,52·3,14·0,382·7850 = 10820,3 кг.

Производительность печи:

G = E/τ = 10820,3 /11,45 = 945 кг/ч.

Напряженность пода печи:

P = G/Fпод = 945 /(4,14·2,26) =101 кг/м2 ·ч.

Результаты расчета нагрева металла под ковку сведены в табл. 3.2

Таблица 3.2

Результаты расчета режима нагрева слитков диаметром 760 мм и длиной 1520 мм из Стали 20 под ковку

Время, ч

∑ τ

tср

tп

tкл

tпч

Q пов, Вт/м2

∆ t

τ = 0

0

20

20

20

756

800

931

56550

0

τ 1 = 2,74

2,74

480

540

600

776

800

867

31948

120

τ2 = 3,77

6,51

693

722

750

793

800

776

9881

57

τ = 0

6,51

693

722

750

793

1270

1403

196191

57

τ3 = 0,99

7,5

695

848

1000

1237

1270

1362

130515

305

τ4 = 2,26

9,76

1046

1133

1220

1263

1270

1243

30020

174

τв = 1,69

11,45

1170

1195

1220

1232

1235

1240

7842,1

50


4. Расчет теплового баланса камерной печи

Приходные статьи теплового баланса

Приходные статьи теплового баланса рассчитываем в предположении, что топливо не подогревается, а воздух нагревается в рекуператоре до 2150С. Поскольку топливо предварительно не подогревается его физическую теплоту можно не учитывать.

Теплота, выделяющаяся при сжигании топлива в соответствии с формулой равна:

QT = QHP·B·t,

где QHP - низшая теплота сгорания топлива, кДж/м3, B - расход топлива, м3/ч, тепловой камерный печь металл

t -продолжительность работы печи, ч.

QT = 22000·B·11,45 = 251900·B кДж.

Физическая теплота, вносимая подогретым воздухом при tB = 2300C, определяется по формуле:

QФВ = Lg·CB·tB·t·B,

где Lg - действительное количество воздуха, CB - теплоемкость воздуха при его температуре, равной tB. Принимаем из [1] теплоемкость равную 1,032 кДж/м3град.

QФВ = 6,59·1,032·230·11,45·В = 17910·В кДж

Теплота, выделяющаяся при окислении железа. По графику нагрева металла определяем, что металл при tП>7000С находился в печи 9,76 ч. Средняя температура поверхности за это время равна:

tПСР = [t3· ( tП1 + tП2)/2 + t4· (tП2 + tП3)/2 + tв· tП3]/( t3+t4+tв) =

[0,99·(750+1000)/2 + 2,26· (1000+1220)/2 + 1,69·1220]/(0,99+2,26+1,69)

= 1100,50С

Количество железа, окислившегося на одном квадратном метре садки, определим по формуле:

y = 0,0027·tОК0,5·exp(0,0058·tПСР),

где tОК - продолжительность пребывания садки в печи при температуре поверхности выше 7500С, ч; tПСР - средняя температура поверхности садки, 0С.

y = 0,0027·4,940,5·exp(0,0058·1100,5) = 3,55 кг

Теплота, выделившаяся при окислении железа, определяется по формуле:

QЭКЗ = 5652·y·FM = 5652·3,55·9,07 = 181986 кДж,

где y - количество окислившегося железа с I м2 садки, кг/м2; Fм - поверхность металла, м2.

Расходные статьи теплового баланса.

Теплота, расходуемая на нагрев металла, определяется по формуле:

QM = E·(iK - iH) = 10820,3· (828 - 10) = 8851005,4 кДж,

где iк и iн - теплосодержание металла в конце и в начале нагрева, кДж/кг; Е - масса садки, кг.

Теплота, расходуемая через кладку вследствие теплопроводности. Выберем двухслойную футеровку печи: первый (внутренний), огнеупорный слой выполнен из шамота толщиной S1 = 230 мм, а второй (наружный) теплозащитный слой - из легковесного шамота толщиной S2 = 230 мм.

Средняя температура внутренней поверхности кладки за цикл нагрева по графику нагрева металла равна:

t’кл = (tкло + tкл1 + tкл2 + tкл3 + tкл4+ tкл5)/6 =

= (756+776+793+1237+1263+1232)/6= 1009,5°С

Примем в первом приближении, что средняя температура по сечению внутреннего слоя равна:

<t1> = (t'КЛ + tB)/2 = (1009,5+20)/2 = 514,75 0C.

Средняя температура по сечению наружного слоя равна:

<t2> = (<t1> +tB)/2 = (514,75+20)/2 = 267,4 0C.

При таких значениях средних температур коэффициент теплопроводности шамота

l1 = 0,7+0,00064·514,75 = 1,029 Вт/м·град,

коэффициент теплопроводности изоляционного слоя

l2 = 0,312+0,000477·267,4 = 0,44 Вт/м·град.

Тепловой поток через кладку определим по формуле:

qкл = (t’кл - tв)/(S11 + S22 + 1/α),

где S1 и S2 - толщина огнеупорного и изоляционного слоя кладки, м; λ1 и λ2 - коэффициент теплопроводности огнеупорного и изоляционного слоя кладки, Вт/м·°С; α - коэффициент теплоотдачи от наружной поверхности кладки к окружающему печь воздуху, Вт/м2.°С; tв - температура воздуха, °С; t’кл - средняя за период нагрева температура внутренней поверхности кладки, °С.

Будем считать, что коэффициент теплоотдачи от наружной поверхности кладки к воздуху α = 20 Вт/м2 ·град:

qкл = (1009,5 - 20)/(0,23/1,029 + 0,23/0,44 + 1/20) = 1242,7 Вт/м2.

Проверим правильность принятых средних температур слоев кладки согласно формуле:

<t1> = t'КЛ - 0,5·q·S1/l1 = 1009,5 - 0,5·1242,7·0,23/1,029 = 870,60C

<t2> = t'КЛ - 0,5·q· (2·S1/l1+S2/l2) =1009,5 - 0,5·1242,7

(2·0,23/1,029+0,23/0,44) = 406,90C

Поскольку проверка показывает большое расхождение с принятыми температурами, произведем перерасчет:

l1 = 0,7+0,00064·870,6 = 1,26 Вт/м·град

l2 = 0,312+0,000477·406,9 = 0,51 Вт/м·град

q = (1009,5 - 20)/(0,23/1,26+0,23/0,51+1/20) = 1448 Вт/м2

<t1> = 1009,5 - 0,5·1448·0,23/1,26 = 877,3 0C

<t2> = 1009,5 - 0,5·1448· (2·0,23/1,26+0,23/0,51) = 418,7 0C

Дальнейшее уточнение не требуется, так как принятые и рассчитанные значения средних температур отличаются друг от друга менее чем на 10%.

Распределение температур по сечению кладки показано на рис. 4.1.

Рис. 4.1 Распределение температур по сечению кладки печи

Общие потери теплоты теплопроводностью за весь цикл нагрева вычисляем по формуле

Qтепл = qкл·Fкл·τ·10-3 = 1009,5 ·44,92 ·11,45·3600·10-3 = 1869193 кДж.

Теплоту, аккумулированную кладкой, согласно формуле:

Qак = 0,75·Fкл·(tклк - tклн)·(√(λ·с·ρ·τ1пер)) 10-3,

где λ - коэффициент теплопроводности внутреннего слоя кладки, Вт/м*град;

с - теплоёмкость внутреннего слоя кладки, Дж/кг*град;

ρ - плотность внутреннего слоя кладки, кг/м3;

Fкл - поверхность кладки, м2;

τ1пер - продолжительность первого периода нагрева, с.

Рассчитываем для первого периода нагрева, когда температура внутренней поверхности кладки нарастает. Допускаем, что теплота аккумулируется только внутренним слоем кладки. Теплоемкость шамота при средней его температуре 866°С

С = 0,808 + 0,000315·877,3= 1,08 кДж/кг·град

тогда

Qак = 0,75·44,92 ·(1232 - 756)·(√(1,26·1080·1800·9,76·3600))·10-3 =

кДж.

Потери теплоты при посаде и выдаче слитков определим в соответствии с:


Qизл = 5,67·Ф·τ·[(Тг/100)4 - (Тв/100)4]·Fокна·10-3,

принимая следующие размеры окна: ширина b = 2,5 м, средняя высота d = 1,87 м, толщина кладки l = 0,46 м. При таких размерах окна коэффициент f из выражения:

f = 0,9 + 0,7d/b = 0,9 + 0,7·1,87/2,5 = 1,42.

Коэффициент диафрагмирования определяем по формуле:

Ф = exp(-f·l/d),

где l - толщина окна, м; d - диаметр отверстия, или минимальная сторона прямоугольника,м; f - коэффициент, зависящий от геометрии окна.

Ф = exp(-1,42·0,46/1,87) = 0,7.

Время загрузки печи и время ее выгрузки принимаем равным 0,5 ч. Теплота, теряемая излучением при посаде (tго = 931°С, т.е. tг при 0 ч.):

Qизл1 = 5,67·0,77·1800·[((931 + 273)/100)4 - ((273 + 20) /

)4]·1,87·2,5·10-3 = 769322 кДж

Теплота, теряемая излучением при выдаче (tгз = 1240°С)

Qизл2 = 5,67·0,77·1800·[((1240 + 273)/100)4 - ((273 +

)/100)4]·1,87·2,5·10-3 = 1922527 кДж.

Потери теплоты с уходящими газами определим по формуле:

Qух = Vд·τ·сух·tух·В.

Средняя температура уходящих газов за цикл нагрева согласно

tух = (tго + tг1 + tг2 + tг3 + tг4 + tг5)/6 = (931+867+776+1362+1243+1240) =

,8°С

При этой температуре теплоемкость продуктов сгорания в соответствии с

Сух = (СН2ОН2О + ССО2СО2 + СN2N2 + СО2O2)·0,01 ,

где Н2О, СО2, N2, О2, - состав продуктов сгорания, %

Сух = (1,69·19,5+ 2,19·8,18+ 1,38·70,64+ 1,44·1,68)·0,01 = 1,508

кДж/м3·град,

тогда Qух = Vд·τ·Сух·tух·В = 8,31 ·11,45·1,508·1069,8·В = 153500,7·В

кДж

Потери теплоты на нагрев технологических приспособлений. Пусть 2 слитка уложены на 4 подставки из стали 20 массой 1000 кг каждая. Допускаем, что начальная температура подставок равна температуре внутренней поверхности кладки. Следовательно, начальная температура подставок tПН = 8610С. Конечная температура подставок и поверхности садки одинакова, т.е. tМК = tПК = 12200С.

Теплота, затраченная на нагрев подставок равна:

QП = GП· (iПК - iПН) = 4000· (837,69 - 604,91) = 931120 кДж

Неучтенные потери теплоты вычислим по формуле:

QНЕУЧ = 0,1·(QТЕПЛ +QАК +QП +QИЗЛ) =

,1·(1869193+4704544+931120+2691849) =1019670,6 кДж

Из равенства приходной и расходной частей баланса определим средний расход топлива

Qприх = Qрасх;

Qт + Qфв + Qэкз = (Qм + Qтепл + Qак + Qизл + Qп + Qнеучт) + Qух;

·B + 17910·В + 181986 = (8851005,4 + 1869193 + 4704544 +

+ 931120 + 1019670,6) + 153500,7·В

В = 171 м3

Таблица 6

Статья

Приход МДж

Теплоты %

Статья

Расход МДж

Теплоты %

QT

43074,9

93,0

8851,005

19,1

QФВ

3062,61

6,6

QТЕПЛ

1869,193

4,0

QЭКЗ

181,986

0,4

QАК

4704,544

10,2




QИЗЛ

2691,849

5,8




931,12

2,0




QУХ

26248,62

56,7




QНЕУЧ

1019,67

2,2

Итого

46319,5

100


46316

100

Коэффициент полезного действия печи

h = 100·QМ/QПРИХ = 100·8851,005/46319,5 = 19,1 %

Средний удельный расход теплоты:

K = QПРИХ/E = 46319,5/10,82 = 4280,9 мДж/т

Удельный расход условного топлива:

ВУСЛ = К/29,33 = 4280,9/29,33 = 145,96 кг/т

5. Расчет рекуператора

Дымовые газы, покидающие рабочее пространство печи, имеют высокую температуру, а следовательно, содержат значительное количество теплоты. Поэтому целесообразно обеспечивать утилизацию теплоты отходящих дымовых газов с возвратом части её обратно в печь. Для этого необходимо теплоту передать поступающему в печь воздуху. Для решения этой задачи широко используют рекуператоры.

Выберем для проектируемой печи петлевой рекуператор.

Исходные данные для расчета:

-  средний часовой расход топлива В = 171 м3/ч;

-       расход воздуха на 1м3 топлива Lg = 7,35 м3;

-       количество продуктов сгорания (от 1м3 топлива) Vg = 8,31 м3

-       температура подогрева воздуха tB'' = 2300С;

-       средняя за цикл температура уходящих из печи дымовых газов tУХ = 1069,8 0C;

-       содержание лученепрозрачных газов в продуктах сгорания топлива CO2 = 8,18%,

H2O = 19,5%, SO2 = 0,013%, N2 = 70,64%, O2 = 1,68%.

Для изготовления рекуператора выберем трубы диаметром 30/24,7 мм (в числителе наружный диаметр трубы, в знаменателе - внутренний). Примем коридорное расположение труб в рекуператоре с шагом s1/dн = 1,6; s2/dн = 2.

Рис. 5.1. Схемы расположения и основные геометрические характеристики коридорного (а) и шахматного (б) пучков труб в рекуператорах

Расчет начнем с определения расхода воздуха и дыма, проходящих через рекуператор. расход воздуха найдем по следующему выражению:

Вв = В·Lд(1 + n) = 171·7,35 = 1256,85 м3/ч.

Коэффициент подсоса воздуха n для трубчатых металлических рекуператоров равен нулю.

Расход дымовых газов с учетом потерь дыма на выбивание через дымовой шибер, а также подсоса воздуха определяем по формуле:

В’д = m·B·Vд(1 + ρ) = 0,7·171·8,31 ·(1 + 0,1) = 1094,18 м3/ч.

При определении В’д принималось, что коэффициент m, учитывающий потери дыма в печи и боровах до рекуператора, равен 0,7, а коэффициент подсоса воздуха ρ = 0,1.

Теплосодержание дыма перед рекуператором с учетом подсоса воздуха

i’д = iух /(1 + ρ) = 739/(1 + 0,1) = 671,8 кДж/м2.

Теплосодержание дымовых газов iух, соответствующее tух = 1069,8°С, определяем согласно рис. 3. из [2]. Теплосодержанию дыма i’д = 671,8 кДж/м2 соответствует температура tд’ = 962°С.


iд’’ = iд’ - Вв·Св·( tв’’ - tв’)/(В’д·ξ),

принимая коэффициент потерь в рекуператоре ξ = 0,82,

iд’’ = 671,8 - 1256,85 ·1,3·(230 - 20)/(1094,18·0,82) = 289,4 кДж/м3.

Этому теплосодержанию соответствует температура дыма за рекуператором tд’’ = 513°С.

Среднелогарифмический температурный напор согласно

Δtср = ((tд’ - tв’’) - (tд’’ - tв’))/ln[(tд’ - tв’’)/( tд’’ - tв’)],

Δtср = ((962 - 230) - (513 - 20))/ln[(962 - 230)/(513 - 20)] = 605°С.

Средняя температура дыма в рекуператоре:

tд = (tд’ + tд’’)/2 = (962 + 513)/2 = 737,5°С.

Вычислим с помощью

αдк = (7,4 + 0,00924·tд)·Wд0,65/dн0,35

коэффициент теплоотдачи конвекцией на дымовой стороне, приняв скорость дыма в рекуператоре Wд = 4 м/с,

αдк = (7,4 + 0,00924·737,5)·40,65/0,030,35 = 119,4 Вт/м2·град.

Общий коэффициент теплоотдачи с учетом излучения на дымовой стороне

αд = 1,1· αдк = 1,1·119,4 = 131 Вт/м2·град.

Средняя температура воздуха в рекуператоре

tв = (tв’ + tв’’)/2 = (20 + 230)/2 = 125°С.

Принимая скорость воздуха в рекуператоре Wв = 6 м/с, определим в соответствии с

αв = (3,57 + 0,00174·tв)·Wв0,8/dвн0,2

коэффициент теплоотдачи конвекцией на воздушной стороне рекуператора:

αв = (3,57 + 0,00174·125)·60,8/(0,0247)0,2 = 33,3 Вт/м2·град.

Коэффициент теплопередачи найдем по формуле

k = 1/(1/αд + S/λ + 1/αв),

где αд - коэффициент теплоотдачи от дыма к стенке, Вт/м2·град; αв - коэффициент теплоотдачи от стенки к воздуху, Вт/м2·град; S - толщина стенки, м; λ - коэффициент теплопроводности материала стенки, Вт/м·град. Будем предполагать, что тепловое сопротивление S/λ = 0:

k = 1/(1/131 + 1/33,3) = 26,6 Вт/м2·град.

Поверхность нагрева рекуператора

F = Вв·Св·( tв’’ - tв’)/(3,6·k·Δtср) = 1256,85·1,3·(230 - 20)/(3,6·26,6·605) =

,92 м2.

Произведем компоновку рекуператора. Число трубных U-образных элементов

Z =4·Вв/(3600 · π · dвн2·Wв) = 4·1256,85/(3600·3,14·0,02472·6) = 122.

Средняя поверхность нагрева одного элемента

fср = F/Z = 5,92/122 = 0,049 м2.

Средняя длина одного трубного элемента

lср = fср/[π·(dн + dвн)/2] = 0,049/(3,14·(0,03 + 0,0247)/2) = 0,57 м.

Число труб в ряду, перпендикулярном движению дыма

Z1 = 2·В’д/3600·(S1 - dн)·Wд·lср = 2·1094,18/3600·(0,048 - 0,03)·4·0,57 =

15.

Число труб по ходу дыма

Z2 = Z/2·Z1 = 122/2·15 = 4,067

Принимаем Z2 = 5. (см рис. 5.1).

Эскиз компоновки рекуператора на рис. 5.2.

Рис. 5.2. Схема рекуператора

6. Аэродинамический расчет воздушного тракта

Аэродинамический расчет печей выполняют с целью определения параметров движения газов и жидкостей в трубопроводах, служащих для подачи воздуха, топлива и охлаждающей воды к печам, а также в системах удаления продуктов сгорания (дымовых каналов) из пламенных печей.

При расчетах дымового тракта используются исходные данные, полученные в предыдущих разделах расчета печи.

Исходные данные:

·  Расход воздуха на рекуператор Вв = 1256,85 м3/ч;

·  Температура воздуха на входе в рекуператор t’в = 20°С;

Температура воздуха на выходе из рекуператора tв’’ = 230°С.

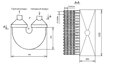
Эскиз воздушного тракта с размерами показан на рис. 6.

Принимаем среднюю скорость движения воздуха от цехового воздухопровода до рекуператора w0 = 10 м/с, после рекуператора w0' = 6 м/с.


Определим диаметры воздухопроводов: до рекуператора

d1 = Ö(4 Вв /p×3600 w0) = Ö(4×1256,85/(3,14×3600×10)) = 0,21 м,

после рекуператора

d2 = Ö(4 Вв /p×3600 w0') = Ö(4×1256,85/(3,14×3600×6)) = 0,27 м.

Расход воздуха к горелкам распределяется поровну, т.е. 50% на одну сторону и 50% - на другую.

Отводы к горелкам

d3 = d4 = Ö(4 Вв×0,5 /p×3600 w0') = Ö(4×1256,85×0,5/(3,14×3600×6)) = 0,19 м.

Определим потери давления на участке воздушного тракта от цехового воздухопровода до рекуператора. Динамический напор воздуха на этом участке найдем по формуле:

Рдин = [ρо·Wo2·(1 + α·tг)]/2,

где ρо - плотность газа при нормальных условиях (0°С, 101 кПа), кг/м3;

Wo - скорость газа на рассматриваемом участке газопровода, отнесенная к нормальным условиям, м/с;

α = 1/273 - коэффициент объемного расширения газов, град-1;

tг - средняя температура газа на рассчитываемом участке газопровода, °С.

Рдин1 = [1,29·102·(1 + 20/273)]/2 = 69,2 Па.

Потери на трение на этом участке длиной 15 м рассчитываем согласно

Ртр1 = μ·l·Рдин/d,

где μ - коэффициент трения; l - длина участка трубопровода, на котором определяются потери на трение, м; d - гидравлический диаметр трубопровода, м.

Ртр1 = 0,03·15·69,2/0,21 = 148,3 Па.

Потери напора в двух плавных поворотах на 90°

Рм1 = 2×К1·Рдин1 = 2×0,25·69,2 = 34,6 Па,

где К1 = 0,25 для R/d = 1,0.

Определим потери напора в рекуператоре. Средняя длина одного элемента в рекуператоре l = 0,57 м, внутренний диаметр труб dвн = 0,0247 м, скорость движения воздуха в нем wop = 6 м/с, а средняя температура воздуха:

tв = (tв’ + tв’’)/2 = (20 + 230)/2 = 125°С.

Потери на трение в рекуператоре

Ртр2 = μ×l wop2×(1+ tв/273)×ρов/(2×dвн) = (0,03·0,57·62(1+125/273)

1,29)/(2·0,0247) = 23,4 Па.

Потерями плавного поворота в рекуператоре на 180° можно пренебречь.

Найдем потери давления на участке от рекуператора до отвода к горелкам. Принимаем падение температуры воздуха при движении по воздухопроводу за рекуператором два градуса на один метр длины, тогда

tср3 = (tв’’ + (tв’’ - 2×4))/2 = (230 + (230 - 8))/2 = 226°С.

Динамический напор воздуха на этом участке:

Рдин3 = 1,29·62·(1 + 226/273)/2 = 42,4 Па.

Потери на трение составят:

Ртр3 = 0,05·4·42,4/0,27 = 31,4 Па.

Геометрическое давление H = 3 м определим по формуле

Рг = 9,81·Н·(ρов/(1 + tв/273) - ρод/(1 + t ср3/273)),

где ρов и ρод - плотности воздуха и дымовых газов при нормальных условиях, кг/м3; tв и tг - температуры воздуха и дымовых газов, °С.

Рг3 = -9,81·3·[1,29/(1 + 20/273) - 1,29/(1 + 226/273)] = -14,6 Па.

На этом участке потери на преодоление геометрического давления отрицательны, так как горячий воздух поднимается на высоту 3 м. Потери напора в плавном повороте на 90°

Рм3 = 0,25×42,4 = 10,6 Па.

Потери напора при разветвлении потока на 180° составят

Рм3 = К4·Рдин3 = 1,5×42,4 = 63,6 Па.

Для угла разветвления α = 180° коэффициент потерь K = 1,5.

Рассчитаем потери напора в отводах к горелкам:

tср4 = (226 + (226 - 2×6,5))/2 = 219,5°С.

Динамический напор воздуха в отводах:

Рдин4 = 1,29·62·(1 + 219,5/273)/2 = 41,9 Па.

Потери на трение

Ртр4 = 0,05·6,5·41,9/0,19 = 71,7 Па.

Потери напора в плавном повороте на 90°

Рм4 = 0,25·41,9 = 10,5 Па.

Перед горелками в воздухопроводе устанавливается измерительная диафрагма для измерения расхода воздуха на горелки, а также дроссельная заслонка для регулирования соотношения топливо - воздух. Потери на измерительной диафрагме зависят от соотношения диаметра воздухопровода dтр и диаметра отверстия диафрагмы dдф. Для dтр/ dдф = 1,5 по табл. Из [4] находим значение К5 = 7.

Следовательно, потери на измерительной диаграмме составят:

Рм4 = К5·Рдин4 = 7×41,9 = 293,3 Па.

Потери на дроссельной заслонке зависят от угла φ поворота заслонки к направлению движения потока воздуха. При угле ее поворота φ = 30° для круглого воздухопровода согласно табл. из [4] значение К6 = 3,91. Потери на регулирующей заслонке будут равны:

Рм’’ = К6·Рдин4 = 3,91×41,9 = 163,8 Па.

Общие потери на воздушном тракте без учета сопротивления горелки определим по формуле

Рп = ∑Ртр + ∑Рм +∑Рг,

где ∑Ртр, ∑Рм и ∑Рг - соответственно суммарные потери трения, на преодоление местных сопротивлений и геометрического напора по всему пути движения воздуха в рассматриваемой печной системе.

Рп = 148,3 + 34,6 + 23,4 + 31,4 - 14,6 + 10,6 + 63,6 + 71,7 + 10,5 + 293,3 +

+ 163,8 = 836,6 Па.

Давление воздуха Pв перед горелкой при скорости выхода 30 м/с должно составлять 2550 Н/м2 [4]. Следовательно, в цеховом воздухопроводе давление должно быть не менее

Pвп = 836,6 + 2550 = 3386,6 Па.

Заключение

Выполнив курсовой проект на тему "Тепловой расчет и конструирование печи", я познакомилась с современными методиками расчета основных процессов, определяющих тепловую работу печей, а также качественные и количественные связи между параметрами, обеспечивающими требуемый технологический режим нагрева металла.

В проделанной работе, я рассчитала кпд и производительность камерной садочной печи для цилиндрических заготовок диаметром 760 мм и длиной 1520 мм из стали 20. В качестве топлива использовалась смесь природного и коксового газов. Полученное мной КПД для данной печи получилось равным 19,1%, а производительность 945 кг/ч. Столь низкое значение КПД можно объяснить тем, что печь работает под ковку и это значение не должно превышать 30-35% для современных печей. Удельный расход условного топлива получился равным 145,96 кг/т и средний удельный расход теплоты 4280,9 мДж/т. Для уменьшения потерь используют рекуператор, число трубных U - образных элементов которого получил равным 122, средней длиной одного трубного элемента 0,57 м.

Возможно, полученные знания помогут мне в дальнейшей инженерной деятельности успешно решать проблемы, связанные с технологиями современного материаловедения.

Список литературы

1. Казанцев Е.И. Промышленные печи: Справочное руководство для расчётов и проектирования. - М.: Металлургия, 1975. - 368с.

2. Расчёты горения топлива, параметров нагрева металла в печах периодического действия: Методические указания. В.И. Становой, А.А. Буйлов.

3. Расчёты теплового баланса и рекуператора. Аэродинамические расчёты камерных садочных печей: Методические указания. В.И. Становой, А.А. Буйлов.

Похожие работы на - Тепловой расчет и конструирование печи

 

Не нашли материал для своей работы?
Поможем написать уникальную работу
Без плагиата!
Без нейросетей!