|
Тип провода
|
АС-240/32
|
АС-400/51
|
АС-185/32
|
|
худ, Ом/км
|
0,405
|
0,42
|
0,413
|
Рассчитать защиты блока, выделенного на рис.1 жирным цветом.
Расчет параметров схемы замещения.
· Генераторы 160 МВт Тип: ТВВ-160-2ЕУ3.ном =
188 МВА; Uном =18 кВ; cosφном = 0,85; Xd’’ = 0,213;
;
· Автотрансформаторы связи типа
АТДЦТН-200.ном = 200 МВА; Uквн-сн = 11 %; Uквн-нн = 32 %; Uксн-нн = 20 %;
.
· Трансформаторы типа ТДЦ-200.ном = 200 МВА;
Кт = 242/18; Uкв-н = 11 %;
.
· Трансформаторы типа ТДЦ-200.ном = 200 МВА;
Кт = 121/18; Uкв-н = 10.5 %;
.
· Трансформаторы собственных нужд типа
ТДНС-16.ном = 16 МВА; Кт = 18/6,3; Uкв-н = 10 %;
.
· Трансформаторы собственных нужд типа
ТРДНС-25.ном = 25 МВА; Кт = 115/10,5; Uкв-н = 10,5 %;
.
· Линия связи на 220 кВ - двухцепная, провод
АС-240/32.= 150 км; X1уд = 0,40 Ом/км; X0уд =1,2 Ом/км; XM. уд = 0,8 Ом/км;
;
;
;
· Линия связи на 220 кВ - двухцепная, провод
АС-240/32.= 100 км; X1уд = 0,4 Ом/км; X0уд = 1,2 Ом/км; X0 I-II уд = 0,8 Ом/км;
;
;
;
· Линия связи на 110 кВ - двухцепная, провод
АС-185/29.= 40км; X1уд = 0,4 Ом/км; X0уд = 1,2 Ом/км; X0 I-II уд = 0,8 Ом/км;
;
;
;
· Система 110кВ.ном = 115 кВ; S’’ = 4000
МВА;
.
· Система 220кВ.ном = 230 кВ; S’’ =8000 МВА;
.
· Система 220кВ.ном = 230 кВ; S’’ =10000
МВА;
.
Расчет токов короткого замыкания.
Расчет произведен в программе АРМ СРЗА.
1.
Составление схемы замещения сети для расчета тока асинхронного хода
Используя однолинейную схему сети (рис.1), составим схему
замещения прямой последовательности (рис.2) и определим её параметры.
Рисунок 2. - Схема замещения прямой последовательности.
Расчёт проводим при пренебрежении активными параметрами элементов
сети.
Расчет параметров схемы замещения сети:
Вводим базисные напряжения и базисную мощность:
кВ,
кВ,
кВ,
кВ,
МВА.
Рассчитаем базисные токи:
кА
кА
кА
кА
Вычислим сопротивления, входящие в схему замещения, используя
расчет в относительных базисных единицах.
Сопротивление генераторов:
о. е.
Сопротивление трансформаторов Т1 - Т4:
о. е.
Сопротивление трансформаторов Т3, Т4, Т5, Т6:
о. е.
Сопротивление автотрансформаторов АТ1, АТ2:
о. е.
о. е.
Сопротивление систем:
о. е.,
о. е.,
о. е.
Сопротивление линий:
о. е
о. е
о. е
Для определения переходной ЭДС генератора блока используем
выражение:
о. е
Принимаем ЭДС систем:
о. е
о. е
о. е
о. е
о. е
Сэквивалентируем ЭДС:
о. е
о. е
о. е
о. е
Рисунок 3 - Преобразованная схема замещения 2.
Эквивалентная ЭДС:
о. е
о. е
кА
2. Виды
устройств релейной защиты, устанавливаемой в блоках
турбогенератор-трансформатор
Для защиты блока турбогенератор-трансформатор с генераторами
мощностью более 10 МВт устанавливаются защиты от следующих видов повреждений и
ненормальных режимов:
) замыканий на землю на стороне генераторного
напряжения;
2) многофазных замыканий в обмотке статора генератора и
на его выводах;
) замыканий между витками одной фазы в обмотке статора
турбогенератора (для турбогенераторов с двумя или тремя параллельными ветвями
обмотки статора);
) многофазных замыканий в обмотках и на выводах
трансформатора;
) однофазных замыканий на землю в обмотке
трансформатора и на его выводах, присоединённых к сети с большими токами
замыкания на землю;
) замыканий между витками в обмотках трансформатора;
) внешних КЗ;
) перегрузки генератора токами обратной
последовательности (для блоков с генераторами мощностью более 30 МВт);
) симметричной перегрузки обмотки статора генератора и
обмоток трансформатора;
) перегрузки обмотки ротора генератора током
возбуждения (для турбогенераторов с непосредственным охлаждением проводников
обмоток);
) повышения напряжения на статоре генератора и
трансформаторе блока (для блоков с турбогенераторами мощностью 160 МВт и
более);
) замыканий на землю в одной точке цепи возбуждения
(устанавливается на турбогенераторах с водяным охлаждением обмотки ротора и на
всех турбогенераторах мощностью 300 МВт и выше);
) замыканий на землю во второй точке цепи возбуждения
турбогенератора мощностью менее 160 МВт);
) асинхронного режима с потерей возбуждения (на блоках
с турбогенераторами мощностью 160 МВт и выше, имеющих непосредственное
охлаждение проводников обмоток);
) понижения уровня масла в баке трансформатора;.
В некоторых случаях требуется установка отдельной защиты
ошиновки, этот вопрос будет рассмотрен ниже.
На рассматриваемом укрупнённом блоке должна быть
предусмотрена установка всех перечисленных выше защит, кроме пункта 13. Защита
от замыканий на землю в цепи генераторного напряжения должна охватывать всю
обмотку статора, так как мощность генераторов превышает 30 МВт.
Дифференциальные защиты генератора и защита от замыканий на
землю в обмотке статора должны действовать на гашение поля генератора и его
отключение от сети выключателем генератора.
При отказе выключателя генератора блок должен отключаться от
сети с помощью УРОВ генераторного выключателя.
Защита от замыканий на землю в цепи возбуждения на
турбогенераторах выполняется действующей на сигнал.
Все остальные защиты энергоблока от внутренних повреждений,
за исключением защиты от повышения напряжения на энергоблоках с
турбогенераторами, должны действовать на отключение выключателей, пуск УРОВ на
стороне ВН блока, а также на отключение выключателей в цепях присоединённого к
ответвлению блока рабочего источника питания секций собственных нужд. Последние
необходимо отключать для обеспечения быстрого автоматического перевода с
помощью АВР питания собственных нужд на резервный источник.
Защита от повышения напряжения на энергоблоках с
турбогенераторами должна автоматически вводиться в работу только в режиме
холостого хода энергоблока и действовать лишь на гашение поля генератора.
Для резервирования защит от внутренних КЗ (ближнее
резервирование) устанавливается резервная дифференциальная защита, охватывающая
генератор и трансформатор блока вместе с ошиновкой на стороне ВН и действующая
на отключение выключателей блока и рабочего трансформатора собственных нужд, на
гашение поля генератора и на пуск УРОВ на стороне ВН.
Для резервирования защит смежных элементов (шин, линий,
автотрансфоматоров и др.) на энергоблоках должны устанавливаться:
· токовая защита нулевой последовательности в
нейтрали трансформатора (защита от однофазных КЗ);
· двухступенчатая токовая отсечка обратной
последовательности;
· односистемная дистанционная защита (защита от
симметричных КЗ).
Устройства защиты от внешних КЗ должны действовать только на
отключение энергоблока от сети выключателями на стороне ВН. Для ликвидации
анормальных режимов на энергоблоках должны устанавливаться:
· токовая защита с независимой выдержкой времени
от симметричной перегрузки (действует на сигнал);
· токовая защита обратной последовательности с
интегрально зависимой характеристикой выдержки времени от несимметричных
перегрузок (действует на отключение энергоблока от сети);
· токовая защита с интегрально зависимой
характеристикой выдержки времени от перегрузки ротора (две ступени действия: I
на развозбуждение и II - на отключение генератора или энергоблока от сети);
· защита от потери возбуждения генератора,
выполняемая с помощью реле сопротивления и действующая либо на автоматическую
разгрузку энергоблока и на гашение поля, либо на отключение блока (в случаях,
когда асинхронный режим генератора недопустим).
3. Принципы
исполнения и расчёт уставок защит
3.1 Продольная
дифференциальная токовая защита генератора
Назначение: от внутренних многофазных к. з.
Эта защита с тормозным действием, имеет трехфазное,
трехрелейное исполнение на реле типа ДЗТ-11/5 с процентным торможением, что
обеспечивает быстрое отключение двойных замыканий на землю, одно из которых
находится в генераторе. Также обеспечивает отстройку от максимального тока
небаланса при токе срабатывания, меньшем номинального тока генератора. У
генератора ТВВ-160-2ЕУЗ обмотки статора каждой фазы и со стороны нулевых
выводов встроены 2 трансформатора тока с коэффициентом трансформации 8000/5.
Определение наиболее тяжелого аварийного режима.
кА
Асинхронный ход генератора:
Расчетным является ток короткого замыкания.
Максимальный ток небаланса:
кА
где
- коэффициент однотипности ТТ (
если сквозным током обтекаются
разнотипные ТТ),
- относительное значение погрешности ТТ
.
Ток срабатывания защиты без торможения:
, где
СР=100 А - МДС срабатывания реле,Р=144 витка - число витков
рабочей обмотки.
А
Ток срабатывания первичный:
А
где
Проверка сходится, так как данное соотношение по требованиям ПУЭ
0,1-0,2.
Необходимое число тормозных витков WТОРМ определяется по следующей
формуле:
витков
Таким образом, число витков тормозной обмотки реле
витков.
Так как производилась отстройка от внешних КЗ, то необходимая
селективность и чувствительность обеспечена.
3.2
Поперечная дифференциальная защита генератора
Назначение: от витков замыканий в обмотке статора.
Выполнение защиты: Защита выполняется односистемной на реле
РТ-40/Ф с фильтром высших гармоник. Это реле присоединяется к ТТ с
коэффициентом трансформации от 1500/5 до 2500/5, врезанному в перемычку между
нейтралями параллельных обмоток статора. Основана на сравнении токов
одноименных фаз параллельных цепей с мало отличающимися параметрами. Схема
защиты приведена на рисунке 4.
Рисунок 6 - Поперечная дифференциальная защита генератора
(РТ-40/Ф).
Чем меньше число замкнувшихся витков, тем больше будет ток
внутри этих витков. Следовательно, этот режим опасен так же как и междуфазные
короткие замыкания. Этот процесс может вызвать нагрев изоляции. Витковый ток
большой, а ток от генератора с уменьшением числа витков уменьшается. Таким
образом, на выводах генератора токовые изменения могут быть малыми и тем
сложнее их обнаружить.
Установки. Первичный ток срабатывания при проектировании
принимается равным
генератора. При наладке ток срабатывания
уточняется по результатам измерений тока небаланса и существенно снижается. При
проектировании защит условно можно принять:
,
А
3.3 Защита от
замыканий на землю в обмотке статора
На генераторах энергоблоков в качестве защиты от замыканий на
землю, как правило, устанавливается блок-реле БРЭ1301, состоящее из органов
напряжения 1-й и 3-й гармоник и охватывающее всю обмотку статора без зоны
нечувствительности.
Блок реле БРЭ1301 выпускается в двух исполнениях (защиты
БРЭ1301.01 и БРЭ1301.02). Орган первой гармоники в обоих исполнениях называется
"реле напряжения" и выполняется одинаково. Он реагирует на напряжение
нулевой последовательности 1-й гармоники; его установки могут регулироваться в
пределах 5-20 В. В блок реле БРЭ1301 предусмотрена блокировка этого органа при
однофазных КЗ на стороне ВН блока с помощью реле напряжения обратной
последовательности.
Орган 3-й гармоники в защите БРЭ1301.01 реагирует на относительное
результирующее сопротивление 3-й гармоники обмотки статора со стороны нейтрали
на землю и называется "реле сопротивления" (или "реле с
торможением"). Установки относительного сопротивления срабатывания (в
относительных единицах) могут изменяться в пределах 0,3-3 (этому соответствуют
коэффициенты торможения
).
В защите БРЭ1301.02 орган 3-й гармоники реагирует на производную
по времени при быстром возрастании напряжения 3-й гармоники на выводах
генератора (с постоянной времени Т<0,3 с) и называется "реле
производной". Установки реле производной не регулируются.
К органам защиты подается напряжение нулевой последовательности от
трансформаторов напряжения (ТН) соответственно через фильтры 1-й и 3-й
гармоник.
В защите БРЭ1301.01 реле напряжения включается на ТН со стороны
нейтрали, а к реле сопротивления (реле с торможением) подается выпрямленная
сумма напряжений 3-й гармоники от ТН в нейтрали UН и на выводах генератора UВ -
рабочее напряжение |UН+UВ| и тормозное выпрямленное напряжение 3-й гармоники со
стороны нейтрали |UН|, при этом
и
В защите БРЭ1301.02 реле напряжения и реле производной
присоединяются к ТН на выводах генератора.
При выборе исполнения защиты следует учитывать, что для защиты
БРЭ1301.02 не требуется установка ТН в нейтрали генератора. Однако эта защита
неэффективна при отсутствии переходного процесса (например, при постепенном
снижении уровня изоляции обмотки статора или при подъеме с нуля напряжения на
поврежденном генераторе). С учетом этого, для мощных генераторов
предпочтительнее защита БРЭ1301.01.
Установка органа 1-й гармоники в обоих исполнениях защиты по
условию отстройки от непродолжительных снижений уровня изоляции в процессе
эксплуатации должна быть не менее 10 В (рекомендуется 10-15 В).
Для органа 3-й гармоники ЗЗГ-11 следует принимать Z*cp=1,5 или
Кторм=0,67.
Для отстройки от возможных кратковременных срабатываний защиты в
переходных режимах на её выходе должна быть выдержка времени около 0,5 с.
Схема подключения основного комплекта БРЭ1301 (AKV2) к
измерительным трансформаторам приведена на рис.7, резервного - на рис.8.
Рисунок 7 - Измерительные приборы, устройства автоматики, защита
от замыканий на землю в обмотке статора БРЭ1301, устройства блокировки, защита
от повышения напряжения.
Рисунок 8 - Схема защиты от замыканий на землю (резервный
комплект).
Резервный комплект защиты подключается только к трансформатору
напряжения, установленному на внешних выводах генератора и выполняется на
устройстве типа БРЭ1301.02 (АKV1).
3.4 Защита от
замыканий на землю в обмотке ротора
Для сигнализации замыканий на землю в обмотке ротора и в
цепях возбуждения устанавливают защиту КЗР-3, выполняемую с наложением на цепь
возбуждения переменного тока частотой 25 Гц.
Схема подключения аппаратуры защиты (АКЕ1, АК4) к обмотке
возбуждения генератора LG1 показана на рис.9.
Рисунок 9 - Защита от замыкания в одной точке цепи
возбуждения.
3.5 Токовая
защита обратной последовательности
Назначение:
Защита генераторов мощностью 63-1000 МВт от внешних
несимметричных КЗ (отсечки) и от несимметричной перегрузки (интегральный
орган).
Выполнение защиты:
Применяется блок защиты генератора от перегрузки токами
обратной последовательности типа БЭ1101 с зависимой интегральной
характеристикой выдержки времени, соответствующей принятому уравнению тепловой
характеристики генератора.
,
где А - постоянная, установленная заводом-изготовителем, численно
равная допустимой длительности несимметричного режима при I* (2) =1; tдоп -
допустимая длительность тока
в генераторе;
- значение протекающего по генератору тока обратной
последовательности (в долях от номинального тока генератора).
Диапазон установок устройства БЭ1101 по А - от 5 до 10; от10 до 20
и от 20 до 40.
Блок защиты генератора БЭ1101 содержит (рис.10):
преобразователь входных сигналов Д1340, состоящий из датчика тока
(ДТ), фильтра токов обратной последовательности (ФТОП), активного фильтра (АФ)
и устройства тестового контроля (ТК);
блока напряжения Н1282, состоящего из сигнального органа (СО),
пускового органа (ПО) и отсечки (О);
блок независимой выдержки времени ВО133, состоящей из двух реле времени
РВ1 и РВ2;
блок интегральной выдержки времени (ИВВ) В1120 и т.д.
Замеренные трансформаторами тока ТТ (с номинальным вторичным током
5 или 10А - при включении в "нуле" генератора на сумму токов двух ТТ)
токи поступают на датчики тока ДТ защиты и преобразуются в величины, удобные
для использования в полупроводниковой части. Сигнал на выходе ФТОП
пропорционален току обратной последовательности. Активный фильтр низких частот
АФ не пропускает на последующие блоки высокочастотные составляющие поступающего
на него сигнала.
Рисунок 10 - Структурная схема защиты БЭ1101
Сигнальный орган через реле РВ1 предупреждает персонал о появлении
перегрузки генератора токами обратной последовательности. Установка СО по току
составляет
от 0,05 до 0,35 о. е. Рекомендуется
выставлять 0,05-0,15 о. е.
Отключение генератора по цепи отсечки О происходит только при
одновременном срабатывании пускового органа и может быть выставлена в пределах
0,08-0,53 о. е. Установка отсечки при постоянной А от 5 до 10 устанавливается в
пределах 0,4-1,6 о. е. Если А лежит в пределах 10-40, установка отсечки может
быть равна 0,4-1,9 о. е.
Установки отсечки.
Ток срабатывания отсечки выбирается по условию согласования с III -
IV ступенями резервных защит от междуфазных КЗ присоединений на стороне высшего
напряжения блока.
Т.к. необходимая информация по резервным защитам отходящих от шин
высшего напряжения станции присоединений отсутствует это согласование не
проводим.
Защита от несимметричных перегрузок.
В отличие от предыдущих, более простых вариантов токовой защиты
обратной последовательности в защите БЭ1101 предусматривается моделирование не
только процесса нагрева ротора протекающими по генератору токами обратной
последовательности, но и процесса охлаждения (рис.11).
Рисунок 11 - Процессы нагрева и охлаждения ротора генератора
На рис.11 в момент t=0 произошло внешнее несимметричное КЗ,
сопровождающееся протеканием по статору генератора токов обратной
последовательности. Температура ротора начала увеличиваться, начиная с
первоначального значения θНАЧ (точка
1 на рис.12). Когда она выросла до значения θ1, которое меньше допустимого θДОП (точка 2), внешнее КЗ было отключено
защитой своего присоединения (например, линии, отходящей от шин
распределительного устройства ВН станции). Теперь ротор генератора начал
охлаждаться (от точки 2 до точки 3 - соответственно от температуры θ1 до θ2). В этот момент вновь возникло внешнее КЗ
(например, поврежденную линию вновь включили под напряжение). Теперь
температура ротора начала расти от значения θ2 и при достижении предельного θДОП защита обратной последовательности
действует на отключение генератора.
Процессы нагрева моделируются в устройстве БЭ1101 на основании
заданной для защищаемого генератора величины А и измеренного тока I* (2). Время
полного охлаждения ротора считается равным 240±36 с.
Блок тестового контроля ТК (рис.11) представлен для тестовых
проверок исправности рассматриваемого устройства.
3.6 Защита
генератора от симметричных перегрузок
Назначение:
Сигнализировать о возникновении симметричной перегрузки.
Защита выполняется на устройстве БЭ1103, включенном в цепь
одного из трансформаторов тока. В устройстве БЭ1103 используются принципы действия,
близкие к заложенным в основу действия интегрального органа защиты БЭ1101.
Защита имеет "токозависимую" выдержку времени
(табл.5).
Таблица 5 - Характеристики срабатывания защиты БЭ1103
Время полного охлаждения принимается равным 600±90 с.
На рисунке 12 приведена схема рассмотренных выше защит.
Рисунок 12 - Защита от симметричных перегрузок генератора (АКJ1),
защита от несимметричных КЗ (АКJ 2), реле тока УРОВ (КА 7, КА 8)
3.7 Защита
ротора от перегрузки
Назначение.
Предотвращение повреждений генератора мощностью 63-1000 МВт
при перегрузке обмотки ротора (при длительных форсировках возбуждения в случаях
аварийного снижения напряжения в энергосистеме или при неисправностях в системе
возбуждения).
Для осуществления защиты применяется блок БЭ1102.
Блок может включаться в одну фазу вторичных цепей
трансформаторов тока выпрямительного трансформатора или вспомогательной системы
возбуждения. Входная цепь блока БЭ1102 подключается в цепь переменного тока
датчика И514 (И528), а также с номинальным значением выходного переменного тока
частоты 50Гц, равным 0,005А или 2,5А, средневыпрямленное значение которого
пропорционально первичному току ротора.
В устройстве БЭ1102 используются принципы действия, близкие к
заложенным в основу действия органа защиты БЭ1101.
Имеется сигнальный орган, ток срабатывания которого
рекомендуется устанавливать на уровне 1,05 от номинального тока ротора.
Есть в составе БЭ1102 интегральный орган, принцип действия
аналогичен описанному применительно к устройству БЭ1101. Характеристика
срабатывания интегрального органа приведена в табл.6.
Таблица 6 - Характеристика срабатывания интегрального органа
Время полного охлаждения ротора при моделировании его
охлаждения принимается равным 600±90 с. Или 1200±180 с.
Интегральный орган может подействовать на развозбуждение
генератора только при условии одновременного срабатывания пускового органа,
установку которого рекомендуется выставлять на уровне 1,05-1,25 номинального
тока ротора.
Схема защиты приведена на рис.13.
Рисунок 13 - Защита от перегрузки ротора.
3.8
Дистанционная защита от внешних симметричных КЗ (БРЭ-2801)
Для дальнего и ближнего резервирования при симметричных КЗ
применяют дистанционную защиту с круговой или эллиптической характеристикой без
смещения. Так как защита имеет выдержку времени более 1,5 с, она выполняется
без блокировки при качаниях.
Защита выполняется с помощью одного из 3-х реле сопротивления
в блок-реле типа БРЭ-2801. Имеет три выдержки времени. Номинальный ток цепей
защиты 5 или 1 А (считаем, что защита подключена к трансформаторам тока,
установленным на линейных выводах генератора, поэтому используем реле с
номинальным током 5 А), при этом ток точной работы 1,45 А. Сопротивление
срабатывания выбирается по условию отстройки от режима наибольшей реально
возможной нагрузки:
где
- минимальное напряжение на выводах
генератора, принимается равным
;
- максимальное значение рабочего тока генератора в условиях
перегрузки, принимается
.
Угол нагрузки jНАГ в
условиях перегрузки можно определить, исходя из номинального cosjНОМ. ГЕН для данного генератора,
установленного заводом-изготовителем, и неизменности активной мощности на валу
генератора, используя выражение:
Сопротивление срабатывания защиты с реле сопротивления, имеющем
круговую характеристику, определяется по выражению:
где
- коэффициент отстройки;
- коэффициент возврата, для реле БРЭ-2801 равный 1,05;
- угол максимальной чувствительности, рекомендуется принимать 80º;
- угол нагрузки.
Установку реле рассчитываем по формуле:
где
- коэффициент трансформации
трансформаторов тока (применяем ТТ типа ТШ-20 с коэффициентом трансформации
8000/5);
- коэффициент трансформации трансформатора напряжения, в нашем
случае 18000/100.
Чувствительность защиты при использовании круговой характеристики
(расчётным является случай КЗ на выводах ВН трансформатора блока, точка К2 на
рис.2):
,
где
- минимальное значение коэффициента
токораспределения
- сопротивление трансформатора блока, приведённое к генераторному
напряжению.
Чувствительность в данном режиме обеспечивается, однако защита
также должна быть чувствительна к КЗ на смежных присоединениях, когда точка КЗ
удалена за большее сопротивление, и коэффициент токораспределения может
принимать меньшие значения, чем при КЗ на выводах ВН трансформатора блока. Для
повышения чувствительности защиты может быть использован переход на
эллиптическую характеристику реле сопротивления.
При эллиптической характеристике максимальная зона действия защита
должна быть отстроена от сопротивления наибольшей нагрузки, совпадающего с
большой осью эллипса, с небольшим расчетным запасом. Эту нагрузку можно считать
индуктивной.
Наибольшее допустимое значение индуктивной нагрузки составляет 0,8×РНОМ. ГЕН. Этому соответствует:
Сопротивление срабатывания (большая ось эллипса):
.
Установка реле:
Коэффициент эллиптичности определяется по выражению:
Принимаем kЭ=0,5.
3.9 Защита от
потери возбуждения
Назначение.
Выявление потери возбуждения и перевод генератора в
допустимый асинхронный режим (разгрузка генератора, торможение турбины и
шунтирование обмотки ротора гасительным сопротивлением) или отключение блока,
если асинхронный режим недопустим.
Выполнение защиты.
Защита выполняется на реле сопротивления в блок-реле БРЭ 2801,
в котором другое реле используется для дистанционной защиты.
На защиту подается разность токов двух фаз от ТТ на выводах
или в нейтрали генератора и междуфазное напряжение от ТН на выводах генератора.
Реле включается так, чтобы его круговая характеристика размещалась в III и IV
квадрантах комплексной плоскости сопротивлений.
Установки.
Угол максимальной чувствительности φЧ. МАХ=265°. Диаметр окружности характеристики ZУСТ=1,1×Хd; смещение в III
квадрант ZСМ=0,4×Х`d (для генераторов с тиристорной системой возбуждения),
выдержка времени 1-2 с.
Для предотвращения запрета ресинхронизации генератора и
ограничения длительности разгрузки блока воздействие защиты на гашение поля и
на разгрузку выполняется импульсным. Для обеспечения возможности
самосинхронизации генератора защита автоматически вводится в действие примерно
через 1 с после появления тока в статоре генератора.
Рисунок 14 - Защита от симметричных КЗ (дистанционная АКZ1 и
блокировка АКВ1) и от асинхронного режима при потере возбуждения (АКZ2 и
блокировка АКВ2).
Считаем, что генератор имеет тиристорную систему возбуждения
и реле подключено к трансформаторам тока, установленным на линейных выводах
генератора. Тогда установки реле сопротивления:
,
где
- коэффициент трансформации
трансформаторов тока
- коэффициент трансформации трансформатора напряжения, в нашем
случае 18000/100;
- сопротивление генератора по продольной оси.
.
3.10 Защита
от асинхронного режима без потери возбуждения
Для предотвращения асинхронного режима возбужденного
генератора обычно используются средства противоаварийной автоматики (устройства
автоматического прекращения асинхронного хода - АПАХ), воздействующие на
разгрузку турбин либо на деление энергосистемы. В дальнейшем целесообразна
установка более совершенных устройств (после завершения их разработок и
освоения производства) на каждом мощном генераторе.
3.11 Защита
от внешних КЗ на землю
Выполнение защиты.
Токовая защита нулевой последовательности выполняется с
помощью двух токовых реле РТ-40, включенных на ток нейтрали трансформатора
блока.
Одно из реле предназначено для резервирования защит от КЗ на
землю смежных элементов сети ВН. С помощью второго, более чувствительного, реле
осуществляется деление шин ВН и ускоренная ликвидация неполнофазных режимов.
Установки защиты.
Установка более грубого реле (резервной защиты) IСЗ. РЕЗ
выбирается по условию согласования с наиболее чувствительными ступенями защиты
от замыканий на землю отходящих линий. Согласование не проводим ввиду
отсутствия данных об установках защит от замыканий на землю отходящих линий.
Установка более чувствительного реле деления шин выбирается
по меньшему из двух значений:
o Согласования с установкой
более грубого реле
o Надежного действия в
режиме неполнофазного отключения блока при минимальной нагрузке
Где IНОМ - номинальный ток генератора блока, приведенный к стороне
высшего напряжения.
Схема защиты приведена на рисунке 15.
Рисунок 15 - Защита от замыканий на землю с большими токами
замыкания на землю.
3.12 Газовая
защита трансформатора блока
Баки трансформаторов и автотрансформаторов заполняются
маслом, которое используется как для цепей изоляции, так и охлаждения. Бак
снабжается расширителем, в верхней части которого имеется отверстие, через
которое газы могут выходить в атмосферу.
Корпус газового реле встраивается в маслопровод между крышкой
бака и расширителем. Газовая защита реагирует на:
Ø Пузырьки газа, которые
перемещаются от бака трансформатора к расширителю (при витковых замыканиях в
обмотках трансформатора и пожаре железа);
Ø Интенсивный поток масла
бака трансформатора к расширителю при междуфазных КЗ в обмотках или КЗ на землю
в баке трансформатора (для этого предназначено струйное реле);
Ø Снижение уровня масла.
Фирмой ОРГРЭС совместно с ОАО "ВНИИР" разработаны
отечественные газовые реле типов РГТ 50, РГТ 80 и струйные реле РСТ 25. Реле
имеют надежную конструкцию и более удобны в эксплуатации по сравнению с
известными аналогами. Основные электрические параметры реле РГТ50 и РГТ80
приведены в таблице 7.
Таблица 7 - Основные электрические параметры реле РГТ50 и
РГТ80
|
Номинальное
напряжение постоянного или переменного тока частотой 50-60Гц, В
|
220
|
|
Диапазон
коммутируемых напряжений, В
|
1-300
|
|
Минимальный
коммутируемый ток, мА
|
1
|
|
Номинальная
коммутируемая мощность при работе на активную нагрузку, Вт
|
50
|
Сигнальные контакты газовых реле срабатывают при понижении
уровня масла (уменьшении его объема на 100-250 см3) в реле, отключающие - при
понижении уровня масла до нижнего края отверстия фланца реле.
Предусмотрены следующие установки срабатывания по скорости
потока масла [м/с]: 0,65; 1,0; 1,5 (для газовых реле); 0,9; 1,2; 1,5; 2,0 (для
струйных реле). Реле поставляются с заданной заказчиком установкой.
Реле позволяют выполнить по две независимых отключаемых и
сигнальных цепи. Кнопкой опробования можно проверить работу реле при опускании
поплавков и отдельно - при действии напорной пластины.
3.13
Продольная дифференциальная защита трансформатора (БЭ-2104)
Дифференциальная защита предусматривается на трансформаторах
блоков в качестве основной защиты от всех видов КЗ. В качестве защиты применяем
устройство типа БЭ-2104, который обладает высокой чувствительностью благодаря
дифференциальному принципу в сочетании с торможением и дополнительной
отстройкой от токов небаланса с помощью время-импульсного способа. В цепи
дифференциальной защиты трансформатора (ДЗТ) блока должны включаться
трансформаторы тока ответвлений на собственные нужды и на питание потребителей,
если при минимальном токе срабатывания защита не отстроена от КЗ за
трансформатором (или реактором) ответвления.
В части формирования отключающих импульсов защита типа
БЭ-2104 выполнена пофазной и содержит три измерительных органа, каждый из
которых содержит, в свою очередь два канала, действующих по логической схеме
ИЛИ. Первый канал - чувствительный орган. Второй канал - орган дифференциальной
отсечки. С помощью промежуточных трансформаторов тока обеспечивается
выравнивание токов присоединений. Дифференциальная защита трансформатора
оборудована системой автоматического тестового контроля и системой непрерывного
тестового контроля.
Упрощенная схема подключения защиты к защищаемому
трансформатору блока показана на рисунке 16.
Со стороны высшего напряжения защита подключается или к
трансформатору тока, встроенному в выводы высшего напряжения защищаемого
силового трансформатора (в том случае, если с этой стороны защищаемый
трансформатор подключается к сети через два выключателя), или к трансформатору
тока, установленному возле выключателя стороны высшего напряжения (если есть
встроенный в выключатель ТТ, то - к этому ТТ). Со стороны отпайки ТСН защита
подключается через два ТТ, как это показано на рис.18.
Рисунок 16 - Схема подключения дифференциальной защиты
трансформатора ДЗТ к измерительным трансформаторам
Вначале принимается решение по принципам исполнения основной схемы
защиты. Защита трехфазного силового трансформатора выполняется в соответствии с
рис.16, при этом со стороны высшего напряжения ТТ включаются по схеме
"треугольник", а с остальных сторон - по схеме "звезда".
В защите трехфазной группы однофазных трансформаторов со всех
сторон используются схемы соединения ТТ "звезда", при этом
трансформаторы тока стороны низшего напряжения устанавливаются в цепи обмоток
низшего напряжения внутри "треугольника" обмоток трехфазной группы
силовых трансформаторов.
Рассматриваемый трансформатор трёхфазный, поэтому на стороне НН
защита будет включаться на трансформаторы тока, установленные за пределами
"треугольника" и соединённые в "звезду".
Выбор трансформаторов тока
1. Расчет первичных номинальных токов сторон
защищаемого трансформатора.
кА
кА
кА
2. Выбор с учетом полученных номинальных первичных
токов и схем соединения ТТ коэффициентов трансформации ТТ сторон.
При этом на стороне 110 кВ можно выбрать ТТ как со вторичным
током в 1 А, так и в 5 А. в соответствии с формулами п.1 по SНОМ защищаемого
трансформатора.
На стороне 3 (рис.13) вначале ток рассчитывается в
соответствии с формулой п.1 по SНОМ трансформатора собственных нужд и по этому
току выбирается основной комплект ТТ, к которому будут подключены измерительные
приборы и защита ТСН.
Итак, для каждого из плеч выбираем ТТ, схему их соединения и
определяем вторичные номинальные токи плеч по формуле:
.
На стороне 1 (110 кВ) используем ТТ типа ТФЗМ-110Б-III-1000/5 с
коэффициентом трансформации nТТ=1000/5. Схема соединения обмоток "Δ". Вторичный ток на этой стороне:
А
На стороне 2 (генератор) - ТТ типа ТШЛ-20-У3 с коэффициентом
трансформации nТТ2=8000/5.
Схема соединения обмоток "звезда".
Вторичный ток на этой стороне:
А
На стороне 3 (ТСН) используем с коэффициентом трансформации
nТТ3=1000/5, схема соединения "звезда". Кроме того, необходимо
выбрать трансформатор тока типа ТК-120.
Коэффициент трансформации этого трансформатора должен быть выбран
таким образом, чтобы при КЗ на отпайке ТСН (и в нормальном режиме) вторичные
токи в плечах защиты уравновешивали друг друга.
А
Вторичный номинальный ток такого трансформатора равен 5 А. Первичный
номинальный ток этого трансформатора выбирается из стандартного ряда и взят 50
А, nТК=50/5.
Вторичный ток на этой стороне:
А.
3. Выбор выравнивающих трансформаторов во всех плечах
защиты.
Внутренние цепи устройства типа БЭ2104 рассчитаны на входные
номинальные токи в токовых цепях, равные 10 мА. Для выравнивания номинальных
токов в плечах защиты и трансформации их до необходимого значения 10 мА
используются выравнивающие трансформаторы.
Во всех плечах защиты по значениям вторичного тока выбираем
ответвления IОТВ выравнивающих трансформаторов тока для ДЗТ так, чтобы значению
IНОМ.В. J соответствовало ближайшее значение IОТВ. НОМ. (таблица 8)
Таблица 8 - Номинальные токи ответвлений выравнивающих
трансформаторов тока
|
Плечо
|
IНОМ.В. j, А
|
IОТВ. НОМ, А
|
DIОТВ.В. j,
|
|
Плечо 1 (ВН)
|
8.26
|
8,00
|
0,26
|
|
Плечи 2 (НН)
|
4.013
|
4,00
|
0.013
|
|
Плечи 3 (ТСН)
|
3.211
|
3.11
|
0.101
|
Ту сторону (плечо защиты), для которой погрешность выбора
выравнивающих трансформаторов минимальна, будем считать основной, и все токи
небаланса, срабатывания защиты и т.д. будем дальше приводить к напряжению
основной стороны.
За основную сторону принимаем сторону низкого напряжения, так
как её вторичный ток в плече ближе к номинальному значению ответвления ТL.
На стороне 2 (основной) используем номинальный ток
ответвления 4 А.
Выбираем ответвления выравнивающих трансформаторов для
неосновных сторон IОТВ. НОМ2 и IОТВ. НОМ3, исходя из выбранного ответвления TL
для основной стороны IОТВ. НОМ. ОСН и номинальных вторичных токов в плечах
защит на неосновных сторонах по выражению:
Сторона 1:
,
принимаем ближайшее
А
Сторона 3:
А
кА
4. Определение тока начала торможения.
Ток начала торможения в рассматриваемом случае принимается
равным 1,25IСЗmin от номинального первичного тока защищаемого трансформатора,
приведенного к основной стороне.
Установка тока начала торможения IТОРМ. НАЧ* по отношению к
номинальному току IОТВ. НЕОСН. J принятого ответвления выравнивающего
трансформатора ТL выполняется равной IТОРМ. НАЧ*=1,25 и не регулируется.
Торможение осуществляется от токов всех групп ТТ, к которым подключается
рассматриваемая дифференциальная защита трансформатора. При такой установке
тока "начала торможения" и принятых ответвлениях TL при токах,
меньших начального первичного тока торможения IТОРМ. НАЧ. ПЕРВ, обеспечивается
отсутствие торможения.
Все величины, входящие в это выражение, принимаем для стороны,
обуславливающей наибольшее загрубление защиты (выбираю сторону ВН).
А, где
КI=1000/5 - коэффициент трансформации трансформатора тока
рассматриваемого плеча защиты,ОТВ. НОМ. =8 А - принятое значение первичного
тока выравнивающего трансформатора рассматриваемого плеча защиты,
КСХ=
- коэффициент схемы для принятой группы
трансформаторов на рассматриваемой стороне.
Приведем начальный первичный ток торможения к основной стороне:
А
Первичный ток небаланса в режиме, соответствующем "началу
торможения" IНБ. НАЧ. ТОРМ. содержит три составляющие:
А
”НБ. НАЧ. ТОРМ= 0 А - ток, обусловленный регулированием напряжения
в блоке, равен нулю, т.к. в блочных трансформаторах не применяется РПН.
В третьей составляющей небаланса учитывается неточность выбора
токов выравнивающих трансформаторов тока только для неосновных сторон защиты.
Поэтому в следующей формуле записываются только две составляющие, а защита
имеет три плеча.
КТОК. ГЕН=0.9 - Коэффициент для цепи трансформатора.
КТОК. ТСН=0,1 - Коэффициент для цепи ТСН, равный
, причем соответствующая составляющая
принимается с минусом так как в данном режиме оставшаяся часть мощности
генератора вытекает из зоны защиты в систему.
А
) Определение первичного минимального тока срабатывания защиты (её
чувствительного органа) по следующим условиям:
отстройка от броска тока намагничивания защищаемого
трансформатора:
, где
К=1,65 при соединении групп ТТ к которым подключается
рассматриваемая защита на высокой стороне, в "треугольник",НОМ.П. -
первичный номинальный ток защищаемого трансформатора, приведенный к основной
стороне защиты.
А
отстройка от тока небаланса "начала торможения":
А
В качестве расчетного значения принимаем большее из двух
рассчитанных выше значений, т.е.2119,26А.
Определим относительный минимальный ток срабатывания ИО защиты при
отсутствии торможения по выражению:
|
Сторона
|
IНОМ. ОТВ. J, А
|
|
ВН
|
|
|
НН (генератор)
|

|
|
ТСН
|
|
Принятая установка минимального тока срабатывания ИО защиты
IСЗ. МИН. (ПР) должна быть ближайшей большей. Принимаем IСЗ. МИН. (ПР) =0,35
(0,2+0,1+0,05).
Соответствующее IСЗ. МИН. (ПР) принятое значение первичного
минимального тока:
) Выбор коэффициента торможения защиты Кm.
Для того чтобы обеспечить несрабатывание защиты в режимах внешних
КЗ и при асинхронном ходе необходимо правильно выбрать установку коэффициента
торможения защиты Кm.
Для дальнейших расчетов определим первичный максимальный ток,
проходящий через трансформатор при внешнем КЗ и качаниях и соответствующий
большему из них максимальный расчетный ток небаланса IНБ. РАСЧ. П.
КЗ на стороне НН трансформатора:
· Ток КЗ со стороны генератора:
кА
· Ток КЗ со стороны системы:
кА.
Ток трехфазного КЗ на стороне ВН:
Ток трехфазного КЗ через трансформатор, приведенный к стороне НН:
кА.
Определим первичный максимальный ток, проходящий через защищаемый
трансформатор при качаниях.
Ток качаний, приведенный к стороне ВН:
кА.
Максимальный ток, протекающий через обмотки трансформатора, будет
в режиме КЗ на выводах генератора: IMAX=47.454 кА.
Расчетный максимальный первичный ток небаланса IНБ. РАСЧ. П при
расчетном внешнем КЗ или качаниях может быть рассчитан по выражению:
Коэффициент торможения КТОРМ, удовлетворяющий указанному условию,
определяется, исходя из характеристики срабатывания ИО защит:
, где
КОТС=1,5 - коэффициент отстройки;
Все первичные значения токов (минимального тока срабатывания
защиты и тока начала торможения) приведены к основной стороне, т.е. НН.
Полученное значение установки по коэффициенту торможения округлим
до ближайшего большего значения, т.е.:
КТОРМ=0,5.
Проверим коэффициент торможения при КЗ на ТСН.
Ток в защите со стороны ВН:
кА
Ток в защите со стороны генератора:
кА
Суммарный ток протекающий к месту КЗ:
кА
Ток небаланса:
Коэффициент торможения равен:
Полученное значение установки по коэффициенту торможения округлим
до ближайшего большего значения, т.е.: КТОРМ=0,5.
Из двух полученных значений коэффициента торможения принимаем в
качестве установки на устройстве защиты большее значение, т.е. КТОРМ=0,5.
Расчет тока срабатывания отсечки:
Первичный ток срабатывания отсечки определяется отстройкой от
броска намагничивающего тока (
) и отстройкой от максимального первичного тока небаланса IНБ.
РАСЧ. П.:
А
Проверка отстройки от максимального первичного тока небаланса при
КЗ на выводах ТСН:
Чувствительность защиты обычно не проверяется поскольку при токе
срабатывания порядка
защищаемого трансформатора она
гарантирована.
Схема защиты.
Схема токовых цепей дифференциальной защиты трансформатора
приведена на рис.14.
Рисунок 17 - Схема токовых цепей дифференциальной защиты
трансформатора.
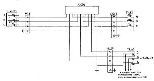
На рис. 17 AKD2 - устройство типа БЭ2104; SG8, SG10, SG11 -
испытательные блоки. Выравнивающие трансформаторы на рисунке не показаны;
предполагается, что они входят в состав блока AKD2.
3.14
Резервная дифференциальная защита блока (БЭ-2104)
для защиты выбираются трансформаторы тока, установленные
возле выключателей стороны высшего напряжения (или встроенные в них, если такие
имеются), и комплект ТТ в нейтрали генератора;
зона защиты включает в себя ошиновку стороны высшего
напряжения, трансформатор блока и генератор;
в цепи трансформатора собственных нужд установка
трансформаторов тока, используемых в защите блока, обычно не предусматривается.
При КЗ на генераторе могут одновременно подействовать его
собственная дифференциальная защита и резервная дифференциальная защита блока.
Отключать блок целиком в рассматриваемом режиме не следует. Надо отключить
только генератор, а собственные нужды оставить в работе. Для этого в резервной
дифференциальной защите предусматривается выдержка времени порядка 0,3-0,4с.
Расчет установок защиты ведется аналогично расчету установок
дифференциальной защиты трансформатора:
· Выбираются основные трансформаторы тока
всех плеч защиты и схемы их соединения;
· Рассчитываются их вторичные номинальные
токи;
· Выбираются выравнивающие трансформаторы
тока;
· Определяется минимальный ток срабатывания
защиты;
· В случае необходимости уточняется схема
расстановки трансформаторов тока (может появиться необходимость установить ТТ в
цепи отпайки ТСН) и повторяются предыдущие расчеты;
· Рассчитывается ток срабатывания отсечки.
Схема защиты приведена на рисунке 18.
Рисунок 18 - Схема токовых цепей дифференциальной защиты
блока.
На рисунке 18 АКD1 - устройство типа БЭ2104, SG8, SG10, SG11
= испытательные блоки; TLA1, TLA2, TLA3 - выравнивающие трансформаторы.
Произведем расчет дифференциальной защиты на двух плечах (без
ТСН):
1. Расчет первичных номинальных токов сторон защищаемого
трансформатора.
кА,
кА.
. Выбор с учетом полученных номинальных первичных токов и схем
соединения ТТ коэффициентов трансформации ТТ сторон.
Итак, для каждого из плеч выбираем ТТ, схему их соединения и
определяем вторичные номинальные токи плеч по формуле:
.
На стороне 1 (220 кВ) выбираем ТВ-220-I-600/5 с коэффициентом
трансформации nТТ=600/5. Схема соединения обмоток "Δ". Вторичный ток на этой стороне:
А
На стороне 2 (генератор) - ТТ типа ТВГ-24-I-У3 с коэффициентом
трансформации nТТ2=10000/5. Схема соединения обмоток "звезда".
Вторичный ток на этой стороне:
кА,
3. Выбор выравнивающих трансформаторов во всех
плечах защиты.
Во всех плечах защиты по значениям вторичного тока выбираем
ответвления IОТВ выравнивающих трансформаторов тока для ДЗТ так, чтобы значению
соответствовало ближайшее большее
значение IОТВ. НОМ (таблица 9).
Таблица 9 - Номинальные токи ответвлений выравнивающих
трансформаторов тока
|
Плечо
|
IНОМ.В. j, А
|
IОТВ. НОМ, А
|
DIОТВ.В. j, %
|
|
Плечи 1
|
8,603
|
8,63
|
0,31
|
|
Плечи 2
|
4,582
|
4,75
|
3,66
|
Плечо 1 защиты (на стороне 220 кВ), для которого погрешность
выбора выравнивающего трансформатора оказалась минимальна, будем считать
основным, и все токи небаланса, срабатывания защиты и т.д. будем дальше
приводить к напряжению этого плеча.
На стороне 1 (основной) используем номинальный ток
ответвления 8,63 А.
Пересчитываем ток неосновной стороны с учётом неточного
выбора выравнивающих трансформаторов основной стороны по выражению
Сторона 2:
А,
Принимаем
А
. Первичное значение тока начала торможения:
.
Ток небаланса, обусловленный погрешностью трансформаторов тока:
.
Ток небаланса
, обусловленный регулированием напряжения в блоке, равен нулю.
Ток небаланса, обусловленный неточностью выбора токов
выравнивающих трансформаторов:
где коэффициенты токораспределения:
(так как в укрупнённом блоке два генератора).
Первичный ток небаланса в режиме, соответствующем "началу
торможения”:
.
Определим первичный минимальный ток срабатывания защиты (ее
чувствительного органа) по следующим условиям:
по условию отстройки от тока небаланса "начала торможения”:
,
где
- коэффициент отстройки.
по условию отстройки от броска тока намагничивания при включении
ненагруженного трансформатора под напряжение:
,
где К=1,7 при соединении группы ТТ стороны ВН, к которой
подключается рассматриваемая защита, в "треугольник",
- номинальный ток трансформатора.
Проверим, является ли защита отстроенной от КЗ за трансформатором
собственных нужд. Минимальный ток срабатывания защиты по этому условию:
где
величина тока КЗ за ТСН.
Отстройка от тока КЗ за ТСН приводит к загрублению защиты, поэтому
принимаем решение подключать защиту к трансформаторам тока в цепях ТСН (т.к.
.) аналогично рис.16. Теперь условие
отстройки от тока КЗ за ТСН можно не учитывать, зато при расчете коэффициента
торможения защиты придется в качестве одного из внешних КЗ рассмотреть короткое
замыкание на отпайке ТСН.
Т.к. параметры всех приборов и схемы их соединения при расчете
минимального тока срабатывания полностью совпадают с параметрами при расчете
диф. защиты трансформатора, то принимаем IСЗ. МИН*. (ПР) =0,35,
А. Выбор коэффициента торможения защиты
Кm.
Для того чтобы обеспечить несрабатывание защиты в режимах внешних
КЗ и при асинхронном ходе необходимо правильно выбрать установку коэффициента
торможения защиты Кm.
Для дальнейших расчетов определим первичный максимальный ток,
проходящий через трансформатор при внешнем КЗ и качаниях и соответствующий
большему из них максимальный расчетный ток небаланса IНБ. РАСЧ. П.
Ток трехфазного КЗ на стороне ВН:
Ток трехфазного КЗ через трансформатор, приведенный к стороне ВН:
IКЗ. ТР=2,228 кА.
Определим первичный максимальный ток, проходящий через защищаемый
трансформатор при качаниях.
Ток качаний, приведенный к стороне ВН:
кА.
Максимальный ток, протекающий через обмотки трансформатора, будет
в режиме КЗ на выводах генератора: IMAX=3,14 кА.
Расчетный максимальный первичный ток небаланса IНБ. РАСЧ. П при
расчетном внешнем КЗ или качаниях может быть рассчитан по выражению:
Коэффициент торможения КТОРМ, удовлетворяющий указанному условию,
определяется, исходя из характеристики срабатывания ИО защит:
, где
КОТС=1,5 - коэффициент отстройки;
Все первичные значения токов (минимального тока срабатывания
защиты и тока начала торможения) приведены к основной стороне, т.е. ВН.
Полученное значение установки по коэффициенту торможения округлим
до ближайшего большего значения, т.е.:
КТОРМ=0,7.
Проверим коэффициент торможения при КЗ на ТСН.
Ток в защите со стороны ВН:
кА (приведен к основной стороне, т.е. ВН). Ток в защите со
стороны генератора:
кА
Суммарный ток протекающий к месту КЗ:
кА
Ток небаланса:
Коэффициент торможения равен:
Полученное значение установки по коэффициенту торможения округлим
до ближайшего большего значения, т.е.: КТОРМ=0,5.
Из двух полученных значений коэффициента торможения принимаем в
качестве установки на устройстве защиты большее значение, т.е. КТОРМ=0,7.
Расчет тока срабатывания отсечки:
Первичный ток срабатывания отсечки определяется отстройкой от
броска намагничивающего тока (
) и отстройкой от максимального первичного тока небаланса IНБ.
РАСЧ. П.:
А
Проверка отстройки от максимального первичного тока небаланса при
качаниях:
Неравенство выполняется, то есть обеспечивается правильное
действие отсечки при внешних КЗ и качаниях.
Чувствительность защиты обычно не проверяется поскольку при токе
срабатывания порядка
защищаемого трансформатора она
гарантирована.
Приложение: Параметры срабатывания защит
Поперечная дифференциальная защита генератора (РТ-40/Ф):
первичный ток срабатывания защиты
;
ток установки реле
.
Продольная дифференциальная токовая защита генератора (ДЗТ-11/5):
минимальный ток срабатывания защиты
;
число витков тормозной обмотки
.
Дистанционная защита от внешних симметричных КЗ (БРЭ-2801):
сопротивление срабатывания (большая ось эллипса)
(в первичных величинах);
(установка реле);
коэффициент эллиптичности kЭ=0,5;
угол максимальной чувствительности
.
Защита от потери возбуждения (БРЭ-2801):
сопротивление срабатывания
(установка реле);
величина смещения
(установка реле);
коэффициент эллиптичности kЭ=1,0;
угол максимальной чувствительности
.
Продольная дифференциальная защита трансформатора (БЭ-2104):
ток начала торможения
;
минимальный ток срабатывания защиты
;
коэффициент торможения
;
ток срабатывания отсечки
.
Резервная дифференциальная защита блока (БЭ-2104):
ток начала торможения
;
минимальный ток срабатывания защиты
;
коэффициент торможения
;
ток срабатывания отсечки
.
Заключение
В ходе работы рассмотрены принципы исполнения всех основных
защит блока, подключенному к РУ-220 кВ. Рассчитаны установки поперечной
дифференциальной защиты генератора (РТ-40/Ф), продольной дифференциальной
токовой защиты генератора (ДЗТ-11/5), дистанционной защиты от внешних
симметричных КЗ (БРЭ-2801), защиты от потери возбуждения (БРЭ-2801), продольной
дифференциальной защиты трансформатора (БЭ-2104), резервной дифференциальной
защиты блока (БЭ-2104.
Результатом расчетов стало полноценная защита блока генератор-трансформатор,
что и требовалось выполнить в данной работе.
Список
использованных источников
1. Шалин
А. И, Кондранина Е.А. Расчёт уставок релейной защиты блока
турбогенератор-трансформатор. - Новосибирск: изд-во НГТУ, 2007. - 100 с.
2. Неклепаев
Б.Н., Крючков И.П. - Электрическая часть электростанций и подстанций:
справочные материалы для курсового и дипломного проектирования: Учеб. Пособие
для вузов. - 4-е изд., перераб. И доп. - М.: Энергоатомиздат, 1989.
. Вавин
В.Н. Релейная защита блоков турбогенератор-трансформатор. - М.: Энергоиздат,
1982. - 256 с., ил.