Расчет электрических фильтров
Содержание
Задание курсовой работы
Выполнение курсовой работы
Задание №1
Задание №2
Задание №3
Список литературы
Задание курсовой работы
1. Рассчитать двусторонне
нагруженный реактивный фильтр ФНЧ Баттерворта по данным, в полосе пропускания
ослабление
не должно превышать
, а при
частоте
и более
высоких, ослабление должно быть не менее
. Сопротивление генератора и
нагрузки одинаковы
.
Исходные данные.
Требуется рассчитать:
а) порядок фильтра n.
б) записать выражение передаточной
функции H(s).
в) найти нормированные элементы
фильтра.
г) начертить схему фильтра.
д) вычислить номинальные (истинные)
элементы фильтра.
е) рассчитать ослабление при
частотах
ж) начертить график зависимости
ослабления от частоты.
. Рассчитать симметричный полосовой
реактивный фильтр Чебышева, нагруженный двухсторонне, по данным:
известны граница полосы пропускания
- верхняя
ослабление в этой полосе должно быть
не более
при частоте
ослабление
должно быть не менее
сопротивление нагрузок фильтра
Требуется рассчитать:) рассчитать
порядок фильтра n
б) найти нормированные элементы
низкочастотного прототипа
в) с помощью частотного
преобразования найти элементы полосового фильтра
г) начертить схему фильтра
д) найти истинные значения элементов
фильтра
е) рассчитать ослабление при
частотах
ж) начертить кривую ослабления в
зависимости от частоты
. Рассчитать активный RC фильтр
нижних частот с равноволновой характеристикой ослабления (фильтр Чебышева).
Исходные данные.
- максимально допустимая величина
ослабления в рабочей полосе пропускания
- граничная частота рабочей полосы
задерживания
- минимальное значение допустимого
ослабления в полосе задерживания
- граничная частота полосы
задерживания
- коэффициент усиления фильтра
Требуется определить:
) порядок фильтра n, число звеньев
второго и первого порядка
) выражения каждого звена
передаточной функции и всего фильтра
) добротность каждого звена фильтра
второго порядка и качественно построить график АЧХ каждого звена
) начертить схему фильтра и
рассчитать значения резистивных сопротивлений и емкостей каждого звена
) рассчитать собственную частоту и
добротность каждого звена фильтра
) начертить качественно графики
ослабления в функции частоты
Выполнение курсовой работы
Задание №1
a) Расчет порядка фильтра
Вычисляем нормированную частоту
По формуле
определим
порядок фильтра.
Т.к. порядок фильтра должен быть целым числом,
берем
,
т.е. надо рассчитать фильтр четвертого порядка.
б) Определение передаточной функции H(s)
Определение корней характеристического уравнения
- коэффициент
неравномерности
Выбираем корни с отрицательной реальной
составляющей в порядке убывания мнимой части.
В матрицу столбец sB размером 8 записываем
значения корней:
Определение коэффициентов полинома знаменателя
передаточной функции H(s) по его корням
Обозначим рабочую передаточную функцию:
(s)
- полином чётной степени (для ФНЧ - нулевой: w(s) = const)
h(s) - полином Гурвица
Вычислим знаменатель передаточной функции:

Рассчитаем коэффициенты:
Полином числителя четной степени
в) Определение нормированных параметров
элементов
Определение функции входного сопротивления
нормированной схемы фильтра
Функция фильтрации
Поскольку порядок ФНЧ Баттерворта в общем случае
может быть больше 4, запишем полином знаменателя порядка = 8. Неиспользуемые
коэффициенты равны 0.
Полином Гурвица h(s):
Для фильтра 4 порядка:
Вычисляем нормированное входное сопротивление:
- нормированное
значение внутреннего сопротивления генератора.
Определение нормированных параметров элементов
фильтра
Нормированные параметры элементов ФНЧ, начиная с
реактивного элемента, подключенному к генератору, и заканчивая нормированным
параметром сопротивления нагрузки.
г, д) Схема с нормированными параметрами элементов.
Денормирование параметров элементов.
В результате вычислений получены нормированные
параметры элементов схемы (рис.1). К входным зажимам этой схемы могут быть
подключены источники напряжения или тока.
Денормируя элементы схемы на рис.1
вычисляем истинные значения параметров:
Коэффициенты денормирования:
е, ж) Расчет характеристики рабочего
ослабления. Графики
Нормированная характеристика:
)
Денормированная характеристика:
График зависимости рабочего
ослабления от частоты
Задание №2
) Расчет порядка фильтра
- полоса
пропускания
- средняя частота
полосы пропускания
Гц
Гц
Гц - средняя
частота полосы пропускания
Нижняя граничная частота полосы не пропускания:
Гц
С помощью частотного преобразования элементов и
характеристик ПФ пересчитаем его в фильтр - прототип НЧ. Коэффициент
преобразования ширины полосы пропускания ПФ в фильтр - прототип НЧ:
Нормированная частота ФПНЧ:
Порядок фильтра - прототипа n:
Округляем полученное значение до большего
целого:
б) Определение нормированных элементов
низкочастотного прототипа
Определение корней характеристического уравнения
Выбираем корни с отрицательной реальной
составляющей в порядке убывания мнимой части
В матрицу столбец sChA размером 10 записываем
значения корней:
Определение коэффициентов полинома знаменателя
передаточной функции H(s) по его корням
- передаточная
функция
(s) - полином четной степени(s) - полином
Гурвица
Рассчитаем коэффициенты:
0.988
фильтр частота равноволновой
задерживание
Определение функции входного сопротивления
нормированной схемы ФНЧ прототипа.
Функция фильтрации:
- для ФНЧ
- полином Чебышева
Вычислим полином Чебышева по рекуррентной
формуле.
Тогда полином третьей степени равен:
Функция фильтрации для ФНЧ Чебышева 3 порядка:
Поскольку порядок ФНЧ Чебышева в общем случае
может быть больше 3, запишем полином знаменателя порядка 10. Неиспользуемые
коэффициенты равны 0.
Полином Гурвица:
Для фильтрации 3-го порядка:
Вычисляем нормированное входное сопротивление по
формуле, где
- нормированное
значение внутреннего сопротивления генератора:
- полином
числителя
- полином
знаменателя
Определение нормированных параметров элементов
ФНЧ прототипа
− это
нормированные параметры элементов ФНЧ, начиная с реактивного элемента,
подключенного к генератору, и заканчивая нормированным параметром сопротивления
нагрузки.
Схема с нормированными параметрами элементов ФНЧ
прототипа
в) Определение нормированных параметров
элементов ПФ с помощью частотного преобразования
Нормированные параметры элементов:
г) Схема ПФ
д) Расчет истинных значений элементов
фильтра
Коэффициенты денормирования:
е, ж) Расчет ослабление при частотах
График
зависимости ослабления от частоты
Рис.3
Задание №3
) Расчет порядка фильтра
Округляем результат до большего целого:
.
Т.к. расчет для расчета фильтра используются
звенья первого и второго порядков, то фильтр будет состоять из одного звена
второго порядка и одного звена первого порядка.
Коэффициенты усиления разобьем между звеньями:
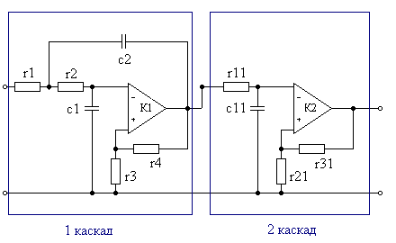
Схема предоставлена на рис. 1
Рис.1
2) Определить выражения каждого звена
передаточной функции и всего фильтра.
По таблице 12 [1] при
и
находим:
− для звена
второго порядка
− для звена
первого порядка
Передаточная функция для звена второго порядка
имеет вид:
Передаточная функция для звена первого порядка
имеет вид:
Передаточная функция всего звена имеет вид:
Передаточная функция для звена второго порядка
при
Передаточная функция для звена первого порядка
при
Частота среза ФНЧ:
) Определить добротность каждого звена
фильтра второго порядка и качественно построить график АЧХ каждого звена
) Начертить схему фильтра и рассчитать
значения резистивных сопротивлений и емкостей каждого звена
Рис.2 Схема фильтра
Параметры элементов первого звена второго
порядка находим по формулам (41) и (42) [1]:
мкФ
Пусть
Ф
Ом
Ом
Ом
Ом
Параметры элементов второго звена первого
порядка находим по формулам (45) и (46) [1]:
Ом
Ом
Ом
) Рассчитать собственную частоту и
добротность каждого звена фильтра
Добротность звена второго порядка:
Собственная частота рассчитывается по формуле
(48) [1]:
Гц
Гц
) Графики ослабления в функции частоты
Зная передаточные функции каждого звена, можно
найти функции рабочего ослабления каждого звена:
дБ
Список литературы
1.Задания
на курсовую работу и методические указания к ним по курсу ТЭЦ по теме
"Расчет электрических фильтров", Москва 2008.
.
М.Р. Шебес, М.В.Каблукова Задачник по теории линейных электрических цепей,
Москва, "Высшая школа", 1990.
.
А.Ф. Белецкий Теория линейных электрических цепей, Москва "Радио и
связь", 1986.