Применение пакета MathCad для исследования критических нагрузок на балку

  • Вид работы:
    Курсовая работа (т)
  • Предмет:
    Менеджмент
  • Язык:
    Русский
    ,
    Формат файла:
    MS Word
    54,98 Кб
  • Опубликовано:
    2012-11-18
Вы можете узнать стоимость помощи в написании студенческой работы.
Помощь в написании работы, которую точно примут!

Применение пакета MathCad для исследования критических нагрузок на балку

Содержание

Введение

. Моделирование технических объектов, понятие и свойства моделей

. Алгоритмический анализ задачи

.1 Постановка задачи

.2 Описание математической модели

. Описание документа MathCAD

.1 Описание исследований по модели

.2 Описание результатов исследований, выводы

.3 Описание структуры Web-сайта

Заключение

Список использованной литературы

Введение

Войти в XXI век образованным человеком можно, только хорошо владея информационными технологиями. Ведь деятельность людей все в большей степени зависит от их информированности, способности эффективно использовать информацию. Для свободной ориентации в информационных потоках современный специалист любого профиля должен уметь получать, обрабатывать и использовать информацию с помощью компьютеров, телекоммуникаций и других средств связи. Об информации начинают говорить как о стратегическом курсе общества, как о ресурсе, определяющем уровень развития государства. Информатизация обеспечит переход общества от индустриального типа развития к информационному. Информационный рынок предоставит потребителям все необходимые информационные продукты и услуги, а их производство обеспечит индустрия информатики, часто называемая информационной индустрией. Все эти вопросы сейчас активно обсуждаются в печати, хотя до сих пор нет единого мнения относительно путей развития, понимания приоритетности того или иного направления, формулировок и понятий и т.п.

Основной дисциплиной непосредственно связанной с применением ЭВМ является вычислительная математика. Начался период бурного развития численных методов и их внедрения в практику. Только вычислительной машине под силу выполнить за сравнительно короткое время объём вычислений в миллионы, миллиарды и более операций, необходимых для решения многих современных задач. Численные методы разрабатывают и исследуют высококвалифицированные специалисты математики.

Что касается большей части студентов не математических специальностей и инженерно-технических работников, то для них главной задачей является понимание основных идей методов решения математических задач, особенностей и областей их применения.

В системе высшего технического образования действует многоуровневая иерархическая система, основанная на том, что знания студента по общетехническим дисциплинам, как правило, реализуются в практические навыки опосредованно, то есть через дисциплины специального цикла, базирующиеся на общетехнических. Информатика - одна из немногих общетехнических дисциплин, развивающая такие практические навыки, которые востребуются напрямую и немедленно, сразу после включения молодого специалиста в профессиональную деятельность.

1. Моделирование технических объектов, понятие и свойства моделей

Модель - это физический или абстрактный образ объекта, удобный для проведения исследований и позволяющий адекватно отображать интересующие исследователя физические свойства и характеристики объекта.

Моделирование - это процесс замещения объекта исследования некоторой его моделью и проведение исследований на модели с целью получения необходимой информации об объекте.

Математические модели классифицируются:

по форме представления: инвариантные (представляют собой систему уравнений вне связи с методом решения), алгоритмические (модели связаны с выбранным численным методом решения и его реализацией в виде алгоритма), аналитические (отображаются явными зависимостями переменных), графические (схемные);

по степени абстрагирования: модели микро-уровня, с распределенными параметрами, модели макро-уровня с сосредоточенными параметрами, модели мега-уровня;

по характеру отображаемых свойств: функциональные (описывают процессы функционирования объектов), структурные (отображают только структуру и используются при решении задач структурного синтеза);

по способу получения: теоретические, экспериментальные;

по учету физических свойств: динамические, статические, непрерывные, дискретные, линейные, нелинейные;

по способности прогнозировать результаты: детерминированные, вероятностные.

Различают предметное и абстрактное моделирование:

При предметном моделировании строят физическую модель, которая соответствующим образом отображает основные физические свойства и характеристики моделируемого объекта. При этом модель может иметь иную физическую природу по сравнению с объектом. Если физическая природа модели и объекта совпадают, то модели называются физическими.

При абстрактном моделировании строится абстрактная модель. Наиболее мощным средством построения абстрактных моделей является математическое моделирование. Оно позволяет посредством известных математических функций, символов и зависимостей описать функционирование технического объекта во внешней среде.

Математическая модель - совокупность математических объектов и отношений между ними, адекватно отображающих физические свойства объекта.

Математическое моделирование - это процесс формирования модели и использования ее для анализа и синтеза.

Модель считается адекватной, если отражает исследуемые свойства с приемлемой точностью, которая оценивается степенью совпадения предсказанного в процессе эксперимента на модели значений выходных параметров с истинными значениями.

При проектировании технических объектов используют множество видов математических моделей, в зависимости от уровня иерархии, степени декомпозиции системы, аспекта, стадии и этапа проектирования.

На любом уровне иерархии объект проектирования представляют в виде некоторой системы, состоящей из элементов. В этой связи различают математические модели элементов и систем.

В общем случае уравнения математической модели связывают физические величины, которые характеризуют состояние объекта и не относятся к перечисленным выше выходным, внутренним и внешним параметрам. Такими величинами являются: скорости и силы - в механических системах; расходы и давления - в гидравлических и пневматических системах; температуры и тепловые потоки - в тепловых системах; токи и напряжения - в электрических системах.

Величины, характеризующие состояние технического объекта в процессе его функционирования, называют фазовыми переменными (фазовыми координатами). Вектор фазовых переменных задает точку в пространстве, называемом фазовым пространством. Фазовое пространство, в отличие от геометрического, многомерное. Его размерность определяется количеством используемых фазовых координат.

Математические модели технических объектов, используемые при проектировании, предназначены для анализа процессов функционирования объектов и оценки их выходных параметров. Они должны отображать физические свойства объектов, существенные для решения конкретных задач проектирования. При этом математическая модель должна быть как можно проще, но в то же время обеспечивать адекватное описание анализируемого процесса. К математическим моделям предъявляются требования адекватности, экономичности, универсальности. Эти требования противоречивы, поэтому обычно для проектирования каждого объекта используют свою оригинальную модель.

Аналитическая модель представляет собой явные зависимости искомых переменных от заданных величин (обычно зависимости выходных параметров объекта от внутренних и внешних параметров). Такие модели получают на основе физических законов, либо в результате прямого интегрирования исходных дифференциальных уравнений, используя табличные интегралы. К ним относятся также регрессионные модели, получаемые на основе результатов эксперимента.

Графическая модель представляется в виде графов, эквивалентных схем, динамических моделей, диаграмм и т.п. Для использования графических моделей должно существовать правило однозначного соответствия условных изображений элементов графической и компонентов инвариантной математических моделей.

Функциональные модели описывают процессы функционирования технических объектов и имеют форму систем уравнений.

Структурные модели отображают только структуру объектов и используются при решении задач структурного синтеза. Параметрами структурных моделей являются признаки функциональных или конструктивных элементов, из которых состоит технический объект и по которым один вариант структуры объекта отличается от другого. Эти параметры называют морфологическими переменными. Структурные модели имеют форму таблиц, матриц и графов. Наиболее перспективно применение древовидных графов типа И-ИЛИ-дерева. Они позволяют аккумулировать накопленный опыт, используя описания всех существующих аналогов, известных из патентной литературы, и гипотетических объектов. Такие модели наиболее широко используют на уровне при выборе технического решения.

Линейные модели содержат только линейные функции фазовых переменных и их производных. Характеристики многих элементов реальных технических объектов нелинейные. Математические модели таких объектов включают нелинейные функции фазовых переменных и (или) их производных и относятся к нелинейным.

Теоретические модели получают на основе описания физических процессов функционирования объекта, а экспериментальные - на основе изучения поведения объекта во внешней среде, рассматривая его как кибернетический "черный ящик". Эксперименты при этом могут быть физические (на техническом объекте или его физической модели) или вычислительные (на теоретической математической модели).

При построении теоретических моделей используют физический и формальный подходы:

Физический подход сводится к непосредственному применению физических законов для описания объектов, например, законов Ньютона, Гука, Кирхгофа, Фурье и др.

Формальный подход использует общие математические принципы и применяется при построении как теоретических, так и экспериментальных моделей.

2. Алгоритмический анализ задачи

.1 Постановка задачи

В курсовой работе необходимо:

С использованием системы MathCAD исследовать зависимость диаметра балки от Q1, максимального прогиба балки от P4. Построить графики этих зависимостей, изменяя последовательно Q1 и P4.

Определить численно опорную реакцию, используя функции MathCAD.

Построить эпюру поперечных сил и изгибающего момента.

Произвести расчет на прочность. Определить минимальный диаметр балки, используя характеристики материала;

Сделать выводы по полученным результатам.

2.2 Описание математической модели

Под действием внешних сил в сечении балки возникает осевой момент сопротивления, момент инерции, при этом точки оси перемещаются. Изогнутая ось балки называется упругой линией, а перемещение точек оси по нормали к ее недеформируемой оси есть прогиб балки. При этом длина оси остается неизменной.


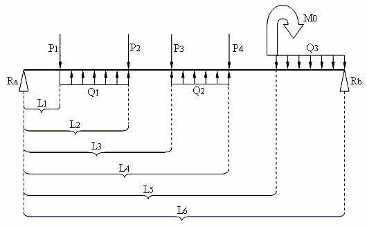
Исходными данными для работы являются:

 

Рис. 1

3. Описание документа MathCAD

Пакет MathCAD создан разработчиками для облегчения работы инженеров расчётчиков. Математические пакеты, в особенности MathCAD, позволяют специалистам в конкретной научно-технической области очень быстро освоить работу на компьютере и реализовать на них математические модели, не вдаваясь в тонкости программирования на традиционных языках.

Интегрированная система MathCAD предназначена для решения различного рода вычислительных задач, алгоритмы которых записываются в общепринятых математических терминах и обозначениях и позволяет:

выполнять вычисления арифметических выражения, которые могут содержать встроенные математические функции и функции пользователя;

решать нелинейные алгебраические и трансцендентные уравнения, а также систему уравнений и неравенств;

выполнять вычисление сумм, произведений определённых интегралов и производных в заданных точках;

выполнять построение графиков различных форматов включая поддержку линии сетки, выделение расчётных кочек различными символами, а также размещение в одной графической области нескольких графиков;

оформлять вычисления с единицами измерений;

осуществлять чтение и запись данных файлов и т.д.

3.1 Описание исследований по модели

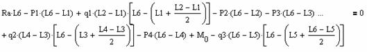
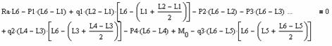
Составили уравнение равновесия опоры для определения реакции опоры:


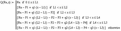
Определяем поперечную силу Q в зависимости координаты x:


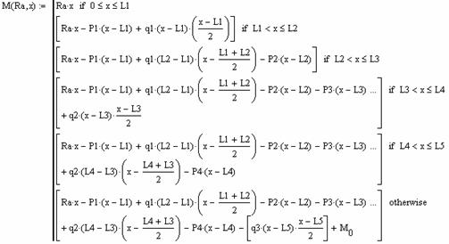
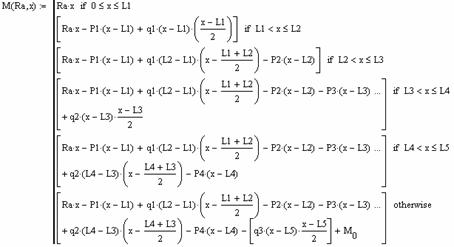
Определяем величину момента M в зависимости координаты x:


Строим эпюру поперечной нагрузки:

Рис. 2

Изменение величины момента в зависимости координаты x:

Рис. 3

При положительном изгибающем моменте верхние продольные слои материала испытывают сжатие, а нижние - растяжение.

Расчет на прочность.

Находим экстремальные значения изгибающего момента :


Минимальный осевой момент сопротивления сечения вычисляется по формуле:

Минимальный диаметр балки вычисляется по формуле:


Момент инерции вычисляется по формуле:

Реакция единичной нагрузки:


Реакция единичного момента:


Прогиб балки:


Угол поворота:

Максимальный прогиб и угол поворота балки:

Рис. 4

Для исследования зависимости диаметра балки от силы Q1, постепенно увеличиваем нагрузку:

Рис. 5

Изменяя силу P4, исследуем зависимость максимального прогиба балки от этой силы:

 

Рис. 6

3.2 Описание результатов исследований, выводы

Проделав большой объём работы можно сделать выводы по исследованиям:

В ходе исследования над данной моделью, был определен минимальный диаметр балки (d=0.16) при котором конструкция не была повреждена.

Определен максимальный прогиб балки, создаваемый приложенными к системе нагрузками.

Установлено, что с увеличением распределённой нагрузки Q1 минимальный диаметр балки увеличивается.

При увеличении силы P4 прогиб балки увеличивается.

моделирование балка сайт мathсad

3.3 Описание структуры Web-сайта

Wide Web (WWW) - одна из динамично развивающихся технологий Интернета. Суть WWW заключается в представлении информации в виде расположенных на различных компьютерах отдельных текстовых, графических и других файлов. Эти файлы объединены между собой гиперсвязями. Такую совокупность файлов (или объектов) будем интерпретировать как Web-документ. Web-документ состоит из отдельных Web-страниц. Несколько Web-документов располагаются на Web-сервере.

Поиск Web-документа и обращение к нему выполняется по специальному указателю (идентификатору) - URL (Uniform Resource Locator). Стандартный URL состоит их трех частей, определяющих протокол передачи информации, имя компьютера, на котором находится информация, и путь к ней. WWW предоставляет доступ к разнообразной информации.содержит информацию по всем сферам деятельности: погода, поиск работы, новости, спорт и т.д.

Для просмотра WWW-документов необходимо специальное программное обеспечение. Приложение, посредством которого выполняется просмотр WWW, называется WWW-браузером. Наиболее популярными являются Internet Explorer и Netscape Navigator. Помимо WWW‚ Web-браузеры допускают обращение к другим ресурсам Интернета.

Автономные Web-документы используют язык HTML. Гипертекст, то есть расширенный текст, включает дополнительные элементы: иллюстрации, ссылки, вставные объекты. Под разметкой понимается использование специальных кодов, легко отделяемых от смыслового содержания документа и используемых для реализации гипертекста. Применение этих кодов подчиняется строгим правилам, определяемым спецификацией языка HTML.

Особенность описания документа средствами языка HTML связана с принципиальной невозможностью достижения абсолютной точности воспроизведения исходного документа. Предполагается, что документ будет широко доступен в Интернете, и поэтому неизвестно, как будет организовано его воспроизведение. Документ может быть представлен на графическом экране, выведен в чисто текстовом виде или просто прочитан программой синтеза речи. Разметка HTML во всех этих случаях должна быть принята во внимание. Поэтому язык HTML предназначен не для форматирования документа, а для его функциональной разметки. Например, документы обычно начинаются с заголовков. Свойство части документа быть заголовком - это не особенность форматирования документа, а характеристика его содержания. Конкретное средство отображения документа (браузер) выбирает свой способ представления части документа, описанной как заголовок.

Все документы HTML имеют одну и ту же структуру, определяемую фиксированным набором тегов структуры. Документ HTML всегда должен начинаться с тега <HTML> и заканчиваться соответствующим закрывающим тегом </HTML. Внутри документа выделяются два основных раздела: раздел заголовков и тело документа, - идущих именно в таком порядке. Раздел заголовков содержит информацию, описывающую документ в целом, и ограничивается тегами <HEAD> и </HEAD>. В частности, раздел заголовков должен содержать общий заголовок документа, ограниченный парным тегом <TITLE>.

Основное содержание размещается в теле документа, которое ограничивается парным тегом <BODY>. Строго говоря, положение структурных тегов в документе нетрудно определить, даже если они опущены. Поэтому стандарт языка HTML требует только наличия тега <TITLE> (и, соответственно, </TITLE>). Тем не менее, при создании документа HTML допускать структурные теги не рекомендуется.

Простейший правильный документ HTML содержащий все теги, определяющие структуру, может выглядеть следующим образом:

<HTML>

<HEAD><TITLE>Заголовок документа</TITLE></HEAD>

<BODY>

Текст документа

</BODY>

</HTML>

Заключение

В ходе работы была построена и проанализирована математическая модель системы, к которой приложены критические нагрузки.

В курсовой работе для решения поставленных задач был использован математический пакет MathCAD. С его помощью построены эпюры (графики), которые изображают искомые зависимости, и найдены все необходимые параметры.

Таким образом, математическая модель может с успехом применяться на практике для решения различных задач в рассматриваемой предметной области и имеет большое значение в машиностроении и инженерном проектировании. Опираясь именно на результаты исследования, существует возможность создания надежной и прочной конструкции с минимальными затратами.

Список использованной литературы

2.       А.В. Дарков, Г.С. Шпиро «Сопротивление материалов» М.: Высшая школа, 1989 г.

.        Тарасик В.П. «Математическое моделирование технических систем». М.: Наука, 1998 г.

.        Фурунжиев К.М. Применение математических методов на ЭВМ. Мн.: Народная асвета, 1998 г.

.        Щербаков С.А. Моделирование решений технологических задач. Учебное пособие. Гомель, Ротапринт ГПИ, 1995 г.

Похожие работы на - Применение пакета MathCad для исследования критических нагрузок на балку

 

Не нашли материал для своей работы?
Поможем написать уникальную работу
Без плагиата!
Без нейросетей!