Построение передаточной функции АСУ
Курсовая
работа по моделированию систем и процессов
Оглавление:
Задание на
курсовую работу
Передаточная
функция разомкнутой системы
Построение
желаемой ЛАХ
Синтез
передаточной функции корректирующего звена
Построение
переходного процесса
Список
литературы
Задание на курсовую работу
Вариант 1.
Задана структурная схема автоматической системы управления ЛА в режиме
стабилизации и управления углом тангажа (рис. 1). Передаточные функции блоков
схемы:
Определить передаточную функцию корректирующего звена Wk3(р) так, чтобы система «ЛА-САУ» обладала следующими
свойствами и показателями качества:
· астатизмом I-го порядка;
· передаточным коэффициентом разомкнутой системы k = 10с-1;
· перерегулированием σmax% ≤ 30%;
· временем переходного процесса tp ≤ 2,5с.
Максимальное ускорение регулируемой величины должно быть не более 10 рад/с2
при начальном рассогласовании Δθ = 0,1 рад.
Построить переходной процесс скорректированной системы и показать, что
система «ЛА-САУ» удовлетворяет заданным требованиям.
Вариант значения параметров системы «ЛА-САУ»:
Значения параметров системы:
;
;
;
;
;
;
;
На
основе полученного вида
синтезировать корректирующее звено из
,
,
элементов.
1. Передаточная функция разомкнутой системы:
где
Откуда
передаточная функция разомкнутой нескорректированной САУ:
Построим ЛАХ неизменяемой части системы:
(0,06p+1)(0,03p+1)=0,021p
+0,41p+1
|
t
|
0
|
0,26
|
0,5
|
0,77
|
1,05
|
1,2
|
1,5
|
1,68
|
2,0
|
2,2
|
2,5
|
2,9
|
3,3
|
3,8
|
4,2
|
5,0
|
5,5
|
6,5
|
|
Y(t)
|
0.08
|
4
|
14
|
26
|
36
|
40
|
44
|
44,5
|
42,5
|
40
|
36
|
30
|
26
|
22,7
|
22
|
23,4
|
24,5
|
25,7
|
Определяем
частоты сопряжения асимптотической ЛАХ
:
;
;
; 
Добротность
системы по скорости при
равна
, где
25,2.
Наносим
первую асимптоту на график, т.е. через точку с координатами
,
проводим
прямую с наклоном 0 дБ/дек. Вторая асимптота
имеет
наклон +20 дБ/дек. Третья асимптота
имеет
наклон -20 дБ/дек. Четвертая асимптота
имеет
наклон - 40 дБ/дек. Пятая асимптота
имеет
наклон - 60 дБ/дек.
2. Построение желаемой ЛАХ
Среднечастотный
участок. Для заданного значения
, откуда частота среза для желаемой ЛАХ
. Так как при наличии начального рассогласования
, ускорения выходной координаты ограничивается
значением 10 рад/с
, то частота среза должна быть не более, чем
.
Следовательно,
частоту среза для желаемой ЛАХ выбираем в диапазоне:
.
Зададимся
. Определяем частоты, ограничивающие среднечастотную
асимптоту справа
и слева
. Хорошие
динамические свойства обеспечиваются в случае, если выполняются условия:
Среднечастотный
участок обычно равен как минимуму интервалу частот в одну декаду.
Низкочастотный
участок. Определяет точность работы САУ в установившемся режиме или ее статические
свойства.
Исходя
из требований к точности АС в установившемся режиме (заданного коэффициента
разомкнутой системы
), порядка астатизма
проводим
низкочастотную асимптоту желаемой ЛАХ
с
наклоном - 20 дБ/дек через точку с координатами
,
. Протяженность
устанавливаем,
исходя из необходимого запаса устойчивости по амплитуде
, т.е. не менее 13 дБ.
Среднечастотную
и низкочастотную части сопрягаем под наклоном -40 дБ/дек, т. е. таким образом,
чтобы было наименьшее число изломов асимптотической желаемой ЛАХ.
Высокочастотная
часть не влияет ни на устойчивость, ни на качество, поэтому ее проводим под
таким же наклоном, как и у неизменяемой системы. Таким образом, получаем
желаемую ЛАХ, передаточная функция которой имеет вид:
.
Далее,
определяем передаточную функцию замкнутой системы
и проверяем ее на устойчивость по критерию Гурвица.
.
Характеристическое
уравнение замкнутой системы имеет вид:
Тогда а0=10; a1=5,2; a2=0,722;
a3= 0,0483; a4= 0,000819. Для устойчивости системы необходимо и достаточно,
чтобы при аi > 0 все
определители Гурвица были больше 0. При положительности всех коэффициентов
характеристического уравнения для устойчивости системы требуется выполнение
условия:
a
(a
a
- a
a
) - а
∙а
> 0
0,15
> 0.
Следовательно, система устойчива.
3. Синтез передаточной функции корректирующего звена
Для
получения ЛАХ корректирующего звена необходимо графически вычесть из желаемой
ЛАХ
ЛАХ неизменяемой части
и далее
по точкам излома получаемой ЛАХ
определить
аналитическую зависимость и постоянные времени передаточной функции
.
Проведя эти операции, получаем
Разобьем эту передаточную функцию на две части:
;
.
Разобьем эту передаточную функцию на две части:
;
Но этим передаточным функциям производится подбор корректирующего звена
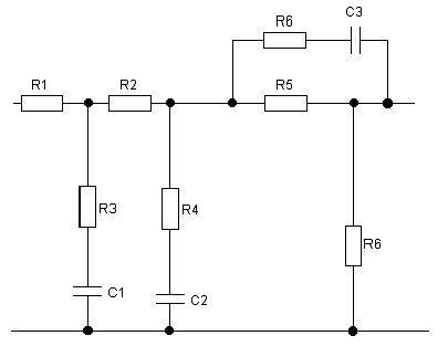
из R, L, С элементов по таблицам из [3]. Схема корректирующего звена:
;
;
;
;
;
;
.
4. Построение переходного процесса
Для построения переходного процесса воспользуемся программой расчета
реакции передаточной функции на единичный ступенчатый сигнал.
Для этого рассчитаем коэффициенты числителя и знаменателя передаточных
функций замкнутой не скорректированной и скорректированной системы.
Передаточная функция замкнутой не скорректированной системы:
отсюда b0 = 18,9; b1 = 31,56;0 = 19,9; a1 =
32,313; a2 = 0,49; a3 = 0,0437; a4 = 0,000888.
Передаточная функция замкнутой скорректированной системы:
отсюда b0 = 10; b1 = 6,5;
a0 = 10; a1 = 5,2; a2 =
0,722; a3 = 0,0483; a4 = 0,000819.
По
графикам переходных процессов для замкнутых скорректированной и не
скорректированной АС (рис. 3) определим
,
и сравниваем с заданными.
Скорректированная АС:
Не скорректированная АС: система неустойчива.
передаточный функция автоматический
Список литературы:
1. Глухов
В.В. Теория автоматического управления. Часть 1. РИО МИИГА, 1992 г.
2. Солодовников
В.В., Плотников В.Н., Яковлев А.В. Основы теории и элементы систем
автоматического регулирования. М.: Машиностроение, 1985. - 536 с.
. Теория
автоматического управления. Ч. I, Ч. 11. Под ред. акад. А.А. Воронова. - М:
Высшая школа, 1986. Учебное пособие.
. Иващенко
Н.Н. Автоматическое регулирование. Теория и элементы систем. - М.:
Машиностроение, 1978,- 736 с.
. Задачник
по теории автоматического управления. Под ред. Л.С. Шаталого. - М.: Энергия,
1977. -340 с.