|
Наименование
механизма
|
Расчётные
показатели
|
Режим
работы
|
|
ПВ%
|
Кгр
|
Квр.сут
|
Квр.год
|
ГГТН
|
ГОСТ
|
|
Подъёма
|
42
|
0,83
|
0,54
|
0,38
|
Т
|
М5
|
|
Поворота
|
31
|
0,83
|
0,54
|
0,38
|
Т
|
М5
|
|
И.В.С.
|
28
|
0,83
|
0,54
|
0,38
|
Т
|
М5
|
|
Передвижения
|
14
|
0,83
|
0,54
|
0,38
|
С
|
М4
|
Вывод: Режим работы тяжелый, т.к. механизм
подъёма - основной механизм - работает в тяжелом режиме.
Механизм подъема
Механизм подъема предназначен для подъема и
опускания груза на необходимую высоту с заданной скоростью и удержания груза на
любой, требуемой условиями технологического процесса, высоте.
Разрывное усилие в канате:
Sp=K*Smax=6*26,6=159,6
кН
где K
- коэффициент запаса прочности, зависящий от режима работы механизма.
K=6,0 (таблица V.2.4)
[5]
Smax -
максимальное усилие в ветви каната:
Smax=Gн/nв*η=127,53/(6*0,8)=26,6
кН
где Gн=Qн*g=13*9,81=127,53
кН;
Gн
- сила тяжести груза
Qн -
грузоподъёмность крана, т;
η - общий
коэффициент полезного действия =0,8
nв=а*m=2*3=6
a=2 - число ветвей
закрепленных на барабане
m=3 - кратность
полиспаста
По ГОСТу 2688-80 выбираем канат по разрывному
усилию:
Канат двойной свивки, диаметром dк=18
мм, типа ЛК-Р конструкции 6х19(1+6+6/6)+1о.с.: (приложение II)
[1]
1. ЛК - канат линейного касания.
2. Р - в верхнем слое каната проволоки
разного диаметра.
. 6 - количество прядей.
. 19 - количество проволок в одной пряди.
. 1о.с. - один органический сердечник.
Рисунок 2-Эскиз каната ЛК-Р
Расчёт блоков и барабанов:
Рис.
Диаметр направляющих блоков определяется по
формуле:
Дбл=dк*е
dк -
диаметр каната,
е - коэффициент, зависящий от типа
грузоподъемности машины и режима работы. Для грейферных лебедок принимается
е=25.
Высота реборды:
Нреборды=(2÷6)dк
Оптимальным радиусом канавки является:
rк=0,53*dк.
По ГОСТу принимают Дбл
Диаметр барабана: Dб=dк*(e-1)
мм.
е - коэффициент, зависящий от типа
грузоподъемности машины и режима работы, е=30 (таблица 15) [1]
Dб=18*(30-1)=522 мм
Расчётный диаметр барабана, уточнённый по ГОСТу
- Dб=500 мм
Длина нарезной части барабана: LН=Zо*tш
мм
LН=79,6*20=1592,4 мм
где tш=
dк+(2-3) - шаг
нарезки, мм.
tш= 18+2=20 мм
Zо= Zр+
Zз+ Zкр
- общее число витков нарезки, состоящее из числа рабочих, запасных и витков на
крепление каната.
Zо=75,6+2+2=79,6
Zр= (НП+НОП)*m/π*Dб.с.
Zр=(24+17)*3/3,14*0,518=75,6
где НП, НОП - высота подъёма и глубина
опускания, м;
m - кратность
полиспаста;
Dб.с. - диаметр
барабана, измеренный по средней линии навиваемого каната.
Dб.с. = Dб+
dк
Dб.с. =500+18=518 мм
Полная длина барабана при сдвоенном полиспасте:
LП=2LН+(7-12)*
tш, мм;
LП=2*1592,4+10*20=3384,9
мм
Рисунок 5-Барабан с винтовой нарезкой: 1 -
стенка барабана; 2 - канавка; 3 - канат.
Толщина стенки барабана: δст=0,01Dб+3,
мм
δст=0,01*500+3=8 мм
Толщина стенки барабана проверяется из расчёта
на сжатие:
δст=f*
Smax/ tш*[σсж]
, мм
[σсж]=110 мПа
δст=0,7* 26,6*103/
20*110=8,5 мм
Т.к. Lн>3
Dб ,
то барабан проверяется на прочность от деформации кручения и изгиба.
Максимальное значение суммарного напряжения на
нагруженной поверхности барабана равно:
σ=
≤ [σизг]
[σизг]=120 мПа
Mкр=Sмах*Dб=26,6*103*0,500=13,3
кН*м
Мизг=Sмах*
=26,6*103*
=40,96 кН*м
а=0,6*Dб -расстояние
между нарезками на барабане
α -коэф. приведения; для стали
α=0,75
Wэ=0,8(Dб- δст)2*
δст
-экваториальный момент сопротивления движения
Wэ=0,8(0,500-0,0085)2*0,0085=0,0016
м3
σ=
= 26,35 мПа
σ< σизг
,35<120
Условие выполняется
Рисунок 7- Барабан с винтовой

Грузозахватное устройство - грейфер
Основным грузозахватным устройством для
перегрузки навалочных грузов является грейфер.
Грейфер обеспечивает автоматическое взятие и
отдачу (высыпание) груза. По назначению грейферы делятся на нормальные,
подгребающие, лесные и специальные.
Нормальные грейферы служат для перегрузки
минерально-строительных грузов, угля, руды, соли, цемента и т.п.
Подгребающие (штивущие) грейферы отличаются от
нормальных увеличенным примерно в 2 раза размахом челюстей, что позволяет
увеличить площадь захватываемого груза и обеспечить большую заполняемость
грейфера при небольшой толщине слоя груза.
Лесные грейферы применяют для перегрузки
непакетированного круглого леса и пиломатериалов; вместо челюстей у них имеются
лапы для захвата груза.
Специальные грейферы служат для подводной добычи
песка, гравия, песчано-гравийной смеси, перегрузки камня, металлолома и др.
Грейферы бывают двух и многочелюстные.
Многочелюстые грейферы обычно применяют для перегрузки крупнокусковых грузов
(камень, чугунные чушки и т.п.). Наибольшее применение в речных портах; нашли
двухчелюстные грейферы.
Грейфер подвешивают к крану на одном, двух или
четырех канатах. Одноканатный грейфер обычно навешивается на крюк крана, т.е.
обеспечивается возможность быстрого перевода крана из крюкового в грейферный
режим. Однако, одноканатные грейферы обладают существенными недостатками:
сложность замкового устройства, большие затраты времени на закрытие и раскрытие
челюстей. Применяются редко только на кранах небольшой грузоподъемности.
Наибольшее распространение в речных портах нашли
двух и четырехканатные грейферы; при двух канатах они имеют один поддерживающий
и один замыкающий, а при четырех - два поддерживающих два замыкающих каната.
Увеличение числа канатов связано со стремлением уменьшить диаметр канатов, а,
следовательно, и диаметры грузовых барабанов и направляющих блоков.
Двух и четырехканатные грейферы применяют на
кранах, имеющих две лебедки:
одну замыкающую (для закрытия-раскрытия грейфера
и подъема-опускания его) и одну поддерживающую.
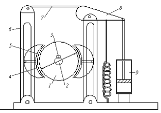
Рисунок 9- Грейфер: 1 - челюсти; 2 - тяги; 3 -
нижняя траверса; 4 - грейферный полиспаст; 5 - верхняя траверса; 6 - место
крепления поддерживающего каната; 7 - направляющие блоки; 8 - поддерживающий
канат; 9 - замыкающий канат; 10 - барабан поддерживающей лебедки; 11 - барабан замыкающей
лебедки.
Определение потребной мощности и
выбор электродвигателя механизма подъёма
Nст=
*0,6=
*0,6=95,6
кВт
где Nст-
статическая мощность электродвигателя, кВт
Nк-
номинальная мощность электродвигателя, кВт
ηобщ - общий
к.п.д. грузоподъёмного механизма;
ηобщ=0,8
Так как электродвигатели
грузоподъемных машин работают в повторно-кратковременном режиме, то производят
пересчет мощности для случая, если фактическая (расчетная) относительная
продолжительность включения (ПВ%) не совпадает с каталоговой, по формуле:
Nк=Nст
кВт
ПВ%ф=41,9%
ПВ%к=40%
Nк=95,6
=97,8 кВт
Выбираю электродвигатель: (таблица
16) [1]
МНТ 711-10
Мощность электродвигателя: N=100 кВт
Частота вращения вала
электродвигателя: nдв=584 об/мин
Ширина электродвигателя: Вдв=790
мм
Расчёт передаточного числа и подбор
редуктора
nдв- частота
вращения вала электродвигателя, об/мин
nбар- частота
вращения барабана, об/мин
nбар=
об/мин
nбар=
=110,6
об/мин
i0=
=5,2
По передаточному числу выбираем
редуктор: (таблица 12) [1]
iр=10,35,
исполнение vIII
Nр>Nдв
Nр=113,0 кВт
РМ-1000
А=1000 -суммарное межосевое
расстояние
Проверяю возможность принятия
П-образной компоновочной схемы по выражению:
А≥
≥
≥645
Выбираю П-образную компановочную схему.
Рисунок 10-1 - барабан; 2 - электродвигатель; 3
- тормоз; 4 - редуктор
Расчёт и выбор тормоза
Тормоз выбирается по необходимому тормозному
моменту:
Нм
Где
- рабочий (статический) момент на
быстроходном валу редуктора, создаваемый массой неподвижно висящего груза, Н∙м;
= 2 коэффициент для тяжелого режима
работы [3]
Н*м
где Gн -
грузоподъемная сила крана, Н;
Dб.с. -
диаметр барабана, измеренный по средней линии навиваемого каната, м iр -
передаточное число редуктора;
- общий к.п.д. механизма подъема;
m - кратность
полиспаста.
=
=851 Н*м
Мт=2*851=1702 Н*м
По величине тормозного момента
выбирается тормоз, при этом необходимо чтобы
: (таблица 13) [1]
ТКГ-500М
=2500 Н*м
Dт=500 мм
Рисунок 11-Колодочный тормоз с
гидроэлектротолкателем: 1 - тормозной шкив; 2 - вал; 3 - шпонка; 4 - тормозные
колодки; 5 - накладки из высокопрочных материалов; 6 - вертикальная стойка; 7 -
рычаг, связывающий стойки; 8 - двуплечий рычаг; 9 - гидроэлектротолкатель.
Выбор муфты
Муфта выбирается по каталогу исходя из крутящего
момента:
где к1 - коэффициент,
учитывающий степень ответственности механизмов к1=1,3; (стр.64) [2]
к2 - коэффициент,
учитывающий, условия работы
к2=1,3; (стр.64) [2]
Рабочий момент на быстроходном валу
редуктора:
Н*м
Н*м
Н*м
Выбираю: (таблица 14) [1]
Муфта втулочно-пальцевая с тормозным
шкивом;
Диаметр тормозного шкива Dшк = 500 мм;
Момент инерции Jм = 6,9 кг∙м2;
Наибольший передаваемый момент Мкр
= 4000 Н*м
Число пальцев n = 8
Размер ступицы:
lк=130 мм
dк=89,5 мм
L=210 мм
Рисунок 12-Втулочно-пальцевая муфта:
1 - малая полумуфта; 2 - палец; 3 - резиновая втулка; 4 - полумуфта с тормозным
шкивом
Расчёт механизма передвижения.
Расчёт нагрузок на опоры крана
Рисунок 13- Схема нагрузок на опоры крана.
A, B,
C, D
- опоры крана.
S и в - колея и база
портала.
Из справочника выбираем следующие данные:
(таблица 1) [1]
Масса крана Gкр=
182,7 т
Масса портала Gпорт=
67,7т
Масса поворотной части с подвижным противовесом Gподв.
против. = 115,0 т
Максимальная нагрузка на опору В равна:
=
V - вес
поворотной части крана и груза, приложенного в точке Е, кН
t- смещение
шарнира крепления стрелы относительно центра портала (эксцентриситет), м
t=0,4 м
(с.14) [1]
Gпорт
- вес неповоротной части крана, приложенный в центре её тяжести, кН
М=V*lv
кН
lv-
плечо приложения суммарной вертикальной нагрузки, м
lv=1,6
м (с.14) [1]
М - момент, создаваемый силой тяжести поворотной
части крана
φ - угол между осью
Х и положением стрелы (при S=b,
φ=45°)
S=10,5 м
B=10,5 м
V=Gпов.ч+Gгр
=115*9,81+105,9=1234,1 кН
Gгр=(mгр+mгзу)*g=(4,8+6,0)*9,81=105,9
кН
М=1234,1*1,6=1974,6 кН*м
=
=631 кН
Максимальная нагрузка на опору D равна:
=
,кН
=
=318 кН
Расчёт числа ходовых колёс
Число ходовых колес рассчитывается так:
Zоб=
=3,2≈4
колеса.
Zоб - число
колес на одной опоре;
[p] -
допускаемая нагрузка, зависящая от материала, из которого изготовлено колесо, и
шпального покрытия.
[p]=200 кН
(с.197) [2]
Определение фактических нагрузок на
колёса
Максимальная нагрузка на колесо:
=
/ Zоб=631/4=157,7
кН
Минимальная нагрузка на колесо:
=
/Zоб=318/4=79,5
кН
Расчёт числа приводных колёс
Расчётное значение приводных колёс
должно быть таким, чтобы обеспечивалось устойчивое передвижение крана при
неблагоприятных условиях
=
,ед
где Σ
=
,кН
µ=0,01-коэффициент трения в цапфах
колеса;
µсм=0,12-коэффициент трения между
колесом и цапфой.
Σ
=
=526,6 кН
=
=1,7=2
Расчет диаметра ходового колеса
Dход.кол.=
,см
вк - ширина опорной части
колеса, см
[g] -
допускаемое давление в зависимости от материала обода, Н/см
[g] = 500Н/см
(с.198)[2]
Dход.кол.=
=45,1 см
По ГОСТу принимаем диаметр ходового
колеса D=50 см = 500
мм
Расчёт сопротивлений передвижению
крана
Общее сопротивление передвижению
крана равно:
Wоб=Wтр+Wв+Wу+Wин , кН
Сопротивление трения:
Wтр =(Gкр+Gгр)
,кН
где dц
-
диаметр цапфы колеса, см
dц=
=
=6,25 см
f -
коэффициент трения качения по рельсу (f=0,05 см)
μ = 0,01 - коэффициент трения
в ступице колеса
Кр - коэффициент, учитывающий трение
реборд колеса о рельс
Кр=1,2÷1,3
Wтр =(1792,3+105,9)
*1,2=10,25
кН
Сопротивление от уклона подкрановых путей:
Wу=(Gкр+Gгр)*sinβ=(1792,3+105,9)*0,003=5,69
кН
где β
- угол уклона подкрановых путей. sinβ
=0,003 (с.45) [1]
Сопротивление от сил инерции:
Wин=(Gкр+Gгр)*а/g=(1792,3+105,9)*0,15/9,81=29,02
кН
где а - ускорение передвижения машины.
а=0,15 м/с2
Ветровое сопротивление:
Wв =ΣFкрi[рв]kспл+Fгр[pв]kспл
где ∑Fkpi
- сумма всех наветренных площадей крана (таблица 1.26) [1]
Fгр -наветренная
площадь груза
[рв] - удельное давление ветра на единицу
площади (для рабочего состояния крана [рв]=250 Па)
Kсп - коэффициент
сплошности конструктивных элементов крана.
Kсп =1 для сплошных
конструкций (с.45) [1]
Wв
=(6*1+11*1+48*1+16*1)*250+13*1*250=23,5 кН.
Wоб=10,25+5,69+29,02+23,5=68,46
кН
Расчёт мощности электродвигателя и
его выбор
Общая мощность электродвигателей крана равна:
Nр=
=27,9 кВт.
Wоб′=Wоб-Wин=68,46-29,02=39,44
кН.
Индивидуальный привод на каждое колесо или опору
требует большого количества двигателей, тормозов редукторов, но при этом
ходовые устройства получаются более компактными, конструктивно менее сложными,
более надежными в эксплуатации. Для индивидуального типа привода мощность
равна:
N1-4=
=8,72 кВт.
Произвожу корректировку мощности:
Nн=Np
=6,53 кВт.
Выбираю электродвигатель(таблица
16)[1]
Тип электродвигателя МТН 211-6:
Мощность электродвигателя: Nдв=8,2
кВт.
Максимальный момент на валу электродвигателя: Ммах=196
Н*м.
Момент инерции: J=0,115
кг*м2.
Число оборотов (частота вращения вала
электродвигателя): пдв=900 об/мин
Определение передаточного числа и
выбор редуктора
Расчёт общего передаточного числа:
iоб=
Частота вращения ходового колеса
nк =
=21,66
об/мин.
iоб=
=41,55
По передаточному числу выбираем
редуктор: (таблица 12) [1]
iр=40,17,
исполнение II
РМ-650
Nр =9,2 кВт
nр=750 об/мин
А=650
Расчёт и выбор тормоза
Тормоз выбирается по величине тормозного
момента:
Мт=
где β=2- коэффициент
запаса торможения;
Мт=
=480 Н*м
Выбираем тормоз: (таблица13)[1]
Тип тормоза: ТКГ-300
Диаметр тормозного шкива: 300 мм.
Тормозной момент: Мт=800 Н*м.
Отход колодок: 1,3 мм.
Тип толкателя: ТГМ-50
Выбор муфты
Диаметр тормозного шкива: 300мм. Число пальцев:
6
Момент инерции: Jи=1,5
кг*м2.
Наибольший передаваемый момент: Ммах=800
Н*м.
Механизм изменения вылета стрелы
Вылет стрелы крана - расстояние по горизонтали
от оси вращения поворотной части до вертикальной оси грузозахватного органа.
Стреловые системы кранов предназначаются
изменения положения груза относительно оси вращения крана, благодаря чему
краном обслуживается определенная площадь, а также для обеспечения необходимой
высоты подъема груза.
Перевод стрелы из одного положения в другое
осуществляется с помощью специальных механизмов, носящих название механизмов
изменения вылета стрелы. Их можно разбить на 4 основные группы:
● Полиспастные
● Штанговые (рейка, винт)
● Секторные
● Кривошипные
Механизмы изменения вылета могут иметь жесткую
или гибкую связь со стреловым устройством. Механизм изменения вылета у
портальных кранов должен иметь жесткую связь со стрелой, чтобы исключить
самопроизвольное движение стрелы под действием горизонтальных сил: ветра, сил
инерции, отклонения грузовых канатов от вертикали и т.д.
Наиболее распространенным является реечный
механизм изменения вылета стрелы, т.к. является самым легким по весу и простым
по изготовлению и устройству. Он дает плавное изменение угловой скорости
качания стрелы, а, следовательно, и незначительные инерционные нагрузки на
привод. Недостатком является то, что в процессе работы механизма есть опасность
выхода реек из зацепления на максимальном вылете. Для предотвращения этого
устанавливаются концевые выключатели, механические ограничители и пр.
Винтовой механизм довольно легок, как и реечный,
но значительно сложнее и дороже в изготовлении и требует тщательного ухода и
наблюдения за состоянием резьбы гайки и винта во время эксплуатации.
Рис.
Секторный механизм встречается довольно редко.
Угловая скорость качания стрелы здесь постоянна, а линейная скорость движения
груза увеличивается по мере приближения к минимальному вылету, что
нежелательно.
Кривошипно-шатунный механизм надежен и безопасен
в эксплуатации. Ему не нужны концевые выключатели, упоры, амортизаторы, т.к.
при непрерывном вращении кривошипа стрела плавно проходит через крайние
положения и возвращается назад. Это исключает возможность падения стрелы или
запрокидывания ее на кабину, но механизм является одним из самых тяжелых.
Секторно-кривошипный механизм является
промежуточным между секторным и кривошипно-шатунным. Будучи легче
кривошипно-шатунного механизма, он обеспечивает сравнительно равномерное
качание стрелы и незначительные инерционные нагрузки в крайних ее положениях.
Гидравлический механизм обеспечивает большую
плавность работы, почти исключая динамические нагрузки, способен выдерживать
значительную перегрузку, обеспечивать равномерность горизонтального перемещения
груза при изменении вылета, но сложен и дорог в изготовлении.
Механизм вращения
За счет вращения верхней части
металлоконструкции крана обеспечивается обслуживание стреловыми кранами
кольцевой площади. Для осуществления вращения краны имеют: опорно-поворотное
устройство, поддерживающее и центрирующую поворотную часть.
Конструкция опорно-поворотного устройства
существенно влияет на всю конструкцию крана; по типу опорно-поворотного
устройства краны подразделяют на 2 группы:
● Краны на поворотном круге (поворотной
платформе);
● Краны на колонне.
У кранов на поворотном круге поворотная часть
опирается на колеса, катки или шарики, которые перемещаются по круговому
рельсу, прикрепленному к опорному барабану. Механизм поворота на поворотной
платформе состоит из электродвигателя, эластичной муфты с тормозным шкивом, на
конце которого на шпонке насажена цилиндрическая шестерня. При вращении эта
шестерня отталкивается от неподвижного зубчатого колеса и обегает вокруг него,
обеспечивая поворотной платформе вращение вокруг вертикальной оси с частотой nкр
. Движение в механизме поворота может передаваться от вала электродвигателя к
шестерне через коническую зубчатую передачу и цилиндрические передачи в
редукторе. Для предохранения валов и зубчатых передач от перегрузки в редукторе
устанавливают фрикционную передачу, состоящую из ведущих фрикционных дисков,
ведомых нижнего и верхнего нажимного диска фрикциона, спиральной нажимной
пружины.
Современные краны имеют разнообразные
конструкции механизмов вращения:
● с зубчатым венцом;
● с канатной тягой;
● с приводными колесами.
Рис.
Кроме вращения поворотной части краны механизмы
вращения обеспечивают снижения угловой скорости двигателя, вызываемое ограничениями
угловой скорости поворотной части крана
При больших вращающихся массах в период
неустановившегося движения на механизм поворота действуют большие динамические
нагрузки. Специальные устройства, предохраняющие механизм поворота от поломок
при перегрузках является обязательным элементом на портовых перегрузочных
кранах, независимо от конструкции механизмов. Эти предохранительные устройства
носят название муфт предельного момента, представляют совой дисковые или
конические фрикционные муфты и встраиваются обычно в редуктор.
Таблица. Технико-эксплуатационная оценка проекта
|
Показатель
|
Кран-аналог
|
Проектируемый
кран
|
|
1.
Грузоподъемность, т 2. Вылет стрелы максимальный, м 3. Диапазон подъёма, м 4.
Скорости механизмов, м/мин: ● Подъема ● Передвижения ●
Изменения вылета стрелы 5. Частота вращения крана, об/мин 6. Мощность
электродвигателей механизмов, кВт: ● Подъема ● Передвижения ●
Изменения вылета стрелы ● Вращения 7. Число ходовых колес 8. Диаметр
ходового колеса, мм 9. Максимальная нагрузка на колесо, кН
|
10/20 32 -
63 32 63 1,6 2×75 2×7,5 15 2×19 16 540
207,5
|
13
32 60 34 38 1,2 100 16 500 165,3
|
Заключение
Увеличилась грузоподъемность крана до 12 т.
Уменьшился диаметр ходового колеса (с 540 мм до 500 мм) и нагрузка на него.
Скорости механизмов почти не изменились, при этом мощность электродвигателя
передвижения уменьшилась.
Список использованной литературы
перегрузочный машина
грейфер
1.Буренок
В.Д. Сборник задач по подъёмно-транспортным машинам речных портов. Издание
третье. Новосибирск 2007;
.Буренок
В.Д., Шарутина В.А. Перегрузочные машины речных портов. Новосибирск 2003;
.Буренок
В.Д., Ефремов А.М. Методические указания по выполнению лабораторных работ по
дисциплине «ТПО». Новосибирск 2004;
.Буренок
В.Д. Справочные материалы по портовому перегрузочному оборудованию по
подъёмно-транспортным машинам. Новосибирск 2005;
.Справочник
по кранам под редакцией М.М. Гохберга. Том 1,2. Ленинград, «Машиностроение»,
Ленинградское отделение, 1988;