Влияние электромагнитных излучений низкой интенсивности в диапазоне крайне высоких частот на биофизические показатели человека

  • Вид работы:
    Дипломная (ВКР)
  • Предмет:
    Медицина, физкультура, здравоохранение
  • Язык:
    Русский
    ,
    Формат файла:
    MS Word
    597,75 Кб
  • Опубликовано:
    2012-12-03
Вы можете узнать стоимость помощи в написании студенческой работы.
Помощь в написании работы, которую точно примут!

Влияние электромагнитных излучений низкой интенсивности в диапазоне крайне высоких частот на биофизические показатели человека

МИНИСТЕРСТВО ОБРАЗОВАНИЯ И НАУКИ УКРАИНЫ

ДОНЕЦКИЙ НАЦИОНАЛЬНЫЙ УНИВЕРСИТЕТ

Факультет биологический

Кафедра биофизики

Специальность биофизика 7.070404






ДИПЛОМНАЯ РАБОТА

ВЛИЯНИЕ ЭЛЕКТРОМАГНИТНЫХ ИЗЛУЧЕНИЙ НИЗКОЙ ИНТЕНСИВНОСТИ В ДИАПАЗОНЕ КРАЙНЕ ВЫСОКИХ ЧАСТОТ НА БИОФИЗИЧЕСКИЕ ПОКАЗАТЕЛИ ЧЕЛОВЕКА

Клементьевой Виктории Валериевны

Научный руководитель Куценко В.П.

кандидат технических наук,

старший научный сотрудник,

Заслуженный работник промышленности Украины

Рецензент Удовиченко С.В.

Работа допущена к защите:

Заведующий кафедрой Беспалова С.В., проф. д. ф-м. н.


Донецк 2009

СОДЕРЖАНИЕ

УКАЗАТЕЛЬ ОБОЗНАЧЕНИЙ, ИСПОЛЬЗОВАННЫХ В РАБОТЕ

ВВЕДЕНИЕ

. ОБЗОР ЛИТЕРАТУРЫ

.1 Квантовая медицина и физика живого

.2 Акупунктура как основа метода КВЧ-терапии

.3 Биофизика взаимодействия ЭМИ с биообъектом

.3.1 Электрофизические свойства тканей животных и людей

.3.2 Особенности радиотеплового излучения биообъекта

.3.3 Распределение мощности поглощения ЭМП в биологических тканях

. МАТЕРИАЛЫ И МЕТОДЫ

. РЕЗУЛЬТАТЫ И ОБСУЖДЕНИЯ

.1 Оценивание эффективности метода КВЧ-терапии на примере лечения язвы желудка и двенадцатиперстной кишки

.2 Предложения по усовершенствованию качества проводимой терапии

ВЫВОДЫ

ЛИТЕРАТУРА

УКАЗАТЕЛЬ ОБОЗНАЧЕНИЙ, ИСПОЛЬЗОВАННЫХ В РАБОТЕ

БАТ - Биологически активные точки

ЖКТ - Желудочно-кишечный тракт

КВЧ - Крайне высокие частоты

МРТ - Микроволновая резонансная терапия

ТА - Точки акупунктуры

УЗД - Ультразвуковая диагностика

ФГДС - фиброгастродуоденоскопия

ЭМВ - Электромагнитные волны

ЭМИ - Электромагнитное излучение

ЭМП - Электромагнитное поле

ВВЕДЕНИЕ

Актуальность темы. ХХI век - это век новых технологий, глобализации и урбанизации, век хронических и неизлечимых болезней человечества. Традиционная медицина, достижения которой, конечно же, неоспоримы, имеет однобокий подходах к человеческому организму, так как утверждает, что все в человеке происходит исключительно на уровне химических процессов. Кроме того, современный тезис о необходимости лечения больного, а не болезни, становится абсолютно бессмысленным в условиях существующей узкой специализации врачебных кадров. Несомненной проблемой также является существующие в традиционной медицине среднестатистические нормы, по которым оценивается состояние здоровья конкретного пациента...

Исходя из вышесказанного, становится понятной актуальность изучения новейших подходов в понимании целостности человеческого организма и вытекающих от сюда методов лечения.

В данной работе рассмотрены перспективы нового направления практической медицины - микроволновой резонансной терапии (МРТ) как базовой технологии квантовой медицины. Значительный интерес представляет то, что лечебная практика МРТ, способствуя мобилизации собственных ресурсов организма, позволяет уменьшить, а иногда избежать потребления большого количества лекарственных средств. Кроме того, необходимо заметить, что метод характеризуется физиологичностью, безвредностью и высокой эффективностью, которая в ряде случаев превосходит возможности современной лекарственной терапии.

Поэтому целью настоящей работы стало:

1.       Изучить существующую на данный момент методику проведения процедур и аппаратное обеспечение кабинета КВЧ-терапии.

.        Оценить эффективность воздействия терапевтического низкоинтенсивного электромагнитного излучения в диапазоне КВЧ на биофизические показатели человека на примере лечения язвы желудка и двенадцатиперстной кишки.

.        Разработка новой концепции подбора терапевтической частоты.

Достижение поставленных целей требует решения следующих задач:

1. Изучить и оценить работу генератора ЭМИ низкой интенсивности в диапазоне КВЧ «ARIA-SC».

2. Изучить результаты исследований в области практического применения методики КВЧ-терапии, детально проанализировать технику проведения процедур.

3. Исследовать влияние ЭМИ низкой интенсивности в диапазоне КВЧ на электрокожное сопротивление человека как на биофизический показатель.

4. Сопоставить достоверность результатов проведенных процедур с результатами других клинико-лабораторных исследований.

Объект исследования. Экспериментальные данные, полученные при воздействии ЭМИ низкой интенсивности в диапазоне КВЧ на биообъект.

Предмет исследования. Аппарат для бесконтактного воздействия ЭМИ мм-диапазона длин волн на БАТ- «ARIA-SC».

Методы исследования основываются на общих положениях теорий: физики биологических систем, биофизики рецепции, биофизических механизмов регуляции, медицинской биофизики, радиотехнических измерений, измерений электрокожного сопротивления в точках акупунктуры, компьютерного моделирования сложных биологических структур и процессов.

Научная новизна полученных результатов состоит:

.        В новом подходе к подбору достоверной терапевтической частоты уже на первом сеансе лечения. Это обеспечит успешность всего курса предстоящей терапии.

.        В оценке адекватности лечения путем анализа изменения коэффициента отражения в момент воздействия ЭМИ низкой интенсивности в диапазоне КВЧ на БАТ.

.        В возможности получения обратной связи от БАТ в виде значения отраженного сигнала, который характеризует физиологическое состояние организма.

.        В разработке концепции построения радиометрической системы для оптимизации частоты модулирующего сигнала, воздействующего на биообъект, что в целом позволит улучшить качество проводимых процедур, минимизировать затраты времени и достичь максимальных результатов по итогам лечения.

Практическая значимость полученных результатов. Результаты выполненного исследования могут быть использованы:

в практической медицине для проведения качественной безмедикаментозной терапии, а также лечения предпатологических состояний.

для контроля за ходом лечения и анализа адекватности применяемых процедур в индивидуальном порядке.

- в дальнейших научных исследованиях, нацеленных на разработку еще более совершенного аппаратного обеспечения КВЧ-терапии.

Личный вклад автора дипломной работы является основным на всех этапах исследования и состоит в формулировании целей и задач работы и непосредственном выполнении всех этапов теоретических и экспериментальных исследований. Проведен обзор литературы и оценка технических и заложенных принципиальных возможностей генератора КВЧ низкой интенсивности«ARIA-SC». Осуществлена статистическая обработка данных пациентов, проходивших диагностику и лечение в клинике «Квантовой медицины», проведена оценка достоверности полученных результатов по итогам лечения язвы желудка и двенадцатиперстной кишки. На основании выводов, автором предложен новый подход в подборе терапевтической частоты и контроле над ходом лечения, для чего была разработана концепция построения радиометрической системы.

Апробация результатов дипломной работы. Результаты дипломной работы используются в практической деятельности Клиники квантовой медицины (г. Константиновка, Донецкой обл.), Научно-исследовательского центра квантовой медицины «Отклик» Министерства здравоохранения Украины (г. Киев). Отдельные положения исследований, изложенные в дипломной работе, ранее нашли отражение при выполнении курсовой работы «Влияние электромагнитных излучений низкой интенсивности в диапазоне СВЧ/КВЧ на биофизические показатели человека при лечении сахарного диабета II типа»

1. ОБЗОР ЛИТЕРАТУРЫ

.1 Квантовая медицина и физика живого

Электромагнитные поля составляют неотъемлемую часть факторов, при воздействии которых формировалась живая природа. Электрические, электрохимические, электробиологические процессы являются необходимой частью процессов функционирования живого организма.

В 60-е годы впервые в истории радиотехники были созданы генераторы когерентных мм ЭМВ и обнаружена их аномально высокая биологическая активность, оказалось, что простейшие одноклеточные организмы дают на такое облучение резонансный ответ - очень увеличивают либо, наоборот, заметно уменьшают скорость роста, а также «откликаются» иным путем. Известны и другие факты, подтверждающие высокую биологическую активность ЭМВ мм-диапазона. Таким образом, высказанная в 1943 году немецким физиком В. Шредингером идея о квантовой природе живой материи получила развитие в терапии отдельными видами электромагнитного излучения в конце 60-х годов и комплексном их использовании с конца 80-х годов. Это говорит о том, что возраст современной квантовой медицины сравнительно невелик.

Квантовая медицина - перспективное направление современной медицины, основанное на идее о квантовой природе живой материи, последних достижениях современной науки, высоких технологиях и тысячелетнем опыте восточной медицины.

В результате многолетних исследований отечественные и зарубежные ученые-физики, и врачи пришли к выводу, что наследственная информация живого организма хранится в виде квантовой структуры. Последняя, будучи носителем генетического кода, организована в виде голограммы, которая обладает свойством в каждой своей части содержать информацию о целом. Из квантовой физики известно, что для создания голограммы необходимо лазерное излучение. Источником такого излучения в организме человека является ДНК. Однако возможности клетки этим не ограничиваются. Клетка способна обрабатывать, передавать, восстанавливать утраченную информацию и реализовывать заложенную в ней программу развития, используя для этого микроволновые излучения миллиметрового и сантиметрового диапазона, а также световые, лазерные и акустические поля. Одной из иллюстраций способности живых клеток знать и помнить, каким должен быть здоровый организм, может служить феномен фантомных болей, когда человека, давно потерявшего часть руки или ноги, начинают беспокоить ощущения в утраченных тканевых структурах. Оказывается, гены оставшихся живых клеток не только "помнят", какой была потерянная структура, но ее "квантовый образ" способен воспринимать информацию и реагировать на раздражение. Живой организм постоянно обновляется, при этом происходит непрерывная передача функциональной информации от старых клеток к молодым. И насколько процессы хранения, обработки, передачи и использования таких данных надежны, настолько устойчиво работает каждая клетка и организм в целом, то есть настолько здоров весь организм. Воздействие же на организм малыми дозами электромагнитных излучений запускает его скрытые резервы и адаптационные возможности, как на уровне клетки, так и на уровне всей биологической системы в целом, резко повышает иммунитет и мобилизует защитные силы на активное сопротивление возникшим отклонениям в функционировании.

На основе нового знания о живом был разработан новый метод лечения - метод микроволновой (миллиметровой) резонансной терапии. (МРТ), как новое направление в медицине, появилась в конце 70-х - начале 80-х годов. Родиной ее является бывший Советский Союз. В те годы было обнаружено позитивное воздействие волн миллиметрового диапазона на биологические объекты. Начавшиеся активные исследования этого воздействия привели к созданию нескольких направлений, которые, в итоге, «сгруппировались» вокруг двух школ:

·   Одна из них, московская школа, проводила исследования по созданию аппаратуры и методик воздействия сигналами с фиксированной частотой. Мощность сигналов при этом составляла примерно единицы - десятки милливатт.

·   Другая, киевская школа, занималась аппаратурой и методиками воздействия широкополосными сигналами. Обычно использовалось шумовое излучение (излучение всех частот в рабочем диапазоне), или сигналы с плавно меняющейся частотой. Мощность сигналов в этом случае была ниже в тысячи или даже в сотни тысяч раз.

Очень низкие уровни широкополосных сигналов явились узловым моментом в критике их эффективности. Представители первой школы считали, что столь маломощное воздействие не может давать значимые терапевтические результаты. Все положительные клинические случаи критики этого направления объясняли эффектом плацебо. Первое направление стали называть КВЧ (крайне высокая частота) терапией. Второе - МРТ. Наиболее ранними аппаратами КВЧ были аппараты “Явь - КВЧ” и “Электроника - КВЧ”. Первыми аппаратами МРТ были “Порог 1”, “Порог 2” и другие[8, 24, 53].

После обнаружения позитивного биологического влияния волн миллиметрового диапазона на биологические объекты стали появляться теоретические работы по объяснению механизмов этого воздействия. В первом приближении теоретические выкладки строились на резонансном взаимодействии волн миллиметрового диапазона (частоты 50-70 ГГц) и живой клетки. В этом смысле представители киевской школы аргументировали выбор широкополосных сигналов необходимостью индивидуального подбора терапевтических частот для каждого пациента в отдельности. Наиболее эффективной областью приложения такого воздействия они считали точки акупунктуры (точки, используемые в иглоукалывании). Представители московской школы в большей степени уделяли внимание воздействию на рефлексогенные зоны и зоны проекции внутренних органов. Киевской школой была создана теоретическая модель “энергетического каркаса” человека. Под ней понималась система каналов распространения радиоволн миллиметрового диапазона (естественных волноводов) в человеке. Причем эти каналы совпадали с акупунктурными меридианами традиционной китайской медицины.

В итоге, киевская школа сводила терапевтический эффект к информационному воздействию на биологически активные точки и, соответственно, МРТ к информационной (резонансной) терапии. (МРТ стали относить к аппаратурному варианту традиционной китайской рефлексотерапии.) Московская школа, большое значение отдавала энергетической компоненте воздействия.

Что же касается киевского направления развития, то у его истоков стояли ученые Андреев Е.А., Белый М.У. и Ситько С.П. В Киеве на базе Киевского научно-исследовательского центра «Отклин» уже более 20 лет при Министерстве здравоохранения Украины ведутся теоретические и экспериментальные исследования в области квантовой медицины - принципиально нового направления медицинской науки, базирующегося на современных представлениях фундаментального естествознания о физике живого, возникших благодаря открытию в 1982 году собственных характеристических частот человеческого организма. Разработанная и внедренная в клиническую практику прикладная технология квантовой медицины - микроволновая резонансная терапия (МРТ), получила высокую оценку Международной экспертизы и защищена патентами Украины, России, США, Бельгии, Китая, Аргентины и Югославии. Данные экспериментальных и клинических исследований стали основанием для применения МРТ в клинической практике при лечении и профилактике различных заболеваний в качестве самостоятельного метода без привлечения медикаментозной терапии. Метод микроволновой резонансной терапии основан на воздействии очень малыми энергиями на биологически активные точки (БАТ) организма. При лечении используется энергия в несколько миллиардов раз меньшая, чем для лампочки карманного фонарика. Поэтому все опасения по поводу "неестественной химии и физики" беспочвенны. Сегодня кабинеты МРТ с замкнутым технологическим циклом функционируют в 24 медицинских подразделениях крупных промышленных предприятий и лечебно-профилактических учреждениях системы здравоохранения, в 5 областях Украины и Автономной Республике Крым, в том числе в 12 медицинских учреждениях Донецкой области, а также в Киевской, Винницкой и Житомирской областях.

Немаловажным, для понимания глубины рассматриваемого вопроса, является тот факт, что квантовая медицина базируется на новом знании о физике живого.

Что включает в себя понятие «физика живого»? Каковы же были предпосылки к ее возникновению?

Для осмысления феномена жизни или, как минимум, для понимания механизма дифференцировки тканей, морфогенеза и формообразования, т.е. для понимания механизма реализации генома на макроскопическом уровне биология и медицина должны отказаться от идеи исключительности химических взаимодействий в живом. На самом деле, химическая парадигма тесно связана с идеей визуализации, т.е. считалось (да и сейчас считается), что серьезные биология и медицина могут иметь дело лишь с наблюдаемыми химическими превращениями, а все остальное - шарлатанство. Именно поэтому в течение столетий западной медициной не воспринималась древнекитайская медицина, основанная, как известно, на представлениях на морфологически не выделяемых меридианах. В исследовательском центре «Отклик» удалось установить электромагнитную природу меридианов, показав, что они являются структурами собственного когерентного поля организма в мм-диапазоне волн. Но об этом чуть позже.

Способность организма реагировать практически на отдельные кванты внешнего электромагнитного излучения, энергия которых в 100 раз ниже теплового фона (КТ), является веским аргументом в пользу гипотезы о квантово-механической целостности живых макроскопических объектов. В пользу этого представления говорит и анализ проблемы устойчивости существования систем в нашем мире.

Все объекты материального мира, находящиеся на каждой из ступеней квантовой лестницы, имеют собственную потенциальную яму, заполняемую уровнями в соответствии с уравнением Шредингера, между уровнями при возбуждении объекта существуют переходы (посредством фотонов или - квантов), распределение интенсивностей которых определяется правилами отбора. В результате каждый элемент на каждой из трех ступеней квантовой лестницы будет обладать индивидуальным спектром, который получил название спектр собственных характеристических частот данного ядра, атома или молекулы. Вот эти-то спектры и являются универсальными, абсолютными характеристиками (паспортами) каждого из элементов на всех трех ступенях квантовой лестницы неживой природы. Их наличие обусловлено законами квантовой механики, и именно потому применимость в явном виде квантовой механики к объекту (на уровне принципиальной возможности решения уравнения Шредингера) определяет отнесение его в сферу фундаментальной науки.

Способность квантовой механики наделять три уровня квантовой организации природы свойством фундаментальности заложена в двух принципах квантовой механики - принципах тождественности и дискретности. Именно они и определяют многообразную дифференциальную устойчивость окружающего нас мира. Поэтому, когда мы произносим: «Ядро железа» - специалист в области ядерной спектроскопии уже представляет себе спектр собственных характеристических частот этого ядра. Этот спектр является его универсальной характеристикой, т.е. все ядра железа в мире должны иметь точно такой же спектр, и обнаруженное экспериментально отличие в спектре будет означать, что мы изучаем уже не ядро железа. Такое же утверждение справедливо для всех объектов всех трех ступеней квантовой лестницы Вайскопфа. Для надмолекулярных структур, как уже отмечалось, такое утверждение несправедливо в силу отсутствия (в общем случае) возможности формирования самосогласованного потенциала.

Какое же отношение имеют все эти рассуждения к проблеме живого? Да самое непосредственное. Ведь та же многообразная дифференциальная устойчивость наблюдается и в живом мире. Это само существование родов, видов, отдельных особей. Огромное разнообразие растительного и животного мира дискретно. Сама возможность классификации растительного и животного мира земли является подтверждением сказанному. Кошки и собаки узнаваемы на всех континентах. Каждый человек, относясь к категории людей, имеет, в то же время, свои особенности, которые сохраняются если не всю жизнь, то, по крайней мере, длительное время.

Этот факт вместе с обнаруженным «проявлением собственных характеристических частот человеческого организма» привел меня к мысли о том, что любой живой организм есть целостным квантово-механическим объектом, а живое, в целом, является четвертым уровнем квантовой организации природы (четвертой ступенькой квантовой лестницы Вайскопфа).

Ранее уже было отмечено, что макроскопичность сама по себе не является препятствием для рассмотрения объекта как квантово-механического целого. Препятствием является отсутствие в обычных твердых телах и жидкостях единого для всех составляющих элементов потенциала, т.е. ограничение, связанное с короткодействующим характером сил в обычных ситуациях. Отличается ли в этом отношении живое от неживого? Да, отличается. Отличается тем, что живое представляет собой активную среду и в целом и в каждой составляющей его клетке.

Митчел был награжден Нобелевской премией за открытие протонного транспорта через протоплазменные мембраны, показав, что большую часть энергии метаболизма любая живая клетка тратит не на аккумуляцию химической энергии, как считалось раньше, а на создание и поддержание на мембране огромной напряженности электрического поля, порядка 105 В/см. И, если необходимость такого потенциала для передачи нервных возбуждений достаточно очевидна, то вопрос о целесообразности этого для всех остальных клеток до сих пор оставался открытым.

Г.Фрёлих первым обратил внимание на то, что собственные колебания протоплазменных мембран клеток в соответствии с их физическими свойствами находятся в диапазоне (1010÷1011) Гц и, будучи под напряжением, они при любом возбуждении являются источниками электромагнитного излучения именно в диапазоне миллиметровых волн [3].

Спектр электромагнитного излучения каждой мембраны определяется характером ее возбуждения, а, так как геном каждой соматической клетки конкретного живого организма одинаков, возникают предпосылки рассматривать каждую клетку как активный центр в потенциальной возможности создания когерентного электромагнитного поля целостного организма (многомодовый лазер), реализующего таким образом геном на макроскопическом уровне. Однако необходимо напомнить, что рассматриваемые активные центры (клетки) находятся в поглощающей водной среде и потому априори нельзя сказать, достаточно ли метаболической подкачки потенциала мембран для того, чтобы система прошла порог неравновесного фазового перехода и поддерживалась за этим порогом в режиме лазерной генерации на протяжении всей жизни объекта. Необходимы были свидетельства того, что такой режим действительно реализуется. Такие свидетельства были получены и экспериментально, и путем анализа представлений древнекитайской медицины через призму представлений синергетики. Таким образом, физика живого дает следующее определение живого.

Живое - это четвертый (после ядерного, атомного и молекулярного) уровень квантовой организации природы, когда самосогласованный потенциал, обеспечивающий существование эффективных дальнодействующих сил, функционирует по типу лазерного потенциала в мм-диапазоне электромагнитных волн.

Легко видеть, что такой взгляд на живое дает непротиворечивое объяснение не только всем феноменам, лежащим в основе квантовой медицины, но и делает науку о живом фундаментальной наукой со всеми вытекающими отсюда следствиями.

Живое радикально отличается от неживого. При этом возникает методологическая ясность в оценке этого отличия. У живого есть самосогласованный потенциал, которого нет у мертвого, хотя на молекулярном уровне радикальных отличий может не существовать. Это так же, как у молекулы воды Н2О. Мы можем, как угодно подробно изучать и знать атомы водорода и кислорода, но ничего не сможем сказать о молекуле воды, т.к. молекула воды, сформированная из двух атомов водорода и одного атома кислорода, обладает качественно новым самосогласованным потенциалом со своими уровнями, со своими правилами отбора в переходах между ними и, в конечном итоге, со своим спектром собственных характеристических частот, который и является универсальным паспортом молекулы воды.[51].

Изложенные выше положения физики живого ставят живое на иерархическую вершину наших представлений о природе. Это означает, что подход к проблеме жизни требует от ученых осмысления всех знаний, накопленных человечеством. Геном действительно определяет наследственность, но не на примитивно-механическом уровне, а путем формирования индивидуального самосогласованного потенциала, собственные характеристические частоты которого характеризуют организм.

После всего сказанного выше хочется заметить, что фундаментальная наука о живом только начинается, поэтому вокруг данного вопроса идут многочисленные споры. Существующие методологические каноны требуют прямого экспериментального подтверждения основного положения гипотезы для ее превращения в теорию.

Г. Фрелих (1905-1992) - один из творцов физики ХХ века, ученик Зоммерфельда, автор пяти открытий, названых его именем, впервые высказал мысль об электромагнитной когерентности в биологических системах.

г-открытие собственных характеристических частот человеческого организма.

Сотрудникам Киевской клиники «Отклик» под. руководством профессора Ситько С.П. удалось установить электромагнитную природу меридианов, показав, что они являются структурами собственного когерентного поля организма в мм-диапазоне волн. Эффект Руденко [52] не только продемонстрировал электромагнитную природу китайских меридианов, само существование которых не воспринималось западной медициной, но и дал основание рассматривать их в качестве орбиталей макроскопической квантово-механической системы. Последнее утверждение основано на регистрации расщепления спектральных линий в слабых магнитных полях (квантовый эффект Зеемана) с принципиальной возможностью расчета множителя Ланде

мая 1989 г на Круглом столе, который проводил проф. Г. Фрёлих на Международной конференции в Киеве, было названо физикой живого.

декабря 1997 года удалось с помощью уникальной радиометрической системы, созданной в Научно-исследовательском Центре квантовой медицины “Отклик” (Киев, Украина) впрямую зарегистрировать неравновесную компоненту электромагнитного излучения человека именно в мм-диапазоне. Она составила величину 10-20 ÷ 10-21 Вт/Гц. В этот день гипотеза о физике живого превратилась в научное направление «Физика живого»[52,53].

Ясность в проблему вносит анализ экспериментальных исследований. Накоплен обширный клинический и экспериментальный материал, подтверждающий роль ЭМП. Многочисленными биофизическими экспериментами с использованием экранированных камер подтверждается, что электромагнитное поля окружающей среды один из регулирующих факторов в процессе роста и развития многоклеточных организмов или колоний одноклеточных (Опалинская, Агулова, 1984; Якунов, 1997)[14]. Получены экспериментальные данные о регистрации собственного излучения клетки в момент своего деления (Del Giudice et al., 1989). Установлено, что в некоторых диапазонах длин волн живые клеточные системы реагируют на сигналы, интенсивности которых сравнимы с уровнями теплового фона и естественных флуктуации (Тищук, Якунов, 1992). В экспериментах по изучению особенностей размножения одиночных клеток дрожжей в условиях электромагнитной изоляции показано, что межклеточные коммуникации, ответственные за макроскопическую когерентность колонии, имеют электромагнитную природу и установлен факт влияния внешнего электромагнитного фона на динамику клеточного размножения в начальной стадии образования колонии (Якунов, 1997). [29, 60] Таким образом, становится понятным, что о роли ЭМП в функционировании живых объектов заговорили многие ученые ХХ века, но открытие собственных характеристических частот человеческого организма сделали украинские ученые.

Для классической биологии поиск ответа на вопрос о сущности живого осуществлялся в рамках парадигмы эволюционизма, основания которой утвердились с признанием биологами теории Ч.Дарвина. Неклассическая биология связывала надежды описания сущности живого со сведением биологического к принципам термодинамики и квантовой механики. Парадигма постнеоклассической науки сделала возможной физику живого как науку о живом.

Таким образом, можно подвести итог и сказать, что квантовая медицина и физика живого, как ее составляющая, очень перспективное направление в науке заслуживающего особого внимания всего научного мира для дальнейшего его развития.[29,52].

1.2 Акупунктура как основа метода КВЧ-терапии

Особенность свойств мм-волн заключалась в том, что их активное биологическое воздействие на живые организмы проявлялось при крайне низком нетепловом уровне мощности. За этим скрывалось новое качество в эффектах взаимодействия ЭМВ с биосредами, которое стало отправным пунктом в формировании нового понимания роли мм ЭМВ в живой природе. В связи с этим была высказана продуктивная гипотеза об информационно-резонансном, а не энергетическом характере взаимодействия мм ЭМВ с биосредой. Таким образом, метод микроволновой (миллиметровой) резонансной терапии - это воздействие на человека при помощи микроволновых частот, даже не прикасаясь к нему через хорошо известные в восточной медицине точки акупунктуры - контрольные точки электромагнитного каркаса человека[10].

Акупунктура (или метод лечения воздействием на биологически активные точки) - одно из наиболее известных направлений традиционной медицины, основанных на древнекитайских практиках. Она является составной частью рефлексотерапии и заключается в воздействии с целью лечения и оздоровления на биологически активные точки организма. По-китайски метод лечения акупунктурой называется чжень-цзю-терапия (чжень - укол иглой, цзю - прижигание).

Из китайских источников известно, что вся энергетическая система организма человека состоит из 12 парных (главных) и 2 непарных Меридианов, которые объединяют 365 точек активного воздействия. Имеются ответвления от каждого меридиана к соответствующим органам, а внутри организма все внутренние ходы меридианов образуют из своих сплетений единый энергетический канал. На поверхности меридианы имеют различные соединительные каналы между парами меридианов (колатали). Непарные меридианы на выходе изнутри тела и на входе внутрь образуют кольцевые колатерали. В настоящее время из 365 классических точек акупунктуры известно название лишь 360 (сведения о пяти точках за прошедшие века были утрачены). Хотя к сегодняшнему дню найдено много новых меридианных и внемеридианных точек (и, возможно, те точки уже переоткрыты), но мы не знаем, какие именно из них относятся к классическим.

С древнейших времен постулируется, что по системе меридианов циркулирует жизненная энергия ци, совершающая свой оборот в течение суток. Она имеет двойственное происхождение: часть поступает из космоса (через дыхательную систему), а часть - из потребляемой пищи, воды и пополняет энергетическую систему меридианов. (Аналогичное понятие в Индии называется термином прана).

Энергия ци подразделяется на янское (мужское) и иньское (женское) начало. Максимальное наполнение меридианов энергией ян или инь длится всего два часа в сутки. Каждое из этих состояний отстает друг от друга на 12 часов. Янское состояние означает возбуждение, тепло, полноту, свет. Иньское - торможение, холод, темноту, пустоту.

Во время проведения сеанса очень важно в каждом конкретном случае правильно подобрать рецептуру точек, время суток для лечебного сеанса и продолжительность воздействия. Кроме того, манипулируя способом воздействия и временем воздействия, можно оказывать на точки так называемый тормозной или возбуждающий эффекты. Это было показано еще древними врачами, которые разработали различные правила расчета сочетания точек, противопоказания и показания к их применению на основе индивидуальных ритмов человека и ритмов окружающей среды.

Проведенные исследования динамики процессов электрической проводимости в точках акупунктуры у людей здоровых и с различными заболеваниями показали, каково участие этих точек в процессах поддержания гомеостаза организма (явление поддержания динамического постоянства внутренней среды организма). Информационными механизмами данного управления являются гомеостаты - элементарные единицы управления живых систем, которые объединяются между собой в сложные иерархические структуры. Их отличает важная особенность - обработка информации происходит одновременно по двум каналам, направленным навстречу друг к другу, то есть такие системы имеют внутреннее управляемое противоречие. Природа не случайно выбрала подобные схемы управления: они оказались ультраустойчивыми к помехам и одновременно весьма чувствительными к изменениям внутренних или внешних сигналов. Именно таким строением обладает система меридианов акупунктурной системы.

Необходимо также заметить, что БАТ имеет более низкое сопротивление электрическому току, нежели весь остальной кожный покров. Этот факт был открыт в начале 20 века французом де ла Фуйе. Чуть позже японец Накатани заметил, что электрическое сопротивление в БАТ изменяется в зависимости от функции органа, к которому принадлежит данная БАТ. Если орган активно расходует энергию, как, например, при воспалении, то сопротивление в БАТ падает. В противоположность, если в органе преобладают процессы, связанные с накоплением энергии или дегенерацией (развитие рубцов, опухолей, спаек), то сопротивление в БАТ начинает расти и нередко приближается к сопротивлению обычной кожи, а иногда и превышает таковое.

В заключение следует сказать, что метод акупунктуры, выдержав многовековой "испытательный срок" и обогатившись новыми достижениями современной науки, по сей день с успехом служит на благо людей. Он активно развивается в нашей стране, и занял достойное место в ряду наиболее эффективных методик современной медицины[15, 20, 30].

И в заключение необходимо сказать, что метод акупунктуры, который лежит в основе КВЧ-терапии, в сочетании с новейшими технологиями, позволит создать еще более совершенную методику для восстановления человеческого организма.

1.3 Биофизика взаимодействия ЭМИ с биообъектом

Механизм действия КВЧ-полей на организм складывается из двух процессов: первичного (непосредственного влияния микроволны на ткани организма) и вторичного - возникающих в ответ на него нейрорефлекторных и нейрогуморальных реакций целостного организма. Первичное влияние проявляется в зоне локального воздействия состоит из теплового и нетеплового компонентов. Тепловой компонент проявляется нагревом тканей за счёт эндогенного тепла, которое образуется в результате трения, возникающего при движениях свободных ионов электролитов тканей и колебаний дипольных молекул вокруг своей оси в процессе ориентировки их по направлению силовых линий электромагнитного поля, а также за счёт выделения тепла молекулами воды при поглощение ими энергии микроволн. Частота колебаний поля молекул воды совпадает с частотой КВЧ-колебаний, поэтому наибольшее образование тепла происходит в тканях, содержащих значительное количество воды - в крови, лимфе, мышцах, тканях паренхиматозных органов. Нетепловой (экстратермический, осциляторный) компонент механизма действия микроволн заключаются в различных внутримолекулярных физико-химических и электрохимических изменениях и в структурных перестройках, возникающих под влиянием энергии микроволн в сложных биоколлоидных системах (изменение осмотического давления, поверхностного напряжения, проницаемости клеточных мембран, коллоидного состояния цитоплазмы и межклеточной жидкости, ориентирование элементов крови и поляризованных ветвей белковой макромолекул в направление силовых линий электромагнитного поля, резонансное поглощение энергии колебаний отдельными макромолекулами, аминокислотами и др.). Эти изменения, при адекватной дозировки КВЧ-терапии, изменяют функциональное состояние клеток, тканей и органов. Соотношение теплового и нетеплового компонентов в действии микроволн определяется дозировкой воздействия - при малой мощности преобладает нетепловой, а при большой мощности - тепловой компонент. В лечебных дозах КВЧ-поля обладают противовоспалительным, бактерицидным, болеутоляющим, спазматическим действием. КВЧ-терапия оказывает регулирующее, стимулирующее влияние на нервную эндокринную систему, обмен веществ. Под действием КВЧ-полей отмечается нормализация тонуса магистральных и периферических сосудов, активация процессов микроциркуляции (ускорение тока крови в капиллярах, их расширение), регуляция сосудистой проницаемости, улучшение окислительно-восстановительных процессов и трофики тканей. МРТ, активируя адаптационно-трофические системы - симпатоадреналовую (преимущественно её симпатическое звено) способствует улучшению глюкокорнекоидной функции надпочечников и подавлению аллергических реакций, нормализации трофики синовиальной оболочки. КВЧ-терапия способствует улучшению проводимости периферических нервов, нормализации лабильности нервно-мышечного аппарата, уменьшению атрофии мышц, оказывает обезболивающее действие[22].

Однако единого мнения о физических механизмах взаимодействия миллиметровых волн с биологическими объектами не существует, так как неизвестно ключевое звено, связывающее метаболизм клетки с ЭМИ. Тем не менее, можно считать, что электромагнитное излучение низкой интенсивности является универсальным механизмом передачи информации как между живыми объектами, так и между клетками в пределах биологического объекта. Данное утверждение основано на двух убедительных фундаментальных положениях: способности живых объектов генерировать собственное и реагировать на внешнее излучение.

Были выдвинуты различные гипотезы относительно первичных механизмов такого воздействия на биологические объекты. В настоящее время наиболее признаны научные концепции московской и киевской школ.

·   Московская школа придерживается радиофизического подхода, согласно которому эффекты воздействия мм-волн связаны с возбуждением акустоэлектрических волн в мембранах клеток с признаками патологии с последующей генерацией клетками сигналов управления восстановительными процессами.

·   По мнению киевской школы электромагнитные поля миллиметрового диапазона изначально присущи всему живому и именно поэтому терапевтический эффект может реализовываться отдельными квантами внешнего воздействия (10-20-10-21) Вт/Гц·см2 Согласно гипотезе О. Бецкого и Петрова первичной мишенью для ЭМИ является не собственно клетка организма, а водная среда верхней части кожного покрова (водный матрикс организма), что приводит к повышению химической активности молекул структурированной воды живого организма. Далее по принципу триггерного эффекта возбуждение передается, как информационный сигнал, до уровня белков клеточной мембраны.

Существует также гипотеза, которая предполагает наличие так называемого корреляционного механизма активации собственных электромагнитных полей клеток организма при внешнем облучении. Выдвинута биоэнергетическая точка зрения на механизм взаимодействия ЭМИ мм-диапазона с биологическим объектом с отведением особой роли двойного резонанса при наличии модуляции мощности излучения. Поскольку конечный терапевтический эффект такого воздействия - восстановительные процессы, ликвидирующие патологию клетки - несомненно достигается энергозатратными биофизическими и биохимическими реакциями, то речь идет об инициировании внешним биоинформационным сигналом соответствующих энергетических процессов. ЭМИ мм-диапазона оказывает разностороннее воздействие на целостный организм и, в первую очередь, на процессы регуляции и поддержания гомеостаза. Реализация этого воздействия в значительной мере обеспечивается за счет субклеточных, клеточных и гуморальных механизмов регуляции функций и обусловлена рядом особенностей.

Одной из основных особенностей взаимодействия данного вида излучений с объектом-мишенью является его многоуровневый характер: эффекты воздействия проявляются на всех уровнях биологической организации организма, начиная с субмолекулярного. Уникальна еще одна особенность взаимодействия указанного излучения с биологическим объектом. В то время, как при воздействии практически всех факторов внешней среды на организм нарастание интенсивности воздействия сопровождается усилением отклонений параметров функциональной активности клеток, тканей, органов, систем от "физиологического" уровня, в механизме влияния мм-волн на биообъекты уникальной особенностью является возможность их резонансного взаимодействия с эндогенным ЭМИ биообъекта. Это явилось объективной предпосылкой для разработки методов использования данного вида излучения с целью направленной коррекции (нормализации) параметров гомеостаза организма независимо от отклонений, обусловленных патологией (повреждением) [22, 23, 29].

Возбуждение когерентных колебаний является природным механизмом саморегуляции клетки. В "нормальном" (стационарном) состоянии клетки не генерируют когерентных колебаний в мм-диапазоне. При изменении клеточного гомеостаза (переход в нестационарное состояние) возбуждаются указанные колебания и, действуя по принципу механизма обратной отрицательной связи на нарушенные функции клетки способствуют их восстановлению. При этом возбуждающиеся в клетке когерентные колебания в указанном диапазоне частот способствуют восстановлению именно тех структур, в которых произошли нарушения. Если по каким-либо причинам переход клетки из стационарного состояния в нестационарное не сопровождается генерированием когерентных колебаний, наложение внешнего ЭМИ мм-диапазона способно имитировать собственные колебания клетки, ускоряя процесс восстановления.

Понятие клеточные механизмы воздействия мм-волн на организм объединяет совокупность изменения метаболизма, структуры и функций клеток под влиянием данного вида излучения и возможной роли указанных изменений в реакциях, реализуемых на клеточном и надклеточных уровнях.

Основную роль в механизмах взаимодействия ЭМП КВЧ с биологическими тканями на молекулярном уровне играют колебания ионов и вращение молекул воды, которые собственно и приводят к нагреву тканей. Часть воды в них находится в связанном с белками состоянии (0,3…0,4 г воды на 1 г белка). При содержании белка примерно 25% от массы ткани, количество связанной воды составляет 10% от ее общего количества. Но некоторые ткани содержат значительно больше связанной воды, например ткани хрусталика глаза, в которой примерно 20% связанной воды.

В зависимости от силы связи частоты релаксации воды изменяются от 0,1 до 1 ГГц. На этих частотах искомая проводимость связанной воды может превышать проводимость чистой воды и электролитов, что должно привести к значительному выделению тепла в слое, связанной с белками, воды и как следствие - к ее «плавлению». Последнее является более вероятным в участках клетки с большим содержанием белка (митохондрии, ядра). В ядрах клеток содержится, кроме того, значительное количество ДНК, с которой тоже ассоциирована значительное количество воды.

Повышение концентрации ионов в середине клетки или в поверхностных слоях мембраны, которые имеют ионно-обменные свойства, также могут привести к неравномерному поглощению энергии ЭМП КВЧ и к возникновению микролокальных температурных градиентов на мембране, что должно повлиять на их проводимость. Возможность выявления этого эффекта вероятнее всего при воздействии ЭМП на частотах от 0,1 до 1 ГГц, на которых ионная проводимость больше, чем проводимость воды.

Насколько существенно описанные механизмы могут изменять нормальное функционирование клетки, сегодня неизвестно. В связи с этим следует подчеркнуть увеличение (почти в 2 раза) включение азотистых оснований в ДНК- клеточных ядер, и разрастания клеточной мембраны после облучения клеток ЭМП КВЧ. Зафиксирована, также значительно большая чувствительность раковых клеток к КВЧ-нагреву в сравнении с нагревом в водяной бане, что также объясняет микролокальный механизм взаимодействия ЭМП КВЧ с клеткой [33, 51].

В диапазоне ЭМП КВЧ лежат частоты вращения релаксации аминокислот, пептидов и аминокислотных остатков белков. Теоретически и экспериментально доказано, что никаких специфических эффектов, кроме тепловых, от возбуждения этих движений ЭМП ожидать нельзя, до появления напряжения поля в несколько киловольт на сантиметр. При таком напряжении наблюдаются эффекты насыщения диэлектрической проницаемости белков, что сопровождается их денатурацией.

В миллиметровом диапазоне длин волн предвидятся такие эффекты, которые индуцируются полем: вращение концевых групп аминокислотных остатков белков (-ОН, -NН₂), инверсия группы (-NН₂) и тунелирование протона в системах водных связей.

Рис. 1 Возможные молекулярные механизмы взаимодействия ЭМП с биологическими тканями на разных частотах.

Ученые высказывают предположение про возможные возбуждения колебаний в биологических макромолекулах в диапазоне частот 1011…1012 Гц, вследствие чего должны наблюдаться конформационные изменения, которые влияют на функциональные свойства макромолекул. Эти гипотезы основаны на распределении дипольных и механических свойств молекул биополимеров.

В 80-х гг. ХХ ст. было начато исследование действие излучение миллиметровых волн на биологические объекты разных уровней организации. Результатом таких исследований стало открытие частотно зависимых эффектов изменение скорости размножение клеток, их морфологических и биохимических свойств.

Тот факт, что миллиметровое излучение, которое поглощается в поверхностных слоях кожи, вызывает соответствующую реакцию клеток, указывает на непрямое действие ЭМП, которое осуществляется через промежуточные цепи. Вероятно, механизм этого эффекта имеет рефлекторный характер, впрочем, первичный механизм действия миллиметровых волн пока только обсуждается.

Следует заметить, что энергии квантов излучения КВЧ-диапазона слишком мала, чтобы заметно повлиять на структуру биополимеров. Наличие частотной зависимости биоэффектов, а также пороговых и «насыщающих» интенсивностей порядка 0,01…0,1 мВт/см2 указывает на нетепловую природу эффектов и не противоречит правомерности гипотезы про механизм биологического действия миллиметровых волн.

Биологические эффекты зависят от энергии (напряженности) электромагнитных волн. В зависимости от этого параметра различают слабые (нетепловые, низкоэнергетические, низкоинтенсивные) и сильные (тепловые) влияния. Условной границей их разделения является величина 10 мВт/см2 облучаемой поверхности. При такой напряженности излучения среднее повышение температуры тела человека не превышает 0,1 ⁰С, что на фоне целостного организма является физиологически незначительной величиной. Практически общепринятым является утверждение, что самые интересные биологические эффекты, наблюдаются при слабых воздействиях. В полной мере это касается миллиметровых волн, где низкоинтенсивные эффекты проявляется наиболее четко. Сильные тепловые воздействия называют энергетическими, а слабые, при наличии выраженного биологического эффекта - информационными. Биологические эффекты в КВЧ-диапазоне связывают с информационным характером воздействия.[41, 46].

Биологические эффекты, возникающие в результате воздействия миллиметровых волн, изучалось с использованием живых организмов, от микроорганизмов до организма человека и животных. Было так же выявлено, что биологический эффект может зависеть от частоты.

Рис. 2 Зависимость биологического эффекта от частоты воздействия.

Есть еще одна интересная особенность, которая заключается в том, что один и тот же биологический эффект проявляется во время изменения падающего напряжения в широких пределах, оставаясь в «коридоре» низких интенсивностей.

Рис. 3 Зависимость биологического эффекта от мощности воздействия.

Биологический эффект имеет пороговый характер. Энергоинформационное резонансное взаимодействие облучающего сигнала с клетками живых организмов подтверждает как регистрация биоинформационного излучения человеческого организма в миллиметровом диапазоне волн, так и непрямая регистрация на дециметровых волнах (1 ГГц) отклика на облучение миллиметрового диапазона(50…52ГГц). Важно, что непрямая регистрация на 1ГГц проявляется только при мощностях Р<1…10 мкВт, а частота отклика воды и человеческого организма совпадает.

Влияние слабых и очень слабых уровней сигналов на биосистемы объясняется следующим образом:

·        Совпадение частот колебаний клеточных структур с частотами КВЧ-диапазона (Частота колебаний ДНК- 2×10⁹…9×10⁹ Гц, хромосом- 7,5×1011…1,5×1013 Гц, генома клетки человека- 2,5×1013 Гц), что свидетельствует о их частотном родстве.

·        Низким уровнем собственного электромагнитного излучения в миллиметровом диапазоне частот, который составляет 1×10-21…1×10-23 Вт/Гц для шумовых сигналов или 3×10-12…3×10-14 Вт для монохроматических сигналов и обеспечивает биоинформационный обмен между клетками биообъекта.

·        Возможностью биосистем высокого уровня организации (людей) реагировать на подпороговые уровни ЭМИ и способностью биосистем накапливать влияние ЭМП.

На основании приведенных данных делается вывод, что реакция клеток организма человека начинается с уровня 1×10-23 Вт/Гц. По уровню собственного ЭМИ человеческий организм находится в пределах 1×10-21…1×10-23 Вт/Гц[56].

1.3.1 Электрофизические свойства тканей животных и людей

Электрофизические свойства биологических тканей в КВЧ диапазоне исследованы в работах Шванна и его сотрудников, которые провели измерение значений ε и σ на примерах разнообразных тканей в широком диапазоне частот.

В табл. 1 представлены обобщенные из разных работ значения диэлектрической проницаемости, электропроводимости, тангенса угла потерь, длина волны в ткани, глубина проникновения энергии для тканей с большим и малым содержанием воды в зависимости от частоты ЭМП.

К тканям с высоким содержанием воды относят мышцы, кожу, печень, почки, сердце; малое содержание воды в жировой, костной ткани, а также в костном мозге. Содержание воды в крови значительно больше, чем в других тканях, и равно в среднем 83%.

Как вывод из данных таблицы 1 можно сказать, что с увеличение частоты диэлектрическая проницаемость тканей значительно уменьшается, а проводимость увеличивается, соответственно с теорией Дебая. При этом необходимо внести поправки, которые отображают присутствие белков и липидов с более низким значением ε и σ и в сравнении с водой, частота релаксации молекул которой выше, частоты релаксации молекул других компонентов ткани (она изменяется от 9 до 25 ГГц при изменении температуры от 0 до 37 ⁰С)

Таблица 1. Электрические свойства тканей человека


На рисунке 4 представлены теоретические частотные зависимости основных составных проводимости биологических тканей с высоким содержанием воды, полученные на предположении, что 75% массы ткани составляет вода с растворенными в ней ионами неорганических солей, 25%-белок, содержание липидов очень небольшое. Как видно из рис.4 в КВЧ-диапазоне проводимость биологических тканей с большим содержанием воды и соответственно интенсивность поглощения ЭМЭ обусловлена проводимостью воды и ионов. На частотах примерно 1 ГГц ионная проводимость превышает проводимость воды, при этом проводимость связанной воды становиться больше, чем свободной.

Рис.4 Относительные вклады проводимости свободной воды 1, связанной воды 2, белков 3, ионов 4 в общую проводимость ткани с высоким содержанием воды в зависимости от частоты.

Таким образом, ткани с малым содержанием воды имеют на порядок меньшие значения диэлектрической проницаемости и проводимости, а их частотные зависимости подобны к частотным зависимостям тканей с высоким содержанием воды.

Рассмотренные данные обобщенных электрофизических свойств тканей с высоким и малым содержанием воды, а также рассчитанные из них, значения глубин проникновения и длины волн в ткани, необходимы для качественных оценок пространственного распределения ЭМП в объеме биологических тканей. Что позволяет приближенно выбрать частоту и интенсивность ЭМП КВЧ диапазона для его использования в медицине.

Более точные измерения незначительных отличий в значениях диэлектрических параметров тканей, а также изменение электрофизических свойств тканей в зависимости от их состояния представляют значительный интерес для оценки перспектив создания диагностических КВЧ- приборов.[46, 57].

1.3.2 Особенности радиотеплового излучения биообъекта

При проведении исследований взаимодействия электромагнитных волн низкой интенсивности с биологическими тканями необходимо учитывать их условия распространения в биообъектах. Одним из основных параметров, определяющих эти условия, является диэлектрическая проницаемость биотканей. Принято использовать этот параметр как комплексную величину:

 

ε = ε1ε2, (1)

где ε2 - определяется проводимостью.

Распространение волн в поглощающей среде характеризуется длиной волны в среде λС и глубиной скин-слоя Іск, определяемом как расстояние, на котором интенсивность излучения уменьшается в е 2 раз. Эти величины можно записать, как:

 (2)

где n и α - соответственно показатели преломления и затухания электромагнитных волн;

λ - длина волны в свободном пространстве.

Величины n и α связаны через ε следующим способом:

, . (3)

Обширный экспериментальный материал, свидетельствует, что ЭМИ мм-диапазона способно оказывать воздействие практически на все известные типы клеток (нервные, мышечные, соединительно-тканные, рецепторные и др.) в модельных системах любого уровня организации биологического объекта исследований (одиночные клетки, культура клеток, колонии микроорганизмов, культура ткани, изолированные органы, целостный организм)[41,46].

Результаты экспериментально-теоретических исследований легли в основу новейших методик лечения: микроволновой резонансной терапии (МРТ) и КВЧ-терапии, нашедших широкое применение в клинической практике.

При наличии границы, на которой диэлектрическая проницаемость изменяется прыжком, электромагнитные волны испытывают частичное отражение. Для биоткани характерной является граница кожа - жир, диэлектрические проницаемости этих тканей различаются приблизительно на порядок. Коэффициент отражения по мощности r выражаются через параметры первой (n1 χ1) и второй (п22) среды следующим образом:

, (4)

Определение диэлектрической проницаемости реальных биотканей проводилось измерением коэффициента отражения при прохождении радиоволн через образцы тканей или непосредственно на живом объекте.

Следует отметить, что частотная зависимость диэлектрической проницаемости биотканей с высоким содержимым воды определяется параметрами воды.

Для крови зависимость ε и k от длины волны λ описывается формулами:

, , (5)

где λ-длина волны, см;

k - проводимость, 1/см;

р - объемная часть фракции, заполненной макромолекулами;

k0- низкочастотная проводимость для частот 1 -10 МГц.

Последний параметр зависит от содержания соли и равняется приблизительно половине низкочастотной проводимости физиологического раствора.

В тканях с низким содержанием воды предложить подобную формулу сложно, так как диэлектрическая проницаемость зависит от процента содержания свободной и связанной воды. К последней относится та часть воды, которая соединена с поверхностью макромолекулярных компонентов; ее параметры еще недостаточно изучены.

Нужно также заметить, что кроме содержания воды в тканях, радиотепловое излучение биообъектов определяет также характерная структура поверхностного слоя биоткани, для которой характерно чередование слоев: кожа, жир, мышцы. Кожа и мышцы относятся к тканям с высоким содержанием воды, то есть с высокой диэлектрической проницаемостью, для жира характерным является приблизительно на порядок меньшее значение диэлектрической проницаемости. Это приводит к отражению радиоволн на границе 2-х тканей. Отличие слоев по толщине приводит к изменению результирующего коэффициент отражения от всей структуры r и соответственно ее способности к излучению, которая равна:

χ = 1- r

Кроме того, в некоторых частях изменение излучательной способности связана с близким расположением к поверхности костной ткани, которая имеет низкую диэлектрическую проницаемость.

Также необходимо привести экспериментально измеренное распределение излучательной способности человека: 1-вид спереди, 2-вид сзади. (Цифры показывают величину излучательной способности в процентах от излучательной способности черного тела) [2, 56].

Рис. 5 Экспериментально измеренное распределение излучательной способности человека: 1 - вид впереди; 2 - вид сзади (цифры показывают величину излучательной способности в процентах от излучательной способности черного тела)

1.3.3 Распределение мощности поглощения ЭМП в биологических тканях

Величина мощности поглощения ЭМП и ее распределение в середине биологического объекта зависит как от электрических свойств ткани, так и от формы и размеров объекта. Большое значение при этом имеет ориентация биообъекта в ЭМП, наличие заземления, отражающих поверхностей, а также других биообъектов.

В области длин волн, меньших, чем размеры объекта, мощность поглощения слабо зависит от формы объекта и может быть вычислена по формуле:

Р= S∙P0 (1-k)

Площадь поперечного сечения объекта.0 - Плотность потока мощности, которая падает на объект.

k- коэффициент отражения.

Для измерения интегральной мощности, которая поглощается биообъектом, удобно использовать волноводные линии и камеры. Мощность поглощения определяется по результатам измерения падающей, проходящей и отраженной мощности, которая находится в середине волновода или камеры.

Из-за сложного внутреннего строения тела человека точные расчеты мощности поглощения практически невозможно. Но за последние десять лет были разработаны методы, которые базируются на регистрации скорости изменения температуры в разных частях объекта. В результате проведенных исследований четко были выделены три области поглощения:

ü  при λ >> α поглощение быстро возрастает с возрастанием частоты;

ü  при λ= α наблюдается несколько максимумов поглощения;

ü  при λ<< α поглощение постепенно уменьшается с ростом частоты.

Известно, что глубина проникновения уменьшается с увеличением частоты ЭМП. На низких частотах она обратно пропорциональна квадратному корню от частоты.

Таким образом, рассмотрение основных физических закономерностей взаимодействия ЭМП КВЧ с биологическими объектами (такие исследования эффективно ведутся последнее время), позволяет сделать вывод в отношении сложного характера этого взаимодействия, что определяется, с одной стороны, особенностями состава и неоднородностью электрических свойств биообъектов, а с другой - их зависимостью от параметров ЭМП, главным образом от частоты.[39, 56].

Следует также подчеркнуть, что многие аспекты сложного взаимодействия ЭМИ в диапазоне КВЧ еще требуют детального изучения, но те закономерности, которые уже известны и были раскрыты в данном разделе, помогут в исследовании влияния ЭМИ низкой интенсивности в диапазоне КВЧ на биофизические параметры человека, а конкретно на его ЭКС, о чем пойдет речь в последующих разделах данной работы.

2.  
МАТЕРИАЛЫ И МЕТОДЫ

электромагнитное излучение терапия язва

Исследования, проводились на базе Клиники квантовой медицины, г.Константиновки.

В ходе работы исследовали базу данных пациентов проходивших диагностику и лечение в клинике. Для исследования эффективности метода, была выбрана группа пациентов с диагнозом язвы желудка и двенадцатиперстной кишки. Так как, во-первых, данное заболевание относится к разряду наиболее распространенных, смертность от которой, занимает одно из значительных мест среди смертности от заболеваний внутренних органов, а во-вторых, эта патология относится к разряду наиболее показательных, так как есть возможность сравнить результаты КВЧ-терапии с другими ранее известными методами (ФГДС, УЗИ). Кроме того, широко применяемая в настоящее время комплексная медикаментозная терапия, направленная на различные патогенетические механизмы заболевания, существенно не улучшает результаты лечения: сроки заживления хронических язв остаются продолжительными, результаты терапии нестойки.

Общие положения. КВЧ-терапия проводится врачом, имеющим специальную медицинскую подготовку по применению ЭМИ КВЧ-диапазона, обладающим широким клиническим кругозором. Применение медикаментозных средств или других методов при КВЧ не рекомендуется, за исключением строгих показаний. КВЧ-терапия проводится с согласия больного после ознакомления его с данным методом лечения, с соблюдением всех норм и правил медицинской деонтологии и врачебной этики, в специально оборудованном помещении, исключающем негативные эмоциональные и физические воздействия на пациента. Условия безопасности должны быть соблюдены в соответствии с требованиями, установленными к медицинским аппаратам данной категории сложности.

Применение же КВЧ-терапия является новым, с точки зрения фундаментальных наук, обоснованным, высокоэффективным, экономически оправданным методом безмедикаментозного лечения язвенной болезни двенадцатиперстной кишки и желудка. Она основана на особенностях восприятия организмом человека ЭМИ. КВЧ оказывают общее действие на организм больного, осуществляют общую коррекцию многочисленных нарушений при язвенном процессе, положительно влияет на течение сопутствующих заболеваний. При правильном применении не вызывает осложнений и отрицательных побочных эффектов

При внедрении метода КВЧ-терапии необходимо прежде всего определить показания и противопоказания к данному методу лечения.

Показания. Следует отметить, что только наличие язвы желудка или двенадцатиперстной кишки не всегда является показанием к назначению КВЧ-терапии. Так называемые "симптоматические" язвы не являются следствием язвенной болезни и не служат показанием к КВЧ-терапии. Также отсутствие язвы иногда (при проведении профилактической КВЧ терапии) не может препятствовать назначению данного вида лечения. При определении показаний к КВЧ-терапии необходимо руководствоваться стадиями течения язвенной болезни, а не одним лишь наличием или отсутствием язвенного дефекта. Но наличие у больного клинических проявлений язвенной болезни, язвенной «ниши», выявленной при фиброгастродуоденоскопии, является показанием к КВЧ- терапии.

Противопоказания:

-боли в животе, указывающие на необходимость оперативного вмешательства (клиника «острого живота»)

беременность

осложнения язвенной болезни, требующие хирургического вмешательства перфорация, кровотечение и малигнизация.

При пенетрации язвы и стенозе выхода из желудка КВЧ-терапия может использоваться при подготовке к операции для коррекции нарушений, обусловленных язвенным процессом.

КВЧ-терапию не следует проводить:

у женщин в период менструации

при язвенной болезни до получения результатов морфологического исследования биоптатов язвы.

КВЧ-терапия, при язвенной болезни желудка, проводится во всех случаях при наличии противопоказаний к оперативному лечению в связи с сопутствующими заболеваниями. Перенесенные в прошлом инфаркт миокарда и инсульт не является противопоказанием к КВЧ-терапии язвенной болезни.

Аппаратное обеспечение. Как источник электромагнитных излучений использовали генератор КВЧ низкой интенсивности «ARIA-SC», данный аппарат относят к генераторам когерентных колебаний.

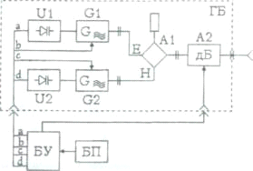
Рис.6 Функциональная схема генератора КВЧ «ARIA-SC»

БП - блок питания; БУ - блок управления; ГБ - генераторный блок.

Высокая стабильность выходной частоты обеспечивается как применением диодов Ганна, так и дополнительной термостабилизацией (термостатированием) генераторного блока, а также выбором режима работы КВЧ-генератора и использованием на выходе устройства второй гармоники (2/с) сигнала.

Сравнение выходных характеристик "АRIА-SС" с характеристиками стандартного генератора Г4-142 этого диапазона частот показало преимущество "АRIА-SС" в области чистоты спектра и уровня собственных шумов, равномерности уровня выходной мощности, что позволяет использовать этот аппарат для эффективного лечения различных заболеваний.

Блок управления включает в себя панель управления, микропроцессор, который управляет режимом работы генераторов: последовательностью включения, установкой частоты и уровня выходной мощности, режимами модуляции и временем сеанса, цифровыми индикаторами режимов работы, установки выходной частоты, уровня мощности, времени работы, узлом звуковой сигнализации.

Основные технические характеристики аппарата "АRIА SС":

0  диапазон рабочих частот 53-63 ГГц ("АRIA-SС-М" - имеет диапазон 48-63 ГГц);

1  абсолютная погрешность установки частоты не более ±40 МГц;

максимальная мощность излучения не более 5 10Вт;

0  диапазон изменения уровня выходной мощности от 0 до 50 дБ с шагом 5 дБ (от 50 мкВт до 0,5 нВт);

1  неравномерность выходной мощности в полосе рабочих частот укладывается в диапазон ±2 дБ;

2  напряжение питания 220/120 В;

3  мощность потребления - 70 ВА.

Использование встроенной микроЭВМ позволило полностью автоматизировать управление параметрами аппарата, а также реализовать следующие дополнительные режимы работы:

4  перестройку частоты с шагом 10 МГц в полосе рабочих частот.

Изменение частоты на каждом шаге производится через 30+5 сек или через 1 сек (ускоренный режим):

5  автоматическое свипирование частоты с периодом 0,1 сек. в интервале ±10 МГц или в интервале ±100 МГц в окрестности установленного значения частоты;

6  автоматическое свипирование частоты с периодом 5-10 сек в половине диапазона рабочих частот - от 53 до 58 ГГц либо от 58 до 63 ГГц:

7  работу аппарата с персональным компьютером через стандартный интерфейс RS-232.

Обеспечение рассмотренных режимов расширяет возможности использования аппарата "АRIА-SС" в медицинской практике и повышает эффективность лечения.[32, 53].

При анализе эффективности воздействия электромагнитных излучений КВЧ-диапазона в терапевтической практике лечения заболеваний ЖКТ использовался первый режим работы генератора, т.е. подбор частоты с шагом 10 МГц в полосе рабочих частот 48-63 ГГц. Терапевтическая частота определялась индивидуально по сенсорным реакциям, проявляющимся ощущениями в животе или других участках тела больного, в виде так называемого «отклика».

Критерием выбора терапевтической частоты служило наличие достаточно четко выраженной комфортной реакции, локализующейся в эпигастральной области или максимально близкой к ней и проявляющейся ощущением тепла, «перистальтики», «легкого массажа», «вибрации», исчезновением болей, появлением привкуса во рту. В ряде случаев возникают общие реакции организма, которые проявляются чувством расслабленности, сонливости, снятием чувства тревоги, напряжения, эмоциональным подъемом, а иногда чувством эйфории, снижением артериального давления на 10-20 мм рт. ст. или урежением пульса на 10-15 ударов в мин. и др. Нередко наблюдается как местная, так и сенсорная реакция. При ослаблении сенсорных реакций и сохранении после 3-5 сеансов болевого и других симптомов язвенной болезни, больных дальнейшее воздействие ЭМИ КВЧ-диапазона следует проводить на симметричную, контралатеральную точку акупунктуру на той же частоте. При этом у большинства больных интенсивность сенсорных ощущений усиливается, исчезает болевой синдром.

Если в процессе лечения появляются неприятные, дискомфортные ощущения (чувство тяжести, давления в эпигастральной области, холод и т.д.) и усиление болей, следует провести повторный поиск частот с комфортными сенсорными реакциями или изменить точку воздействия.

Первые два сеанса очень важны, так как именно на них определяется терапевтическая частота и подтверждается правильность ее выбора.

Подбор терапевтической частоты и лечение начинают с точки Е36 (III-36). В случае получения комфортной реакции, снятия или уменьшения болевого синдрома точка Е36 остается терапевтической на весь курс лечения. При отсутствии сенсорной реакции и терапевтического эффекта в течение 1-2 дней подбор частот проводят на Gi 4 (II-4). При отрицательном результате и особенно если не снимается болевой синдром, воздействуют затем на одну из точек T4 (XIII-4), P1 (I-1), AT-83, AT-87, AT-88, AT-104, AP-83, AP-87,AP-88, AP-55, AP-29.

Зона воздействия. Один из важных моментов методики.

Воздействие производится на биологически активные точки (БАТ). Самое главное - подобрать правильно БАТ в зависимости от вида патологии и состояния больного. Зоной воздействия должна быть зона кожи человека.

Отметим важнейшие анатомо-функциональные особенности БАТ:

.        Проекция БАТ на поверхность кожи имеет размеры в несколько квадратных миллиметров

.        Обнаруживаются у человека с момента рождения и располагаются идентично у разных индивидуумов

.        Визуально не отличается от рядом лежащих участков кожи

.        Более чувствительны к прессации в сравнении с окружающими зонами, при определенных заболеваниях некоторые точки становятся болезненными при надавливании, что имеет диагностическое и терапевтическое значение

.        В области БАТ обнаруживается более высокая концентрация чувствительных образований: экстерорецепторов, проприорецепторов, терминалей вегетативных периваскулярных сплетений

.        Визуально не отличается от рядом лежащих участков кожи

.        Характеризуются более интенсивными метаболическими процессами и усиленным поглощением кислорода.

.        Обладают особыми биофизическими свойствами: уменьшения ЭКС в сравнении с окружающими участками, увеличение инфракрасного излучения, определенная направленность электротепловых биоэнергетических преобразований.

Отмеченные особенности объясняют более выраженный эффект воздействия на БАТ по сравнению с окружающими тканями.

Исходя из выше сказанного, становится понятным, почему во время КВЧ-терапии воздействие осуществляют на БАТ. Количество БАТ на которые производится воздействие варьирует от 2-х до 8-ми (в среднем 4).

Облучению подвергается зона, в среднем диаметром 0,3-1,0 см.

Считаем, что можно применять с тем же эффектом и другие зоны, отвечающие вышеперечисленным требованиям.

Экспозиция сеансов КВЧ-терапии. Один из самых ключевых вопросов методики.

Длительность одного сеанса КВЧ терапии: 20-30 мин. (каждая точка до 5 мин).

Плотность потока мощности составляла 10-21 -10-22 Вт Гц/см2.

Минимальное и максимальное количество процедур. Курс лечения состоит из 5-10 сеансов, проводимых ежедневно. В выходные дни допускается перерыв.

При полном купировании болевого синдрома и наступлении клинической ремиссии заболевания, даже если при контрольной фиброгастродуоденоскопии выявлено, что язва не зажила, лечение следует прекратить или провести не более 1-2 сеансов, независимо от того, сколько их было проведено ранее. Продолжение лечения при этом грозит обострением болей, увеличением симптомов и появлением мелких эрозий, выявляемых при фиброгастродуоденоскопии.

Количество сеансов на курс лечения определяется клиническими наблюдениями, контрольными клинико-лабораторными исследованиями, а также путем изучения влияния ЭМИ КВЧ-диапазона на иммунный статус больного, биоэнергетические процессы, нейроэндокринную систему и нормализацию соотношения «агрессивных» и «защитных» факторов ульцерогенеза.

Положительное влияние КВЧ-терапии на основные патогенетические звенья язвенной болезни и на нарушения, вызвавшие патологический процесс, проявляется, как правило, после 5-6 сеансов лечения положительная динамика этих показателей практически не наблюдается.

В случаях, когда при наступлении клинической ремиссии язва полностью не зажила, консервативное лечение лекарствами препаратами или другими методами нецелесообразно. Язва, как правило, через 2-3 недели заживает самостоятельно. Подтверждением этому служит контрольная фиброгастродуоденоскопия. Если же язва в эти сроки не заживает и не наступает клиническая ремиссия, необходимо более тщательно изучить особенности течения язвенной болезни у данного больного и, в случае отсутствия показаний к оперативному лечению, повторить курс КВЧ-терапии через 21-30 дней после первого курса.

Отсутствие рубцевания язвы после нового курса КВЧ-терапии служит показанием к оперативному лечению.

"Щадящий" режим облучения у крайне тяжелых больных. Больные с 4-й стадией тяжести язвенной болезни требуют особого подхода в лечении рецидива. Следовательно, режим лечения должен быть щадящим, т.е. сочетание активного КВЧ-воздействия с промежутками отдыха. Практически в клинике применяются два варианта "щадящей" КВЧ-терапии:

) Сеансы КВЧ-терапии назначаются не ежедневно, как обычно, а через день;

) Назначаются краткие курсы КВЧ-терапии (по 5 сеансов) с перерывом по 2 недели между ними.

Тактика проведения процедуры. Во время процедуры пациент находится в положении лежа. Точки выбираются на каналах, связанных с функцией больного органа. Например, при язвенной болезни 12 перстной кишки и желудка используются БАТ на меридианах желудка - (Е), на меридиане поджелудочной железы и селезенки-(PR), и на меридиане желчного пузыря - VB.

На меридиане наиболее информативными считаются точки "Пособники", которые можно сочетать с точками "Тревоги". Можно использовать точки с температурной асимметрией или точки в области больного органа. Не исключаются и другие варианты наблюдаемых точек. Через 5-10 минут после подготовки пациента начинается сеанс лечения. Источником ЭМИ миллиметрового диапазона служит «ARIA-SC». Облучению подвергается зона, соответствующая, размером 0,3-1,0 см в диаметре.

Сочетание КВЧ-терапии с другими методами лечения. Один из самых трудных вопросов в понимании лечащими врачами. Наши традиции не представляют лечение без комплекса различных методов с обязательным включением медикаментозных средств. Но мы считаем, что следует проводить как моно КВЧ-терапию, так и в сочетании с лекарственными препаратами, но только в случае крайней необходимости и с определенными ограничениями. Здесь несколько причин. Во-первых, применение лекарственных препаратов приводит к различным токсическим и другим побочным реакциям. Во-вторых, сочетание КВЧ-терапии с препаратами, ингибирующими желудочную секрецию, приводит к более частым ранним рецидивам после окончания лечения по сравнению с моно КВЧ-терапией, а сочетание с репарантами способствует образованию более грубого рубца, вследствие конкурирующего взаимодействия разрастающейся соединительной ткани (результат воздействия репарантов) и активной пролиферации железистого и покровно-ямочного эпителия слизистой оболочки (результат КВЧ-терапии) [11, 13]. В-третьих, традиционная медикаментозная терапия в некоторых случаях приводит к ухудшению некоторых параметров компенсаторной системы организма.

Особенности ведения больных после окончания курса КВЧ-терапии. Следует помнить, что один курс КВЧ-терапии не избавит больного от язвенной болезни. Для достижения длительной стабильной ремиссии необходимы организационные мероприятия, включающие диету, динамическое диспансерное эндоскопическое наблюдение и профилактические курсы КВЧ-терапии.

После окончания КВЧ-терапии (заживление язвы на стадии "красного рубца") необходимо рекомендовать больным включать в диету продукты, богатые природными антиоксидантами (растительные масла, мед и продукты пчеловодства, мясо, овощи). Это особенно важно в первые месяцы после окончания КВЧ-терапии для повышения антиоксидантного защитного статуса организма.

Для своевременного выявления у больных рецидива язвы ("безболевой формы") или предъязвенного состояния ("неполные" эрозии у больных язвенной болезнью) необходимо проводить диспансерное эндоскопическое наблюдение за больными. Данное наблюдение включает эндоскопический контроль с интервалом 3-4 месяца независимо от наличия или отсутствия клинических проявлений рецидива.

Профилактическая КВЧ-терапия язвенной болезни.

Принцип применения миллиметровых волн для профилактики рецидива заболевания основан на способности КВЧ-терапии повысить защитные, компенсаторные механизмы организма, что позволит организму противостоять агрессивным внешним и внутренним факторам. Профилактическую КВЧ-терапию можно проводить в двух стадиях течения язвенной болезни. Во-первых, при эндоскопическом предъязвенном состоянии ("неполные " эрозии у больных язвенной болезнью). В этом случае мы назначаем 10 сеансов КВЧ-терапии по обычной методике с обязательным эндоскопическим контролем; лечение проводим до полного заживления эрозий или решения о неэффективности лечения. Во-вторых, при биохимическом предъязвенном состоянии (период истощения компенсаторных защитных механизмов организма). Данный период проявляется за 1-1,5 месяца до предполагаемого рецидива. Предполагаемый рецидив можно определить на основании анамнеза болезни. При данной методике профилактического лечения нами проводятся 10 сеансов КВЧ-терапии без контрольной эндоскопии.

3.    
РЕЗУЛЬТАТЫ И ОБСУЖДЕНИЯ

3.1   Оценивание эффективности метода КВЧ-терапии на примере лечения язвы желудка и двенадцатиперстной кишки

Критериями эффективности КВЧ-терапии служат: наступление клинической ремиссии заболевания, результаты контрольной фиброгастродуоденоскопии и ультразвукововой диагностики желудка. Нормализация секреторной и моторной функции желудка и нормализация соотношения «агрессивных» свойств желудочного сока и «защитных» факторов слизистой желудка, устранение дисгормоноза, коррекция иммунного статуса и биоэнергетики. Некоторые из этих показателей могут служить и прогностическим тестом. Так уже после первого сеанса КВЧ-терапии наблюдается не только значительное увеличение по сравнению с исходными данными количества Т- и В-лимфоцитов и их субпопуляций, но и нарастание их функциональной активности, что коррелирует с клиническим улучшением.

Важным является выбор дальнейшей лечебной практики после курса КВЧ-терапии. Как и при других способах лечения, больные нуждаются в рекомендациях, способствующих продлению ремиссии язвенной болезни: соблюдение режима питания, труда и отдыха, здорового образа жизни (отказ от курения, злоупотребления алкоголем) и другое. Больным у которых рецидивы заболевания носят четко выраженный сезонный характер, в качестве противорецидивного лечения в период ожидаемого обострения можно проводить по 3-4 сеанса КВЧ. Однако наиболее рациональными рекомендациями следует считать обращение больных для повторного курса КВЧ-терапии в первые дни обострения язвенной болезни. В таких случаях для купирования болевого синдрома и продления ремиссии заболевания достаточно провести не более 3-5 сеансов, а проведение контрольной фиброгастродуоскопии не обязательно. Соблюдение этих рекомендации позволяет увеличить время ремиссии язвенной болезни, значительно сократить сроки лечения, количество дней нетрудоспособности и осложнения при рецидиве заболевания.

Эффективность КВЧ-терапии. В ходе данной работы была проведена статистическая обработка данных пациентов, прошедших диагностику, а в дальнейшем и лечение в клинике квантовой медицины.

Из результатов проделанной работы стало ясно, что максимальное количество заболеваний принадлежит нарушениям в функционировании ЖКТ. Это видно из таблицы 2

Таблица 2. Количественное соотношение патологий в различных функциональных системах


Кол-во пациентов

%

ЖКТ

1013

70

Сердечно-сосудистая с-ма

135

22

Опорно-двигательная с-ма

135

10

Мочеполовая с-ма

68

19


При этом среди заболеваний ЖКТ лидирующие позиции по количеству пациентов с данным диагнозом занимают гастродуодениты, язва желудка и двенадцатиперстной кишки, а также хронические холециститы, их процентное соотношение показано в таблице 3. На долю остальных заболеваний приходится незначительный процент.

Таблица 3. Количественное соотношение патологий ЖКТ

 

Кол-во пациентов

Заболевания ЖКТ

Гастродуоденит

Язва желудка и двенадцатиперстной кишки в стадии обострения

Хронический холецистит

Общее кол-во пациентов

223

202

554

%

22

20

41


В дальнейшем, в ходе работы, нами будет рассмотрена эффективность лечения конкретно язвы желудка и двенадцатиперстной кишки.

Об эффективности же данного метода, при лечении язв, можно судить по динамике электрокожного сопротивления, ориентируясь на него как на биофизический показатель организма человека. Этот показатель информативен, так как отображает состояние всех органов и систем пациента на момент начала лечения и в ходе него. Кроме того, именно данный метод является в клинике общедиагностическим.

Для оценки эффективности нами была взята группа больных, состоящая из 39 пациентов клиники, получивших диагноз язвы желудка двенадцатиперстной кишки. Основные жалобы соответствовали типичному для обострения язвы течению заболевания.

Диагноз всем пациентам, которые проходили лечение в клинике, был поставлен на основании общей диагностики, проводимой в клинике, а также подтвержден лабораторными исследованиями (ФГДС, УЗД).

Пациенты данной группы заболевания были разделены на 3 возрастные категории, каждая из них отличается по количественному составу, что отображено в табл. 4 и компенсационным свойствам.

Таблица 4. Соотношение кол-ва пациентов в возрастных группах


Возрастные группы


17-30

30-45

45-70

Кол-во пациентов

3

9

27

процентное соотношение, %

8%

23%

69%


Хорошо иллюстрирует соотношение возрастных групп следующая диаграмма:

Рис. 7 Процентное соотношение возрастных групп.

Также, исходя из данных табл. 4 и рис. 8 понятно, что 3-я возрастная группа 45-70 лет явно преобладает, так же нужно заметить, что 1-я группа (17-30 лет) достаточно малочисленна.

Здесь необходимо еще раз подчеркнуть, что для лечения каждой нозологии разработана специальная программа, в которой учитываются индивидуальные особенности пациента (возраст, давность заболевания, функциональное состояние на момент начала лечения, и пр.), а исходя из этого автоматически подбираются для воздействия меридианы и БАТ, а также соответствующие режимы и параметры воздействия (частота, модуляция, экспозиция, локализация).

Для лечения язвы желудка и двенадцатиперстной кишки воздействуют на меридианы:меридиан желудка,меридиан поджелудочной железы-селезенки,меридиан желчного пузыря.

Возрастная группа 17-30 лет.

Рис.8 Динамика ЭКС на меридианах E, VB, RP до и после лечения.

Из диаграммы видно, что в возрастной группе 17-30 лет показатели ЭКС до лечения находится в области «болезни», данное утверждение отображают столбцы RP.R, E.R, VB.R и RP.L, E.L, VB.L, обозначающие показатели с правой и левой стороны соответственно (выделены на диаграмме оттенками синего цвета), и эти показатели ЭКС находятся в среднем в диапазоне от 50 до 80 усл. ед. Также следует заметить, что ЭКС у большинства пациентов данной группы находится в положительной области, что свидетельствует о хороших компенсационных свойствах организма (хороший иммунитет, высокая активность защитных механизмов).

После КВЧ-терапии ЭКС снижается в среднем до уровня нормы, это характеризуют столбцы RP.Rz, E.Rz, VB.Rz и RP.Lz, E.Lz., VB.Lz. (отображены красным цветом на диаграмме) находящиеся в диапазоне от 25 до 55 усл. ед. и стремятся к норме, которая отображена зелеными столбцами.

Очень важно отметить, что в процентном отношении изменение ЭКС стремится к норме на меридиане RP на 40%, на меридиане Е на 38% и на 50% на меридиане VB соответственно.

Возрастная группа 30-45 лет.

Рис. 9 Динамика ЭКС на меридианах E, VB, RP до и после лечения

По выше приведенной диаграмме можно сказать, что в возрастной группе 30-45 лет показатели ЭКС находятся в большинстве своем области «болезни», об этом говорят столбцы выделенные оттенками синего цвета (темно синий- RP.R, RP.L, синий- E.R, E.L, голубой- VB.R, VB.L), примерно в диапазоне 65-80 усл. ед., и только у незначительной части в области «хронической болезни», диапазон 80-95 усл. ед.

Компенсационные свойства в этой группе выражены менее ярко, чем в предыдущей, это отражается на диаграмме количеством столбцов в отрицательном диапазоне.

После курса лечения показания ЭКС у всех пациентов проявили положительную динамику (меридианы RP.Rz, E.Rz, VB.Rz и RP.Lz, E.Lz., VB.Lz справа и слева соответственно, выделенные на диаграмме оттенками красного). В процентном отношении изменение ЭКС стремится к норме на меридиане RP на 45%, на меридиане Е на 38% и на 42% на меридиане VB соответственно. Значения ЭКС стремится к норме, обозначенной зеленым цветом, и входят в диапазон «допустимого отклонения» 45-65 усл. ед., а некоторые значения ЭКС даже достигли абсолютной нормы.

Возрастная группа 45-70 лет.

Рис. 10 Динамика ЭКС на меридианах E, VB, RP до и после лечения.

Абсолютно очевидно, что данная группа самая многочисленная. Диаграмма хорошо демонстрирует тот факт, что в возрастной группе 45-70 лет доминируют хронические заболевания, это четко видно по столбцам, отмеченным оттенками синего цвета, которые в большинстве своем уходят в область 85-95 усл. ед.

При этом также не составляет труда заметить, что значительная часть столбцов находится в отрицательной области, а это как, уже было замечено ранее, говорит о плохой сопротивляемости организма.

Но столбцам, отмеченным оттенками красного, которые отображают показания ЭКС на момент окончания лечения, можно сказать, что на КВЧ-терапию эта группа больных реагирует достаточно положительно. В процентном отношении изменение ЭКС стремится к норме (отмечена зеленым цветом), на меридиане RP на 40%, на меридиане Е на 39% и на 44% на меридиане VB соответственно.

Таким образом, можно сделать вывод, что во всех возрастных группах эффективность стремления показателя ЭКС к норме примерно одинакова. Результативность лечения в 3-й возрастной группе незначительно ниже результативности первых 2-х, несмотря на изначально плохие компенсационные свойства данной группы.

Таблица 5. Процентное стремление к норме ЭКС на меридианах

Меридианы

Возрастная группа 17-30

Возрастная группа 30-45

Возрастная группа 45-70

RP

40%

45%

40%

Е

38%

38%

39%

VB

50%

42%

44%

Среднее по меридианам

43%

42%

41%


Больные всех 3-х групп после лечения были дополнительно обследованы методами ФГДС и УЗД, а затем результаты этих обследований мы сопоставили по основным клинико-эндоскопическим критериям. Что отображено в таблице 6

Таблица 6. Объективная оценка клинического состояния пациентов после лечения.

период длительной клинико-лабораторной ремиссии

стадия неполной клинико-лабораторной ремиссии

Частичное отсутствие результата

рубцевание, устранение дефекта слизистой оболочки. Исчезновение всех сопутствующих симптомов

улучшается общее состояние больных (исчезают: изжога, тошнота, рвота; улучшается аппетит), уменьшение линейных размеров язвы в 2 раза

улучшается общее состояние больных, полностью купируется болевой синдром, но язва в размерах не изменяется

35 чел.

3 чел.

1 чел.

90%

8%

2%


Как видно из данных табл. 6 КВЧ-терапия отличается выраженным терапевтическим эффектом.

Также нужно отметить, что уже после 1-3 сеансов лечения улучшается общее состояние больных, значительно уменьшаются боли, и в среднем через 4-5 сеансов, а иногда и после 2-3-го сеанса полностью купируется болевой синдром. Устраняются диспептические явления, наступает ремиссия заболевания.

Нужно отметить тот факт, что осложнений или побочных реакций у больных отмечено не было.

Что же касается применения лекарственных препаратов, то в случае их приема больными (особенно ганглиоблокаторов, спазмолитиков) во время курса КВЧ-терапии могут наблюдаться головные боли, головокружение, тошнота, сердцебиение и другие дискомфортные реакции, ухудшается терапевтический эффект КВЧ-терапии. Поэтому применять лекарства или другие методы лечения при проведении курса не рекомендуется, но на определенной стадии заболевания неагрессивные лекарственные препараты все же назначаются: ингибиторы, протонные помпы, миозденол, ланза или ланзап; вяжущие, сорбенты: альмагель (предохраняют от активного действия желудочного сока)

Существенной разницы в эффективности при стационарном или амбулаторном проведении КВЧ-терапии у больных язвенной болезнью не наблюдается. Выяснено благотворное влияние КВЧ-терапии у больных язвенной болезнью и на сопутствующие заболевания, в частности на клиническое течение бронхиальной астмы, сахарного диабета, облитерирующих заболевании сосудов нижних конечностей, панкреатитов, дуоденогастральных и гастроэзофагальных рефлексов и др., что подтверждает факт взаимного влияния органов и функциональных систем.

Таким образом, для более эффективного влияния МРТ на сопутствующие заболевания, кроме избранной для лечения язвенной болезни точки акупунктуры, можно воздействовать на точку сопутствующего заболевания. Продолжительность воздействия, в таких случаях, не должна превышать в таких случаях 5 мин. на каждую из 2-точек. Изучение отдаленных результатов КВЧ-терапии, что рецидивы язвенной болезни после КВЧ-терапия по сравнению с традиционными методами лечения наступают в 3-4 раза реже. Наблюдается нормализация секреторной и моторной функции желудка

КВЧ-терапия оказывает положительное влияние на кислотоотображающую функцию желудка. Уменьшается содержание пепсина, объем желудочного сока во всех фракциях, снижается содержание соляной кислоты. Это значительно ослабляет «агрессивные» свойства желудочного сока и способствует более быстрому заживлению язвы. КВЧ-терапия приводит к нормализации соотношения «агрессивных» и «защитных» факторов. Это подтверждается не только снижением секреции соляной кислоты и пепсина, но и более значительным уменьшением концентрации в плазме гастрина, кальцитонина и гистамина, повышением образования протективных гликопротеидов желудочной слизи, ростом плазменного секретина.

Устраняется дисгормоноз адаптивных и стрессорных гормонов, обладающих трофическим воздействием на гастродуоденальную зону. Снижаются концентрации в крови кортизола, адреналина; увеличиваются пролактина и альдостерона, что способствует нормализации водно-электролитного обмена. Особенно прогностически значимым является ответ нейроэндокринной системы [17, 27, 39]. После первого сеанса КВЧ-терапии позволяют предсказать терапевтический эффект избранной методики воздействия в каждом конкретном случае.

Применение КВЧ-терапии у больных язвенной болезнью приводит к нормализации количественных и качественных показателей системы иммунитета. Восстанавливается соотношение регуляторных субпопуляций, повышается супрессированная ранее функциональная активность иммунокомпетентных клеток, снижается активность аутоиммунных процессов.

Проведенная же, по базе данных Клиники квантовой медицины, выборка пациентов с проблемами желудочно-кишечного тракта, оценка их состояния здоровья до лечения и после него и анализ эффективности терапевтического воздействия КВЧ микроволн показывает достаточно высокий процент выздоровления (полное зарубцовывание у 90%), что говорит о лечебном взаимодействии электромагнитных излучений низкой интенсивности в диапазоне КВЧ с биологическими тканями организма человека. Анализ методики применения терапевтической аппаратуры по индивидуальному подбору частоты электромагнитного воздействия с ориентацией на сенсорные ощущения пациентов, а также изучение теории взаимодействия электромагнитных излучений низкой интенсивности в диапазоне КВЧ с биологическими объектами показывает, что эффективность лечения можно обеспечить еще более высокой за счет точного подбора для каждого пациента частоты электромагнитного воздействия, интенсивности излучения и обеспечения необходимой модуляции сигнала, при контроле этих параметров сигналов аппаратурным методом.

.2 Предложения по усовершенствованию качества проводимой терапии

Использования коэффициента отражения КВЧ сигнала для оценки состояния биообъекта.

Известно, что биообъект имеет собственное электромагнитное поле, интенсивность которого может изменяться под воздействием как внутренних, так и внешних факторов. Кроме интенсивности излучения важным параметром во время взаимодействия биообъекта с внешним воздействием могут быть параметры поглощения и отражения, частоты резонансного проявления, фазовое смещение и тому подобное. Существенным тут является то, что регистрацию этих параметров следует проводить на уровнях близких к уровню собственного излучения в ближней зоне (зоне Френеля) или в контакте с биообъектом. Известно, что подобные измерения на уровне 1×1012 -1×1015 Вт можно совершать только с использованием модуляционных радиометрических систем.

К измеряемым параметрам можно отнести такие: мощность, частота, фазовый сдвиг, поляризационные свойства. В свою очередь энергетические параметры разделяются на интегральную мощность и спектральную плотность мощности шума, которые дают возможность определить коэффициент стоячей волны напряжения, коэффициенты поглощения, отражения, корреляции. Частотно-временные параметры (частота, фазовый сдвиг) обеспечивают возможность анализа спектральных и фазовых характеристик объектов исследования.

Измерение параметров биообъектов во внешнем электромагнитном поле дает возможность решить ряд задач диагностики (например определение энергетического состояния организма и его изменения под воздействием облучающего сигнала, определение «терапевтических» частот воздействия), оптимизировать параметры такого сигнала (интенсивности, частоты облучения и модуляции), прогнозировать лечебный эффект соответственно к дозе поглощения ЭМЭ.

Измерения реакции биообъектов во внешнем ЭМП лучше проводить с использованием автоматизированных радиометрических систем, которые обеспечивают более широкие возможности во время измерения параметров как облучающих, так и отраженных сигналов.

Реализация системы для измерения поведения биообъекта во внешнем поле (рис. 11) предполагает наличие генератора облучающего сигнала (G1) измерительного радиометрического приемника (РП), который подключается к приемо-передающей антенне Х1 через направленный ответвитель А1.

Рис. 11. Схема исследования объектов во внешнем электромагнитном поле.

Функционально подобная система соединяет в себе операцию облучения (воздействия на биообъект) и измерения реакции биообъекта на облучающий сигнал. Применительно к медицине сочетает функции диагностики и лечения.

Измерение параметров биообъектов во внешнем электромагнитном поле позволяет решить ряд задач диагностики (например, определить энергетическое состояние живого организма и его изменение под воздействием облучающего сигнала, установить оптимальные частоты воздействия), оптимизировать параметры облучающего (лечебного) сигнала (интенсивность, частоту облучения и модуляции), прогнозировать лечебный эффект в соответствии с дозой поглощаемой электромагнитной энергии.

Предлагаемое оригинальное техническое решение радарной радиометрической системы (приемо-передающая) может быть базой для разработки более эффективной лечебно-диагностической аппаратуры мм-диапазона, используемой в технологиях квантовой медицины.

В последние годы широкое распространение получила МРТ на биологически активные точки (БАТ), при которой БАТ облучают шумовым сигналом миллиметрового диапазона волн. Для повышения эффективности лечения применяются импульсные шумовые генераторы, у которых частота следования импульсов выбирается в низкочастотном диапазоне проявления биоритмов человека (1…100 Гц). Широкий спектр импульсно-модулированного сигнала содержит в себе спектральные составляющие, которые совпадают с терапевтическими частотами и обеспечивают рефлекторное одновременное воздействие на большинство из них. Благодаря этому сокращается длительность процедур и снижается суммарная поглощенная доза за счет оперативного поиска индивидуальных резонансных терапевтических частот.

Предлагается радиометрическая система, которая позволяет объективно оценивать терапевтический эффект в процессе облучения пациента по величине отраженного сигнала, независимо от уровня собственного излучения БАТ пациента, благодаря, чему повышается эффективность лечения (рис.12).

Радиометрическая система содержит блок питания (БП), каскад формирования U1 импульсного напряжения, импульсный генератор G1 шума, фильтр Z1 верхних частот, направленный ответвитель A1 отраженной волны, к первому выходу которого подключена широкополосная антенна X1, смеситель U2, гетеродин G2, полосовой усилитель A2 промежуточной частоты, полосового усилителя промежуточной частоты, квадратичный детектор U3, усилитель A3 низкой частоты, синхронный детектор U4, фильтр Z2 нижних частот и индикатор PA1. Позицией O обозначена поверхность облучающего объекта.

Рис. 12. Радиометрическая система для оптимизации частоты модулирующего сигнала.

Напряжение питания с блока БП подается на каскад U1 формирования импульсного напряжения, в котором задается низкая частота следования импульсов шумового излучения свойственного диапазону биоритмов человека. С выхода каскада U1 импульсы высокого напряжения поступают на вход газоразрядного генератора шума G1. Электромагнитное шумовое излучение, сформировавшееся на выходе импульсном генераторе, проходит сквозь фильтр Z1 верхних частот, который ограничивает спектр шумового излучения на заданной частоте среза и отвечает нижней границе мм-диапазона электромагнитного спектра шумового сигнала. Воздействие низких частот в спектре излучения, которые вредны для организма человека, подавляется фильтром Z1.

Сформированное таким образом шумовое излучение с ограниченным снизу спектром и заданным распределением спектральной плотности мощности через направленный ответвитель A1 поступает к антенне X1, представляющую приемно-передающее устройство (например, логопериодическую микрополосную структуру). Излучающий сигнал воздействует на выбранную БАТ кожной поверхности O, определяя терапевтическое воздействие. Отраженная от поверхности O часть излучения вместе с собственным излучением БАТ поступает на антенну X1 и через другой выход направленного ответвителя A1 подается на вход смесителя U2, на другой вход которого поступает сигнал гетеродина G2. С учетом собственных шумов смесителя  дисперсию входного сигнала смесителя можно представить в виде:

,

где  - дисперсия отраженного сигнала;  - дисперсия сигнала собственного излучения БАТ;  - дисперсия собственных шумов смесителя с учетом шумов гетеродина.

В итоге смешивания входного шумового сигнала с монохроматическим сигналом гетеродина создается спектр разностных частот, часть которого попадает в полосу пропускания усилителя A2 промежуточной частоты. Выделенная и усиленная усилителем A2 часть спектра частот создает узкополосный сигнал, дисперсия которого пропорциональна мощности отраженного широкополосного сигнала .

В паузах между действием облучающих импульсов на БАТ кожной поверхности O антенной X1 принимается только собственное излучение объекта, которое через направленный ответвитель A1 поступает на вход смесителя U2. Дисперсию входного сигнала смесителя U2 в паузах  можно выразить так:

.

В итоге смешивания входного сигнала с сигналом гетеродина G2 и усиления усилителем A2 промежуточной частоты появится узкополосный сигнал с дисперсией, пропорциональной мощности собственного излучения БАТ и собственных шумов . Сигналы промежуточной частоты детектируются квадратичным детектором U3. В итоге детектирования формируется последовательность видеоимпульсов с амплитудами, пропорциональными  и , и задаваемой каскадом U1 формирования импульсов частотой следования. Переменная составляющая напряжения видеоимпульсов выделяется и усиливается усилителем A3 низкой частоты. Усиленное напряжение выпрямляется синхронным детектором U4. Выходное напряжение синхронного детектора сглаживается фильтром Z2 нижних частот и измеряется индикатором PA1. Поскольку переменная составляющая напряжения пропорциональна разнице дисперсий шумовых сигналов  и , то измеряемое напряжение определяется только мощностью электромагнитного излучения , отраженного от БАТ поверхности кожи объекта. На результат измерения не влияет уровень собственного излучения объекта и уровень собственных шумов измерительной части схемы устройства. За минимальными показаниями индикатора PA1, которые соответствуют максимальному поглощению, устанавливается частота следования импульсов излучения, а время облучения контролируется по моменту резкого увеличения показаний индикатора. Поскольку уровень отраженного сигнала КВЧ-частот характеризирует физиологическое состояние организма, то рассмотренное устройство может использоваться для диагностики и лечения.

Исследования показали, что состояние организма в значительной мере зависит от его биоэнергоинформационного потенциала. При наличии патологии в организме (наличие болезни) через БАТ происходит сильное поглощение излучающего сигнала, а значит, индицируется минимальное значение отраженного сигнала. При отсутствии патологии отраженный сигнал остается постоянным в данном терапевтическом диапазоне длин волн.

Таким образом, модуляционная радиометрическая система позволяет определять наличие патологии и оказывать терапевтическое влияние КВЧ-излучением, способствуя восстановлению электромагнитного каркаса больных.

Изменением частоты генератора 1 мм-диапазона длин волн поглощательная способность биологических тканей оценивается в зависимости от значений биологических активных частот. Так, при совпадении частоты генератора с биологически активной (терапевтической) частотой поглощение резко возрастает и коэффициент относительной поглощательной способности приближается к единице:

.

Таким образом, по максимальным значениям коэффициента поглощательной способности  можно определять биологически активные частоты тканей, а по изменению значения  при отклонениях частоты - полосу поглощения биологической ткани на этих частотах.

При перестройке частоты генератора КВЧ-диапазона в широкой полосе частот имеется возможность регистрации спектра поглощения исследуемой ткани при различных заданных уровнях внешнего электромагнитного мм-облучения.

Разработанная радиометрическая система позволяет исследовать, в частности, поглощательную способность кожи человека, например, в диапазоне частот 50…80 ГГц при уровне облучения  £ 10-6 Вт/см2. При частоте модуляции 100 кГц и частоте переключения 1 кГц можно определять поглощательную способность по значению коэффициента поглощения в пределах от 0,001 до 0,998 с относительной погрешностью не более 0,5%.

ВЫВОДЫ

.        В ходе данной работы была изучена существующая на данный момент методика проведения процедур, в результате чего стало ясно, что техника ведения пациентов в ходе лечения, применяемая в клинике, наиболее удачно отражает поставленные цели для достижения максимально успешного результата терапии.

2.       Была изучена работа генератора ЭМИ низкой интенсивности в диапазоне КВЧ «ARIA-SC» и проведена его оценка. В результате чего, было установлено, что данный аппарат обладает всеми техническими свойствами, необходимыми для проведения качественной КВЧ-терапии, за исключением этапа выбора терапевтической частоты.

.        Исследовано влияние ЭМИ низкой интенсивности в диапазоне КВЧ на электрокожное сопротивление как на биофизический показатель человека, на примере лечения язвы желудка и двенадцатиперстной кишки, для оценки метода КВЧ-терапии. Показано, что ЭКС во всех возрастных группах, независимо от начальных компенсационных свойств, примерно одинокого стремится к норме. В группе 17-30 лет этот показатель на всех меридианах стремится к норме на 43%, в группе 30-45лет на 42% и в третьей возрастной группе 45-70 лет на 41%.

.        В работе была сопоставлена достоверность результатов проведенных процедур с результатами других клинико-лабораторных исследований. В итоге проведенной фиброгастродуоденоскопии и ультразвуковой диагностики было выявлено полное рубцевание язв у 35 пациентов в группе из 39 человек с диагнозом язвы желудка и двенадцатиперстной кишки, что составляет 90% полного выздоровления. Следует также отметить, что у 3-х человек из данной группы было отмечено уменьшение линейных размеров язвы в 2 раза, а также улучшение общего состояния, такой результат составил 8% от общего числа пациентов данной группы, проходивших лечение на базе клиники квантовой медицины. И лишь у одного пациента из группы, что составило 2%, заживление язвы не произошло, но здесь нужно отметить общую положительную динамику состояния пациента (полное купирование болевого синдрома, улучшение самочувствия).

.        Разработана новая концепция подбора достоверной терапевтической частоты, основанная на измерении отраженного сигнала от БАТ во время воздействия на нее ЭМИ низкой интенсивности в диапазоне КВЧ. Что позволяет не только эффективно подобрать терапевтическую частоту, но и контролировать процесс лечения.

ЛИТЕРАТУРА

1.  Алисов А.П., Алисова О.В., Григорина-Рябова Т.В. и др. Миллиметровые волны в лечении гастродуоденальных язв // Миллиметровые волны в медицине. Сборник статей. Под ред. акад. Н.Д. Девяткова и проф. О.В. Бецкого. Том 1. - Москва, 1991. - С. 5-15.

2.       Андреев Е.А., Белый М.У., Ситько СП. Проявление собственных характеристических частот организма человека. //Докл. АН УССР, 1984, №10.

.        Афромеев В. И., Нагорный М. М., Соколовский И. И., Субботина, Яшин А.А. Терапия, контроль и коррекция состояния организма человека воздействием высокочастотных электромагнитных полей в замкнутой биотехнической системе.//Вестник новых медицинских технологий, 1997, Т. IV, №3, раздел I

.        Балакирева Л.З., Голант М.Б., Головатюк А.А. и др. Применение волн миллиметрового диапазона для лечения хронических язв гастродуоденальной зоны// Электронная промышленность. -1985. - Вып.1. - С.9-10.

.        Балибалова Е.Н, А.Г. Бородкина, М.Б. Голант и др. Об использовании амплитудной модуляции для повышения эффективности работы аппаратуры, применяемой для информационных воздействий электромагнитных колебаний на живые организмы // Электронная техника. Сер. Электроника СВЧ. - 1982. - N 8. - С.6.

.        Белоусов А.С. Дифференциальная диагностика болезней органов пищеварения. - М.: Медицина, 1984. -286 с.

1.    Бецкий О.В. Девятков Н.Д. Механизмы взаимодействия электромагнитных волн с биологическими объектами. - Радиотехника. - 1996. - Т. 41, №9. - С. 4-11.

7.  Бецкий О. В. "Применение низкоинтенсивных электромагнитных миллиметровых волн в медицине", Миллиметровые волны в биологии и медицине, N 1, декабрь, 1992, с 5-12

8.  Божанова, А.К. Брюхова, М.Б. Голант и др. Одно из возможных средств создания диагностической аппаратуры/ Т.П.// Электронная промышленность. - 1987. N 1. - С.35.

9.       Василенко В.Х., Гребенев А.Л. Болезни желудка и двенадцатиперстной кишки. - М.: Медицина, 1981. - 342 с.

10.   Вернер Ф. "Основы электроакупунктуры", ИМЕДИС, 1993

11.     Виноградова О.М., Виноградова Л.Г. Клиническое разнообразие лекарственных осложнений// Клиническая медицина. -1985. - N 5. - С.82-86.

.        Воробьев Л.П., Самсонов А.А. Нарушение микроциркуляции у больных язвенной болезнью двенадцатиперстной кишки //Клиническая медицина. - 1985. - N 11. - С.80-83.

.        Милонова Н.П., Доценко Н.Я., Орловский В.Ф. О взаимном влиянии лекарственных средств, применяемых в гастроэнтерологии // Клиническая медицина. - 1985. - N 6. -С.15-18.

.        Гапеев А.Б. Особенности действия модулированного электромагнитного излучения крайне высоких частот на клетки животных. Дисс. канд. физ.-мат. наук. - Пущино: Ин-т биофизики клетки РАН, 1997. - 111 с.

.        Гапонюк П.Я., Столбиков А.Е., Шерковина Т.Ю. Роль рефлекторного механизма при воздействии электромагнитного излучения миллиметрового диапазона на организм человека // Применение КВЧ-излучения низкой интенсивности в биологии и медицине. - М., 1989.- С.23.

.        Гапонюк П.Я., Шерковина Т.Ю.,, Юркова Е.А. и др. Сравнительное изучение клинической эффективности электромагнитных волн миллиметрового диапазона при облучении различных рефлекторных зон у больных с гастродуоденальными язвами // Миллиметровые волны в медицине. Сборник статей. Под ред. акад. Н.Д. Девяткова и проф. О.В. Бецкого. Том 1. - Москва, 1991. - С. 32-36.

.        Гассанов Л.Г., Зелинский В.А., Писанко О.И. и др. «Применение электромагнитного КВЧ-излучения низкой интенсивности для лечения неосложненной гастродуоденальной язвы». - 1987. - Вып.1. С.31-34.

.        Голант М.Б. Методы экспериментального определения резонансных частот при КВЧ-воздействиях на живые организмы // VII Всесоюзный семинар по применению КВЧ-излучения низкой интенсивности в биологии и медицине. - М: ИРЭ АН СССР, 1989.- С.117.

.        Голант М.Б., К.Н. Гринберг Зданович и О.Ф., др. // Определение компоненты электромагнитного поля миллиметрового диапазона, возбуждающей электромагнитные колебания в клетках, и выбор оптимальных форм облучателя / Электронная техника. - 1987. - N 8. - С.52.

.        Готовский Ю.В., Косарева Л.Б. Электропунктурная диагностика и терапия с применением вегетативного резонансного теста. « ИМЕДИС-ТЕСТ+»: Методические рекомендации.- М: ИМЕДИСБ 2002.- 112 с.

.        Григорьев Ю.Г. и др. // Электромагнитная безопасность человека.// Российский национальный комитет по защите от неионизирующего излучения. Москва, 1999.

.        Девятков Н.Д., Голант М.Б., Бецкий О.В. Миллиметровые волны и их роль в процессах жизнедеятельности. -М.: Радио и связь, 1991. - 169 с.- С. 60.

.        Девятков Н.Д., Голант М.Б. О перспективах использования электромагнитных излучений миллиметрового диапазона в качестве высокоинформативного средства получения данных о специфических процессах в живых организмах.- 1986. - Т.12, N 5. - С.288.

.        Девятков Н.Д., Голант М.Б. Пути развития электронных приборов миллиметрового и субмиллиметрового диапазонов волн // Радиоэлектроника.- 1967. - N 11. - С.1973-1978.

.        Девятков Н.Д., Голант М.Б. О перспективах использования электромагнитных излучений миллиметрового диапазона в качестве высокоинформативного средства получения данных о специфических процессах в живых организмах.- 1986. - Т.12, N 5. - С.288.

.        Доронин Г.М., Колосова О.А. К вопросу о лечении больных с длительно нерубцующейся язвой двенадцатиперстной кишки//Вопросы практической гастроэнтерологии. - М.,1981. -С.36-37.

.        Дорофеев Г.И., Попов Д.Т. Клиническое течение перфоративных гастродуоденальных язв в молодом возрасте// Клиническая медицина. - 1986. - Т.64, N 3. -С.84-86.

.        Дорофеев Г.И., Успенский В.М. Гастродуоденальные заболевания в молодом возрасте. - М.: Медицина, 1984. - 160 стр.

.        Залюбовская Н.П. К оценке действия микроволн миллиметрового и субмиллиметрового диапазона на различные биологические объекты: Автореф. дис..канд. биол. наук. - Харьков, 1970.

.        Иванов К.П."Основы энергетики организма. Том. 1 Общая энергетика, теплообмен и терморегуляция", Наука, Ленинградское отделение, 1990, с. 142-154, 248-253.

.        Кузин Н.М., Бирюков А.Л., Егоров А.В. Хирургическое лечение язвенной болезни двенадцатиперстной кишки у больных молодого возраста //Клиническая медицина. - 1984. - N 1. - С.86-90.

.        Лебедев И.В. Техника и приборы СВЧ. - М.: Высшая школа,1972. - 375с

.        Лисица М.П. Первичная рецепция миллиметровых волн в биосистемах

.        Литинская Э.В. Некоторые вопросы организации и состояния амбулаторной и поликлинической помощи с заболеваниями пищеварения в г.Киеве// Всесоюзный съезд гастроэнтерологов, 3-й:Материалы. - М.-Л.,1984. - С.29-30.

.        Логинов А.С., Пятницкая Г.К., Алексеев В.Ф., Богавер Л.В. Организация медицинской помощи с заболеваниями желудка // Советская медицина. - 1980. - N 6. - С.93-97.

.        Майоров В.М. Длительно незаживающие язвы желудка// Тер.арх. -1985. - Т.57, N 2. - С.43-47.

.        Маневич В.Л., Харитонов Л.Г. Ваготомия как проблема лечения язвенной болезни двенадцатиперстной кишки.// Клиническая медицина. - 1983. - N 6. - С.8-12.

.        Нефедов Е.И., Протопопов А.А., Семенцов А.Н. и др. Взаимодействие физических полей с живым веществом / Под ред. А.А. Хадарцева. - Тула: Изд-во Тульск. гос. ун-та, 1995. - 180 с.

.        Обухова Н.Д. Голант М.Б., Балакирева Л.З. Некоторые подходы к лечению больных с хроническим язвенным заболеванием желудка и 12-перстной кишки при КВЧ терапии // Миллиметровые волны в медицине. Сборник статей. Под ред. акад. Н.Д. Девяткова и проф. О.В. Бецкого. Том 1. - Москва, 1991. - С. 37-39.1984.

.        Орнатский П.П. Теоретические основы информационно-измерительной техники. - К.: Высшая школа, 1983. - 455 с.

.        Петросян В. И., Гуляев Ю. В., Житенева Э. А., Елкин В. А., Синицын Н.И. Взаимодействие физических и биологических объектов с электромагнитным излучением КВЧ-диапазона // Радиотехника и электроника. - Т. 40, Вып. 1. - 1995.

.        Пославский М.В., Балакирева Л. З., Корочкин И.М. и др. Новый способ профилактики рецидива язвенной болезни // Медико-биологические аспекты мм излучения. - М., 1987. -С.35-41.

.        Пославский М.В., Зданович О.Ф., Кичаев В.А. и др. Особенности воздействия электромагнитных излучений с различной длиной волны на кровь больных при облучении in vitro// Применение КВЧ-излучения низкой интенсивности в биологии и медицине. - М.,1989. - С.37.

.        Пославский М.В., Зданович О.Ф. Новые аспекты профилактики язвенной болезни // Материалы пленума правления ВНОГ. -М.- Смоленск. - 1988. - С.159-161.

.        Пославский М.В., Корочкин И.М., Зданович О.Ф. Опыт применения электромагнитных излучений миллиметрового диапазона для лечения и профилактики язвенной болезни желудка и двенадцатиперстной кишки // Вопросы курортологии, физиотерапии и лечебной физической культуры. - 1989. -N 4. - С.31-36.

.        . Пославеский М.В., Шмелева Т.К. Зданович О.Ф. и др. Миллиметровые волны в медицине и биологии. Сборник. - М.: ИРЭ АН СССР, 1989. - С. 43-4

.        Птицина Н.Г.и др. // Естественные и техногенные низкочастотные магнитные поля как факторы потенциально опасные для здоровья (обзор). // Успехи физ. наук. 1998, Т. 168, №7, с.768-791

.        Пясецкий В.И. Бахарев A.M. Писанко О.И. и др. Клинико-инструментальные исследования физиологических реакций при КВЧ терапии язвенной болезни // Миллиметровые волны в медицине. Сборник статей. Под ред. акад. Н.Д. Девяткова и проф. О.В. Бецкого. Том 1. - Москва, 1991. - С. 16-31.

.        Самсонов В.А. Язвенная болезнь. - Петрозаводск, 1975.- С.126.

.        Сатосюк. Рефлексотерапия в педиатрии «Здоровье» Киев, 1995

.        Синицын Н.И., Петросян В.И., Ёлкин В.А, Девятков Н.Д., Гуляев Ю.В., Бецкий О.В.. Особая роль системы "миллиметровые волны - водная среда" в природе. //Биомедицинская радиоэлектроника, 1998 г., №1, с. 5 - 23.

.        Ситько С.П., Мкртчян Л.Н Введение в квантовую медицину. - Киев: Паттерн.- 1994.-146 с.

.        Ситько С.П., Скрипник Ю. А., Яненко А.Ф. Аппаратурное обеспечение современных технологий квантовой медицины.-1999.-199

.        Сотников В.Н. Лечение язв желудка и двенадцатиперстной кишки во время эндоскопического исследования.//Тер. арх. - 1985. -Т.57, N 2. - С.49-52.

.        Фишер А.А., Радбиль О.С. Критерии оценки эффективности лечения язвенной болезни (обзор литературы)// Новости медицины.- М.,1985. - Вып.11-12. - С.1-70

.        Хабарова О.В. Биоэффективные частоты и их связь с собственными частотами живых организмов. //Биомедицинские технологии и радиоэлектроника. 2002, №5, с. 56-66.

.        Хоменко А.Г., Гедымин Л.Е., Новикова Л.Н., Ерохин В.В., Бугрова К.М. и др. Миллиметровые волны в биологии и медицине, 1994, №3,с.53-61.

.        Шмелева Т.К., Пославский М.В., Старшинина В.А. и др. Повышение фагоцитарной активности лейкоцитов крови больных язвенной болезнью желудка после облучения миллиметровыми волнами // Миллиметровые волны в медицине. Сборник статей. Под ред. акад. Н.Д. Девяткова и проф. О.В. Бецкого. Том 1. - Москва, 1991. - С. 240-245

59. Щедрунов В.В. Динамические гастроскопические и биохимические исследования слизистой оболочки желудка в оценке возможностей заживления и осложнений язвенной болезни желудка// Всесоюзный симпозиум по гастроинтестинальной эндоскопии, 1-й: Материалы. - Рига, 1980. - С.220.

60.   Якунов А.В. Особенности размножения одиночных клеток дрожжей в условиях электромагнитной изоляции // Physics of the Alive. - 1997. - V. 5, №1. - P. 55-59.

Похожие работы на - Влияние электромагнитных излучений низкой интенсивности в диапазоне крайне высоких частот на биофизические показатели человека

 

Не нашли материал для своей работы?
Поможем написать уникальную работу
Без плагиата!
Без нейросетей!