|
Х3
|
Х2
|
Х1
|
Х0
|
Y1
|
Y2
|
Y3
|
|
1
|
0
|
0
|
0
|
0
|
1
|
0
|
0
|
|
2
|
0
|
0
|
0
|
1
|
0
|
0
|
0
|
|
3
|
0
|
0
|
1
|
0
|
0
|
0
|
*
|
|
4
|
0
|
0
|
1
|
1
|
0
|
*
|
0
|
|
5
|
0
|
1
|
0
|
0
|
0
|
1
|
0
|
|
6
|
0
|
1
|
0
|
1
|
1
|
1
|
0
|
|
7
|
1
|
1
|
0
|
0
|
1
|
0
|
|
8
|
0
|
1
|
1
|
1
|
0
|
0
|
0
|
|
9
|
1
|
0
|
0
|
0
|
0
|
1
|
1
|
|
10
|
1
|
0
|
0
|
1
|
1
|
1
|
0
|
|
11
|
1
|
0
|
1
|
0
|
1
|
*
|
1
|
|
12
|
1
|
0
|
1
|
1
|
0
|
1
|
0
|
|
13
|
1
|
1
|
0
|
0
|
0
|
1
|
0
|
|
14
|
1
|
1
|
0
|
1
|
1
|
1
|
0
|
|
15
|
1
|
1
|
1
|
0
|
1
|
1
|
0
|
|
16
|
1
|
1
|
1
|
0
|
1
|
1
|
Дизъюнктивно нормальная
форма (ДНФ). Это логическая сумма элементарных логических произведений, в
каждое из которых входная переменная или её инверсия входят один раз.
ДНФ из таблицы истинности получается
по следующему алгоритму:
для каждого набора входных
переменных, на котором ФАЛ равна «1», записываются элементарные логические
произведения входных переменных, причём входные переменные, равные нулю,
записываются с инверсией;
логически суммируются записанные
логические произведения.
ДНФ:
.
ДНФ:
ДНФ:
Конъюнктивно нормальная
форма (КНФ). Это логическое произведение элементарных логических сумм, в
каждую из которых входная переменная или её инверсия входят один раз.
КНФ из таблицы истинности получается
по следующему алгоритму:
для каждого набора входных
переменных, на котором ФАЛ равна «0», записываются элементарные логические
суммы входных переменных, причём входные переменные, равные единице,
записываются с инверсией;
логически перемножаются записанные
логические суммы.
КНФ:
КНФ:
КНФ:
1.
Получение уравнений функций алгебры логики для выходов
,
,
.
По таблице истинности
строим карту Карно для выхода
(рис. 1.1).
Рис. 1.1. Карта Карно
для выхода дешифратора
На карте Карно для
выхода
(рис.
1.1.) условные наборы переменных отмечены знаком «
».
Для минимизации функции зададим такие значения условных наборов переменных, при
которых клетки со значением 1 охватываются минимальным числом областей с
максимальным числом клеток в каждой из них.
Производим «склейку»
клеток. Для этого на карте выделим прямоугольные области, объединяющие
единичные значения функции. Каждой из выделенных областей соответствует
самостоятельное логическое произведение переменных (импликанта), значения
которых в границах выделяемой области остаются постоянными. Логически
суммируются импликанты, выбранных областей.
Для выхода дешифратора
результатом
минимизации будет функция:
Запишем полученную ФАЛ в
скобочной форме:
Аналогично получим
уравнения функций алгебры логики для выходов
и
.
Рис. 1.2. Карта Карно
для выхода дешифратора
.
По таблице истинности
строим карту Карно для выхода
(рис. 1.2).
Для выхода дешифратора
результатом
минимизации будет функция:

Запишем полученную ФАЛ в
скобочной форме:
По таблице истинности
строим карту Карно для выхода
(рис. 1.3).
Рис. 1.3. Карта Карно
для выхода дешифратора
Для выхода дешифратора
результатом
минимизации будет функция:
Запишем полученную ФАЛ в
скобочной форме:
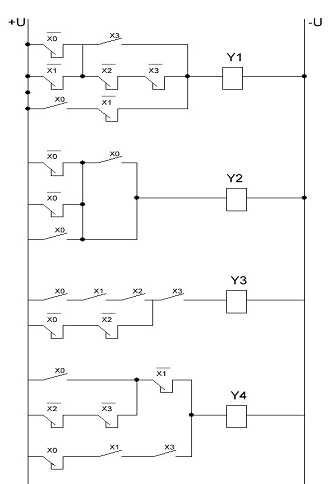
2. Реализация схемы
логического автомата на электромагнитных реле типа РП-23
Логическая операция И выполняется на
последовательно соединённых контактах реле, а логическая операция ИЛИ - на
параллельно соединённых контактах. Пример выполнения логических операций на
контактах реле представлен на рис. 2.
Рис. 2. Пример выполнения логических
операций И, ИЛИ, НЕ на контактах реле
Приступаем к построению схемы
логического автомата на контактах реле.
Рис. 3. Схема логического автомата
на контактах реле
3. Реализация схемы
логического автомата на диодной матрице
Схема логического
автомата на диодной матрице представлена на рис. 4. Для выполнения первого
действия - инверсии - схема содержит 4 инвертора на элементах D1…D4. С их помощью
создаются шины значений входных переменных
и
,
которые служат горизонталями матрицы. Всего должно быть 2n шин при n
входных переменных. В данном автомате 8 горизонтальных шин. Вертикали матрицы
образованы шинами, подключёнными через резисторы R1…R10 к источнику +U.
Количество вертикальных шин должно быть равно числу элементарных логических
произведений в уравнении ФАЛ. В данном автомате 10 вертикальных шин.
Для выполнения второго
действия - логического умножения - диод, образующий соединение переменной в
элементарном логическом произведении, подключается анодом к своей вертикальной
шине, а катодом - к горизонтальной шине соответствующего значения переменной.
Количество диодов, подключённых анодами к вертикальной шине, равно числу
переменных в элементарном логическом произведении.
Для выполнения третьего
действия - логического сложения - вертикальные шины соединяют через диоды VD27…VD36, образующие
вместе с резисторами R11;
R12; R13 схемы ИЛИ.
Выходные сигналы Y1; Y2; Y3 снимаются с резисторов R11;
R12; R13 соответственно.
Рис. 4. Реализация схемы логического
автомата на диодной матрице
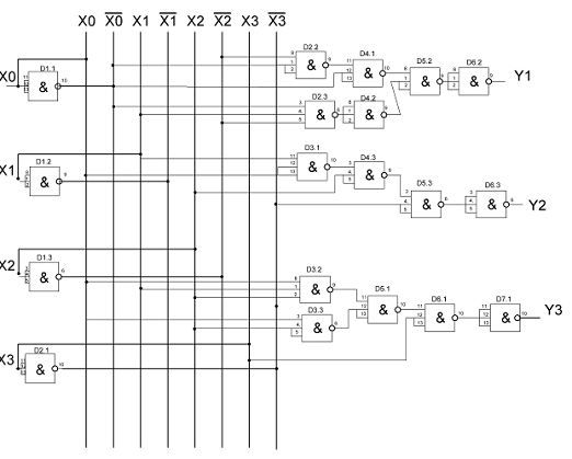
. Реализация структурной
схемы логического автомата
Составим структурную схему
логического автомата (рис. 18).
На схеме соблюдается
принятый порядок действий. Сначала производится инверсия входных переменных Х3,
Х2, Х1 и Х0. В результате формируются вертикальные шины переменных
и
(всего
8 шин), к которым подключаются логические элементы.
Рис. 5. Структурная схема
логического автомата
. Реализация логического
автомата на микросхемах
Реализация логического автомата на
базе логических элементов ТТЛ И-НЕ К 176 ЛА9.
Условное графическое обозначение
микросхемы К 176 ЛА9 изображено на рисунке 6.

Построение схемы
начинается с формирования шин входных переменных
и
,
для чего элементы 4И-НЕ превращаются в инверторы.
Рис. 7. Схема логического автомата
на микросхеме К176 ЛА9
Реализация логического автомата на
базе логических элементов КМОП ИЛИ-НЕ К 531 ЛЕ1.
Условное графическое обозначение
микросхемы К 531 ЛЕ1 изображено на рисунке 8.
Рис. 8. Условное графическое
обозначение микросхемы К 531 ЛЕ1
Рис. 9. Схема логического автомата
на микросхеме К561 ЛЕ5
Использованная
литература
логический автомат схема
электромагнитный
1. Лабунский Л.С. Гмызова Н.В. Методические указания к выполнению
курсового проекта «Синтез логического автомата» по дисциплине «Теория
дискретных устройств автоматики и телемеханики» для студентов специальности
101800 «Электроснабжение железных дорог». Самара 2003 г.
2. Пухальский Г.И., Новосельцева Т.А. «Проектирование
дискретных устройств на интегральных микросхемах». «Радио и связь» Москва 1990
г.
. Зубчук В.И., Сигорский В.П., Шкуро А.Н. «Справочник по
цифровой схемотехнике». «Техника» Киев 1990 г.