Усилитель низкой частоты для наушников

  • Вид работы:
    Контрольная работа
  • Предмет:
    Информатика, ВТ, телекоммуникации
  • Язык:
    Русский
    ,
    Формат файла:
    MS Word
    441,45 Кб
  • Опубликовано:
    2012-11-22
Вы можете узнать стоимость помощи в написании студенческой работы.
Помощь в написании работы, которую точно примут!

Усилитель низкой частоты для наушников

Введение

За последние 100 лет, значительные изменения во многих областях науки и техники обусловлены быстрым развитием электроники. На сегодняшний день невозможно найти какую-либо отрасль промышленности, в которой не использовались бы электронные приборы или электронные устройства измерительной техники, автоматики, а тем более вычислительной техники. Это связано с многочисленными положительными качествами электронных устройств, такими как: быстродействие, надёжность, помехоустойчивость, а в некоторых случаях и незаменимость. Например, надёжная работа ядерного реактора невозможна была бы без применения вычислительных машин и множества разнообразных датчиков, так как контроль за процессом размножения нейтронов должен быть очень высоким - нельзя допускать превышение этого коэффициента даже на сотые доли процента. Такую точность может обеспечить только автоматика.

В большинстве электронных приборов и устройств необходимо обеспечить усиление электрических сигналов ввиду естественных потерь рассеивания энергии. Усиление представляет собой процесс преобразования энергии внешнего источника под воздействием на него управляющего (усиливаемого) сигнала. Для этих целей используются устройства, называемые усилителями.

Усилитель предназначен для увеличения мощности, напряжения или тока сигнала, подведённого к его входу. Выходной сигнал должен либо соответствовать входному, либо отличаться от него в определённых заданных пределах. В качестве источника сигнала может использоваться любой преобразователь какого-либо вида энергии в электрические колебания, например микрофон, магнитная головка, звукосниматель, датчик, радиотехническое устройство.

Техника усиления электрических сигналов непрерывно развивается и совершенствуется. Это связано в первую очередь с развитием и совершенствованием радиоэлектроники и технологий, разработки принципиально новых усилительных приборов. Появление новых полупроводниковых приборов и технологических процессов позволило объединить множество транзисторов, диодов, резисторов в одно устройство - интегральную микросхему - ИС.

При развитии линейных ИС значительно расширились возможности использования усилительных устройств. Применяя в качестве усилительного устройства ИС, можно решать ряд задач, связанных с аналоговой обработкой сигналов. Наряду с этим не утратили актуальность и многие проблемы проектирования усилителей на дискретных элементах, где в основе усилительного прибора используют транзистор.

Умение проектировать усилители на таких транзисторах позволяет решать многие схемотехнические задачи, возникающие при проектировании самих ИС.

1      
Усилители

1.1    Основные параметры усилителей

Усилитель мощности звука низких частот (УНЧ) - прибор (электронный усилитель) для усиления электрических колебаний, соответствующих слышимому человеком звуковому диапазону частот.

Усилители низкой частоты наиболее широко применяются для усиления сигналов, несущих звуковую информацию, в этих случаях они называются, также, усилителями звуковой частоты, кроме этого УНЧ используются для усиления информационного сигнала в различных сферах: измерительной технике и дефектоскопии; автоматике, телемеханике и аналоговой вычислительной технике; в других отраслях электроники. Усилитель звуковых частот обычно состоит из предварительного усилителя и усилителя мощности (УМ). Предварительный усилитель предназначен для повышения мощности и напряжения и доведения их до величин, нужных для работы оконечного усилителя мощности, зачастую включает в себя регуляторы громкости, тембра или эквалайзер, иногда может быть конструктивно выполнен как отдельное устройство. Усилитель мощности должен отдавать в цепь нагрузки (потребителя) заданную мощность электрических колебаний. Его нагрузкой могут являться излучатели звука: акустические системы (колонки), наушники (головные телефоны); радиотрансляционная сеть или модулятор радиопередатчика. Усилитель низких частот является неотъемлемой частью всей звуковоспроизводящей, звукозаписывающей и радиотранслирующей аппаратуры.

Tаким образом к таким усилителям предъявляется требование усиления в диапазоне частот от 20 до 20 000 Гц по уровню -3 дБ, лучшие образцы УЗЧ имеют диапазон от 0 Гц до 200 кГц, простейшие УЗЧ имеют более узкий диапазон воспроизводимых частот.

1.2   
Классификация усилителей

Основные признаки классификации усилителей:

- характер входного сигнала;

назначение;

режим работы нелинейного активного элемента;

тип активного элемента;

полоса усиливаемых частот;

По характеру усиливаемых сигналов различают:

усилители непрерывных сигналов;

Здесь пренебрегают процессами установления. Основная характеристика - частотная передаточная.

усилители импульсных сигналов;

Входной сигнал изменяется настолько быстро, что переходные процессы в усилителе являются определяющими при нахождении формы сигнала на выходе. Основной характеристикой является импульсная передаточная характеристика усилителя.

По назначению усилителя делятся на:

усилители напряжения;

усилители тока;

усилители мощности;

Все они усиливают мощность входного сигнала. Однако собственно усилители мощности должны и способны отдать в нагрузку заданную мощность при высоком коэффициенте полезного действия.

С точки зрения выбора режима работы активного элемента различают:

Режим слабого сигнала. Нелинейный активный элемент работает в квазилинейном режиме;

Применяется в усилителях напряжения или тока.

Режим большого сигнала;

Применяется в усилителях мощности.

По типу используемых активных элементов усилители делятсяна:

ламповые;

транзисторные;

диодные;

параметрические;

СВЧ-усилители, работающие с помощью специальных СВЧ-приборов;

В зависимости от вида частотной передаточной характеристики усилителя и абсолютным значениям полосы частот различают:

усилители постоянного тока (УПТ);

Такое название обусловлено тем, что они способны усиливать очень медленные изменения сигналов (в том числе постоянные), т.е. рабочая полоса частот начинается от нулевой частоты до некоторой верхней граничной частоты. Величина верхней граничной частоты fв зависит от вида усиливаемых сигналов. Так, если УПТ используется в канале изображения телевизионной системы, то частота fв составляет 6 - 6,5 МГц, т.е. УПТ это, как правило, широкополосный усилитель.

усилители низкой частоты (усилители звуковой частоты);

Название условное, оно подчеркивает, что нижняя граничная частота лежит в области низких частот, несоизмеримо ниже верхней граничной частоты. Само значение верхней граничной частоты может быть разным: от единиц-десятков КГц до сотен МГц.

усилители радиочастоты (полосовые усилители, усилители высокой частоты, избирательные усилители);

1.3    Примеры схем усилителей низкой частоты

В настоящее время состав элементной базы позволяет собирать высококачественные усилители, используя крайне малое количество элементов, поскольку существуют микросхемы позволяющие создавать усилители для различных областей применения. В данных примерах мы будем рассматривать микросхемы серии TDA, которые получили свою известность, начиная с 1995 г.

Рассмотрим усилители мощность которых составляет 3 - 12 Вт.

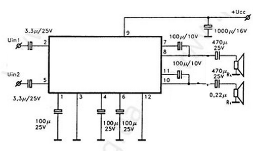
1)      Усилитель на интегральной микросхеме TDA2021 [2]

Основные характеристики усилителя:

Напряжения питания от 3,7 до 12 В

Потребляемый ток (Vin=0) 90 мА макс.

Выходная мощность 1 Вт тип. при 9В, 4 Ом и d = 0.05%

Выходная мощность 0,5 Вт тип. при 3,7В, 4 Ом и d = 0.5%

Номинальный частотный диапазон 20 - 80000 Гц

Схема усилителя принципиальная представлена на рисунке 1.1 [3]:

Рисунок 1.1 - Функциональная схема усилителя на ИМ TDA2021

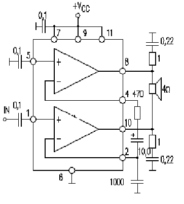
) Микросхема TDA3454 представляет собой УНЧ класса А.

Основные характеристики усилителя:

Напряжения питания от 5 до 14 В

Потребляемый ток (Vin=0) 12 мА макс.

Выходная мощность 0,3 Вт тип. при 5 В, 4 Ом и d = 0.002%

Выходная мощность 0,5 Вт тип. при 14В, 8 Ом и d = 0.5%

Номинальный частотный диапазон 20 - 80000 Гц

Схема усилителя принципиальная представлена на рисунке 1.2 [4]:

Рисунок 1.2 - Функциональная схема усилителя на ИМ TDА3454

2)      Микросхема TDA 2343 представляет собой УНЧ класса АВ.

Напряжения питания от 5 до 12 В

Потребляемый ток (Vin=0) 19 мА макс.

Выходная мощность 0,7 Вт тип. при 5 В, 4 Ом и d = 0.2%

Выходная мощность 1 Вт тип. при 12В, 8 Ом и d = 0.5%

Номинальный частотный диапазон 20 - 80000 Гц

Схема усилителя принципиальная представлена на рисунке 1.3 [5]:

Рисунок 1.3 - Функциональная схема усилителя на ИМ TDА2343

2. Проектная часть

2.1    Функциональная схема усилителя

Функциональная схема, представленная на рисунке 2.1, состоит из четырех основных блоков:

а)       Источник звукового сигнала

Устройство воспроизводящие звуковой сигнал в диапазоне 20-20000 Гц

б)      Усилитель

Данный усилитель ЗЧ имеет очень низкие коэффициенты гармонических и интермодуляционных искажений, он сравнительно прост, способен выдерживать кратковременное короткое замыкание в нагрузке.

Основные технические характеристики:

-       максимальная мощность на нагрузке сопротивлением 0,5 0 м - 3 Вт;

-       номинальный диапазон частот 20…20000 Гц;

-       коэффициент гармоник не более 0,1%;

-       коэффициент интермодуляционных искажений 0,005%.

в)      Блок питания

Для подключения усилителя необходим блок питания, обладающий следующими характеристиками:

-       Рабочее напряжение: 3 В;

-       Выходное напряжение: 3 В;

-       Мощность: 3 Вт.

г)       Акустические системы

К данному усилителю рекомендуется подключать акустические системы, обладающие следующими характеристиками:

-       Номинальная мощность: 3 Вт;

-       Диапазон воспроизводимых частот: 20…20000 Гц;

-       Номинальное электрическое сопротивление: 0,5 Ом.

Функциональная схема усилителя представлена на рисунке 2.1:

Рисунок 2.1 - Функциональная схема усилителя

2.2    Выбор элементной базы

Элементная база усилителя включает в себя следующие элементы:

)        Резисторы

Применяемые в электротехнике резисторы подразделяют на постоянные и переменные. Переменными называют резисторы, сопротивление которых можно плавно изменять в процессе эксплуатации или регулировки аппарата. Их применяют в тех случаях, когда это необходимо для изменения параметров изделия, или же для компенсации в процессе регулировки погрешностей параметров других элементов схемы. Во всех остальных случаях используют постоянные резисторы.

При создании усилителя были использованы четыре резистора:

МЛТ - 0,125 Вт -10 кОм ±20%

МЛТ - 0,125 Вт -4,7 кОм ±20%

)        Конденсаторы

Применяемые в радиоаппаратуре конденсаторы можно разделить на конденсаторы постоянной, переменой емкости и подстроечные.

У конденсаторов постоянной емкости в конструкции возможность изменения величины емкости не предусмотрена. Эти конденсаторы применяют в качестве элементов колебательных контуров, настроенных на фиксированную частоту, в качестве элементов связи, для компенсации изменяющихся параметров элементов контура при воздействии повышенной или пониженной температуры, для сопряжения контуров в супергетеродинных приемниках, в качестве разделительных, блокировочных и для многих других целей. Такое разнообразие функций привело к созданию большого количества типов конденсаторов постоянной емкости. В зависимости от материала диэлектрика конденсаторы можно разделить на следующие группы: керамические, слюдяные, бумажные, пленочные и электролитические.

При изготовлении усилителя были использованы семь конденсаторов:

К50-16 - 10 мкФ ± 20%

К50-16 - 0,1 мкФ ± 20%

К50-16 - 470 мкФ ± 20%

)        Микросхема

Наибольшее распространение получили интегральные схемы, у которых все элементы и межэлементные соединения выполнены в объеме и на поверхности полупроводника. Их называют полупроводниковыми.

Для изготовления полупроводниковых микросхем используют кремниевые монокристаллические пластины диаметром не менее 30 - 60 мм и толщиной 0,25 - 0,4 мм. Элементы микросхемы - биполярные и полевые транзисторы, диоды, резисторы и конденсаторы - формируют в полупроводниковой пластине методами, известными из технологии дискретных полупроводниковых приборов (селективная диффузия, эпитаксия и др.). Межсоединения выполняют напылением узких проводящих дорожек алюминия на окисленную (т.е. электрически изолированную) поверхность кремния, имеющую окна в пленке окисла в тех местах, где должен осуществляться контакт дорожек с кремнием (в области эмиттера, базы, коллектора транзистора и т.д.).

При изготовлении усилителя используемого в курсовой работе была взята микросхема серииTDA-2822M.

Основные характеристики микросхемы:

Напряжения питания от 3,7 до 9 В

Потребляемый ток (Vin=0) 127 мА макс.

Выходная мощность 0,5 Вт тип. при 3,7 В, 4 Ом и d = 0,02%

Выходная мощность 1 Вт тип. при 9В, 4 Ом и d = 0.5%

Номинальный частотный диапазон 20 - 80.000 Гц

)        Разъемы

Разъём TRS - распространённый разъём для передачи аудиосигнала. Обычно имеет три контакта (стерео), но есть и модификации с двумя (TS, моно) и четырьмя (TRRS) контактами. При изготовлении усилителя были использованы один разъем ТRS3,5 мм и вход Jack Plug3,5 мм.

усилитель сигнал электрический наушник

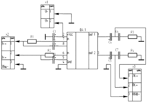
2.3    Принципиальная схема

Рисунок 2.2 - принципиальная схема усилителя

Данное устройство построено на микросхемах TDA 2822M, которая представляет собой монолитный интегральный усилитель класса АB. Характеристики данной микросхемы предоставлены в таблице.

Таблица 2.3 - Характеристики микросхемы TDA2822M

Параметр

MINзначение

MAXзначение

Напряжение питания, В

5

Ток потребления в режиме паузы, mА


120

Максимальная температура кристалла, С


55

Коэффициент усиления, дБ

79

90

Напряжение смещения, мВ


250

Разделение каналов, дБ

-40


Различие коэф-та усиления между каналами, дБ


1

Коэффициент искажений при вых мощности до 12 Вт


0,05%

Коэффициент искажений при вых мощности более 20 Вт


0.5%

Tок потребления в пике, А


200 мА


Через разъем X1 подается питание на схему что активирует работоспособность микросхемы.

Через разъем X2 подается звуковой сигнал, который проходя через данную схему должен усиливаться с минимальным коэффициентом гармонических искажений.

Через разъем X3 осуществляется выход непосредственно на акустические системы с предельно допустимыми параметрами 1 Вт 4 Ома.

Конденсаторы и резисторы в схеме выполняют функцию ФВЧ - пропускают только нижние частоты.

2.4    Сборка изделия

Устройство было собрано путем навесного монтажа с использованием твердой основы из технического текстолита для более плотной посадки компонентов и во избежание коротких замыканий при использовании. Также после сборки схема была подвержена обработке спиртоканефолем, что позволило плотно разместить компоненты и зафиксировать их в одном положении, также спиртоканефоль предназначен для обработки поверхности плат для избежания коррозии и защиты от попадания влаги. Некоторые части устройства были залиты терм клеем для защиты от перегибов и обрывов проводки питания и входа звукового сигнала. При сборке использовались: семь конденсаторов, четыре резистора, вход TRS3,5 мм и выход Jack Plug3,5 мм, два проводаd = 0,15 мм.

Заключение

В ходе выполнения были освоены теоретические основы конструирования, надежности и анализа радиоэлектронных систем; изучены основные этапы и методы проектирования; изучены общие требования к аппаратуре по надежности; изучены стадии разработки конструкторской документации, ее виды и комплектность. Освоены принципы и методы системного подхода процесса проектирования радиоэлектронных устройств работы; произведен обоснованный выбор структурной и функциональной схем радиоэлектронной аппаратуры.

Похожие работы на - Усилитель низкой частоты для наушников

 

Не нашли материал для своей работы?
Поможем написать уникальную работу
Без плагиата!
Без нейросетей!