Термостат для теплых полов
Министерство
образования и науки Российской Федерации
федеральное
государственное бюджетное образовательное учреждение
высшего
профессионального образования
«УЛЬЯНОВСКИЙ
ГОСУДАРСТВЕННЫЙ ТЕХНИЧЕСКИЙ УНИВЕРСИТЕТ»
Кафедра
"Измерительно-вычислительные комплексы"
Курсовой
проект
по
дисциплине: «Цифровые вычислительные устройства и микропроцессоры приборных
комплексов»
на
тему: «Термостат для теплых полов»
Ульяновск
2012
Реферат
Цель работы: разработка термостат для «тепловых
полов» на базе микроконтроллера, для использования в быту.
Содержание работы: в работе выполнено построение
структурной схемы, построение функциональной схемы, сформирован алгоритм работы
системы, выбор элементной базы, оптимальной для реализации поставленных задач
по диапазону характеристик, разработана программа, разработана принципиальная
схема устройства.
Введение
В настоящее время в микропроцессорной технике
выделился самостоятельный класс интегральных схем - микроконтроллеры, которые
предназначены для встраивания в приборы различного назначения.
Использование микроконтроллеров в различных
изделиях не только приводит к улучшению всех показателей (стоимость,
надежность, потребляемая мощность, габариты) и позволяет многократно сократить
сроки разработки и отодвинуть сроки морального старения изделий, но и придаёт
им принципиально новые потребительские качества: расширенные функциональные
возможности, модифицируемость, адаптивность и т.д.
Раздел 1. Анализ возможных вариантов
реализации устройства и выбор наиболее подходящего варианта.
.1 Аналоговый термостат на
температурном датчике LM35
Это простая схема термостата (рис.1.1), которая
может быть применена там, где необходим автоматический контроль температуры.
Схема термостата управляет микросхемой КР1182ПМ1 в соответствии с температурой
измеренной температурным датчиком LM35. Когда датчик LM35 фиксирует температуру
выше, чем заданный уровень (уровень устанавливается резистором R3), симистор
(ВТА16-600) включается, а когда температура падает ниже заданной температуры, выключается.
Основой схемы является температурный датчик LM35, который имеет заводскую
калибровку в градусах Цельсия. У датчика линейная шкала зависимости
Градус/Вольт. Выходное напряжение (контакт 2) изменяется с температурой от 0мВ
(0°С) до 1500мВ (+150°C). Это упрощает схему термостата, поскольку необходимо
создать точное опорное напряжение (TL431) и точный блок сравнения (LM358).
Рис. 1.1 - Принципиальная схема аналогового
термостата на температурном датчике LM35
Переменный резистор R3 и резистор R6 формируют
делитель напряжения, который устанавливает опорное напряжение от 0В до 1,62В.
Операционный усилитель (DA1.1) является буфером
опорного напряжения, чтобы избежать влияния делителя. Компаратор (DA1.2)
сравнивает опорное напряжение, установленное переменным резистором R3, с
выходным напряжением температурного датчика LM35 и решает, включить или
выключить схему управления. О включении сигнализирует светодиод VD3.
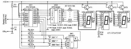
1.2 Термостат на базе
микроконтроллера PIC16F84A
Сегодня во многих квартирах имеются полы с
электроподогревом. Они удобны и достаточно долговечны, но вот их
терморегуляторы имеют ряд недостатков. Цифровые дороги, а аналоговые и
электромеханические ненадежны и не дают никакого представления о температуре пола.
Этих недостатков лишен предлагаемый терморегулятор. Он поддерживает температуру
с точностью 0,5 °С и показывает ее текущее значение на светодиодном индикаторе.
Принципиальная схема показана на рисунке 1.2.
Рис. 1.2 - Принципиальная схема термостата на
базе микроконтроллера PIC16F84A
Основой терморегулятора служит микроконтроллер
DD1 (PIC16F84A). Датчик температуры ВК1 - цифровой DS1621 с интерфейсом I2С. Он
способен измерять температуру в интервале -55...+125 °С.
При включении питания программа
микроконтроллера, прежде всего, инициализирует его внутренние регистры, затем
настраивает датчик температуры. В заключение инициализации программа читает из
энергонезависимой памяти микроконтроллера заданное значение температуры. Затем
она начинает циклически опрашивать датчик и выводить измеренное значение на
трехразрядный светодиодный индикатор HG1 - HG3. Индикация динамическая, причем
десятичная точка индикатора HG2 (разряд единиц градусов) включена принудительно
- вывод катода соответствующего светодиода через резистор R14 соединен с общим
проводом.
В результате сравнения заданного и измеренного
значений температуры программа устанавливает низкий или высокий уровень на
выходе РАЗ микроконтроллера. Это сигнал управления включением и выключением
подогрева. В качестве коммутатора нагревательного элемента используется
оптосимистор, но можно использовать и другой коммутатор подходящей мощности.
Температуру, поддерживаемую регулятором, можно
изменять с шагом 0,5°С, нажимая на кнопки "+" (SB1) и "-"
(SB2). При нажатии на кнопку "Зап." (SB3) и ее удержании не менее 1с
установленное значение температуры будет записано в энергонезависимую память
микроконтроллера и использовано при последующих включениях терморегулятора.
Датчик DS1621 выпускают в корпусах DIP-8 (без
буквенных индексов) и в двух вариантах малогабаритного корпуса SOIC для
поверхностного монтажа (DS1621S и DS1621V). В данном варианте использован
прибор в корпусе DIP-8. Он помещен в пластиковую трубку, замурованную в "теплый
пол" рядом с кабелем-нагревателем, и соединен с основным узлом регулятора
плоским четырехпроводным кабелем длиной 2 м. Провода кабеля подключены в
следующем порядке: плюс питания, линия SCL, общий провод, линия SDA. При
отсутствии плоского кабеля можно применить две витых пары проводов МГТФ.
1.3 Цифровой термостат с
регулируемым гистерезисом на базе микроконтроллера ATtiny2313
Многие сталкивались с проблемой, при
эксплуатации регуляторов температуры, когда необходимо отдельно регулировать
температуру включения и отключения реле. Например, для управления отопительного
котла, подогрева полов, поддержания температуры в теплице или при управлении
холодильной или морозильной установкой.
Причем, в каждом частном случае необходимо
устанавливать индивидуальную паузу включения и отключения обогревателя. Конечно
же, на рынке присутствуют устройства способные регулировать температуру и
задавать необходимый гистерезис, но они оказались не совсем по карману. Да и
предел измерения температуры и регулировки гистерезиса оставлял желать лучшего.
Было необходимо, что-то более универсальное. Так и родилось данное устройство.
При его разработке ставилось несколько задач. Устройство должно быть не
дорогим, простым в эксплуатации, иметь достаточно высокую точность. Поэтому при
выборе термодатчика выбор сразу же упал на DS18B20 как самый доступный, имеющий
широкий диапазоном измерения температуры. В устройстве реализована поддержка
одного термодатчика.
Поэтому была введена возможность подключения
термодатчика, не отключая питание устройства. Это дает возможность на
включенном устройстве, механически переключая вывод DATA, замерять температуру
нескольких датчиков. То есть, при необходимости, в месте регулировки
температуры, переключая датчики, можно измерять температуру в других необходимых
точках.
Принципиальная схема устройства показана на
рисунке 1.3. Сердцем устройства является контролер DD1 ATtiny2313. Контроль
температуры осуществляет цифровой термодатчик DD2 DS18B20. За срабатывание
реле, по сигналу контроллера, отвечает ключ на транзисторе VT5 BSS138LT1. Для
стабильной работы, в широком интервале температур, применяется внешняя
стабилизация опорной частоты с помощью кварцевого резонатора Z1.
Рис. 1.3 - Принципиальная схема термостата на
базе микроконтроллера ATtiny2313
Управление устройством сводится к установке
температуры срабатывания и температуры отпускания встроенного реле. Шаг
установки гистерезиса составляет 0,5°С. Максимальная мощность коммутации
встроенного реле 50 Вт.
Для установки температуры срабатывания реле
необходимо, удерживать правую кнопку реле более 5 сек. Индикацией входа в меню
установки будет являться мигание LED-индикатора. В данном меню выставляется
температура срабатывания реле. При удержании левой кнопки, более 5 сек,
попадаем в меню отпускания реле. Минимальный гистерезис может составлять 0.5°С.
Температуру срабатывания реле можно выставлять от - 54.5°С до +125°С,
температуру отпускания от -55°С до +124.5°С.
1.4 Термометр-термостат на базе
микроконтроллера PIC16F84A
Принципиальная схема предлагаемого термометра
изображена на рис. 1. Его основа - популярный микроконтроллер (МК) PIC16F84A
(DD1). Для измерения температуры использован интегральный цифровой датчик (ВК1)
DS18B20 фирмы MAXIM. Эта микросхема не требует калибровки и позволяет измерять
температуру окружающей среды от -55 до +125 °. Датчик DS18B20 - наиболее
совершенный из широко известного семейства DS18X2X, выпускавшихся ранее под
маркой Dallas Semiconductor. В отличие от функциональных аналогов DS1820 и DS18S20
он перед началом измерения позволяет задать необходимую относительную точность
преобразования температуры из следующего ряда значений: 0,5; 0,25; 0,125 и
0,0625°С, при этом время измерения равно соответственно 93,75; 187,5; 375 и 750
мс.
Рис. 1.4 - Принципиальная схема
термометр-термостат на базе микроконтроллера PIC16F84A
Принцип действия датчика DS18X2X основан на
подсчете числа импульсов, вырабатываемых генератором с низким температурным
коэффициентом во временном интервале, который формируется генератором с другим
температурным коэффициентом, при этом внутренней логикой датчика учитывается и
компенсируется параболическая зависимость частот обоих генераторов от
температуры.
Раздел 2. Разработка структурной
схемы и алгоритма функционирования устройства
Для создания термостата для «тепловых полов»,
обеспечивающего условия технического задания, на основе проведенного анализа
была выбрана схема реализации термостата на микроконтроллере PIC16F84A,
представленная в пункте 1.2. Выбор обусловлен простотой конструкции и
дешевизной элементной базы.
Структурная схема для выбранного варианта
реализации термостата для «тепловых полов» приведена на рис. 2.1.
Рис. 2.1 - Структурная схема устройства
Обобщенный алгоритм функционирования устройства
приведен в Приложении 2
Раздел 3. Выбор элементов
устройства, их технические характеристики
Исходя из принципа минимизации затрат на
компоненты, необходимо произвести сравнительный анализ для каждого из типа
комплектующих, присутствующих в устройстве. Затем на основе данного анализа
выбрать наилучший вариант, удовлетворяющий как по своим характеристикам, так и
по затратам на его приобретение.
Основные компоненты, используемые в устройстве:
микроконтроллер
интегральный термодатчик
Таблица 3.1 - Сравнительные характеристики
микроконтроллеров
|
Наименование
|
Производитель
|
Температура
эксплуатации, °С
|
Разрядность,
бит
|
Частота,
MHz
|
Стоимость,
руб.
|
|
PIC16F84A
|
Microchip
Technology Inc.
|
-40…85
|
8
|
20
|
107
|
|
ATtiny2313
|
-40…85
|
8
|
12
|
118
|
|
ATMEGA168-20PU
|
Atmel
Corporation
|
-40…85
|
8
|
20
|
190
|
Наиболее подходящим и доступным был выбран
микроконтроллер PIC16F84A.
Таблица 3.2 - Сравнительные характеристики
интегральных термодатчиков
|
Наименование
|
Производитель
|
Температура
эксплуатации, °С
|
Точность,
%
|
Потребляемая
мощность, мВт
|
Стоимость,
руб.
|
|
DS1621
|
Dallas
Semiconductor
|
-55…125
|
0,5
|
15
|
34
|
|
TMP03FT9Z
|
Analog
Devices
|
-40…100
|
6
|
25
|
163
|
|
DS18B20
|
Dallas
Semiconductor
|
-55…125
|
0,5
|
15
|
76
|
Наиболее подходящим и доступным был выбран
интегральный термодатчик DS1621.
Принципиальная схема термостата для «тепловых
полов» состоит из:
. Микроконтроллер PIC16F84A,
.Интегральный термодатчик DS1621,
. Дешифратора двоично-десятичного кода КР514ИД2,
.Конденсатор: 275.142-803610 - 36 мкФ,
.Резисторов:AF0402FR-0710KL 10 кОм - 5шт.;
AC0603JR-07150RL 150 Ом - 7шт.; RC2512JK - 7W300RL 300 Ом - 2шт.
.Транзисторов: КТ3102ЕМ
<#"581628.files/image006.jpg">
Рис. 4.1 - Конфигурация выводов микроконтроллера
PIC16F84A
Обозначения ножек и их функциональное назначение
в нормальном режиме:- RA3 - Двунаправленные линии ввода/вывода. Входные уровни
ТТЛ;/T0CKI - Вход через триггер Шмитта. Ножка порта ввода/вывода с открытым
стоком или вход частоты для таймера/счетчика TMR0;/INT - Двунаправленная линия
порта ввода/ вывода или внешний вход прерывания Уровни ТТЛ;- RB5 -
Двунаправленные линии ввода/ вывода. Уровни ТТЛ;- RB7 - Двунаправленные линии
ввода/ вывода. Уровни ТТЛ;/CLKIN - Для подключения кварца, RC или вход внешней
тактовой частоты;- Низкий уровень на этом входе генерирует сигнал сброса для
контроллера, активный низкий;/CLKOUT - Генератор, выход тактовой частоты в
режиме RC генератора, в остальных случаях - для подключения кварца;- Напряжение
питания;- Общий (земля);
Обозначения ножек и их функциональное назначение
в режиме записи EEPROM:- Вход тактовой частоты для EEPROM- Вход/выход EEPROM
данных.- Сброс контроллера;- Напряжение питания;- Общий (земля).ледует
добавить, что встроенный автомат программирования EEPROM кристалла PIC16F84A
позволяет легко подстраивать программу и данные под конкретные требования даже
после завершения ассемблирования и тестирования. Эта возможность может быть
использована как для тиражирования, так и для занесения калибровочных данных
уже после окончательного тестирования.
4.1.1 Подключение к МК датчика
температуры DS1621
Микросхема DS1621, производства
DallasSemiconductors, предназначена для выполнения функций термометра и
термостата. Возможности микросхемы позволяют производить измерение в диапазоне
температур от -55 до +125 градусов Цельсия. Шаг отсчета температуры составляет
0.5 градуса. DS1621 оснащена интерфейсом I2С. В режиме термостата возможна
автономная работа.
Датчик температуры DS1621 для измерения использует
принцип нестабильности частоты колебаний при изменении температуры. Для этого в
ее состав входят два генератора. Первый имеет высокую температурную
стабильность. Его частота соответствует температуре -55 градусов и практически
не подвержена изменениям. Частота работы второго генератора, наоборот,
изменяется пропорционально температуре. Специальные счетчики импульсов
производят подсчет за одинаковый временной интервал и на основе разности,
вычисляют значение температуры. Это значение в 9-разрядном двоичном коде
доступно пользователю. Данные разбиваются на старший и младший байты. Если
достаточно целое значение температуры, то можно пользоваться только старшим
байтом. Младший байт имеет только один информационный бит LSB, обеспечивающий
дискретность 0.5 градуса. Остальные биты младшего байта всегда равны 0. На
рис.4.2 показана конфигурация выводов датчика температуры DS1621.
Рис. 4.2 - Конфигурация выводов датчика
температуры DS1621
Назначения выводов:- линия данных шины I2C-
линия тактового сигнала шины I2C- выход термостата- плюсовой вывод питания-
общий (земля)...A2 - линии формирования младших битов адреса
В выбранной схеме, показанной на рис. 1.2 DS1621
используется в корпусе DIP-8. Он помещен в пластиковую трубку, замурованную в
"теплый пол" рядом с кабелем-нагревателем. Схема подключения датчика
температуры к МК представлена на рис. 4.3.
Рис. 4.3 - Схема подключения датчика температуры
DS1621 к МК
Температуру, поддерживаемую регулятором, можно
изменять с шагом 0,5 °С, нажимая на кнопки SB"+" и SB"-".
При нажатии на кнопку SB"Зап" и ее удержании не менее 1с
установленное значение температуры будет записано в энергонезависимую память
микроконтроллера и использовано при последующих включениях терморегулятора.
4.1.2 Подключение к МК реле
Для включения и выключения подогрева полов в
схему добавлено реле. Реле управляется в зависимости от уровня сигнала на
выходе RA3. При сигнале высокого уровня подается напряжение на базу транзистора
VT4, в результате открывается и соединяет цепь с реле и оно срабатывает. Схема
соединения реле с МК представлена на рис. 4.4.
Рис. 4.4 - Схема соединения МК с реле
4.2 Разработка цепи питания
устройства
Для питания термостата необходимо разработать
схему, которая будет работать от сети 220V, 50Гц и на выходе выдавать +5V
постоянного тока.
Для разработки схемы питания устройства будем
использовать такие компоненты, как:
. Трансформатор ТПП-242-127/220-50,
. Диодная сборка КД202Б,
. Интегральный стабилизатор MC78L00,
. Конденсаторы: SK063M0010B2F-0511 63В 10.0мкФ -
2шт.
Схема цепи питания термостата для «тепловых
полов» приведена на рис. 4.5.

Раздел 5. Разработка программного
обеспечения
Текст программы для термостата представлен ниже:
INDF EQU 00HEQU 01H_REG EQU 81HEQU
02HEQU 03HEQU 04HEQU 05HEQU 06HEQU 85HEQU 86HEQU 0BHEQU 09HEQU 08HEQU
88H_COPYEQU0CH_COPYEQU0DH_COPYEQU0EHFHHEQU11HEQU12HEQU13HEQU14HH_1EQU16HEQU17H_1_TEMPEQU18HEQU19HAHEQU1BHEQU1CH_1EQU1DHEQU1EHEQU1FH_3EQU20HEQU89HSERV,5'00010000'^80H'00110000'^80H_REG^80H,7_REG^80H,5,5'00000100'_1_WR'10010000',6
;,6 ;ACKACH ;обращение к
регистру
конфигурации,6;,6;ACKH;команда
автопреобразования,6
;,6 ;ACK'10010000',6;,6;ACKEEH;старт
автопреобразования_SPZU,0,1,2_1_1_TEMP_WR'10010000',6;,6;AAH
;команда
чтения
2-х
байтов,6;,6;'10010001',6;,6;_RE_1_WR,7,6,6_RE_1
MOVWFDAT2_WR;данные с датчика
прочитаны,0,0_1,3_2_1,3_2'10100000';опрос кнопок,4;вызов обработчика
"-",5;вызов обработчика "+",4;вызов обработчика
"запись"_3;обработчик "+",5
RETURN_4,5_4,5,7_5,7,1_6_5'10000000'_6,7,7;обработчик
"-",4_7,4_7,4,7_8,7_9_8,7,1_9,7,7;обработчик
"запись",4_3_10,4_10,4_3,7_SPZU_3D0H_2,1,2_2;вывод
в
порт
одного
байта_1_1_1,0_1,1_1,2_1,3_1,4_1,5_1,6_1,6,6,7_1_1,0_1,1_1,2_1,3_1,4_1,5_1,7,0_1,1_1,6,6,7_1_1,0_1,1_1,2_1,3_1,4_1,6_1,7,0_1,1_1,1_1,6,6,7_1_1,0_1,1_1,2_1,3_1,5_1,6_1,7,0_1,1_1,1_1,1_1,6,6,7_1_1,0_1,1_1,2_1,4_1,5_1,6_1,7,0_1,1_1,1_1,1_1,1_1,6,6,7_1_1,0_1,1_1,3_1,4_1,5_1,6_1,7,0_1,1_1,1_1,1_1,1_1,1_1,6,6,7_1_1,0_1,2_1,3_1,4_1,5_1,6_1,7,0_1,1_1,1_1,1_1,1_1,1_1,1_1,6,6,7_1_1,1_1,2_1,3_1,4_1,5_1,6_1,7,0_1,1_1,1_1,1_1,1_1,1_1,1_1,1_1,6,6,7_WR,5'00110000'^80H,5
KON_RE,5'10110000'^80H
BCFSTATUS,5_SPZUH,5^80H,0,5H,5^80H,0,5_SPZUH,5^80H,2H^80HAAH^80H^80H,1^80H,4^80H,4,5H,5^80H,2H^80HAAH^80H^80H,1^80H,4^80H,4,5FHFFH_2,1,2_2,1,2;
чтение
одного
байта,6
;;_1_TEMP ;чтениe_1_TEMP,0;
BCFDAT_1_TEMP,1;_1_TEMP,2;_1_TEMP,3;_1_TEMP,4;_1_TEMP,5;_1_TEMP,6;
7-го_1_TEMP
;бита,0
;_1,1 ;,6 ;,6 ;;_1_TEMP ;чтение_1_TEMP,0;_1_TEMP,1;_1_TEMP,2;_1_TEMP,3;_1_TEMP,4;_1_TEMP,5;_1_TEMP,6;
6-го,0
;_1_TEMP,1;_1_TEMP ;бита_1,1
;,6 ;,6 ;;_1_TEMP ;чтение_1_TEMP,0;_1_TEMP,1;_1_TEMP,2;_1_TEMP,3;_1_TEMP,4;_1_TEMP,5;_1_TEMP,6;
5-го,0
;_1_TEMP,1;_1_TEMP,1;_1_TEMP ;бита_1,1
;,6 ;,6 ;;_1_TEMP ;чтение_1_TEMP,0;_1_TEMP,1;_1_TEMP,2;_1_TEMP,3;_1_TEMP,4;_1_TEMP,5;_1_TEMP,6;
4-го,0
;_1_TEMP,1;_1_TEMP,1;_1_TEMP,1;_1_TEMP ;бита_1,1
;,6 ;,6 ;;_1_TEMP ;чтение_1_TEMP,0;_1_TEMP,1;_1_TEMP,2;_1_TEMP,3;_1_TEMP,4;_1_TEMP,5;_1_TEMP,6;
3-го,0
;_1_TEMP,1;_1_TEMP,1;_1_TEMP,1;_1_TEMP,1;_1_TEMP ;бита_1,1
;,6 ;,6 ;;_1_TEMP ;чтение_1_TEMP,0;_1_TEMP,1;_1_TEMP,2;_1_TEMP,3;_1_TEMP,4;_1_TEMP,5;_1_TEMP,6;
2-го,0
;_1_TEMP,1;_1_TEMP,1;_1_TEMP,1;_1_TEMP,1;_1_TEMP,1;_1_TEMP ;бита_1,1
;,6 ;,6 ;;_1_TEMP ;чтение_1_TEMP,0;_1_TEMP,1;_1_TEMP,2;_1_TEMP,3;_1_TEMP,4;_1_TEMP,5;_1_TEMP,6;
1-го,0
;_1_TEMP,1;_1_TEMP,1;_1_TEMP,1;_1_TEMP,1;_1_TEMP,1;_1_TEMP,1;_1_TEMP ;бита_1,1
;,6 ;,6 ;;_1_TEMP ;чтение_1_TEMP,0;_1_TEMP,1;_1_TEMP,2;_1_TEMP,3;_1_TEMP,4;_1_TEMP,5;_1_TEMP,6;
0-го,0
;_1_TEMP,1;_1_TEMP,1;_1_TEMP,1;_1_TEMP,1;_1_TEMP,1;_1_TEMP,1;_1_TEMP,1;_1_TEMP
;бита
IORWFDAT_1,1 ;,6 ;'11000000',7,6,6,7;Перекодировка_3,7HH_3,1,0,1H_3,1AH_3,1,0,1AH_3,1H_3,1,0,1H_3,1SERV_COPY_COPY_COPY,2'11110000',0,1,0,1,0'00000100'_COPY_COPY_COPY,1_COPY,0
Заключение
В данной работе был проведен аналитический обзор
различных способов создания термостата для «тепловых полов». Исходя из условий
задания и других причин, была выбрана реализация устройства на микроконтроллере
PIC16F84A и датчике температуры DS1621 .
В работе приведено подробное описание
принципиальной схемы. Также была разработана схема питания термостата.
Литература
1.
Аналоговый термостат на температурном датчике LM35: [Электронный ресурс] //
URL: <http://forum.homedistiller.ru/index.php?topic=21045.0> (Дата
обращения: 25.12.2012).
.
Термостат для «тепловых полов» [Электронный ресурс] // URL <http://cxema.my1.ru/publ/skhemy_ustrojstv_na_mikrokontrollerakh/ustrojstva_na_mk/termostat_dlja_quot_teplykh_polov_quot/29-1-0-869>
(Дата обращения: 25.12.2012).
.
Басалаев Р.В. Цифровой термометр/термостат с регулируемым гистерезисом //
Радиоконструктор. - 2012 - №3. - С. 29-32.
.
Коряков С.К. Термометр - термостат // Радиоконструктор. - 2003 - №9. - С.
26-28.
.
Баев Б.П. Микропроцессорные системы бытовой техники. Учебник для вузов.-2-е
изд., испр. И доп. - М.:Телеком,2005.-480с.
.
Белов А.В. Самоучитель по микропроцессорной технике. - СПб.: Наука и Техника,
2003.- 224с.