Распределенная генерация

  • Вид работы:
    Реферат
  • Предмет:
    Физика
  • Язык:
    Русский
    ,
    Формат файла:
    MS Word
    394,53 Кб
  • Опубликовано:
    2012-09-27
Вы можете узнать стоимость помощи в написании студенческой работы.
Помощь в написании работы, которую точно примут!

Распределенная генерация

Содержание

 

1. Распределенная генерация

1.1 Предпосылки и тенденции

1.2 Технологии

1.3 Микротурбины

1.4 Топливные элементы

1.5 Возобновляемые источники

2. Режимы работы автономных систем электроснабжения

Заключение

Список использованной литературы

Введение

 

В настоящее время промышленно <#"581445.files/image001.gif">

Рисунок 1. Топливный элемент

В основе топливных элементов лежит целое семейство технологий, основанных на катализаторном окислении водорода. Генерация электроэнергии осуществляется подобно генерации в обычной батарейке, без преобразования химической энергии в электричество через механическое движение. Все технологии работают практически без загрязнения окружающей среды, отходом является обычная вода. Кроме работы на чистом водороде, изготовление которого весьма дорого, топливные элементы могут использовать и другие виды топлива с высоким содержанием водорода.

Всего сейчас разрабатывается не менее дюжины различных типов элементов с КПД от 40% до 60%. Одни из самых перспективных - технологии с протонообменной мембраной, углеродные и на твёрдых оксидах. При утилизации тепла или при использовании газовой турбины в сочетании с топливным элементом в комбинированном цикле возможно и достижение сверхвысокого КПД в 80%.

Принцип действия

Обычно в низкотемпературных топливных элементах используются: водород <#"581445.files/image002.gif">

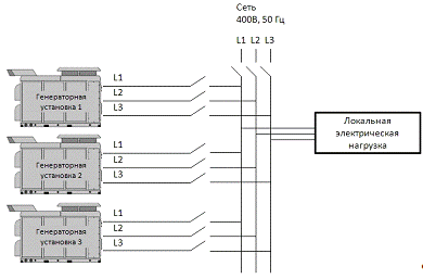
Рисунок 2. Пример включения в автономном режиме

Генерирующее оборудование при таком соединении оказывается подключенным параллельно к источнику напряжения и может генерировать электрический ток (передавать электрическую мощность) в направлении локальной нагрузки и сети в любом количестве (в силу низкого внутреннего сопротивления сети), в пределах собственной выходной мощности.

Рисунок 3. Пример подключения параллельно с сетью

Таким образом, в отличие от "островного" режима, где происходит генерация напряжения, в данном случае генерируется ток (Current Mode). Количество электрической энергии (мощности), передаваемой в сеть и в локальную нагрузку, может регулироваться. Данная возможность позволяет при необходимости автоматически регулировать суммарную мощность генерации энергокомплекса.

Каждая единица оборудования самостоятельно синхронизируется с сетевым напряжением и контролирует его параметры. Специальные меры по синхронизации работы между единицами генерирующего оборудования в данном режиме не требуются, следовательно, теоретически параллельно с сетями может быть включено любое количество единиц оборудования.

Работа параллельно с сетями широко распространена в западных странах благодаря наличию законодательного разрешения и существующим тарифам передачи энергии от распределенных источников в сеть, благодаря чему использование этого режима экономически выгодно.

В РФ работа генерирующего оборудования параллельно с сетями в настоящее время встречается редко из-за отсутствия разрешений сетевых компаний на передачу энергии в сеть и отсутствия соответствующих тарифов.

3.       Режим "следования за нагрузкой"

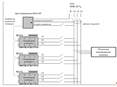
Рисунок 4. Пример включения в режиме "следования за нагрузкой"

Имеется возможность организации работы энергокомплекса параллельно с сетями, но без передачи электрической энергии в сеть. Этот режим работы имеет наименование "следование за нагрузкой".

На основании показаний измерительного контроллера система определяет значение мощности, потребляемой от сети на вводе. При изменении локальной нагрузки это значение меняется: при росте локальной нагрузки - увеличивается, при её уменьшении - падает, при дальнейшем уменьшении нагрузки начинается передача мощности в сеть. Программно-аппаратный комплекс при любом уровне локальной нагрузки предотвращает такую передачу:

При настройке системы программно задается минимальное значение мощности, потребляемой от сети.

По достижении заданного минимального значения контроллер в соответствии с алгоритмом изменяет мощность генерации всех генерирующих установок таким образом, чтобы предотвратить передачу электрической энергии от генерирующих установок в сеть и поддерживать заданное минимальное значение мощности, то есть поддерживает соотношение Pлн>Pген (см. рис.5, а)

Вследствие функционирования такого алгоритма энергоблок при любых значениях локальной нагрузки работает с некоторым потреблением энергии от сети.

Уровень минимальной потребляемой мощности от сети - настраиваемая величина, зависит от графиков изменения локальной нагрузки.

Рисунок 5. Распределение мощности генерирующих установок при различных соотношениях мощности нагрузки и генерации

Таким образом, реализация режима "следования за нагрузкой" для работы энергоблока позволяет выполнить одно из основных технических требований энергоснабжающих организаций - исключить передачу электрической мощности в сети и одновременно использовать преимущества работы оборудования параллельно с существующими сетями электроснабжения. При использовании такого режима потребление электроэнергии из сетей резко сокращается (при стабильной нагрузке - практически до 0), что при высоких тарифах дает существенную экономию средств.

Заключение


Тенденции развития электроэнергетики в мире связаны не только с ростом масштабов производства электроэнергии на традиционных крупных электростанциях, но и с увеличением доли распределенной генерации. Эти тенденции определяются появлением новых высокоэффективных энергетических технологий, ростом доли высококачественных видов топлива, ужесточением экологических требований, стимулирующем использованием ВИЭ при протекционистской политике государств.

Мировые тенденции органичного сочетания централизованной и распределенной генерации характерны и для России. Более половины территории России не электрифицировано вообще, и здесь распределенная генерация как нельзя кстати. Климатические и географические особенности порождают более высокую, чем в других странах, потребность в электроэнергии и тепле. Огромные расстояния в совокупности низкой плотностью населения делают централизованное энерго - и теплоснабжение очень дорогим. А доступность энергоресурсов, дополненная прочими достоинствами распределенной генерации, делают ее весьма привлекательной.


Список использованной литературы


1.       Энергетика XXI века: Условия развития, технологии, прогнозы / Л.С. Беляев, А.В. Лагерев, В.В. Посекалин; Отв. ред.Н.И. Воропай. Новосибирск: Наука, 2004, 386 с.

2.       Безруких П.П. Нетрадиционные возобновляемые источники энергии // Энергетическая бе-зопасность и малая энергетика. XXI век. Сб. докл. Всерос. н. - т. конф. Санкт-Петербург, 3-5 декабря 2002 г., с.30-45.

.        Воропай Н.И., Ефимов Д.Н. Требования к противоаварийному управлению ЭЭС с учетом изменения условия их развития и функционирования // Надежность либерализованных систем энергетики. Новосибирск: Наука, 2004, с.74-84.

4.       http://raoreform. elektra.ru <http://raoreform.elektra.ru/>

.        <http://www.electrosystems.ru/>

.        <http://www.rushydro.ru/industry/biblioteka/14289.html>

.        <http://zodiak-energo.ru/articles/article/109/>

.        http://ru. wikipedia.org <http://ru.wikipedia.org>


Не нашли материал для своей работы?
Поможем написать уникальную работу
Без плагиата!
Без нейросетей!